Автоматизация регулирования температуры

  • Вид работы:
    Контрольная работа
  • Предмет:
    Информационное обеспечение, программирование
  • Язык:
    Русский
    ,
    Формат файла:
    MS Word
    20,98 Кб
  • Опубликовано:
    2014-04-23
Вы можете узнать стоимость помощи в написании студенческой работы.
Помощь в написании работы, которую точно примут!

Автоматизация регулирования температуры

Введение

Автоматика - отрасль науки и техники с помощью, которой удаётся автоматически управлять протеканием процессов или поведением объектов и контролировать их состояние. Человек заменяет себя автоматами, когда они дешевле, быстрее, точнее, надёжнее.

Автоматика и вычислительная техника за последнее время приобрели наибольшее значение для производства. Успех дальнейшего подъёма материально-технического уровня стал возможным только на базе широкого внедрения автоматизированных систем управления производственными процессами. Это позволяет механизировать трудоёмкие, тяжёлые и опасные для здоровья человека работы.

Автомат - устройство, позволяющее осуществлять производительный процесс без непосредственного участия человека и лишь под его контролем.

В настоящее время технический прогресс во всех отраслях производства в большой мере связан с автоматизацией производственных процессов. Любое автоматическое устройство состоит из отдельных элементов, основные и наиболее распространённые из которых - датчики, реле и усилители, генераторы низкочастотных и высокочастотных колебаний. Электрическое питание схем усилителей, генераторов и других устройств автоматики осуществляется преимущественно от выпрямителей.

Системы автоматического регулирования, контроля и управления позволяют расширить и повысить производительность, создавать более новые и надёжные аппараты для дальнейшего развития производства и выхода его на мировой уровень.

В данной системе автоматического регулирования производились исследование и расчет регулятора уровня жидкости. Это устройство зачастую применяется в промышленности, быту, научных, военных и других исследованиях.

В данном курсовом проекте разработана система автоматического регулирования температуры на базе логического модуля LOGO! - LOGO! DM8 12/24R, которая позволяет свободно программировать и возможность адаптации аппаратуры к требованиям решаемой задачи обеспечивает широкую универсальность модулей LOGO!, а также позволяет использовать их для управления вентиляторами, насосами, компрессорами, нагревательными элементами и т.д.

1. Разработка структурной схемы

автоматический логический программирование

Схема электрическая структурная представлена в графической части курсового проекта БККП.023913.100Э1 и состоит из следующих блоков:

датчика уровня жидкости

блока управления

два электронных ключа

модуля LOGO!24

электромагнита

световой сигнализации

звуковой сигнализации

Система автоматического регулирования (САР) предназначена для автоматического регулирования уровня жидкости, сведения о которой необходимы при управлении объектом.

В данном курсовом проекте необходимо спроектировать систему автоматического регулирования уровня жидкости. В проектируемом устройстве измерительным элементом является датчик уровня жидкости, предназначенный для точного измерения уровня жидкости, является оптимальным вариантом в нашем случае.

Датчики уровня жидкости измеряет уровень жидкости регулируемого объекта и преобразует его в электрический сигнал. Сигнал с датчика поступает на логический модуль LOGO!24, где сравнивается с заданным уровнем сигнала.Через Электронный ключ (симисторную оптопару) на исполнительное устройство. Исполнительное устройство представляет собой электромагнит, и он воздействующее на процесс в соответствии с получаемой командной информацией.

Выйдя из нужного параметра, включается световая и звуковая сигнализация. Через пульт управления можно выключить звуковую сигнализацию. Этой сигнализацией управляет электронный ключ в виде твердотельного реле.

Питаются датчики от внешнего источника питания 24 В.

Блок питания LOGO! Power 24B/1,3А предназначен для питания логического модуля LOGO! их входных и выходных цепей, а также любых других нагрузок. Они обеспечивают стабильность выходного напряжения, защиту нагрузки от коротких замыканий, могут использоваться как в промышленных, так и в офисных условиях.

Световая сигнализация представлена светодиодом АЛ307АМ, звуковая представлена ВС-3-ГС-220.

Питание на систему подается при помощи переменного напряжения 220 В 50 Гц.

2 Разработка электрической принципиальной схемы

Схема электрическая принципиальная представлена в графической части курсового проекта БККП.023913.100Э3. Проектируемая система позволяет контролировать уровень жидкости. По заданию на курсовой проект система автоматического управления должна иметь следующие параметры:

Регулируемый или контролируемый параметр - уровень;

Датчик - любой датчик уровня;

Регулирующее исполнительное устройство - электромагнит;

Тип устройства управления - модуль LOGO!24;

Электронный ключ - симистор;

Напряжение питания - 220В 50 Гц;

Мощность потребляемая исполнительным (регулирующим)

устройством - 100 Вт;

Сигнализация - световая и звуковая

Работа системы приводиться в действие замыканием тумблера SА1 типа PST - 22, выбираем тумблер с такими же параметрами, приведенными в таблице:

Таблица 1

Электрические характеристики

Напряжение, В

250

Ток, А

3


Напряжение питания стенда составляет 220В 50Гц. Блок питания LOGO! Power 24B/1,3B используется как питание логического модуля LOGO! его входных и выходных цепей, а также любых других нагрузок. Они обеспечивают стабильность выходного напряжения, защиту нагрузки от коротких замыканий, а так же имеет встроенный источник питания на 24В. Которым запитывается датчик.

Индикатор HL1 включён в схему для отображения работоспособности Блока питания.

В качестве датчика выбрали ультразвуковой датчик серии 947, параметры в таблице:

Таблица 2

серия

Рабочая дистанция, мм

Питание, В

Выход, В

Частота переключения, ГЦ

947

100…600

18..30

0-10

1..25


Ультразвуковые датчики уровня применяют измерения непрерывного и предельного уровня жидких или сыпучих продуктов. Могут быть широко применены во многих отраслях промышленности при создании автоматических систем управления.

Общие технические характеристики модуля LOGO! DM8 12/24R, представлены в таблице 3

Таблица 3

Характеристика

Значение

1

2

Напряжение питания/входное напряжение

номинальное значение

12/24 В

допустимый диапазон изменений

=10.8 … 28.8 В

есть

Частота переменного тока

-

Потребляемый ток при напряжении питания

30 … 140 мА/ =12 В 20 … 75 мА/ =24 В

Допустимый перерыв в питании, типовое значение

2 мс/ =12 В 5 мс/ =24 В

Потребляемая мощность при напряжении питания

0.3 … 1.7 Вт/ =12 В 0.4 … 1.8 Вт/ =24 В

Дискретные входы

Количество входов

4

Гальваническое разделение

нет

Количество групп х количество входов

1 х 4

Входное напряжение низкого уровня, не более

5 В

Входное напряжение высокого уровня, не менее

8 В

Входной ток низкого уровня, не более

1.0 мА

Входной ток высокого уровня, не менее

1.5 мА

Длина обычного кабеля, не более

100 м

Дискретные выходы

Количество выходов

4

Тип выходов

Замыкающие контакты реле

Гальваническое разделение

есть

Количество групп х количество выходов

4 х 1

 Длительно допустимый ток выхода

Ламповая нагрузка (25000 коммутационных циклов) при напряжении питания нагрузки ~230/240 В

1000 Вт

Нагрузка в виде (25000 коммутационных циклов при ~230/240 В) флуоресцентных ламп с балластом

10 х 58 Вт

Защита цепей питания от коротких замыканий и перегрузки

Внешняя

при cos ц = 1.0

B16/ 600 A

• при cos ц = 0.5 … 0.7

B16/ 900 A

Конструкция

Габариты

36 х 90 х 53 мм

Масса

90 г

Степень защиты корпуса

IP 20

Подключение внешних цепей

Контакты

Под винт

Сечение проводников

1 х 2.5 мм2 или 2 х 1.5 мм2


В качестве электронного ключа выбираем твердотельное однофазное реле HD1022ZA2. Технические данные приведены в таблице:

Таблица 4

Технические данные

Серия

HD

Тип реле

Однофазное HD1022ZA2

Тип управляемого сигнала

90…250 В DC

Ток потребления в цепи управления

5…30 мА

90 V AC/10 V AC

Максимально допустимое импульсное напряжение

900 V AC

Падение напряжения в цепи нагрузки

≤ 1,6 V AC

Время переключения реле при f=50 Гц

≤ 10 мс

Токи утечки в цепи нагрузки

≤ 10 мА

Выходной элемент (ключ)

Симистор (TRIAK)

Габариты

57,2×43,5×29 мм


3. Расчетная часть

3.1     Расчет и выбор предохранителя FU1,

SA1 FU1

 

FU2

Рисунок 1

Рассчитываем ток на FU1:

Iпот = P/U (1)

Iпот = 100Вт/220В = 0,45 А

Выбираем предохранитель из стандартного ряда с ближайшим номинальном током срабатывания, по формуле Iпот = 0,45 А и по номиналу нам подходит предохранитель ВП1-1, Ж4*15(тип предохранителя), АГО.481.303ТУ (ГОСТ ТУ):

Таблица 5

Название

Масса

Длина

Диаметр

Номинальный ток

ВП1-1

6,8г

15 мм

4 мм

0,25-5 А



3.1 Расчет и выбор резистора R1 на световой индикации HL1

Рисунок 2

Для расчета цепи сигнализации выбираем светодиод АЛ307АМ с параметрами:

Таблица

Цвет свечения

красный

Длина волны,нм

663

Минимальная сила света Iv мин.,мКд

0.15

Максимальная сила света Iv макс.,мКд

0.2

при токе Iпр.,мА

10

Видимый телесный угол,град

20

Цвет линзы

красный

Форма линзы

круглая

Размер линзы,мм

5

Максимальное прямое напряжение ,В

2

Максимальное обратное напряжение ,В

2

Максимальный импульсный прямой ток,мА

100

Рабочая температура ,С

-60...70


Находим рассеиваемую мощность на светодиоде:

Рпотр.D = Iпотр ´ Uпит(2)

Рпотр.D= 0.01А ´ 2В=0.02 Вт

Индикация запитывается напряжением 5 В, чтобы светодиод не вышел из строя необходимо рассеять еще 3В. Это достигается путем ввода добавочного сопротивления. Рассчитаем, наминал резистора:

Rдоб.R=Uпит/Iпот (3)

Находим рассеиваемую мощность на резисторе:

Рпотр.R = Iпотр ´ Iпотр ´ Rдоб (4)

Рпотр.R =0.01А´ 0.01А´300=0,03 Вт

Из справочника резисторов выбираем МЛТ-0,125-620Ом

Рпотр.R = Iпотр ´ Iпотр ´ Rдоб (5)

Рпотр.R =0.01А´ 0.01А´620=0,062Вт

Общая мощность световой сигнализации:

Рсиг= Рпотр.D+ Рпотр.R (6)

Рсиг=0,02Вт+0,062Вт=0,082Вт

По схожим параметрам выбираем диод VD1 КД522Б

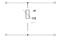
3.3 Расчет и выбор варистора U2

Рисунок 3

Для защиты реле от повышенного напряжения необходимо установить варисторы. Выбор его находим по формулам

Uваристора=(1,6…1,9)Uнагрузки (7)

Uвар = 1,9 ´ 220 = 418 В

По данному расчету выбирает тип варистора приведенный в таблице 6

Таблица 6

Тип варистора

Un,В

Um~,В

Um-,В

W,Дж

CH2-2A

430

275

350

138


Где, Un - классификационное напряжение, В

Um~ − максимально допустимое действующее переменное напряжение (среднеквадратическое), В

Um- − максимально допустимое постоянное напряжение, В

W - максимальная допустимая поглощаемая энергия , при воздействии одного импульса. От этой величины зависит, как долго может действовать перегрузка без опасности повредить варистор, Дж

Заключение

В данном курсовом проекте разрабатывалась система автоматического регулирования уровня жидкости. Которая будет регулировать уровень жидкостей разных сред, выводить информацию в цифровом виде, что позволит получить точные данные в удобной для оператора форме. В ходе разработки производился расчёт параметров заданных устройств в частности расчет световой сигнализации и варистора, расчет предохранителя. Кроме того, осуществлялась разработка конструкции. Все элементы системы широко используются и легкодоступны в приобретении.

При правильной эксплуатации и соблюдений правил электрической безопасности прибор не представляет опасности для жизни.

 

Список использованных источников


1. Промышленная электроника и микроэлектроника: Галкин В.И., Пелевин Е.В. Учеб. - Мн.: Беларусь. 2000 - 350 с.: ил.

. Платы печатные. Технические требования ТТ600.059.008

. Правила выполнения электрических схем ГОСТ 2.702-75

. Основы автоматики / Е.М. Гордин - М.: Машиностроение, 1978 - 304 стр.

. Полупроводниковые приборы: Справочник / В.И. Галкин, А.А. Булычёв, П.Н. Лямин. - Мн.: Беларусь, 1994 - 347

. Справочник по полупроводниковой электронике (Под ред. Л.П. Хантера:  сокращ. перевод с англ.) С.Я. Щаца и И.И. Литвинова. - М.: Машиностроение.

. ГОСТ 23751. Основные параметры конструкции.

. Резисторы, конденсаторы, трансформаторы, дроссели, коммутационные устройства РЭА: Справ. Н.М. Акимов, Е.П. Ващуков, В.А. Прохоренко, Ю.П. Ходоренок. - Мн.: Беларусь, 1994.

. ГОСТ 2.710-81 ЕСКД. Обозначения буквенно-цифровые в электрических схемах.

. Каталог датчиков и преобразователей

. Интернет ресурсы www.mymcu.ru, www. avr.ru

. Интернет ресурс www.owen.ru

Похожие работы на - Автоматизация регулирования температуры

 

Не нашли материал для своей работы?
Поможем написать уникальную работу
Без плагиата!
Без нейросетей!