Электрическая сеть промышленного района
Белорусский национальный
технический университет
Кафедра ” Электрические
системы”
Группа 306229
Курсовой проект
На тему: Электрическая сеть
промышленного района
По дисциплине:
Электроэнергетические системы
Исполнитель: Лукша А.В.
Минск, 2013
ВВЕДЕНИЕ
Целью выполнения данного курсового проекта является
формирование знаний в области теории расчетов и анализа режимов электрических
систем и сетей, обеспечение при их проектировании и эксплуатации экономичности,
надежности, а также качества электроэнергии.
Создание мощных энергетических систем обусловлено их большими
технико-экономическими преимуществами. С увеличением их мощности появляется
возможность сооружения крупных электрических станций с более экономичными
агрегатами, повышается надежность электроснабжения потребителей, более полно и
рационально используется оборудование.
Формирование электрических систем осуществляется с помощью электрических
сетей, которые выполняют функции передачи энергии и электроснабжения
потребителей. С учетом этого и ведется их проектирование.
Курсовой проект по дисциплине "Электрические системы и сети"
состоит из следующих основных разделов:
) выбор наиболее рациональных вариантов схем электрической сети и
электроснабжения потребителей;
) сопоставление этих вариантов по различным показателям;
) выбор в результате этого сопоставления и технико-экономического расчета
наиболее приемлемого варианта;
) расчет характерных режимов работы электрической сети;
) решение вопросов, связанных с регулированием напряжения;
) определение технико-экономических показателей электрической сети.
Следует учитывать, что к электрической сети предъявляются определенные
технико-экономические требования, с учетом которых и производится выбор
наиболее приемлемого варианта.
Выбор наиболее приемлемого варианта, удовлетворяющего
технико-экономическим требованиям - это один из основных вопросов при
проектировании любого инженерного сооружения, в том числе и электрической сети.
1. РАЗРАБОТКА 4-5 ВАРИАНТОВ
КОНФИГУРАЦИИ СЕТИ
Создание конфигурационной модели электрической сети
производится следующим образом: зная координаты источников питания и нагрузок,
на схему наносятся расстояния между узлами проектируемой сети, которые
увеличиваются на 10-15% из-за вероятного отклонения трассы линии электропередачи
от длины прямой линии. При этом необходимо учитывать следующее: потребители Й и
ЙЙ категории должны снабжаться электроэнергией от двух источников, а
потребители ЙЙЙ категории допускается снабжать электроэнергией от одного
источника; напряжения в узлах не должны выходить за пределы (0,9-1,1)Uном; принятый вариант схемы при
прочих равных условиях должен быть экономичным.
В данном курсовом проекте рассмотрено 4 вариантов схем, из
которых в дальнейшем выбираются 2 наиболее предпочтительных варианта.
Рис. 1.1 - Варианты конфигурации электрической сети.
Таблица 1.1 - Суммарная длина линий для разработанных
вариантов
|
№ схемы
|
1
|
2
|
3
|
4
|
|
Длина, км
|
214
|
239,5
|
242,5
|
198,5
|
В своём решении я руководствовался не только суммарными
длинами линий, но и критериями надёжности, поэтому дальнейший расчёт я вёл для
схем №1 и №2.
. Приближённый расчёты
потокораспределения в нормальном режиме наибольших нагрузок для двух вариантов
сети
Для начала необходимо рассчитать потоки мощности в ветвях
схемы и только после этого можно выбирать номинальное напряжение и сечение
проводов. С другой стороны, для расчета потоков мощности требуется уже знания
номинального напряжения и параметров линий. Для решения этой задачи мы
прибегнем к следующим допущениям:
· Номинальные напряжения линий
одинаковые.
· Сечения проводов линий одинаковые.
Следовательно, их сопротивления пропорциональны их длинам. Проводимости линий
не учитываются.
· Потери мощности в трансформаторах не
учитываются. Следовательно, заданные нагрузки узлов можно подключить в узлы
связи линий и трансформаторы в расчетах не учитывать.
При использовании для расчёта программ на ЭВМ принимаются следующие
допущения:
Средневзвешенное удельное сопротивление линий принимается равным:
, Ом/км; (2.1)
где R0 - удельное активное сопротивление линии;X0- удельное индуктивное сопротивление линии. Тогда
сопротивление линий найдём по формуле:= (R0 + jX0)∙L
, (2.2)
где L - длина участка линии.
Номинальное напряжение электрической сети зададим заведомо завышенным,
чтобы потери мощности и потери напряжения в ветвях существенно не искажали
приближенное потокораспределение U=750кВ.
Зная активную составляющую мощности, из треугольника мощностей находим
реактивную составляющую (при этом учтем развитие схемы):
Qi=Pi×tgji, (2.3)
где Pi- поток активной мощности на i-ом участке сети;
Qi- поток реактивной мощности на i-ом участке сети.
Произведем расчет для линии 1 - 4 и узла 4:
Z = (R0 + jX0) ·L =(0.2+j0.4)·37,5=7,5+j15 Ом
cosj=0.8
tgj=
=0.75
Таблица 2.1 - Исходная информация по узлам
|
№ узла
|
Мощность генерации
|
Мощность нагрузки
|
UНОМ, кВ
|
|
,Рг, МВт
|
Qг, МВар
|
ВН
|
СН
|
НН
|
Суммарная нагр.
|
|
|
|
|
Рн, МВт
|
Qн, МВар
|
Рн, МВт
|
Qн, МВар
|
Рн, МВт
|
Qн, МВар
|
Рн, МВт
|
Qн, МВар
|
|
|
1
|
балансирующий
|
750
|
|
2
|
---
|
---
|
|
|
|
|
12
|
9
|
12
|
9
|
750
|
|
3
|
---
|
---
|
24
|
18
|
|
|
18
|
13,5
|
42
|
31,5
|
750
|
|
4
|
---
|
---
|
|
|
10
|
7,5
|
23
|
17,25
|
33
|
24,75
|
750
|
|
5
|
---
|
---
|
|
|
|
|
27
|
20,25
|
27
|
20,25
|
750
|
|
6
|
---
|
---
|
|
|
|
|
7
|
5,25
|
7
|
5.25
|
750
|
|
7
|
54
|
26,15
|
---
|
---
|
---
|
---
|
---
|
---
|
---
|
---
|
750
|
Таблица 2.2 - Исходная информация по
ветвям сети
|
Схема 1
|
Схема 2
|
|
№ линии
|
Длина
|
R, Ом
|
Х, Ом
|
№ линии
|
Длина
|
R, Ом
|
Х, Ом
|
|
линии L, км
|
|
|
|
линии L, км
|
|
|
|
1-2
|
44
|
8,8
|
17,6
|
1-2
|
44
|
8,8
|
17,6
|
|
1-4
|
37,5
|
7,5
|
15
|
1-4
|
37,5
|
7,5
|
15
|
|
1-6
|
19
|
3,8
|
7,6
|
1-6
|
19
|
3,8
|
7,6
|
|
2-5
|
20
|
4
|
8
|
2-5
|
20
|
4
|
8
|
|
5-3
|
33
|
6,6
|
13,2
|
5-3
|
33
|
6,6
|
13,2
|
|
3-7
|
16,5
|
3,3
|
6,6
|
3-7
|
16,5
|
3,3
|
6,6
|
|
4-7
|
44
|
8,8
|
17,6
|
4-7
|
44
|
8,8
|
17,6
|
|
|
|
|
5-4
|
25,5
|
5,1
|
10,2
|
Таблица 2.4 - Результаты расчета в программе RASTR схемы №1
Таблица 2.5 - Результаты расчета в программе RASTR схемы №2
Результаты расчётов потоков мощностей нанесём на
принципиальные схемы (рисунки 2.1 и 2.2) с указанием величины потоков и их
направлений. Правильность расчётов подтверждается балансом мощностей в узлах по
первому закону Кирхгофа. Величина напряжений в узлах и потери мощности в
дальнейших расчётах не используются.
Рис2.1- Приближённое потокораспределение для варианта №1
Рис 2.2 - Приближённое потокораспределение для варианта №2
3. ВЫБОР НОМИНАЛЬНОГО
НАПРЯЖЕНИЯ СЕТИ И ЧИСЛА ЦЕПЕЙ ЛИНИЙ
Номинальное напряжение - напряжение, при котором данная
электроустановка работает длительно с наиболее целесообразными техническими и
экономическими характеристиками. Чем выше номинальное напряжение сети, тем выше
капитальные затраты на её сооружение, но зато за счёт снижения потерь энергии
снижаются годовые эксплуатационные расходы.
Номинальное напряжение электрических сетей выбирается на
основе сопоставления вариантов по технико-экономическим показателям.
Предварительный выбор номинальных напряжений осуществляется по экономическим
зонам или же эмпирическим формулам. В результате расчетов по программе RASTR получены приближенные потоки
мощностей на участках (представленные в таблице 3.1), которые используются для
определения оптимального номинального напряжения линий.
Таблица 3.1 - Приближенные потоки мощностей на участках
|
Схема 1
|
Схема 2
|
|
№ линии
|
Длина
|
Поток
|
№ линии
|
Длина
|
Поток
|
|
линии L, км
|
мощн. P,МВт
|
|
линии L, км
|
мощн. P,МВт
|
|
1-6
|
37,5
|
7
|
1-6
|
37,5
|
7
|
|
1-2
|
44
|
32,3
|
1-2
|
44
|
28,2
|
|
1-4
|
19
|
27,7
|
1-4
|
19
|
34,2
|
|
2-5
|
20
|
20,3
|
2-5
|
20
|
15,6
|
|
5-3
|
33
|
6,7
|
5-3
|
33
|
0,9
|
|
3-7
|
16,5
|
48,7
|
3-7
|
16,5
|
42,6
|
|
4-7
|
44
|
5,3
|
4-7
|
44
|
10,5
|
|
|
|
5-4
|
25,5
|
10,7
|
Номинальное напряжение линий выбираем по формулам Стилла и
Илларионова.
Формула Илларионова:
,
(3.1)
где l - длина линии, км;
P - передаваемая активная мощность, МВт (таблица3.1).
Формула Стилла:
,
(3.2)
Результаты выбора номинального напряжения сведем в таблицы 3.2 и 3.3.
Таблица 3.2 - Предварительный выбор номинального напряжения линий
(схема №1)
|
Номер линии
|
Длина линии, км
|
Передаваемая активная мощность, МВт
|
Расчётное номинальное напряжение, кВ
|
Принятое номинальное напряжение, кВ
|
|
|
|
формула
|
формула
|
|
|
|
|
Стилла
|
Илларионова
|
|
|
1-4
|
37,5
|
27,7
|
95,154
|
98,254
|
110
|
|
1-2
|
44
|
32,3
|
102,923
|
106,284
|
110
|
|
1-6
|
19
|
7
|
49,674
|
51,067
|
110
|
|
2-5
|
20
|
20,3
|
80,589
|
82,157
|
110
|
|
5-3
|
33
|
6,7
|
51,388
|
50,749
|
110
|
|
3-7
|
16,5
|
48,7
|
115,325
|
110,676
|
110
|
|
4-7
|
44
|
5,3
|
49,255
|
45,449
|
110
|
Таблица 3.3 - Предварительный выбор номинального напряжения
линий (схема №2)
|
Номер линии
|
Длина линии, км
|
Передаваемая активная мощность, МВт
|
Расчётное номинальное напряжение, кВ
|
Принятое номинальное напряжение, кВ
|
|
|
|
формула
|
формула
|
|
|
|
|
Стилла
|
Илларионова
|
|
|
1-4
|
37,5
|
32,8
|
102,767
|
105,535
|
|
1-2
|
44
|
27,2
|
94,847
|
98,24
|
110
|
|
1-6
|
19
|
7
|
49,674
|
51,067
|
110
|
|
2-5
|
20
|
15,2
|
70,41
|
72,648
|
110
|
|
5-3
|
33
|
1,1
|
30,872
|
20,907
|
110
|
|
3-7
|
16,5
|
43,1
|
115,325
|
106,414
|
110
|
|
4-7
|
44
|
10,9
|
64,138
|
64,453
|
110
|
|
5-4
|
25,5
|
10,7
|
60,868
|
62,838
|
110
|
При расчёте схем №1 и №2 программа RASTR показала, что номинальное напряжение
110 кВ обеспечивает необходимый уровень напряжения в узлах в послеаварийных
режимах, поэтому принимаем номинальное напряжение 110 кВ.
. Приближенные расчёты
потокораспределения в режиме наибольших нагрузок и в послеаварийных режимах при
выбранном номинальном напряжении
В результате расчёта потокораспределения в режиме наибольших
нагрузок и в послеаварийных режимах при выбранном номинальном напряжении
получились следующие конфигурации сетей:
Таблица 4.1 - Результаты расчета потокораспределения в режиме
наибольших нагрузок схемы №1
Для обеспечения надежности и отклонений напряжения в рамках допустимых пределов, примем линии 1-4,
1-2,3-7 - двухцепными.
Результаты расчётов потоков мощностей нанесём на
принципиальную схему (рисунок 4.1) с указанием величины потоков, их направлений
и уровня напряжений в узлах. Правильность расчётов подтверждается балансом
мощностей в узлах по первому закону Кирхгофа.
Рис. 4.1 - Расчёт потокораспределения и напряжений в режиме
наибольших нагрузок для варианта №1
Таблица 4.2 - Результаты расчета потокораспределения в режиме
наибольших нагрузок схемы №2
Для обеспечения надежности и отклонений напряжения в рамках допустимых пределов, примем линии 1-4,3-7 - двухцепными.
Рис.4.2 - Приближенный расчёт потокораспределения в режиме
наибольших нагрузок для варианта схемы №2.
5. Выбор
сечений проводов и (при необходимости) ориентировочной мощности компенсирующих
устройств. Уточнение конфигурации сети
Для электрических сетей и ЛЭП напряжением 110 и 220 кВ
сечения проводов выбираю по экономической плотности тока.
,(5.1)
где F - сечение провода, мм
;
I -
расчетный ток в линии, А;
jэ -
экономическая плотность тока, А/мм
.
Ток в линии находится по результатам расчета в программе RASTR. Полученное расчётное сечение округляем до ближайшего стандартного и
по [2] выбираем сталеалюминевые провода.
Продолжительность использования максимума нагрузки участка сети
находится по формуле:
(5.2)
где Pi - максимальные нагрузки потребителей, МВт; Тнб
- число часов использования максимума, ч.
Для Тнб.ср = 5284,3 экономическую
плотность тока принимаем jэ
= 0,8
А/мм2.
Используя значения токов, которые рассчитаны в программе RASTR для линий, получим следующие значения сечений проводов:
для схемы 1
для схемы 2:
Далее провода воздушных линий системообразующей сети проверяются по
допустимой мощности (току) нагрева в послеаварийных режимах, а также по
условиям короны для линий 110 кВ. Эти критерии являются независимыми друг от
друга, и выбранное сечение провода должно удовлетворять каждому из них: F=max[FЭ, FК, FН], где FЭ, FК, FН - соответственно сечения, выбранные по
экономическим условиям, по условиям нагрева и короны.
По условиям короны ПУЭ рекомендует принимать для ВЛ 110 кВ провода
диаметром не менее D=11.4 (АС 70/11)
Параметры схемы замещения линий представим в таблицах 5.1 и 5.2.
Таблица 5.1 - Параметры схемы замещения линий для схемы №1
|
№
|
L, км
|
Марка провода
|
ro, Ом/км
|
xo, Ом/км
|
bo, мкСм/км
|
R, Ом
|
X, Ом
|
B, мкСм
|
|
1-2
|
44
|
2ЧАС 150/24
|
0,198
|
0,42
|
2,70
|
8,712
|
18,48
|
118,8
|
|
1-4
|
37,5
|
2ЧАС 150/24
|
0,198
|
0,42
|
2,70
|
7,425
|
15,75
|
101,25
|
|
1-6
|
19
|
АС 70/11
|
0,428
|
0,444
|
2,55
|
8,132
|
8,436
|
48,45
|
|
2-5
|
20
|
АС 185/29
|
0,162
|
0,413
|
2,75
|
3,24
|
8,26
|
55
|
|
3-5
|
33
|
АС 70/11
|
0,428
|
0,444
|
2,55
|
14,12
|
14,65
|
84,15
|
|
3-7
|
16,5
|
2ЧАС 240/32
|
0,12
|
0,405
|
2,81
|
1,98
|
6,68
|
46,37
|
|
4-7
|
44
|
АС 70/11
|
0,428
|
0,444
|
2,55
|
18,83
|
19,54
|
112,2
|
Таблица 5.2 - Параметры схемы замещения линий для схемы №2
|
№
|
L, км
|
Марка провода
|
ro, Ом/км
|
xo, Ом/км
|
bo, мкСм/км
|
R, Ом
|
X, Ом
|
B, мкСм
|
|
1-2
|
44
|
АС 185/29
|
0,162
|
0,413
|
2,75
|
7,128
|
18,17
|
121
|
|
1-4
|
37.5
|
2ЧАС 185/29
|
0,162
|
0,413
|
2,75
|
6,075
|
15,49
|
103
|
|
1-6
|
19
|
АС 70/11
|
0,428
|
0,444
|
2,55
|
8,132
|
8,436
|
48,5
|
|
2-5
|
20
|
АС 95/16
|
0,306
|
0,434
|
2,61
|
6,12
|
8,68
|
52,2
|
|
3-5
|
33
|
АС 70/11
|
0,428
|
0,444
|
2,55
|
14,12
|
14,65
|
84,15
|
|
3-7
|
16.5
|
2ЧАС 185/29
|
0,162
|
0,413
|
2,75
|
2,673
|
6,815
|
45,37
|
|
4-7
|
44
|
АС 70/11
|
0,428
|
0,444
|
2,55
|
18,83
|
19,54
|
112,2
|
|
5-4
|
25.5
|
АС 120/19
|
0,249
|
0,427
|
2,66
|
6,35
|
10,89
|
67,83
|
Принятые сечения проводов необходимо проверить по допустимому
току нагрева в послеаварийных режимах. Это можно сделать с помощью программы RASTR: отключая поочередно линии схем, а в
двухцепных линиях одну из цепей.
Риc. 5.1 Расчетная схема №1 в
нормальном режиме наибольших нагрузок.
Рис. 5.2 - Приближенный расчёт
потокораспределения в наиболее тяжелом послеаварийном режиме для схемы №1
Рис. 5.3 Расчетная схема №2 в нормальном
режиме наибольших нагрузок.
Рис. 5.4 - Приближенный расчёт
потокораспределения в наиболее тяжелом послеаварийном режиме для схемы №2
В таблице 5.3 и 5.4 приведены результаты расчетов
послеаварийных режимов.
Таблица 5.3 - Токи в
послеаварийных режимах для схемы №1
|
Номер ветви сети
|
Ток, А, при отключении ветви сети
|
Наибольшее значение тока Iнб,А
|
Допустимый ток, А
|
|
1-2(2)
|
1-4(2)
|
1-6
|
2-5
|
3-5
|
3-7(2)
|
4-7
|
|
|
|
1-2(2)
|
197
|
120
|
43
|
122
|
66
|
165
|
44
|
197
|
450
|
|
1-4(2)
|
120
|
194
|
43
|
166
|
31
|
140
|
37
|
194
|
450
|
|
1-6
|
109
|
106
|
----
|
144
|
43
|
150
|
32
|
150
|
265
|
|
2-5
|
37
|
198
|
43
|
----
|
206
|
252
|
193
|
252
|
510
|
|
3-5
|
124
|
94
|
43
|
173
|
----
|
131
|
66
|
173
|
265
|
|
3-7(2)
|
116
|
102
|
43
|
156
|
31
|
287
|
39
|
287
|
605
|
|
4-7
|
115
|
103
|
43
|
159
|
68
|
152
|
----
|
159
|
265
|
Таблица 5.4 - Токи в
послеаварийных режимах для схемы №2
|
Номер ветви сети
|
Ток, А, при отключении ветви сети
|
Наибольшее значение тока Iнб,А
|
Допустимый ток, А
|
|
1-2
|
1-4(2)
|
1-6
|
2-5
|
3-5
|
3-7(2)
|
4-7
|
5-4
|
|
|
|
1-2
|
----
|
224
|
43
|
81
|
58
|
164
|
40
|
213
|
224
|
510
|
|
1-4(2)
|
190
|
252
|
43
|
29
|
143
|
39
|
54
|
252
|
510
|
|
1-6
|
143
|
144
|
----
|
69
|
33
|
144
|
35
|
87
|
144
|
265
|
|
2-5
|
74
|
181
|
43
|
----
|
43
|
153
|
36
|
145
|
181
|
330
|
|
3-5
|
148
|
142
|
43
|
73
|
----
|
132
|
66
|
101
|
148
|
265
|
|
3-7(2)
|
148
|
144
|
43
|
73
|
21
|
272
|
47
|
99
|
272
|
510
|
|
4-7
|
142
|
145
|
43
|
69
|
67
|
151
|
----
|
89
|
151
|
265
|
|
5-4
|
197
|
120
|
43
|
122
|
65
|
165
|
45
|
----
|
197
|
390
|
Таблица 5.5 - Выбор
сечений проводов воздушных линий для схемы №1
|
Номер линии
|
Расчётный ток (норм. режим), А
|
Расчётное сечение провода, мм2
|
Принятое сечение и марка провода
|
|
|
по экономи-ческим условиям
|
по условиям короны
|
по допустимой мощности нагрева
|
|
|
1-2(2)
|
109
|
150/24
|
70/11
|
70/11
|
2ЧАС-150/24
|
|
1-4(2)
|
106
|
150/24
|
70/11
|
70/11
|
2ЧАС-150/24
|
|
1-6
|
43
|
70/11
|
70/11
|
70/11
|
АС-70/11
|
|
2-5
|
143
|
185/29
|
70/11
|
95/16
|
АС-185/29
|
|
3-5
|
40
|
70/11
|
70/11
|
70/11
|
АС-70/11
|
|
3-7(2)
|
150
|
240/32
|
70/11
|
95/16
|
2ЧАС-240/32
|
|
4-7
|
34
|
70/11
|
70/11
|
70/11
|
АС-70/11
|
Таблица 5.6 - Выбор
сечений проводов воздушных линий для схемы №2
|
Номер линии
|
Расчётный ток, А
|
Расчётное сечение провода, мм2
|
Принятое сечение и марка провода
|
|
|
по экономи-ческим условиям
|
по условиям короны
|
по допустимой мощности нагрева
|
|
|
1-2
|
144
|
185/29
|
70/11
|
70/11
|
АС-185/29
|
|
1-4(2)
|
144
|
185/29
|
70/11
|
95/16
|
2ЧАС-185/29
|
|
1-6
|
43
|
70/11
|
70/11
|
70/11
|
АС-70/11
|
|
2-5
|
69
|
95/16
|
70/11
|
70/11
|
АС-95/16
|
|
3-5
|
32
|
70/11
|
70/11
|
70/11
|
АС-70/11
|
|
3-7(2)
|
142
|
185/29
|
70/11
|
95/16
|
2ЧАС-185/29
|
|
4-7
|
35
|
70/11
|
70/11
|
70/11
|
АС-70/11
|
|
5-4
|
90
|
120/19
|
70/11
|
70/11
|
АС-120/19
|
. ВЫБОР ЧИСЛА И МОЩНОСТИ
ТРАНСФОРМАТОРОВ ПОДСТАНЦИЙ
При выборе трансформаторов необходимо руководствоваться тем,
что на подстанциях, которые питают потребителей первой и второй категории,
должно быть установлено не менее двух трансформаторов. Таким образом, если
произойдёт авария на одном из двух трансформаторов, то оставшийся в работе
должен обеспечить полной мощностью подключённых к нему потребителей. Такого
эффекта можно добиться путём установки на подстанции двух трансформаторов,
номинальная мощность которых равна 60-70 % от максимальной нагрузки подстанции.
При установке на подстанции двух трансформаторов допускаются их
технологические перегрузки до 30-40 % на время ремонта или аварийного
отключения одного из них, но не более 6 часов в сутки в течение пяти суток
подряд при условии, что коэффициент начальной его загрузки был меньше или равен
0,93 (по ПУЭ).
Тогда мощность каждого трансформатора из двух рассматриваемых
будет определяться по формуле 4:
,(6.1)
где Sн - наибольшая мощность нагрузки подстанции.
На
подстанциях, которые питают потребителей третей категории, можно установить
один трансформатор, мощность которого рассчитывается из условия максимума всей
мощности подключенных к подстанции потребителей (
).
Используя выражение 6.1 для узлов 2, 3, 4, 5, а для узла 6 условие
, рассчитаем требуемые мощности трансформаторов:
для узла 2:
,
для
узла 3:
,
для
узла 4:
,
- для узла 5:
,
для
узла 6:
.
В
таблице 6.1 приведены выбранные трансформаторы
Таблица 6.1 - Выбор числа и мощности трансформаторов на
подстанциях.
|
Номер узла нагрузки
|
Наибольшая нагрузка подстанции, МВА
|
Нагрузка на трансформатор с учетом перегрузки в 40%
|
Категория потреби-телей электро-энергии
|
Количество трансфор-маторов
|
Тип и мощность выбранных трансформаторов, их
основные параметры
|
|
1
|
Балансирующий
|
|
2
|
15
|
10,7
|
1, 2
|
2
|
ТДН-16000/110
|
|
3
|
22,5
|
16,07
|
1, 2
|
2
|
ТРДН-25000/110
|
|
4
|
41,25
|
29,46
|
1, 2
|
2
|
ТДТН-40000/110
|
|
5
|
33,75
|
24,11
|
1, 2
|
2
|
ТРДН-25000/110
|
|
6
|
8,75
|
-
|
3
|
1
|
ТДН-10000/110
|
Основные параметры выбранных трансформаторов представлены в таблицах 6.2, 6.3.
Таблица 6.3 Каталожные данные двухобмоточных трансформаторов
|
Тип
|
Sном, МВА
|
Пределы рег-ния
|
Uном обмоток, кВ
|
DQх, квар
|
Rт, Ом
|
Хт, Ом
|
DРх, кВт
|
, кВт
|
|
|
|
ВН
|
НН
|
|
|
|
|
|
|
ТРДН-25000/110
|
25
|
± 9х1.78%
|
115
|
10.5
|
175
|
2.54
|
55.9
|
27
|
120
|
|
ТДН-10000/110
|
10
|
± 9х1.78%
|
115
|
11
|
70
|
7.95
|
139
|
14
|
60
|
|
ТДН-16000/110
|
16
|
± 9х1.78%
|
115
|
11
|
112
|
4,38
|
86,7
|
19
|
85
|
Таблица 6.4Каталожные данные трехобмоточных трансформаторов
|
Тип
|
Sном, МВА
|
Rт, Ом
|
Хт, Ом
|
DQх, квар
|
DРх, кВт
|
Ixx, %
|
Uном обмоток, кВ
|
|
|
В
|
С
|
Н
|
В
|
С
|
Н
|
|
|
|
ВН
|
СН
|
НН
|
|
ТДТН-40000/110
|
40
|
0,8
|
0,8
|
0,8
|
35,5
|
0
|
22,3
|
240
|
43
|
0.6
|
115
|
38,5
|
11
|
Таблица 6.5 -
Результаты расчета потокораспределения в режиме наибольших нагрузок схемы №1 c учетом параметров линий и тр-ров
Таблица 6.6 -
Результаты расчета потокораспределения в режиме наибольших нагрузок схемы №2 c учетом
параметров линий и тр-ров
7. ФОРМИРОВАНИЕ ОДНОЛИНЕЙНОЙ
СХЕМЫ ЭЛЕКТРИЧЕСКОЙ СЕТИ
При выборе наилучшего варианта сети необходимо учитывать не
только стоимость линий, но и стоимость оборудования подстанций. Для этого
должны быть сформированы однолинейные схемы подстанций.
При выборе схемы подстанции следует учитывать число
присоединений (линий и трансформаторов), требования надежности электроснабжения
потребителей и обеспечения пропуска через подстанцию перетоков мощности по
межсистемным и магистральным линиям, возможности перспективного развития. Число
и вид коммутационных аппаратов выбираются так, чтобы обеспечивалась возможность
проведения поочередного ремонта отдельных элементов подстанции без отключения
соседних присоединений. Одновременно следует стремиться к максимальному
упрощению схемы подстанции значительную долю в стоимости подстанции составляет
стоимость выключателей, поэтому, прежде всего надо рассмотреть возможность
отказа от применения большего числа выключателей.
Таким образом выбираем мостиковую схему для
двухтрансформаторных подстанций с двусторонним питанием и при подключении трех, четырех линий схему подстанции со одиночной
секционированной и обходной системами шин и совмещенным секционным и обходным
выключателем.
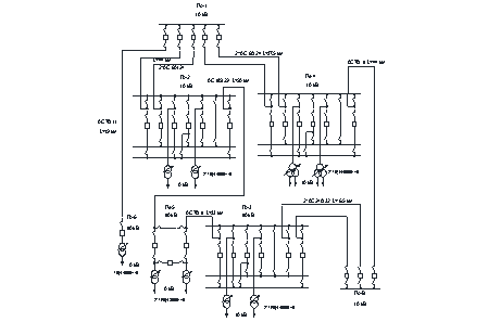
Схемы электрической сети представлены на рисунках 7.1 и 7.2.
Рисунок 7.1 - Однолинейная схема сети (1 вариант)
Рисунок 7.2 - Однолинейная схема сети (2 вариант)
8. ТЕХНИКО-ЭКОНОМИЧЕСКОЕ СРАВНЕНИЕ ВАРИАНТОВ
Сопоставляемые варианты электрической сети отличаются друг от друга
конфигурацией схемы сети, марками и сечениями проводов и протяженностью линий
на отдельных участках, типом подстанций в одноименных узлах. У них могут быть
различия в номинальных напряжениях, надежности электроснабжения, величине
напряжений в узлах и т.п. В силу этих обстоятельств у рассматриваемых вариантов
будут неодинаковые потери мощности и электроэнергии. Для их сооружения
потребуются разной величины капитальные затраты.
Предпочтение отдают тому варианту, приведенные затраты у которого
наименьшие.
(8.1)
где Кл - капитальные затраты на сооружение линий,
тыс. у.е.;
Кп - капитальные затраты на сооружение подстанций,
тыс. у.е.;
рл - коэффициент отчислений на амортизацию,
текущий ремонт и обслуживание линий (рл = 0,032 [2]);
рп - коэффициент отчислений на амортизацию,
текущий ремонт и обслуживание подстанций (рп = 0,093 [2]);
DW0 - потери энергии холостого хода, МВт·ч;
DWн - нагрузочные потери электроэнергии, МВт·ч;
b - стоимость
единиц потерь электроэнергии в электрических сетях.
Стоимость линии определяется по формуле:
(8.2)
где УК0i - удельная стоимость i-ой линии, тыс. у.е./км;
Li - протяженность i-ой линии, км.
Суммарные капитальные затраты на сооружение линий по двум
рассматриваемым схемам приведены в таблицы 8.1 и 8.2.
Для определения удельной стоимости линий на 1 км принимаем стальные одноцепные опоры и третий район по гололёду.
Таблица 8.1 - Стоимость линий схемы №1
|
Номер ветвей схемы
|
Длина линии, км
|
Марка и сечение провода, количество цепей
|
Удельная стоимость, тыс. у. е./км
|
Полная стоимость ЛЭП, тыс. у. е.
|
|
1-2(2)
|
2ЧАС-150/24
|
38,0
|
1672,0
|
|
1-4(2)
|
37.5
|
2ЧАС-150/24
|
38,0
|
1425,0
|
|
1-6
|
19
|
АС-70/11
|
19,4
|
368,6
|
|
2-5
|
20
|
АС-185/29
|
19,7
|
394,0
|
|
3-5
|
33
|
АС-70/11
|
19,4
|
640,2
|
|
3-7(2)
|
16.5
|
2ЧАС-240/32
|
40,0
|
660
|
|
4-7
|
44
|
АС-70/11
|
19,4
|
853,6
|
|
Итого
|
6013,4
|
Таблица 8.2 - Стоимость линий схемы №2
|
Номер ветвей схемы
|
Длина линии, км
|
Марка и сечение провода, количество цепей
|
Удельная стоимость, тыс. у. е./км
|
Полная стоимость ЛЭП, тыс. у. е.
|
|
1-2
|
44
|
АС-185/29
|
19.7
|
866,8
|
|
1-4(2)
|
37.5
|
2ЧАС-185/29
|
39.4
|
1477,5
|
|
1-6
|
19
|
АС-70/11
|
19,4
|
368,6
|
|
2-5
|
20
|
АС-95/16
|
19,1
|
382,0
|
|
3-5
|
33
|
АС-70/11
|
19,4
|
640,2
|
|
3-7(2)
|
16.5
|
2ЧАС-185/29
|
39.4
|
650,1
|
|
5-4
|
25.5
|
АС-120/19
|
19,0
|
484,5
|
|
4-7
|
44
|
АС-70/11
|
19,4
|
853,6
|
|
Итого
|
5723,3
|
Стоимость подстанции вычисляется по формуле:
(8.3)
где Круi - расчетная стоимость
распределительного устройства подстанции, тыс. у. е.;
Ктрi - расчетная стоимость трансформаторов на i-той подстанции, тыс. у. е.;
Кпостi - постоянная часть затрат на i-тую подстанцию, тыс. у. е.;
Кдопi - затраты на дополнительное оборудование, тыс. у. е. (КУ и т.д.).
Для подстанций со сборными шинами стоимость ОРУ находим по
формуле:
(8.4)
где nяч - количество ячеек с выключателями;
Кяч - стоимость одной ячейки, тыс. у.е.
Полную стоимость подстанций сведём в таблицы 8.3 и 8.4.
Таблица 8.3 - Стоимость подстанций схемы №1
|
Номер узла
|
Стоимость тр-ров, тыс. у. е.
|
Стоимость РУ, тыс. у. е.
|
Постоянная часть затрат, тыс. у. е.
|
Полная стоимость подстанций, тыс. у. е.
|
|
2
|
63Ч2
|
57Ч6
|
290
|
758
|
|
3
|
84Ч2
|
57Ч6
|
290
|
800
|
|
4
|
117Ч2
|
57Ч6
|
320
|
896
|
|
5
|
84Ч2
|
120
|
210
|
498
|
|
6
|
54
|
36
|
130
|
220
|
|
Итого
|
3172
|
Таблица 8.4 - Стоимость подстанций схемы №2
|
Номер узла
|
Стоимость тр-ров, тыс. у. е.
|
Стоимость РУ, тыс. у. е.
|
Постоянная часть затрат, тыс. у. е.
|
Полная стоимость подстанций, тыс. у. е.
|
|
2
|
63Ч2
|
120
|
210
|
456
|
|
3
|
84Ч2
|
57Ч6
|
290
|
800
|
|
4
|
117Ч2
|
57Ч7
|
320
|
953
|
|
5
|
84Ч2
|
57Ч6
|
210
|
720
|
|
6
|
54
|
36
|
130
|
220
|
|
Итого
|
3149
|
Потери электроэнергии холостого хода:
(8.5)
где DР0л - потери активной мощности на корону, МВт;
DР0п - потери активной мощности в стали
трансформаторов, МВт.
,(8.6)
где DР0лj - удельные потери активной мощности
на корону, МВт/км.
,(8.7)
где DР0пj - удельные потери активной мощности
в стали трансформаторов на i-й
подстанции, МВт.
В нашем случае потери активной мощности на корону не
рассчитываются, так как эта составляющая затрат учитывается в линиях
напряжением 220 кВ и выше.
Потери активной мощности в стали трансформаторов:
Для схемы 1:
.
Для схемы 2:
Потери электроэнергии холостого хода:
Для схемы 1:
Для схемы 3:
.
Нагрузочные потери электроэнергии:
(8.8)
где ДРнб - нагрузочные потери активной мощности, МВт;
принимаем по данным электрического расчета режима максимальных нагрузок для
каждого из составляемых вариантов;
ф - время потерь, ч.
ч (8.9)
где Т - время работы в году рассматриваемого элемента сети
(из предыдущих расчётов ТСР=5284,3 ч).
Нагрузочные потери энергии составят:
Вариант №1:
Вариант №2:
Значение удельных затрат на возмещение потерь в электрических сетях
определяется:
в = 500 бел. руб./ МВт·ч =
0,058 у. е.;
Определяем приведенные затраты.
Для схемы №1:
З = рл·Кл + рп·Кп + ДW0·в0 + ДWн·вн =
(0,032+0,12)·6013,4+(0,084+0,12)·3172+ 2154,9·0,058 + 9695·0,058 = 2248,42 тыс.
у. е.
Для схемы №2:
З = рл·Кл + рп·Кп + ДW0·в0 + ДWн·вн = (0,032+0,12)·5723,3
+ (0,084+0,12)·3149 + 2154,9·0,058 + 10785·0,058 = 2262,852 тыс. у.е.
Таблица 8.5 - Технико-экономические показатели сравниваемых вариантов
|
Показатели
|
Вариант 1
|
Вариант 2
|
|
Номинальное напряжение сети
|
Uн
|
110 кВ
|
110 кВ
|
|
Капитальные затраты на ЛЭП
|
|
6013,4 тыс. у. е.
|
5723,3 тыс. у. е.
|
|
Капитальные затраты на подстанцию
|
|
3172 тыс. у. е.
|
3149 тыс. у. е.
|
|
Полные капитальные затраты
|
|
9185,4 тыс. у. е.
|
8872,3 тыс. у. е.
|
|
Потери электроэнергии холостого хода
|
|
2154,9 МВт ч
|
2154,9 МВт ч
|
|
Нагрузочные потери электроэнергии
|
|
9695 МВт·ч
|
10785 МВт·ч
|
|
Полные потери электроэнергии
|
|
11849,9 МВт·ч
|
12939,9 МВт·ч
|
|
Полные затраты
|
З
|
2248,42 тыс. у. е.
|
2262,852 тыс. у. е.
|
Из данных расчетов можем сделать вывод, что лучшим из двух
вариантов схем сетей является схема №1. Этот вывод был сделан исходя из того,
что приведенные затраты для схемы №1 меньше, чем для схемы №2. Поэтому дальнейшие расчёты будем
производить только для первого варианта схемы.
9. ЭЛЕКТРИЧЕСКИЕ РАСЧЁТЫ
ХАРАКТЕРНЫХ РЕЖИМОВ СЕТИ: НОРМАЛЬНЫХ РЕЖИМОВ НАИБОЛЬШИХ И НАИМЕНЬШИХ НАГРУЗОК, НАИБОЛЕЕ ТЯЖЕЛЫХ
ПОСЛЕАВАРИЙНЫХ РЕЖИМОВ
Целью электрического расчёта сети является определение
параметров режимов и получение необходимых данных для решения вопросов регулирования
напряжения.
Для каждой линии рассчитывается активное и реактивное
сопротивление и емкостная проводимость. Для трансформаторов подстанций
находится активное и реактивное сопротивления и указываются потери холостого
хода.
Расчёт режимов произвожу с помощью программы RASTR WIN.
Наиболее тяжелый послеаварийный режим - это режим работы
системы при обрыве одной из наиболее загруженных линий, при котором наблюдается
наибольшая загрузка ЛЭП и наибольшее падение напряжений в узлах.
Для линий:
) активное сопротивление R=R0l;
) реактивное сопротивление X=X0l;
) реактивная проводимость b=b0l;
Для трансформаторов:
)активное сопротивление обмоток Rт, Ом;
)реактивное сопротивление обмоток Xт, Ом;
3)потери активной мощности холостого хода трансформатора
PХ, кВт.
Параметры схемы замещения линий и
трансформаторов приведены в табл. 5.1, 6.3, 6.4
В
самом тяжелом режиме, при отключении ветви 2-5, наблюдается снижение напряжения
в узле №5 и выходит за пределы (0,9-1,1)Uном. Поэтому я принял решение установить в узле №5 КУ
мощностью 20 Мвар.
Рис. 9.1 - Результаты расчёта режима наибольших
нагрузок
Таблица 9.1 - Результаты расчёта режима наибольших нагрузок
Окончание таблицы 9.1
Рис. 9.2 - Результаты расчёта режима наименьших
нагрузок
Таблица 9.2 - Результаты расчёта режима наименьших нагрузок
Рис. 9.3 - Результаты расчёта послеаварийного режима
при отключенной линии 2-5
Таблица 9.3 - Результаты расчёта послеаварийного режима при
отключении линии 2-5
Рис. 9.4 - Результаты расчёта послеаварийного режима
при отключенной линии 3-5
Таблица 9.4 - Результаты расчёта послеаварийного режима при
отключении линии 3-5
Окончание таблицы 9.4
Рис. 9.5 - Результаты расчёта послеаварийного режима
при отключенной линии 4-7
электрический сеть подстанция напряжение
Таблица 9.5 -
Результаты расчёта послеаварийного режима при отключении линии 4-7
10. ОЦЕНКА ДОСТАТОЧНОСТИ
РЕГУЛИРОВОЧНОГО ДИАПАЗОНА ТРАНСФОРМАТОРОВ ИЗ УСЛОВИЯ ВСТРЕЧНОГО РЕГУЛИРОВАНИЯ
НАПРЯЖЕНИЯ
Встречный режим регулирования напряжения на шинах 6-10 кВ полстанции,
питающих разомкнутые распределительные сети, следует стремиться обеспечить,
прежде всего, с помощью трансформаторов с РПН. При этом надо учитывать, что
устройства РПН выполняют на обмотке ВН.
Поскольку РПН не всегда может обеспечить желаемый уровень
напряжения, на подстанциях устанавливаются другие регуляторы напряжения
(синхронные компенсаторы, БСК, реакторы и др.)
Применение трансформаторов с РПН позволяет изменять
регулировочное ответвление без его отключения. Поэтому следует определять
напряжение регулировочного ответвления раздельно для наибольшей и наименьшей
нагрузки. Так как время возникновения аварийного режима неизвестно, то будем
считать, что этот режим возникает в наиболее неблагоприятном случае, т.е. в часы
наибольших нагрузок.
Таблица 10.1 - Стандартные ответвления трансформатора на
высшей стороне
|
№ Ответвления
|
Добавка напряжения, %
|
Напряжение ответвления, кВ
|
|
+9
|
+16,02%
|
133,4
|
|
+8
|
+14,24%
|
131,4
|
|
+7
|
+12,46%
|
129,3
|
|
+6
|
+10,68%
|
127,3
|
|
+5
|
+8,9%
|
125,2
|
|
+4
|
+7,12%
|
123,2
|
|
+3
|
+5,34%
|
121,1
|
|
+2
|
+3,56%
|
119,1
|
|
+1
|
+1,78%
|
117
|
|
0
|
0%
|
115
|
|
-1
|
-1,78%
|
113
|
|
-2
|
-3,56%
|
110,9
|
|
-3
|
-5,34%
|
108, 9
|
|
-4
|
-7,12%
|
106,8
|
|
-5
|
-8,9%
|
104,8
|
|
-6
|
-10,68%
|
102,7
|
|
-7
|
-12,46%
|
100,7
|
|
-8
|
-14,24%
|
98,6
|
|
-9
|
-16,02%
|
96,6
|
Определим желаемые напряжения регулировочных ответвлений
обмотки высшего напряжения по формуле 10.1:
,(10.1)
где
- приведенное к высшей стороне трансформатора
напряжение на шинах низшего напряжения подстанции;
-
номинальное напряжение обмотки низшего напряжения трансформатора;
-
желаемое напряжение на стороне низшего напряжения трансформатора. Для режима
наибольших нагрузок и послеаварийного режима
; для режима наименьших нагрузок
.
Здесь
- номинальное напряжение линий, отходящих от шин НН.
По полученным в программе RASTR значениям
напряжений на шинах НН при расчете режимов получим напряжения, приведенные к
обмотке ВН:
;
;
,
В соответствии с желаемыми напряжениями на шинах 10 кВ выберем
регулировочные ответвления в нормальном режиме наибольших, наименьших и в
послеаварийном режиме при отключенной линии 2-5.
Выбираем стандартные напряжения ответвлений обмотки ВН:
(+3.56%);
(+5.34%);
(+5,34%).
Тогда действительные напряжения на шинах НН будут равны:
Регулировочные ответвления трансформаторов на других подстанциях
рассчитаем аналогично. Результаты сведем в таблицы 10.2 - 10.4.
Таблица 10.2- Выбранные регулировочные ответвления трансформаторов
в режиме наибольших нагрузок
|
Номер подстанции
|
Расчётное ответвление на стороне ВН кВСтандартное ответвление на
стороне ВН ,кВДействительное напряжение на
шинах НН , кВKT с учётом выбранного
ответвления
|
|
|
|
|
2
|
117.848
|
119.1 (+3.56 %)
|
10.39
|
0.092
|
|
3
|
112.26
|
113 (-1,78 %)
|
10.43
|
0.093
|
|
5
|
113.686
|
115 (0 %)
|
10.38
|
0.091
|
|
6
|
116.095
|
117 (+1.78 %)
|
10.419
|
0.094
|
Таблица 10.3-
Выбранные регулировочные ответвления трансформаторов в режиме наименьших
нагрузок
|
Номер подстанции
|
Расчётное ответвление на стороне ВН кВСтандартное ответвление на стороне
ВН ,кВДействительное напряжение на
шинах НН , кВKT с учётом выбранного
ответвления
|
|
|
|
|
2
|
119.83
|
121.1(+5.34 %)
|
9.895
|
0.091
|
|
3
|
114.08
|
115 (0 %)
|
9.92
|
0.091
|
|
5
|
115.806
|
117 (+1.78 %)
|
9,898
|
0.09
|
|
6
|
117.986
|
119,1 (+3,56 %)
|
9.907
|
0.092
|
Таблица 10.4 -
Выбранные регулировочные ответвления трансформаторов в послеаварийном режиме
наибольших нагрузок
|
Номер подстанции
|
Расчётное ответвление на стороне ВН кВСтандартное ответвление на
стороне ВН ,кВДействительное напряжение на
шинах НН , кВKT с учётом выбранного
ответвления
|
|
|
|
|
2
|
119.6
|
121.1 (+5,34 %)
|
10.37
|
0.091
|
|
3
|
104.486
|
104.8 (-8.9 %)
|
10,469
|
0.1
|
|
5
|
102.186
|
102.7 (-10.68 %)
|
10.447
|
0.102
|
|
6
|
116.095
|
117 (+1.78 %)
|
10.419
|
0.094
|
На трехобмоточных трансформаторах регулирование напряжения
под нагрузкой выполняется в обмотке высшего напряжения, а обмотка среднего
напряжения содержит ответвления, которые переключаются только после снятия
нагрузки. Ответвления со стороны высшего напряжения различных режимов для
трехобмоточного трансформатора определяются аналогично двухобмоточным
трансформаторам с обмотками высшего и низшего напряжения.
По полученным в программе RASTR значениям напряжений на шинах НН
трехобмоточного трансформатора при расчете режимов получим напряжения,
приведенные к обмотке ВН:
;
;
,
В соответствии с желаемыми напряжениями на шинах 10 кВ выберем
регулировочные ответвления в нормальном режиме наибольших, наименьших и в
послеаварийном режиме при отключенной линии 2-5.
Выбираем стандартные напряжения ответвлений обмотки ВН:
(-3.56%);
(-3.56%);
(-5.34%).
Тогда действительные напряжения на шинах НН будут равны:
Определим одно желаемое напряжения ответвления со стороны среднего
напряжения по формуле 10.2:
,(10.2)
где
- желаемое напряжение на шинах среднего напряжения
(примем 36,5 кВ);
-
напряжения на шинах среднего напряжения соответственно в максимальном и
минимальном режимах, приведенные к высшей стороне.
По полученным в программе RASTR значениям напряжений на шинах СН
трехобмоточного трансформатора при расчете режимов получим напряжения,
приведенные к обмотке ВН:
;
Желаемое напряжения ответвления со стороны среднего напряжения равно:
.
По таблице 10.5 определим стандартные напряжения ответвлений
обмотки СН.
Таблица 10.5 -
Параметры регулирования напряжения трансформаторов с диапазоном регулирования
±(2х2,5)%
|
Номер ответвления
|
Добавка напряжения, %
|
Напряжение ответвления
|
|
1
|
-5%
|
36,575
|
|
2
|
-2,5%
|
37,538
|
|
3
|
0
|
38,5
|
|
4
|
+5%
|
39,463
|
|
5
|
+2,5%
|
40,425
|
Выбираем стандартные напряжения ответвлений обмотки СН:
(-2.5%);
Тогда действительные напряжения на шинах НН будут равны:
Ниже в пояснительной записке указаны режимные схемы электрических
расчетов (рисунки 10.1, 10.2, 10.3) с нанесенными потоками мощностей и
выбранными ответвлениями.
Рисунок 10.1 - Режим наибольших нагрузок.
Рисунок 10.2 - Режим наименьших нагрузок.
Рисунок 10.3 - Послеаварийный режим наибольших нагрузок (отключена ветвь
2-5).
. РАСЧЕТ ТЕХНИКО-ЭКОНОМИЧЕСКИХ ПОКАЗАТЕЛЕЙ
В заключении проекта приводим основные технические и экономические
показатели электрической сети.
.Номинальное напряжение сети UНОМ=110 кВ.
.Установленная мощность трансформаторов:
.(11.1)
где STi - номинальная мощность
трансформаторов у i-го потребителя;
i -
индексы нагрузок (i=1,2,…,n).
SТ = 16·2+40·2+25·4+10·2= 232 МВА.
.Протяженность линий электропередачи:
L=
.(11.2)
L
=44+37.5+19+20+33+16.5+44= 214 км.
.Передаваемая
активная мощность:
P=
.(11.3)
где
Рi - активная мощность i-го потребителя.
Р
= 7+12+27+42+33=121 МВт.
.Передаваемая
электроэнергия:
W=
,(11.4)
где
Тнбi - время использования максимальной нагрузки i-го
потребителя.
W=(12+27+42+33)·5400+7·3400
=639400 МВт∙ч.
6.Потери мощности.
Для ЛЭП:
Для трансформаторов:
где
- нагрузочная составляющая потерь мощности в линиях и
трансформаторах, принимается по данным электрического расчета режима наибольших
нагрузок,
- потери в стали трансформаторов.
7.Потери электроэнергии.
Для ЛЭП:
(11.5)
Для трансформаторов:
(11.6)
где
- нагрузочная составляющая потерь
электроэнергии в линиях электропередачи и трансформаторах;
- составляющая потерь холостого хода.
8.Удельная установленная мощность трансформаторов по отношению к
передаваемой мощности:
.(11.7)
9) Потери мощности в процентах по отношению к передаваемой
мощности.
(11.8)
в том числе:
- нагрузочные по линиям
(11.9)
нагрузочные по трансформаторам
(11.10)
холостого хода по трансформаторам
(11.11)
10) Потери электроэнергии в процентах к передаваемой электроэнергии
(11.12)
в том числе:
- нагрузочные по линиям
(11.13)
нагрузочные по трансформаторам
(11.14)
-
холостого хода по трансформаторам
(11.15)
.Капитальные
вложения:
Добавим к стоимости подстанций
и
полной стоимости капитальных вложений
стоимость
компенсирующего устройства СКРМ мощностью
20 Мвар
,
,
(11.16)
.Составляющие
капитальных затрат в процентах к полным капитальным затратам:
,(11.17)
.(11.18)
.Удельные
капитальные вложения по отношению к передаваемой мощности:
.(11.19)
.Годовые эксплуатационные расходы:
; (11.20)
15.Приведенные затраты:
,(11.21)
16.Себестоимость электроэнергии:
.(11.22)
.Стоимость
передачи электроэнергии:
,(11.23)
Таблица 11. 1 - Технико-экономические показатели выбранного
варианта сети.
|
Номинальное напряжение сети
|
Uн
|
110 кВ
|
|
Установленная мощность трансформаторов
|
|
232 МВт
|
|
Общая протяженность ЛЭП
|
|
214 км
|
|
Передаваемая активная мощность
|
|
121 МВт
|
|
Передаваемая электроэнергия
|
|
639400 МВт ч
|
|
Потери мощности в ЛЭП
|
|
1,55 МВт
|
|
Потери мощности в трансформаторах
|
|
0,516 МВт
|
|
Потери электроэнергии в ЛЭП
|
|
5779,64 МВт ч
|
|
Потери электроэнергии в трансформаторах
|
|
3161,736 МВт ч
|
|
Удельная установленная мощность
|
|
1,917
|
|
Потери мощности в процентах
|
|
1,707%
|
|
Нагрузочные потери мощности в процентах в ЛЭП
|
|
1,281%
|
|
Нагрузочные потери мощности в процентах в трансформаторах
|
|
0,223%
|
|
Потери мощности холостого хода в процентах в
трансформаторах
|
|
0,203%
|
|
Потери электроэнергии в процентах
|
|
1,398%
|
|
Нагрузочные потери электроэнергии в процентах в ЛЭП
|
|
0,904%
|
|
Нагрузочные потери электроэнергии в процентах в
трансформаторах
|
|
0,157%
|
|
Потери электроэнергии холостого хода в процентах в
трансформаторах
|
|
0,337%
|
|
Полные затраты
|
З
|
2149,088 тыс. у. е.
|
|
Стоимость передачи электроэнергии
|
|
3,361 у.е./ МВт ч
|
|
Полные капитальные затраты
|
|
9525,4 тыс. у.е.
|
|
Капитальные затраты на ЛЭП
|
|
6013,4 тыс. у.е.
|
|
Капитальные затраты на подстанцию
|
|
3512 тыс. у.е.
|
|
Капитальные затраты в процентах к полным на ЛЭП
|
|
63,13%
|
|
Капитальные затраты в процентах к полным на подстанцию
|
|
36,87%
|
|
Удельные капитальные вложения
|
|
78,722 тыс. у.е./МВт ч
|