Проектирование сети 110-150 кВ для передачи и распределения электроэнергии
Содержание
Введение
Предварительный
расчет электрической сети
1.1 Краткая
характеристика электроснабжаемого района и его потребителей
1.1.1
Климатические условия
.1.2
Расстояния по воздушной прямой и протяженности трасс между пунктами сети
.2 Построение
годового графика нагрузки по продолжительности
.3 Баланс
активной и реактивной мощности
.4 Выбор
конструкции сети и материала проводов
.5
Формирование вариантов схем электроснабжения и их анализ
.6
Предварительный расчет выбранных вариантов
.6.1 Расчет
радиально-магистрального варианта сети
.6.1.1 Расчет
потокораспределения в нормальном режиме максимальных нагрузок
.6.1.2 Выбор
номинальных напряжений сети
.6.1.3 Выбор
сечений проводов ЛЭП
.6.1.4
Проверка проводов по току наиболее тяжелого аварийного режима сети
.6.1.5
Проверка сети по потери напряжения в нормальном и послеаварийном режимах
.6.2 Расчет
смешанного варианта сети
.6.2.1 Расчет
потокораспределения в нормальном режиме максимальных нагрузок
.6.2.2 Выбор
номинальных напряжений сети
.6.2.3 Выбор
сечений проводов ЛЭП
.6.2.4
Проверка проводов по току наиболее тяжелого аварийного режима сети
.6.2.5
Проверка сети по потери напряжения в нормальном и послеаварийном режимах
.7 Выбор
числа и мощности силовых трансформаторов
по ГОСТ
14209-97
.8 Проверка
трансформаторов на перегрузочную способность по ГОСТ 14209-97
1.9
Формирование схем электрических соединений вариантов сети
Технико-экономическое
сравнение вариантов схем электрической сети и выбор рационального варианта
.1 Выбор
рационального варианта сети
Электрический
расчет выбранного варианта в режиме максимальных нагрузок
.1
Формирование схемы замещения сети и определение ее параметров
.2 Расчет
зарядных мощностей ЛЭП в нормальном режиме максимальных нагрузок
.3 Выбор
режима нейтрали сети
.4
Определение расчетных нагрузок в режимах: максимальных нагрузок; минимальных
нагрузок и послеаварийном режиме
.5 Расчет
режимов сети
.5.1
Электрический расчет радиального участка сети
.5.2
Электрический расчет магистрального участка сети
.6
Определение напряжения на стороне низшего напряжения подстанций и выбор
регулировочных ответвлений трансформаторов
.7 Выбор
регулировочных ответвлений трансформаторов
4 Проверочный
расчет баланса активной и реактивной мощности в сети
Заключение
Список
использованных источников
Приложение А
Схемы электрических соединений вариантов сети
Приложение В
Схема замещения сети
Введение
Энергетика является одной из самых важных отраслей производства. Просчеты
в этой области имеют серьезные последствия. Наиболее универсальная форма
энергии - электроэнергия. Она легко преобразуется в механическую, тепловую и
световую энергии и поэтому стала основой развития промышленности, сельского
хозяйства, транспорта.
Передача электроэнергии от электростанций по линиям электропередачи
осуществляется при напряжениях 110-750 кВ, т.е. значительно превышающих
напряжения генераторов. Электрические подстанции применяются для преобразования
электроэнергии одного напряжения в электроэнергию другого напряжения.
Электрическая подстанция - это электроустановка, предназначенная для
преобразования и распределения электрической энергии. Подстанции состоят из
трансформаторов, сборных шин и коммутационных аппаратов, а также
вспомогательного оборудования: устройств релейной защиты и автоматики,
измерительных приборов. Подстанции предназначены для связи генераторов и
потребителей с линиями электропередачи.
Общая задача, возникающая при проектировании систем передачи и
распределения электроэнергии, заключается в выборе наиболее рациональных
технических решений и в выборе наилучших параметров этих решений. При этом
приходиться решать следующее наиболее характерные задачи:
·выбор конфигурации электрической сети и ее
конструктивного исполнения (воздушная, кабельная);
·выбор числа цепей каждой из линий и числа
трансформаторов подстанций;
·выбор номинального напряжения линий;
- выбор материала и площади сечений проводов линий;
- выбор схем подстанций;
·обоснование технических средств обеспечения требуемой
надежности электроснабжения потребителей;
·выбор технических средств обеспечения требуемого
качества напряжения;
·обоснование средств повышения экономичности
функционирования электрической сети;
При комплексном решении этих вопросов в процессе работы над проектом
студент приобретает практические навыки самостоятельного решения инженерных
задач, развивает творческие способности в профессиональной области, обучается
пользованию технической, нормативной и справочной литературой.
В курсовом проекте разрабатывается сеть 110-150 кВ, предназначенная для
электроснабжения промышленного района, содержащего пять предприятий,
относящихся к какой либо отрасли с общей мощностью порядка 70-100 МВА.
1
Предварительный расчет электрической сети
1.1 Краткая характеристика электроснабжаемого района и его
потребителей
1.1.1 Климатические условия
Электрическая сеть проектируется для г. Гурьева расположенного в устье
Урала в республике Казахстан.
В соответствии с ПУЭ 6 издание /3/ по гололедообразованию г. Гурьев
относится к II-му району, где нормативная толщина
стенки гололеда составляет 15 мм.
Средняя продолжительность гроз в проектируемом районе составляет от 40 до
60 часов в год. По ветровому давлению г.Гурьев относится к 3-му району, где
нормативная скорость ветра составляет 32 м/с (нормативное ветровое давление 650
Па) и к I району с редкой «пляской» проводов с
частотой повторяемости 1 раз в 10 лет и менее, среднегодовая продолжительность
гроз от 10 до 20 часов.
Эквивалентная температура охлаждающего воздуха (Θэкв) согласно ГОСТ 14209-97 в
г.Гурьев составляет:
зимняя: -8,3 ºС;
летняя: 24,3 ºС;
годовая: 15,5 ºС.
1.1.2 Расстояния по воздушной прямой и протяженности
трасс между пунктами сети
Расстояние
(км) по воздушной прямой между пунктами сети определяется по
выражению.
(1.1)
m=15 -
заданный масштаб (км/см).
Протяженность трассы
(км) между пунктами сети определяется с учетом
неравномерности рельефа местности.
(1.2)
где к = 1,16 - поправочный коэффициент.
Расчет расстояний по воздушной прямой и протяженности трасс сводим в
таблицу 1.1.
Таблица 1.1 - Протяженность трасс сети
|
Пункту сети
|
Расстояния по воздушной
прямой (lв) и протяженности трасс (l) между
пунктами сети
|
|
РЭС
|
Пункт 1
|
Пункт 2
|
Пункт 3
|
Пункт 4
|
Пункт 5
|
|
РЭС
|
|
66
|
90
|
144
|
111
|
154,5
|
|
Пункт 1
|
76,56
|
|
40,5
|
84
|
45
|
90
|
|
Пункт 2
|
104,4
|
46,98
|
|
55,5
|
37,5
|
81
|
|
Пункт 3
|
167,04
|
97,44
|
64,38
|
|
42
|
45
|
|
Пункт 4
|
128,76
|
52,2
|
43,5
|
48,72
|
|
46,5
|
|
Пункт 5
|
179,22
|
104,4
|
93,36
|
52,2
|
53,94
|
|
Примечание: Расстояния по воздушной прямой (lв) между пунктами сети занесены в правую верхнюю часть
таблицы, а протяженности трасс (l)
между пунктами сети в левую нижнюю часть таблицы.
1.2 Построение годового графика нагрузок по продолжительности
На рисунке 1.1 приведен суточный график нагрузок для пищевой
промышленности. Далее ведётся построение годового графика нагрузок по
продолжительности и расчёт числа часов использования максимума нагрузки.
Рисунок 1.1 - Суточный график нагрузки
Примечание: Условные обозначения на рисунке 1.1
Условно принимаем число «зимних» суток равным 213 и число «летних» суток
- 152
Ранжируют (нумеруют) ступени графиков зимнего и летнего, начиная с
максимального значения. Получают пять рангов - пять по величине мощности
ступеней
Суммарная продолжительность i- ой ступени годового графика - Ti=Tiз+Tiл;
Tiл=tiл*152, (1.3)
Tiз=tiз*213, (1.4)
где tiл - суммарная продолжительность i-ой ступени по суточному летнему
графику; tiз - суммарная продолжительность i-ой ступени по суточному зимнему
графику;
Расчет сводится в таблицу 1.2
Таблица 1.2 - Построение годового графика нагрузки по продолжительности
|
№ ступени
|
Pi, о.е.
|
tiз, ч
|
tiл, ч
|
Tiз, ч
|
Tiл, ч
|
Ti=Tiз+Tiл
|
Pi(о.е.)*Ti ч
|
|
1
|
1
|
8
|
-
|
1704
|
-
|
1704
|
1704
|
|
2
|
0,7
|
-
|
8
|
-
|
1216
|
1216
|
851,2
|
|
3
|
0,5
|
4
|
-
|
852
|
-
|
852
|
426
|
|
4
|
0,4
|
4
|
4
|
852
|
608
|
1460
|
584
|
|
5
|
0,3
|
-
|
2
|
-
|
304
|
304
|
91,2
|
|
6
|
0,1
|
8
|
10
|
1704
|
1520
|
3224
|
322,4
|
|
Итого:
|
|
24
|
24
|
3512
|
3648
|
8760
|
3978,8
|
Годовой график по продолжительности строится на основе данных столбцов 2
и 7 таблицы 1.2. Годовой график представлен на рисунке 1.2
Рисунок 1.2 - Годовой график по продолжительности
Находится число часов использования максимума нагрузки:
, (1.5)
Так как РМ=1 (в относительных единицах), то
, то есть это число, стоящее в правом
нижнем углу таблицы 1.2.
ТМ = 3978,8 ч
По значению Тм определяется jэ - экономическую плотность тока для выбранных проводов (марки АС): jэ=1,1 А/мм2.
1.3 Баланс активной и реактивной мощности
Исходными данными для расчета потокораспределения при курсовом
проектировании являются активные нагрузки пунктов потребления Pi и их коэффициенты мощности (cos φi).
По заданным значениям активных нагрузок Pi и коэффициентам мощности потребителей cos φi определяются tg φi, заданные реактивные нагрузки - Qзi и полные нагрузки Sзi:
Qзi=tg
φi *Pi; (1.6)зi=
(1.7)
Для первой нагрузки по сos j1
=0,77определяем tg j.
Значение tg j можно определять по выражению
.
tg j1 =
0,829
Реактивная и полная нагрузка первого потребителя.
Qз1 = tg φ1 · P1 (1.8)
Qз1=0,829*17=14,087 Мвар;
Sз1 =
(1.9)
Sз1=
=22,078 МВА;
Расчёт для остальных нагрузок сводится в таблицу 1.3
Таблица 1.3 - Определение заданных нагрузок
|
№ n/c
|
Pi , MBт
|
Cos φi
|
tg φi
|
Qзi, Mвар
|
Sзi, MBA
|
|
1
|
17
|
0,77
|
0,829
|
14,087
|
22,078
|
|
2
|
29
|
0,79
|
0,776
|
22,506
|
36,709
|
|
3
|
13
|
0,73
|
0,936
|
12,171
|
17,808
|
|
4
|
24
|
0,73
|
0,936
|
22,469
|
32,877
|
|
5
|
31
|
0,71
|
0,992
|
30,747
|
43,662
|
|
Итого
|
114
|
|
|
101,98
|
153,134
|
Баланс активной мощности
Суммарная мощность нагрузок потребителей, МВт по:
åРнагр = åРi = Р1+Р2+Р3+Р4+Р5
(1.10)
åРнагр = 17+29+13+24+31=114 МВт
Расход мощности на собственные нужды станции.
Принимается РСН=0,05 åРнагр
РСН=0,05*114=5,7 МВт
Резерв мощности на станции принимаем равным:
Рр=0,1 от åРнагр.
Рр=0,1*114=11,4 МВт
Потери активной мощности принимаются равными DРсети=0,05 от åРнагр.
DРсети=0,05*114=5,7 МВт
Мощность, вырабатываемая генераторами энергосистемы.
Рг=åРнагр+Рсн+DРсети, (1.11)
Рг=114+5,7+11,4+5,7=136,5 МВт
Баланс реактивной мощности
Суммарная мощность реактивных нагрузок.
åQнагр=åQзi = Qз1+Qз2+Qз3+Qз4+Qз5
(1.12)
åQнагр = 14,087+22,506+12,171+22,469+30,747=101,98 Мвар.
Суммарная мощность полных нагрузок.
åSнагр=Sз1+Sз2+Sз3+Sз4+Sз5 (1.13)
åSнагр=22,078+36,709+17,808+32,877+43,662=153,134
МВА
Расход реактивной мощности на собственные нужды станции принимается
равным 0,04 от åSнагр
Qсн=0,04*153,134
=6,152 Мвар
Резерв реактивной мощности на станции.
Qр=0,1*153,134=15,314
Мвар
Потери реактивной мощности в сети принимаются равными 0,1 от åSнагр
DQсети=0,1*153,134=15,314 Мвар
Располагаемая реактивная мощность системы.
Qг =
Рг · tgс (1.14)
Находят tgjс энергосистемы по заданному cosjс =0,89.
tgjс = 0,512.
Qг=136,5
*0,512= 69,89 Мвар
Суммарная реактивная мощность компенсирующих устройств, устанавливаемых в
сети.
Qку =åQнагр+Qсн+DQсети - Qг (1.15)
Qку
=101,98 +6,152 +15,314 +15,314 -69,89 =53,456 Мвар
Компенсирующие устройства распределяются по потребителям так, чтобы
уравнять их коэффициенты мощности до величины tgjср.вз..
Находят значение tgjср.вз..
tgjср.вз.= (åQнагр - Qку)/å Pнагр (1.16)
tg φcр.взв.=
0,426;
Определяется мощность компенсирующих устройств устанавливаемых на каждой
из подстанций электрифицируемого района.
Qкуi = Pi · (tg φi - tg φcр.взв.) (1.17)
Qку1
=17*(0,829-0,426)=6,851 Мвар
Реактивная нагрузка первой подстанции после компенсации составит.
Qi = Qзi - Qкуi (1.18)
Q1=14,087-6,851=7,236
Мвар
Полная нагрузка подстанции после компенсации.
Si=
(1.19)
S1=
Коэффициенты мощности потребителей после компенсации.
tgφi =
(1.20)
Для первой подстанции.
φ1 =
Проверяем: tgφ1» tg φ cр.вз,
,426=0,426.
Расчёты для остальных подстанций сводят в таблицу 1.4.
Таблица 1.4 - Расчётные нагрузки с учетом компенсации реактивной мощности
|
№ п/с
|
Рi, МВт
|
Qзi, Мвар
|
Qкуi, Мвар
|
Qi, Мвар
|
Si, МВА
|
tgφi
|
|
1
|
17
|
14,087
|
6.851
|
7.236
|
18.476
|
0.426
|
|
2
|
29
|
22,506
|
10.15
|
12.356
|
31.523
|
0.426
|
|
3
|
13
|
12,171
|
6.63
|
5.541
|
14.132
|
0.426
|
|
4
|
24
|
22,469
|
12.24
|
10.229
|
26.089
|
0.426
|
31
|
30,747
|
17.546
|
13.201
|
33.694
|
0.426
|
|
Итого
|
114
|
101,98
|
53.417
|
48.563
|
123.914
|
-
|
Дополнительной проверкой правильности выполненных расчетов является
равенство: Qку = åQкуi , т.е. значение Итого по столбцу 4 должно совпасть со
значением Qку , вычисленным по выражению 1.15.
Условие выполняется (погрешность 0,04).
,456
53.417 Мвар
1.4 Выбор конструкции сети и материала проводов
Для проектируемой сети выбраем тип опор, расположение проводов на опоре и
марку проводов.
Город Гурьев расположен в устье реки Урал недалеко от Каспийского моря,
где в воздухе находятся соединения способствующие разрушению сталеалюминевых
проводов (побережья морей, соленых озер и районы с соответствующими
промышленными выбросами) поэтому выбираем сталеалюминевые провод марки АСК в
соответствие со справочником Никлипаева /1/.
Применяем железобетонные опоры, т.к. район с повышенной влажностью
воздуха, среднегодовой температурой +15˚С.
Минимальное сечение проводов по условиям механической прочности при
толщине стенки гололеда 15 мм - 50 мм2
Расстояние между проводами - 2 м .
1.5 Формирование вариантов схем электроснабжения и их анализ
Рисунок 1.3 - Радиальная схема сети


Рисунок 1.4 - Магистральные схемы сети


Рисунок 1.5 - Смешанные с кольцом схемы сети

Рисунок 1.6 - Сложнозамкнутые схемы сети
Рисунок 1.7 - Замкнутая схема сети
В районных электрических сетях применяют различные по конфигурации схемы.
Выбор конкретной схемы при проектировании определяется составом потребителей по
категориям требуемой надежности электроснабжения и взаимным расположением
источников питания и пунктов потребления энергии.
Электроснабжения потребителей первой и второй категории в соответствии с
ПУЭ в нормальных режимах должно осуществлять от двух независимых взаимно
резервирующих источников питания, то есть для их питание должны применяться
различные резервированные схемы. Питание потребителей 3-ей категории может
осуществляться по одноцепным нерезервированным линиям от одного источника
питания.
При решении вопросов резервирования питания потребителей различных
категорий, территориально объединенных в одном пункте сети, следует
ориентироваться на наличие потребителей наивысшей категории по степени
надежности. Например, если в рассматриваемом пункте сети имеются потребители
1-ой, 2-ой и 3-ей категории, то выбирается резервированная схема с двумя
независимыми источниками, то есть ориентируются на наличие потребителей 1-ой
категории. На подстанции питающей этих потребителей устанавливается два
трансформатора.
Для резервирования и исключения из работы поврежденных элементов сети в
послеаварийных режимах, а так же осуществления ремонта оборудования без
прекращения электроснабжения потребителей, при выборе схемы построения сети,
отвечающей требованиям надежности, необходимо предусматривать установку
соответствующих коммутационных аппаратов для оперативных переключений.
Таким образом, требуемая надежность схемы электрической сети
обеспечивается сооружением определенного количества линий, трансформаторов и
коммутационных аппаратов на подстанциях, выбранных на основе анализа состава
потребителей по категориям надежности.
1.6 Предварительный расчёт выбранных вариантов
1.6.1 Расчёт радиально-магистрального варианта сети
1.6.1.1 Расчёт потокораспределения в нормальном режиме
максимальных нагрузок
Расчёт ведется без учета потерь мощности на участках сети. Задаются
направлением потокораспределения активной мощности по участкам сети (рисунок
1.11).
Рисунок 1.8 - Потокораспределение активной мощности
Производится расчет потокораспределения, используя первый закон Кирхгофа.
P43 = P3; P43 = 13 МВт; P04 = P43 + P4; P04 = 13 + 24 = 37 МВт; P02 = P2;
P02 = 29 МВт; P15= P5; P15= 31 МВт; P01 = P15 + P1; P01 =
31+17=48 МВт.
Реактивные нагрузки по участкам сети определяются по tgφср.взв.
Qij=Pij · tg φср.взв. . (1.21)
Q01=48*0,426= 20,448 Мвар
Полные нагрузки участков сети.
Sij=
(1.22)
S01=
=
= 52,18 МВА
Расчеты для остальных участков производятся аналогично.
Результаты вычислений заносим в таблицу 1.5.
Таблица 1.7 - Потокораспределение по ветвям сети
|
Участок
|
0-1
|
0-2
|
0-4
|
4-3
|
1-5
|
|
P, МВт
|
48
|
29
|
37
|
13
|
31
|
|
Q, Мвар
|
20,448
|
12,354
|
15,762
|
5,538
|
13,206
|
|
S, МВА
|
52,174
|
31,522
|
40,217
|
14,13
|
33,696
|
1.6.1.2 Выбор номинального напряжения сети
Длины трасс участков сети, заданы в таблице 1.1.
Определение ориентировочного напряжение для участка 0-1 по формуле
Стилла.
Uopij=16
, (1.23)
По формуле Илларионова
(1.24)
Аналогично проводится расчет для остальных участков, результаты
вычислений представлены в таблице 1.6.
Таблица 1.6 - Выбор номинального напряжения
|
Участок
|
0-1
|
0-2
|
0-4
|
4-3
|
1-5
|
|
Длина, lij
, км
|
76,56
|
104,4
|
128,76
|
48,72
|
104,4
|
|
Рij, МВт
|
48
|
29
|
37
|
13
|
31
|
|
Uорij, кВ
|
124,575
|
118,685
|
132,928
|
80,266
|
120,68
|
|
Uорij, кВ
|
130,617
|
104,831
|
118,303
|
70,261
|
108,189
|
Принимаются для дальнейшего расчета два варианта, по справочнику /4/.
) номинальное напряжение Uн = 110 кВ;
) номинальное напряжение Uн = 150 кВ.
1.6.1.3 Выбор сечения проводов ЛЭП
Определяются рабочие токи участков сети.
Iij=
; (1.25)
где n - число цепей линии электропередачи.
Для участка 0-1
Ориентировочные сечения по участкам сети определяются по экономической
плотности тока- jэ (экономическая
плотность тока определена в пункте 1.2).
Fopij=
, (1.26)
Для участка 0-1
Fop01=
Для участка 0-1 с учетом ограничения по короне принимаются стандартное
сечение Fст=120 мм2.
Аналогично проводится расчет для остальных участков, результаты
вычислений заносятся в таблицу 1.7 - 1.8.
Таблица 1.7 - Расчет сечений для магистральной сети Uн = 110 кВ
|
Участок
|
0-1
|
0-2
|
0-4
|
4-3
|
1-5
|
|
n
|
2
|
2
|
2
|
2
|
1
|
|
I, А
|
136,921
|
82,723
|
105,543
|
37,083
|
176,856
|
|
Fэ, мм2
|
124,474
|
75,203
|
95,948
|
33,712
|
160,779
|
|
Fст, мм2
|
120
|
70
|
95
|
70
|
150
|
Согласно ПУЭ /3/, для воздушных линий с номинальным напряжением 110 кВ
минимально допустимое сечение проводов по условию короны составляет 70 мм2,
также необходимо учесть минимально допустимое сечение по механической прочности
/4/.
Таблица 1.8 - Расчет сечений для магистральной сети Uн = 150 кВ
|
Участок
|
0-1
|
0-2
|
0-4
|
4-3
|
1-5
|
|
n
|
2
|
2
|
2
|
2
|
1
|
|
I, А
|
100,409
|
60,664
|
77,398
|
27,194
|
129,695
|
|
Fэ, мм2
|
91,281
|
55,149
|
70,362
|
24,722
|
117,904
|
|
Fст, мм2
|
120
|
120
|
120
|
120
|
120
|
Согласно ПУЭ /3/, для воздушных линий с номинальным напряжением 150 кВ
минимально допустимое сечение проводов по условию короны составляет 120 мм2.
1.6.1.4 Проверка проводов по току наиболее тяжелого
после аварийного режима сети
Сечения проводов выбранных по экономической плотности тока проверяются по
допустимому нагреву током наиболее тяжелого послеаварийного режима сети.
Условие проверки .
доп ij ³ Iавij
Для участка 0-1
ав01=2 · I01 (1.27)
Iав01=2* I01=2*136,921=273,842
А ;
Iдоп01
=380 А;
Iав01
< Iдоп01
,842 < 380
Сечение на участке 0-1 удовлетворяет условию проверки по допустимому току
нагрева в послеаварийном режиме.
Аналогично проводятся расчеты для остальных участков сети, номинальных
напряжений. Результаты вычислений заносятся в таблицы 1.9 - 1.10.
Таблица 1.9 - Проверка сечений по допустимому току (магистральная сеть, Uн = 110 кВ )
|
Участок
|
F, мм2
|
Iдоп, А
|
Iав, А
|
Fприн, мм2
|
|
0-1
|
120
|
380
|
273,842
|
120
|
|
0-2
|
70
|
265
|
165,446
|
70
|
|
0-4
|
95
|
330
|
211,087
|
95
|
|
4-3
|
70
|
265
|
74,166
|
70
|
|
1-5
|
150
|
445
|
176,856
|
150
|
Таблица 1.10 - Проверка сечений по допустимому току (магистральная сеть, Uн = 150 кВ )
|
УчастокF, мм2Iдоп,
АIав, АFприн, мм2
|
|
|
|
|
|
0-1
|
120
|
380
|
200,818
|
120
|
|
0-2
|
120
|
380
|
121,327
|
120
|
|
0-4
|
120
|
380
|
154,797
|
120
|
|
4-3
|
120
|
380
|
54,388
|
120
|
|
1-5
|
120
|
4380
|
129,695
|
120
|
1.6.1.5 Проверка сети по потере напряжения в
нормальном и после аварийном режимах
Определяются параметры П-образной схемы замещения ЛЭП.
Хлij=xoij · li j / n; (1.28)
Rлij=roij · li j / n; (1.29)
Bлij= boij · li j · n,
(1.30)
Результаты расчётов параметров схемы замещения для номинальных напряжений
сводятся в таблицы 1.11 - 1.12.
Таблица 1.11 - Параметры схемы замещения сети, магистральная сеть, Uн =
кВ
|
Участок
|
Провод
|
n
|
r 0, Ом/км
|
x 0, Ом/км
|
b 0, мкСм/км
|
l, км
|
Rл, Ом
|
Xл, Ом
|
Bл, мкСм
|
|
0-1
|
АС-120
|
2
|
0,249
|
0,423
|
2,69
|
76,56
|
9,532
|
16,192
|
411,893
|
|
0-2
|
АС-70
|
2
|
0,42
|
0,44
|
2,58
|
104,4
|
21,924
|
22,968
|
538,704
|
|
0-4
|
АС-95
|
2
|
0,314
|
0,429
|
2,65
|
128,76
|
20,215
|
27,619
|
682,428
|
|
4-3
|
АС-70
|
2
|
0,42
|
0,44
|
2,58
|
48,72
|
10,231
|
10,718
|
251,395
|
|
1-5
|
АС-150
|
1
|
0,195
|
0,416
|
2,47
|
104,4
|
20,358
|
43,43
|
286,056
|
Таблица 1.12 - Параметры схемы замещения сети, магистральная сеть, Uн = 150 кВ
|
Участок
|
Провод
|
n
|
r 0, Ом/км
|
x 0, Ом/км
|
b 0, мкСм/км
|
l, км
|
Rл, Ом
|
Xл, Ом
|
Bл, мкСм
|
|
0-1
|
АС-120
|
0,249
|
0,439
|
2,61
|
76,56
|
9,532
|
16,805
|
399,643
|
|
0-2
|
АС-120
|
2
|
0,249
|
0,439
|
2,61
|
104,4
|
12,998
|
22,916
|
544,968
|
|
0-4
|
АС-120
|
2
|
0,249
|
0,439
|
2,61
|
128,76
|
16,031
|
28,263
|
672,127
|
|
4-3
|
АС-120
|
2
|
0,249
|
0,439
|
2,61
|
48,72
|
6,066
|
10,694
|
254,318
|
|
1-5
|
АС-120
|
1
|
0,249
|
0,439
|
2,61
|
104,4
|
25,996
|
45,832
|
272,484
|
Потеря напряжения в % от номинального на участках сети в нормальном
режиме
Для участка 0-1
Потеря напряжения на остальных участках определяется аналогично.
Результат сводится в таблицу 1.13.
Таблица 1.13 - Потери напряжения - нормальный режим, магистральная сеть, Uн = 110 кВ
|
Участок
|
Р, МВт
|
Q, Мвар
|
R, Ом
|
X, Ом
|
ΔU
кВ
|
ΔU
%
|
|
0-1
|
48
|
20,45
|
9,532
|
16,192
|
7,169
|
6,5
|
|
0-2
|
29
|
12,35
|
21,924
|
22,968
|
8,359
|
7,6
|
|
0-4
|
37
|
15,76
|
20,215
|
27,619
|
10,757
|
9,8
|
|
4-3
|
13
|
5,54
|
10,231
|
10,718
|
1,749
|
6,5
|
|
1-5
|
31
|
13,2
|
20,358
|
43,43
|
10,951
|
10
|
Потеря напряжения на участках сети в послеаварийном режиме
Uавij% =n Uij% (1.31)
Результат расчета по потере напряжения на участках сети в послеаварийном
режиме сводится в таблицу 1.14.
Таблица 1.14 - Потеря напряжения - послеаварийный режим, магистральная
сеть, Uн = 110 кВ
|
Участок
|
Р, МВт
|
Q, Мвар
|
R, Ом
|
X, Ом
|
ΔU
кВ
|
ΔU
%
|
|
0-1
|
48
|
20,45
|
9,532
|
16,192
|
7,169
|
13
|
|
0-2
|
29
|
12,35
|
21,924
|
22,968
|
8,359
|
15,2
|
|
0-4
|
37
|
15,76
|
20,215
|
27,619
|
10,757
|
19,6
|
|
4-3
|
13
|
5,54
|
10,231
|
10,718
|
1,749
|
3,2
|
|
1-5
|
31
|
13,2
|
20,358
|
43,43
|
10,951
|
10
|
Условие проверки в нормальном режиме максимальных нагрузок:
Uдоп%=³U% (1.32)
где Uдоп% - допустимая величина потере
напряжения (в % от номинального напряжения) в нормальном режиме, которую для
районных сетей можно принять равной (15¸20)% , /4/.
ΔU01% =6.5%
% > 6.5%
Сети для потребителя № 2 удовлетворяют условию проверки по допустимой
потери напряжения.
Проверка по потере напряжения точки 3
U043 =
U04 +U43 = 9,8%+6,5% = 16,3 % ,
Проверка по потере напряжения точки 5
U015 =
U01 +U15 = 6,5%+10% = 16,5 % ,
Аналогично проверяется сеть в послеаварийном режиме:
Uдоп.ав%³ Uав%,
где Uдоп.ав% -
допустимая величина потере напряжения (в % от номинального напряжения) в
послеаварийном режиме, которую для районных сетей можно принять равной (20¸25)% , /4/.
ΔU01% =13%
% > 13%
Сети для потребителя № 2 удовлетворяют условию проверки по допустимой
потере напряжения.
Проверка по потере напряжения точки 3
U043ав
= U04ав +U43ав = 19,6%+3,2% = 22,7 % ,
Проверка по потере напряжения точки 5
U015ав
= U01ав +U15ав = 13%+10% = 23% ,
Сеть удовлетворяет условию проверки по потере напряжения в нормальном и в
послеаварийном режимах при напряжении 110 кВ.
Сеть удовлетворяет условию проверки по потере напряжения в нормальном и
послеаварийном режимах при напряжении 150 кВ.
1.6.2 Расчёт смешанного варианта сети
1.6.2.1 Расчёт потокораспределения в нормальном режиме
максимальных нагрузок
Рисунок 1.9 - Потокораспределение активной мощности
Расчёт ведется без учета потерь мощности на участках сети. Задаются
направлением потокораспределения активной мощности по участкам сети (рисунок
1.9).
P02=
;
P02=
МВт ;
P23=P02-P2=26.679-29=-2,321 МВт
Следовательно меняется направление: Р23=2,321 МВт
Далее аналогично находится Р03
Р03=Р3+Р23
Р03=13 +2,321 = 15,321 МВт
Проверка:
P03=
;
P03=
МВт ;
Реактивные нагрузки по участкам сети
Qij=Pij*tgср.взв.
Для участка 0-2
Q02=P02*tgср.взв.
Q02=26,679*0,426
=11,365 Мвар
Полные нагрузки участков сети
Sij=
;
Для участка 0-2
S02=
=
=28,999 МВА
Расчеты для остальных участков производятся аналогично.
Результаты вычислений заносят в таблицу 1.15.
Таблица 1.15 - Потокораспределение по ветвям сети
|
Участок
|
0-2
|
2-5
|
0-5
|
0-1
|
1-3
|
1-4
|
|
Р, МВт
|
24,180
|
1,180
|
15,820
|
73,000
|
33,000
|
27,000
|
|
Q, Мвар
|
8,312
|
0,406
|
5,439
|
25,095
|
11,345
|
9,282
|
|
S, МВА
|
25,569
|
1,248
|
16,729
|
77,193
|
34,896
|
28,551
|
1.6.2.2 Выбор номинального напряжения сети
Выбор номинального напряжения производится по формуле (1.23-1.24) так же
как для предыдущего варианта.
Расчеты по выбору напряжения сети сводятся в таблицу 1.16.
Таблица 1.16 - Выбор номинального напряжения
|
Участок
|
0-2
|
2-3
|
0-3
|
0-1
|
1-4
|
4-5
|
|
l, км
|
104,4
|
97,44
|
167,04
|
75,56
|
52,5
|
53,94
|
|
Р, Мвт
|
26,679
|
2,321
|
15,321
|
72
|
55
|
31
|
|
Uорij, кВ
|
116,235
|
62,047
|
113,801
|
137,865
|
117,119
|
102,315
|
|
Uорij, кВ
|
100,761
|
30,397
|
77,515
|
155,694
|
134,799
|
105,459
|
Принимаем для дальнейшего расчета два варианта, по справочнику /4/.
а) номинальное напряжение Uн = 110 кВ;
б) номинальное напряжение Uн = 150 кВ.
1.6.2.3 Выбор сечения проводов ЛЭП
Определение рабочих токов участков сети для номинального напряжения
Uн=110 кВ.
По формуле (1.25) для участка 0-2:
Определение ориентировочных сечений по участкам сети.
Для участка 0-2 по формуле (1.26):
Fop02=
Для участка 0-2 принимается стандартное сечение - Fст02=120 мм2.
Аналогично определяются сечения на остальных участках сети, результаты
вычислений сводятся в таблицы 1.17 и 1.18.
Таблица 1.17 - Расчет сечений для смешанной сети Uн = 110 кВ
|
Участок
|
0-2
|
2-3
|
0-3
|
0-1
|
1-4
|
4-5
|
|
n
|
1
|
1
|
1
|
2
|
2
|
1
|
|
S, МВА
|
28,999
|
2,523
|
16,653
|
78,261
|
59,783
|
33,696
|
|
I
|
152,206
|
13,241
|
87,406
|
205,382
|
156,889
|
176,856
|
|
Fэ, мм2
|
138,369
|
12,038
|
79,46
|
186,711
|
142,626
|
160,779
|
|
Fст,
мм2
|
150
|
70
|
70
|
185
|
150
|
150
|
Таблица 1.18- Расчет сечений для смешанной сети Uн = 150 кВ
|
Участок
|
0-2
|
2-3
|
0-3
|
0-1
|
1-4
|
4-5
|
|
n
|
1
|
1
|
1
|
2
|
2
|
1
|
|
S, МВА
|
28,999
|
2,523
|
16,653
|
78,261
|
59,783
|
33,696
|
|
I
|
111,618
|
9,71
|
64,097
|
150,613
|
115,052
|
129,695
|
|
Fэ, мм2
|
101,471
|
8,828
|
58,27
|
136,921
|
104,593
|
117,904
|
|
Fст,
мм2
|
120
|
120
|
120
|
120
|
120
|
1.6.2.4 Проверка проводов по току наиболее тяжелого
после аварийного режима сети
Для кольцевых участков сети наиболее тяжелыми послеаварийными режимами
работы сети являются - поочередное отключение головных участков 0-2 и 0-3.
Проверка осуществляется для кольцевого участка сети 0-2-3-0.
Расчет выполняется для двух режимов:
а) Выход из строя головного участка 0-2
Потокораспределение активных нагрузок
P23ав=P2=29 МВт ;
Р03ав=Р2+Р3 =29+13= 42 МВт
б) Выход из строя головного участка 0-3
P12ав=P3=13МВт ;
Р02ав=Р2+Р3 =29+13=42 МВт ;
Для участка 1-2 в качестве наиболее тяжелого послеаварийного режима
принимается режим а), с наибольшей нагрузкой
Результаты проверки сводятся в таблицы 1.19-1.20.
Таблица 1.19 - Проверка по допустимому току в послеаварийном режиме, (Uн = 110 кВ)
|
Участок
|
Рмах, МВт
|
I ав,
А
|
F, мм2
|
Iдоп, А
|
Fприн, мм2
|
|
0-2
|
42
|
239,612
|
150
|
445
|
150
|
|
0-3
|
42
|
239,612
|
70
|
265
|
70
|
|
2-3
|
29
|
165,446
|
70
|
265
|
70
|
Таблица 1.20 - Проверка по допустимому току в послеаварийном режиме, (Uн = 150 кВ)
|
Участок
|
Рмах, МВт
|
I ав,
А
|
F, мм2
|
Iдоп, А
|
Fприн, мм2
|
|
0-2
|
42
|
175,715
|
120
|
380
|
120
|
|
0-3
|
42
|
175,715
|
120
|
380
|
120
|
|
2-3
|
29
|
121,327
|
120
|
380
|
120
|
Аварийный ток такого участка равен Iавij =nIij,
Условие проверки Iдоп ij ³ Iавij,
Сечение на участке 0-1 удовлетворяет условию проверки по допустимому току
нагрева в послеаварийном режиме.
Аналогично проводятся расчеты для остальных участков сети. Результаты
вычислений заносятся в таблицу 1.21-1.22.
Таблица 1.21 - Проверка сечений по допустимому току (Uн = 110 кВ )
|
Участок
|
F, мм2
|
Iдоп, А
|
Iав, А
|
Fприн, мм2
|
|
0-1
|
185
|
510
|
410,763
|
185
|
|
1-4
|
150
|
445
|
313,778
|
150
|
|
4-5
|
150
|
445
|
176,856
|
150
|
Таблица 1.22 - Проверка сечений по допустимому току (Uн = 150 кВ )
|
УчастокF, мм2Iдоп,
АIав, АFприн, мм2
|
|
|
|
|
|
0-1
|
120
|
380
|
301,226
|
120
|
|
1-4
|
120
|
380
|
230,104
|
120
|
|
4-5
|
120
|
380
|
129,695
|
120
|
1.6.2.5 Проверка сети по потере напряжения в
нормальном и послеаварийном режиме
Параметры схемы замещения ЛЭП определяются по формулам (1.28, 1.29 1.30).
Результаты расчётов параметров схемы замещения для номинальных напряжений
сводятся в таблицы 1.23 - 1.24.
Таблица 1.23 - Параметры схемы замещения сети, смешанная сеть, Uн = 110 кВ
|
Участок
|
Провод
|
n
|
r0, Ом/км
|
x0, Ом/км
|
b0, мкСм/км
|
l, км
|
Rл, Ом
|
Xл, Ом
|
Bл, мкСм
|
|
0-2
|
АС-150
|
1
|
0,195
|
0,416
|
2,74
|
104,4
|
20,358
|
43,43
|
286,056
|
|
2-3
|
АС-70
|
1
|
0,420
|
0,440
|
2,58
|
97,44
|
40,925
|
42,874
|
251,395
|
|
0-3
|
АС-70
|
1
|
0,420
|
0,440
|
2,58
|
167,04
|
70,157
|
73,498
|
430,963
|
|
0-1
|
АС-185
|
2
|
0,156
|
0,409
|
2,82
|
75,56
|
5,972
|
15,657
|
431,798
|
|
1-4
|
АС-150
|
2
|
0,195
|
0,416
|
2,74
|
52,5
|
5,09
|
10,858
|
286,056
|
|
4-5
|
АС-150
|
1
|
0,195
|
0,416
|
2,74
|
53,94
|
10,518
|
22,439
|
147,796
|
Таблица 1.24 - Параметры схемы замещения сети, смешанная сеть, Uн = 150 кВ
|
Участок
|
Провод
|
n
|
r0, Ом/км
|
x0, Ом/км
|
b0, мкСм/км
|
l, км
|
Rл, Ом
|
Xл, Ом
|
Bл, мкСм
|
|
0-2
|
АС-120
|
1
|
0,249
|
0,439
|
2,61
|
104,4
|
25,996
|
45,832
|
272,484
|
|
2-3
|
АС-120
|
1
|
0,249
|
0,439
|
2,61
|
97,44
|
24,263
|
42,776
|
254,318
|
|
0-3
|
АС-120
|
1
|
0,249
|
0,439
|
2,61
|
167,04
|
41,593
|
73,331
|
435,974
|
|
0-1
|
АС-120
|
2
|
0,249
|
0,439
|
2,61
|
75,56
|
9,532
|
16,805
|
399,643
|
|
1-4
|
АС-120
|
2
|
0,249
|
0,439
|
2,61
|
52,5
|
6,499
|
11,458
|
272,484
|
|
4-5
|
АС-120
|
1
|
0,249
|
0,439
|
2,61
|
53,94
|
23,68
|
13,431
|
140,783
|
Расчеты потерь напряжения на участках сети сведены в таблицы 1.25-1.26.
Таблица 1.25 -Потери напряжения - нормальный режим, Uн = 110 кВ
|
Участок
|
Р, МВт
|
Q, Мвар
|
Rл, Ом
|
Xл, Ом
|
ΔU, кВ
|
ΔU, %
|
|
0-2
|
26,679
|
11,365
|
20,358
|
43,43
|
9,425
|
8,6
|
|
2-3
|
2,321
|
0,989
|
40,925
|
42,874
|
1,249
|
1,1
|
|
0-3
|
15,321
|
6,527
|
70,157
|
73,498
|
14,132
|
12,8
|
|
0-1
|
72
|
30,672
|
5,972
|
15,657
|
8,724
|
7,5
|
|
1-4
|
55
|
23,43
|
5,09
|
10,858
|
4,857
|
4,4
|
|
4-5
|
31
|
13,206
|
10,518
|
22,439
|
5,658
|
5,1
|
Таблица 1.26 -Потери напряжения - нормальный режим, Uн = 150 кВ
|
УчастокР, МВтQ, МварRл,
ОмXл, ОмΔU, кВΔU, %
|
|
|
|
|
|
|
|
0-2
|
26,679
|
11,365
|
25,996
|
45,832
|
8,096
|
5,4
|
|
2-3
|
2,321
|
0,989
|
24,263
|
42,776
|
0,657
|
0,44
|
|
0-3
|
15,321
|
6,527
|
41,593
|
73,331
|
7,439
|
5
|
|
0-1
|
72
|
30,672
|
9,532
|
16,805
|
8,011
|
5,3
|
|
1-4
|
55
|
23,43
|
6,499
|
11,458
|
4,173
|
2,8
|
|
4-5
|
31
|
13,206
|
23,68
|
13,431
|
4,861
|
3,2
|
Расчет потерь напряжения на участках сети в послеаварийном режиме
сводятся в таблицы 1.27 - 1.28.
Таблица 1.27 - Потери напряжения - послеаварийный режим 110 кВ
|
|
|
|
|
|
|
0-2
|
26,679
|
11,365
|
20,358
|
43,43
|
9,425
|
8,6
|
|
2-3
|
2,321
|
0,989
|
40,925
|
42,874
|
1,249
|
1,1
|
|
0-3
|
15,321
|
6,527
|
70,157
|
73,498
|
14,132
|
12,8
|
|
0-1
|
72
|
30,672
|
5,972
|
15,657
|
8,724
|
15
|
|
1-4
|
55
|
23,43
|
5,09
|
10,858
|
4,857
|
8,8
|
|
4-5
|
31
|
13,206
|
10,518
|
22,439
|
5,658
|
5,1
|
Таблица 1.28 - Потери напряжения - послеаварийный режим 150 кВ
|
УчастокР, МВтQ, МварRл,
ОмXл, ОмΔU, кВΔU, %
|
|
|
|
|
|
|
|
0-2
|
26,679
|
11,365
|
25,996
|
45,832
|
8,096
|
5,4
|
|
2-3
|
2,321
|
0,989
|
24,263
|
42,776
|
0,657
|
0,44
|
|
0-3
|
15,321
|
6,527
|
41,593
|
73,331
|
7,439
|
5
|
|
0-1
|
72
|
30,672
|
9,532
|
16,805
|
8,011
|
10,7
|
|
1-4
|
55
|
23,43
|
6,499
|
11,458
|
4,173
|
5,6
|
|
4-5
|
31
|
13,206
|
23,68
|
13,431
|
4,861
|
3,2
|
Проверка сети по потере напряжения осуществляется для точек электрически
наиболее удаленных. Расчет для сети 110 кВ.
В кольцевом участке проверку по потере напряжения осуществляют до точки
потокораздела, в нашем случае это точка 2.
U032 =
U03 +U23 = 12,8%+1,1%= 13,9 %
Потеря напряжения до точки 2 (точка потокораздела) не превышает
допустимое значение.
Проверка по потере напряжения точки 5
U0145
= U01 +U14+U45=
7,5%+4,4%+5,1% = 17,1 %
Определяются потере напряжения на участках сети для двух аварийных
режимов а и б.
Для режима а определяем :
U032ав
= U03ав +U23ав.
U032ав
= 12,8%+1,1%= 13,9 %
Для режима б:
U023ав
= U02ав +U23ав
U023ав
= 8,6%+1,1%=9,7%
Проверка по потере напряжения точки 5 в послеаварийном режиме.
U0145
= U01 +U14+U45=
15%+8,8%+5,1% = 29 %
Сеть удовлетворяет условию проверки по потере напряжения в нормальном
режиме и не удовлетворяет проверки по потере напряжения в послеаварийном режиме
при напряжении 110 кВ.
Следовательно, из дальнейшего рассмотрения этот вариант следует исключить
Аналогично выполняется расчет для номинального напряжения 150 кВ.
В кольцевом участке проверку по потере напряжения осуществляют до точки
потокораздела, в нашем случае это точка 2.
U032 =
U03 +U23 = 5%+0,44%= 5,44 %
Потеря напряжения до точки 2 (точка потокораздела) не превышает
допустимое значение.
Проверка по потере напряжения точки 5
U0145
= U01 +U14+U45=
5,3%+2,8%+3,2% = 11,4 %
Определение потери напряжения на участках сети для двух аварийных режимов
а и б.
Для режима а):
U032ав
= U03ав +U23ав.
U032ав
= 5%+0,44%= 5,44 %
Для режима б):
U023ав
= U02ав +U23ав
U023ав
= 5,4%+0,44%=5,84%
Проверка по потере напряжения точки 5 в послеаварийном режиме.
U0145
= U01 +U14+U45=
10,7%+5,6%+3,2% = 19,5 %
Сеть удовлетворяет условию проверки по потери напряжения в нормальном и в
послеаварийном режимах при напряжении 150 кВ.
1.7 Выбор числа и мощностей силовых трансформаторов
Выбор числа трансформаторов на подстанциях для проектируемой сети
представлен в таблице 1.29.
Таблица 1.29 - Выбор числа трансформаторов на подстанциях
|
№ подстанции
|
1
|
2
|
3
|
4
|
5
|
|
Категория потребителей
|
1
|
1,2
|
1,2,3
|
1,3
|
3
|
|
Количество трансформаторов
|
2
|
2
|
2
|
2
|
1
|
Средняя квадратичная нагрузка по графику характерных «зимних» суток:
, (1.33)
Для графика нагрузки на рисунке 1.1:
Sск=
=0,636
Ориентировочная мощность трансформатора:
Sор = Sск *SМ/n; (1.34)
Для первой подстанции:
Sор1 =
0,636*18,476/2 = 5,879 МВА
За номинальную мощность трансформаторов принимается ближайшая большая
стандартная.
Sнт1=6,3
МВА
Расчеты по всем подстанциям приведены в таблице 1.30, 1.31.
Таблица 1.30 - Выбор мощности трансформаторов 110 кВ
|
№ п/с
|
Sм, МВА
|
n
|
Sор, МВА
|
Sнт,
МВА
|
Kнт*,
МВА
|
Тип трансформатора
|
Kнт ав*, МВА
|
|
1
|
18,476
|
2
|
5,879
|
6,3
|
0.682
|
ТМН-6300/110
|
0.541
|
|
2
|
31,523
|
2
|
10,031
|
10
|
0.634
|
ТДН-10000/110
|
0.508
|
|
3
|
14,132
|
2
|
4,497
|
6,3
|
0.892
|
ТМН-6300/110
|
0.446
|
|
4
|
26,089
|
2
|
8,301
|
10
|
0.767
|
ТДН-10000/110
|
0.383
|
|
5
|
33,694
|
1
|
21,443
|
25
|
0.742
|
ТРДН-25000/110
|
-
|
Таблица 1.31 - Выбор мощности трансформаторов 150 кВ
|
№ п/сSм, МВАnSор,
МВАSнт,
МВАKнт*, МВАТип
трансформатораKнт ав*, МВА
|
|
|
|
|
|
|
|
|
1
|
18,476
|
2
|
5,879
|
4
|
0,433
|
ТМН-4000/150
|
0.866
|
|
2
|
31,523
|
2
|
10,031
|
16
|
1.015
|
ТДН-16000/150
|
0.508
|
|
3
|
14,132
|
2
|
4,497
|
4
|
0.566
|
ТМН-4000/150
|
1.132
|
|
4
|
26,089
|
2
|
8,301
|
16
|
1.227
|
ТДН-16000/150
|
0.613
|
|
5
|
33,694
|
1
|
21,443
|
32
|
0,95
|
ТРДН-32000/150
|
-
|
1.8 Проверка трансформаторов на перегрузочную
способность по ГОСТ 14209-97
) Выбор мощности трансформаторов 110 кВ
а) Проверка трансформаторов на систематическую перегрузку.
Определяется коэффициент покрытия трансформаторами нагрузки подстанции:
, (1.35)
Расчет выполняется для первой подстанции (П/С 1)
Аналогичным образом рассчитывается коэффициент покрытия трансформаторами
нагрузки для других подстанций (таблица 1.30).
По пересечению графика нагрузок и линии Кнт* определяется предварительное
время перегрузки tп’ .
Определяется коэффициент начальной загрузки К1.
К1=
, (1.36)
Определяется предварительный коэффициент перегрузки по графику
.
=
, (1.37)
Для первой подстанции
К1(пс1)=
0,481;
(пс1)
1,466
Таблица 1.32 - Предварительный коэффициент перегрузки
|
№ п/с
|
, ч
|
К1
|
|
|
1
|
8
|
0.481
|
1,466
|
|
2
|
8
|
0,517
|
1,576
|
|
3
|
8
|
0,368
|
1,122
|
|
4
|
8
|
0,428
|
1,304
|
|
5
|
8
|
0,442
|
1,348
|
Определение для первой подстанции
(1.38)
Если
≥ 0,9∙Кмах, то принимается расчетный коэффициент
перегрузки К2 =
, а время перегрузки tп =
, иначе принимается К2 =0,9∙Кмах, а время перегрузки
корректируется по выражению
Проверка:
для первой подстанции - 1,466 > 0,9*1,466= 1,32
Условие выполняется. Принимается для подстанции 1 - К2 = 1,466 и tп = 8 ч.
для второй подстанции - 1,576 > 0,9*1,576= 1,419
Условие выполняется. Принимается для подстанции 2 - К2 = 1,576 и tп = 8 ч.
для третей подстанции - 1,122 > 0,9*1,122= 1,009
Условие выполняется. Принимается для подстанции 3 - К2 = 1,122 и tп = 8 ч.
для четвертой подстанции - 1,304 > 0,9*1,304= 1,174
Условие выполняется. Принимается для подстанции 4 - К2 = 1,304 и tп = 8 ч.
для пятой подстанции - 1,348 > 0,9*1,348= 1,213
Условие выполняется. Принимается для подстанции 5 - К2 = 1,348 и tп = 8 ч.
Из таблиц ГОСТа, /1/:
Для первой подстанции с учетом
где
- температура охлаждающей среды;
Д - система охлаждения трансформатора;
К1 - коэффициент начальной загрузки;
h -
время перегрузки.
Определяется К2доп. с помощью метода интерполяции.
Проверка осуществляется по выражению
) К2 ≤ К2доп.
К2 = 1,466 > К2доп = 1,388.
Условие не выполняется, следовательно, нужно увеличить мощность
трансформатора на одну ступень и повторить расчет.
Sнт1=10
МВА
Определяется коэффициент покрытия трансформаторами нагрузки подстанции:
Трансформатор не испытывает перегрузок.
б ) Проверка трансформаторов на аварийную перегрузку.
Определяется коэффициент покрытия трансформаторами нагрузки подстанции:
Аналогичным образом рассчитывается коэффициент покрытия трансформаторами
нагрузки для других подстанций (таблица 1.30).
По пересечению графика нагрузок и линии Кнт* определяется предварительное
время перегрузки tп’ .
Определяется
предварительный коэффициент перегрузки по графику
.
(пс1)
1,96
Таблица 1.32 - Предварительный коэффициент перегрузки
|
№ п/с
|
, ч
|
|
|
1
|
8
|
1,848
|
|
2
|
8
|
1,97
|
|
3
|
12
|
1.943
|
|
4
|
16
|
2,025
|
Определение для первой подстанции
Если
≥ 0,9∙Кмах ав, то принимается расчетный
коэффициент аварийной перегрузки К2 ав =
, а время перегрузки tп ав =
, иначе принимается К2ав =0,9∙Кмах
ав, а время перегрузки корректируется по выражению
Проверка:
для первой подстанции - 1,848 > 0,9*1,848= 1.663
Условие выполняется. Принимается для подстанции 1-К2ав = 1,848 и tпав=8 ч.
Аналогично проводится проверка для остальных подстанций
Из таблиц ГОСТа, /1/:
Для третьей подстанции без учёта
принимается
Проверка осуществляется по выражению
К2ав ≤ К2допав.
К2ав = 2,019 > К2допав = 1,5.
Необходимо проверить мощность отключения
Sдопав=1,5*6,3=9,45
МВА
Sотклав
= Sм - Sдопав
Sотклав
=14.132-9.45=4.682 МВА
Проверка
,
Условие не выполняется, следовательно, необходимо увеличить мощность
трансформатора на одну ступень и повторить расчет.
Sнт3=10
МВА

(пс1)
1,412
Проверка:
,412 > 0,9*1,413= 1.272
Условие выполняется. Принимается для подстанции 3-К2ав = 1,412 и tпав=8 ч.
Без учёта
принимаем
Проверка осуществляется по выражению
) К2ав ≤ К2допав.
К2ав = 1,412 < К2допав = 1,5.
Необходимо проверить мощность отключения
Sдопав=К2допав*
Sнт
Sдопав=1,583*10=15.83
МВА
Sм
=14.132 МВА
Допустимая мощность в аварийном режиме полностью покрывает необходимую
максимальную мощность.
Окончательно принимается трансформатор Sнт3=10 МВА.
Аналогичным образом проводим расчет по перегрузкам на 150 кВ.
После проверки номинальные данные трансформаторов сводим в таблицу 1.33 и
таблицу 1.34.
Таблица 1.33 - Трехфазные двухобмоточные трансформаторы класса 110 кВ
|
№
|
Тип трансформатора
|
Sнт, кВА
|
Номинальное напряжение
обмоток, кВ
|
ΔРхх, кВт
|
ΔРкз, кВт
|
Uк %
|
Iхх %
|
Пределы регулирования
напряжения, %
|
|
|
|
ВН
|
НН
|
|
|
|
|
|
|
1
|
ТДН-16000/110
|
16000
|
115
|
10,5
|
21
|
85
|
10,5
|
0,85
|
±9*1,78
|
|
2
|
ТРДН-25000/110
|
25000
|
115
|
10,5
|
29
|
120
|
10,5
|
0,8
|
±9*1,78
|
|
3
|
ТДН-10000/110
|
10000
|
115
|
10,5
|
14
|
60
|
10,5
|
0,9
|
±9*1,78
|
|
4
|
ТДН-16000/110
|
16000
|
115
|
10,5
|
21
|
85
|
10,5
|
0,85
|
±9*1,78
|
|
5
|
ТРДН-25000/110
|
25000
|
115
|
10,5
|
29
|
120
|
10,5
|
0,8
|
±9*1,78
|
Таблица 1.34 - Трехфазные двухобмоточные трансформаторы класса 150 кВ
|
№
|
Тип трансформара
|
Sнт, кВА
|
Номинальное напряжение
обмоток, кВ
|
ΔРхх, кВт
|
ΔРкз, кВт
|
Uк %
|
Iхх %
|
Пределы регулирования
напряжения, %
|
|
|
|
ВН
|
НН
|
|
|
|
|
|
|
1
|
ТДН-16000/150
|
16000
|
158
|
10,5
|
21
|
85
|
11
|
0,8
|
±8*1,5
|
|
2
|
ТРДН-32000/150
|
32000
|
158
|
10,5
|
35
|
145
|
10,5
|
0,7
|
±8*1,5
|
|
3
|
ТДН-16000/150
|
16000
|
158
|
10,5
|
21
|
85
|
11
|
0,8
|
±8*1,5
|
|
4
|
ТДН-16000/150
|
16000
|
158
|
10,5
|
21
|
85
|
11
|
0,8
|
±8*1,5
|
|
5
|
ТРДН-32000/150
|
32000
|
158
|
10,5
|
35
|
145
|
10,5
|
0,7
|
±8*1,5
|
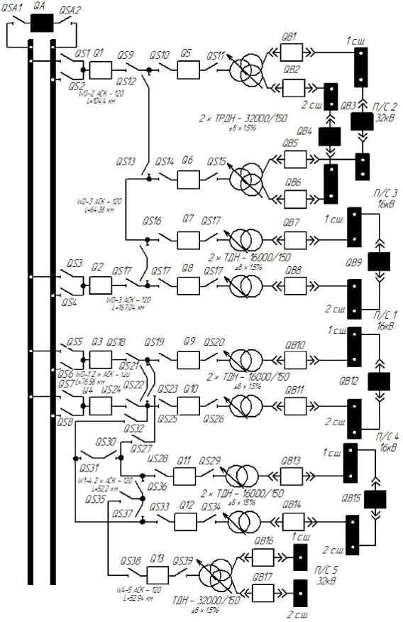
1.9 Формирование схем электрических соединений вариантов сети
На выбор рационального варианта построения сети существенное влияние
оказывают главные схемы электрических соединений понижающих подстанций
Главная схема электрических соединений определяет основные качества
электрической части станций и подстанций: надежность, экономичность,
ремонтопригодность, безопасность обслуживания, удобство эксплуатации, удобство
размещения электрооборудования, возможность дальнейшего расширения и т. д.
В связи с конструктивными недостатками схем на отделителях и
короткозамыкателях и отрицательным воздействием их работы при коротких
замыканиях на оборудование и потребителей смежных подстанций на вновь
сооружаемых подстанциях эти схемы применять не рекомендуется. Поэтому в данном
курсовом проекте формируются схемы на выключателях. Схемы электрических сетей
приведены в приложение А.
Надежность систем рассчитывается или устанавливается на стадах проектной
(конструкторской) разработки, заводских (полигонных) испытаний или при
повседневной эксплуатации на объектах. Расчет надежности рекомендуется
осуществлять в следующей последовательности: рассматривается принципиальная
схема системы, изучается ее функционирование и связь между отдельными
элементами системы; сложные системы разбиваются на подсистемы, которые, в свою
очередь, делятся на группы (агрегаты), узлы (блоки); дается формулировка
отказа; составляется структурная схема для расчета; составляется таблица
расчета надежности; на основании данных таблицы вычисляются количественные
характеристики блоков, подсистем и системы в целом.
2 Технико-экономическое сравнение вариантов схем
электрической сети и выбор рационального варианта
Расчёт потерь
мощности в элементах сети
1) Расчет радиально-магистрального варианта сети
а)трансформатор 110 кВ
Переменные потери мощности в трансформаторах первой подстанции
=
(2.1)
Потери холостого хода в трансформаторах 1-ой подстанции
(2.2)
Расчеты по остальным подстанциям сводятся в таблицу 2.1.
Таблица 2.1 - Расчет потерь мощности в трансформаторах подстанци
|
№ п/с
|
Sм, МВА
|
Sнт, МВА
|
n
|
ΔPxx,
кВт
|
ΔPкз, кВт
|
ΔPт, кВт
|
ΔPxx
п, кВт
|
|
1
|
18.476
|
16
|
2
|
21
|
85
|
56.672
|
42
|
|
2
|
31.523
|
25
|
2
|
29
|
120
|
95.395
|
58
|
|
3
|
14.132
|
10
|
2
|
14
|
60
|
59.914
|
28
|
|
4
|
26.089
|
16
|
2
|
21
|
85
|
112.996
|
42
|
|
5
|
33.694
|
25
|
1
|
29
|
120
|
217.975
|
29
|
|
Итого
|
542.952
|
199
|
Расчет потерь мощности в ЛЭП
Расчет переменных потерь мощности в ЛЭП радиально-магистрального
варианта. Переменные потери в линии 0-1
(2.3)
Расчеты по остальным участкам сети сводятся таблицу 2.2.
Таблица 2.2 - расчет потерь в ЛЭП радиально-магистрального варианта
|
Участок
|
S, МВА
|
r, Ом
|
ΔPл, МВт
|
|
0-1
|
52.174
|
9,532
|
2.144
|
|
0-2
|
31,522
|
21,924
|
1.8
|
|
0-4
|
40.217
|
20,215
|
2.702
|
|
4-3
|
14.13
|
10,231
|
0.169
|
|
1-5
|
33,696
|
20,358
|
1.91
|
|
Итого
|
8.726
|
Таким образом, потери в ЛЭП составят
ΔPл = 8726 кВт
Суммарные потери мощности в режиме максимальных нагрузок составят
(2.4)
Расчет потерь электроэнергии
Время максимальных потерь
t =
(2.5)
t =
Суммарные переменные и условно-постоянные потери электроэнергии в
элементах сети радиально-магистрального варианта
(2.5)
(2.6)
Суммарные потери электроэнергии
(2.7)
Величину удельной стоимости потерь электроэнергии b принимаем согласно тарифа на
компенсацию потерь ОАО «Оренбургэнергосбыта» за март 2011 г.
b=1,524 руб/кВт
Стоимость потерь электроэнергии
ИΔW =b* ΔW (2.8)
ИΔW =1,524*
*10-3=6500 тыс. руб.
Капитальные вложения
Капиталовложения в электрическую сеть:
К= Кл+ Кпс + Кдоп (2.9)
где Кл- вложений на сооружение линий электропередачи,
Кпс - вложений на сооружение подстанций,
Кдоп - дополнительных капитальных вложений в топливно-энергетическую
базу.
Примем коэффициент приведения составляющих затрат принимаемых в ценах
1990 года в цены на момент проектирования равным 61,95 и коэффициент приведения
стоимости оборудования принимаемого в ценах 1990 года в цены на момент
проектирования равным 58,88 на основании письма Минрегиона России от 2.03.2011
г № 4511-КК/0,8.
Суммарные капиталовложения на сооружение ЛЭП сети
(2.10)
Расчет капиталовложений в ЛЭП произведен в таблице 2.3.
Таблица 2.3 - Капвложения в ЛЭП
|
Участок
|
Число цепей
|
Длина участка, км
|
Марка провода
|
Ко, тыс.руб/км на 2011 г
|
Кл, тыс. руб
|
|
0-1
|
2
|
76.56
|
АС-120
|
935.445
|
71617,7
|
|
0-2
|
2
|
104.4
|
АС-70
|
910.665
|
95073,4
|
|
0-4
|
2
|
128.76
|
АС-95
|
910.665
|
117257
|
|
4-3
|
2
|
48.72
|
АС-70
|
910.665
|
44367,6
|
|
1-5
|
1
|
104.4
|
АС-150
|
607.11
|
63382,3
|
|
Итого:
|
391698
|
Таким образом, капиталовложения в ЛЭП составляют:
Кл = 391698 тыс. руб.
Суммарные капиталовложения на сооружение подстанций проектируемой сети.
(2.11)
где Kтрi - расчетная стоимость трансформаторов устанавливаемых на i-ой подстанции,
КОРУ.ВНi, КЗРУ.ННi - соответственно укрупненный показатель стоимости открытого
распределительного устройства со стороны высшего и низшего напряжения i-ой подстанции,
Kв -
суммарная расчетная стоимость ячеек выключателей устанавливаемых на стороне ВН
подстанций и на отходящих линиях РЭС
Кпостi - постоянная часть затрат i-ой подстанции.
Определяем капиталовложения в трансформаторы.
Величины стоимости трансформаторов в зависимости от номинальной мощности
трансформатора для класса напряжения 110 кВ. Расчет преведен в таблице 2.4.
Таблица 2.4 - Расчет капиталовложений в трансформаторы (110 кВ)
|
Мощность трансформатора,
МВА
|
Стоимость одного
трансформатора, тыс. руб
|
Количество трансформаторов
|
Итого
|
|
10
|
70*58,88
|
2
|
8243,2
|
|
16
|
88*58,88
|
4
|
20725,8
|
|
25
|
100*58,88
|
3
|
17664
|
|
Всего:
|
46630
Ктр = 46633 тыс. руб.
Определяем капиталовложения в ОРУ ВН.
Суммарная стоимость ОРУ 110 кВ составит:
КОРУ ВН = (6.9+4*14.3)*61,95=3971 тыс. руб.
Постоянная часть затрат на подстанции с учетом коррекции цен.
Кпост = (4*250+1*200)*61,95 = 74340 тыс. руб.
Суммарные капиталовложения на сооружение подстанций проектируемой сети.
Кв=(6*50+9*50)*61.95=46462.5 тыс.руб.
Кпс = 46633+3971+46462.5 +74340=171406 тыс. руб.
Дополнительные капитальные вложения в топливно-энергетическую базу,
необходимые для покрытия потерь мощности и электроэнергии Кдоп.
Kдоб.=
g (крм* кр* ксн* Кст*
ΔРм + Ктт* bт *ΔW) (2.12)
гдеg - коэффициент,
учитывающий удаленность потребителя электроэнергии от источника питания;
крм - коэффициент, учитывающий несовпадение максимумов нагрузок
потребителей сети во времени;
кр - коэффициент, учитывающий необходимость резерва мощности на
электростанции;
ксн - коэффициент, учитывающий расходы мощности на собственные нужды
станции;
Кст - расчетная стоимость 1кВт мощности установленной на электростанции;
ΔРм- потери мощности в ЛЭП и
трансформаторах сети в режиме наибольших нагрузок;
Ктт - удельные капвложения в топливную базу, учитывающие затраты на
добычу и транспортировку топлива;
bт -
расход условного топлива на выработку 1 кВт ч электроэнергии;
ΔW - потери электроэнергии в элементах электрической сети за
год.
Kдоб.=1,1*(1*1,1*1,04*60*10-3*6,03*10210+300*10-6*28*61,75*10-3*7651663)*
*61,95=417812.4 руб.
Полные капиталовложения в сеть составят
К= 391698+171406+417812.4= 980917.1тыс. руб.
Эксплуатационные расходы
Эксплуатационные расходы (издержки)
И = Ил + Ипс + ИΔW , (2.13)
Приведенные затраты
(2.14)
где рн - нормативный коэффициент экономической эффективности капитальных
вложений 1/год, принимаемый для электроэнергетики равным 0,12, /4/.
З1 = 0,12*980917.1+33580.12 = 151290.2тыс. руб.
б) трансформатор 150 кВ
Переменные потери мощности в трансформаторах первой подстанции
Потери холостого хода в трансформаторах 1-ой подстанции
Расчеты по остальным подстанциям сводятся в таблицу 2.5.
Таблица 2.5 - Расчет потерь мощности в трансформаторах подстанции
|
№ п/с
|
Sм, МВА
|
Sнт, МВА
|
n
|
ΔPxx,
кВт
|
ΔPкз, кВт
|
ΔPт, кВт
|
ΔPxx
п, кВт
|
|
1
|
18.476
|
16
|
2
|
21
|
85
|
56.672
|
42
|
|
2
|
31.523
|
32
|
2
|
35
|
145
|
70.355
|
70
|
|
3
|
14.132
|
16
|
2
|
21
|
85
|
33.156
|
42
|
|
4
|
26.089
|
16
|
2
|
21
|
85
|
112.996
|
42
|
|
5
|
33.694
|
32
|
1
|
35
|
145
|
160.758
|
35
|
|
Итого
|
433.936
|
231
|
Расчет потерь мощности в ЛЭП
Расчет переменных потерь мощности в ЛЭП радиально-магистрального варианта
Переменные потери в линии 0-1
Расчеты по остальным участкам сети сводятся в таблицу 2.6.
Таблица 2.6 - Расчет потерь в ЛЭП радиально-магистрального варианта
|
Участок
|
S, МВА
|
r, Ом
|
ΔPл, МВт
|
|
0-1
|
52.174
|
9,532
|
1,153
|
|
0-2
|
31,522
|
12,998
|
0,574
|
|
0-4
|
40.217
|
16,031
|
1,152
|
|
4-3
|
14.13
|
6,066
|
0,054
|
|
1-5
|
33,696
|
25,996
|
1,312
|
|
Итого
|
4,245
|
Таким образом, потери в ЛЭП составят
ΔPл = 4245 кВт
Суммарные потери мощности в режиме максимальных нагрузок составят
Расчет потерь электроэнергии
Время максимальных потерь
t =
Суммарные переменные и условно-постоянные потери электроэнергии в
элементах сети радиально-магистрального варианта
Суммарные потери электроэнергии
Стоимость потерь электроэнергии
ИΔW =1,524* *10-3=6137 тыс. руб.
Капитальные вложения
Капиталовложения в электрическую сеть определяется по формуле 2.9.
Суммарные капиталовложения на сооружение ЛЭП сети по формуле 2.10.
Расчет капиталовложений в ЛЭП производен в таблице 2.7.
Таблица 2.7 - Капвложения в ЛЭП
|
Участок
|
Число цепей
|
Длина участка, км
|
Марка провода
|
Ко, тыс.руб/км на 2011 г
|
Кл, тыс. руб
|
|
0-1
|
2
|
76.56
|
АС-120
|
1096.6
|
83949.2
|
|
0-2
|
2
|
104.4
|
АС-120
|
1096.6
|
114476
|
|
0-4
|
2
|
128.76
|
АС-120
|
1096.6
|
141187
|
|
4-3
|
2
|
48.72
|
АС-120
|
1096.6
|
53422.2
|
|
1-5
|
1
|
104.4
|
АС-120
|
681.45
|
71143.4
|
|
Итого:
|
464178
|
Таким образом, капиталовложения в ЛЭП составляют
Кл = 464178 тыс. руб.
Суммарные капиталовложения на сооружение подстанций проектируемой сети
Определяются капиталовложения в трансформаторы.
Величины стоимости трансформаторов в зависимости от номинальной мощности
трансформатора для класса напряжения 110 кВ. Расчет сводится в таблицу 2.8.
Таблица 2.8 - Расчет капиталовложений в трансформаторы (110 кВ)
|
Мощность трансформатора,
МВА
|
Стоимость одного
трансформатора, тыс.руб
|
Количество трансформаторов
|
Итого
|
|
16
|
88*58,88
|
6
|
31088,6
|
|
32
|
100*58,88
|
3
|
17664
|
|
Всего:
|
48750
|
Таким образом, капиталовложения в трансформаторы составят:
Ктр = 48750 тыс. руб.
Определяем капиталовложения в ОРУ ВН.
Суммарная стоимость ОРУ 110 кВ составит:
КОРУ ВН = (12.4+4*29.4)*61,95=8053.5 тыс. руб.
Постоянная часть затрат на подстанции с учетом коррекции цен
Кпост = (4*250+1*200)*61,95 = 74340 тыс. руб.
Суммарные капиталовложения на сооружение подстанций проектируемой сети.
Кв =(6*80+9*80)*61.95=64428 тыс.руб.
Суммарные капиталовложения на сооружение подстанций проектируемой сети
Кпс = 48750 + 8053.5 + 64428 + 74340 =195574 тыс. руб.
Дополнительные капитальные вложения в топливно-энергетическую базу,
необходимые для покрытия потерь мощности и электроэнергии Кдоп.
Kдоб.=1,1*(1*1,1*1,04*60*10-3*6,03*4572+300*10-6*28*61,75*10-
3* )*
*61,95=280827.2 тыс. руб.
Полные капиталовложения в сеть составят
К= 464178+195574+280827.2= 940579.6 тыс.руб.
Эксплуатационные расходы (издержки)
Приведенные затраты
З2 = 0,12*940579.6+ 37517.77 = 150387.3 тыс. руб.
Аналогичным образом рассчитывается смешанный вариант сети на 150 кВ.
2.1 Выбор рационального варианта сети
Приведенные затраты для радиально-магистрального варианта составляют
З1 = 151290.2тыс. руб.
З2 = 150387.3 тыс. руб.
Приведенные затраты для смешанного варианта составляют
З3 =186650 тыс. руб.
Разница в приведенных затратах
Что относительно варианта с наименьшими затратами в процентах составляет
К дальнейшему проектированию принимается вариант, обладающий минимальными
приведенными затратами. Разница между приведенными затратами по вариантам
(радиальная сеть 110 и радиальная сеть 150) составляет 0.6%, эти варианты
считаются равноэкономичными. В этом случае выбор рационального варианта сети
осуществляется по техническим характеристикам, таким как: возможность
дальнейшего развития с учетом фактора роста нагрузок; удобства эксплуатации;
потери электроэнергии и другие факторы. Если при этом сравниваемые варианты
имеют различное номинальное напряжение, то предпочтение следует отдать варианту
с большим напряжением.
Таким образом, для дальнейшего проектирования следует принять радиальный
вариант сети на 150 кВ.
3 Электрический расчёт выбранного варианта в режиме
максимальных нагрузок
3.1 Формирование схемы замещения сети и определение ее
параметров
Электрический расчёт сетей осуществляется на основе математических
моделей сетей - схем замещения.
Схема замещения смешанного варианта приведена в приложение В.
3.2 Расчёт зарядных мощностей ЛЭП в нормальном режиме
максимальных нагрузок
Зарядные мощности линий (участка i-j) в нормальном
режиме
DQСij=UН2*bij,
(3.1)
где bij - емкостная проводимость участка
сети, найденная в пп. 1.6.1.5.
Расчеты зарядных мощностей в нормальном режиме для смешанного варианта
сети сведены в таблицу 3.1.
Таблица 3.1 - Расчеты зарядных мощностей
|
Участок
|
Число цепей
|
bij, мкСм
|
Норм. режим
|
Послеав. режим
|
|
|
|
DQc ij, Мвар
|
DQc ij, Мвар
|
|
1
|
2
|
3
|
4
|
5
|
|
0-2
|
2
|
544.968
|
12.262
|
6,131
|
|
0-4
|
2
|
672.127
|
15.123
|
7.561
|
|
4-3
|
2
|
254.318
|
5.722
|
2.861
|
|
0-1
|
2
|
399.643
|
8.992
|
4.496
|
|
1-5
|
1
|
272,484
|
6,131
|
6,131
|
|
Итого:
|
48.23
|
|
Таким образом, суммарная зарядная мощность ЛЭП составляет =48.23 Мвар
.3 Выбор режима нейтрали сети
Сети с напряжением 110 кВ и выше относятся к сетям с большими токами
замыкания на землю и в соответствии с ПУЭ эксплуатируются в режиме с
глухозаземленной нейтралью. Сети 110-150 кВ могут эксплуатироваться в режиме
эффективно заземленной нейтрали, когда в электрически связанной сети часть
нейтралей обмоток силовых трансформаторов подключенных к этой сети разземляется
по условию снижения токов однофазного короткого замыкания на землю.
3.4 Определение расчетных нагрузок в режимах:
максимальных нагрузок, минимальных нагрузок и послеаварийном режиме
Расчетная нагрузка i-подстанции
будет определяться следующим образом:
рi = Pрi + jQрi; (3.2)
Ррi=Рi +ΔPпi+ ΔPхх пi; (3.3)
Qрi= Qi+DQпi +DQхх пi -DQci,
(3.4)
где P i - активная нагрузка i-ой подстанции;
ΔPпi,
ΔPхх пi - активные потери в меди и стали трансформаторов i- ой подстанции,;
DQпi - потери реактивной мощности в меди
трансформаторов i-ой подстанции;
Потери реактивной мощности в меди трансформаторов 1-ой подстанции;
DQп1 = , (3.5)
DQп1 =
Потери в стали (холостого хода) в трансформаторах первой подстанции
, (3.6)
Половина суммы зарядных мощностей линий соединенных с первой подстанцией
DQc1= (3.7)
DQc1=
Рр1=17 +0,056672 + 0,042=17.099 МВт;р1= 7.236 +1.173 +0,256 -7.561=1.104
Мвар
Расчетные нагрузки для остальных узлов определяем аналогично. Результаты
расчетов приведены в таблице 3.2.
Таблица 3.2- Расчетные нагрузки (нормальный режим максимальных нагрузок)
|
№ п/с
|
Рi , МВт
|
Qi, Мвар
|
DQci, Мвар
|
DPхх пi, МВт
|
DPпi, МВт
|
DQххпi, Мвар
|
DQпi, Мвар
|
Ppi, МВт
|
Qpi, Мвар
|
Spi, МВА
|
|
1
|
2
|
3
|
4
|
5
|
6
|
7
|
8
|
9
|
10
|
11
|
|
1
|
17
|
7,236
|
7,561
|
0,042
|
0,056672
|
0,256
|
1,173
|
17,099
|
1.104
|
17.134
|
|
2
|
29
|
12,356
|
6.131
|
0,070
|
0,070355
|
0,448
|
1,63
|
29,14
|
8.303
|
30.3
|
13
|
5,541
|
2.861
|
0,042
|
0,033156
|
0,256
|
0,687
|
13,075
|
3.622
|
13.568
|
|
4
|
24
|
10,229
|
10.423
|
0,042
|
0.112996
|
0,256
|
2,34
|
24.155
|
2.402
|
24.274
|
|
5
|
31
|
13,201
|
3.065
|
0,035
|
0,160758
|
0,244
|
3,725
|
31,196
|
14.085
|
34.228
|
|
Итого
|
|
|
|
0,231
|
0.434
|
1,44
|
9,555
|
|
|
|
|
Всего
|
|
|
|
0.665
|
10,995
|
|
|
|
В режиме минимальных нагрузок значения Рi Qi определяются в соответствии
с суточными графиками нагрузок. Так для рассматриваемого примера значение
мощности минимальной ступени в относительных единицах (рисунок 1.1) составляет
0,1. Поэтому в этом режиме
Р1 = 17*0,1=1,7 МВт,= 7,236*0,1 = 0,7236 Мвар,
Расчеты по определению расчетных нагрузок в режиме минимальных нагрузок сведены
в таблицу 3.3.
Таблица 3.3 - Расчетные нагрузки (нормальный режим минимальных нагрузок)
|
№ п/с
|
Рi , Мвт
|
Qi, Мвар
|
DQci, квар
|
DPхх пi, кВт
|
DPпi, кВт
|
DQххпi, квар
|
DQпi, квар
|
Ppi, Мвт
|
Qpi, Мвар
|
Spi, МВА
|
|
1
|
2
|
3
|
4
|
5
|
6
|
7
|
8
|
9
|
10
|
11
|
|
1
|
1,7
|
0,724
|
7,561
|
0,042
|
0,567
|
0,256
|
0,012
|
2,309
|
-6.57
|
6.964
|
|
2
|
2,9
|
0,236
|
6.131
|
0,070
|
0,704
|
0,448
|
0,016
|
3,674
|
-4.431
|
5.756
|
|
3
|
1,3
|
0,554
|
2.861
|
0,042
|
0,332
|
0,256
|
0,0069
|
1,674
|
-2.044
|
2.641
|
|
4
|
2,4
|
1,023
|
10.423
|
0,042
|
1.13
|
0,256
|
0,023
|
3,572
|
-9.12
|
9.795
|
|
5
|
3,1
|
1,32
|
3.065
|
0,035
|
1.608
|
0,244
|
0,037
|
4,743
|
-1.484
|
4.969
|
Расчеты по определению расчетных нагрузок в послеаварийном режиме сведены
в таблицу 3.4.
Таблица 3.4 - Расчетные нагрузки (послеаварийный режим)
|
№ п/с
|
Рi , Мвт
|
Qi, Мвар
|
DQci, квар
|
DPхх пi, кВт
|
DPпi, кВт
|
DQххпi, квар
|
DQпi, квар
|
Ppi, Мвт
|
Qpi, Мвар
|
Spi, МВА
|
|
1
|
2
|
3
|
4
|
5
|
6
|
7
|
8
|
9
|
10
|
11
|
|
1
|
17
|
7,236
|
3,781
|
0,042
|
0,13961
|
0,256
|
1,173
|
17,182
|
4.855
|
17.862
|
|
2
|
29
|
12,356
|
0
|
0,070
|
0,000381
|
0,448
|
1,63
|
29,07
|
14,434
|
32,457
|
|
3
|
13
|
5,541
|
0
|
0,042
|
0,04604
|
0,256
|
0,687
|
13,088
|
6,484
|
14,606
|
|
4
|
24
|
10,229
|
3,117
|
0,042
|
1,017
|
0,256
|
2,34
|
25,059
|
9.708
|
26.874
|
|
5
|
31
|
13,201
|
1,584
|
0,035
|
0,506085
|
0,244
|
3,725
|
31,541
|
15.566
|
35.173
|
Расчетная схема сети для рассматриваемого примера приведена на рисунке
3.1.
Рисунок 3.1 -
Расчетная схема сети
3.5 Расчет режимов сети
.5.1 Электрический расчет радиального участка сети
Рисунок 3.2 -Радиальный участок сети
1) Режим максимальных нагрузок
Расчет режимов радиальных и магистральных участков сети производиться
методом последовательных приближений в два этапа.
На первом этапе определяются мощности в конце и в начале каждого участка
путем последовательного перехода от участка к участку в направлении от конца
сети к ее началу с учетом потерь мощности, которые вычисляются из условия, что
напряжения во всех узлах равны номинальному напряжению сети.
1-й этап
Принимается U2 =Uн = 150 кВ
Мощность в конце участка 0-2
Потери мощности на участке 0-2
Мощность в начале участка 0-2
На втором этапе расчета по найденным потокам мощности в начале каждой
ветви определяются потери напряжения в этих ветвях и напряжения в конце каждой
ветви при последовательном переходе от узла к узлу в направлении от питающего
пункта до конце участка сети.
2-ой этап
Определение напряжения в узле 2
По заданию U0=1.1*Uн = 1,1*150=165 кВ
,
Уточнение потери мощности
Потери мощности на участке 0-2
Мощность в начале участка 0-2
3.5.2 Электрический расчет магистрального участка сети
Рисунок 3.3 - Магистральный участок сети
1) Режим максимальных нагрузок
1-й этап
Принимается U3 = U4 =Uн = 150 кВ
Мощность в конце участка 4-3
Потери мощности на участке 4-3
Мощность в начале участка 4-3
Мощность в конце участка 0-4
Потери мощности на участке 0-4
Мощность в начале участка 0-4
2-ой этап
Определение напряжения в узле 4
По заданию U0=1.1*Uн = 1,1*150=165 кВ
,
Определение напряжения в узле 3
Уточнение потери мощности
Потери мощности на участке 4-3
Мощность в начале участка 4-3
Мощность в конце участка 0-4
Потери мощности на участке 0-4
Мощность в начале участка 0-4
Аналогичным образом введется расчет для режима минимальных и
послеаварийных нагрузок.
Для разомкнутых сетей в качестве послеаварийных режимов рассматриваются
режимы отключения одной цепи всех двухцепных участков. Поэтому в расчете
послеаварийного режима следует учитывать увеличение активных и реактивных
сопротивлений схем замещения всех двухцепных ЛЭП вдвое.
Результаты расчетов сводятся в таблицы 3.5 и 3.6.
Таблица 3.5 - Расчетные величины напряжений на стороне ВН подстанций
|
№ п/с
|
Uвн, кВ в режимах:
|
|
Макс. нагрузок
|
Мин. нагрузок
|
ПАР
|
|
1
|
160.063
|
157.914
|
154.077
|
|
2
|
161.38
|
157.835
|
156.519
|
|
3
|
159.065
|
158.997
|
149.774
|
|
4
|
159.925
|
158.923
|
151.568
|
|
5
|
150.06
|
157.544
|
143.685
|
Таблица 3.6 - Расчетные потери мощности в ЛЭП
|
Участок
|
ΔP,
МВт
|
ΔQ,
Мвар
|
|
Макс
|
Мин
|
ПАР
|
Макс
|
Мин
|
ПАР
|
|
0-2
|
0.458
|
0.017
|
1.038
|
0.808
|
0.03
|
1.83
|
|
0-4
|
0.894
|
0.097
|
2.176
|
1.576
|
0.17
|
3.836
|
|
4-3
|
0.044
|
0.001675
|
0.106
|
0.078
|
0.002952
|
0.187
|
|
0-1
|
1.032
|
0.044
|
6.259
|
1.819
|
0.077
|
11.035
|
|
1-5
|
1.352
|
0.026
|
-
|
2.385
|
0.046
|
-
|
3.78
|
0.186
|
9.579
|
6.666
|
0.326
|
16.888
|
Таким образом, суммарные потери активной и реактивной мощности в сети в
режиме максимальных нагрузок составляют: ΔP=3.78 МВт; ΔQ=6.666 Мвар.
3.6 Определение напряжения на стороне низшего
напряжения подстанций и выбор регулировочных ответвлений трансформаторов
Активное и индуктивное сопротивления продольной ветви схемы замещения
первой подстанции:
, (3.8)
(3.9)
Мощность в начале продольной ветви схемы замещения первой подстанции.
, (3.10)
, (3.11)
Значения и определены в примере 3.3, таблица 3.2.
Продольная составляющая падения напряжения в продольной ветви схемы
замещения первой подстанции
(3.12)
Напряжение на шинах низшего напряжения первой подстанции, приведенное к
стороне ВН
(3.13)
3.7 Выбор регулировочных ответвлений трансформаторов
В качестве желаемых напряжений на стороне НН подстанций принимается:
1,05 Uн =10,5 кВ - для режима максимальных
нагрузок
Uж нн
= Uн =10 кВ для режима минимальных
нагрузок
,05 Uн - для послеаварийного режима, с
допустимостью снижения
напряжения до уровня 0,95 Uн
Для расчета послеаварийного режима принимается снижения напряжения до
уровня 0,95 Uн.
Желаемое регулировочное ответвление трансформатора на первой подстанции в
режиме максимальных нагрузок.
, (3.14)
Величину ступени регулирования для трансформаторов класса 150 кВ
принимаем: =1,5.
Принимаем в качестве действительного регулировочного ответвления
трансформаторов на первой подстанции в режиме максимальных нагрузок ближайшее
меньшее целое число со знаком по отношении к .
=-2
Для трансформаторов класса 150 кВ значение действительного ответвления
должно лежать в диапазоне
,
Условие 3.38 выполняется.
Действительное напряжение на стороне НН первой подстанции в режиме
максимальных нагрузок
(3.15)
Аналогично выполняем расчеты для всех подстанций в режиме максимальных и
минимальных нагрузок и послеаварийном режиме. Результаты расчетов сводим в
таблицы 3.7, 3.8 и 3.9.
Таблица 3.7 - Выбор регулировочных ответвлений для режима максимальных
нагрузок
|
№ п/с
|
U, кВ
|
Rт, Ом
|
Хт, Ом
|
Рт, Мвт
|
Qт, Мвар
|
ΔUт,
кВ
|
кВ
|
mж,
|
mд,
|
Uднн, кВ
|
|
1
|
160.063
|
4,144
|
85,814
|
17,057
|
8,409
|
4.95
|
155.113
|
-1.218
|
-2
|
10,627
|
|
2
|
161.38
|
1,767
|
40,957
|
29.07
|
13,986
|
3.868
|
157.512
|
-0.206
|
-1
|
10,627
|
|
3
|
159.065
|
4,144
|
85.814
|
13,033
|
6,228
|
3.699
|
155.366
|
-1.111
|
-2
|
10.644
|
|
4
|
159.925
|
4,144
|
85,814
|
24.113
|
12,569
|
7.369
|
152.556
|
-2.297
|
-3
|
10,616
|
|
5
|
150.06
|
3,535
|
81,913
|
31,161
|
16,926
|
9.974
|
140.086
|
-7.558
|
-8
|
10,579
|
Таблица 3.8 - Выбор регулировочных ответвлений для режима минимальных
нагрузок
|
№ п/с
|
U, кВ
|
Rт, Ом
|
Хт, Ом
|
Рт, Мвт
|
Qт, Мвар
|
ΔUт,
кВ
|
кВ
|
mж,
|
mд,
|
Uднн, кВ
|
|
1
|
157.914
|
2.196
|
45.461
|
2,267
|
0,736
|
0,243
|
157.671
|
3.187
|
3
|
10.027
|
|
2
|
157.835
|
0.936
|
21.697
|
3,604
|
0,252
|
0,056
|
157.779
|
3.235
|
3
|
10.034
|
|
3
|
158.997
|
2.196
|
45.461
|
1,632
|
0,561
|
0,183
|
158.814
|
3.694
|
3
|
10.1
|
|
4
|
158.923
|
2.196
|
45.461
|
3,53
|
1,046
|
0,348
|
158.575
|
3.588
|
3
|
10.084
|
|
5
|
157.544
|
1.873
|
43.395
|
4,708
|
1,357
|
0,43
|
157.114
|
2.941
|
2
|
10.137
|
электрический сеть нагрузка баланс мощность
Таблица 3.9 - Выбор регулировочных ответвлений для послеаварийного режима
|
№ п/с
|
U, кВ
|
Rт, Ом
|
Хт, Ом
|
Рт, Мвт
|
Qт, Мвар
|
ΔUт,
кВ
|
кВ
|
mж,
|
mд,
|
Uднн, кВ
|
|
1
|
154.077
|
8,288
|
171,628
|
17.057
|
8,409
|
10.284
|
143.793
|
-2.801
|
-3
|
10.006
|
|
2
|
156.519
|
3,534
|
81,914
|
29.07
|
13,986
|
7.976
|
148.543
|
-0.692
|
-1
|
10,022
|
|
3
|
149.774
|
8.288
|
171.628
|
13,033
|
6,228
|
7.858
|
141.916
|
-3.635
|
-4
|
10,033
|
|
4
|
151.568
|
8,288
|
171,628
|
24.113
|
12,569
|
15.551
|
136.017
|
-6.255
|
-7
|
10.1
|
4 Проверочный расчет баланса активной и реактивной
мощности в сети
Баланс составляем для расчета максимальных нагрузок.
Баланс активной мощности.
Рг=Рпотр=åРнагр+Рсн+DРсети,
DРсети= ΔPΣл + ΔPΣт
где ΔPΣл =3.78 -суммарные потери в линиях;
ΔPΣт=0.665 МВт - суммарные потери в
трансформаторах.
DРсети=3.78+0.665=4.445 МВт
Рг=Рпотр=114+5,7+4.445 =124.145 МВт
Баланс реактивных нагрузок.
Qг= Qпотр= åQнагр+Qсн+Qр+DQсети-Qку
DQсети=
ΔQΣл + ΔQΣт-Qc
где ΔQΣл =6.666 Мвар -суммарные потери в линиях.
ΔQΣт=10,995 Мвар - суммарные потери в
трансформаторах;
DQc = 48.23 Мвар - суммарная зарядная мощность ЛЭП.
DQсети=6.666+10,995-48.23=
-30.569 Мвар
Qпотр
=101,98+6,152+15,314-30.569-53,456=39.421 Мвар
Располагаемая реактивная мощность генераторов энергосистемы
Qг=Рг*tgсист≈124.145*0,426≈
52.886 Мвар;
Реактивная мощность небаланса
Qнеб≈
Qпотр - Qг ≈39.421-52.886 ≈
-13.465 Мвар.
Таким образом, предварительно выбранное значение суммарной реактивной
мощности компенсирующих устройств оказалось больше чем требуется, на величину
13.465 Мвар. Можно уменьшить мощность компенсирующих устройств или повысить
коэффициент мощности энергосистемы до величины
Заключение
В ходе выполнения курсового проекта были разработаны 4 варианта схем
электрических сетей. Рассчитаны приближенные потокораспределения и выбраны
номинальные напряжения линий сети. По экономической плотности тока рассчитаны
сечения и марки проводов для этих сетей, подобраны трансформаторы для узлов
подстанций. При выборе наилучшего варианта сети необходимо учитывать не только
стоимости линий, но и стоимость оборудований подстанций, для этого были
сформированы однолинейные схемы подстанций. В результате технико-экономического
расчета приведенные затраты у варианта № 4 оказались меньше поэтому в
дальнейшем рассматривается только этот вариант сети.
Для выбранной схемы рассчитываются наиболее характерные режимы работы:
наибольших и наименьших нагрузок, а также послеаварийные режимы. Затем
оценивается достаточность регулировочного диапазона выбранных трансформаторов
для обеспечения встречного регулирования напряжения и проверяется токонесущая
способность проводов воздушных линий.
В конце проекта приводятся технические и экономические показатели
электрической сети, по которым специалисты могут судить о степени правильности
принятия инженерных решений при проектировании объекта.
Список использованных
источников
1 Нелюбов
В.М.. Электрические сети и системы: Учебное пособие по курсовому
проектированию.- Оренбург: ИПК ГОУ ОГУ, 2007.- 144 с.
Неклепаев,
Б.Н., Крючков Н.П. Электрическая часть электростанций и подстанций: Справочные
материалы-4-е издание / Б.Н. Неклепаев, Н.П. Крючков. -4-е издание. - М.:
Энергоатомиздат, 1989.-608с.
Правила
устройства электроустановок. 6-е ,7-е изд. Новосибирск: Сиб. унив. изд-во,
2007.-853 с.
Идельчик,
В.И. Электрические системы и сети: Учебник для вузов.-М.: Энергоатомиздат,
1989.-522с.
Справочник по
проектированию электрических сетей и электрооборудования. / Под ред. Ю.Г.
Барыбина и др.-М.: Энергоатомиздат, 1991.-464с.
Ополева, Г.Н.
Схемы и подстанции электроснабжения: Справочник: Учеб. пособие. - М.: ФОРУМ-ИНФРА-М,
2006. -480 с.
Нормы
технологического проектирования подстанций переменного тока с высшим
напряжением 35-750кВ. СО 153-34.20.122-2006. Открытое акционерное общество
«Федеральная сетевая компания единой энергетической системы» Стандарт
организации 2006.-60с.
СТП
02069024.101-2010. Общие требования и правила оформления выпускных
квалификационных работ, курсовых проектов (работ), отчетов по РГР, по УИРС, по
производственной практике и рефератов. - Взамен СТП 2069022.101-88, СТП
2069022.102-93, СТП 2069022.103-92, СТП 2069022.105-95, СТП 2069022.108-93;
Введен 25.12.2000г. - Оренбург: ОГУ, 2000. - 62 с.
Приложение А
(справочное)
Схемы электрических соединений вариантов сети
Рисунок А.1 - Радиально-магистральный вариант схемы (110 кВ; 150 кВ)
Рисунок А.2 - Смешанный вариант схемы (150 кВ)
Приложение В
(справочное)
Схемы замещения сети
Рисунок В.1 - Схема замещения сети
Похожие работы на - Проектирование сети 110-150 кВ для передачи и распределения электроэнергии
|