Трансформатор напряжения однофазный масляный (серии НОМ)

  • Вид работы:
    Контрольная работа
  • Предмет:
    Физика
  • Язык:
    Русский
    ,
    Формат файла:
    MS Word
    1,08 Мб
  • Опубликовано:
    2014-01-17
Вы можете узнать стоимость помощи в написании студенческой работы.
Помощь в написании работы, которую точно примут!

Трансформатор напряжения однофазный масляный (серии НОМ)

Некоммерческое акционерное общество

«АЛМАТИНСКИЙ УНИВЕРСИТЕТ ЭНЕРГЕТИКИ И СВЯЗИ»

Кафедра "Электрических станций, сетей и систем"









РАСЧЕТНО-ГРАФИЧЕСКАЯ РАБОТА

на тему: Трансформатор напряжения однофазный масляный (серии НОМ)


Выполнил:

Муқат Е.

Специальность:

B071800 Электроэнергетика

Группа Э-12-9

Руководитель: ст.пр.

Тергеусизова М.А.


Алматы 2014

Содержание

Введение

. Общие сведения о трансформаторах напряжения

.1 Назначение ТН

.2 Классификация ТН

.3 Маркировка обмоток ТН

.4 Характеристики трансформаторов напряжения

. Общие сведения о трансформаторах напряжения серии НОМ

.1 Структура условного обозначения

.2 Условия эксплуатации трансформатора напряжения НОМ

.3 Технические характеристики измерительных трансформаторов НОМ-6, НОМ-10, НОМ-15, НОМ-35

.4 Общие виды, габаритные и присоединительные размеры трансформаторов

Заключение

Список литературы

Введение

Трансформатор напряжения - одна из разновидностей трансформатора, служащая не для преобразования напряжения основного потока передаваемой мощности, а для гальванической развязки цепей высокого (6 кВ и выше) от низкого (обычно 100 В) напряжения вторичных обмоток.

Трансформатор напряжения предназначен для понижения высокого напряжения до стандартного значения 100 или 100/Ö3 В и для отделения цепей измерения и релейной защиты от первичных цепей высокого напряжения.

Трансформаторы напряжения однофазные масляные. Предназначены для выработки сигнала измерительной информации для электрических и измерительных приборов, о цепях защиты и сигнализации в сетях с компенсированной и заземленной нейтралью. Класс точности 0, 5; 1, 0.

Контроль за режимом работы основного и вспомогательного оборудования на электростанциях и подстанциях осуществляется с помощью контрольно-измерительных приборов.

В зависимости от характера объекта и структуры его управления объем контроля и место установки контрольно-измерительной аппаратуры могут быть различными. Приборы могут устанавливаться на главном щите управления (ГЩУ), блочном щите управления (БЩУ) и центральном щите (ЦЩУ) на электростанциях с блоками генератор - трансформатор и на местных щитах.

При высоких напряжениях трудно проводить измерения, поскольку высоковольтные приборы дороги и обычно громоздки; их точность подвержена воздействию статического электричества, к тому же они небезопасны. Когда ток превышает 60 А, нелегко обеспечить высокую точность амперметров из-за больших проводов и значительных ошибок, обусловленных паразитным полем концевых выводов. Кроме того, амперметры и катушки тока в высоковольтных цепях опасны для оператора. В измерительных трансформаторах тока и напряжения используются катушки напряжения на 100 В и катушки тока на 5 А.

В данном случае используют измерительные трансформаторы.

1. Общие сведения о трансформаторах напряжения

.1 Назначение ТН

Трансформаторы напряжения (ТН) предназначены для измерения напряжения, питания цепей автоматики, сигнализации и релейной защиты линий электропередачи. Для первых трех случаев могут применяться двухобмоточные ТН.

.2 Классификация ТН

трансформатор напряжение однофазный масляный

ТН различаются:

·        по числу фаз: однофазные и трехфазные;

·        по числу обмоток: двухобмоточные и трехобмоточные;

·        по классу точности, т.е. по допускаемым значениям погрешности;

·        по способу охлаждения: с масляным охлаждением (масляные), с естественным воздушным охлаждением (сухие и с литой изоляцией);

·        по роду установки: для внутренней или наружной установки.

Особенностью ТН является их малая мощность при высоком напряжении первичной обмотки, т.е. ТН является маломощными понижающими трансформаторами, имеющими почти всегда большой коэффициент трансформации. Кроме того, ТН должен обладать малым падением напряжения в первичной и вторичной обмотках, чтобы иметь возможно меньшие погрешности коэффициента трансформации и угла сдвига между векторами первичного и вторичного напряжений.

.3 Маркировка обмоток ТН

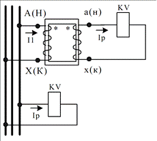
При маркировке выводов вторичных обмоток ТН за начало а принимают тот вывод, из которого ток выходит, в то время когда в первичной обмотке ток проходит от начала А к концу Х. Иными словами если на первичной стороне ток входит в начало А, то однополярным выводом, т.е. началом вторичной обмотки а, будет тот ее вывод, из которого в этот момент ток выходит. При маркировке и включении обмоток по такому правилу направление тока в реле, при включении реле через ТН останется таким же, как и при включении реле непосредственно в сети.

Рисунок 1 - Схема соединения ТН

Трансформаторы напряжения применяют в наружных или внутренних электроустановках переменного тока напряжением 0,38 - 500 кВ и частотой 50 Гц. Классы точности трансформаторов устанавливают только для основной вторичной обмотки. Для однофазных трехобмоточных трансформаторов классы точности устанавливают для обеих вторичных обмоток, причем для дополнительной вторичной обмотки - только класс точности 3.

Типовое обозначение трансформаторов напряжения расшифровывают следующим образом: НОС - трансформатор напряжения однофазный, с естественным воздушным охлаждением (сухой); НОСК - трансформатор напряжения однофазный, сухой, для КРУ; НТС - трансформатор напряжения трехфазный, сухой; НОМ и НОМЭ - трансформатор напряжения однофазный с естественным масляным охлаждением; для установки на экскаватор; ЗНОМ - с заземляющим выводом первичной обмотки, трансформатор напряжения однофазный с естественным масляным охлаждением; НТМК - трансформатор напряжения трехфазный, масляный с компенсацией угловой погрешности; НТМИ - трансформатор напряжения трехфазный, масляный, с дополнительной вторичной обмоткой для контроля изоляции сети; НКФ - трансформатор напряжения, каскадный, в фарфоровой покрышке; ЗОМ - трансформатор однофазный, масляный, с заземленным выводом первичной обмотки; ЗНОГ - трансформатор напряжения однофазный, с газовой изоляцией, заземляемый; НДЕ - трансформатор напряжения с емкостным делителем.

Класс точности трансформаторов напряжения характеризуется максимально допустимыми погрешностью напряжения и угловой погрешностью при определенном режиме работы трансформатора. Трансформаторы напряжения сохраняют класс точности при изменении первичного напряжения 80 - 120% номинального. Трансформаторы изготовляют в климатическом исполнении У или Т. Технические данные трансформаторов напряжения приведены в табл. Трансформаторы класса напряжения до 35 кВ и типа НКФ-110-58У1 предназначены для сетей с изолированной нейтралью, трансформаторы класса напряжения 110 кВ и выше - для сетей с заземленной нейтралью. Трансформатор типа НКФ-66У1(Т1) изготовляют как для сетей с изолированной, так и для сетей с заземленной нейтралью.

.4 Характеристики трансформаторов напряжения

Таблица 1



 



. Общие сведения о трансформаторах напряжения серии НОМ

Трансформаторы напряжения серии НОМ предназначены для работы в комплекте с измерительными приборами и в цепях защиты и сигнализации в электрических системах с номинальным напряжением от 6 до 35 кВ включительно. Трансформаторы являются масштабными преобразователями и предназначены для выработки сигнала измерительной информации для электрических измерительных приборов и цепей защиты и сигнализации в сетях с изолированной нейтралью.

Трансформаторы изготавливаются для работы в условиях умеренного или тропического климата. Трансформаторы типов НОМ-6 и НОМ-10 удовлетворяют требованиям сейсмостойкости 7 баллов, шкале MSK-64.

Трансформаторы состоят из магнитопровода, выполненного из пластин электротехнической стали, обмоток с соответствующей изоляцией, размещенных в баке, заполненном трансформаторным маслом. Вводы первичных и вторичных обмоток трансформаторов расположены на крышке бака. Трансформаторы напряжения НОМ-35 имеют маслорасширитель, расположенный на высоковольтных вводах первичной обмотки.

У трансформаторов остальных типов маслорасширители отсутствуют, уровень масла у них предусмотрен ниже крышки бака на 15-20 мм.

.1 Структура условного обозначения

Структура условного обозначения серии НОМ-[*]-[*] [*][*]:

Н - трансформатор напряжения;

О - однофазный;

М - естественная циркуляция воздуха и масла;

[*] - год разработки трансформатора;

[*][*] - климатическое исполнение (УХЛ, О, Т) и категория размещения (1; 4) по ГОСТ 15150-69.

.2 Условия эксплуатации трансформатора напряжения НОМ

·  трансформаторы предназначены для работы в закрытом помещении;

·        высота над уровнем моря - не более1000 м;

·        температура окружающей среды от - 45 °С до + 40°С;

·        окружающая среда невзрывоопасная;

·        в исполнении для тропического климата температура окружающего воздуха от -10 до +50°С при среднегодовой температуре 27°С;

·        при относительной влажности воздуха 95% при температуре 35°С.

Необходимая защита от прикосновения, влагозащита и защита от перегрузки осуществляется установкой, в которую встраивается трансформатор.

.3 Технические характеристики измерительных трансформаторов НОМ-6, НОМ-10, НОМ-15, НОМ-35

Таблица 2 - Основные технические характеристики трансформаторов.



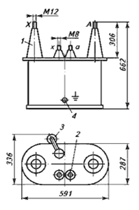
2.4 Общие виды, габаритные и присоединительные размеры трансформаторов

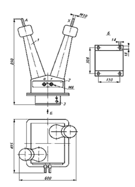
- ввод ВН; 2 - ввод НН; 3 - болт заземления М8.

Рисунок 2 - Общий вид, габаритные и присоединительные размеры трансформатора типа НОМ-6-77 УХЛ6

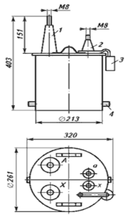
- ввод ВН; 2 - ввод НН; 3 - воздухоосушитель; 4 - болт заземления М8

Рисунок 3 - Общий вид, габаритные и присоединительные размеры трансформатора типа НОМ-6-77 О4

- ввод ВН; 2 - ввод НН; 3 - болт заземления М8.

Рисунок 4 - Общий вид, габаритные и присоединительные размеры трансформатора типа НОМ-10-66 У2

- ввод ВН; 2 - ввод НН; 3 - воздухоосушитель; 4 - болт заземления М8.

Рисунок 5 - Общий вид, габаритные и присоединительные размеры трансформатора типа НОМ-10-66 Т2

- ввод ВН; 2 - ввод НН; 3 - болт заземления М8.

Рисунок 6 - Общий вид, габаритные и присоединительные размеры трансформатора типа НОМ-15-77 УХЛ4

- ввод ВН; 2 - ввод НН; 3 - воздухоосушитель; 4 - болт заземления М8.

Рисунок 7 - Общий вид, габаритные и присоединительные размеры трансформатора типа НОМ-15-77 О4

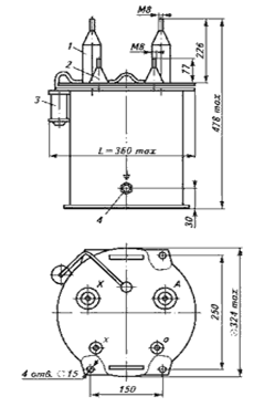
-ввод ВН; 2-коробка зажимов низкого напряжения;3-2 болта заземления М8.

Рисунок 8 - Общий вид, габаритные и присоединительные размеры трансформатора типа НОМ-35-66 У1

Заключение

Трансформаторы напряжения применяются в цепях переменного тока электроустановок при высоких напряжениях и больших токах, когда непосредственное включение контрольно-измерительных приборов, реле и приборов автоматики в первичные цепи технически невозможно, нерационально или недопустимо по условиям безопасности.

Класс точности трансформаторов напряжения характеризуется максимально допустимыми погрешностью напряжения и угловой погрешностью при определенном режиме работы трансформатора.

Трансформаторы напряжения сохраняют класс точности при изменении первичного напряжения от 80 до 120% номинального.

Масляные трансформаторы напряжения нормальной конструкции изготавливаются на напряжение 3...35, кВ.

Трансформаторы типа НОМ-6, НОМ-10, НОМ-15, НОМ-35 - это двухобмоточные однофазные масляные трансформаторы.

Магнитная система таких трансформаторов помещается в сварном стальном баке, залитом трансформаторным маслом. У них выводы обмоток осуществляются через фарфоровые проходные изоляторы, укрепленные в стальной крышке.

Список литературы

1. Сайт http://se33.ru/

. Сайт http://transtechno2.ru

. Трансформаторы напряжения» Дымков А.М. 1963

. «Электрическое оборудование станций» Поряков М.Ф. 1964

. Сайт www.profenergo.com

. Сайт krasluch.ru

. Шпиганович А.Н., Огарков Н.М., Шпиганович А.А. Высоковольтное электрооборудование распределительных устройств. ЛГТУ. Липецк, 1998.

. Александров А.Н. Электрические аппараты высокого напряжения. Л.: Энергоатомиздат, 1989.

Похожие работы на - Трансформатор напряжения однофазный масляный (серии НОМ)

 

Не нашли материал для своей работы?
Поможем написать уникальную работу
Без плагиата!
Без нейросетей!