Токи короткого замыкания в системе электроснабжения
КУРСОВАЯ
РАБОТА
по
курсу
Переходные
процессы в электрических системах
на
тему:
Токи
короткого замыкания в системе электроснабжения
Задание
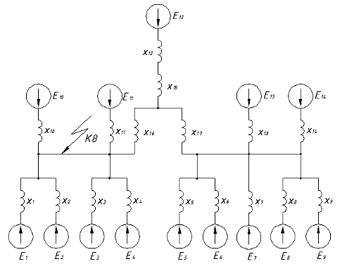
. Рассматриваемое предприятие (рис. 1) имеет
собственную ТЭЦ с двумя турбогенераторами типа Т-2-6-2 мощностью 7,5 МВ·А.
Связь с энергосистемой осуществляется от районной подстанции по линии
электропередачи 35 кВ через два трансформатора. На предприятии расположены
высоковольтные двигатели, которые запитаны кабелем типа ААБ 3x120.
Мощность на шинах 35 кВ задана.
Генераторы имеют автоматические регуляторы
возбуждения.
. Требуется определить токи трехфазного и
двухфазного к.з.:
) сверхпереходный ток;
) ударный ток;
) наибольшее действующее значение полного тока;
) установившийся ток;
) ток через 0,2 с. после возникновения короткого
замыкания.
. Произвести сравнение токов к.з. для различных
мест и видов короткого замыкания.
. Построить зависимость изменения тока к.з. для
генератора G1 во времени,
считая, что генератор до к.з. был предварительно ненагружен.
. Числовые данные в соответствии с вариантом
приведены в табл. 1 - 3.
Следует принять трансформаторы по вариантам -
I - ТМ-4000/35;
II -
ТМ-6300/35.
Рис. 1 - Структурная схема электроснабжения
промышленного предприятия
Таблица 1 - Исходные данные асинхронных
двигателей
|
Обозначение
двигателя
|
Номинальные
значения
|
Коэффициент
пуска Кп
|
|
Мощность,
кВт
|
Частота
вращения, об/мин
|
КПД,
%
|
cos φ
|
|
|
А1
|
320
|
985
|
92,0
|
0,890
|
5,3
|
|
А4
|
315
|
2940
|
95,0
|
0,905
|
6,5
|
|
А7
|
280
|
2970
|
94,0
|
0,900
|
6,1
|
Таблица 2 - Исходные данные синхронных
двигателей
|
Обозначение
двигателя
|
Тип
двигателя
|
Номинальные
значения
|
Коэффициент
мощности cos
φ
|
|
|
Мощность,
кВт
|
Частота
вращения, об/мин
|
КПД,
%
|
|
|
С2
|
ДС-1506-6
|
351
|
1000
|
91,5
|
0,930
|
|
С3
|
ДС-1408-8
|
216
|
750
|
90,3
|
0,910
|
|
С4
|
ДС-1506-8
|
293
|
750
|
91,5
|
0,920
|
|
С5
|
ДС-1507-8
|
347
|
750
|
92,3
|
0,915
|
Таблица 3 - Варианты заданий
|
Номер
варианта
|
Мощность
к.з., МВ·А
|
Длина
ЛЭП, км
|
Трансформаторы
|
Д
в и г а т е л и
|
|
|
|
|
М1
|
М2
|
М3
|
М4
|
М5
|
М6
|
М7
|
М8
|
М9
|
М10
|
|
19
|
180
|
1,3
|
II
|
А4
|
-
|
-
|
А1
|
А1
|
А7
|
А7
|
С3
|
С3
|
С4
|
|
Двигатели
|
Кабели
|
Точки
к.з.
|
|
М11
|
М12
|
М13
|
КБ1
|
КБ2
|
КБ3
|
КБ4
|
КБ5
|
КБ6
|
|
|
С2
|
С5
|
С5
|
-
|
400
|
600
|
1000
|
100
|
800
|
К9
К2 К8
|
|
|
|
|
|
|
|
|
|
|
|
|
|
|
|
|
|
|
|
|
|
|
|
|
Реферат
Пояснительная записка содержит: 37 страниц, 11
рисунков, 4 таблицы, 5 источников, 1 приложение.
ПРОМЫШЛЕННОЕ ПРЕДПРИЯТИЕ, ТУРБОГЕНЕРАТОР, ДВИГАТЕЛИ,
ЛЭП, ТРАНСФОРМАТОР, КОРОТКОЕ ЗАМЫКАНИЕ, РАСЧЕТНЫЕ КРИВЫЕ, ТОКИ КЗ,
ЭЛЕКТРОМАГНИТНЫЕ ПЕРЕХОДНЫЕ ПРОЦЕССЫ.
Цель работы - развитие навыков самостоятельной
работы у студентов по расчетам симметричных и несимметричных коротких замыканий
в системе электроснабжения промышленного предприятия.
В курсовой работе рассмотрены следующие вопросы:
· определены в точке короткого замыкания значения
сверхпереходного, а также ударного тока и наибольшего действующего значения
полного тока симметричного трехфазного и несимметричного двухфазного замыкания
К9, К3 и К6;
· произведено сравнение токов к.з. для
различных мест и видов короткого замыкания;
· построена зависимость изменения тока
к.з. для генератора G1 во
времени, считая, что генератора до к.з. был предварительно ненагружен.
ток короткое замыкание
электроснабжение
Содержание
Построение
эквивалентной схемы замещения. Определение параметров элементов
Преобразование
схемы относительно точки КЗ К1
Определение
в точке короткого замыкания действующего значения периодической составляющей
токов КЗ для момента времени t = 0 с; t = 0,2 с; t =
, а также
ударного тока и наибольшего действующего значения полного тока симметричного
трехфазного замыкания К9
Определение
в точке короткого замыкания действующего значения периодической составляющей
токов КЗ для момента времени t = 0 с; t = 0,2 с; t =
, а также
ударного тока и наибольшего действующего значения полного тока двухфазного
замыкания К9
Преобразование
схемы относительно точки КЗ К3
Определение
в точке короткого замыкания действующего значения периодической составляющей
токов КЗ для момента времени t = 0 с; t = 0,2 с; t =
, а также
ударного тока и наибольшего действующего значения полного тока симметричного
трехфазного замыкания К3
Преобразование
схемы относительно точки КЗ К6
Определение
в точке короткого замыкания действующего значения периодической составляющей
токов КЗ для момента времени t = 0 с; t = 0,2 с; t =
, а также
ударного тока и наибольшего действующего значения полного тока симметричного
трехфазного замыкания К3
Сравнение
токов к.з. для различных мест и видов короткого замыкания 36
Зависимость
изменения тока к.з. для генератора G1
Список
использованной литературы
Приложение
1
Построение эквивалентной схемы
замещения. Определение параметров элементов
Построим эквивалентную схему замещения. Она
изображена на рисунке 2 в приложении 1. Затем выберем базисные условия:
;
;
тогда
;
.
Определим параметры элементов схемы
замещения в относительных единицах при базисных условиях:
1. Индуктивное сопротивление и
ЭДС питающей системы С определяется по формулам
, (1.1)
где
- мощность к.з. на шинах питающей
подстанции, МВ·А.
, (1.2)
где
- номинальное напряжение на шинах
системы, кВ.
;
.
2. Индуктивное сопротивление и
ЭДС генераторов Г1, Г2 можно найти как
, (1.3)
где
- номинальная мощность генератора,
МВ·А;
- сверхпереходная реактивность. Из
[1,табл.2.1,с.76] для турбогенератора Т-2-6-2
=0,1208;
. (1.4)
;
.
. Полное сопротивление
трансформатора вычисляется по формуле
, (1.5)
где
- напряжение короткого замыкания,
%.
Так как мощность трансформаторов Т1
и Т2 более 1000 кВ·А можно принять
.
Индуктивное сопротивление
трансформаторов Т1 и Т2:
.
4. Активное и реактивное
сопротивление кабельных и воздушных линий определяется по выражениям
; (1.6)
; (1.7)
где
,
- удельные сопротивления линий,
Ом/км. Для ЛЭП из [1,табл.7.38,с.432]
Ом/км,
Ом/км. Для
кабельных линий из [1,табл.7.28,с.421]
Ом/км,
Ом/км;
l - длина
линий, км;
- базисное напряжение той ступени,
где расположена линия, кВ.
Реактивное сопротивление кабеля в
расчетах не будем учитывать для двигателей с номинальным напряжением 6 кВ, если
; (1.8)
Активное сопротивление кабеля в
расчетах не будем учитывать для двигателей с номинальным напряжением 6 кВ, если
; (1.9)
где F - сечение
кабеля, мм2.
Для кабеля КБ2
условие выполняется,
условие не выполняется,
следовательно учитываем только активное сопротивление.
Для кабеля КБ3
условие выполняется,
условие не выполняется,
следовательно учитываем только активное сопротивление.
Для кабеля КБ4
условие выполняется,
условие не выполняется,
следовательно учитываем только активное сопротивление.
Для кабеля
КБ5
условие выполняется,
условие выполняется, следовательно
не учитываем активное и рективное сопротивления.
Для кабеля КБ6
условие выполняется,
условие не выполняется,
следовательно учитываем только активное сопротивление.
Активное сопротивление кабельных
линий КБ2, КБ3, КБ4, КБ6:
;
;
;
.
Активное и реактивное сопротивление
ЛЭП:
;
.
. Сверхпереходное
сопротивление и ЭДС АД описывается выражениями
, (1.10)
где Кп -
пусковой коэффициент.
. (1.11)
Активные сопротивления статора и
ротора в относительных единицах
, (1.12)
где
- синхронная частота вращения,
об/мин;
- номинальная частота вращения
двигателя, об/мин;
sa -
номинальное скольжение двигателя.
;
;
;
;
;
;
;
;
.
6. При отсутствии данных о
сверхпереходном сопротивлении СД его значение принимаем равным
, тогда
индуктивное сопротивление
. (1.13)
;
;
;
.
Величина сверхпереходной ЭДС СД:
(1.14)
;
;
;
.
Активное сопротивление статора
синхронного двигателя примем равным активному сопротивлению статора
асинхронного двигателя равновеликой мощности и частоты вращения поля:
. (1.15)
;
;
;
.
Преобразование схемы относительно
точки КЗ К9
Преобразуем схему относительно точки короткого
замыкания. Произведем эквивалентирование одинаковых ветвей:
асинхронные двигатели с ЭДС Е1,
Е2, Е3, Е4 ,Е11.
;
.
синхронные двигатели с ЭДС Е5,
Е6, Е7, Е8, Е9
и Е13
;
После этих преобразований схема
будет иметь вид, показанный на рисунке 3 в приложении 1.
Произведем дальнейшее преобразование
схемы. Так как источники питания короткого замыкания Е18 и Е10
разнохарактерные, используем преобразование по методу коэффициентов
распределения. Определим в начале эквивалентное сопротивление хэ1:
,
затем найдем результирующее
сопротивление хрез1:
.
Теперь вычислим коэффициенты
распределения
;
,
Найдем искомые преобразованные
сопротивления
;
.
Произведем подобные преобразования с
другими ЭДС Е14 и Е19. Определим
эквивалентное сопротивление хэ2:
,
затем найдем результирующее
сопротивление хрез2:
.
Теперь вычислим коэффициенты
распределения
;
и найдем искомые преобразованные
сопротивления
;
.
Произведем эквивалентирование
одинаковых ветвей:
синхронные генераторы с ЭДС Е10
и Е14
;
.
После этих преобразований схема
будет иметь вид, показанный на рисунке 4 в приложении 1.
Так как источники питания короткого
замыкания Е10, Е14 и Е24 разнохарактерные,
используем преобразование по методу коэффициентов распределения. Определим
эквивалентное сопротивление хэ3 и rэ3:
;
затем найдем результирующее
сопротивление хрез3:
;.
Теперь вычислим коэффициенты
распределения
;
;
,
и найдем искомые преобразованные
сопротивления
;
;
.
Полностью свернутая к точке
короткого замыкания схема примет вид, показанный на рисунке 5 в приложении 1.
Определение в точке короткого
замыкания действующего значения периодической составляющей токов КЗ для момента
времени t = 0 с; t = 0,2 с; t =
, а также
ударного тока и наибольшего действующего значения полного тока симметричного
трехфазного замыкания К9
Преобразованная схема на рисунке 6 в приложении
1 имеет несколько независимых друг от друга генерирующих ветвей: систему,
генераторы ТЭЦ, синхронные и асинхронные двигатели.
Токи каждой генерирующей ветви определяются исходя
из ее конкретных особенностей.
1. Ток трехфазного к.з. от системы
, (2.1)
где
- сверхпереходный ток системы, кА;
- установившееся значение тока к.з.
системы, кА;
- действующее значение тока к.з.
системы в момент времени 0,2 с., кА;
- суммарное индуктивное
сопротивление ветви с системой, в относительных единицах при базисных условиях;
- напряжение ступени, на которой
находится точка K9, кВ;
- базисный ток для данной ступени
трансформации, кА.
Ударный ток от системы находится как
, (2.2)
где
- ударный ток системы, кА;
- ударный коэффициент.
Ударный коэффициент, можно вычислить
по формуле
, (2.3)
где
- постоянная времени эквивалентной
ветви с ЭДС системы;
- суммарное активное сопротивление
ветви с системой, в относительных единицах при базисных условиях.
Наибольшее действующее значение тока
,
определяемое за первый период переходного процесса
. (2.4)
Подставляя числовые значения в
формулы (2.1), (2.2), (2.3) и (2.4) получаем:
;
;
;
;
;
.
. Ток трехфазного к.з. от
генераторов ТЭЦ
Расчет произведем по методу
расчетных кривых. Из найденного результирующего сопротивления генерирующей
ветви от ТЭЦ
получаем
расчетное сопротивление
при
номинальных условиях генератора.
, (2.5)
.
Затем по расчетным кривым определяем
периодическую составляющую тока к.з. в относительных единицах при номинальных
условиях эквивалентного источника
.
Тогда для любого момента времени
действующее значение периодической составляющей тока к.з.
, (2.6)
где
- номинальный ток эквивалентного
источника, приведенного к ступени к. з.
Для разных моментов времени
получаем:
;
;
;
.
Так как активное сопротивление для
данной ветви
, то
.
.
Определим наибольшее действующее
значение полного тока короткого замыкания
.
Ток трехфазного к.з. от асинхронных
двигателей
, (2.7)
где
- сверхпереходная ЭДС асинхронного
двигателя;
,
- соответственно реактивное и
активное сопротивления ветви асинхронного двигателя, в относительных единицах
при базисных условиях.
Общее выражение для ударного тока
к.з. асинхронного двигателя то же, что и для системы
, (2.8)
где
- ударный коэффициент двигателя.
Ударный коэффициент для асинхронного
двигателя можно определить по следующему выражению
, (2.9)
где
- постоянная времени затухания
периодической составляющей тока, с;
- постоянная времени затухания
апериодической составляющей, с;
- активное сопротивление ротора
двигателя, Ом.
Наибольшее действующее значение тока
для асинхронных двигателей
. (2.10)
Подставляя числовые значения в
формулы (2.7), (2.8), (2.9) и (2.10) получаем:
;
;
;
.
;
;
.
Ток трехфазного к.з. от синхронных
двигателей
Расчет произведем по методу
расчетных кривых.
.
Для разных моментов времени
получаем:
;

;
;

;
;
.
Ударный ток и ударный коэффициент
определяем по формулам (2.2) и (2.3).
;
;
;
;.
.
Определим наибольшее действующее
значение полного тока короткого замыкания:
.
Суммарный ток трехфазного к.з. К1 от всех
генерирующих ветвей определяется как
(2.11)
Определим токи короткого замыкания
К9 для различных моментов времени:
;
;
.
Суммарный ударный ток короткого
замыкания К9
.
Суммарное наибольшее действующее
значение полного тока короткого замыкания К9
.
Определение в точке короткого
замыкания действующего значения периодической составляющей токов КЗ для момента
времени t = 0 с; t = 0,2 с; t =
, а также
ударного тока и наибольшего действующего значения полного тока двухфазного
замыкания К9
В приближенных расчетах для каждой генерирующей
ветви примем сопротивление прямой и обратной последовательности
, (2.12)
получим:
;
;
;
.
. Ток двухфазного к.з. от системы
. (2.13)
.
Ударный ток от системы и ударный
коэффициент находим по формулам (2.2) и (2.3):
;
;
;
.
Наибольшее действующее значение тока
определяю по формуле (2.4)
.
Ток двухфазного к.з. от генераторов
ТЭЦ
Расчет произведем по методу
расчетных кривых. Из найденного результирующего сопротивления генерирующей
ветви от ТЭЦ
получаем
расчетное сопротивление
при
номинальных условиях генератора.
, (2.14)
.
Затем по расчетным кривым определяем
периодическую составляющую тока к.з. прямой последовательности в относительных
единицах при номинальных условиях эквивалентного источника
.
Тогда для любого момента времени
действующее значение периодической составляющей тока к.з.
. (2.15)
Для разных моментов времени
получаем:
;
;
;
;
;
.
Так как активное сопротивление для
данной ветви равно нулю, то
. Ударный ток двухфазного короткого
замыкания равен
.
Определим наибольшее действующее
значение полного тока двухфазного короткого замыкания
.
Ток двухфазного к.з. от асинхронных
двигателей
. (2.16)
Ударный ток несимметричного к.з. от
асинхронных двигателей будем рассчитывать по выражениям (2.8) и (2.9). А
наибольшее действующее значение тока по - (2.10).
Подставляя числовые значения в
формулы (2.16), (2.8), (2.9) и (2.10) получаем:
;
;
;
.
;
;
.
Ток двухфазного к.з. от синхронных
двигателей
Расчет произведем по методу
расчетных кривых.
.
Для разных моментов времени
получаем:
;
;
;
;
;
.
Ударный ток и ударный коэффициент
определяем по формулам (2.2) и (2.3).
;
;
;
;
.
Определим наибольшее действующее
значение полного тока короткого замыкания
.
Суммарный ток двухфазного к.з. К9
Определим токи короткого замыкания
К1 для различных моментов времени:
;
;
.
Суммарный ударный ток короткого
замыкания К9
.
Суммарное наибольшее действующее
значение полного тока короткого замыкания К9
.
Преобразование схемы относительно
точки КЗ К8
Преобразую схему, изображенную в приложении 1 на
рисунке 7. Номера элементов оставлю прежними, а нумерацию новых элементов начну
с сорока. Исключу из схемы синхронные и асинхронные двигатели, отделённые двумя
ступенями трансформации.
Асинхронные двигатели с ЭДС Е1,
Е2, Е3, Е4 ,Е11.
;
B результате
получу схему, изображенную в приложении 1 на рисунке 8.
Так как источники питания короткого
замыкания Е14 и Е31 разно- характерные, используем
преобразование по методу коэффициентов распределения. Определим в начале
эквивалентное сопротивление хэ:
,
затем найдем результирующее
сопротивление хрез:
.
Теперь вычислим коэффициенты
распределения
;
;
и найдем искомые преобразованные
сопротивления
;
;
После этих преобразований схема
будет иметь вид, показанный на рисунке 9 в приложении 1.
Определение в точке короткого
замыкания действующего значения периодической составляющей токов КЗ для момента
времени t = 0 с; t = 0,2 с; t =
, а также
ударного тока и наибольшего действующего значения полного тока симметричного
трехфазного замыкания К8
Преобразованная схема на рисунке 9 в приложении
1 имеет несколько независимых друг от друга генерирующих ветвей: систему,
генераторы ТЭЦ, синхронные и асинхронные двигатели.
Токи каждой генерирующей ветви определяются
исходя из ее конкретной особенности.
1. Ток трехфазного к.з. от системы, ударный
ток, ударный коэффициент и наибольшее действующее значение находим по формулам
(2.1), (2.2), (2.3) и (2.4) соответственно. Подставляя числовые значения,
получаем:
;
;
;
.
;
;
.
Ток трехфазного к.з. от генераторов
ТЭЦ
Расчет произведем по методу
расчетных кривых.
.
Для разных моментов времени
получаем:
;
;
;
;
;
.
Так как активное сопротивление для
данной ветви
, то
.
.
Определим наибольшее действующее
значение полного тока короткого замыкания
.
Ток трехфазного к.з. от асинхронных
двигателей,
ударный ток, ударный коэффициент, наибольшее действующее значение тока находим
по формулам (2.7), (2.8), (2.9) и (2.10) соответственно. Подставляя числовые
значения, получаем:
;
;
;
;
.
;
;
.
Суммарный ток трехфазного к.з. К8 находим по
формуле (2.11).
Определим токи короткого замыкания
К3 для различных моментов времени:
;
;
.
Суммарный ударный ток короткого
замыкания К3
.
Суммарное наибольшее действующее
значение полного тока короткого замыкания К3
.
Определение в точке короткого
замыкания действующего значения периодической составляющей токов КЗ для момента
времени t = 0 с; t = 0,2 с; t =
, а также
ударного тока и наибольшего действующего значения полного тока двухфазного
замыкания К8
С учетом равенства (2.12) получим:
;
. Ток двухфазного к.з. от системы, ударный
ток, ударный коэффициент и наибольшее действующее значение находим по формулам
(2.13), (2.2), (2.3) и (2.4) соответственно. Подставляя числовые значения,
получаем:
;
;
;
;
.
.
Ток двухфазного к.з. от генераторов
ТЭЦ
Расчет произведем по методу
расчетных кривых.
.
Для разных моментов времени
получаем:
;
;
;
;
;
.
Так как активное сопротивление для
данной ветви равно нулю, то
. Ударный ток двухфазного короткого
замыкания равен
.
Определим наибольшее действующее
значение полного тока двухфазного короткого замыкания
Ток двухфазного к.з. от асинхронных
двигателей, ударный
ток, ударный коэффициент и наибольшее действующее значение тока находим по
формулам (2.16), (2.8), (2.9) и (2.10) соответственно. Подставляя числовые
значения, получаем:
;
;
;
;
;
;
;
;
Суммарный ток двухфазного к.з. К8
находим по формуле (2.17).
Определим токи короткого замыкания
К8 для различных моментов времени:
;
;
.
Суммарный ударный ток короткого
замыкания К3
.
Суммарное наибольшее действующее
значение полного тока короткого замыкания К3
.
Преобразование схемы относительно
точки КЗ К2
Преобразую схему, изображенную в приложении 1 на
рисунке 7. Номера элементов оставлю прежними, а нумерацию новых элементов начну
с сорока. Исключу из схемы синхронные и асинхронные двигатели, отделённые двумя
ступенями трансформации.
Синхронные двигатели с ЭДС Е5,
Е6, Е7, Е8, Е9
и Е13
;
B результате
получу схему, изображенную в приложении 1 на рисунке 8.
Так как источники питания короткого
замыкания Е10 и Е12 разно- характерные, используем
преобразование по методу коэффициентов распределения. Определим в начале
эквивалентное сопротивление хэ:
,
затем найдем результирующее
сопротивление хрез:
.
Теперь вычислим коэффициенты
распределения
;
;
и найдем искомые преобразованные
сопротивления
;
;
После этих преобразований схема
будет иметь вид, показанный на рисунке 9 в приложении 1.
Определение в точке короткого
замыкания действующего значения периодической составляющей токов КЗ для момента
времени t = 0 с; t = 0,2 с; t =
, а также
ударного тока и наибольшего действующего значения полного тока симметричного
трехфазного замыкания К2
Преобразованная схема на рисунке 9 в
приложении 1 имеет несколько независимых друг от друга генерирующих ветвей:
систему, генераторы ТЭЦ, синхронные и асинхронные двигатели.
Токи каждой генерирующей ветви
определяются исходя из ее конкретной особенности.
Ток трехфазного к.з. от системы, ударный ток,
ударный коэффициент и наибольшее действующее значение находим по формулам
(2.1), (2.2), (2.3) и (2.4) соответственно. Подставляя числовые значения,
получаем:
;
;
;
.
;
;
.
Ток трехфазного к.з. от генераторов
ТЭЦ
Расчет произведем по методу
расчетных кривых.
.
Для разных моментов времени
получаем:
;
;
;
;
;
.
Так как активное сопротивление для
данной ветви
, то
.
.
Определим наибольшее действующее
значение полного тока короткого замыкания
Ток трехфазного к.з. от синхронных
двигателей
Расчет произведем по методу
расчетных кривых.
.
Для разных моментов времени
получаем:
;
;
;
;
;
.
Ударный ток и ударный коэффициент
определяем по формулам (2.2) и (2.3).
;
;
;.
.
Определим наибольшее действующее
значение полного тока короткого замыкания:
.
Суммарный ток трехфазного к.з. К3 находим по
формуле (2.11).
Определим токи короткого замыкания
К3 для различных моментов времени:
;
;
.
Суммарный ударный ток короткого
замыкания К3
.
Суммарное наибольшее действующее
значение полного тока короткого замыкания К3
.
Определение в точке короткого
замыкания действующего значения периодической составляющей токов КЗ для момента
времени t = 0 с; t = 0,2 с; t =
, а также
ударного тока и наибольшего действующего значения полного тока двухфазного
замыкания К2
С учетом равенства (2.12) получим:
;
;
Ток двухфазного к.з. от системы, ударный
ток, ударный коэффициент и наибольшее действующее значение находим по формулам
(2.13), (2.2), (2.3) и (2.4) соответственно. Подставляя числовые значения,
получаем:
Ток трехфазного к.з. от системы, ударный ток,
ударный коэффициент и наибольшее действующее значение находим по формулам
(2.1), (2.2), (2.3) и (2.4) соответственно. Подставляя числовые значения, получаем:
;
;
;
.
;
;
.
Ток двухфазного к.з. от генераторов
ТЭЦ
Расчет произведем по методу
расчетных кривых.
.
Для разных моментов времени
получаем:
;
;
;
;
;
.
Так как активное сопротивление для
данной ветви равно нулю, то
. Ударный ток двухфазного короткого
замыкания равен
.
Определим наибольшее действующее
значение полного тока двухфазного короткого замыкания
Ток двухфазного к.з. от синхронных
двигателей
Расчет произведем по методу
расчетных кривых.
.
Для разных моментов времени
получаем:
;
;
;
;
;
.
Ударный ток и ударный коэффициент
определяем по формулам (2.2) и (2.3).
;
;
;
;
.
Определим наибольшее действующее
значение полного тока короткого замыкания
.
Суммарный ток двухфазного к.з. К3
находим по формуле (2.17).
Определим токи короткого замыкания
К3 для различных моментов времени:
;
;
.
Суммарный ударный ток короткого
замыкания К3
.
Суммарное наибольшее действующее
значение полного тока короткого замыкания К3
.
Сравнение токов к.з. для различных
мест и видов короткого замыкания
Таблица 4 - Сравнение токов к.з. для различных
мест и видов короткого замыкания
|
Точка
к.з.
|
Вид
к.з.
|
Сверхпереходный
ток от
|
Суммарный
ток, кА
|
Суммарный
ударный ток, кА
|
Наибольшее
действующее значения полного тока, кА
|
|
|
|
системы,
кА
|
генераторов
ТЭЦ, кА
|
АД,
кА
|
СД,
кА
|
|
|
|
|
1
|
2
|
3
|
4
|
5
|
6
|
7
|
8
|
9
|
10
|
|
К9
|
трехфазное
|
t=0
|
3,02
|
8,37
|
0,505
|
0,609
|
12,504
|
31,62
|
19,05
|
|
|
t=0,2
|
3,02
|
5,15
|
-
|
0,507
|
8,677
|
-
|
-
|
|
|
t= 3,024,41-0,4067,836--
|
|
|
|
|
|
|
|
|
двухфазное
|
t=0
|
2,57
|
5
|
0,43
|
0,36
|
8,36
|
20,6
|
13,64
|
|
|
t=0,2
|
2,57
|
4,38
|
-
|
0,34
|
7,29
|
-
|
-
|
|
|
t= 2,574,13-0,387,08--
|
|
|
|
|
|
|
|
|
К8
|
трехфазное
|
t=0
|
1,77
|
8,53
|
0,934
|
-
|
11,234
|
28,21
|
16,875
|
|
|
t=0,2
|
1,77
|
3,97
|
-
|
-
|
5,74
|
-
|
-
|
|
|
t= 1,773,68--5,45--
|
|
|
|
|
|
|
|
|
двухфазное
|
t=0
|
2,46
|
8
|
0,876
|
-
|
11,34
|
25,95
|
15,49
|
|
|
t=0,2
|
2,46
|
7,25
|
-
|
-
|
9,71
|
-
|
-
|
|
|
t= 2,466,75--9,21--
|
|
|
|
|
|
|
|
|
К2
|
трехфазное
|
t=0
|
2,93
|
8,53
|
-
|
0,947
|
12,407
|
28,436
|
16,9
|
|
|
t=0,2
|
2,93
|
3,97
|
-
|
0,441
|
6,96
|
-
|
-
|
|
|
t= 2,933,68-0,4087,018--
|
|
|
|
|
|
|
|
|
двухфазное
|
t=0
|
1,77
|
8
|
-
|
1,23
|
11
|
27,08
|
17,09
|
|
|
t=0,2
|
1,77
|
4,25
|
-
|
0,979
|
10
|
-
|
-
|
|
|
t= 1,776,75-0,8679,4--
|
|
|
|
|
|
|
|
Зависимость изменения тока к.з. для
генератора G1
Полный ток в цепи короткого замыкания для
генератора G1 выражается
уравнением
, (4.1)
где
- принужденная составляющая тока
к.з.;
- частота сети, f=50 Гц;
- фаза включения. Так как генератор
был предварительно ненагружен, то
;
- угол сдвига в этой цепи. Так как
цепь с преобладанием индуктивности, то
;
- постоянная времени цепи короткого
замыкания. Из [1,табл.2.1,с.81] для турбогенератора Т-6-2У3
=0,13.
Принужденную составляющую найдем по
расчетным кривым для момента времени
. Расчетное сопротивление генератора
.
Действующее значение периодической
составляющей тока к.з.
.
При
;
.
Подставляя числовые данные в (4.1)
получаем
.
Список использованной литературы
1. Методические указания к курсовой
работе по дисциплине «Переходные процессы в системах электроснабжения» для
студентов всех форм обучения специальности 100400 - «Электроснабжение» / Кубан.
гос. технол. ун-т; сост. Б.А. Коробейников, Л.И. Деревцова, А.И. Ищенко.
Краснодар, 2003. - 28 с.
. Ульянов С.А. Сборник задач по
электромагнитным переходным процессам в электрических системах. - М.: Энергия,
1968. - 496 с.
. Ульянов С.А. Электромагнитные
переходные процессы в электрических системах. - М.: Энергия, 1970. - 520 с.
. Чернин А.Б., Лосев С.Б. Основы
вычислений электрических величин для релейной защиты при сложных повреждениях в
электрических системах. - М.: Энергия, 1971. - 438 с.
. Лосев С.Б., Чернин А.Б. Вычисление
электрических величин в несимметричных режимах электрических систем. - М.:
Энергоатомиздат, 1983. - 528 с.
Приложение 1
Рисунок 2 - эквивалентная схема замещения
Рисунок 3 - схема замещения для расчета к.з. К9
Рисунок 4 - схема замещения для расчета к.з.К9
Рисунок 5 - схема замещения для расчета к.з. К9
Рисунок 6 - схема замещения для расчета к.з. К8
Рисунок 7 - схема замещения для
расчета к.з. К8
Рисунок 8 - схема замещения для
расчета к.з. К8
Рисунок 9 - схема замещения для
расчета к.з. К2
Рисунок 10 - схема замещения для
расчета к.з. К2
Рисунок 11 - схема замещения для
расчета к.з. К2
Рисунок 12 - схема замещения,
содержащая только активности