Расчет регулируемого электропривода постоянного тока
Содержание
Введение
Исходные данные
. Выбор электродвигателя и расчет электромеханических характеристик
2. Расчет
и выбор элементов силовой схемы
2.1 Расчет мощности и выбор силового трансформатора и вентилей
преобразователя
.2 Расчет индуктивности уравнительных и сглаживающих реакторов
2.3 Определение параметров привода и построение электромеханических
характеристик
3. Разработка функциональной схемы
.1 Управляемый выпрямитель, как звено САУ
.2 Пример расчета статических характеристик управляемого выпрямителя
3.3 Определение
параметров обратных связей
.4 Расчет и построение характеристик системы ТП-Д с отрицательной обратной
связью по скорости и токовой отсечкой
Список литературы
электродвигатель трансформатор преобразователь
индуктивность
Введение
Основными функциональными задачами современного автоматизированного
электропривода (АЭП) являются:
Управление процессами пуска, торможения, реверса (функции управления).
Эту функцию могут выполнять разомкнутые системы АЭП. В процессе управления
осуществляется грубый контроль за током. Жесткость механических характеристик
хуже естественных. К настоящему моменту это самая распространенная группа АЭП.
Стабилизация заданной величины (ток, скорость, положение, мощность и
т.д.) (функция стабилизации). Эту функцию может выполнить только замкнутая
система АЭП. Основная регулируемая величина - та, по которой замыкается главная
обратная связь.
Слежение за вводимыми в систему изменяющимися входными сигналами (функция
слежения). Эта задача может быть выполнена только в замкнутых системах.
Современная следящая система, как правило, трехконтурная.
Выбор целесообразных режимов работы АЭП (функция адаптации). Задача может
быть выполнена в замкнутых системах.
Кроме основных функций, система АЭП выполняет еще и дополнительные:
защита электродвигателя и оборудования от коротких замыканий, перегрузок
по току, напряжению и т.д.;
блокировка, которая обеспечивает определенную последовательность операций
и исключающая аварийные режимы;
сигнализация.
В данной курсовой работе проводится расчет регулируемого электропривода
постоянного тока по схеме "тиристорный преобразователь - двигатель"
(ТП - Д), выполняющего стабилизацию частоты вращения и ограничение пусковых
токов. Основной задачей выполнения курсовой работы является развитие навыков самостоятельной
творческой работы и ознакомление с основными этапами проектирования.
Все расчеты и диаграммы выполнены с помощью программы MO Excel 2003 и Mathcad
14.
Исходные данные
Мощность P = 6 кВт;
Скорость,n = 1000 об/мин;
Диапазон регулирования скорости D = 12;
Статическая ошибка
= 7 %;
Схема преобразователя 3-х ф. мостовая
1. Выбор
электродвигателя и расчет электромеханических характеристик
Выбор электродвигателя постоянного тока производится по каталогу в соответствии
с заданием. В нашем случае выбираем двигатель П-42.
. Определим номинальную частоту вращения двигателя (рад/с)
(1)
Для получения при номинальной нагрузке минимально заданной скорости
(2)
2. Определим номинальный момент двигателя (
)
(3)
3. Определим сопротивление якоря (Ом)
(4)
4. Определяем параметр
(
)
(5)
5. Определяем скорость идеального ХХ
(6)
.(7)
Характеристика строится по точкам номинальной нагрузки
,
и режима холостого хода с
координатами
,
= 9,086 рад/с(8)
6. Строим электро-механическую характеристику по точкам:
Для построения естественной электромеханической характеристики двигателя
постоянного тока независимого возбуждения по уравнению
(9)
достаточно знать координаты двух ее точек: номинального режима с
координатами
,
и режима холостого хода с координатами
,
.
ХХ: w=w0, I=0: w=wn, I=In
Рисунок 1 - Электромеханические характеристики двигателя
. Строим механическую характеристику по точкам
: w=w0, M=0: w=wn, M=Mn
Рисунок 2 - Механическая характеристика двигателя
Рисунок 3
Трехфазная мостовая схема (рисунок 3) используется обычно для приводов мощностью
до 10 кВт. Недостатками такой схемы по сравнению с мостовой являются худший
гармонический состав выходного напряжения и дополнительное подмагничивание
трансформатора.
2.
Расчет и выбор элементов
силовой схемы
2.1 Расчет
мощности и выбор силового трансформатора и вентилей преобразователя
Вначале определяется необходимое вторичное напряжение при заданном
напряжении сети (первичной обмотки). При этом также надо учитывать некоторые
коэффициенты запаса:
Кu - коэффициент запаса по напряжению,
учитывающий допускаемое по ПУЭ снижение напряжения сети, Кu=1.05;
Кa - коэффициент запаса, учитывающий
неполное открытие вентиля при максимальном управляющем сигнале (для
нереверсивных преобразователей принимают Кa=1, для реверсивных Кa=1,2);
КR - коэффициент, учитывающий падение
напряжения при нагрузке в вентилях и обмотках трансформатора, а также наличие
угла коммутации (можно принимать КR=1,05).
Подводимое к схеме выпрямления напряжение
где КН- коэффициент схемы (в нашем случае КН=0,427);
Udн
- номинальное напряжение якоря двигателя.
Расчетное действующее значение тока во вторичной обмотке определяется
исходя из величины номинального тока двигателя Idн по формуле:
2=Ki KT2 Idн=
=27,897 А(10)
где Ki - коэффициент, учитывающий
отклонение формы тока от прямоугольной (по опытным данным Ki=1,05…1,1);
KT2
- коэффициент, представляющий собой отношение действующего значения
соответствующего фазного тока к выпрямленному току, KT2=0,815.
При индуктивно-активной нагрузке или при работе на встречную ЭДС этими
значениями можно пользоваться как приближенными.
Расчет типовой мощности трансформатора производится с учетом нагрева
первичной и вторичной обмоток трансформатора при помощи коэффициента KM.
Таким образом, типовая мощность трансформатора для преобразователя, питающего
якорь двигателя, может быть рассчитана по формуле
T=KН×Ku Kα×KR×Ki×KM×UdId= 4,446×103 В×А=4,446 кВА
Трансформатор выбирается по типовой мощности и необходимому вторичному
напряжению и проверяется по нагреву первичным током
I1=Ki×KT1×Id=
=27,966 А
с учетом коэффициента трансформации.
Выбираем трансформатор ТТ-6
Для выбранного трансформатора активное и индуктивное сопротивления
обмоток на фазу определяются, как
0,352 Ом(11)
Ом(12)
Выбор вентилей силовой схемы производится по среднему значению тока через
вентиль (с учетом условий охлаждения) и максимальному мгновенному значению
напряжения, прикладываемому к вентилю.
2.2 Расчет
индуктивности уравнительных и сглаживающих реакторов (дросселей)
Требуемая величина индуктивности УД находится, исходя из ограничения
амплитуды переменной составляющей уравнительного тока до величины(3
5)% от
двигателя, т.е.
Гн
где
- удвоенное эффективное значение первой гармоники
выпрямленного напряжения, определяемое по соответствующим кривым; при
,
В;
- число фаз выпрямления;
- угловая частота сети.
Сглаживающие реакторы выполняют две функции: ограничивают пульсации тока
в якорной цепи и обеспечивают работу в зоне непрырывных токов.
Величина относительных пульсаций I*e принимается не более 0,02 и
расчитывается как
(13)
где
- относительная величина ЭДС пульсаций;
Iном - номинальный ток;
Lдр,Lя,LТ - индуктивность сглаживающего
реактора (катодного дросселя), якоря двигателя и трансформатора;
w0=2pfm - угловая частота пульсаций;
f -
частота сети;
m -
число фаз (для трехфазной мостовой схемы m =6).
На основании специальных расчетов получены кривые зависимости
от угла открывания и числа фаз.
Величина
берется для максимального угла
открывания aмакс,
соответствующего минимальной скорости двигателя. Приводы, рассматриваемые в
данном проекте, предназначены для частых пусков и торможений и поэтому примем
=0,24 для мостовой и
=0,52 для нулевой схем выпрямления.
Из выражения (13) получим общую индуктивность цепи
=
=
=0,045 Гн(14)
а по ней - искомое значение Lдр. При
наличии уравнительных реакторов, их индуктивность добавляется в левую часть
формулы (14).
Индуктивность трансформатора определяется, как
LТ = xT/2πf
=
Гн(15)
а индуктивность якорной цепи двигателя по эмпирической формуле
=0,016 Гн(16)
где коэффициент Cx=0,5 для некомпенсированных машин
Гн
.3
Определение параметров привода и построение электромеханических характеристик
Эквивалентное внутреннее сопротивление преобразователя
Rпр=2RТ+n×RдТ+Rк=2·0,352+2×0,05+0,038=0,841 Ом(17)
Для мостовых схем RТ вдвое больше (сопротивление двух
фазных обмоток). Значение коммутационного сопротивления
(18)
где m - число фаз .
Величина т указывает число последовательного соединенных тиристоров (для
мостовых схем удвоенное).
Электромагнитная постоянная времени якорной цепи равна
Тя=(Lдр+Lя+LТ)/Rэ=
=(0,029+0,016+
)/1,111=0,04 c(19)
где эквивалентное сопротивление якорной цепи Rэ
Rэ=Rя+Rпр=0,27+0,841=1,111 Ом(20)
Постоянная двигателя
(21)
Далее производится расчет статических электромеханических характеристик
привода в разомкнутой системе. ЭДС преобразователя при номинальной скорости и
номинальной нагрузке
220 В(22)
Статическая характеристика строится при изменении тока по формуле
(23)
ЭДС преобразователя при минимальной скорости и номинальной нагрузке
В(22)
Статическая характеристика для минимальной скорости строится при
изменении тока по формуле
(23)
Верхняя и нижняя статические характеристики строятся по формулам (21),
(23) и приводятся на одном графике.
Рисунок 4
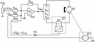
Система АЭП с отрицательной обратной связью по скорости и отсечкой
(задержанной обратной связью) по току представлена на рисунке 3.
Рисунок 5
В зависимости от величины тока якоря, возможны два режима работы привода:
а) I < Iотс, ½Uдт½< Uст VD.
В рабочем диапазоне тока работает только одна отрицательная обратная
связь по скорости (сигнал ОС по току не поступает на усилитель). Тогда
напряжение управления (при Rзс
= Rдс) равно
Uy = (Uзс - Uдс)×крс(24)
ЭДС преобразователя уравновешивается ЭДС двигателя и падением напряжения
на эквивалентном сопротивлении
Еп = Uу ×кп = Е + I×RЭ(25)
где Е = k×Фн×ω - ЭДС якоря ДПТ;
КП - коэффициент усиления преобразователя.
Напряжение датчика скорости пропорционально частоте вращения якоря
двигателя:
Uдс = кдс× ω(26)
Совместное решение уравнений (24), (25) и (26) дает выражение (27) для
первого участка электромеханической характеристики привода с отрицательной
обратной связью по скорости:
(Uзс - кдс×
ω)×крс×кп = k×Фн×
ω + I×RЭ
;зс×крс×кп + кдс×
ω ×крс×кп = k×Фн×
ω + I×RЭ
;
(27)
где Кд = 1/kФН
- коэффициент передачи двигателя.
б) I
> Iотс, ½Uдт½> Uст
VD.
В этом диапазоне тока одновременно на входе регулятора скорости действуют
два сигнала ОС:
сигнал по скорости, который стремится сделать скоростную характеристику
более жесткой;
сигнал по току, который стремится сделать скоростную характеристику более
мягкой.
Для получения требуемой характеристики должна преобладать ОС по току.
Сигнал управления становится равен
Uy = (Uзс
- Uдс - Uдт + Uст)×крс (28)
где UДТ = b×I×RЭ сигнал датчика тока;
UСТ - напряжение пробоя стабилитрона.
Решая совместно уравнения (25), (26) и (28), получим выражение (29) для
второго участка электромеханической характеристики привода при наличии обратных
связей по скорости и по току:
[Uзс - ω×кдс - b×I×(Ra + Rп) + Uст]×крс×кп = се×Фн×
ω + I×(Ra + Rп);
. (29)
Статические характеристики двухконтурной системы АЭП с отрицательной ОС
по скорости и отсечкой по току представлены на рисунке 4.
Рисунок 6
Для того, чтобы сформировать такую характеристику, необходимо рассчитать
параметры преобразователя, датчиков скорости и тока, регуляторов.
3. Разработка
функциональной схемы
3.1
Управляемый выпрямитель, как звено САУ
При анализе статических свойств управляемого выпрямителя его структурную
схему удобно представить в виде двух последовательно включенных звеньев:
системы импульсно-фазового управления и собственно тиристорного
преобразователя. Входным сигналом СИФУ является напряжение управления Uу, которое преобразуется в угол регулирования
тиристоров α и определяет среднее значение выпрямленного
напряжения Ud на выходе силового блока.
Коэффициент передачи СИФУ представляет собой отношение приращения угла
регулирования к приращению напряжения управления.
Коэффициент передачи собственно тиристорного преобразователя есть
отношение приращения среднего значения выпрямленного напряжения к приращению
угла регулирования тиристоров
Общий коэффициент усиления управляемого выпрямителя представляет собой
отношение приращения среднего значения выпрямленного напряжения к приращению
напряжения управления
(32)
и в соответствии со структурной схемой
(33)
Методика определения коэффициента усиления тиристорного преобразователя
зависит от вида статической характеристики СИФУ. К настоящему времени разработано множество вариантов
СИФУ с различными принципами фазосмещения. Для их реализации используются
аналоговые или цифровые элементы.
В том случае, когда характеристика системы импульсно-фазового управления
линейна, коэффициент усиления преобразователя целесообразно рассчитывать по
выражению (33), определив предварительно коэффициенты передачи отдельных
звеньев kТП и kСИФУ. При расчете
коэффициента передачи СИФУ в выражение (30) подставляют произвольное значение
приращения угла отпирания, для которого известна величина приращения напряжения
управления. Для определения коэффициента передачи собственно тиристорного
преобразователя строится характеристика Еd =f(α). Вид этой характеристики
зависит от схемы выпрямления и характера нагрузки. Обычно при анализе работы
схем на активно-индуктивную нагрузку величину индуктивности нагрузки Lн
принимают бесконечно большой, что позволяет значительно упростить основные
расчетные соотношения. Рабочие участки на характеристике выбирают аналогично
рассмотренному выше. Искомый коэффициент передачи расчитывается по выражению.
В некоторых преобразователях используются системы
импульсно-фазового управления с так называемым арккосинусоидальными
характеристиками, что позволяет получить линейную в пределах рабочего диапазона
зависимость Ed
= f(Uy). В
этом случае при
определении общего коэффициента усиления тиристорного преобразователя в формулу
(30) подставляют произвольное значение угла отпирания, для которого известна
величина приращения напряжения управления.
Тиристорный преобразователь как элемент структурной схемы электропривода
в динамических режимах имеет свойства инерционного звена с передаточной
функцией
(34)
Величина постоянной времени
зависит от множества факторов, учет
которых представляется очень сложным. Поэтому в практических расчетах величину
принимают в пределах от 0.005 до
0.015 с.
3.2
Пример расчета статических характеристик управляемого выпрямителя
Исходные данные:
Преобразователь собран по мостовой схеме, kсх=2.34.
Uс = 220 B - фазное напряжение вентильной
обмотки трансформатора;
UУmax = 10 В - принятое максимальное значение напряжения
управления.
При арккосинусоидальной характеристике СИФУ угол регулирования инвертора
(35)
При линейной характеристике СИФУ угол регулирования инвертора равен
(36)
ЭДС выпрямителя при мостовой схеме ТП
(37)
Для определения коэффициента усиления инвертора при различных вариантах
СИФУ в соответствии с формулами (35), (36), (37) можно использовать программу
расчета, выполненную с применением приложения "Mathcad". Индексом "1" отмечен вариант
линейной СИФУ.


Рисунок
7-Расчет статических характеристик управляемого выпрямителя
На рисунке 6 представлены результаты расчета регулировочных характеристик
СИФУ (a), преобразователя (b) и
коэффициента передачи выпрямителя (c).
Сплошной линией на рисунках отмечены характеристики выпрямителя при
арккосинуидальной СИФУ, пунктирной - при линейной СИФУ. В первом случае kп - величина постоянная, во втором -
изменяется в диапазоне регулирования. Для дальнейших расчетов можно задаться
областью регулирования ЭДС выпрямителя для конкретного механизма и определить
соответствующее ей значение kп.
.3
Определение параметров обратных связей
Перепад
скорости в разомкнутой системе при номинальной нагрузке
(38)
Заданный перепад скорости в замкнутой системе
(39)
где
%- статическая ошибка в относительных единицах.
Согласно (27) перепад скорости в замкнутой системе равен
(40)
где Кд = 1/kФН
- коэффициент передачи двигателя.
Тогда необходимый коэффицент отрицательной обратной связи по скорости
(41)
Значение коэффицента усиления Кп берется из
регулировочных характеристик преобразователя при Еn min. По необходимому коэффициенту
обратной связи выбирается тахогенератор с фактическим значением
Выбираем тахогенератор
и рассчитывается коэффициент усиления регулятора скорости
=145,345(42)
3.4 Расчет
и построение характеристик привода с отрицательной обратной связью по скорости
и токовой отсечкой
При использовании предложенной выше схемы,схемыэтом статическая
характеристика двигателя имеет вид, показанный на рисунке 4 и состоит из двух
участков. На участке I I<Iотс , токовая
отсечка не работает. САУ работает режиме поддержания постоянства заданной
скорости. Скорость в функции нагрузки изменяется в соответствии с выражением
(27). Из уравнения (27), при номинальных значениях скорости и тока,
определяется задающее напряжение на верхней и нижней характеристиках
=
В
=(43)
=
В
Скорости холостого хода для верхней и нижней характеристик определяются,
как
(44)
Скорости отсечек на верхней (ωотсВ) и нижней (ωотсН) характеристиках определяются по
уравнению (5.4) при I=Iотс. Электромеханическая характеристика
первого участка строится по рассчитанным точкам в соответствии с рисунком 4.
=
На II участке I
Iотс, поэтому в результате действия
токовой отсечки наклон характеристики увеличивается в соответствии с уравнением
(5.6). Для того, чтобы верхняя характеристика второго участка прошла через
заданные точки (IотсВ, ωотсВ; Iст, ωст), находим значения напряжения Uст и β совместным решением уравнения (5.4)
при I=Iотс и уравнения (5.6) при I=Iст:
Рисунок 8
Список литературы
.Ковчин С.А., Сабинин Ю.А. Теория электропривода.-СПб.:
Энергоатомиздат, 2000.- 496с.
. Ключев В.И. Теория электропривода. - М.: Энергоатомиздат,
1985.-360с.
. Москаленко В.В. Автоматизированный электропривод. - М.:
Энерго-атомиздат,1985. - 416 с.
. Башарин А.В., Постников Ю.В. Примеры расчета
автоматизированного электропривода на ЭВМ. - Л.: Энергоатомиздат, 1990.-512с.