Технологический процесс получения отливки 'Опора' специальным способом литья

  • Вид работы:
    Курсовая работа (т)
  • Предмет:
    Другое
  • Язык:
    Русский
    ,
    Формат файла:
    MS Word
    609,52 Кб
  • Опубликовано:
    2013-10-08
Вы можете узнать стоимость помощи в написании студенческой работы.
Помощь в написании работы, которую точно примут!

Технологический процесс получения отливки 'Опора' специальным способом литья

ГЛАВА 1

ОБЩАЯ ХАРАКТЕРИСТИКА ОТЛИВКИ. АНАЛИЗ ТРЕБОВАНИЙ, ПРЕДЪЯВЛЯЕМЫХ К НЕЙ

Материалом изготовления отливки служит алюминиевый литейный сплав. Алюминиевые сплавы, благодаря низкому удельному весу, высокой удельной прочности, электро- и теплопроводности, широко применяют в машиностроении, приборостроении и электротехнической промышленности.

Материалом изготовления отливки служит сплав АК9. Марка сплава АК9 обладает высокой пластичностью и удовлетворительными литейными свойствами, позволяющими получать качественные отливки. Данный сплав хорошо обрабатывается резанием и удовлетворительно сваривается контактной сваркой. Сплав склонен к межкристаллитной коррозии.

Группа сплава- 1ая, так как сплав на основе системы Al-Si-Mg.

Характеристика сплава АК9 по ГОСТ 1583-93 приведена в таблице 1:

Таблица 1 - Химический состав сплава АК9

Наименование группы

Массовая доля химических элементов, характеризующих группу сплавов, %,

Алюминий-кремний-магний

0,2-0,4 Mg 8,0-11,0 Si  0,2-0,5 Mn до 1 Cu до 1,3 Fe 85,1-91,6 Al до 0,5 Zn до 0,3 Ni


Механические свойства сплава AK9:

предел прочности при растяжении 196 кг/м2

предел прочности при изгибе 392 кг/м2

относительное удлинение 1%

Масса детали составляет 0.075 кг, относится к I группе по массе.

Относится ко 2 группе сложности, т.к. деталь простой формы с несложной внешней криволинейной поверхностью и цилиндрическим отверстием.

К полученному изделию предъявляются следующие требования:

. Точность отливки 7 - 0 - 0 - 6 ГОСТ 26645 - 85.

Отливка является 7 класса размерной точности; к массовой точности и к степени коробления требований не предъявляется (массовая точность - 0 класса, геометрическая точность степени коробления - 0 класса); геометрическая точность припуска на механическую обработку отливки соответствует 6-му ряду.

. Отливка требует механическую обработку.

. Допускаются одиночные раковины диаметром не более 2 мм, глубиной не более 1мм, в количестве не более 5 шт.

. Изделие допускается изготавливать из сплавов марок АК7 по ГОСТ 1583-93.

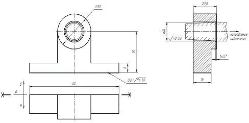
Конструкция литой детали должна обеспечить удобство извлечения модели отливки из формы, что достигается при наименьшем количестве разъемов, отъемных частей и стержней. Деталь «Опора» имеет массу 0.075 кг. Минимальная толщина стенки - 8 мм, максимальная - 20,8 мм, отверстие диаметром 16 мм длиной 20,8 мм. Является неответственной деталью, имеет шероховатость Ra 12,5. Удобно извлекается из формы, при ее изготовлении не применяются дополнительные отъемные части. Из всего сказанного можно сделать вывод: деталь «Опора» является технологичной, т.к. мы можем обеспечить данную толщину стенок, а так же плавные переходы литьем.

Рисунок 1.1 - Эскиз детали

ГЛАВА 2

АНАЛИЗ ВОЗМОЖНЫХ СПОСОБОВ ПОЛУЧЕНИЯ ОТЛИВКИ. ОБОСНОВАНИЕ ВЫБОРА МЕТОДА ПОЛУЧЕНИЯ ОТЛИВКИ

Литье в песчано-глинистую форму

Песчано-глинистые формы изготовляют из формовочных смесей в опоках при помощи моделей и другой модельно-опочной оснастки.

Литьем в песчано-глинистые формы изготовляют около 80 % общего количества отливок.

Преимущества: дешевизна способа, хорошая газопроницаемость и податливость формы, регенерируемость смеси, возможность изготовления отливок любой конфигурации, массы и из любых литейных сплавов, автоматизация производства.

К недостаткам способа относятся: низкая точность отливок, большие припуски на механическую обработку, низкая прочность формовочной смеси, невысокая производительность, плохие санитарно-гигиенические условия труда.

Вывод: Данный способ нам не подходит, т.к. в ПГФ можно получить 8 класс точности, а нам нужен 7 класс точности.

Литье в кокиль

Суть метода состоит в том, что отливки изготавливают в многоразовых металлических формах.

Преимущества литья в кокиль: многоразовое использование формы, повышение размерной точности, уменьшение шероховатости, повышение плотности, улучшение структуры отливки, на 15-30% увеличиваются механические свойства, автоматизация производства, отсутствуют трудоемкие операции формовки и выбивки, уменьшение объема формовочных материалов, отсутствие пригара.

Недостатки: высокая стоимость кокиля, сложность и длительность его изготовления; плохая заполняемость тонких стенок; ограничение по серийности, массе, конфигурации, сплавам; кокиль газонепроницаем (возникают газовые пористости), неподатливый (возникают внутренние напряжения). Интенсивность охлаждения отливки резко снижает жидкотекучесть расплава, что затрудняет получать литьем в кокиль тонкостенные отливки. А чугунные отливки, как правило, получаются с отбелом поверхности.

Данный способ целесообразно применять в массовом и серийном производстве отливок. Особо широкое распространение оно нашло в производстве отливок из цветных сплавов (алюминиевых, магниевых, медных и т. п.).

Вывод: отливку «Опора» нельзя изготовить данным способом, т.к. её масса составляет 75 г, а литьём в кокиль можно изготавливать отливки массой от 0,5 кг.

Литьё в оболочковые формы

Суть способа состоит в том, что отливки изготавливаются в разовых тонкостенных формах из песчано-смоляных смесей по горячей оснастке.

Этот вид литья применяется для получения отливок с повышенной чистотой поверхности и большей размерной точностью.

В оболочковых формах можно получить отливки массой от нескольких сот грамм до 100 кг из чугуна, обычных и легированных сталей, цветных и специальных сплавов. Толщина стенки отливки должна быть в пределах 2-8 мм.

Преимущества способа: повышенная чистота поверхности (4-6 класс) и точность (5-8 класс), уменьшение количества побочных материалов, устранение трудоемких операций, возможность полной автоматизации.

Недостатки: высокая стоимость связующих, плохая экологичность способа, недостаточная жесткость оболочек и их коробление при габаритных размерах свыше 1500 мм.

Вывод: наша отливка имеет массу 75 г, а литьём в оболочковые формы можно изготовлять отливки массой от нескольких сот грамм, следовательно, этот способ не подходит.

Центробежное литьё

Суть метода состоит в том, что металл заливается во вращающуюся форму, либо форма приводится во вращение сразу после заливки, кристаллизация идет под действием центробежных сил.

Центробежным литьём изготавливают отливки общего назначения, имеющие форму тел вращения, и трубы.

Преимущества способа:

отливки получаются плотные, без усадочных пустот и газовой пористости;

больший выход годного по причине отсутствия литниково-питающей системы;

лучше заполняемость форм металлом;

возможность получения отливок из сплавов с низкой жидкотекучестью;

возможность получения отливок с центральным отверстием без применения стержней;

улучшенные условия труда;

возможность получения двухслойных отливок.

Недостатки:

трудность получения качественных отливок из сплавов, склонных к ликвации;

неточность диаметра центрального отверстия;

загрязнение свободной поверхности ликватами и неметаллическими включениями;

необходимость сложной оснастки;

ограниченная номенклатура отливок.

Вывод: центробежное литьё не подходит, т.к. этот способ использует отливки общего назначения и тела вращения, а наша отливка не имеет тел вращения.

Непрерывное литьё

Суть способа состоит в том, что расплавленный металл равномерно и непрерывно поступает в охлаждаемую форму-кристаллизатор с одного конца и в виде затвердевшего слитка вытягивается специальным устройством с другого конца.

Преимущества способа:

) Возможность получения слитка, трубы, профиля неограниченной длины и требуемого поперечного сечения;

) Увеличение выхода годного за счет уменьшения расхода металла на прибыльные и донные части слитков;

) Уменьшение ликвационной неоднородности отливки, устра­нение усадочных раковин и газовой пористости;

) улучшение поверхности отливки.

Недостатки: узость номенклатуры отливок, невозможность изготовления отливок сложной конфигурации.

Непрерывное литье используется для получения фа­сонных профилей, квадратных, круглых, шестигранных, прямо­угольных, с отверстиями, шестерен и т.д. Такие отливки изго­товляют из чугуна, медных сплавов: бронз, латуней.

Это позволяет достичь высокой экономичности - получить заготовку с мини­мальными припусками на механическую обработку, повышенной точности при высокой производительности.

Вывод: непрерывное литье нам не подходит, т.к. отливка «Опора» имеет неподходящую для данного способа форму.

Литьё по выплавляемым моделям

Суть метода состоит в том, что отливки получают в разовых неразъемных тонкостенных формах, которые изготавливаются по разовым моделям.

Преимущества способа:

возможность изготовления отливок из любых сплавов;

возможность изготовления отливок сложной конфигурации;

возможность изготовления отливок с минимальным припуском на механическую обработку либо без него;

возможность использования в производстве любой серийности;

малое количество формовочных материалов;

высокая точность отливок (3-6 класс);

возможность изготовления отливок массой до 500 кг.

Недостатки:

способ многооперационный, длительный;

большая номенклатура материалов;

малый выход годного;

сложность автоматизации.

Характерные особенности метода:

использование разовой модели;

модель не имеет разъема и знаковых частей, её контуры полностью повторяют контуры отливки;

формовочная смесь состоит из жидкой суспензии и слоя обсыпки;

металл заливают в нагретые формы (900°).

Получают отливки почти любой конфигурации с высокими требованиями по чистоте и размерной точности из жаропрочных сплавов, сталей, цветных сплавов.

Вывод: Данный метод является самым сложным и длительным процессом из всех видов литья. Способ дорогой, многооперационный, неавтоматизированный. Данным методом отливку «Опора» получить можно, но дорого, следовательно, его не целесообразно применять.

Литьё под давлением

Суть метода состоит в том, что отливку получают в многоразовых металлических формах. Заполнение формы и кристаллизация отливки происходят под действием внешних сил.

Данный способ позволяет получить отливки с чистотой поверхности по 5-7 классу с размерной точностью 3-5 класса с минимальными припусками на механическую обработку или даже без неё.

Способ используется для изготовления отливок массой о нескольких грамм до 50кг с толщиной стенок менее 1мм. Используемые сплавы: алюминиевые, цинковые, магниевые, медные.

Преимущества литья под давлением:

многократное использование формы;

полное исключение формовочных и стержневых смесей;

благодаря точности размеров и поверхности, возможно получить отливки без механической обработки;

возможность получения тонкостенных отливок;

полное исключение трудоемких операций (очистка, выбивка, обрубка);

полная автоматизация процесса;

возможность получения плотных отливок;

хорошие условия труда.

Недостатки:

дороговизна способа;

сложность выполнения отливок с поднутрениями;

форма газонепроницаема, следовательно, отливки не подвергаются термообработке;

форма неподатлива (появление коробления и трещин);

ограничение по габаритным размерам и массе отливок;

ограничение по применяемым сплавам.

Вывод: Литье под давлением может позволить изготовление элементов отливок с толщиной стенок 8 мм, массой 0,075 кг, классом точности 7.

Более высокий процент годного литья и минимальные припуски снижают себестоимость производства. Литье под давлением полностью автоматизированный процесс. При данном способе минимальное количество дефектов по перекосам.

Высокая производительность, точность являются основными преимуществами по сравнению с другими видами литья.

Следовательно, деталь «Опора» вполне целесообразно изготавливать методом литья под давлением.

ГЛАВА 3

РАЗРАБОТКА ТЕХНОЛОГИЧЕСКИХ МЕРОПРИЯТИЙ ПРОИЗВОДСТВА ОТЛИВКИ

.1 Разработка технологических литейных указаний

При проектировании технологии литья под давлением должно быть уделено внимание выбору типа литниково-питающей системы, обеспечивающей спокойное заполнение формы сплавом, питание, направленную кристаллизацию отливки. В случае применения стержней необходимо обращать внимание на максимальное удобство сборки и соединения форм. Для обеспечения высокого качества отливки, применения механизации и авто­матизации технологического процесса необходимо правильно выбрать положение отливки в форме и линию разъёма.

При заливке положение отливки должно быть выбрано таким образом, чтобы обеспечить вывод газов, получение точных размеров отливки, образование усадочных дефектов минимум. Количество разъёмов должно быть минимальным, а разъёмы должны быть плоскими. Разъем формы должен обеспе­чивать надежное крепление стержней. При определении положения отливки в форме следует следить за тем, чтобы общая высота формы была наименьшей.

При выборе положения плоскости разъема были предусмотрены переходы и углы сопряжения стенок, которые должны исключать вероятность получения отливок с усадочными раковинами, пористостью и трещинами.

Поверхность разъема формы выбирают с учетом ряда рекомендаций:

плоскость разъема формы должна обеспечивать извлечение отливки из неподвижной и выталкивание из подвижной частей формы;

число разъемов и место их расположения должны обеспечивать удобное извлечение стержней, удаление воздуха и газов из полости формы, возможность рационального размещения литниковой системы;

плоскости разъемов должны размещаться так, чтобы образующийся облой не сказывался на точности отливки, а также удалялся с отливки, по возможности механизированным способом.

Деталь «Опора» не имеет внешних и внутренних поднутрений,

препят­ствующих свободному удалению ее из пресс-формы, острых углов. Конструкция детали позволяет поместить ее в одну полуформу.

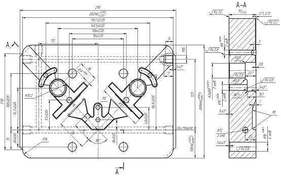
Рисунок 3.1 - Расположение плоскости разъема

Далее следует выбрать внешние и внутренние литейные уклоны согласно ГОСТ 3212-92, для обеспечения более простого извлечения отливки из пресс-формы. Уклоны назначаются на поверхности перпендикулярные плоскости разъема.

На все обрабатываемые поверхности назначаются припуски на механическую обработку по ГОСТ 26645-85.

Деталь имеет цилиндрическое отверстие диаметром 16 мм, которое изготавливается с помощью стержня.

Подвод металла осуществляем по линии разъема пресс формы, при этом облой не будет сказываться на качестве поверхности отливки.

Отливка имеет массу 0,075 кг, минимальную толщину стенки 8 мм, максимальную - 20,8 мм. Т.к. изготовление пресс-формы дорогое, то целесообразно в пресс-форме располагать сразу несколько отливок, в нашем случае две.

При заполнении оформляющей полости находящийся в ней воздух, а также выделяющиеся из сплава газы сжимаются, препятствуя заполнению формы. При этом температура газа может достигать 300-400 ºС. На изделии могут появиться дефекты в виде резко выраженных спаев в местах встречи потоков расплава, недоливов, прижогов. Кроме того, происходит растворение газа в отливке, приводящее к уменьшению прочности и деформации изделия. В связи с этим, для отвода газов из оформляющего гнезда в форме предусматривают вентиляционные (газоотводящие) каналы в местах, заполняемых расплавом в последнюю очередь. Это, как правило, наиболее удаленные от места впуска участки полости с максимальным сопротивлением течению, где происходит защемление и сжатие газа. В нашем случае вентиляционные каналы расположены в промывниках.

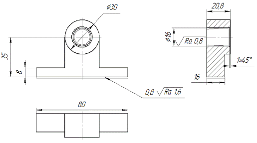
Рисунок 3.2 - Эскиз детали с нанесенной технологией

.2 Разработка конструкции модельно-литниковой оснастки

Основные детали пресс-формы в зависимости от их назначения подразделяют на три группы: формообразующие, конструктивные и входящие в механизмы пресс-формы.

Формообразующие детали являются наиболее ответственными, т.к. они соприкасаются с жидким сплавом, в той или иной степени участвуют в оформлении поверхностей отливок и наиболее сильно подвергаются термическому воздействию и механическим нагрузкам. Эти детали изготавливают из жаростойких сталей, обладающих высокими механическими свойствами. Для повышения износостойкости и уменьшения химического взаимодействия с заливаемым сплавом формообразующие детали подвергают термообработке, а их рабочие поверхности - цианированию. Формообразующие детали пресс-форм для литья алюминиевых сплавов изготовляют из сталей 5Х3В3МФС, 4Х4МФС, 4Х5МФС ГОСТ 5950-2000.

Конструктивные детали служат для установки формообразующих деталей в подвижной и неподвижной полуформах, обеспечения их точного взаимного расположения и направления, а также для крепления пресс-формы к машине. К ним относятся плиты матриц, пуансонов, плиты прижимные, плиты толкателей, колонки направляющие и втулки, болты, гайки, штифты.

Плиты пуансона и матрицы выполняют толщиной 50 мм. Такие толщины необходимы для обеспечения жёсткости и массивности плиты во избежание коробления при нагреве и для поддержания требуемого температурного режима формы. Конструктивные детали должны быть достаточно прочными, чтобы не деформироваться под действием усилий, передаваемых формообразующими деталями при возникновении гидродинамического давления в процессе заполнения пресс-формы и статического давления в процессе подпрессовки.

Литниковая втулка применяется для соединения полости формы с камерой прессования машины. Она представляет собой канал, который является продолжением камеры прессования. Применение литниковой втулки позволяет предохранить пресс-форму от быстрого износа.

Для удаления отливки используется система выталкивателей. Выталкиватели имеют вид стальных штифтов круглого сечения, диаметром 10 мм. Отверстия в плитах, через которые проходят выталкиватели, увеличиваем на 0.3-0.4 мм для образования зазора, уменьшающего трение.

Таблица 2 - Материал деталей пресс-формы

Наименование

Конфигурация деталей

Марка материала

ГОСТ

Термообработка

Стержень

любая

 5X3B3МФС  4Х4ВМФС

5950-2000

Закалка цианирование

Выталкиватели

любая

У10 3Х2В8Ф 4Х5В2ФС

1435-99

Втулки литниковые

любая

Х12 3Х2В8Ф 4Х8В2

5950-2000

закалка

Плиты

любая

40Х 45 35

4543-75 1050-88

Колонки направляющие

любая

У10, У8 45

1435-99 1050-88

закалка

 Матрица

любая

5X3B3МФС

5950-2000

__

Пуансон

любая

5X3B3МФС

5950-2000

__


Для остальных деталей пресс-формы (плит, выталкивателей, втулок и т.д.) используют конструкционные стали марок 35, 40, 20, 45.

Элементы литниковой системы оформляем на вставке пуансона, это позволяет уменьшить стоимость пресс-формы.

Выбор машины

При выборе машины необходимо учитывать особенности сплава, из которого предполагают получать детали (алюминиевые, магниевые, медные и цинковые сплавы для машин с холодной камерой, цинковые и оловянно-свинцовые для машин с горячей камерой). Наша отливка изготавливается из алюминиевого сплава.

Для изготовления отливки «Опора» выбираем машину с горизонтальной холодной камерой прессования А711А08. Холодная камера дешевле, чем горячая, что также способствует выбору машины марки А711А08.

Наша отливка имеет массу 0.075 кг, а данная марка машины позволяет изготавливать отливки массой до 3.6 кг. Поэтому мы можем изготовить сразу несколько отливок, включая элементы литниковой системы. В нашем случае возможно изготовить две отливки.

Техническая характеристика машины с холодной горизонтальной камерой прессования представлена в таблице.

Таблица 3 - Техническая характеристика машины марки А711А08

Параметры

Машина марки А711А08

Внутренние диаметры стаканов прессования, мм Наибольшая масса металла в камере прессования, кг: Усилие запирания, тс Производительность, циклов/ч Усилие прессования, тс Наибольшее расстояние между неподвижной и подвижной плитами машин, мм Мощность электродвигателя, кВт Рабочее давление жидкости, ат: нормальное Вместимость бака смазки, л Габаритные размеры, мм: длина ширина высота Масса, кг.

45, 95  3.6 2500 160 300±120  600 12.2  105 2 6200±120 1830±120 2560±120 11400


Работа пресс-формы

Пресс-форма для машины с горизонтальной камерой прессования типа А711А08 по плоскости разъёма делится на подвижную и неподвижную части. Матрица неподвижная, а пуансон подвижный. Матрицу крепят к неподвижной плите машины и со стороны камеры прессования соединяют литниковым каналом.

Матрицу и пуансон во время работы в определенных положениях друг относительно друга устанавливают направляющие колонны, которые смонтированы в плите.

Саму отливку располагают в пуансоне. Систему выталкивателей монтируют в подвижной части.

К плите винтами крепят щитки, предохраняющие от разбрызгивания металла, а также каналы для выхода воздуха и газов из полости пресс-формы при заполнении её жидким металлом.

После раскрытия пресс-формы отливка из подвижной части формы удаляется с помощью выталкивателей. Их закрепляют в соединенных болтами плитах. После остывания отливки при раскрытии пресс-формы плиты останавливаются специальными неподвижными опорами, а плиты пуансона и отливки продолжают двигаться вместе с подвижной плитой; выталкиватели, оставаясь на месте, упираются в отливку и удаляют её из пресс-формы. Выталкиватели устанавливают в положение с помощью контртолкателей.

Водоохлаждение пресс-формы

Для повышения производительности труда и улучшения качества отливок в пресс-формах применяют водяное охлаждение.

Для предохранения рабочих деталей пресс-формы от чрезмерного нагрева и поддержания определенной температуры в пресс-форме устанавливаются каналы диаметром 8-12 мм для циркуляции проточной воды, поступающей из водопроводной сети.

Вода к форме подводится с помощью резиновых трубок, надетых на штуцера и соединенных с водопроводом и канализацией. Благодаря такому способу охлаждения пресс-формы (особенно небольших размеров) работают с постоянной температурой.

Водяное охлаждение благоприятно влияет на качество отливок, когда водяные каналы расположены в непосредственной близости от отливок и литниковой втулки, а не на периферии. Водяное охлаждение действует наиболее эффективно, повышая производительность труда.

Также кроме водяного охлаждения применяется обдувка сжатым воздухом поверхностей разъема пресс-формы после каждой заливки при ее раскрытии.

Рисунок 3.3 - Эскиз пуансона

.3 Разработка технологических этапов производства отливки

Первый этап заключается в плавке металла и подготовке к ней шихтовых материалов и самой печи. Шихтовые материалы подготавливаются, загружаются в лоток и подаются к плавильным печам. Плавка металла ведется в индукционной печи ИАТ2.5М1. Тигель печи и желоб очищаются от металла и шлака. Затем шихтовые материалы загружаются в печь, и производится плавка. При температуре 720-750°С с зеркала металла снимается шлак, отливается проба на химический анализ, при необходимости производится доводка сплава по химическому составу. После 10-12 минут отстаивания металла шлак снимается с поверхности шумовкой в изложницу. отливка сплав литейный оснастка

На следующем этапе производится заливка и прессование. Сначала требуется проверить правильность установки ковша. Затем печь наклоняется и с помощью поворотного механизма ковш наполняется металлом. После наполнения ковша печь выпрямляется, и металл доставляется на место заливки. В заливочной машине литья под давлением А711А08 металлопровод и каналы нужно очистить от шлака и примерзшего металла. Далее полость пресс-формы разогревается до температуры 900С. Нужно включить машину и установить необходимые параметры. Требуется обдуть и смазать пресс-форму, закрыть предохранительную шторку. Потом пресс-форму надо закрыть и запереть. Затем доза металла заливается в заливочное окно, производится прессование и выдержка для кристаллизации.

Плавку и заливку алюминия производят при строгом соблюдении температурного режима и постоянном и точном контроле нагрева сплава. Даже незначительный перегрев и излишнее выдерживание сплава при высокой температуре ведут к чрезмерному насыщению его газами и окислами и появлению усадочных раковин. Для удаления окислов необходимо применять флюсы.

После очистки расплава от окислов не следует его перемешивать. Разливку надо производить осторожно, короткой струей. Не следует снимать шлак во время плавки, так как поверхностная пленка окислов защищает расплав от дальнейшего окисления.

На заключительном этапе нужно раскрыть пресс-форму, отвести предохранительную шторку, снять куст отливок и осмотреть, убедиться в отсутствии видимых литейных дефектов; очистить форму от заливов. Далее проводится обрубка литниково-питающей системы на верстаке с помощью молотка и зубила. Обрубленные отливки загружаются и перевозятся на зачистку. Зачистку отливок производят на обдирочно-шлифовальном станке. Зачистку отливок в труднодоступных местах производят напильником на верстаке с тисками. Зажим отливки производится медными губками во избежание образования дефектов на отливке. Галтовку деталей осуществляют в галтовочном барабане для поверхностной очистки отливок. После галтовки производят сортировку отливок и их визуальный осмотр. Контроль осуществляется штангенциркулем, размеры проверяются на соответствие чертежу и ГОСТу.

Контроль качества сплавов

Необходимо внимательно следить за обработкой, температурой и качеством сплавов.

Сплавы проходят строгий контроль по химическому составу и механическим свойствам. Химический состав сплава определяется эксперсс-анализом. Механические свойства сплавов определяются по ГОСТ 1493-73 на отдельно отлитых образцах.

При проведении контроля химического состава сплава нужно отлить образец от каждой плавки в кокиль. Затем отнести образцы в лабораторию для определения химического состава. При несоответствии химического состава требуется произвести подшихтовку сплава и отлить образец на повторный анализ. Необходимо вести контроль над качеством шихтового сплава чистого возврата, разделять возврат по маркам сплава.

Рисунок 3.4 - Эскиз формы

ГЛАВА 4

РАСЧЕТ ОСНОВНЫХ ПАРАМЕТРОВ ВЫБРАННОГО СПОСОБА ЛИТЬЯ

Принцип процесса литья под давлением основан на принудительном заполнении рабочей полости металлической пресс-формы расплавом и формировании отливки под действием сил от пресс-поршня, перемещающегося в камере прессования, заполненной расплавом.

Теплообмен в литниковой системе. Температура заливаемого в форму металла Тзал отличается от температуры сплава в раздаточной печи Тр.п. на сумму температурных потерь: в ковше (ΔТк), камере прессования (ΔТпр) и литниковой системе(ΔТл).

Температурные потери за время tк составляют:

,                                    (4.1)

где αк - коэффициент теплоотдачи от расплава к ковшу, Вт/(м2∙°С); для цинковых сплавов - 34,8, алюминиевых сплавов - 67,7;

Тк - температура подогрева ковша (дозатора), °С;кон - площадь контакта расплава с ковшом, м2;м и mк - масса соответственно металла и ковша, кг;м и ск - удельные теплоемкости соответственно металла и материала ковша, Дж/(кг∙°С).

°С

Температурные потери (ΔТпр) в камере прессования машины рассчитывается с учетом толщины Хсм и теплопроводности λсм смазочного слоя:

,                         (4.2)

где Т΄пр - начальная температура камеры прессования, °С;

F΄пр - площадь контакта расплава с камерой прессования, м2;пр - продолжительность нахождения сплава в камере прессования, с;пр и спр - соответственно масса (кг) и удельная теплоемкость (Дж/(кг∙°С)) материала камеры в зоне контакта.

°С

Температурные потери ΔТл в литниковом канале радиусом Rл и длиной Lл рассчитывается при условии постоянства коэффициента теплоотдачи

() по формуле:

,                             (4.3)

где Т΄л - температура подогрева литникового канала, °С;

uл - скорость потока металла в литниковом канале, м/с.

°С

Продолжительность затвердевания tзатв (с) сплава в питателе и в полости формы рассчитывается по формулам:

                              (4.4) 

где Тпод - температура начала действия подпрессовки, °С;ф - коэффициент тепловой аккумуляции формы, Вт∙с/(м2∙°С), рассчитываемый, как , где λф, сф и rф - соответственно коэффициент теплопроводности, удельная теплоемкость и плотность материала формы;

Тф - температура формы, °С;- удельная теплота кристаллизации сплава, Дж/кг.


После полного затвердевания металла в питателе и отливке начинается ее охлаждение, сопровождаемое образованием зазора вследствие усадки сплава. Продолжительность охлаждения отливки до какой-то заданной по технологическому процессу конечной температуры определяют по выражению:

,                (4.5)

где Хзаз - величина зазора, м;

λзаз - коэффициент теплопроводности зазора (газовой смеси, заполняющей зазор), Вт/(м∙°С);охл - поверхность охлаждения отливки, м2;отл - масса отливки, кг;м - удельные теплоемкости металла, Дж/(кг∙°С);

Ткон - конечная температура охлаждения, °С;

Тсол - температура солидуса металла, °С.

с

Тепловой баланс формы. Температуру формы можно определить из уравнения теплового баланса, по которому суммарное количество теплоты, отдаваемое заливаемым металлом за время одного цикла, определяется как сумма теплоты перегрева металла, кристаллизации сплава и его охлаждения. В этом случае температура формы равна:

,(4.6)

где Ток.ср - температура окружающей среды, °С;

αок.ср. - коэффициент теплоотдачи в окружающую среду, Вт/(м2∙°С);отк. - продолжительность открытия формы, с;ок.ср., Fотк и Fохл - соответственно площади контакта формы с

окружающей средой, открытия и каналов охлаждения, м2.

°С

При заданном диаметре охлаждающих каналов (0,01 м) определяем общую протяженность каналов:

 ,                                            (4.7)

м

Площадь питателя определяется по формуле:

,  (4.8)

Где mотл -масса отливки, кг;

mпром -масса промывника, кг;

ρм. -плотность металла, кг/.



ЗАКЛЮЧЕНИЕ

Дали общую характеристику отливке, произвели анализ требований, предъявляемых к ней. Установили, что наша деталь является технологичной.

Проанализировали возможные способы получения отливки, обосновали выбор метода ее получения. Пришли к выводу, что литье под давлением позволяет изготовить деталь данной конфигурации и массы, является технически и экономически выгодным способом для нашей детали.

Разработали технологические мероприятия производства отливки, включая разработку технологических литейных указаний, разработку конструкции модельно-литниковой оснастки, разработку технологических этапов производства отливки.

Рассчитали основные параметры выбранного способа литья.


СПИСОК ЛИТЕРАТУРЫ:

«Специальные виды литья» под редакцией Степанова Ю.А., М., «Машиностроение», 1970.

« Литейное производство » под редакцией И.Б. Куманина, М., «Машиностроение», 1971.

«Технология литейного производства » под редакцией Ю.А. Степанова, М., «Машиностроение», 1983.

«Литье под давлением» под редакцией М.Б. Беккера, «Машиностроение», 1990.

«Специальные способы литья» под редакцией В.А.Ефимова, «Машиностроение», 1991.

«Специальные виды литья» под редакцией Г.Ф. Баландина, Л.С.Константинова, «Машиностроение», 1970.

Похожие работы на - Технологический процесс получения отливки 'Опора' специальным способом литья

 

Не нашли материал для своей работы?
Поможем написать уникальную работу
Без плагиата!
Без нейросетей!