Расчет башенного крана
1.
Назначение и устройство крана. Приборы и устройства безопасности
Башенные краны являются ведущими грузоподъемными машинами в
строительстве и предназначены для механизации строительно-монтажных работ при
возведении жилых, гражданских и промышленных зданий и сооружений, а также для
выполнения различных погрузочно-разгрузочных работ на складах, полигонах и
перегрузочных площадках. Они обеспечивают вертикальное и горизонтальное
транспортирование строительных конструкций, элементов зданий и строительных материалов
непосредственно к рабочему месту в любой точке строящегося объекта. Темп
строительства определяется производительностью башенного крана, существенно
зависящей от скоростей рабочих движений.
Башенный кран состоит из следующих основных узлов: башня, ходовая
рама с колесами, опорно-поворотное устройство, поворотная платформа с грузовой
и стреловой лебедкой, с противовесом; механизм поворота и электрооборудования,
механизм подъема груза, механизм для изменения вылета, механизм передвижения
крана и т.д.
Рабочими движениями башенных кранов являются подъем и
опускание груза, изменение вылета стрелы (крюка) с грузом, поворот стрелы в
плане на 360°, передвижение самоходного крана. Отдельные движения могут быть
совмещены, например, подъем груза с поворотом стрелы в плане. Все башенные
краны снабжены многодвигательным электроприводом с питанием от сети переменного
тока напряжением 220/380 В.
Рассмотрим назначение и устройство основных узлов и
механизмов башенных кранов.
Балочная стрела - основной рабочий орган крана. По ней
перемещается грузовая тележка, несущая грузовой полиспаст с крюковой подвеской.
Балочные стрелы являются в основном жестко закрепленными и
удерживаются в рабочем состоянии одной или несколькими подвесками, состоящими
из канатов большого диаметра или металлических тяг, соединенными с верхним
поясом стрелы в одной или нескольких точках. Однако имеются также
конструктивные решения балочной стрелы, которая при необходимости может
устанавливаться под углом до 30° к горизонту. При этом в одних случаях грузовая
тележка закрепляется на конце стрелы, а в других имеет возможность перемещаться
с грузом вдоль наклонной стрелы. Поперечные сечения подъемных и балочных стрел
могут быть треугольными, прямоугольными и квадратными. Балочные стрелы
различаются между собой также местом установки грузовой тележки, которая может
перемещаться по двутавровой балке, закрепленной вдоль оси нижнего пояса стрелы,
либо по направляющим, расположенным по сторонам нижней грани стрелы, или по
двум верхним поясам стрелы прямоугольного сечения.
Башня крана является поворотной. Башни могут быть выполнены
сплошностенчатыми, изготовленными из металлического листа или из труб, и
решетчатыми из уголков, труб малого диаметра, гнутых профилей и
комбинированными из разных профилей металла. Различают башни с постоянным и
переменным сечением по высоте, при этом последние могут быть с жестким и
подвижным (телескопическим) соединением. Наиболее распространены решетчатые из
труб башни с квадратным сечением.
Опорная часть строительных башенных кранов на рельсовом ходу
воспринимает все действующие на кран нагрузки и передает их через ходовые
колеса на подкрановые пути.
Опорно-поворотные устройства (ОПУ) башенных кранов
предназначены для соединения и обеспечения вращения поворотной части крана
относительно неповоротной. В кранах с большим грузовым моментом используются
однорядные и двухрядные роликовые и шариковые круги, а также комбинированные
шарико-роликовые круги.
Поворотная платформа, расположенная в нижней части башенного
крана, через опорно-поворотное устройство соединяется с рамой ходовой части
крана. На поворотной платформе устанавливаются башня и стойка, к которым
крепятся удерживающие башню подкосы, механизмы крана, электроаппаратура и
противовес.
Противовес состоит из маркированных по массе железобетонных
плит, которые укладывают на поворотную платформу и закрепляют на ней.
Для горизонтального перемещения груза в кранах с балочными
стрелами применяют грузовые тележки (рисунок 1.1), представляющие собой сварную
раму 1, в нижней части которой расположены два блока 2 для грузового каната, а
в верхней - опорные катки 3. Передвижение тележки по стреле осуществляется
лебедкой, с барабана которой сходят два конца каната, закрепленные на передней
и задней сторонах тележки. В тележках с балансирными катками блоки смещены один
относительно другого в поперечном направлении, а грузовой канат 4 огибает блоки
с внешней стороны.
Рисунок 1.1 - Грузовая тележка башенного крана с балансирными
катками: 1 - сварная рама; 2 - блок; 3 - опорные катки; 4 - грузовой канат
В механизмах поворота башенных кранов используют в основном
двигатели с вертикальным расположением вала и цилиндрическими, червячными или
планетарными редукторами, на выходных валах которых установлены шестерни,
находящиеся в зацеплении с зубчатым венцом опорно-поворотного устройства.
Торможение механизма поворота осуществляется с помощью одноступенчатого
(автоматически при отключении электродвигателя), двухступенчатого (поочередное
прижатие колодок к шкиву) или управляемого (педального) тормозов.
Механизмы передвижения башенных кранов имеют различные
исполнения в зависимости от конструкции ходового оборудования. Опирание кранов
на рельсы осуществляется через ходовые колеса. Для того чтобы нагрузка
воспринималась всеми колесами их объединяют в балансирные тележки (по два, три,
четыре колеса). Две тележки являются приводными (ведущими) и две - ведомыми.
Для более плавного движения крана приводные тележки устанавливают на разных
рельсах (одна напротив другой или по диагонали). При работе крана на путях с
закруглениями обе ведущие тележки располагают на внешнем рельсе, обеспечивая
тем самым плавность движения крана.
В кранах с поворотной башней кабины подвешивают под стрелой
на правой от нее боковой поверхности башни. Кабина может быть подвешена и к
нижнему поясу балочной стрелы у места ее крепления, а также переставляться по
высоте башни.
Башенный кран снабжается рядом приборов и устройств,
обеспечивающих его безопасную эксплуатацию. К таким приборам относятся:
а) концевые выключатели, предназначенные для
автоматической остановки механизмов крана с электрическим приводом;
б) блокировочные контакты, применяемые для электрической
блокировки двери входа в кабину крана с посадочной площадки;
в) ограничители грузоподъемности, предназначенные для
предотвращения аварии крана, связанных с подъемом груза массой, превышающей его
(с учетом вылета крюка) грузоподъемность;
г) указатель грузоподъемности, устанавливаемый на
кранах стрелового типа, у которых грузоподъемность изменяется с изменением
вылета крюка. Прибор автоматически показывает, какова грузоподъемность крана
при установленном вылете, что помогает предотвратить перегрузки крана;
д) анемометр. Таким прибором должны оборудоваться
башенные краны для автоматической подачи звукового сигнала при опасной для
работы скорости ветра;
е) противоугонные устройства, применяемые на кранах,
работающих на наземных рельсовых путях, для предупреждения угона их ветром;
ж) опорные детали, которыми снабжаются башенные краны, а
также грузовые тележки для уменьшения динамических нагрузок на
металлоконструкцию в случае поломки осей ходовых колес;
з) упоры, устанавливаемые на концах рельсового пути для
предупреждения схода с них грузоподъемных машин;
и) звуковой сигнальный прибор, хорошо слышимый в местах
перемещения груза, и отличающийся по тональности от автомобильного сигнала.
2
. Патентный анализ
Рассмотрим первое изобретение. Оно относится к грузоподъемным
механизмам, в частности к крюкам для перекрытия зева предохранительным
приспособлением. Сущность изобретения: верхний элемент представляет свободно
охватывающего хвостовик одним концом пластину, выполненную с окном на другом
конце для носовой части рога крюка.
Цель изобретения повышение безопасности работы крюка за счет
замыкания его зева по контуру тела крюка предохранительным приспособлением,
предотвращающим одновременно выпадение строповочной петли.
Грузовой крюк 1 (рисунок 2.1) содержит предохранительное
приспособление, выполненное из двух элементов: нижнего 2 с вытачкой 3 по
наружному диаметру и верхнего 4 с окнами 5 и 6 в виде пазов на концах. Пластина
окном 5 свободно охватывает хвостовик 7 крюка, а окном 6 она охватывает носовую
часть рога 8 крюка. При этом нижний элемент 2 с верхним элементом 4 соединены
винтом 9 и гайкой 10. Для быстродействия между гайкой и верхним элементом
устанавливается быстросъемная шайба 11, а крепежное отверстие 12 пластины при
этом выполняется больше наружного диаметра гайки.

Рисунок 2.1 - Грузовой крюк
Грузовой крюк работает следующим образом.
Предохранительное приспособление устанавливается на крюке 1
путем вставки в зев крюка нижнего элемента 2 и поворота на хвостовике 7
предварительно установленной на нем верхнего элемента 4, который в свою очередь
окном 6 устанавливается на носовую часть рога 8 крюка. Верхний элемент 4
совмещается с нижним элементом 2, после чего они стягиваются между собой винтом
9 и гайкой 10, а между ними устанавливается через гайку быстросъемная шайба 11.
При этом нижний элемент 2 вытачкой 3 упирается в тело крюка, а верхний элемент
4 окнами охватывает с натягом хвостовик и носовую часть рога крюка, образуя
замкнутое тело крюка, и надежно в таком положении закрепляются между собой,
перекрывая зев крюка от снятия грузовой петли и замыкая его по контуру тела
крюка.
Грузовой крюк, содержащий предохранительное приспособление,
перекрывающее его зев для предотвращения выпадения строповочной петли, выполнен
в виде двух элементов, верхнего и нижнего, соединенных между собой посредством
винта и гайки, нижний из которых выполнен в виде полукольца с выточкой по
наружному диаметру для взаимодействия с телом крюка, отличается тем, что
верхний элемент представляет свободно охватывающую хвостовик одним концом
пластину, выполненную с окном на другом конце для носовой части рога крюка [1].
Рассмотрим второе изобретение. Оно относится к
подъемно-транспортному машиностроению и может быть использовано для
грузоподъемных механизмов в качестве канатного барабана.
Цель изобретения - повышение безопасности и надежности работы
грузоподъемного механизма.
Барабан (рисунок 2.2) содержит цилиндрическую рабочую
поверхность 1 с профильными канавками 2 и реборды 3. В зоне примыкания реборд 3
к цилиндрическим рабочим поверхностям 1 выполнены переходные участки 4,
предназначенные для перевода каната 5 на уровень вышележащего слоя. Кроме того,
на ребордах выполнены дополнительные переходные участки 6, расположенные в
зонах перехода каната на каждый вышележащий слой. Переходные участки 4 и 6
выполнены в виде усеченных конусов с углом между образующей и осью барабана
45°. Участки 7 внутренней поверхности реборды 3, расположенные между
переходными участками 4 и 6, выполнены вертикальными.
Для обеспечения контакта крайнего витка каната 5 одновременно
с цилиндрической рабочей поверхностью 1 и переходным участком 4 высота конуса
принята равной.
Край вертикального участка 7 должен совпадать с поверхностью
А, образованной верхними образующими каната соответствующего слоя.
Устройство работает следующим образом.
Выходя на цилиндрическую рабочую поверхность 1 в точке δ, канат 5 наматывается на барабан, формируя первый слой намотки.
Намотка первого слоя заканчивается в точке b, в которой канат
вступает в контакт с переходным участком 4. При дальнейшей намотке канат переходит
на вышележащий слой. В процессе перехода канат с одной стороны опирается на
крайний виток первого слоя. С другой стороны он опирается на поверхность
переходного участка 4 или вертикального участка 7. Таким образом, при переходе
на вышележащий слой канат имеет две опорные точки, воспринимающие составляющие Q и Р усилия в
канате. Угол β между этими составляющими
не превышает 135°, что определяет устойчивое положение переходного витка
каната.
Рассмотрим третье изобретение. Оно относится к подъемно-транспортному
оборудованию. Целью изобретения является повышение эксплуатационных
характеристик.
Рисунок 2.2 - Барабан для многослойной навивки каната
Барабан для многослойной навивки каната, содержащий
цилиндрическую рабочую поверхность с профильными канавками и ребордами с
переходным коническим участком для перевода каната на уровень следующего ряда,
отличается тем, что, с целью повышения безопасности и надежности работы, каждая
реборда выполнена с дополнительными коническими участками под углом 45 °к
вертикали в конце каждого ряда уложенного каната, при этом высота усеченного
конуса радиального сечения каждого переходного участка Н = 1,58 Rк, а расстояние между
переходными участками в радиальных направлениях С = 2,42 Rк, где Rк - радиус навиваемого на
барабан каната [2].
Механизм подъема груза (рисунок 2.3) состоит из приводного
барабана 1, на каждой из половин которого выполнены встречные винтовые канавки
2,3 под канат 4, и полиспастной системы, включающей крюковую подвеску 5 и блок
6. На барабане 1 установлен замкнутый кольцеобразный элемент 7 с гнездами 8, в
которых установлены ролики 9, имеющие профиль, соответствующий винтовой канавке
2. Ролик 9 установлен на оси 10, которая закреплена с помощью шайбы 11, гайки
12, шплинта 13. Ролики 9 охватывают поверхность винтовой канавки 2 с
возможностью перемещения кольцеобразного элемента вдоль барабана 1. Точки
контакта 14 роликов 9 с поверхностью винтовой канавки 2 лежат на винтовой линии
15, соответствующей шагу t винтовой канавки 2. Ширина С элемента
7 больше шага t.
Работает механизм подъема груза следующим образом.
При вращении барабана 1 одна из ветвей каната 4 укладывается
в винтовой канавке 3. При этом точка набега этой ветки на барабан 1
перемещается в осевом направлении барабана 1, другая ветвь каната 4
перемещается в осевом направлении барабана 1 вместе с замкнутым кольцеобразным
элементом 7 и роликами 9, установленными в гнездах 8 на осях 10.
Рисунок 2.3 - Механизм подъема груза
Поверхность винтовой канавки 2 обкатывает ролики 9. Так как шаг
t винтовых канавок 2 и 3 одинаковый, то в каждый момент времени ветви
каната 4 отклоняются от вертикали на один угол, что обеспечивает строго
вертикальный подъем. Так как ветвь каната 4, связанная с замкнутым
кольцеобразным элементом 7, лежит в вертикальной плоскости, проходящей через
ось барабана 1, то крутящий момент на барабане 1 от натяжения этой ветви
отсутствует. Кроме того, установка роликов 9 в кольцеобразном элементе 7
позволяет уменьшить силу трения и соответственно уменьшить крутящий момент от
этой силы. Канат 4 огибает крюковую подвеску 5 и блок 6. Ролики 9 установлены в
гнездах 8 на осях 10, которые закреплены шайбами 11, гайками 12, шплинтами 13.
Точки контакта 14 роликов 9 с поверхностью винтовой канавки 2
образуют винтовую линию 15, имеющую шаг t. Полное охватывание винтовой
канавки 2 роликами 9 исключает раскачку кольцеобразного элемента 7, возможность
его перескакивания через шаг t и делает его перемещение вдоль оси
барабана 1 более плавным.
Использование изобретения позволит повысить эксплуатационные
характеристики путем повышения грузоподъемности без увеличения мощности
привода.
Механизм подъема груза, содержащий приводной барабан,
состоящий из двух половин, на каждой из которых выполнена винтовая канавка для
каната, полиспастную систему с крюковой подвеской, канат которой одним концом
жестко закреплен на одной из половин барабана, а другим соединен с замкнутым
кольцеобразным элементом, при этом последний выполнен с гнездами, в которых
расположены ролики, имеющие профиль винтовой канавки барабана, отличается тем,
что, с целью повышения, эксплуатационных характеристик путем повышения
грузоподъемности без увеличения мощности, каждый ролик замкнутого
кольцеобразного элемента установлен с возможностью контакта с винтовой канавкой
барабана в пределах шага по винтовой линии, соответствующей винтовой
канавке [3].
3
. Расчёт механизма подъёма груза
3.1 Выбор
кинематической схемы
Механизм подъема груза состоит из электродвигателя,
передаточного устройства (редуктора, муфт, валов), барабана, полиспаста,
тормоза и крюковой подвески.
На рисунке 3.1 показана схема механизма подъема, которая
получила широкое распространение в современных конструкциях башенных кранов.
В рассматриваемой схеме вал электродвигателя 1 соединяется с
входным валом редуктора 4 с помощью упругой втулочно-пальцевой или зубчатой
муфты 2 с тормозным шкивом (со стороны редуктора), который используется для
установки тормоза 3. Соединение с помощью упругой муфты предпочтительнее, т. к.
она уменьшает динамические нагрузки в период пуска электродвигателя механизма,
особенно асинхронного с короткозамкнутым ротором. Если межосевое расстояние не
допускает размещение тормоза между электродвигателем и редуктором, тормоз можно
установить на втором входном валу редуктора с противоположной стороны. Выходной
вал редуктора выполнен в виде зубчатого венца, размеры и число зубьев которого
могут быть заимствованы из таблиц каталога на редукторы. В выточке выходного
вала редуктора помещается сферический подшипник 5, на который опирается ось 6
барабана 7. Соединение зубчатого венца на конце выходного вала редуктора со
ступицей, имеющей на внутренней поверхности зубья и прикрепленной болтами к
барабану, представляет собой встроенную в барабан зубчатую муфту.
Рисунок 3.1 - Схема механизма подъема груза со встроенной
в барабан зубчатой муфтой
Принимаем механизм подъёма с одинарным четырехкратным
полиспастом. [4, с. 13]
3.2
Выбор крюковой подвески
По таблице III.2.5 [5, с. 298] выбираем подвеску крюковую
типа I
грузоподъемностью Qп = 12,5 т, режим работы - легкий, число
блоков zп = 2, диаметр блоков по дну канавок Dбл.0
= 400 мм, расстояние между осями крайних внутренних блоков Ввн
= 225 мм, масса подвески mп = 128 кг.
3.3
Выбор каната
Максимальное статическое усилие Smax, Н, в канате определяют
по формуле
где G - вес груза вместе с весом крюковой подвески, Н;
zк.б - число ветвей каната, навиваемых на
барабан;
uп - кратность полиспаста;
hп - КПД полиспаста;
hн.бл - КПД направляющих блоков определяется по
формуле
где 
- число направляющих блоков;

- КПД одного неподвижного блока, 
.
Тогда
Тогда максимальное статическое усилие
Произведение максимального статического усилия в канате на
коэффициент использования не должно превышать минимального разрывного усилия
каната в целом
где Sразр - разрывное усилие каната в целом, Н;
kзап - коэффициент использования каната,
регламентируемый Правилами устройства и безопасной эксплуатации грузоподъёмных
кранов. Значения kзап для разных классификационных групп
механизмов приведены в таблице 2.3 [4, с 19].
Тогда
По таблице III.1.1 [5, с. 277] выбираем канат двойной свивки
типа ЛК-Р конструкции 6х19 (1 + 6 + 6/6) + 1 о. с. ГОСТ 2688-80. Маркировочная
группа 1764 МПа, Sразр = 152000 Н, диаметр каната 16,5 мм.
Должно выполняться соотношение между диаметром выбранного
каната и диаметром блока крюковой подвески
где Dбл - диаметр блока по средней линии навитого
каната, мм;
dк - диаметр каната, мм;
е - коэффициент выбора, регламентируемый Правилами
устройства и безопасной эксплуатации грузоподъёмных кранов, таблица 2.4 [4, с.
19].
Тогда
Условие выполняется.
3.4
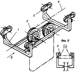
Расчёт барабана
Диаметр барабана Dб, измеряемый по средней
линии навитого каната, согласно указаниям Правил, определяется по формуле (4).
Приняв Dб, найдём диаметр барабана по дну
канавок
Полученное значение Dб0 округляем до
стандартного значения 320 мм.
При многослойной навивки каната на барабан расчётный диаметр
(диаметр по средней линии навитого каната) равен
где 
- диаметр по средней линии каната на последнем слое навивки
(рисунок 3.2), определяется по формуле
Рисунок 3.2 - Схема для определения расчётного диаметра
барабана
Тогда
Расчётный диаметр барабана равен
Диаметр максимальной окружности, описываемой крайней точкой
установки барабана Dmax, предварительно можно принять по
следующему соотношению
Длина каната навиваемого на барабан с одного полиспаста
где 
- высота подъёма груза, м.
Тогда
Рабочая длина барабана для каната, свиваемого с полиспаста
где 
- шаг витка, м;

- число слоёв навивки;

- коэффициент неплотности навивки, для гладких барабанов 
.
Тогда
Минимальная толщина стенки литого чугунного барабана определяется
по формуле
Принимаем 
.
Приняв в качестве материала барабана сталь марки 55Л (
) [6, с. 260], найдём напряжение сжатия в стенке барабана по
формуле
При многослойной навивки каната на барабан допускаемое
напряжение сжатия в стенке барабана
где 
- коэффициент учитывающий повышение напряжения сжатия в стенке
барабана в зависимости от числа слоёв навивки каната на барабан [5, с. 62], к
= 1,36.
Тогда
Условия прочности выполняются.
Для повышения безопасности и надежности работы механизма
подъёма груза необходимо на каждой реборде выполнить дополнительные конические
участки под углом 45 ° к вертикали в конце каждого ряда уложенного каната
(рисунок 3.3).
Рисунок 3.3 - Реборда барабана с дополнительными коническими
участками
Высоту усеченного конуса радиального сечения каждого
переходного участка определим по формуле
где 
- радиус каната, мм.
Тогда

Тогда
3.5
Выбор двигателя
кран башенный двигатель барабан
Максимальная статическая мощность, кВт, которую должен иметь
механизм в период установившегося движения при подъеме номинального груза
где G - вес номинального груза и крюковой подвески,
кН;
v - скорость подъема груза, м/с;
hпр - предварительное
значение КПД механизма, hпр = 0,80…0,85.
Тогда
Номинальная мощность двигателя Nдв
Из таблицы III.3.5 [5, с. 313] выбираем крановый
электродвигатель с фазным ротором MTF 411-6, имеющим при ПВ = 25% номинальную
мощность Nдв = 27 кВт и частоту вращения nдв
= 955 об/мин. Момент инерции ротора Jр.дв = 0,5
кг·м2, максимальный пусковой момент двигателя Тдв.max
= 650 Н·м.
3.6
Выбор редуктора
Частота вращения барабана
Передаточное число привода
Расчётная мощность редуктора, кВт, определяется по формуле
где 
- коэффициент учитывающий условия работы редуктора таблица 1.34
[5, с. 40];
Тогда
Из таблицы III.4.5 [5, с.
318] по передаточному числу и мощности выбираем редуктор цилиндрический,
двухступенчатый, горизонтальный, крановый типоразмера РМ-500 (IV) с передаточным числом 
и мощностью на быстроходном валу при легком режиме работы 
Передаточное число редуктора не должно отличаться от требуемого
передаточного числа привода 
более чем на ± 15%
Условие выполняется.
3.7 Выбор муфт и тормоза
Момент статического сопротивления на валу двигателя в период
пуска найдём согласно формуле
где 
- максимальное статическое усилие в канате, Н;

- коэффициент полезного действия барабана, принимаем по таблице
1.18 [5, с. 23], 
;

- коэффициент полезного действия привода барабана, согласно
таблице 5.1 [5, с. 23], 
;

- число полиспастов в системе (число ветвей каната, наматываемых
на барабан), z = 1;
Тогда
Номинальный момент, передаваемой муфтой, принимается равный
моменту статических сопротивлений 
Номинальный момент на валу двигателя определяется по формуле
Расчетный момент для выбора соединительной муфты
где k1 - коэффициент, учитывающий степень
ответственности механизма, таблица 1.35 [5, с. 42], k1 = 1,3;
k2 - коэффициент, учитывающий режим работы
механизма таблица 1.35 [5, с. 42], k2 = 1,1.
Тогда
Из таблицы III.5.6 [5, с. 338] выбираем ближайшую по требуемому
крутящему моменту упругую втулочно-пальцевую муфту №1 с тормозным шкивом
диаметром Dт = 200 мм и наибольшим передаваемым крутящим моментом 500 Н· м.
Момент статического сопротивления на валу двигателя при
торможении механизма, определяется по формуле
Момент, создаваемый тормозом, выбирается из условия
где 
- коэффициент запаса торможения, таблица 2.9 [5, с. 66], 
Тогда
Из таблицы III.5.13 [5, с.
341] выбираем тормоз ТКТ-300 с тормозным моментом 500 Н·м, диаметром тормозного
шкива Dт = 300 мм. Регулировкой можно получить требуемый тормозной момент 
.
3.8 Проверочные расчёты
3.8.1
Проверка двигателя на время разгона
Момент инерции муфты Jм = 0,125 кг· м2.
Момент инерции ротора двигателя и муфты определим по формуле
Средний пусковой момент двигателя определяется по формуле
где 
- максимальная кратность пускового момента электродвигателя;

- минимальная
кратность пускового момента электродвига-теля,
.
Тогда
Время пуска при подъёме груза определяется по формуле
где 
- коэффициент, учитывающий влияние вращающихся масс привода
механизма (кроме ротора электродвигателя и муфты), δ = 1,1…1,25;

- фактическая скорость подъёма груза, определяется по формуле
где 
- фактическая частота вращения барабана, определяется по формуле
Тогда фактическая скорость подъёма груза

Список литературы
1. Пат.
2051860 РФ, МПК6 B 66 C 1/36. Грузовой крюк / С.В. Кравчук, В.М. Луговской;
заявитель и патентообладатель С.В. Кравчук, В.М. Луговской. - №5005549/11;
заявл. 19.08.1991; опубл. 10.01.1996, Бюл. №23. - 2 с.; ил.
2. А.
с. 1194828 СССР, МПК6 B 66 D 1/30. Барабан для многослойной навивки каната /
Е.П. Корзников, М.Д. Давыдов, В.М. Безбородова (СССР). - №3550036/29-11, заявл.
20.12.1982; опубл. 30.11.1985, Бюл. №44 - 2 с.; ил.
3. А.
с. 1794883 СССР, МПК5 B 66 D 1/00, B 66 D 1/30. Механизм подъема груза /
А.А. Харченко (СССР). - №4795236/11, заявл. 27.02.1990; опубл. 15.02.1993, Бюл.
№6 - 3 с.; ил.
4. Довгяло,
В.А. Грузоподъемные
машины: учебно-метод. пособие по курсовому и дипломному проектированию / В.А.
Довгяло, И.И. Суторьма. - Гомель: УО «БелГУТ», 2006. - 101 с.
5. Кузьмин,
А.В. Справочник
по расчетам механизмов подъёмно-транспортных машин / А.В. Кузьмин, Ф.Л. Марон.
- Минск: Выш. шк., 1983. - 350 с.
. Справочник
по кранам: в 2 т. / под общ. ред. М.М. Гохберга. - Т. 2. - М.: Машиностроение,
1988. - 559 с.
7. Симонян,
Л.М. Расчёт
крановых механизмов: Пособие / Л.М. Симонян, Е.М. Масловская. - Гомель: БелГУТ,
2004. - 37 с.
. Иванченко,
Ф.К.
Расчёт грузоподъёмных и траспортирующих машин / Ф.К. Иванченко [и др.]. - Киев:
Вища шк. Головное изд-во, 1978. -576 с.
9.______________________________ Вайнсон,
А.А.
Подъемно-транспортные машины строительной промышленности. Атлас конструкций.
Учебное пособие для технических вузов / А.А. Вайнсон. - М.: «Машиностроение»,
1976. - 152 с.