Разработка системы управления сверлильным станком

  • Вид работы:
    Курсовая работа (т)
  • Предмет:
    Другое
  • Язык:
    Русский
    ,
    Формат файла:
    MS Word
    623,52 Кб
  • Опубликовано:
    2013-11-18
Вы можете узнать стоимость помощи в написании студенческой работы.
Помощь в написании работы, которую точно примут!

Разработка системы управления сверлильным станком

Техническое задание

Разработать систему управления технологическим процессом - сверлильным станком (рис. 1).

Рисунок 1. Сверлильный станок

Назначение: станок предназначен для сверления двух отверстий в заготовке 1.

Исходное состояние: сверлильная головка 5 и поршень цилиндра 3 поворота детали находятся в крайнем левом положении. Электромагнитный стол 2 выключен.

Описание автоматического цикла: оператор устанавливает заготовку на электромагнитный стол 2 и нажимает кнопку "Пуск". Включается электромагнитный стол. Включается электродвигатель вращательного движения сверлильной головки. Головка движется вправо и производит сверление первого отверстия, а затем ускоренно отводится в левое положение. Происходит поворот электромагнитного тола с заготовкой. Головке 5 ообщается медленная рабочая подача. Происходит сверление второго отверстия. Головка ускоренно отводится влево. Электромагнитный стол поворачиваетя в обратную сторону. Выключаетя электродвигатель вращения сверла. Электромагнитный стол выключается. Деталь удаляется со стола.

Введение

Целью данного курсового проекта является разработка двух систем управления технологическим процессом: с использованием алгебры логики и без ее использования; подбор и расчет необходимых элементов электрической принципиальной схемы для двух вариантов управления.

1. Схема автоматизации процесса

Схема автоматизации технологического процесса получена путем добавления в структурную схему устройства датчиков и элементов управления исполнительными устройствами. Схема представлена на рис. 2.

Рисунок. 2. Схема автоматизации технологического процесса.

Датчики выполняют следующие функции. Датчики S1-S2, S4-S5 фиксируют момент перемещения гидроцилиндров Ц1 и Ц2 соответственно в крайние положения. Датчик S3 контролирует наличие заготовки на электромагнитном столе.

Так как при функционировании системы предусматривается остановка поршней гидроцилиндров Ц1 и Ц2 только в крайних положениях, то для управления этими гидроцилиндрами используются 2-х позиционные распределители y1 y2 соответственно. На основе полученной схемы, с учетом принципа работы данного устройства, построена циклограмма функционирования элементов автоматизации технологического процесса (Таблица 1).

Таблица 1. Циклограмма функционирования элементов автоматизации технологического процесса


2. Логические функции исполнительных устройств

На основе полученной циклограммы составлены логические функции исполнительных устройств, использованных при автоматизации технологического процесса. Для этого составлены таблицы состояний для каждого исполнительного устройства, показывающие уровни сигналов датчиков, управляющих исполнительным устройством и самих устройств. Из анализа полученных таблиц составляются таблицы истинности, на основе которых и получаются логические функции. В случае появления неоднозначностей, для их разрешения, задействуются сигналы других датчиков или вводятся искусственно, с использованием RS-триггера.

Далее показаны логические функции для всех исполнительных устройств, полученные по указанному алгоритму.

автоматический сверлильный станок электрический

2.1 Электромагнит Y1


Составим таблицу состояний Y1, опираясь на циклограмму работы исполнительного устройства.

Таблица 2Таблица состояний YA1


1

2

3

4

5

6

7

8

9

10

11

12

13

14

15

16

17

S2

0

0

1

0

0

0

0

0

0

0

1

0

0

0

0

0

0

S4

1

1

1

1

1

0

0

1

1

1

1

1

1

0

0

0

1

Y1

1

1

0

0

0

0

0

0

1

1

0

0

0

0

0

0

0


Из таблицы состояний видим, что устройство Y1 управляется сигналами с датчиков S2 и S4. Составим таблицу истинности для управляющего устройства.

Таблица 3Таблица истинности Y1


На тактах 1-2, 4-5, 9-10, 12-13, 17 возникает неопределенность. Так как на циклограмме нет сигнала, способного ликвидировать неоднозначность, необходимо ввести сигнал Sдоп1.

Таблица4Таблица состояний Sдоп1 и Y1


Сигнал Sдоп1 устраняет неоднозначность.

Таблица 5 Таблица истинности Y1


По данным таблицы строим карту Карно и минимизируем функцию:

Таблица 6 Карта Карно для Y1


Из таблицы видно, что логической функцией для Y1 будет функция вида: Y1=Sдоп1S2S4

На рисунке 3 приведена схема управления Y1, реализованная на логических элементах.

Рисунок 3. Схема управления Y1

2.2 Электромагнит Y2


Составим таблицу состояний Y2, опираясь на циклограмму работы исполнительного устройства.

Таблица 7Таблица состояний YA2

1234567891011121314151617


















S1

1

0

0

0

1

1

1

1

1

0

0

0

1

1

1

1

1

S5

0

0

0

0

0

0

1

0

0

0

0

0

0

0

1

0

0

Y2

0

0

0

0

1

1

0

0

0

0

0

0

1

1

0

0

0



Из таблицы состояний видим, что устройство Y2 управляется сигналами с датчиков S1 и S5. Составим таблицу истинности для управляющего устройства.

Таблица 8Таблица истинности YA2

S1

S5

Y2

0

0

0

0

1

-

1

0

1/0

1

1

0


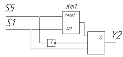
Неопределенность наблюдается на тактах 1, 5-6, 8-9, 13-14, 16-17. Так как на циклограмме нет сигнала, способного ликвидировать неоднозначность, необходимо ввести искусственный сигнал Кm1. Реле памяти Km1 будет устанавливаться передним фронтом сигнала S1, а сбрасываться передним фронтом сигнала S5.

Таблица 9 Таблица состояний Кm1 и Y2


1

2

3

4

5

6

7

8

9

10

11

12

13

14

15

16

17

S1

1

0

0

0

1

1

1

1

1

0

0

0

1

1

1

1

1

S5

0

0

0

0

0

0

1

0

0

0

0

0

0

0

1

0

0

Km1

0

0

0

0

1

1

0

0

0

0

0

0

1

1

0

0

0

Y2

0

0

0

0

1

1

0

0

0

0

0

0

1

1

0

0

0


Сигнал Кm1 устраняет неоднозначность.

Таблица 10 Таблица истинности Y1

S1

S5

Km1

Y2

0

0

0

0

0

0

1

-

0

1

0

-

0

1

1

-

1

0

0

0

1

0

1

1

1

1

0

0

1

1

1

-


По данным таблицы строим карту Карно и минимизируем функцию:

Таблица 11 Карта Карно для Y1


S1S5

S1S5

S1S5

S1S5

Km1

-

-

-

1

Km1

0

-

0

0


Из таблицы видно, что логической функцией для Y2 будет функция вида:

Y2=Km1S1S5

Рисунок 4. Схема управления Y2

3. Модуль включения


Представляет собой устройство, представленное на рисунке 10. Два выключателя кнопочных нажимных без самовозврата ("Включить" и "Выключить"). При нажатии на кнопку "Включить", при условии, что кнопка "Выключить" не нажата, на выходе модуля формируется высокий логический уровень. При всех остальных комбинациях нажатий этих 2х кнопок на выходе модуля формируется низкий логический уровень.

Составим таблицу состояний для выходного сигнала в зависимости от состояний переключателей.

Таблица 22

SB1

SB2

Выходной сигнал

0

0

0

0

1

0

1

0

1

1

1


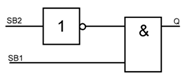
Для выходного сигнала очевидна следующая логическая функция:

=SB1∙SB2

С использованием логических элементов она выглядит так (рисунок 9):

Рисунок 9. Выходной сигнал

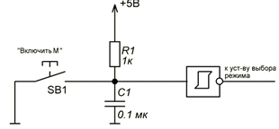
Для устранения эффекта "дребезга контактов" используем сглаживающую RC-цепь и триггер Шмитта. Рассмотрим работу этих элементов.

Благодаря малому сопротивлению замкнутых механических контактов первое же их замыкание приводит к полному разряду конденсатора. Последующие размыкания контактов, вызванные дребезгом, практически не увеличивают напряжение на конденсаторе вследствие относительно большой постоянной времени его заряда. Инвертирующий триггер Шмитта переходит в высокое состояние, если напряжение на входе становится ниже, чем Uсрб = 1,7В, и переходит в низкое состояние, если напряжение на входе становится выше, чем Uотп = 0,9В.

Сигнал с данного модуля идёт к устройству выбора режимов.

Рисунок 10. Модуль включения

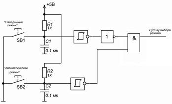
3.1 Модуль переключения режимов


Представляет собой устройство, представленное на рисунке 12. Два выключателя кнопочных нажимных без самовозврата ("Автоматический режим" и "Наладочный режим"). При нажатии на кнопку "Автоматический режим", при условии, что кнопка "Наладочный режим" не нажата, на выходе модуля формируется высокий логический уровень. При всех остальных комбинациях нажатий этих 2х кнопок на выходе модуля формируется низкий логический уровень.

Составим таблицу состояний для выходного сигнала в зависимости от состояний переключателей.

Таблица 23

SB1SB2Выходной сигнал



0

0

0

0

1

0

1

0

1

1

1

0


Для выходного сигнала очевидна следующая логическая функция:

=SB1∙SB2

С использованием логических элементов она выглядит так (рисунок 11):

Рисунок 11. Выходной сигнал

Для устранения эффекта "дребезга контактов" также используем сглаживающую RC-цепь и триггер Шмитта. Сигнал с данного модуля идёт к устройству выбора режимов.

Рисунок 12. Модуль переключения режима

3.2 Блок ручного управления


Представляет собой 5 выключателей кнопочных нажимных без самовозврата. Сигналы с данного блока идут к устройству выбора режима.

Для устранения эффекта "дребезга контактов" также используем сглаживающую RC-цепь и триггер Шмитта.

Рисунок 13. Элемент блока ручного управления

.3 Устройство автоматического режима

.3.1 С использованием алгебры логики

Устройство автоматического режима реализует полученные ранее логические функции исполнительных устройств. В качестве реле памяти будем использовать RS-триггеры КР1533ТР2. Предварительный сброс триггеров будем осуществлять при включении автоматического режима, используя сигнал, идущий с модуля переключения режимов.

Рисунок 14. Элемент устройства автоматического режима

3.3.2 Без использования алгебры логики

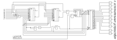
Данная схема формирует сигналы исполнительных устройств, не используя полученные ранее логические функции. Принцип ее работы заключается в следующем: сигналы датчиков поступают на мультиплексор DD1 в последовательности, в которой датчики включают или выключают соответствующее исполнительное устройство. Выходной сигнал мультиплексора подается на синхронный двоично-кодированный счетчик DD2 с модулем счета 12 (т.к. 6 исполнительных устройств, каждое из которых включается и выключается 1 раз), который увеличивает счет на 1 при изменении уровня сигнала на счетном входе с низкого на высокий. Сброс счетчика происходит при формировании на выходе кода 10002=810. Выходной код счетчика подается на адресные входы мультиплексора DD1, тем самым разрешая прохождение данных со следующего входа. Также выходной код счетчика подается на дешифратор DD3, преобразующий двоичный код в позиционный, управляющий исполнительными устройствами. Таблица преобразования кода представлена в таблице 24. Схема представлена на рисунке 15.

Таблица 24 Преобразование кода счётчика.

Выходы счетчика

Выход дешифратора

Участок цикла

Исполнительные устройства

Q3

Q2

Q1

Q0



ЭМ1

ЭМ2

ЭМ3

ЭМ4

М

Т

0

0

0

0

1

-

0

0

0

0

0

0

0

0

0

1

2

1

0

0

1

0

0

0

0

0

1

0

3

3

0

0

1

0

0

1

0

0

1

1

4

6

0

0

0

1

0

0

0

1

0

0

5

8

0

1

0

1

0

0

0

1

0

1

6

11

0

0

0

1

0

0

0

1

1

0

7

14

1

0

0

0

0

0

0

1

1

1

8

16

1

0

0

0

1

0

1

0

0

0

9

18

0

0

0

0

0

0


Через элемент 2И (D6.1) на вход сброса счётчика поступает сигнал с устройства выбора режима, который содержит в себе информацию о том, включено ли устройство, автоматический режим, достаточное ли давление в системе. Если хотя бы одно из условий не выполняется, то счётчик будет сброшен.

Выбранный нами счётчик КР1533ИЕ5, который считает по заднему фронту входного сигнала. Поэтому на счётный вход счётчика подаётся сигнал с инверсного выхода мультиплексора КР1533КП7. Выход "Q3" и "Q4" счётчика соединены со входом сброса с помощью элемента 2И, что обеспечивает модуль счёта 12.

С помощью 2х мультиплексоров КР1533КП7 на 8 входов, а также логических элементов был построен 16 входовый мультиплексор (рис.15)

Так как выходы дешифратора К1533ИД3 инверсные, а нам необходимо получить высокий логический уровень при срабатывании того или иного датчика, подключим к ним инверторы.

Затем выходы дешифратора через диоды подключаются к исполнительным элементам, согласно таблице 24.

Рисунок 15.

3.4 Устройство выбора режима

 

.4.1 С использованием алгебры логики

Представляет собой совокупность двух микросхем КР1533КП16, содержащих по 4 одинаковых двухвходовых мультиплексора (рис. 16). На входы А0, А1, А2, А3 микросхемы DD3 и на вход А0 микросхемы DD4 подаются сигналы с блока ручного управления. На входы В0, В1, В2, В3 микросхемы DD3 и на вход В0 микросхемы DD4 подаются сигналы с устройства автоматического режима. Используемые выходы микросхем Y0-Y3 (DD3) и Y0 (DD4) подключены к исполнительным элементам через усилительный каскад.

Рисунок 16 - Мультиплексор

Вход разрешения (E0) общий. Если на него подать высокий логический уровень, то уровни сигналов на выходах будут зафиксированы, если низкий - мультиплексор будет перезаписывать информацию со своих входов на выходы.

Вход адреса (А) одноразрядный. Если на него подать высокий логический уровень, то сигналы на выход устройства будут перезаписываться с входов А0-А3, если подать низкий логический уровень, то с входов В0-В3.

Это устройство обеспечивает пропускание сигналов к исполнительным элементам и блоку индикации либо с датчиков, либо с устройства ручного управления. Если схема включена, на вход разрешения мультиплексоров подаётся сигнал низкого логического уровня. Разрешается перезапись значений с входов на выходы. На вход адреса подаётся сигнал с устройства переключения режимов. Если включен автоматический режим, то для перезаписи используются входы В0-В3, если включен наладочный - А0-А3.

.4.2 Без использования алгебры логики

Представляет собой 5 элементов, один из которых показан на рисунке 17.

Рисунок 17. Элемент устройства выбора режима

.5 Блок индикации

Устройство индикации представляет собой набор из 5 светодиодов, включенных по схеме с общим эмиттером (рисунок 18)

Рисунок 18 - Устройство индикации

Рассчитаем элементы данного устройства.

В качестве светодиода выбираем светодиод АЛ102АМ.

Его максимальный прямой ток Iпр max = 60 мА .

Максимальное обратное напряжение Uобmax = 2В.

Зададимся прямым током через светодиод равным половине максимального:

Iпр =  = 30мА

Это есть коллекторный ток транзистора VT1. Выбираем транзистор КТ316А. Его максимальный ток коллектора Iк max = 50мА .

Минимальный статический коэффициент передачи тока βmin = 20.

Максимальный ток базы:

Iб max =  =  = 2,5 мА

Рассчитаем резистор R2:

R2 =  =  = 100 Ом (Е24)

Рассчитаем резистор R1:

R1 =  =  = 1.8кОм (Е24)

3.6 Усилительный каскад

Усилительный каскад представляет собой совокупность 5 ключей на биполярных транзисторах в схеме с общим эмиттером, так как в ней наилучшим образом используются усилительные свойства транзистора.

Рисунок 19 - Усилительный каскад

Проведём расчёт усилительного каскада. Для этого необходимо задаться параметрами исполнительных элементов. Решим, что максимальный ток нагрузки Iнmax = 0.1А. Это и есть ток коллектора транзистора VT1.

Выбираем транзистор КТ603Г: Его максимальный ток коллектора Iк max = 0,3А. Минимальный статический коэффициент передачи тока βmin = 60.

Максимальный ток базы:

Iб max =  =  = 5 мА

Рассчитаем резистор R1:

R1 =  =  = 820Ом (Е24)

Для того, чтобы избежать эффект "индуктивного броска" необходимо зашунтировать нагрузку диодом VT1. Диод подбирается так, чтобы он выдержал начальный ток, равный току в установившемся режиме, после запирания транзистора. Выбираем диод КД243А:

Максимальный прямой ток Iпр max = 1А .

Максимальное обратное постоянное напряжение Umax обр = 50 В.

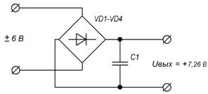
.7 Расчёт источника вторичного питания

Источник вторичного питания - электронное устройство, предназначенное для преобразования энергии первичного источника электропитания в электроэнергию, значения частоты, уровня и стабильности которой удовлетворяют требованиям конкретного электронного изделия.

В нашем случае в качестве первичного источника будет выступать городская электрическая сеть. Действующее значение напряжения в сети 220 В.

Так как напряжение в сети переменное, то в качестве устройства согласования уровня будем использовать трансформатор.

Для питания проектируемого устройства необходимо постоянное напряжение, поэтому в качестве устройства согласования частоты будем использовать выпрямитель - диодный мост.

Устройство обеспечения стабильности должно пропускать постоянную составляющую напряжения и ослаблять переменную. Будет использован фильтр, коэффициент передачи которого для переменной составляющей существенно меньше, чем для постоянной.

Нам необходимо получить напряжение +5 В.

Выберем трансформатор ТПК-0.7. Параметры трансформатора в таблице 24:

Таблица 24 - Параметры трансформатора

наименование

Мощность, Вт

Напряжение в первичной обмотке, В

Напряжение во вторичной обмотке, В

Выходной ток, А

ТПК-0.7

0,7

220

6

0,12


Выберем предохранитель, подключаемый к первичной обмотке трансформатора.

Таблица 25 - Параметры предохранителя

наименование

Рабочий ток, А

Ном. напряжение, В

Материал

Н630

0,5

250

Стекло


Амплитудное значение напряжения на выходе трансформатора ТПК-0.7:

.

Выберем диодный мост.

Напряжение, прикладываемое к обратно смещённому диоду


Максимальный, выпрямленный за полупериод, ток должен быть больше выходного тока трансформатора

Таблица 26 - Параметры диодного моста

наименование

Максимальное постоянное обратное напряжение, В

Максимальный прямой ток, А

Максимальное прямое напряжение Uпрям, В

КЦ412А

50

1

1,2


На выходе диодного моста получается напряжение:


Напряжение на выходе диодного моста будет иметь существенные пульсации, поэтому следует использовать сглаживающий фильтр:

Рисунок 20. Диодный мост с подключённым сглаживающим фильтром

Основным параметром фильтра является коэффициент пульсации выходного напряжения εвых. Выберем εвых. < 5 %. Амплитуда пульсаций будет составлять ±3 В.

Так как, проходя через диодный мост напряжение выпрямляется в обоих полупериодах, то частота пульсаций напряжения  будет равна 100 Гц.

Рассчитаем ёмкость конденсатора С1:

.

Рабочее напряжение конденсатора должно быть больше 7,26 В, полученных на выходе диодного моста.

Выбранный конденсатор и его характеристики в таблице 27:

Таблица 27 - Параметры конденсатора

наименование

Ёмкость, мкФ

Рабочее напряжение, В

Допуск номинальной ёмкости, %

К50-35

680

50

20


Для обеспечения питания микросхем напряжение необходимо выровнять до уровня +5 В и стабилизировать. Выберем стабилизатор положительного напряжения, который будет обеспечивать необходимое напряжение.

Выбранный стабилизатор и его характеристики представлены в таблице 28:

Таблица 28 - Параметры стабилизатора

наименование

корпус

MAX883CPA

+5

0,2

2,7

11

DIP8


Типовые схемы включения стабилизатора с фиксированным значением выходного напряжения представлены на рисунке 21:

Рисунок 21. Стабилизатор напряжения

Для устранения самовозбуждения стабилизаторов, их входные и выходные цепи шунтируются конденсаторами.

Заключение

В ходе работы была разработана схема автоматизации технологического процесса - установки для глубины контроля отверстия. По этой схеме была построена циклограмма работы процесса, по которой были разработаны две схемы электрических принципиальных. Одна из них реализует систему управления технологическим процессом с использованием логических функций и алгебры логики, а другая не использует алгебру логики для управления технологическим процессом.

Громоздкость первой схемы по сравнению со второй, а также необходимость дополнительного вывода логических функций исполнительных устройств, свидетельствует о нерациональности использования данного подхода для решения подобных задач.

Список использованной литературы

.        Смирнов В. А., Шереметьев А.В. Электроника систем управления. Часть 2. Цифровая электроника: Учебное пособие. - Челябинск: Изд-во ЮУрГУ, 2004. - 144с.

.        Огарков С.Ю., Виноградова Н.В. Оформление курсовых и дипломных проектов по специальности 210200 "Автоматизация технологических процессов и производств": Учебно-методическое пособие. - Челябинск: Изд-во ЮУрГУ, 2000. - 54с.

.        Шило В.Л. Популярные цифровые микросхемы: Справочник. 2-е изд., испр. - Челябинск: Металлургия, Челябинское отд., 1989. - 352с.: ил. - (Массовая радиобиблиотека. Вып. 1111).

Похожие работы на - Разработка системы управления сверлильным станком

 

Не нашли материал для своей работы?
Поможем написать уникальную работу
Без плагиата!
Без нейросетей!