|
Номер узловой
точки
|
Высотные
размеры профиля, мм
|
|
На детали
|
На резце
|
|
|
Аналитический
расчёт
|
Графический
расчёт
|
|
2
|
2,5
|
2,23
|
2,24
|
|
3
|
5
|
4,39
|
4,39
|
|
4
|
6,5
|
5,64
|
5,65
|
|
5
|
7,5
|
6,47
|
6,47
|
|
6
|
12,5
|
10,37
|
10,37
|
Определяем размеры дополнительных режущих кромок.
Дополнительные режущие кромки подготавливают отрезку детали
от прутка. Высота кромок не должна быть больше высоты рабочего профиля резца,
ширина равна ширине режущей кромки отрезного резца.
р = lд + c1 +b + c2 + f, мм (1.7)
Конструктивно принимаем размеры: b = 5 мм, b1=2 с1 = 2 мм, с2
= 1 мм, f = 2 мм. [1]р = 45 + 2+ 5 + 1 + 2 = 55 мм
Рисунок 1.3 - Схема взаимного расположения детали и круглого
резца
Определим размеры внутреннего отверстия:
Рисунок 1.4 - Резец фасонный круглый
Для уменьшения трения резца о заготовку на участках профиля
перпендикулярных оси детали затачиваем угол равный 3˚.
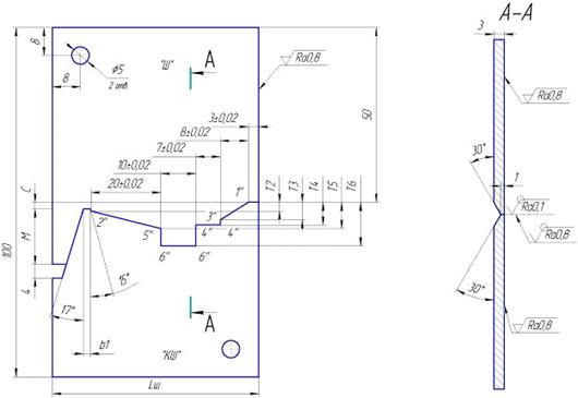
Разрабатываем чертёж шаблона и контршаблона для проверки
профиля резца на просвет.
Профиль шаблона представляет собою негативный профиль резца.
Высотные размеры профиля шаблона равны соответствующим высотным размерам
профиля резца. Осевые размеры между узловыми точками профиля шаблона равны
соответствующим осевым размерам профиля резца. Для построения профиля шаблона
необходимо через узловую базовую точку 1 провести координатную горизонтальную
линию, от которой в направлениях, перпендикулярных к ней, отложить высотные
размеры профиля резца. Допуск на изготовление высотных размеров профиля шаблона
±0,01, линейных ±0,02…0,03.
Ширина шаблона
Lш = LР + 2· f, мм (1.8)
где LР - ширина резца; f = 2 мм.
Lш =55 + 2·2 = 59 мм
Рисунок 1.5 - Шаблон и контршаблон
Исходные данные: рисунок 5, вариант 2.
Размеры обрабатываемого отверстия:
d =25 мм, D =32,5 мм, D =0,04 мм, lд =30 мм, B =4 мм, d =0,07 мм.
Материал заготовки: Сталь 20,
σв=412 МПа, HB 156.
Диаметр хвостовика
где 
- минимальный диаметр отверстия под протягивание, мм.
Принимаем стандартное значение по табл. 2.1 [1] 
По ГОСТ 4044-70 принимаем основные размеры хвостовика и
шейки:
D1’ =17 мм, D2 =21,5 мм, l0 =140 мм, lX =120 мм, l1 =16 мм, l2 =25 мм, R1 =0,3 м R2 =1,0 мм, C=0,5 мм, a
=20°
Рисунок 2.1 - Профиль обрабатываемого отверстия
Переходный конус
lкон=15 мм; dmin=dшейки=D2=21,5; dmax=Dп.н.
Рисунок 2.2 - Размеры хвостовика протяжки
Диаметр и длина передней направляющей части
Dп.н = d = 25 мм (2.2)
Предельное отклонение по e8.
L п.н.=lд=30 мм, при lд/D≤1,5 (2.3)
где lд - длина протягиваемого отверстия, мм;
D - диаметр отверстия, получаемого после протягивания, мм.
Форма и размеры зубьев режущей части
Главные режущие кромки зубьев имеют форму дуг концентрических
окружностей, диаметр которых Di постоянно увеличивается от первого зуба к
последнему. Вспомогательные режущие кромки двух зубьев имеют прямолинейную
форму в зависимости от профиля обрабатываемой детали.
Величины углов в нормальном сечении по главной режущей кромке
для Cтали
20 (НВ=156).
g=18
a=3
Предельные отклонения углов по ГОСТ 16492-70
Dg=+2° -1° Da=+30´
Для уменьшения трения на вспомогательных режущих кромках
делают угол равный 1o, располагающий позади ленточки шириной 0,8…1 мм.
Для обработки заготовки принимаем зубья с криволинейной
спинкой.
Ориентировочные размеры режущих зубьев и расположенных между
ними стружечных канавок могут быть определены следующим соотношением:
c
Диаметр первого зуба протяжки
DZ1= Dп.н = 25 мм (2.9)
где Dп.н - диаметр передней направляющей части, мм.
Диаметр последнего зуба режущей части протяжки
Dп = Dк= 32,53 мм (2.10)
где Dк - диаметр калибрующих зубьев протяжки, мм.
Dк=(D+Δ) - р = (32,5+0,04) - 0,01 =
32,53 мм (2.11)
где D - диаметр отверстия, получаемого после протягивания, мм;
Δ - предельное отклонение
диаметра D
по чертежу, мм;
р - величина разбивания отверстия, р = (0,010 … 0,015) мм
Диаметры промежуточных зубьев режущей части протяжки между
первым и последним получают последовательным прибавлением к диаметру первого
зуба удвоенного значения толщины срезаемого слоя одним зубом 2а.
Диаметр 2-го зуба DZ2= DZ1+2a
Диаметр 3-го зуба DZ3= DZ2+2a и т.д.
Предельные отклонения диаметра последнего режущего и
калибрующих зубьев по ГОСТ 16492-70 равно -0,02 мм.
Определение толщины срезаемого слоя
Фасонные протяжки срезают припуск на заготовке, как правило, по
генераторной схеме резания. Толщина срезаемого слоя
равна разности высот и полу разности
диаметров каждой пары сменных режущих зубьев. Ширина срезаемого слоя 
равна длине главной режущей кромке зуба протяжки. Режущая кромка
первого зуба окружность, следовательно:
Режущие кромки последующих зубьев - дуги концентрических
окружностей, поэтому ширина срезаемого слоя одним зубом равна сумме длин
дуговых участков главной режущей кромки данного зуба, т.е.:
где b - длина одного дугового участка на
режущей кромке данного зуба;
n - число дуговых участков на режущей кромке зуба, n=3.
Длина дуговых участков режущей кромки уменьшается при увеличении
диаметра от d до D, т.е. от первого зуба к последнему на режущей части протяжки.
Сила резания при протягивании зависит от площади срезаемого слоя Р=f (a×b), поэтому для сохранения постоянной силы P за весь период протягивания отверстия пропорционально
уменьшению b увеличивают толщину срезаемого слоя а,
т.е. стремятся получить постоянной величину площади срезаемого слоя.
Определяем толщину срезаемого слоя
Определим общий припуск на протягивание
Разделяем произвольно величину А на 3 ступени и устанавливаем
диаметры ступеней:
d2= 28 мм;
d3=30 мм;
D=32,5 мм.
Припуск первой ступени от d1 до d2 срезают зубья первой секции режущей части протяжки, припуск
второй ступени от d2 до d3 срезают зубья секции номер два, припуск третьей ступени от d3 до D срезают зубья секции номер три. Принимаем
постоянной величину а в пределах каждой ступени, но разной на отдельных
ступенях: наименьшая на первой, наибольшая на последней ступени.
Определяем толщину срезаемого слоя на первой ступени 
из условия прочности протяжки по впадине первого зуба:
где 
- площадь сечения во впадине первого зуба протяжки, мм2;

- допускаемое напряжение деформации растяжения в материале
режущей части протяжки, МПа. Для стали Р6М5 
твёрдость HRCэ 63…66;

- длина режущей кромки первого зуба протяжки, мм;

- число зубьев протяжки участвующих одновременно в резании;
Принимаем: 4
t - шаг зубьев на режущей части протяжки;

- коэффициенты, принимаемые по табл. 4, 5 [1].
Определяем толщину срезаемого слоя на второй 
и последующих ступенях из условия
где 
- суммарная ширина срезаемого слоя первым зубом каждой ступени.
где 
- длина дугового участка режущей кромки первого зуба каждой
ступени (секции), измеряемая на диаметре данной ступени;
n - число дуговых участков.
Величину 
определяем путём графического построения профиля длин дуговых
участков в программе КОМПАС.
Рисунок 2.3 - Схема измерения углов
Расчет 
и 
α=
arccos
Расчет 
и 
β= arccos
arccos
Найдём значение диаметров зубьев на каждом участке. Полученные
значения занесём в таблицы.
Таблица 2.1 Диаметры зубьев на участке 1.
|
Номер зуба
|
1
|
2
|
3
|
4
|
5
|
6
|
7
|
8
|
9
|
10
|
11
|
|
Диаметр зуба
|
25
|
25,2
|
25,4
|
25,6
|
25,8
|
26
|
26,2
|
26,4
|
26,6
|
26,8
|
27
|
|
Толщина среза
|
0,1
|
Номер зуба
|
12
|
13
|
14
|
15
|
|
Диаметр зуба
|
27,2
|
27,4
|
27,6
|
27,8
|
|
Толщина среза
|
0,1
|
Таблица 2.2 Диаметры зубьев на участке 2.
|
Номер зуба
|
1
|
2
|
3
|
4
|
5
|
6
|
|
Диаметр зуба
|
28,12
|
28,44
|
28,76
|
29,08
|
29,4
|
29,72
|
|
Толщина среза
|
0,16
|
Таблица 2.3 Диаметры зубьев на участке 3.
|
Номер зуба
|
1
|
2
|
3
|
4
|
5
|
6
|
7
|
|
Диаметр зуба
|
30,08
|
30,44
|
30,8
|
31,16
|
31,52
|
31,88
|
32,24
|
|
Толщина среза
|
0,18
|
Проверяем возможность размещения стружки в канавке между
зубьями при срезании протяжкой максимальной толщины срезаемого слоя.
где  - коэффициент заполнения стружечной канавки, по табл. 6 [1]

Условие не выполняется.
Принимаем удлинённую форму стружечных канавок. Удлинение
канавки:
Принимаем ∆t=1 мм. Тогда
длина удлинённой стружечной канавки:
tу = t + ∆t = 8 + 1 = 9 мм.
Рисунок 2.4 - Форма и размер стружечной канавки
Проверка прочности протяжки на разрыв по шейке хвостовика
где Р - сила резания при протягивании, Н
где  - коэффициенты, принимаемые по таблицам 4 и 5 [1]

где  - диаметр шейки хвостовика, мм. Принимаем по таблице 1 [1]

Так как условие не выполняется, то в качестве материала хвостовика
принимаем сталь Р6М5 ГОСТ 19265-73 , HRCэ 63…66.
условие выполняется
Проверка протяжки по тяговой силе протяжного станка
где Q - номинальная тяговая сила протяжного станка.
Принимаем по таблице 7 [1]
Выбираем модель станка 7Б55 с максимальной длиной рабочего
хода каретки 1250 мм и номинальной тяговой силой Q=100 кH.
Н < 0,9×100000=90000 H
Стружкоделительные канавки на режущих зубьях протяжки
Канавки делают на зубьях, имеющих длину режущей кромки 5…10
мм и размещают их в шахматном порядке.
Принимаем 
Принимаем 
Принимаем 
Рисунок 2.5 - Стружкоделительные канавки
Калибрующая часть протяжки.
Состоит из пяти зубьев одинакового диаметра, равного диаметру
последнего режущего зуба. Стружечные канавки имеют такую же форму и размеры,
как и на режущей части протяжки. Шаг калибрующих зубьев принимают равным шагу
режущих зубьев.
Вершину калибрующей части снабжаем фаской 0,5 мм, которая
предназначена для сохранения диаметральных (поперечных) размеров протяжки при
переточках.
Передний угол  принимают равным  , так как при эксплуатации протяжки в результате переточек
затупившихся зубьев происходит постепенный переход калибрующих зубьев в
режущие.
Задний угол имеет небольшую величину по сравнению с режущими
зубьями  . Это вызвано необходимостью обеспечить медленное уменьшение
диаметральных размеров зубьев при переточках.
Задняя направляющая часть
Заднюю направляющую часть у гранных и фасонных протяжек выполняют
цилиндрической. Диаметр задней направляющей части:
где d - минимальный диаметр отверстия под
протягивание, мм.
Предельное отклонение  по f 7.
Длину задней направляющей части принимаем по таблице 8 [1]:
. Проектирование и расчет червячной фрезы для
обработки прямобочных шлицев
Исходные данные: Вариант 15
Таблица 3.1 - Размеры шлицевого вала
|
z d Db, ммd1min, ммfном, ммfоткл, ммrmax, мм
|
|
|
|
|
|
|
6х13х16
|
3,5
|
12,0
|
0,3
|
+0,2
|
0,2
|
Вид обработки - предварительный.
Базирование происходит по внутреннему диаметру.
Обозначение вала - d - 6x13e9x16а11x3,5h8
Рисунок 3.1 - Профиль торцового сечения шлицевого вала
Расчетные размеры вала.
Наружный диаметр:
где Dmax - максимальная величина наружного
диаметра вала, мм
fmin - номинальная величина фаски, мм
Dmax= D + ES, мм
Dmax = 16 + (-0,29) = 15,71 мм
Dр= 15,71 -2·0,3=15,11 мм.
Внутренний диаметр (c учетом припуска под шлифование вала):
где dном - номинальный внутренний диаметр, мм;
Р - припуск под шлифование, Р=0,3;
Ширина шлица без учета припуска:
где  - номинальная ширина шлица, мм;
Р - припуск под шлифование;
Диаметр начальной окружности с фаской на сторонах шлица:

Заключение
резец протяжка проектирование призматический
В данном курсовом проекте мы изучили основы проектирования
металлорежущего инструмента и его элементы. Проектирование режущих инструментов
является одним из главных направлений в машиностроении. От качества и
надежности, работоспособности режущих инструментов, применяемых в
машиностроении, в значительной мере зависит качество и точность, получаемых
деталей, производительность процесса обработки. При проектировании режущих
инструментов необходимо знание теоретических основ конструирования и расчета
инструментов, нужно уметь правильно определять лучшие для данных условий
обработки конструктивные элементы инструментов и создавать оптимальную их
конструкцию, учитывая условия эксплуатации, знать основные направления их
совершенствования, пути повышения надежности и эффективности, представлять себе
возможные направления и перспективы развития режущего инструмента.
Список источников
1. Методические
указания для выполнения курсового проекта по дисциплине «Режущий инструмент».
Брест, 2012.
. Г.Н.
Кирсанов. Руководство по курсовому проектированию металлорежущих инструментов
М.: Машиностроение, 1986 г.
. Единая
система допусков и посадок СЭВ в машиностроении и приборостроении: Справочник:/
Палей М.А., Тайц Б.А., Марков Н.Н. и др. В 2 т. - 2-е изд., перераб. И доп. -
М.: Издательство стандартов, 1989 Т.1. - 263 с., ил. Т.2: Контроль деталей. - 208
с.:ил.
. Нормирование
точности. Методическое пособие к выполнению расчетно-графических и курсовых
работ для студентов машиностроительных специальностей 2-е издание, исправленное
и дополненное. Брест, 2008.
Похожие работы на - Проектирование металлорежущего инструмента
|