Моделирование аппаратов ректификации
Введение
В современной нефтехимической промышленности
используется большое число аппаратов, для управления которыми необходимо
построение систем автоматизации.
Основой такого построения является наличие
исчерпывающей информации об объекте. Как правило, таким источником информации
является передаточная функция. Если объект простой, то ее определение не
представляет трудностей. Но таких объектов практически не существует. Поэтому
используют другие источники. Например, кривую разгона, которая является эмпирической
моделью объекта: на объект подают небольшое возмущение и получают его реакцию,
которую затем обрабатывают и получают передаточную функцию. Однако, такие
методы оправдывают себя только при пуске производства, или там где проведение
экспериментов не связано с большими потерями, и при том известно примерное
поведение объекта (т.е. возмущение не должно вызвать аварию). Чаще же такие
эксперименты провести нельзя.
Тогда применяют математическое моделирование,
которое является сложным для получения точной модели. Но точно построенная
модель дает ряд преимуществ: можно отследить поведение объекта при изменении
параметров, получить критические значения параметров, изучить его реакцию на
различные возмущения и, наконец, получить оптимальные значения управляющих воздействий
для максимизации (минимизации) какого-либо фактора. И все это без потерь и
возможности возникновения аварийных ситуаций. Но, как говорилось выше,
построение такой модели - довольно сложная задача. Поэтому целью данного
курсового проекта является изучение основных принципов моделирования и
построение приближенной модели.
Цель работы.
Работа предназначена для закрепления
теоретического и практического материала по моделированию объектов управления
на конкретных примерах и включает следующие этапы:
освоение навыков составления математического
описания
процесса
ректификации в простой колонне;
изучение математической модели ректификационной
колонны и подготовка исходных
данных для моделирования на ПК;
моделирование статических режимов колонны при
изменении одного из основных
параметров: состава сырья, его доли отгона, относительных
летучестей компонентов, отбора дистиллята, кратности
орошения, минимального числа тарелок (ступеней разделения),
числа тарелок укрепляющей и отгонной секций при сохранении
общего числа тарелок в колонне;
обработка результатов исследования, их анализ и
оценка статических характеристик модели для выработки рекомендаций по
управлению
режимом ректификационной колонны;
1. Теоретические
основы моделирования аппаратов ректификации
Зависимости, определяющие связь выходных
параметров объекта управления от входных, называются статическими
характеристиками.
Статические характеристики необходимы для
определения режимов работы объектов управления, оптимизации процесса, при
проектировании типовых объектов с заранее заданными свойствами и разработке
систем автоматизации.
В общем случае статическая характеристика
технологического объекта зависит от физико-химических свойств перерабатываемых
веществ, от характера и степени достижения равновесия процессов масса и
теплопередачи, гидродинамики процесса и конструктивных параметров объекта.
Математическое описание статики ректификации
обычно состоит из трех групп уравнений:
материального баланса;
кинетических зависимостей;
теплового баланса.
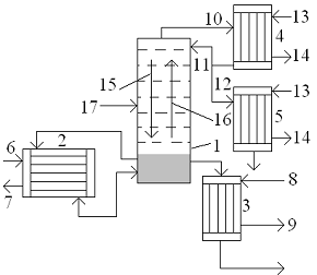
Рис.1 Структурная схема ректификационной
установки
1.
ректификационная колонна.
2. выносной дистилляционный куб.
. холодильник кубового остатка.
. конденсатор.
. холодильник дистиллятор.
, 7. Вход греющего пара и выход конденсата.
, 9. Вход и выход охлаждающей воды.
. Выход пара из колонны.
. Вход дистиллята в колонну.
. Выход дистиллята.
, 14. Вход и выход охлаждающей воды.
. Поток флегмы.
. Поток пара.
. Ввод исходной смеси.
Краткая теория по построению моделей аппаратов ректификации:
Идеальное смешение:
Для колонны используем модель статики:
Модель:
Уравнение материального баланса для кубового
остатка
(1)

Материальный баланс для i
- ой тарелки (укрепляющая секция колонны).
(2)
(3)
Теория: Скорость массообмена определяется
уравнением:
Модель: режим идеального вытеснения
- в статическом
режиме
(4)
где
(5)
Здесь
приведенный
коэффициент массопередачи,
- время контакта
пара с жидкостью
+1=Yi+(1-e^(-b/Gi))(Y*i
- Yi-1) (6)
Введем уравнение связи:
) Концентрация дистиллята XD=YN
N - тарелок. (7)
) Расход пара G=L+D
(8)
Уравнение материального баланса всей колонны
запишется как:
(9)
Алгоритм решения модели:
1. Задается начальное приближение XW
(например, равное XF);
2. Определяем по уравнению (5) равновесную
концентрацию пара, уходящего из кубового остатка
;
. Определяем по уравнению (7)
концентрацию жидкости, поступающей с первой
тарелки X1;
4. По уравнению (5) определяем равновесную
концентрацию паровой фазы на первой тарелке
;
5. По уравнению (6) определяем Yi;
. По уравнению (2) или (3) определяем
концентрацию жидкости, поступающей с верхней тарелки;
. Расчеты с пункта (4) по (6) повторить
для всех тарелок;
. В результате решения мы получаем
концентрацию дистиллята
(XD=YN
(7));
9. Решаем уравнение материального баланса
всей колонны (9);
Если не выполняется баланс по уравнению (9)
методом половинного деления определяем новое приближение XW.
Если П >
,
то возобновляем расчет с 1 - го пункта.
Условие окончания расчета по алгоритму - П <
2. Описание объекта
моделирования
В качестве объекта моделирования была выбрана
колонна К-4 Блок вторичной перегонки бензина (ВПб), установки ЭЛОУ+АВТ-6 типа
11/4 цеха №18 НПЗ.
Блок вторичной перегонки (ВПб) - предназначен
для разделения бензина на более узкие фракции путем четкой ректификации.
Состоит из: Блока колонн предназначенных для ректификации бензинов, Блока
теплообменников предназначенных для передачи тепла между двумя средами,
Холодной насосной предназначенной для перекачки бензинов, Постамента где
расположено оборудование предназначенное для конденсации паров бензина, Блока
печей предназначенного для нагрева бензинов, Блока концевых холодильников
предназначенного для охлаждения бензинов, Блока защелачивания предназначенного
для защелачивания бензина.
Обозначения:
W - расход кубового
остатка [кг/сек].
F - расход питания
[кг/сек].
L - расход орошения
[кг/сек].
D - расход
дистиллята [кг/сек].
G - расход пара
[кг/сек].
X - концентрация л/л
компонента в жидкой фазе.
Y - - концентрация
л/л компонента в паровой фазе.
Y·
- равновесная концентрация л/л компонента в паровой фазе.
Индексы:
I - индекс величин,
связанных с I - ой тарелкой.
W, L,
D, G,
Описание технологического процесса
Разделение бензина на узкие фракции путем четкой
ректификации в колонне К-4, схема № 5-18-5/2005.
Блок вторичной перегонки бензина предназначен
для разделения прямогонного бензина на узкие фракции путем четкой ректификации
в колонне поз. К-4.
Стабильная бензиновая фракция из колонны поз.
К-8 через клапан-регулятор уровня в колонне поз. К-8 поступает на 32-ю тарелку
колонны поз. К-4.
Сюда же насосами поз. Н-4, Н-4а, Н-5а через
клапан-регулятор уровня в емкости поз. Е-3 поступает бензиновая фракция колонны
поз. К-2.
В колонне поз. К-4 происходит разделение
прямогонного бензина на фракции НК-115оС и 80-180оС.
С верха колонны поз. К-4 пары фракции НК-115оС
конденсируются и охлаждаются в АВО поз. Т-8/1,2 и в холодильнике поз. Т-8а,
поступают в емкость поз. Е-5 и емкость поз. Е-4. Несконденсировавшийся газ из
емкостей поз. Е-5, Е-4 выводится в сеть топливного газа или в факельную линию.
Часть фракции НК-115оС из емкости поз. Е-5 насосами поз. Н-6, Н-15 с
температурой 80-85оС подается через клапан-регулятор расхода с
коррекцией по температуре верха колонны поз. К-4 в виде острого орошения наверх
колонны, а балансовый избыток - через клапан-регулятор уровня емкости поз. Е-5,
через АВО поз. Т-13, холодильник поз. Т-13а, емкость Е-8/1 и емкость поз. Е-7
откачивается в товарный парк 62 цеха 18 НПЗ или через АВО поз. Т-13,
холодильник поз. Т-13а, емкость поз. Е-36 в парк 69 цеха 1/2 НПЗ.
В емкости поз. Е-7 осуществляется защелачивание
фракции НК-115оС с целью очистки от сернистых соединений.
Свежая щелочь с концентрацией 6-12% насосами
поз. Н-33, 32а подается в емкость поз. Е-7(Е-8/1) из емкости поз. Е-11. Ввод
фракции НК-115оС в емкость поз. Е-7(Е-8/1) осуществляется через
перфорированный трубопровод под слой щелочи. Кроме этого, осуществляется
циркуляция щелочи в емкости поз. Е-7(Е-8/1) с помощью инжекторов. Контроль за
качеством щелочи в емкости поз. Е-7(Е-8/1) ведется постоянно и, если
концентрация свободной щелочи снизится до 2% и менее, то щелочь заменяется:
отработанная щелочь выдавливается в емкости поз. Е-10/1,2 по линии отработанной
щелочи, а емкость поз. Е-7(Е-8/1) заполняется свежей.
Для поддержания температуры низа колонны поз.
К-4 предусмотрена проектом схема подачи циркулирующей флегмы: фракция 80-180оС
с низа колонны поз. К-4 поступает на прием насосов поз. Н-11, Н-11а,
прокачивается через змеевик печи поз. П-2/2 и с температурой 150-200оС
возвращается в колонну поз. К-4. Фракция
80-180оС с низа колонны поз. К-4 насосами поз. Н-11, Н-11а через
клапан-регулятор уровня поз. К-4 откачивается через АВО поз. Т-15а, Т-14,
холодильник поз. Т-15 и смеситель фракции 80-180оС в парк 55 цеха
8/14 и парк 62 цеха 18 НПЗ.
Технические данные колонны.
Колонна (ректификационная) предназначена для
разделения бензина на более узкие фракции. Д=3600 мм, H=46100 мм, 60 клапанных
тарелок, Рраб.=4,0 кгс/см2
Нормы технологического процесса.
|
БЛОК
ВТОРИЧНОЙ ПЕРЕГОНКИ БЕНЗИНА
|
|
Температура
верха К-4
|
0С
|
100÷140
|
TC400
|
1
|
100÷120 TC400
|
|
Температура
низа К-4
|
0С
|
125÷200
|
TI406
|
1
|
155÷175 TI406
|
|
Давление
в колонне К-4
|
кгс/см2
|
2,0÷4,0
|
PIА420
|
1,5
|
2,5÷4,0 PI420
|
|
Уровень
в колонне К-4
|
%
|
20÷90
|
LCА455
|
2,5
|
40÷60 LC455
|
|
Уровень
в Е-5
|
%
|
20÷90
|
LCА456
|
2,5
|
40÷60 LC456
|
|
Давление
продукта на входе в печь П-2/2 по К-4
|
кгс/см2
|
25,
не более
|
PI426
|
1,5
|
-PI426
|
|
Расход
бензина от Н-11 в печь П-2/2 по К-4
|
м3/ч
|
150÷350
|
FCА437
|
1,5
|
200÷300 FC437
|
|
Температура
продукта на выходе из печи П-2/2 по К-4
|
0С
|
150÷250
|
TC403
|
1
|
150÷200 TC403
|
Материальный баланс.
|
Наименование
|
%
масс.
|
Количество,
тыс.т/год
|
Количество,
т/час
|
|
АТМОСФЕРНО-ВАКУУМНЫЙ
БЛОК
|
|
|
|
|
Взято:
|
|
|
|
|
Нефть
обессоленная
|
100,0
|
6024,84
|
753,11
|
|
Получено:
|
|
|
|
|
Газ
предельный
|
0,30
|
18,07
|
2,26
|
|
Головка
стабилизации предельная
|
3,09
|
186,17
|
23,30
|
|
Бензиновая
фракция
|
20,75
|
1250,15
|
156,31
|
|
в
том числе: - фракция НК-115оС
|
7,70
|
463,91
|
58,00
|
|
-
фракция 80 - 180оС
|
13.05
|
786,24
|
98,31
|
3. Система допущений
1. Исходное сырье (питание) представляет
собой бинарную смесь;
. Жидкость в колонне находится при
температуре кипения, а пар везде насыщенный;
. Не учитывается перепад давления и
температуры по колонне;
. Массопередача в колонне эквимолярная;
. В зоне массообмена паровая фаза
движется в режиме идеального вытеснения; жидкая фаза в режиме идеального
смешения;
. Движущей силой массообмена является
разность равновесной существующей концентрацией легколетучего компонента;
. Отсутствует жидкости парам.
. Для кубового остатка и конденсата
принимаем модель идеального смешения.
Поскольку построение точной модели данного
объекта очень сложно, и не в полной мере представлены данные по материальному
потоку веществ этой колонны, так же производимые этим объектом фракции имеют
сложный химический состав, мною было принято еще несколько допущений:
1. Т.к. в рамках данного курсового проекта
необходимо смоделировать колонну для разделения бинарной смеси, то в их
качестве будем использовать пентан С5Н12 и гексан С6Н14.
2. Расход питания F
примем равным 26524 КГ/ЧАС
. Расход орошения L
примем равным 17282 КГ/ЧАС
. Расход в кубе W
= 23100 КГ/ЧАС
Константы уравнения Антуана для выбранных
веществ:
|
Вещество
|
Интервал
температур
|
Константы
|
|
от
|
до
|
A
|
B
|
C
|
|
С5Н12
|
-30
|
120
|
6.87372
|
1075.82
|
233.36
|
|
С6Н14.
|
-60
|
110
|
6.87776
|
1171.53
|
224.37
|
. Программа
Расходы в таблице указаны в кг/ч, поэтому для
получения их в кг/с разделим их на 3600.
Давление переведем и кгс/см2 в
мм.рт.ст.
program Pro;
{$APPTYPE CONSOLE};
n=60; //количество
тарелок
np=32;//номер
тарелки питания
Dk=3.6;//диаметр
колонны
Xf=0.25;//концентрация
л/л компонента в питании
F=26524/3600;//расход
питания
W=23100/3600;//расход
кубового продукта
L=17282/3600;//расход
орошения
P=4*735.6;//давление
в колонне (кгс/см2*мм.рт.ст.)
e=0.00001;//точность
при итерационных расчетах
b=0.15;//коэффициент
массопередачи
//коэффициенты уравнения Антуана для пентана
(С5Н12)
A1=6.87372; B1=1075.82;
C1=233.36;
// коэффициенты уравнения Антуана для гексана
(С6Н14)
A2=6.87776; B2=1171.53;
C2=224.37;mas=array [0..n] of
real;,yz,y,yt,xt,T:mas;:byte;,G,S,M,min,max,xw,Mxw,Mmin,fp,P1,P2:real;,maxt,T1,T2,bal:real;yzf(x:array
of real;i:byte):real;
{функция зависимости равновесной концентрации
л/л компонента в паровой фазе от его концентрации в жидкой фазе}
begin:=2.2*x[i];;conc (xw:real;var
x,y:mas;var m:real;n:byte);
//процедура определения концентрации
begin
x[0]:=xw;//концентрация
л/л в кубовом продукте - начальное приближение
yz[0]:=yzf(x,0);
//равновесная концентрация л/л компонента в паровой фазе
y[0]:=yz[0];[1]:=(W*x[0]+G*yz[0])/(F+L);I:=1
to N DO BEGIN[I]:=yzf(x,i);[I]:=Y[I-1]+(1-EXP(-s*b/G))*(YZ[I]-Y[I-1]);I<=np
THEN fp:=L+F ELSE fp:=L;[I+1]:=(G*(Y[I]-Y[I-1])+fp*x[I])/fp;;
M:=F*Xf-D*y[n]-W*x[0];//материальный
баланс колонны
end;temp (ti:real;var y,yt:mas;var
bal:real;i:byte);
//процедура определения температуры кипения л/л
компонента
begin:=exp(A1-B1/(C1+Ti));:=exp(A2-B2/(C2+Ti));[i]:=P1*x[i]/P;[i]:=P2*xt[i]/P;:=y[i]+yt[i]-1;;
begin
S:=(pi*sqr(Dk))/4;//площадь
поперечного сечения тарелки
D:=F-W;//расход
дистиллята
G:=L+D;//расход
пара в колонне
min:=0; max:=1;//пределы
изменения концентрации
writeln('ploshad
tarelki = ',S:3:3,'
m2');
writeln('rashod pitaniya = ',F:3:3,'
kg/s');('rashod cub prod = ',W:3:3,' kg/s');('rashod oroshen = ',L:3:3,'
kg/s');('rashod diostill = ',D:3:3,' kg/s');('rashod para v k = ',G:3:3,' kg/s');('conc
L/L comp v pit =
',Xf:3:3,#10);:=(min+max)/2;(xw,x,y,m,n);:=m;(min,x,y,m,n);:=m;Mmin*Mxw<=0
then max:=xwmin:=xw;abs(max-min)<=e;('concentraciya X L/L (T/L) componenta v
jidkoy faze');i:=0 to n do begin[i]:=1-x[i];i=0 then('X v cube kolonni = ',x[i]:6:6,'
(',xt[i]:6:6,')')('X na ',i,' tarelke = ',x[i]:6:6,'
(',xt[i]:6:6,')');;(#10,'concentraciya Y L/L (T/L) componenta v parovoy
faze');i:=0 to n do begin[i]:=1-y[i];i=0 then('Y v cube kolonni = ',y[i]:6:6,'
(',yt[i]:6:6,')')('Y na ',i,' tarelke = ',y[i]:6:6,'
(',yt[i]:6:6,')');;(xw,x,y,m,n);(#10,'materialniy balans kolonni = ',M:6:6
);;('temperetura kipeniya L/L componenta i conc v parovoy faze');i:=0 to n do
begin:=20;maxt:=200;//пределы
изменения температуры
repeat
T[i]:=(maxt+mint)/2;(T[i],y,yt,bal,i);:=bal;(mint,y,yt,bal,i);:=bal;T1*T2<=0
then maxt:=T[i]mint:=T[i];abs(maxt-mint)<=e;i=0 then('v cube = ',T[i]:2:2,'
C',', y(L/L)=',y[i]:3:3,', y(T/L)=',yt[i]:3:3, 'balans = ',bal:6:6)('na ',i,'
tar = ',T[i]:2:2,' C',', y(L/L)=',y[i]:3:3,', y(T/L)=',yt[i]:3:3, ', balans =
',bal:6:6);;
readln;
end.
Результаты.
Результаты работы программы:
tarelki = 10.179 m2pitaniya = 7.368
kg/scub prod = 6.417 kg/sorochen = 4.801 kg/sdiostill = 0.951 kg/spara v k =
5.752 kg/sL/L comp v pit = 0.250X L/L (T/L)componenta v jidkoy fazev cube
kolonni = 0.000214(0.999786)na 1 tarelke = 0.000335(0.999665)na 2 tarelke =
0.000364(0.999636)na 3 tarelke = 0.000394(0.999606)na 4 tarelke =
0.000424(0.999576)na 5 tarelke = 0.000454(0.999546)na 6 tarelke =
0.000484(0.999516)na 7 tarelke = 0.000515(0.999485)na 8 tarelke =
0.000546(0.999454)na 9 tarelke = 0.000578(0.999422)na 10 tarelke =
0.000609(0.999391)na 11 tarelke = 0.000641(0.999359)na 12 tarelke =
0.000673(0.999327)na 13 tarelke = 0.000706(0.999294)na 14 tarelke = 0.000739(0.999261)na
15 tarelke = 0.000772(0.999228)na 16 tarelke = 0.000805(0.999195)na 17 tarelke
= 0.000839(0.999161)na 18 tarelke = 0.000873(0.999127)na 19 tarelke =
0.000908(0.999092)na 20 tarelke = 0.000942(0.999058)na 21 tarelke =
0.000977(0.999023)na 22 tarelke = 0.001013(0.998987)na 23 tarelke =
0.001048(0.998952)na 24 tarelke = 0.001084(0.998916)na 25 tarelke =
0.001121(0.998879)na 26 tarelke = 0.001157(0.998843)na 27 tarelke =
0.001194(0.998806)na 28 tarelke = 0.001232(0.998768)na 29 tarelke = 0.001269(0.998731)na
30 tarelke = 0.001307(0.998693)na 31 tarelke = 0.001346(0.998654)na 32 tarelke
= 0.001385(0.998615)na 33 tarelke = 0.001424(0.998576)na 34 tarelke =
0.001524(0.998476)na 35 tarelke = 0.001662(0.998338)na 36 tarelke =
0.001853(0.998147)na 37 tarelke = 0.002117(0.997883)na 38 tarelke =
0.002482(0.997518)na 39 tarelke = 0.002986(0.997014)na 40 tarelke =
0.003681(0.996319)na 41 tarelke = 0.004643(0.995357)na 42 tarelke =
0.005970(0.994030)na 43 tarelke = 0.007804(0.992196)na 44 tarelke = 0.010338(0.989662)na
45 tarelke = 0.013838(0.986162)na 46 tarelke = 0.018673(0.981327)na 47 tarelke
= 0.025352(0.974648)na 48 tarelke = 0.034578(0.965422)na 49 tarelke =
0.047323(0.952677)na 50 tarelke = 0.064929(0.935071)na 51 tarelke =
0.089249(0.910751)na 52 tarelke = 0.122846(0.877154)na 53 tarelke =
0.169256(0.830744)na 54 tarelke = 0.233366(0.766634)na 55 tarelke =
0.321927(0.678073)na 56 tarelke = 0.444265(0.555735)na 57 tarelke =
0.613263(0.386737)na 58 tarelke = 0.846715(0.153285)na 59 tarelke = 1.169204(-0.169204)na
60 tarelke = 1.614688(-0.614688)Y L/L (T/L) componenta v parovoy fazev cube
kolonni = 0.000470 (0.999530)na 1 tarelke = 0.000532 (0.999468)na 2 tarelke =
0.000595 (0.999405)na 3 tarelke = 0.000658 (0.999342)na 4 tarelke = 0.000722
(0.999278)na 5 tarelke = 0.000787 (0.999213)na 6 tarelke = 0.000852
(0.999148)na 7 tarelke = 0.000917 (0.999083)na 8 tarelke = 0.000984
(0.999016)na 9 tarelke = 0.001051 (0.998949)na 10 tarelke = 0.001118
(0.998882)na 11 tarelke = 0.001186 (0.998814)na 12 tarelke = 0.001255
(0.998745)na 13 tarelke = 0.001325 (0.998675)na 14 tarelke = 0.001395
(0.998605)na 15 tarelke = 0.001465 (0.998535)na 16 tarelke = 0.001537
(0.998463)na 17 tarelke = 0.001609 (0.998391)na 18 tarelke = 0.001682
(0.998318)na 19 tarelke = 0.001755 (0.998245)na 20 tarelke = 0.001829
(0.998171)na 21 tarelke = 0.001904 (0.998096)na 22 tarelke = 0.001979
(0.998021)na 23 tarelke = 0.002056 (0.997944)na 24 tarelke = 0.002132
(0.997868)na 25 tarelke = 0.002210 (0.997790)na 26 tarelke = 0.002288
(0.997712)na 27 tarelke = 0.002367 (0.997633)na 28 tarelke = 0.002447
(0.997553)na 29 tarelke = 0.002528 (0.997472)na 30 tarelke = 0.002609
(0.997391)na 31 tarelke = 0.002691 (0.997309)na 32 tarelke = 0.002774
(0.997226)na 33 tarelke = 0.002858 (0.997142)na 34 tarelke = 0.002973
(0.997027)na 35 tarelke = 0.003132 (0.996868)na 36 tarelke = 0.003353
(0.996647)na 37 tarelke = 0.003657 (0.996343)na 38 tarelke = 0.004077
(0.995923)na 39 tarelke = 0.004658 (0.995342)na 40 tarelke = 0.005460
(0.994540)na 41 tarelke = 0.006569 (0.993431)na 42 tarelke = 0.008099
(0.991901)na 43 tarelke = 0.010214 (0.989786)na 44 tarelke = 0.013135
(0.986865)na 45 tarelke = 0.017171 (0.982829)na 46 tarelke = 0.022745
(0.977255)na 47 tarelke = 0.030446 (0.969554)na 48 tarelke = 0.041083
(0.958917)na 49 tarelke = 0.055778 (0.944222)na 50 tarelke = 0.076077
(0.923923)na 51 tarelke = 0.104117 (0.895883)na 52 tarelke = 0.142853
(0.857147)na 53 tarelke = 0.196361 (0.803639)na 54 tarelke = 0.270278
(0.729722)na 55 tarelke = 0.372386 (0.627614)na 56 tarelke = 0.513438
(0.486562)na 57 tarelke = 0.708285 (0.291715)na 58 tarelke = 0.977447
(0.022553)na 59 tarelke = 1.349265 (-0.349265)na 60 tarelke = 1.862892
(-0.862892)balans kolonni = 0.005428kipeniya L/L componenta i conc v parovoy
fazecube = 200.00C,y(L/L)=0.000,y(T/L)=0.021balans = -0.979137tar =
200.00C,y(L/L)=0.000,y(T/L)=0.021, balans = -0.979136tar =
200.00C,y(L/L)=0.000,y(T/L)=0.021, balans = -0.979136tar =
200.00C,y(L/L)=0.000,y(T/L)=0.021, balans = -0.979136tar =
200.00C,y(L/L)=0.000,y(T/L)=0.021, balans = -0.979135tar =
200.00C,y(L/L)=0.000,y(T/L)=0.021, balans = -0.979135tar =
200.00C,y(L/L)=0.000,y(T/L)=0.021, balans = -0.979135tar =
200.00C,y(L/L)=0.000,y(T/L)=0.021, balans = -0.979135tar =
200.00C,y(L/L)=0.000,y(T/L)=0.021, balans = -0.979134tar =
200.00C,y(L/L)=0.000,y(T/L)=0.021, balans = -0.979134tar =
200.00C,y(L/L)=0.000,y(T/L)=0.021, balans = -0.979134tar =
200.00C,y(L/L)=0.000,y(T/L)=0.021, balans = -0.979134tar =
200.00C,y(L/L)=0.000,y(T/L)=0.021, balans = -0.979134tar = 200.00C,y(L/L)=0.000,y(T/L)=0.021,
balans = -0.979133tar = 200.00C,y(L/L)=0.000,y(T/L)=0.021, balans =
-0.979133tar = 200.00C,y(L/L)=0.000,y(T/L)=0.021, balans = -0.979133tar =
200.00C,y(L/L)=0.000,y(T/L)=0.021, balans = -0.979133tar =
200.00C,y(L/L)=0.000,y(T/L)=0.021, balans = -0.979132tar =
200.00C,y(L/L)=0.000,y(T/L)=0.021, balans = -0.979132tar =
200.00C,y(L/L)=0.000,y(T/L)=0.021, balans = -0.979132tar =
200.00C,y(L/L)=0.000,y(T/L)=0.021, balans = -0.979131tar =
200.00C,y(L/L)=0.000,y(T/L)=0.021, balans = -0.979131tar = 200.00C,y(L/L)=0.000,y(T/L)=0.021,
balans = -0.979131tar = 200.00C,y(L/L)=0.000,y(T/L)=0.021, balans =
-0.979131tar = 200.00C,y(L/L)=0.000,y(T/L)=0.021, balans = -0.979130tar =
200.00C,y(L/L)=0.000,y(T/L)=0.021, balans = -0.979130tar = 200.00C,y(L/L)=0.000,y(T/L)=0.021,
balans = -0.979130tar = 200.00C,y(L/L)=0.000,y(T/L)=0.021, balans =
-0.979130tar = 200.00C,y(L/L)=0.000,y(T/L)=0.021, balans = -0.979129tar =
200.00C,y(L/L)=0.000,y(T/L)=0.021, balans = -0.979129tar =
200.00C,y(L/L)=0.000,y(T/L)=0.021, balans = -0.979129tar =
200.00C,y(L/L)=0.000,y(T/L)=0.021, balans = -0.979128tar =
200.00C,y(L/L)=0.000,y(T/L)=0.021, balans = -0.979128tar =
200.00C,y(L/L)=0.000,y(T/L)=0.021, balans = -0.979128tar =
200.00C,y(L/L)=0.000,y(T/L)=0.021, balans = -0.979127tar = 200.00C,y(L/L)=0.000,y(T/L)=0.021,
balans = -0.979126tar = 200.00C,y(L/L)=0.000,y(T/L)=0.021, balans =
-0.979125tar = 200.00C,y(L/L)=0.000,y(T/L)=0.021, balans = -0.979123tar =
200.00C,y(L/L)=0.000,y(T/L)=0.021, balans = -0.979120tar = 200.00C,y(L/L)=0.000,y(T/L)=0.021,
balans = -0.979116tar = 200.00C,y(L/L)=0.000,y(T/L)=0.021, balans =
-0.979111tar = 200.00C,y(L/L)=0.000,y(T/L)=0.021, balans = -0.979104tar =
200.00C,y(L/L)=0.000,y(T/L)=0.021, balans = -0.979093tar =
200.00C,y(L/L)=0.000,y(T/L)=0.021, balans = -0.979080tar =
200.00C,y(L/L)=0.000,y(T/L)=0.021, balans = -0.979060tar =
200.00C,y(L/L)=0.000,y(T/L)=0.021, balans = -0.979034tar =
200.00C,y(L/L)=0.001,y(T/L)=0.020, balans = -0.978997tar =
200.00C,y(L/L)=0.001,y(T/L)=0.020, balans = -0.978947tar = 200.00C,y(L/L)=0.001,y(T/L)=0.020,
balans = -0.978877tar = 200.00C,y(L/L)=0.001,y(T/L)=0.020, balans =
-0.978781tar = 200.00C,y(L/L)=0.002,y(T/L)=0.020, balans = -0.978648tar =
200.00C,y(L/L)=0.003,y(T/L)=0.019, balans = -0.978464tar = 200.00C,y(L/L)=0.003,y(T/L)=0.018,
balans = -0.978210tar = 200.00C,y(L/L)=0.005,y(T/L)=0.017, balans =
-0.977859tar = 200.00C,y(L/L)=0.007,y(T/L)=0.016, balans = -0.977375tar =
200.00C,y(L/L)=0.009,y(T/L)=0.014, balans = -0.976705tar =
200.00C,y(L/L)=0.013,y(T/L)=0.012, balans = -0.975781tar =
200.00C,y(L/L)=0.017,y(T/L)=0.008, balans = -0.974503tar =
200.00C,y(L/L)=0.024,y(T/L)=0.003, balans = -0.972739tar =
200.00C,y(L/L)=0.033,y(T/L)=-0.004, balans = -0.970302tar =
200.00C,y(L/L)=0.046,y(T/L)=-0.013, balans = -0.966935
. Таблица полученных данных
|
№
тарелки
|
Концентрация
л/л компонента в жидкой фазе, X
|
Концентрация
л/л компонента в паровой фазе, Y
|
Концентрация
н/л компонента в жидкой фазе, Xt
|
Концентрация
н/л компонента в паровой фазе, Y
|
Температура
кипения л/л компонента, C
|
|
|
по
результатам определения концентрации
|
по
результатам определения температуры кипения
|
|
по
результатам определения концентрации
|
по
результатам определения температуры кипения
|
|
|
куб
|
0.000214
|
0.000470
|
0.000
|
0.999786
|
0.999530
|
0.021
|
200
|
|
1
|
0.000335
|
0.000532
|
0.000
|
0.999665
|
0.999468
|
0.021
|
200
|
|
2
|
0.000364
|
0.000595
|
0.000
|
0.999636
|
0.999405
|
0.021
|
200
|
|
3
|
0.000394
|
0.000658
|
0.000
|
0.999606
|
0.999342
|
0.021
|
200
|
|
4
|
0.000424
|
0.000722
|
0.000
|
0.999576
|
0.999278
|
0.021
|
200
|
|
5
|
0.000454
|
0.000787
|
0.000
|
0.999546
|
0.999213
|
0.021
|
200
|
|
6
|
0.000484
|
0.000852
|
0.000
|
0.999516
|
0.999148
|
0.021
|
200
|
|
7
|
0.000515
|
0.000917
|
0.000
|
0.999485
|
0.999083
|
0.021
|
200
|
|
8
|
0.000546
|
0.000984
|
0.000
|
0.999454
|
0.999016
|
0.021
|
|
9
|
0.000578
|
0.001051
|
0.000
|
0.999422
|
0.998949
|
0.021
|
200
|
|
10
|
0.000609
|
0.001118
|
0.000
|
0.999391
|
0.998882
|
0.021
|
200
|
|
11
|
0.000641
|
0.001186
|
0.000
|
0.999359
|
0.998814
|
0.021
|
200
|
|
12
|
0.000673
|
0.001255
|
0.000
|
0.999327
|
0.998745
|
0.021
|
200
|
|
13
|
0.000706
|
0.001325
|
0.000
|
0.999294
|
0.998675
|
0.021
|
200
|
|
14
|
0.000739
|
0.001395
|
0.000
|
0.999261
|
0.998605
|
0.021
|
200
|
|
15
|
0.000772
|
0.001465
|
0.000
|
0.999228
|
0.998535
|
0.021
|
200
|
|
16
|
0.000805
|
0.001537
|
0.000
|
0.999195
|
0.998463
|
0.021
|
200
|
|
17
|
0.000839
|
0.001609
|
0.000
|
0.999161
|
0.998391
|
0.021
|
200
|
|
18
|
0.000873
|
0.001682
|
0.000
|
0.999127
|
0.998318
|
0.021
|
200
|
|
19
|
0.000908
|
0.001755
|
0.000
|
0.999092
|
0.998245
|
0.021
|
200
|
|
20
|
0.000942
|
0.001829
|
0.000
|
0.999058
|
0.998171
|
0.021
|
200
|
|
21
|
0.000977
|
0.001904
|
0.000
|
0.999023
|
0.998096
|
0.021
|
200
|
|
22
|
0.001013
|
0.001979
|
0.000
|
0.998987
|
0.998021
|
0.021
|
200
|
|
23
|
0.001048
|
0.002056
|
0.000
|
0.998952
|
0.997944
|
0.021
|
200
|
|
24
|
0.001084
|
0.002132
|
0.000
|
0.998916
|
0.997868
|
0.021
|
200
|
|
25
|
0.001121
|
0.002210
|
0.000
|
0.998879
|
0.997790
|
0.021
|
200
|
|
26
|
0.001157
|
0.002288
|
0.000
|
0.998843
|
0.997712
|
0.021
|
200
|
|
27
|
0.001194
|
0.002367
|
0.000
|
0.998806
|
0.997633
|
0.021
|
200
|
|
28
|
0.001232
|
0.002447
|
0.000
|
0.998768
|
0.997553
|
0.021
|
200
|
|
29
|
0.001269
|
0.002528
|
0.000
|
0.998731
|
0.997472
|
0.021
|
200
|
|
30
|
0.001307
|
0.002609
|
0.000
|
0.998693
|
0.997391
|
0.021
|
200
|
|
31
|
0.001346
|
0.002691
|
0.000
|
0.998654
|
0.997309
|
0.021
|
200
|
|
32
|
0.001385
|
0.002774
|
0.000
|
0.998615
|
0.997226
|
0.021
|
200
|
|
33
|
0.001424
|
0.002858
|
0.000
|
0.998576
|
0.997142
|
0.021
|
200
|
|
34
|
0.001524
|
0.002973
|
0.000
|
0.998476
|
0.997027
|
0.021
|
200
|
|
35
|
0.001662
|
0.003132
|
0.000
|
0.998338
|
0.996868
|
0.021
|
200
|
|
36
|
0.001853
|
0.003353
|
0.000
|
0.998147
|
0.996647
|
0.021
|
200
|
|
37
|
0.002117
|
0.003657
|
0.000
|
0.997883
|
0.996343
|
0.021
|
200
|
|
38
|
0.002482
|
0.004077
|
0.000
|
0.997518
|
0.995923
|
0.021
|
200
|
|
39
|
0.002986
|
0.004658
|
0.000
|
0.997014
|
0.995342
|
0.021
|
200
|
|
40
|
0.003681
|
0.005460
|
0.000
|
0.996319
|
0.994540
|
0.021
|
200
|
|
41
|
0.004643
|
0.006569
|
0.000
|
0.995357
|
0.993431
|
0.021
|
200
|
|
42
|
0.005970
|
0.008099
|
0.000
|
0.994030
|
0.991901
|
0.021
|
200
|
|
43
|
0.007804
|
0.010214
|
0.000
|
0.992196
|
0.989786
|
0.021
|
200
|
|
44
|
0.010338
|
0.013135
|
0.000
|
0.989662
|
0.986865
|
0.021
|
200
|
|
45
|
0.013838
|
0.017171
|
0.000
|
0.986162
|
0.982829
|
0.021
|
200
|
|
46
|
0.018673
|
0.022745
|
0.001
|
0.981327
|
0.977255
|
0.020
|
200
|
|
47
|
0.025352
|
0.030446
|
0.001
|
0.974648
|
0.969554
|
0.020
|
200
|
|
48
|
0.034578
|
0.041083
|
0.001
|
0.965422
|
0.958917
|
0.020
|
200
|
|
49
|
0.047323
|
0.055778
|
0.001
|
0.952677
|
0.944222
|
0.020
|
200
|
|
50
|
0.064929
|
0.076077
|
0.002
|
0.935071
|
0.923923
|
0.020
|
200
|
|
51
|
0.089249
|
0.104117
|
0.003
|
0.910751
|
0.895883
|
0.019
|
200
|
|
52
|
0.122846
|
0.142853
|
0.003
|
0.877154
|
0.857147
|
200
|
|
53
|
0.169256
|
0.196361
|
0.005
|
0.830744
|
0.803639
|
0.017
|
200
|
|
54
|
0.233366
|
0.270278
|
0.007
|
0.766634
|
0.729722
|
0.016
|
200
|
|
55
|
0.321927
|
0.372386
|
0.009
|
0.678073
|
0.627614
|
0.014
|
200
|
|
56
|
0.444265
|
0.513438
|
0.013
|
0.555735
|
0.486562
|
0.012
|
200
|
|
57
|
0.613263
|
0.708285
|
0.017
|
0.386737
|
0.291715
|
0.008
|
200
|
|
58
|
0.846715
|
0.977447
|
0.024
|
0.153285
|
0.022553
|
0.003
|
200
|
|
59
|
1.169204
|
1.349265
|
0.033
|
-0.169204
|
-0.349265
|
-0.004
|
200
|
|
60
|
1.614688
|
1.862892
|
0.046
|
-0.614688
|
-0.862892
|
-0.013
|
200
|
Графическое представление полученных данных.
Концентрации л/л и н/л компонента в жидкой и
паровой фазах по результатам определения концентрации.
Полученные зависимости концентраций, с учетом
довольно больших допущений и неточностей моделирования, можно считать
удовлетворительными. Однако, как видно из полученных данных чистота разделения
смеси на модели довольна мала, т.е. на данной модели можно исследовать только
общее поведение объекта при изменении возмущений. Неточности также связаны с
отсутствием информации о коэффициенте массопередачи и коэффициенте
пропорциональности.
Заключение
колонна бензин перегонка
фракция
В процессе выполнения данного курсового проекта
были изучены принципы моделирования аппаратов ректификации, процессы
происходящие при ректификации, построена модель реального объекта - колонны К-4
разделения прямогонного бензина на более узкие фракции, блок вторичной
перегонки бензина (ВПб), установки ЭЛОУ+АВТ-6 типа 11/4 цеха №18 НПЗ.
Результатами обработки модели являются график и
таблицы зависимости концентраций компонентов на каждой тарелке и температур
кипения. По полученным результатам можно судить о поведении объекта при
изменении возмущений. Т.е. изменяя какой-то параметр получаем семейство кривых
отображающих поведение объекта. Например, изменяя расход орошения в колонне
получаем множество кривых. Главной целью ректификации является как можно более
точное разделение смеси. С полученных кривых снимаем данные изменения
концентрации дистиллята в зависимости от расхода орошения. И используя методы
оптимизации, максимизируем концентрацию дистиллята. Аналогично можно
оптимизировать любой параметр.
Данная модель является приближенной, поэтому по
ней можно судить только об общем поведении объекта, и то не во всех случаях. В
данном курсовом проекте изучаются только общие принципы проектирования. Для
реального использования строятся более сложные модели.