Информационные устройства и системы станка с ЧПУ
обРАЗОВАТЕЛЬНАЯ АВТОНОМНАЯ НЕКОМЕРЧЕСКАЯ
ОРГАНИЗАЦИЯ ВЫШЕГО ПРОФЕССИОНАЛЬНОГО ОБРАЗОВАНИЯ
«Волжский университет имени В.Н. Татищева» (институт)
ФАКУЛЬТЕТ «Информатика и телекоммуникации»
Кафедра «Управление качеством в производственных и
образовательных системах»
Курсовой
проект на тему
Информационные
устройства и системы станка с ЧПУ
Выполнил
Студент
группы ИМ-511
Р.О.
Лобашов
Проверил
Н.Г.
Губанов
Тольятти
2013г.
Введение
Токарная обработка является одной из
разновидностей обработки металловрезанием. Она осуществляется срезанием с
поверхностей заготовки определенного слоя металла (припуска) резцами, сверлами
и другими режущими инструментами.
Вращение заготовки, посредством которого
совершается процесс резания, называется главным движением, а поступательное
перемещение инструмента, обеспечивающее непрерывность этого процесса,-
движением подачи. Благодаря определенному сочетанию этих движений на токарных
станках можно обрабатывать цилиндрические, конические, фасонные, резьбовые и
другие поверхности.
При токарной обработке измерительные инструменты
применяются для определения размеров, формы и взаимного расположения отдельных
поверхностей деталей как в процессе их изготовления, так и после окончательной
обработки. В единичном и мелкосерийном производстве используются универсальные
измерительные инструменты - штангенциркули, микрометры, нутромеры и др., а в
крупносерийном и массовом - предельные калибры.
Целью данной работы является определение
сущности и особенностей организации токарной обработки, характеристика основных
видов токарных работ, а также рассмотрение правил эксплуатации токарных
станков.
Теоретической и методологической основой работы
является анализ учебной, научно-практической, социально-экономической, а также
справочной литературы, список которой прилагается.
РАЗДЕЛ 1 ИСЛЕДОВАНИЕ ТОКАРНОЙ ОБРАБОТКИ
1.1 Анализ существующей
проблемной области
Физические основы процесса обработки резанием
Токарная обработка - это обработка резанием
наружных и внутренних поверхностей вращения, в том числе цилиндрических и
конических, торцевание, отрезание, снятие фасок, обработка галтелей, прорезание
канавок, нарезание внутренних и наружных резьб на токарных станках.
Вращательное движение заготовки называют главным
движением резания, а поступательное движение режущего инструмента - движением
подачи. Различают также вспомогательные движения, которые не имеют
непосредственного отношения к процессу резания, но обеспечивают
транспортирование и закрепление заготовки на станке, его включение и изменение
частоты вращения заготовки или скорости поступательного движения инструмента и
др.
Сущность процесса заключается в механическом
разрушении наружного слоя материала на обрабатываемой поверхности заготовки под
воздействием внешней силы - силы резания.
Рис. 3.2 Обработка резанием
Под действием силы резания резец, выполненный в
виде клина, вдавливается передней плоскостью в верхний слой металла заготовки,
подвергая его упругой и пластической деформации. Резец преодолевает внутренние
силы связи материала и отрывает от его мысы частицы путем сдвига по плоскости SS.
Процесс сдвига совершается непрерывно, поэтому с обрабатываемой поверхности
удаляется слой металла t
в виде стружки.
Технологические основы процесса обработки резанием.
Основным режущим элементом любого инструмента
является режущий клин. Его твердость и прочность должны существенно
превосходить твердость и прочность обрабатываемого материала, обеспечивая его
режущие свойства. К инструменту прикладывается усилие резания, равное силе
сопротивления материала резанию, и сообщается перемещение относительно
заготовки со скоростью ν. Под
действием приложенного усилия режущий клин врезается в заготовку и, разрушая
обрабатываемый материал, срезает с поверхности заготовки стружку. Стружка
образуется в результате интенсивной упругопластической деформации сжатия
материала, приводящей к его разрушению у режущей кромки, и сдвигу в зоне
действия максимальных касательных напряжений под углом φ.
Величина
φ
зависит
от параметров резания и свойств обрабатываемого материала. Она составляет ~30°
к направлению движения резца.
Внешний вид стружки характеризует процессы
деформирования и разрушения материала, происходящие при резании. Различают
четыре возможных типа образующихся стружек: сливная, суставчатая, элементная и
стружка надлома.
Анализ выполняемых операций при токарной
обработке
Метод обработки резанием совершается с
применением режущих инструментов (резца, фрез, шлифовальных кругов, сверл,
разверток и т.д.), которые в процессе обработки материалов участвуют в двух
основных движениях: движение резания и движение подачи.
Движение резания - это движение заготовки или
режущего инструмента, происходящее с наибольшей скоростью v
в процессе резания.
Движение подачи - это движение заготовки или
режущего инструмента, скорость которого vs
меньше скорости движения резания, предназначенное для того, чтобы
распространить отделение слоя материала на всю обрабатываемую поверхность.
Наиболее распространенными способами обработки
металлов резанием являются точение, сверление, фрезерование, строгание,
шлифование.
Рис. 1. Способы обработки металлов резанием
При точении (а) заготовке сообщается главное
движение резания, а инструменты - движение подачи.
При сверлении оба движения, как правило,
сообщаются сверлу.
В общем случае процесс резания характеризуется
глубиной, скоростью и площадью резания, подачей и основным технологическим
временем.
Скорость резания - скорость рассматриваемой
точки режущей кромки или заготовки в главном движении резания.
Существующие способы автоматизации токарной
обработки
Чтобы повысить производительность и качество
токарной обработки, рациональнее использовать рабочее время токаря и повысить
эффективность его труда, проводят постоянную работу по автоматизации и
механизации токарных станков.
Автоматизация - это процесс создания приборов,
устройств и механизмов, которым частично или полностью передаются функции
управления станком и контроля качества обработки деталей. К средствам
механизации относят транспортные средства, зажимные устройства (самозажимные
поводковые патроны, патроны с пневмо - или гидрозажимом, заднюю бабку с гидро -
или пневмоприводом пиноли), механизированный привод подач резцовых салазок,
задней бабки, а также гидросуппорт, который позволяет обрабатывать заготовки по
копиру, закрепляемые в центрах и в патроне, по наружным и внутренним
поверхностям.
К средствам автоматизации можно отнести
устройства управления (датчики, кулачки, ограничители, конечные выключатели,
упоры) и измерения, загрузочные устройства, устройства уборки стружки, действие
которых скоординировано с работой станка и требует вмешательства рабочего
только при наладке станка или при подналадке в процессе работы.
В условиях серийного производства деталей
эффективно использование автоматов и полуавтоматов, обрабатывающих детали типа
втулок, колец, валов, включая контроль их размеров, автоматически, без участия
рабочего, который следит за исправной работой автомата, периодически загружает
его заготовками и контролирует качество обработки. Обработка деталей на
полуавтомате производится с участием рабочего, который производит смену
заготовки, пуск станка, измерение обработанной детали и др.
Станки с числовым программным управлением (ЧПУ)
по сравнению с обычными имеют следующие преимущества: повышение
производительности и сокращение времени переналадки станка с одной детали на
другую; сокращение сроков подготовки производства и др.
Огромное число морально устаревших станков может
быть рационально использовано путем модернизации силами предприятия.
Модернизация оборудования не является временным мероприятием. В связи с тем,
что моральное старение станочного оборудования происходит значительно быстрее
его физического износа, промышленные предприятия вынуждены постоянно заниматься
вопросами модернизации станков.
Устройство токарного станка с ЧПУ
Токарные станки с ЧПУ предназначены для наружной
и внутренней обработки сложных заготовок деталей типа тел вращения. Они
составляют самую значительную группу по номенклатуре в парке станков с ЧПУ. На
токарных станках с ЧПУ выполняют традиционный комплекс технологических
операций: точение, отрезку, сверление, нарезание резьбы и др.
В основе классификации токарных станков с ЧПУ
лежат следующие признаки:
расположение оси шпинделя (горизонтальные и
вертикальные станки);
число используемых в работе инструментов (одно-
и многоинструментальные станки);
способы их закрепления (на суппорте, в
револьверной головке, в магазине инструментов);
вид выполняемых работ (центровые, патронные,
патронно-центровые, карусельные, прутковые станки);
степень автоматизации (полуавтоматы и автоматы).
Центровые станки с ЧПУ служат для обработки
заготовок деталей типа валов с прямолинейным и криволинейным контурами. На этих
станках можно нарезать резьбу резцом по программе.
Токарные станки с ЧПУ (рис. 1) оснащают
револьверными головками или магазином инструментов. Револьверные головки бывают
четырех-, шести- и двенадцатипозиционные, причем на каждой позиции можно
устанавливать по два инструмента для наружной и внутренней обработки заготовки.
1.2 Виды датчиков
Датчики температуры
Из всех измерений физических величин, измерение
температуры занимает ½ от общего
количества измерений. Из всех измерений физических величин, измерение
температуры занимает ½ от общего
количества измерений.
Практически все температурные датчики,
применяемые в современном производстве, используют принцип преобразования
измеряемой температуры в электрические сигналы. Такое преобразование основано
на том, что электрический сигнал возможно передавать с высокой скоростью на
большие расстояния, в электрические же сигналы могут быть преобразованы любые
физические величины. Преобразованные в цифровой код эти сигналы могут быть
переданы с высокой точностью, а кроме того введены для обработки в компьютер.
Датчики давления
Датчики давления тензометрические предназначены
для контроля давления в гидравлических и пневматических узлах.
В датчиках используется керамическая
измерительная ячейка, что обеспечивает высокую временную стабильность и
устойчивость к коррозии.
Большинство датчиков хорошо защищены от
динамических перепадов давления и перегрузок. Облицовка измерительной ячейки и
ее крепление внутри корпуса из высококачественной нержавеющей стали.
РАЗДЕЛ 2 ПРОЕКТИРОВАНИЕ ТОКАРНОГО СТАНКА
2.1 Выбор средств для
структурного анализа
В функции CASE входят средства
анализа, проектирования и программирования программных средств, проектирования
интерфейсов, документирования и производства структурированного кода на
каком-либо языке программирования.инструменты классифицируются по типам и
категориям.
·
средства
анализа - предназначены для построения и анализа предметной области;
·
средства
проектирования баз данных;
·
средства
разработки приложений;
·
средства
реинжиниринга процессов;
·
средства
планирования и управления проектом;
·
средства
тестирования;
·
средства
документирования.
Классификация по категориям
определяет степень интегрированности по выполняемым функциям и включают -
отдельные локальные средства, решающие небольшие автономные задачи, набор
частично интегрированных средств, охватывающих большинство этапов жизненного
цикла и полностью интегрированных средств, охватывающий весь жизненный цикл
информационной системы и связанных общим репозиторием.
Типичными CASE-инструментами
являются:
·
инструменты
управления конфигурацией;
·
инструменты
моделирования данных;
·
инструменты
анализа и проектирования;
·
инструменты
преобразования моделей;
·
инструменты
редактирования программного кода;
·
инструменты
рефакторинга кода;
·
генераторы
кода;
·
инструменты
для построения UML-диаграмм.
2.2
Выбор программных средств для функционального моделирования
Решение Oracle для разработки приложений
включает два основных продукта -Oracle Developer и Oracle Designer. Developer -
это промышленная среда второго поколения, которая предназначена для разработки
приложений. Designer предназначен для поддержки моделирования сложных систем,
включая BPR, анализ и проектирование через использование диаграмм.
В основе CASE-технологии фирмы Oracle лежит
собственная методология проектирования, базирующаяся на структурном подходе к
разработке прикладной системы, разбиении жизненного цикла системы на этапы с
учетом автоматизации перехода от одного этапа к другому. Основа Designer- это
существование единой базы данных, в которой содержатся спецификации проектов на
всех этапах разработки и через которую обеспечивается согласованность работы
всех разработчиков. Возможность совместной работы с базой данных проекта решает
проблему взаимной координации усилий и существенно увеличивает шансы на успех в
крупномасштабных проектах. На всех уровнях проектирования в настоящее время
используются приложения с графическим интерфейсом, что увеличивает наглядность
и упрощает работу с этим продуктом. Среди таких компонент, которые отсутствуют
в других продуктах, в первую очередь можно выделить возможность анализа
производственного процесса. В результате этого существенно упрощается
моделирование и анализ деятельности организации, визуальное представление
технологических процессов и способов коммуникации. Отраженные таким образом
модели бизнес-процессов могут показывать все аспекты деятельности предприятия,
включая организационные структуры, распределенные работы, загрузку и занятость
персонала и т.п. Средства концептуального моделирования Designer включают в себя:
- ER-диаграммы (диаграммы
информационной структуры предметной области, представляемой в виде объектов и
их взаимосвязей);
- диаграммы функциональной иерархии,
описывающие функции, которые выполняет система;
- диаграммы потоков данных,
циркулирующих на предприятии.
Существующие средства реинжиниринга позволяют
воссоздать спецификации уровня анализа задачи и этапа проектирования на основе
уже существующей системы. В дальнейшем это позволяет дорабатывать и
поддерживать систему уже с помощью CASE-средств. Применение CASE-инструментария
существенно увеличивает производительность на всех этапах разработки прикладной
системы и значительно сокращает затраты на ее сопровождение. Средства
управления проектом, включенные в состав пакета Designer, позволяют контролировать
весь процесс разработки, обеспечивая на каждом этапе полноту и
непротиворечивость структурных и функциональных спецификаций. По проектным
спецификациям создается работающая версия прикладной системы. При возникновении
изменений на предприятии и соответственно изменении некоторых требований к
информационной системе процесс преобразования системы оказывается заметно более
сглаженным за счет возможности генерации новых программных модулей путем
изменения соответствующих диаграммных описаний.
токарный станок наладка инструмент
2.3 Построение
функциональной модели
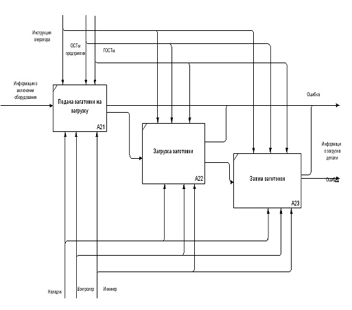
На нулевом уровне (рисунок 1) вся система
представляется в виде черного ящика, целью которого является создание
управляющей программы для системы ЧПУ. Для этого на вход системы должен
поступить ряд данных. Данные из чертежа изделия включают весь комплекс
информации о геометрических свойствах изделия, его размерах, наборе
поверхностей, подлежащих обработке, их точности и шероховатости.
Также на вход должна поступить информация об
инструменте и заготовке, которые будут использоваться в процессе обработки
данного изделия.
Рисунок 1 - Нулевой уровень функциональной
модели
Модуль будет выдавать два вида файлов. Одна
группа файлов будет являться управляющей программой системы ЧПУ, две другие
группы файлов системные, обеспечивающие связь первого модуля со вторым. Первая
группа системных файлов должна передавать исходные данные, содержащие
информацию об оснащении станка (тип оснастки, инструмент, заготовка, их взаимное
расположение). Вторая группа файлов должна содержать рассчитанные данные
(траектории всех перемещений инструмента).
Рисунок 2 - Первый уровень функциональной модели
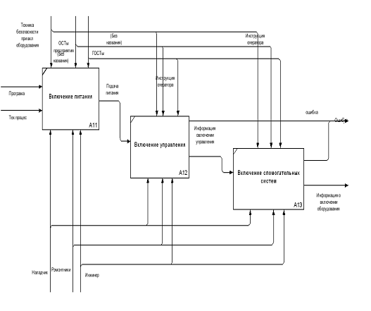
На втором уровне, модуль расчета перемещений
инструмента можно разделить на четыре этапа
Первый этап - это моделирование заготовки. На
нем задаются параметры заготовки (размеры, геометрические особенности, вылет из
патрона). Все это производится на основании технического паспорта станка и СТП
предприятия на изготовление осевого режущего инструмента.
Следующий этап - моделирование наладки
инструмента. В этом этапе задаются типы используемых кругов, их размеры и
координатные привязки к системе координат станка. Профиль каждого круга должен
быть поставлен в соответствие поверхности (или группе поверхностей) которую он
обрабатывает, поэтому при подборе кругов и создании их наладки необходимо
использовать данные чертежа изделия
Рисунок 3 - Второй уровень функциональной модели
3. Расчет датчиков
Датчик давления
Датчик давления реализован на емкостного датчика
(конденсатора), одна обкладка (пластина) которого неподвижна, а другая
перемещается под воздействием внешней силы. Необходимо:
− рассчитать предельные значения емкости
датчика давления и построить график зависимости емкости от расстояния между
обкладками (пластинами) (считать, что ε
= 100);
− построить график зависимости
сопротивления датчика давления от частоты электрического сигнала для средней
емкости;
− выбрать оптимальную рабочую частоту (fопт)
датчика;
− рассчитать и построить график падения
действующего напряжения на датчике, который включен в электрическую
измерительную цепь во всем диапазоне изменения емкости датчика.
Измерительная цепь питается от генератора синусоидального
сигнала.
Исходные данные:
− площадь обкладок пластин,
м2;
− расстояние между обкладками
конденсатора,
м,
м;
− напряжение,
В;
− характеристика среды,
;
− диэлектрическая постоянная,
;
Предельные значения емкости определяем по
формулам 1 и 2.
(1)
(2)
Ф,
Ф.
На рисунке 8 представлен график
зависимости емкости от расстояния между обкладками конденсатора
Среднее расстояние между обкладками
конденсатора определяем по формуле 3.
(3)
м.
Среднюю ёмкость определяем по
формуле 4.
(4)
Ф.
Сопротивление конденсатора
рассчитывается по формуле 5.
(5)
где f
−
частота электрического сигнала, Гц.
конденсатора от частоты электрического
сигнала
.

Выбор оптимальной частоты fопт сводится
к нахождению касательной к графику, представленному на рисунке 9, которая имеет
наклон 45°.
Итак, из графика
Гц при
Ом.
Схема включения в цепь датчика
давления представлена на рисунке 6.
Рисунок 10 − Схема включения в
цепь датчика давления
Датчик тока
Датчик тока выполнен в виде тороидальной
измерительной катушки индуктивности, которая охватывает проводник с током.
Эквивалентная схема измерительной цепи приведена на рисунке 12.
Необходимо:
− рассчитать и построить график
коэффициента передачи датчика по току в зависимости от частоты сигнала,
протекающего в проводе (для минимального
Рисунок 12 − Эквивалентная схема
измерительной цеп.
− построить график зависимости
коэффициента трансформации датчика тока, от предельных значений радиуса
провода.
Исходные данные:
− сопротивление нагрузки датчика, Zн
= 50 Ом;
− число витков катушки,
;
− коэффициент связи, g = 0,4;
− средний диаметр тора,
м;
− диаметр среднего витка,
м;
− радиус уединенного
прямолинейного провода круглого сечения,
м;
− постоянная составляющая,
.
Индуктивность тороидальной катушки кругового
сечения, представленной на рисунке 13 определяется по формуле 8.
Рисунок 13 − Тороидальная катушка
кругового сечения.
(8)
Гн.
Индуктивность уединенного
прямолинейного провода круглого сечения определяем по формуле 9.
(9)
Гн.
,
График изменения коэффициент передачи датчика по
току в зависимости от частоты представлен на рисунке 14.
Коэффициент трансформации датчика тока
определяем по формуле 11.
, (11)
Рисунок 14 − График изменения
коэффициент передачи датчика по току в зависимости от частоты.
Датчик Холла
Необходимо:
− определить максимальное выходное
напряжение с датчика, если вектор магнитного поля ориентирован к вектору силы
тока под углом φ. А изменение
вектора индукции описывается по закону
,
.
− построить график временной
зависимости изменения выходного напряжения с датчика. Построить график
зависимости падения напряжения на сопротивлении нагрузки.
Исходные данные:
− толщина кристалла,
м;
− коэффициент Холла,
Ом;
− сопротивление нагрузки,
Ом;
− емкость конденсатора,
Ф;
− магнитная индукция,
Тл,
Тл;
− сила тока,
А;
− частоты,
Гц,
Гц,
Гц;
− угол φ = 355°.
Для выходного напряжения с учётом
угла φ и заданных
законов, описывающих изменение вектора магнитной индукции, имеем зависимость
.
График зависимости выходного
напряжения датчика от времени представлен на рисунке 16.
Максимальное выходное напряжение из
графика (рисунок 16)
В.
Определяем сопротивление
конденсатора по формуле 12.
(12)
Ом.
Датчик температуры на основе металлических
проводников
Датчик температуры включён в Мост Уитстона
представленный на рисунке 18. При температуре 0°С Мост Уитстона сбалансирован.
Рисунок 16 − График зависимости выходного
напряжения датчика от времени
Необходимо:
− построить график зависимости
;
− определить напряжение
при
температурах -40 и +100°С.
− определить какие диапазоны
температур при изменении -40 и +100°С попадают в область относительной
погрешности измерения напряжения
, если вольтметр, измеряющий
указанное напряжение имеет относительную погрешность 5%.
Исходные данные:
− температурный коэффициент,
;
− сопротивление металлического
проводника при температуре 0°С,
Ом;
− напряжение питания Моста
Уитстона,
В;
Сопротивление датчика температуры,
выполненного на основе металлического проводника, определяется выражением 13.
где
− температура окружающей
среды, °С.
Т0 = 273 К=0С
Напряжение между точками 1 и 2 на
схеме (рисунок 18) определяется формулой 14.
(14)
При условии баланса Моста Уитстона
Рисунок 18 − Мост Уитстона
Из схемы представленной на рисунке
18 и выражений 13 и 14 получаем зависимости
, где
.
График зависимости температуры
окружающей среды от напряжения
представлен на рисунке 19.
Рисунок 19 − График
зависимости температуры окружающей среды от напряжения
.
Определить напряжение
при
температурах -40 и +100°С.
Температура окружающей среды
имеет
значения
К.
По формуле 13 определяем значения
сопротивлений
при
заданных значениях
Ом,
Ом.
По формуле 14 определяем значения
.
В,
В.
С учётом заданной 5% погрешности
вольтметра, определим фактические интервалы значений напряжения
.
,
,
В,
В,
В,
В.
Определим какие диапазоны температур
при изменении -40 и +100°С попадают в область относительной погрешности
измерения напряжения
, если
вольтметр, измеряющий указанное напряжение имеет относительную погрешность 5%
по формуле
, где
.
Итак, полученные диапазоны искомых
температур T =
231,176…379,005К и 234,837…367,068 К.
Терморезистор на основе полупроводникового элемента
Необходимо:
− построить характеристику
терморезистора,
выполненного на основе полупроводникового элемента, если его сопротивление
определяется выражением
− выбрать в диапазоне
температур [
…
]
сопротивление линеаризирующего резистора
включённого параллельно
терморезистору и построить в указанном температурном диапазоне
линеаризированную кривую.
− построить зависимость
скорости изменения напряжения
в диапазоне [
…
], если
датчик температуры включён в цепь, представленную на рисунке 20.
Рисунок 20 − Схема цепи
Исходные данные:
− сопротивление терморезистора
при заданной температуре,
Ом;
− температура при
Ом,
К;
− константа материала
терморезистора, B = 2880 К;
− напряжение,
В.
На рисунке 21 представлена
характеристика
терморезистора,
выполненного на основе полупроводникового элемента, если его сопротивление
определяется заданным выражением
.
Рисунок 21 − Характеристика
терморезистора,
выполненного на основе полупроводникового элемента.
Определяем среднюю температуру
диапазона [
…
]
. Средняя
температура определяется в точке, в которой касательная к кривой
(рисунок 21)
имеет угол 45°. Из графика имеем:
К при
Ом. Значения
и
определяем
по заданным формулам
и
соответственно
К,
К.
Сопротивление линеаризирующего
резистора определяем по формуле 15.
(15)
Ом.
Линеаризированная кривая в заданном
температурном диапазоне представлена на рисунке 22.
Рисунок 22 − Линеаризированная
кривая в заданном температурном диапазоне
Сопротивление резистора
определяем
по формуле 16.
(16)
Ом.
Сопротивление R определяем
по формуле 17.
(17)
Ом.
Пьезоэлектрический датчик
Цилиндрический пьезоэлектрический датчик
изготовлен из титана бария и представлен на рисунке 24.

Механическая сила F
воздействует на датчик вдоль его продольной оси, в результате чего, на
противоположных краях кристалла появляется ЭДС.
Необходимо:
− найти максимальную ЭДС датчика;
− определить максимальное входное
напряжение на усилителе, если датчик включён по схеме приведённой на рисунке
25;
− определить модуль чувствительности
схемы;
− определить максимальное выходное
напряжение с усилителя;
Исходные данные:
− пьезоэлектрический модуль,
Кл/Н;
− механическая сила,
Н;
− частота, f = 14000 Гц;
− радиус кристалла,
м;
− высота кристалла,
м;
− диэлектрическая
составляющая,
;
− входное сопротивление
усилителя,
Ом;
− входная ёмкость усилителя,
Ф;
− коэффициент усиления, K = 10;
− диэлектрическая постоянная,
.
Рисунок 25 − Эквивалентная
схема пьезоэлектрического датчика
Определяем выходную ёмкость с датчика по формуле
18.
(18)
Ф.
Механическое воздействие подчиняется
заданному закону
.
Определяем максимальную ЭДС датчика по формуле
19.
(19)
.
Определяем максимальное входное напряжение по
формуле 20.
(20)
В.
Модуль чувствительности заданной
схемы определяется заданным выражением 21.
(21)
где
.
Определяем максимальное выходное напряжение с
усилителя по формуле 22.
(22)
В.
График изменения модуля чувствительности
представлен на рисунке 26.
Рисунок 26 − График изменения модуля
чувствительности
Заключение
В результате этой работы был описан токарный
станок. Были определены основные принципы системы, построены функциональные и
структурные схемы. Было выбрано оборудование, среда программирования и
определены способы связи с внешними устройствами. Так же был описан процесс
ввода системы в эксплуатацию и возможные проблемы при этом процессе.
Данная система призвана сократить время работы,
снизить риск ошибки из-за человеческого фактора и оптимизировать процесс.
Список
литературы
1. Готра З.Ю. и др. - Датчики. Справочник
(1995)
. Датчики в современных измерениях (Котюк
А.Ф., 2006)
. Новейшие датчики (Джексон Р.Г., 2007)
. Техническая документация токарного станка