Программирование станков с ЧПУ

  • Вид работы:
    Курсовая работа (т)
  • Предмет:
    Информационное обеспечение, программирование
  • Язык:
    Русский
    ,
    Формат файла:
    MS Word
    2,62 Мб
  • Опубликовано:
    2012-04-14
Вы можете узнать стоимость помощи в написании студенческой работы.
Помощь в написании работы, которую точно примут!

Программирование станков с ЧПУ

Федеральное агентство по образованию

ФГОУ СПО «Донской техникум информатики и вычислительной техники»










Курсовая работа

по дисциплине: «Микропроцессоры и микропроцессорные системы»

Тема проекта: «Программирование станков с ЧПУ»



Специальность 230101,

группа 4-К-1

Руководитель Киселев П.В.





Донской 2008

Содержание

Введение

Схемы управления электродвигателем

Простой контроллер Шагового Двигателя из компьютерного барахла

Шаговый двигатель на кольцевом постоянном магните (8 полюсов, 6 фаз, угол шага 15 градусов) с системой управления

Система управления

Работа с программой «Schritt»

Программа

Заключение

Список литературы

Введение

В настоящее время актуальной является тема облегчения человеческого труда, это наглядно демонстрирует развитие компьютерных технологий. В наше время достаточно трудно представить жизнь без каких либо механизмов или устройств помогающих в нашей тяжелой жизни. По всюду нас окружают машины и различная техника, их можно встретить везде, начиная с электронных часов на руке у первоклассника и заканчивая космическими станциями и луноходами.

Для управления механизмами и манипуляторами существуют два типа двигателей это: двигатели постоянного тока и двигатели переменного тока (иначе называемые «шаговыми»). Они достаточно просты в эксплуатации и точны в измерениях, достаточно указать число тактов для совершения нужного числа оборотов.

Данный курсовой проект содержит материалы по пользованию и разработке станков с ЧПУ, так же имеются иллюстрации по пользованию программой «Schritt» в переводе с немецкого языка.

Данный курсовой проект описывает работу одной из простейших программ, для управления шаговыми двигателями - «Schritt». Эта программа осуществляет управление двигателем при помощи LPT-порта. К данной программе прилагается устройство соединяющее процессор компьютера с шаговыми двигателями. Одно такое устройство может объединить до четырех двигателей.

Модули системы позволяют осуществлять поверхностную фрезерную обработку, сложную токарную обработку по нескольким осям, простую фрезерную или токарную обработку, ротационную и многопозиционную фрезерную обработку, обработку целых групп деталей и комплектующих.

Разработано множество различных станков, от простых и очень дешевых, до очень дорогих, но их объединяет то, что их можно использовать в домашних условиях.


Схемы управления электродвигателем

Преобразовать схему 2 до рабочей с переменой направления вращения (4 балла). Идея перемены направления вращения показана на схеме в рамочке.

Объединение схем 1 и 2 в единую (5 баллов).

Схема 1

Схема 2



Каждый сталкивался в своей жизни с флоппи, CD и т.д. дисководами, принтерами, сканерами, в общем, устройствами, в состав которых входит шаговый двигатель. Вот сейчас будем его включать. На рисунке ниже схема, которую я нашел в интернете. Пусть простит меня автор, я не даю ссылку на него (просто не помню, где я ее нашел), но если он увидит эту статью, то узнает свою схему.


На самом деле все честно, все работает. Можно выложить еще кучу всяких схем, но нам сейчас важно понять не принцип работы схемы, а принцип подачи управляющих сигналов на двигатель. На диаграмме ниже - это видно.


На каждую из обмоток двигателя поочередно подаются импульсы, иногда на двух обмотках сразу присутствует высокий уровень сигнала.


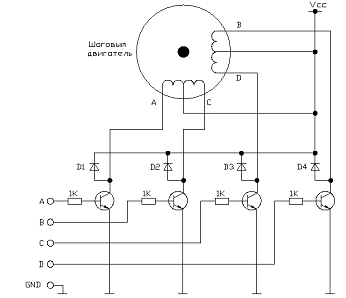
Вот что мы имеем в конечном итоге, ну и, конечно же, компьютер с LPT портом. Питание для двигателя придется делать самому, причем для каждого типа двигателя - свое. В соответствии с диаграммой на входы A, B, C, D мы подаем последовательно 3, 2, 6, 4, 12, 8, 9, 1 через &H378. Причем откуда начинать не критично, вопрос в сохранении последовательности и повторении ее по «кругу» или столько, сколько нужно. Если же изменить направление последовательности (задом-наперед), вращение двигателя будет в противоположную сторону. Данная последовательность дает команду двигателю делать полушаги (это зависит от конструкции двигателя), для управления полным шагом последовательность будет такой 3, 6, 12, 9.

 

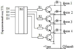
Простой контроллер Шагового Двигателя из компьютерного барахла

При подаче логической “1” на один из выводов (на остальных “0”), например на D0, транзистор открывается и ток течет через одну из катушек двигателя, при этом двигатель отрабатывает один шаг. Далее единица подается на следующий вывод D1, а на D0 единица сбрасывается в ноль. Двигатель отрабатывает следующий шаг. Если подавать ток сразу в две соседние катушки то реализуется режим полушагов (для моих двигателей с углом поворота 1,8’ получается 400 шагов на оборот).

Рис. 1. Схема драйвера для 4-х фазного униполярного двигателя

К общему выводу подсоединяются отводы от середины катушек двигателя (их два если проводов шесть). Поняв принцип, несложно написать программу управляющую двигателем через LPT порт. Зачем в этой схеме диоды, а за тем, что нагрузка у нас индуктивная, при возникновении ЭДС самоиндукции она разряжается через диод, при этом исключается пробой транзистора, а следовательно и вывод его из строя. Еще одна деталь схемы - регистр RG (я использовал 555ИР33), используется как шинный формирователь, поскольку ток отдаваемый, например LPT портом мал - можно его элементарно спалить, а следовательно, есть возможность спалить весь компьютер.

Схема примитивна, и собрать такое можно минут за 15-20, если есть все детали. Однако у такого принципа управления есть недостаток - так как формирование задержек при задании скорости вращения задается программой относительно внутренних часов компьютера то работать в многозадачной системе (Win) это все не будет! Будут просто теряться шаги (может быть в Windows и есть таймер, но я не в курсе). Второй недостаток - это нестабилизированный ток обмоток, максимальную мощность из двигателя не выжать. Однако по простоте и надежности этот способ меня устраивает, тем более что для того, что бы не рисковать своим Атлоном 2 ГГц, я собрал из барахла 486 тарантас, и кроме ДОСа там, в принципе мало, что можно поставить нормальное.

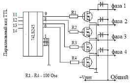
Описанная выше схема работала и в принципе неплохо, но я решил, что можно несколько переделать схему. Применить MOSFET транзисторы (полевые), выигрыш в том, что можно коммутировать огромные токи (до 75 - 100 А), при солидных для шаговых двигателей напряжениях (до 30 В), и при этом детали схемы практически не греются, ну если не считать предельных значений.

Как всегда в России возник вопрос, где взять детали. Возникла идея - извлечь транзисторы из горелых материнских плат.

Рис. 2. То же на полевых транзисторах

Отличий в этой схеме немного, в частности была применена микросхема нормального буфера 75LS245 (выпаяна из 286 материнской платы). Диоды можно поставить любые, главное, что бы их максимальное напряжение не было меньше максимального напряжения питания, а предельный ток не меньше тока питания одной фазы. Я поставил диоды КД213A, это 10 А и 200 В. Резисторы служат для ограничения тока перезарядки емкости затворов.

Ниже приводится печатная плата контроллера построенного по такой схеме.

Рис. 3. Печатная плата

Печатная плата разведена для поверхностного монтажа на одностороннем текстолите. Микросхемы в DIP корпусах паяются с подогнутыми ножками, резисторы SMD с тех же материнских плат. Файл с разводкой в Sprint-Layout 4.0 прилагается. Можно было бы запаять на плату и разъемы, но лень как говорится - двигатель прогресса, да и при отладке железа удобнее было запаять провода подлиннее.

Еще необходимо отметить, что схема снабжена тремя концевиками, на плате справа снизу шесть контактов вертикально, радом с ними посадочные места под три резистора, каждый соединяет один вывод выключателей с +5В. Схема концевиков:

Рис. 4. Схема концевиков

Вот так это выглядело в процессе наладки системы:


В результате на представленный контроллер потрачено не более 150 рублей: 100 рублей за материнские платы (при желании можно вообще бесплатно достать) + кусок текстолита, припой и банка хлорного железа в сумме тянут на ~50 рублей, причем хлорного железа останется потом еще много. Так как практически все детали сделаны в домашних условиях, с помощью дрели, напильника, ножовки, рук и такой то матери, то зазоры конечно гигантские, однако модифицировать отдельные узлы в процессе эксплуатации и опытов проще, чем изначально делать все точно.

Если бы на Орловских заводах проточить отдельные детали не стоило бы так дорого, то конечно проще было бы вычертить все детали в CAD’е, со всеми квалитетами и шероховатостями.

Характеристики:

·    параллельное соединение обмоток: напряжение питания 12 В, потребляемый ток не более 700 мА;

·              последовательное соединение обмоток: напряжение питания 24 В, потребляемый ток не более 350 мА;

·              время работы не ограничено, в том числе с заторможенным валом;

·              форсированный режим: кратковременное (до 1 минуты) увеличение напряжения питания в 1.5 раза;

·              угол шага 15 градусов;

·              максимальная пусковая частота вращения 150 об./мин;

·              максимальная частота вращения 240 об./мин;

·              габариты не более: 80 х 80 х 65 (с осью) мм3;

·              масса не более 0.85 кг.

Конструкция двигателя

Сборочный чертеж шагового двигателя (ШД) показан на рис. 5, а внешний вид - на рис. 6.

                            

Рис. 5. Сборочный чертеж ШД    Рис. 6. Шаговый двигатель (вид сбоку)

Статор двигателя состоит из основания и крышки, стянутых шпильками. По центру основания и крышки просверлены отверстия, в которые вставляется вал ротора. Постоянный кольцевой магнит крепится на валу с помощью втулки. На основании расположены шесть катушек со стальными сердечниками. Двигатель может работать в шести- или трехфазном режиме (при последовательном соединении противоположных катушек). Постоянный магнит намагничен в 8-полюсном намагничивающем устройстве [5]. Расчет катушек выполнен с помощью программы Coil [2].

Система управления

электродвигатель станок числовой программный

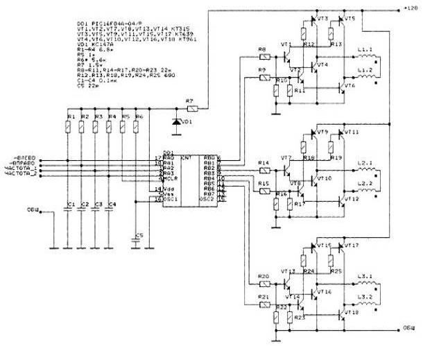
Для опробования ШД и измерения его характеристик была использована система управления (СУ) на PIC-контроллере [6]. Электрическая принципиальная схема СУ показана на рис. 7, а внешний вид печатной платы - на рис. 8. На рис. 9 приведен пример простой программы для опробования двигателя в режиме полушага (7.5 градусов).

Рис. 7. Схема электрическая принципиальная СУ ШД на PIC-контроллере

СУ собрана на PIC-контроллере PIC16F84A-04/P (DD1). Рабочая частота определяется цепью R6C5 и составляет около 4 МГц. На выходах RB0 - RB5 формируется трехфазная последовательность импульсов, управляющая инверторами VT3 - VT6, VT9 - VT12, VT15 - VT18, к выходам которых (в диагональ инвертора) подключены обмотки ШД (соединение обмоток в группе последовательное или параллельное). На входы RA0 - RA3 подаются сигналы, определяющие направление и скорость вращения. Логика и режим работы двигателя зависят от программы, записанной в контроллер [4]. Цепочка R7VD1 обеспечивает напряжение питания контроллера (DD1) +4.7 В, защиту от неправильного подключения источника питания, а также позволяет использовать форсированный режим работы двигателя (кратковременное повышение напряжения питания) и входные сигналы с TTL-уровнями.

Рис. 8. Внешний вид печатной платы СУ ШД (размер платы 125х70 мм)

При программировании контроллера [4] необходимо отключить сторожевой таймер.

Измерение скорости вращения осуществлялось следующим образом: датчик тесламетра [3] подносился как можно ближе к постоянному магниту шагового двигателя, выход тесламетра подключался к осциллографу, период сигнала соответствовал повороту магнита (и ротора) на 900.

Шаговый двигатель имеет простую конструкцию и может использоваться в приложениях, не требующих большой скорости вращения и слишком малых углов шага. Момент на валу двигателя достаточно большой. Дополнительным свойством двигателя является фиксация ротора в отключенном состоянии за счет притяжения магнита к сердечникам катушек.

Рис. 9. Скорость вращения задается величиной Del_Val2

Рис. 10. Контроллер шагового двигателя SMCD 1510

·    Блок позволяет управлять любыми 4, 6 и 8-выводными шаговыми двигателями, в том числе двигателями серий FL20, FL28, FL35, FL39, FL42, FL57 и обеспечивает высокую точность, высокую скорость и низкий уровень вибрации.

·              Для питания блока могут использоваться стабилизированные и нестабилизированные источники питания постоянного тока. Для снижения общей стоимости возможно использование нескольких блоков с одним источником питания.

·              Управляется от персонального компьютера. Имеет встроенный генератор импульсов. Программное обеспечение для работы блока входит в комплект поставки

·              Рабочее напряжение питания - 10-45 V

·              Максимальный ток - 1.5 A

·              Режим целого шага с однофазным или двухфазным питанием обмоток ШД

·              Микрошаг - 1/2, 1/4, 1/8, 1/16, 1/32

·              Диапазон регулирования скорости вращения ротора ШД в автоматическом режиме - 10-5000 шаг/сек

·              Максимальная входная частота сигнала "ШАГ" - 40 кГц

·              Входной ток управляющих сигналов - 8-15 мA

·              Температура окружающей среды - от 0 до +50°С

·              Относительная влажность воздуха 95% без конденсата

Работа с программой «Schritt»

Данная программа не написана на русском языке, что несколько усложняет работу с ней. Но в принципе после некоторой работы с ней все становится понятным. Еще одним недостатком данной программы является то, что она не работает через операционную систему и по этому приходится запускать из под BIOS а, через файловый менеджер Volkman Comander. Предварительно необходимо установить данное приложение на компьютер. Точнее так как оно не требует установки просто скидываем ее на дисковое пространство компьютера.

Плюс от всего этого то, что раз эта программа не требует установки, то ей можно пользоваться даже со съемного носителя (флешки, дискеты, диски и т.д.)

Процедура запуска выглядит так:

. В программе Setup (BIOS) устанавливаем загрузку с дискеты.

. Заходим на дискету введя VC\VC

. Выбираем папку с программой и заходим в приложение Schritt.exe

При этом окно выглядит как показано на рисунке.

Стартовое окно программы Schritt.


Для начала работы нажимаем клавишу F3. при этом появляется рабочее окно. В нем и осуществляются все установки. Перемещение по данной программе осуществляется при помощи клавиши TAB.

Окна расположенные слева - это панель управления направлением вращения одним из четырех возможных двигателей:

- двигатель отключен

Дrts - направление вращения вправо

БckwДrts - направление вращения влево

После установки направления движения выставляем количество импульсов для вращения вала. Это находится в окне «Schritte»


Разные двигатели работают с разной частотой в нашем случае она составляет 75 Гц. Она выставляется в окне Frequenz


Это основные компоненты для работы с данной программой. Но для полноценной работы необходимо несколько этапов- шагов. Даже несмотря на то, что можно запустить одновременно сразу все четыре двигателя, этого не достаточно чтобы выполнить какую-либо деталь.

Для этого используется набор функций «Vor» и «ZurБck»


 Vor - предназначен для установки следующего шага.

Как и любая другая программа для ее сохранения существует функция сохранения и считывания.

- сохранить программу.

Щffnen - загрузить из имеющихся.

Процедура записи и сохранения выглядит практически одинаково.

Где «Name» - это имя программы, а «Dateien» - это список имеющихся программ.

Нижнее выделенное окно указывает путь сохранения программы, ее имя. Вес в байтах, время и дату написания программы.

В качестве примера напишем программу для выполнения простейшей детали.


Для изготовления данной детали необходима болванка правильной, цилиндрической формы.


Диаметр задней части не указан потому что он может быть различным, в зависимости от зажима губок вращающего элемента.

Программа

Мотор 1

Aus

Мотор 2

VorvДrts

Schritte : 2000

Мотор 1

VorvДrts: 9850

Мотор 2

Aus

Мотор 1

Aus

Мотор 2

VorvДrts

Schritte : 2000

Мотор 1

RБckwДrts

Schritte : 9850

Мотор 2

Aus

Мотор 1

Aus

Мотор 2

VorvДrts

Schritte : 2000

Мотор 1

VorvДrts: 6100

Мотор 2

Aus

Мотор 1

Aus

Мотор 2

VorvДrts

Schritte : 2000

Мотор 1

RБckwДrts

Schritte : 6100

Мотор 2

Aus

Мотор 1

Aus

Мотор 2

VorvДrts

Schritte : 2000

Мотор 1

VorvДrts: 3500

Мотор 2

Aus

Мотор 1

Aus

Мотор 2

VorvДrts

Schritte : 2000

Мотор 1

RБckwДrts

Schritte : 3500

Мотор 2


Деталь готова.


Заключение

В заключении мне хотелось бы представить прайс-лист по данным станкам.

Наименование продукции

Цена (руб.)

Цена (руб.)

Одна координата

1 координата (вариант А) ручная, колонна

8000

8500

1 координата (вариант Б) программная, ласточкин хвост

15000

15500

Узел подачи по 1-й координате **

3000-10000

3000-10000

Программный привод одной координаты

7300

7800

Двухкоординатные столы

Двухкоординатный стол (вариант А)

8500

9000

Двухкоординатный стол (вариант Б)

9500

1000

Двухкоординатный стол (вариант В)

10800

11300

Двухкоординатный стол (вариант Г) программный

34000

34000

Двухкоординатный стол (вариант Г1) 90 мм

21000

21500

Двухкоординатный стол (вариант Г2) программный, 150 мм

43600

44100

Трехкоординатные штативы

3-х координатный штатив (вариант А)

16500

17000

3-х координатный штатив (вариант Б)

17500

18000

3-х координатный штатив (вариант В)

18800

19300

3-х координатный штатив (вариант В1)

27850

28350

3-х координатный штатив (вариант Г) программный

48320

48320

3-х координатный штатив (вариант Г 1) программный

65800

65800

3-х координатный штатив (вариант Д) портальный

120000

120000

3-х координатный штатив (вариант Д1) программный

180000

180000

Станки токарные

Станок токарный СТ-4.1, вариант А (программный)

60500***

75500

Станок токарно-фрезерный СТ-8.1 (программный)

160000

Шпиндельные головки

Шпиндельная головка (вариант А)

3700

4200

Шпиндельная головка (вариант Б)

5600

6100

Шпиндельная головка (вариант Г) 2-х моторный, инструмент до 10 мм.

10800

11300

Шпиндельная головка (вариант Д), высокоскоростная

5500

6000

Шпиндельная головка (вариант Д1)

7000

7500

Шпиндельная головка Proxxon BFW 40/Е, 240W, 100-6000 об/мин

6800

7300

Шпиндельная головка (Вариант Е), (для резьбонарезания)

3900

4400

Шпиндельная головка (Вариант Г1)

11500

12000

Блоки управления

Блок управления БУ-02

4500

5000

Блок управления БУ-03 (для программного станка, 3 координаты + электронное управление шпиндельной головкой)

15000

15500

Блок управления БУ-03М (для программного станка, 3 координаты без электронного управления шпиндельной головкой)

14000

14500

Блок управления БУ-04 (для программного станка, 4 координаты + электронное управление шпиндельной головкой)

18000

18000

Столы поворотные

Поворотный стол ПС-002 (делительная головка)

11500

12000

Поворотный стол ПС-102 программный (делительная головка)

21500

22000

Дополнительные приспособления

Тиски станочные ТС-03

4500

5000

Тиски станочные ТС-04

1500

2000

Тиски станочные ТС-05

2500

3000

Светильник станочный

1000

1500

ЗИП

ЗИП (вариант А)

2200

2700

ЗИП (вариант Б)

3300

3800

ЗИП (вариант В, режущий инструмент, сверлильный патрон, свёрла)

3850

4350

ЗИП (вариант Г, инструмент для работы, ключи и пр.)

1000

Ходовой винт, катаный. Профиль-трапеция 2*12 мм, цена за 1 мм.

до 5 м.

2

2

от 5 м.

1,75

1,75

Ходовая гайка удлиненная, бронза, с компенсацией зазора

до 5 шт.

1500

1800

Электродвигатели

Аналог шагового двигателя ДШИ-200-3, GD57 STH76-3006A

1400

1600

ДП40-40-Н1-03

2500

3000

ДПР72

1800

2100

Оборудование, изготовляемое на заказ

MF70Rb

29900

29900

Упаковочная тара

Деревянный ящик (для штативов Г, Г1 + ЗИП)

2000

2500

Деревянный ящик (для штатива Д, Д1 + ЗИП)

4000

4500

Деревянный ящик (для токарного станка + ЗИП)

2500

2500


Данные из этого листа показывают что покупка такого станка обойдется очень дорого. Разработка в домашних условиях обошлась несколько раз дешевле.

Список литературы

1.  Ссылки из интернета на запрос Станки с ЧПУ.

2.      Учебное пособие «Программирование ЧПУ».

.        Общие схемы электродвигателей.

4.      Другая жизнь LPT-порта / Клюшников Алексей <http://forum.cxem.net/index.php?showuser=48853> - г. Иваново.

Похожие работы на - Программирование станков с ЧПУ

 

Не нашли материал для своей работы?
Поможем написать уникальную работу
Без плагиата!
Без нейросетей!