Автоматы продольного точения

  • Вид работы:
    Курсовая работа (т)
  • Предмет:
    Другое
  • Язык:
    Русский
    ,
    Формат файла:
    MS Word
    109,12 Кб
  • Опубликовано:
    2013-12-01
Вы можете узнать стоимость помощи в написании студенческой работы.
Помощь в написании работы, которую точно примут!

Автоматы продольного точения

ВВЕДЕНИЕ

В различных отраслях современной промышленности используются в значительном количестве автоматические станки для токарной обработки металлов. Среди них автоматы продольного точения составляют особую группу, ярко выделяющуюся как по принципу работы, так и по эксплуатационным возможностям.

Эти автоматы, во-первых, обладают весьма высокой производительностью, во-вторых, они обеспечивают высокую точность обработки и чистоту обработанной поверхности, недостижимые на других полуавтоматических и автоматических токарных станках, что даёт возможность получать детали в окончательном виде, минуя в ряде случаев последующие отделочные операции и, наконец, в-третьих, эти автоматы практически допускают отсутствие припусков на обработку максимального диаметра изделия, так как пруток материала можно брать точно соответствующий этому диаметру, причём все цилиндрические поверхности изделия будут соосно расположены, так как наружная поверхность прутка является базой обработки.

Таким образом, автоматы продольного точения обладают сочетанием ценных качеств, способствующих решению производственных задач на современном техническом уровне.

Исторически появление и распространение автоматов продольного точения связано с переходом часовой промышленности на метод централизованного и массового производства. Следует отметить, что и в настоящее время из всех известных автоматических станков, предназначенных для токарной обработки, автоматы продольного точения наиболее полно удовлетворяют требованиям именно часового производства и приборостроения. Эти автоматы нашли также широкое применение в радиотехнической и электротехнической промышленности.

Отмеченные выше достоинства автоматов продольного точения сделали их незаменимыми для указанных выше потребителей; с другой стороны, характерная особенность продукции этих основных потребителей автоматов - малогабаритность изделий - определила преимущественное развитие малых типоразмеров автоматов.

Наибольшее распространение получили автоматы для обработки прутка диаметром до 7 мм, несколько меньше применяются автоматы для прутка диаметром до 12 мм и значительно реже автоматы больших размеров.

Область применения автоматов продольного точения может быть весьма широка при наличии достаточного количества их типоразмеров.

Развитию массового производства в мелком и среднем машиностроении сопутствовало внедрение в эксплуатацию токарно-револьверных автоматов, которые помогали решать задачи по увеличению выпуска деталей типа втулок, штуцеров и иных коротких насадных деталей. Для деталей типа осей, валиков, штоков не наметилось соответствующего автоматического высокопроизводительного оборудования, и они изготавливались главным образом на универсальных токарных станках и полуавтоматах. Такое положение ранее удовлетворяло, так как эти несущие детали входят в состав механизмов в относительно меньшем количестве.

В настоящее время, при дальнейшем общем росте выпуска продукции, приобретает остроту вопрос и о более производительных способах изготовления деталей типа осей и валов.

Обычное мероприятие - повышение режимов обработки - встречает самое серьёзное препятствие, заключающееся в недостаточной жёсткости самих обрабатываемых деталей, вследствие чего возникают прогибы и вибрации.

Метод продольной обточки, примененный на автоматах продольного точения, полностью исключает это затруднение и позволяет вести обработку на высоких режимах, независимо от отношения длины изделия к его диаметру, которое практически может быть весьма большим.

С этой точки зрения расширение области применения автоматов продольного точения может оказать значительную помощь производству в успешном решении задачи по распространению автоматических высокопроизводительных методов обработки на наибольшее число видов деталей.

Автоматы продольного точения заслуживают серьёзного внимания как в целях дальнейшего улучшения их конструкции, так и для лучшего освоения и наиболее полного использования их возможностей.

1. АНАЛИЗ ОБЪЕКТА ОБРАБОТКИ И ВЫБОР ОБОРУДОВАНИЯ

1.1 Анализ объекта обработки, требования к прутковому материалу

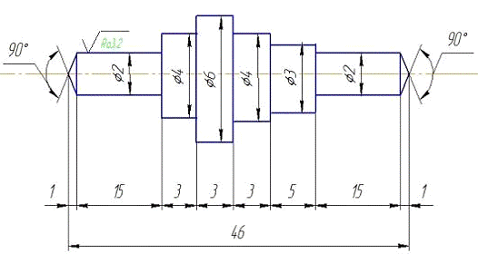
Объектом обработки является ось из стального прутка с наибольшим Ø6 мм, длиной 46 мм и шероховатостью Ra = 3,2 мкм.


При обработке на автоматах продольного точения предпочтение отдаётся холоднотянутому прутковому материалу. Прутковый материал должен быть чистым, не иметь забоин, заусенцев и следов коррозии, так как точность обработки зависит от качества заготовки. Шероховатость поверхности прутков должна быть не ниже Rz = 6,3-10 мкм.

В ряде случаев для исправления погрешностей формы применяют его калибровку через фильеру волочением или бесцентровое шлифование.


1.2 Выбор модели станка, его технологические возможности, схема работы и технические характеристики

Основными критериями выбора модели автомата являются диаметр и длина обрабатываемой детали. Следовательно, для обработки заданной детали выбираем токарный автомат модели АД-16, так как на нём без дополнительных устройств можно производить обтачивание большого количества ступеней, прямых и обратных конусов, обработку за буртом, подрезку торцов, протачивание торцовых углублений и поднутрений, растачивание неглубоких отверстий, зацентровку торца, протачивание канавок, снятие фасок и притупление кромок, обработку фасонных поверхностей как фасонными резцами, так и методом совмещения продольной и поперечной подач режущего инструмента (сложным движением), а также накатывание рифлений различной формы.

С применением дополнительных устройств технологические возможности обработки детали на автомате продольного точения увеличиваются. Дополнительные устройства позволяют производить в деталях центрование торцов, сверление, растачивание и развёртывание отверстий, нарезание внутренних и наружных резьб, прорезку шлицевых пазов и сверление со стороны отрезки детали.

Точение деталей осуществляется резцами при продольном движении шпиндельной бабки с закреплённым в ней вращающимся прутком. Резцы расположены в резцедержателях суппортов, перемещающихся в плоскости, перпендикулярной оси шпинделя. Все перемещения суппорты и шпиндельная бабка автомата получают через систему рычагов от кулачков, устанавливаемых на распределительном валу станка. Конструкция системы рычагов позволяет преобразовать вращательное движение кулачка в поступательное перемещение суппорта или шпиндельной бабки. При этом имеется возможность изменения длины хода инструмента или обрабатываемой детали за счёт изменения плеч рычагов. Профиль кулачков рассчитывается в зависимости о конфигурации обрабатываемой детали.

Принцип обработки деталей на автомате продольного точения основан на подаче вращающегося прутка через неподвижную направляющую втулку (люнет) с расположенными в непосредственной близости от неё резцами суппортной стойки.

Условие постоянства плеча приложения сил в течение всего времени обработки создаёт исключительно благоприятные условия для процесса точения, что позволяет с высокой точностью и качеством обрабатывать длинные детали (с соотношением длины к диаметру до 10 и более) с малым диаметром сечения.

2 ПРОЕКТИРОВАНИЕ ТЕХНОЛОГИЧЕСКОГО ПРОЦЕССА ОБРАБОТКИ

2.1 Разработка последовательности рабочих переходов

Пользуясь рекомендациями по разработке технологического процесса, устанавливаем следующую технологическую последовательность обработки оси:

резец 1 - обтачивание Ø2, Ø4;

резец 2 -обтачивание Ø4, Ø3, Ø2;

резец 3 -отрезка детали с образованием конусов.

Рабочие переходы в порядке выбранной последовательности обработки оси занесены в операционную карту (приложение).

2.2 Определение длины перемещений режущих инструментов и шпиндельной бабки

На основании формул определения длин рабочих переходов инструментов и шпиндельной бабки /2,п.2.6/ получаем:

Переход 2 - отвод шпиндельной бабки. Отвод шпиндельной бабки равен длине детали т.е. lш = 46 + 0,1+ 0,1 = 46,2 мм.

Переход 4 - подвод резца 1 - lи = (6 - 2)/2+0,5 = 2,5 мм.

Переход 5 - обточка Ø2 - lш = 15 + 0,1 = 15,1 мм, где 0,1 - расстояние первого резца от торца детали.

Переход 7 - отвод резца 1 = 1 мм.

Переход 8 - обточка Ø4 - lш = 3 мм (по чертежу детали)

Переход 10 - отвод резца 1 = 1,5 мм.

Переход 11 - ход шпиндельной бабки lш = 3 + 2 - 0.1= 4.9 мм.

Переход 12 - подвод резца 2 = 0,4 мм.

Переход 13 - врезание резца 2 до Ø4 - lи = (6,2 - 4)/2 = 1,1 мм.

Переход 15 - обточка Ø4 - lш = 3 мм (по чертежу детали).

Переход 17 - врезание резца 2 до Ø3 - lи = (4 - 3)/2 =0,5 мм.

Переход 19 обточка Ø3 - lш = 5 мм (по чертежу детали).

Переход 21 - врезание резца 2 до Ø2 - lи = 0,5мм.

Переход 23 -обточка Ø2 - lш = 15 + 1 + 1 + 0,1 + 0,1 - 3 = 14,2 мм.

Переход 25 - отвод резца 2 - lи = (6 - 2)/2+0,5 = 2,5 мм.

Переход 26 - отвод шпиндельной бабки - lш =1,1 мм.

Переход 27 - подвод резца 3 - lи = (6 - 2)/2 + 0,5 = 2,5 мм.

Переход 28 - отрезка. Ход резца 3- lи = 1 + 0,1 = 1,1 мм.

Рассчитанные длины рабочих и холостых перемещений занесены в соответствующие графы операционной технологической карты (приложение).

2.3 Расчёт режимов резания

Основными критериями выбора режимов резания являются: точность и шероховатость обрабатываемых поверхностей, припуск на обработку, обрабатываемый материал, материал режущего инструмента, используемая охлаждающая жидкость, жесткость технологической системы, состояние оборудования. В соответствии с этими факторами режимы резания выбирают по «Общемашиностроительным нормативам времени и режимов резания на токарно-автоматные работы» или специальным таблицам, рекомендуемым заводами-изготовителями в руководствах станков.

Значение скорости резания выбираем из таблицы 11 /2,с.28/, для обрабатываемого материала Сталь 45 принимаем скорость резания V = 30 м/мин. По принятой скорости резания рассчитываем частоту вращения шпинделя, необходимую для получения выбранной скорости резания по формуле /2,с.36/:

 

По таблице 3 /2,с.14/ находим ближайшее значение частоты вращения шпинделя автомата АД-16, равное 5000 об/мин, и по формуле /2,с.36/ корректируем скорость резания:

 

Откорректированные скорость резания и частота вращения шпинделя вписаны в соответствующие графы операционной технологической карты.

Ориентировочные значения подач выбираем из таблицы 12 /2,с.29/:


Подача, мм/об

Переход 5

0,018

Переход 8

0,018

Переход 13 Переход 15

0,055 0,018

Переход 17

Переход 19

0,018

Переход 21 Переход 23 Переход 28

0,005 0.018 0.005


Значения подач заносятся в соответствующую графу операционной технологической карты (приложение).

2.4 Определение количества оборотов шпинделя по переходам

Число оборотов шпинделя, необходимое для выполнения рабочего перехода, определяется по формуле /2,с.37/:

,

где: Lр.х. - длина рабочего хода, мм;

S - подача, мм/об.

Получаемые при этом дробные значения чисел оборотов округляем.


nр, обороты

Переход 5

15,1/0,018 = 839

Переход 8

3/0,018 = 167

Переход 13 Переход 15

1,1/0,055 = 20 3/0,018=167

Переход 17

0,5/0,005 = 100

Переход 19

5/0,018 = 278

Переход 21 Переход 23

0,5/0,005 = 100 14,2/0,018=789


Переход 28 1,1/0,005=220

Сумма чисел оборотов шпинделя (2680 оборота), необходимая для выполнения несовмещённых рабочих переходов при изготовлении оси, вносится в операционную технологическую карту. Числа оборотов шпинделя совмещённых переходов заключаются в скобки и при определении суммы чисел оборотов, необходимых для выполнения рабочих переходов, их не учитывают.

3. ПРОЕКТИРОВАНИЕ КУЛАЧКОВ

3.1 Определение радиусов кулачков

В графу «Отношение плеч рычагов» операционной технологической карты против соответствующих переходов вносим выбранные отношения плеч рычагов соответствующих механизмов автомата. Значения передаточных отношений хода инструмента и шпиндельной бабки к перепаду на кулачке выбираем из таблицы 6 /2,с.19/ для автомата АД-16:

− для шпинделя бабки - 1:1;

− для суппорта балансира - 1:2,5;

− для вертикального суппорта - 1:1.

Далее определяем значения подъемов и спадов на кулачках с учетом отношений плеч рычагов.

прутковый токарный кулачок деталь

3.2 Определение углов поворота холостых перемещений кулачков

Величина угла зависит от длины рабочего хода, начального и конечного радиусов кулачка и производительности автомата. Для определения производительности автомата воспользуемся формулой /2,с.37/ для расчета продолжительности всех несовмещённых рабочих переходов

 

np - сумма чисел оборотов шпинделя, необходимых для выполнения рабочих переходов;

nшп - частота вращения шпинделя в минуту.

 

Ориентировочное время на холостые перемещения определяется в зависимости от сложности изготовления и конфигурации детали. Это время в большинстве случаев составляет 20 - 40 % времени на рабочие перемещения. При обработке оси время на холостые перемещения выбираем из расчёта 30% от рабочего времени, т.е. имеем:

 

Ориентировочное время цикла изготовления детали рассчитываем по формуле /2,с.38/:

 

При этом производительность автомата будет равна /1,с.158,(36)/:

 

Следовательно, для определения угла поворота кулачка, необходимого для холостых перемещений, воспользуемся таблицей 5 /2,с.17/ для производительности до 5 шт/мин.

Угол поворота кулачка, необходимый для срабатывания механизмов зажима и разжима прутка, определяем по таблице 1 /2,с.11/. Для разжима прутка необходим угол поворота кулачка, равный 100, а для зажима прутка угол, равный 150. Для точного координирования отдельных переходов в технологическом процессе обработки детали необходимо предусмотреть гарантийные паузы, равные 20, компенсирующие возможные неточности изготовления кулачков. Кроме того, такие паузы нужны для зачистки отдельных участков детали. Выбранные углы поворота кулачка, необходимые для выполнения холостых перемещений механизмов станка, и паузы внесены в операционную технологическую карту в графу "хх" ("Градусы циклограммы"). Затем просматриваем переходы на возможность их совмещения. При обработке оси совмещаем: подвод резца 2 (переход 12) с ходом шпиндельной бабки (переход 11); На автоматах продольного точения деталь обрабатывается за один оборот распределительного вала. В этом случае кулачки, расположенные на распределительном валу, поворачиваются на 3600. В технологическом процессе обработки оси холостые перемещения занимают 1060 кулачкового диска, следовательно, на все рабочие переходы приходится 3600 - 1060 = 2540.

3.3 Определение углов рабочих перемещений кулачков

Зная число оборотов шпинделя, затрачиваемое на выполнение учитываемых рабочих перемещений и число оборотов шпинделя на каждый рабочий переход, определяем углы поворотов кулачков, необходимые для выполнения отдельных рабочих переходов. Определяем их как результат деления суммы углов, учитываемых рабочих перемещений (2540) на число оборотов, затрачиваемое на рабочие перемещения (2680 оборота), умноженное на число оборотов шпинделя на рабочий переход.

Значения углов поворота кулачков, необходимые на рабочие перемещения по переходам, приведены ниже.


Угол

Переход 5

254/2680·839 = 800

Переход 7

254/2680·167 = 160

Переход 13

254/2680·20 = 20

Переход 15

254/2680·167 = 160

Переход 17

254/2680·100 = 90

Переход 19

254/2680·278 = 260

Переход 21

254/2680·100 = 90

Переход 23

254/2680·789 = 750


Вычисленные углы занесены в соответствующие графы операционной технологической карты

ЗАКЛЮЧЕНИЕ

проектирование технологического процесса обработки детали на данном типе автомата;

проектирование кулачков автомата.

СПИСОК ИСТОЧНИКОВ ИНФОРМАЦИИ

1.   Камышный Н. И., Стародубов В. С. Конструкции и наладка токарных автоматов и полуавтоматов: Учебник для СПТУ. - 4-е изд., перераб. и доп. - М.: Высш. школа. 1988. - 256 с.: ил.

2.       Буренков В. И., Пермяков А. Д., Сизый Ю. А. Наладка прецизионных автоматов продольного точения: Учебное пособие для студентов технических вузов, изучающих дисциплины "Технология машиностроения", "Металлорежущее оборудование". - Харьков: ХГПУ, 1997. - 87 с.


Не нашли материал для своей работы?
Поможем написать уникальную работу
Без плагиата!
Без нейросетей!