Автоматизация управление асинхронным электроприводом

  • Вид работы:
    Курсовая работа (т)
  • Предмет:
    Информатика, ВТ, телекоммуникации
  • Язык:
    Русский
    ,
    Формат файла:
    MS Word
    354,74 Кб
  • Опубликовано:
    2014-01-26
Вы можете узнать стоимость помощи в написании студенческой работы.
Помощь в написании работы, которую точно примут!

Автоматизация управление асинхронным электроприводом

Министерство общего и профессионального образования Российской Федерации

Кубанский государственный технологический университет

Кафедра СУ и ТК







ПОЯСНИТЕЛЬНАЯ ЗАПИСКА

к курсовой работе

по дисциплине «Микропроцессорные системы управления»

на тему:

Автоматизация управление асинхронным электроприводом

 

 












г. Краснодар, 2010

Реферат

Курсовая работа содержит 30 страниц, в том числе 2 иллюстрации, 1 таблица, 2 листа графической части формата А1.

Ключевые слова: электропривод, задвижка, конечный выключатель, регулятор давления, релейно-контактная схема, бесконтактная схема, сеть петри, циклограмма.

В курсовой работе применены различные методы расчета и построения систем управления автоматической системой: построена система управления с помощью сети Петри и циклограмма.

Система управления построена на основе релейных элементов и бесконтактных логических элементов. Проведены различные проверки правильности построения системы управления. При работе над проектом использовалась ЭВМ и программное приложение Компас 3D.

Пояснительная записка содержит 1 таблицу и 1 рисунок. Графическая часть содержит 2 чертежа формата А1.


Содержание

Введение

Термины и сокращения

. Техническое задание на проектирование

.1 Назначение и цели создания комплекса

.2 Требование к системе

.3 Требования к программному обеспечению системы управления

.4 Конфигурация программного обеспечения

.5 Ввод команд для управления запорной арматуры.

. Описание принципа работы

.1 Расположение оборудования

.2 Принцип работы

3. Назначение и область применения задвижки с электроприводом

.1 Устройство и принцип действия трехфазного асинхронного электродвигателя

.2 Частотный преобразователь

.3Математическое моделирование регулирования частоты

. Алгоритм управления

4.1 Описание исходного состояния системы

.2 Словесное описание алгоритма управления приводами задвижек

. Разработка сети Петри

. Построение релейно-контактной схемы

. Построение циклограммы

. Проверка составления РКС

Список литературы

Введение

Автоматизация - это комплексная конструктивно-технологическая задача создания принципиально новой техники на базе прогрессивных процессов обработки, контроля, сборки.

Автоматизация технологических процессов есть совокупность мероприятий по разработке новых технологических процессов и проектирования на их основе высокопроизводительного технологического оборудования, осуществляющего рабочие и вспомогательные процессы без непосредственного участия человека.

Автоматизация управления асинхронными двигателями находит все более широкое применение, заменяя человека на участках с опасными, вредными для здоровья, тяжелыми или монотонными условиями труда, и позволяет создать автоматизированные производственные системы, работающие с минимальным участием человека.

Термины и сокращения

Газоопасные работы - работы, выполняемые в загазованной среде или при которых возможен выход газа;

Газоопасные места - ёмкости, полости, помещения, сооружения, участки территории и т.п., в воздухе рабочих зон которых возможно содержание вредных и взрывоопасных газов выше предельно допустимых концентраций;

ЦТАИ - цех тепловой автоматики и измерений;

КТЦ - котлотурбинный цех;

ГРП - газорегуляторный пункт;

ГРС - газораспределительная станция;

МН-1(2) - мазутонасосная №1(2);

БЩУ - блочный щит управления;

ТЗ - технологическая защита;

АСР - автоматическая система регулирования;

КДУ - колонка дистанционного управления;

ПБ - переключатель блокировки;

НС(С) - начальник смены (станции);

СИ - средства измерений;

КИП - контрольно-измерительные приборы;

ЭКМ - электро-контактный манометр;

АВ - автоматический выключатель;

АРМ - автоматизированное рабочее место;

АСУ ТП - автоматизированная система управления технологическими процессами;

ЖК - жидкокристаллический (монитор);

ИМ - исполнительный механизм;

КИП - контрольно-измерительные приборы;

ТП - технологический процесс;

ПЗК - предохранительно-запорный клапан;

ПО - программное обеспечение.

1. Техническое задание на проектирование

.1 Назначение и цели создания комплекса

Комплекс технических средств АСУ приводом предназначен для автоматизированного контроля и управления в реальном масштабе времени основными системами запорной аппаратуры.

Цели создания:

0 снижение трудозатрат на техническое обслуживание и ремонт;

2 повышение качества контроля и управления процессами, а также надежности самой системы за счет использования современных средств автоматики и вычислительной техники и наличия самодиагностики;

3 повышение уровня экологической безопасности производства;

4 улучшение условий труда обслуживающего персонала.

Комплекс обеспечивает централизованный контроль состояния объекта, сигнализацию отклонения параметров от нормы, дистанционное управление работой объекта, защиту (останов) технологического оборудования, формирование журнала аварийных и технологических сообщений, формирование и печать отчетных документов, ведение базы данных.

.2 Требование к системе

В данной курсовой работе предусмотрено автоматическое управление элементами системы ППГ с возможностью дистанционного управления с МЩ ППГ (локального ПТК) и с БЩУ (ПТК) с выбором места управления с БЩУ (ПТК) и ручного управления по месту.

Контроль за работой системы в ППГ осуществляется с представлением измерений в МЩ ППГ, БЩУ и по месту с установкой датчиков и местных показывающих приборов:

установка на технологической конструкции устройства двух путевых выключателей (на открытие и на закрытие) и двух концевых выключателей (на открытие и на закрытие);

-   датчиков давления на входе ППГ 00EKG10CР001, 002 с сигнализацией по повышению и понижению в ПТК и индикацией по месту;

-   датчиков температуры на входе ППГ 00EKG10CТ001, 002 с сигнализацией по повышению и понижению в ПТК, и термометров 00EKG10CТ501, 502;

-        хроматографа 00EKG10CQ001 для определения за компонентным содержанием газа на входе в ППГ и расчета плотности газа и калорийности;

-   манометров на входе в каждую нитку ППГ 00EKG21, 31,41 CР 501;

-   датчиков уровня в сепараторе 00EKG21, 31, 41 CL001 с сигнализацией по повышению и понижению в ПТК и индикацией по месту;

-        перепада давления на фильтрах 00EKG22, 32, 42 CР001 с сигнализацией по повышению в ПТК и индикацией по месту;

-   турбинные счетчики газа по каждой нитке с датчиками 00EKG22, 32, 42 CF001, 00EKG22, 32, 42 CР001 , 00EKG22, 32, 42 CТ001;

-   датчиков температуры за подогревателями 00EKG22, 32,42 CТ002 с сигнализацией по повышению и понижению в ПТК с сигнализацией по повышению и понижению в ПТК,

-        термометров на обвязке подогревателей - 00EKG22 CТ501, 502, 00EKТ11CТ501, 00EKG32CТ501, 502, 00EKТ12CТ501, 0EKG43CТ501, 502, 00EKТ13CТ501;

-   датчиков давления перед регуляторами давления 00EKG22CР002, 00EKG32CР002, 00EKG42CР002 и манометрами 00EKG22, 32, 42CР501;

-        датчиков давления за регуляторами давления в каждой нитке 00EKG23, 33, 43 CР001 с сигнализацией по повышению и понижению в ПТК и манометрами 00EKG23, 33, 43 CР501;

         датчиков температуры, давления и уровня в баке продувке газового конденсата 00EKВ10 СТ001, СР001, CL001, с сигнализацией по повышению и понижению в ПТК и манометром 00EKВ10СР501;

-   датчиков температуры на выходе из ППГ для блока 1,2 00EKG23 CТ001 и термометра 00EKG23CТ501;

-        датчиков температуры на выходе из ППГ для блока 3,4 00EKG 43CТ001 и термометра 00EKG 43CТ501;

         датчиков давления на выходе из ППГ для блока 1 00EKG23CР002, 003, 004 с индикацией по месту, с сигнализацией по повышению и понижению в ПТК, и участия в защитах ;

         датчиков давления на выходе из ППГ для блока 2 00EKG43CР002, 003, 004 с индикацией по месту, с сигнализацией по повышению и понижению в ПТК, и участия в защитах ;

         сигнализаторы взрывоопасной концентрации природного газа в воздухе производственного помещения ППГ 00EKG00CQ001-005, калориметрической 00EKG00CQ006 и у узла арматуры на территории 00EKG00CQ007 с сигнализации в ПТК и включения аварийной вентиляции по 1 пределу.

Защитное заземление предусматривается к существующему контуру заземления.

.3 Требования к программному обеспечению системы управления

Программное обеспечение APM оператора должно обеспечивать:

двусторонний обмен с контроллерами;

визуализацию, хранение и печать метрологической и технологической информации;

управление запорной арматурой;

передачу данных в систему телемеханики и интеграцию APM оператора в корпоративную информационную систему предприятия, формирование исторических трендов.

обеспечивать взаимосвязь с контроллерами нижнего уровня, обмен с которыми производится по протоколу Modbas.

.4 Конфигурация программного обеспечения

Ядро программы APM оператора управляет потоками данных для обмена с модулями и приложениями. Выполнено для работы в OC Windows ХР и выше. Ядро имеет модульную структуру, включающую в себя:

Модуль обмена данных программное обеспечение APM оператора настраивается на протокол контроллера и осуществляет передачу данных в контроллер.

Модуль визуализации программного обеспечения APM оператора обеспечивает предоставление на мониторе компьютера метрологических и технологических данных по учету нефти, состояние запорной арматуры, проведению поверок и сличений и другой реальновременной информации.

Модуль базы данных программное обеспечение APM оператора обеспечивает хранение отчетов (оперативных, сменных, суточных, месячных), паспорта качества газа, акта приема сдачи, режимных листов, журнала аварийных сообщений и событий системы, протоколов поверки, журналов сличения, неограниченное время.

Модуль печати программное обеспечение APM оператора обеспечивает автоматический или ручной режим печати отчетных документов и журналов аварийных сообщений и событий системы на лазерных принтерах. Модуль ввода данных обеспечивает корректный ввод данных лабораторных анализов, для заполнения паспорта качества газа.

1.5 Ввод команд для управления запорной арматуры

Приложение хранения данных для трендов обеспечивает запись параметров с необходимой дискретностью, задаваемых пользователем, для последующего просмотра при помощи программного обеспечения. Максимальное число хранимых параметров- 256 в одном справочнике, время хранения неограниченно.

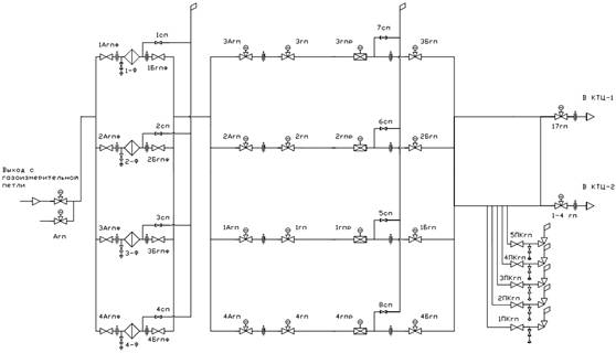
2. Описание работы ППГ

Для снабжения природным газом ПГУ предусмотрен пункт подготовки газа.

Газ, поступающий с ГРС, освобождается от влаги, проходя сепараторы, затем очищается в газовых фильтрах и далее подогревается в теплообменных аппаратах

При подаче газа к ГТУ давление газа снижается до давления Pу = 2,5МПа в регуляторах давления прямого действия.

На линиях трубопроводов сброса газового конденсата из фильтров и сепараторов предусмотрен бак сбора конденсата (00EKВ01ВВ001) V = 10 м3. Периодически, при заполнении бака, газовый конденсат вывозится автоцистерной из здания ППГ.

.1 Расположение оборудования

На каждой линии редуцирования ГРП-3 установлены четыре электрифицированных исполнительных механизма:

. Задвижка на входе линии 1АГП, 2АГП, 3АГП, 4АГП;

. Предохранительный запорный клапан линии 1ГП, 2ГП, 3ГП, 4ГП;

.Регулирующий клапан линии 1ГПР, 2ГПР, 3ГПР, 4ГПР;

. Задвижка на выходе линии 1БГП, 2БГП, 3БГП, 4БГП.

5. 1-4 ГП (Газ на ПГУ);

. 17 ГП (Газ в КТЦ-1,2).

.2 Принцип работы

Установлено четыре линии редуцирования газа к ПТУ с регуляторами прямого действия поддерживающими давление “после себя”, любая из которых может быть рабочей или резервной.

Выбор режима работы линии редуцирования производится с БЩУ через ПТК. Каждая линия редуцирования может иметь следующие режимы:

·   отключено;

·   резерв (АВР);

·   работа.

1. В режиме “Отключено” формируются импульсные команды на закрытие задвижек 00EKG22(32,42)AA002 и 00EKG23(33, 43)AA001 до и после регуляторов давления основной линии редуцирования.

Режим «Отключено»- исполнительные механизмы линии автоматически приводятся в соответствующие положения:

- входная задвижка линии в положение «закрыто»,

- выходная задвижка в положение «закрыто»,

- предохранительный запорный клапан линии в положение «открыто»,

- воздействие регулятора на регулирующий клапан отключено.

2. В режиме “Резерв” формируются импульсные команды на закрытие задвижек 00EKG22(32,42)AA002 перед регуляторами давления и на открытие задвижек 00EKG23(33,43)AA001 за регуляторами давления.

Режим «АВР»- исполнительные механизмы линии автоматически приводятся в соответствующие положения:

- входная задвижка линии в положение «закрыто»,

- выходная задвижка в положение «открыто»,

- воздействие регулятора на регулирующий клапан отключено и клапан открыт до заданной величины (заданная величина открытия определяется во время пуско-наладочных работ).

3. В режиме “Работа” формируется импульсная команда на открытие соответствующих задвижек до и после регуляторов давления этой линии редуцирования.

Режим «Работа» - исполнительные механизмы линии автоматически приводятся в соответствующие положения:

- входная задвижка линии в положение «открыто»,

- выходная задвижка линии в положение «открыто»,

- предохранительный запорный клапан линии в положение «открыто»,

- регулирующий клапан подключен к регулятору, который находится в режиме «Автоматический», или регулирующий клапан отключен от регулятора и находится в режиме «Ручное управление».

Рис 1 - Блочный пункт подготовки газа

При понижении давления газа на выходе из ППГ ниже установленного, автоматически подключается в работу резервная линия редуцирования, без отключения рабочей - открываются задвижки 00EKG22(32,42)AA002 перед резервным регулятором, на БЩУ подается сигнал “Давление газа аварийно низкое”,

При повышении давления газа на выходе из ППГ выше установленного значения автоматически производится переключение на резервную линию редуцирования: открываются задвижки 00EKG22 (32,42)AA002 перед резервным регулятором давления и одновременно дается команда на закрытие задвижек 00EKG23 (33, 43) AA001 на рабочей линии, на БЩУ подается сигнал “Давление газа аварийно высокое”

Для предохранения от превышения давления газа предусмотрены ПСК

- давление начала открытия ПСК на подаче газа к ПГУ-2,9 МПа.

Задвижки 00EKВ15AA001 (АА002,АА003) на уравнительной линии бака сбора газового конденсата. Управление по командам автоматики и с БЩУ (ПТК), МЩУ ППГ. Задвижки автоматически закрываются при снижении давления в баке сбора газового конденсата ниже заданного.

Клапаны регулирующие 00EKТ11(12,13)AA801 автоматически поддерживают температуру газа на выходе из подогревателей в трубопроводе перед каждой задвижкой 00EKG22 (32, 42) AA001.

Задвижки 00EKВ22 (32, 42) AA401, 0EKВ21 (31, 41) AA402, на сливе конденсата из фильтров и сепараторов - управление с БЩУ (через ПТК), МЩУ и по месту.

Задвижки 00EKВ21 (31, 41) AA403 управляются с БЩУ (через ПТК), МЩУ и по месту, а также открываются автоматически при повышении уровня конденсата в соответствующих сепараторах до верхнего рабочего значения и закрываются автоматически при снижении уровня конденсата в них до нижнего рабочего значения, а также автоматически закрываются при снижении давления в баке сбора газового конденсата ниже допустимого

Задвижки 00EKВ21 (31, 41) AA403 автоматически закрываются при повышении (снижении) уровня в баке сбора газового конденсата, выше верхнего (нижнего) рабочего значений.

Предусматривается следующая сигнализация на БЩУ (через ПТК):

·   повышение или понижение давления газа до установленного предела на входе в ППГ за задвижкой 00EKG10AA001 или 00EKG10AA002;

·   повышение перепада давления до и после каждого фильтра;

·   повышение или понижение давления газа до установленного предела за каждым регулирующим клапаном ППГ на линии редуцирования при режиме “Работа”;

·   повышение или понижение температуры газа до установленного предела за каждым подогревателем газа;

·   повышение уровня в каждом сепараторе до уставки срабатывания блокировки по повышению уровня;

·   повышение или понижение уровня до установленного предела в баке сбора газового конденсата;

·   повышение или понижение температуры до установленного предела в баке сбора газового конденсата;

·   повышение или понижение давления до установленного предела в баке сбора газового конденсата;

·   повышение концентрации газа в помещениях ППГ (обобщенный сигнал);

·   повышение или понижение давления газа к ГТУ-1,2(3,4) до аварийного предела.

·   о отключении вентиляции при пожаре в помещениях ППГ

На МЩУ ППГ предусматривается сигнализация срабатывания сигнализаторов загазованности воздуха в помещениях ППГ и калориметра, и в ПТК.

3. Назначение и область применения задвижки с электроприводом

Задвижка предназначена для включения и отключения отдельных участков трубопровода и технологических аппаратов в системах сбора, подготовки газа, которые устанавливаются на особо важных местах: на входе и выходе каждой линии редуцирования газа, а также на участке до регулятора и непосредственно после.

Использование электрофицированных задвижек (задвижка с электроприводом-трехфазный асинхронный двигатель) с частотным регулированием позволяет проводить более точные манипуляции в работе по газоснабжению парогазовой установки; сокращать время на «установку» рабочей или резервной линии; при аварийных ситуациях использование эл.привода с частотным регулированием позволяет проводить максимально быстрые переключения линий; Позволило снизить время открытия и закрытия запорной аппаратуры, в зависимости от ситуации, что способствует оптимизации всего процесса.

.1 Устройство и принцип действия трехфазного асинхронного электродвигателя

Трехфазный асинхронный двигатель (АД) традиционного исполнения, обеспечивающий вращательное движение, представляет собой электрическую машину, состоящую из двух основных частей: неподвижного статора и ротора, вращающегося на валу двигателя. Статор двигателя состоит из станины, в которую впрессовывают так называемое электромагнитное ядро статора, включающее магнитопровод и трехфазную распределенную обмотку статора. Назначение ядра - намагничивание машины или создание вращающегося магнитного поля. Магнитопровод статора состоит из тонких (от 0,28 до 1Мм) изолированных друг от друга листов, штампованных из специальной электротехнической стали. Листы собирают и скрепляют таким образом, что в магнитопроводе формируются зубцы и пазы статора. Магнитопровод представляет собой малое магнитное сопротивление для магнитного потока, создаваемого обмоткой статора, и благодаря явлению намагничивания этот поток усиливает. В пазы магнитопровода укладывается распределенная трехфазная обмотка статора. Обмотка в простейшем случае состоит из трех фазных катушек, оси которых сдвинуты в пространстве по отношению друг к другу на 120°.

Рис 1 - трехфазный асинхронный двигатель

3.2 Частотный преобразователь

Частотное управление подразумевает рациональные законы управления частотой и напряжением.

Рис 2 - частотный преобразователь фирмы Power Flex

На пункте подготовки газа электропривод (асинхронный двигатель) работает в комплекте с преобразователем частоты фирмы Power Flex с опцией Drive Logix, которая имеет встроенный процессор, обеспечивающий оптимизированную интеграцию управления системой электроприводов и поддерживает общую складу систему.

Характеристики:

Номинальная мощность от 0,4 до 22 кВт/от 0,5 до 30 л.с. при 380/480 В; классы напряжения от 100 до 600 В; модульная конструкция включает инновационный съёмный модуль управления, который позволяет одновременно осуществлять монтаж и настройку привода, что помогает сократить сроки ввода в эксплуатацию; встроенный порт Ether Net/IP™ поддерживает бесшовную интеграцию в среду Logix и сети Ether Net/IP;

Упрощённое программирование с помощью интуитивно понятного ПО и ускоренное конфигурирование преобразователей с использованием стандартного USB-интерфейса.

Рис 3- схема системы управления электроприводом

Управление с МЩ: при включенном предварительно автоматическом выключателе нажатие на кнопку SB1 приведет к срабатыванию контактора КМ1, который силовыми замыкающими контактами подключит статор двигателя к сети, и заблокирует кнопку SB1,оставив цепь катушки КМ замкнутой после отпускания кнопки. Нажатие на кнопку SB2 разорвет цепь катушки КМ, силовые контакты КМ отключат двигатель от сети и он остановится под действием момента Мс. Отключение также может осуществляться контактом КК, если ток статора превысит допустимое значение на 30-40%, - так осуществлена защита от небольших перегрузок и обрыва фазы. От коротких замыканий защищает автоматический выключатель QF. Защиту от самопроизвольного запуска осуществляет контактор КМ, т.к. он может повторно включится лишь при нажатии кнопки SB1

АРМ имеет следующие характеристики:

− центральный процессор: Intel®Pentium® (2,6 ГГц);

−       накопитель на жестком магнитном диске объемом 500 Гбайт;

−       оперативная память емкостью 2 Гбайт;

−       оптический привод DVD±RW;

−       операционная система Windows 7;

−       ЖК-монитор.

На АРМ устанавливается следующее программное обеспечение (ПО):

−  Скада система «Каскад»;

−       База данных «FirebirdSQL»;

−       Программный пакет «Контраст»;

Функциональные возможности пакета включают конфигурирование, операторское управление, сбор и архивирование данных и событий, а также диагностику. Программное обеспечение верхнего уровня выполнено гибко настраиваемым и универсальным. Листы защит выполнены настраиваемыми из базы данных, что позволяет ввести новую защиту, разрешить или запретить маскирование, деблокировку или симуляцию защиты не останавливая рабочую программу. Тренды аналоговых сигналов позволяют настроить периодичность и процент изменения сигнала для сохранения данных по четырём независимым группам. При помощи процента изменения сигнала можно существенно сократить объём сохраняемой информации. Сводки работы оборудования легко можно настроить под любой вид и состав сигналов, что позволяет получить отчёт нужного вида. Базы данных сохраняемой информации имеют полное дублирование, что повышает надёжность системы при выходе из строя любого компьютера. Есть возможность синхронизации база данных на компьютерах.

Оперативные сообщения выполнены настраиваемыми с верхнего уровня, т.е. есть возможность задать название, цвет, звуковую сигнализацию, необходимость квитирования для каждого сообщения. Можно проконтролировать время появления аварийного сообщения и время реакции оператора на это сообщение. Контроллер имеет внутренний буфер оперативных сообщений, что позволяет даже при отсутствии связи с контроллером позже получить все сообщения. Оперативные сообщения всегда поступают в реальной последовательности, что обеспечивается передачей времени сообщения из контроллера. Имеется возможность введения скрытых сообщений для возможности просмотра более подробно отдельных параметров системы, а также для контроля за действиями оператора. программный автоматизированный асинхронный петри

При отказе компьютера, устанавливающего время, контроллер автоматически переключается на установку времени с другого компьютера. Выполнена гибкая система, позволяющая настроить уровень допуска к управлению системой для каждого пользователя. Возможен сброс доступа к управлению системой, при этом возможен только просмотр состояний системы. Реализована удобная диагностика оборудования, доступная обслуживающему персоналу, которая включает в себя состояние работы контроллера, каналов интерфейсной связи и всех блоков ввода-вывода. Также возможно управление выходными каналами для модулей дискретного и аналогового вывода для возможности проверки работы оборудования и каналов.

К среднему уровню системы автоматизации относятся шкафы управления и установленные в них программно-аппаратные модули (блоки) управления. Набор модулей, устанавливаемый в шкафы управления, обеспечивает:

- сбор информации от датчиков, устанавливаемых по месту;

обработку и передачу информации о состоянии объектов на верхний уровень системы автоматизации (центральный контроллер в операторной);

автоматическое управление технологическим оборудованием станции и контроль его работы;

прием информации с верхнего уровня системы автоматизации и формирование управляющих воздействий на исполнительные механизмы.

К нижнему уровню системы автоматизации относятся:

- датчики технологических параметров;

систему автоматического регулирования;

- показывающие приборы, устанавливаемые по месту.

К нижнему уровню относится также блок ручного управления, который размещается в месте постоянного присутствия оперативного персонала (операторная) и имеет в своем составе сигнализацию непосредственно от датчиков сигналов и кнопки управления, воздействующие непосредственно на органы управления оборудованием.

Для различных классов технологического оборудования реализованы типовые алгоритмы, которые настраиваются под различные типы данного класса оборудования (состояние концевых выключателей задвижек может браться, как с нормально открытых контактов, так и с нормально замкнутых контактов и т.д.). Алгоритмы нижнего уровня гибко адаптируются к технологическому оборудованию с разнообразными характеристикам. В алгоритмах среднего уровня предусмотрен многоуровневый контроль состояния с выявлением множества неисправностей, возникающих во всех режимах работы оборудования.

Разработанный программный модуль обработки входных аналоговых сигналов для среднего уровня полностью конфигурируется с верхнего уровня.

.3 Математическое моделирование регулирования частоты

Частотное регулирование скорости асинхронного двигателя электропривода осуществляется изменением частоты и напряжения питающего двигатель.

Типовая структурная схема универсального электропривода на базе асинхронного двигателя состоит из самого двигателя, преобразователя частоты, включающего инвертор тока или напряжения с широтно-импульсной модуляцией (ШИМ), датчиков тока, напряжения, скорости, системы управления реализованной программно на микроконтроллере. Преобразователь частоты включает в себя неуправляемый выпрямитель и инвертор на силовых транзисторных модулях IGBT или BJT - типа. В качестве электродвигательного устройства в разрабатываемом электроприводе используется асинхронный двигатель с короткозамкнутым ротором. Для получения структурной схемы асинхронной машины необходимо выполнить математическое описание переходных процессов, протекающих в ней. Моделирование привода с частотным управлением проводилось с асинхронным двигателем, номинальной мощностью 4 кВт, напряжением 380В и синхронной частотой вращения 1500 об/мин. Схема модели представлена на рис 4.

На рис 5 приведены графики переходных процессов в приводе с "вентиляторной" нагрузкой. В приводе осуществлялся пуск двигателя с номинальным моментом до номинальной скорости, и сброс нагрузки. Моделирование, для ускорения процесса счета, проводилось в режиме Accelerator. Исследование переходных процессов, протекающих в электроприводе, проводились на персональном компьютере с помощью пакета прикладной программы MATLAB 6.5 в соответствии со схемой, представленной на рис 4.

Рис 4 - Схема моделирования привода с частотным управлением U/f=const

Заданные значения сравниваются с измеренными через звено нечувствительности и П-регулятор (выбранный на основе моделирования так, чтобы ток двигателя при пуске не был больше заданного значения). В качестве задатчика интенсивности используется апериодическое звено первого порядка с постоянной времени τ=2.

Рис 5- Схема задатчика интенсивности

Алгоритм управления U/f= const c IR-компенсацией, которая выполнялась на основе начального задания U.


Рис 6 - Переходные процессы в приводе при пуске, наборе и сбросе нагрузки

Электропривод с частотным преобразователем обеспечивают:
·    пуск по заданному алгоритму;

·    длительная работа в заданном диапазоне частот вращения и нагрузок;

·              реверс;

·              торможение и останов по заданным алгоритмам;

·              регулирование технологического параметра за счет встроенного ПИД-регулятора;

·              защита АД и технологического оборудования в аварийных и нештатных режимах;

·              сигнализация, отображение и дистанционная передача информации о параметрах и режимах работы;

·              учет отработанного времени, регистрация отказов, нештатных и аварийных режимов.

·    Предусматривают работу в ручном и автоматическом режимах.

4. Алгоритм управления

.1 Описание исходного состояния системы

Исходное состояние системы следующее: датчики а, b, c, d, e, f, g, h находятся в нормальном положении, т.е. задвижки закрыты. В соответствии с вышесказанным функция начального состояния запишется в виде:


4.2 Словесное описание алгоритма управления приводами задвижек

. На пульте «АРМ оператора» диспетчер задает рабочую, резервную и отключенную линии.

. При достаточном давлении в линии перед блоком редуцирования открываются задвижки, перед регуляторами давления и после регуляторов давления в рабочей линии.

. При понижении давления газа после регуляторов «давления ниже установленного» автоматически подключается в работу резервная линия редуцирования, без отключения рабочей - открываются задвижки перед резервным регулятором, на пульт оператора подается сигнал “Давление газа аварийно низкое”,

. При повышении давления газа на выходе из ППГ выше установленного значения автоматически производится переключение на резервную линию редуцирования: открываются задвижки перед резервным регулятором давления и одновременно дается команда на закрытие задвижек на рабочей линии, на БЩУ подается сигнал “Давление газа аварийно высокое”.

5. Разработка сети Петри

Сеть Петри представляет собой ориентированный граф с вершинами двух типов.

Вершины графа в виде кружков, обозначенных буквой «Y» с последующим номером, называются позициями.

Вершины графа в виде жирных черточек и обозначенных буквой «S» с последующим номером, называются переходами. Над переходами указывают логические функции f (So,…Si,…Sm). Начальной маркировкой сети Петри называется вектор HT=(n1, n2,…nn), число компонентов которого равно числу позиций в сети Петри, а сами компоненты выражаются натуральными числами. Для наглядности под ni понимают число точек в i-ой позиции.

Позиция Рi является входной позицией перехода tj, если существует дуга из Рi в tj.

Функционирование сети Петри основывается на следующих двух определениях. Переход называется возбужденным, если во всех его позициях находится хотя бы по одной точке. Переход срабатывает, если он возбужден, и выполняется логическое условие для данного перехода fi (S1,..Si), т.е. если эта функция принимает значение равное «1». При этом по одной точке из всех выходных позиций перехода переходят во все выходные позиции.

Рассмотрим требования к сетям Петри, описывающим процесс автоматической работы автоматизированных комплексов. Сеть Петри называется «безопасной», если в каждой ее позиции в любой момент времени может находиться не более одной точки.

Сеть Петри называется «живой», если в ней не возникает тупиковых ситуаций, т. е. ситуаций, из которых невозможно изменение состояния сети Петри. Сеть Петри называется «правильной», если она «безопасная» и «живая».

Технологические процессы автоматизированных комплексов должны описываться только «правильными» сетями Петри.

Действительно, безопасность сети говорит о том, что любая операция на автоматизированном оборудовании может быть повторно начата только после своего завершения.

Живая сеть Петри соответствует тому, что, дискретный процесс работы автоматизированного оборудования может продолжаться бесконечно долго без самопроизвольных остановок.

Таблица 5.1

Описание и обозначение позиции сети Петри

Обозн. РКС

Обозн. Петри

Значение

Входные сигналы от командных элементов

a

S1

Сигнал от диспетчера о начале (выбор основной, резервной и отключенной линий)

b

S2

Сигнал датчика о достаточном давлении перед редуцированием

c

S3

Сигнал датчика о высоком давлении после редуцирования

d

S4

Сигнал датчика о низком давлении после редуцирования

e

S5

Сигнал конечного выключателя открытия задвижки до редуцирования рабочей линии

f

S6

Сигнал конечного выключателя закрытия задвижки до редуцирования рабочей линии

S7

Сигнал конечного выключателя открытия задвижки после редуцирования рабочей линии

h

S8

Сигнал конечного выключателя закрытия задвижки после редуцирования рабочей линии

i

S9

Сигнал конечного выключателя открытия задвижки до редуцирования резервной линии

j

S10

Сигнал конечного выключателя закрытия задвижки до редуцирования резервной линии

k

S11

Сигнал конечного выключателя открытия задвижки после редуцирования резервной линии

l

S12

Сигнал конечного выключателя закрытия задвижки после редуцирования резервной линии

m

S13

Сигнал аварийного останова

Выходные сигналы на исполнительные механизмы

А

Р1

Сигнал на открытие входной задвижки рабочей линии

В

Р2

Сигнал на открытие задвижки после редуцирования рабочей линии

С

Р3

Сигнал на открытие входной задвижки резервной линии

D

Р4

Сигнал на открытие задвижки после редуцирования резервной линии

E

Р5

Сигнал на закрытие входной задвижки рабочей линии

F

Р6

Сигнал на закрытие задвижки после редуцирования рабочей линии

G

Р7

Сигнал на закрытие входной задвижки резервной линии

H

Р8

Сигнал на закрытие задвижки после редуцирования резервной линии


На основе описания алгоритма строим сеть Петри, которая приведена на листе МАСУ 01 00 00.000 Д4 графической части курсовой работы.

6. Построение релейно-контактной схемы

По описанию алгоритма запишем формулы для механизмов РКС.


На основе формул строим РКС. Умножение записываем в виде последовательной цепи, а сложение в виде параллельного соединения.

7. Построение циклограммы

На основе сети Петри, а также алгоритма работы маршрутизатора составляем циклограмму, которая представляет собой графическое изображение последовательности работы отдельных механизмов схемы во времени.

Работа элемента и наличие соответствующего этому элементу сигнала изображается на циклограмме отрезком горизонтальной прямой. Толстой линией обозначаются сигналы командных и исполнительных элементов. Слева от отрезка, на границе циклограммы проставляются его обозначения. Большими буквами латинского алфавита обозначаются исполнительные механизмы. Маленькими буквами латинского алфавита - сигналы датчика.

Последовательность работы элементов определяется положением концов отрезков, изображающих их работу, относительно левой границы циклограммы.

Воздействие одного элемента на другой изображается на циклограмме стрелкой указывающей направление воздействия.

Возможны четыре случая:

Рисунок 7.1 - Варианты воздействия датчиков на исполнительные элементы.

.1.1 - Случай, когда появление сигнала датчика а приводит к появлению сигнала с исполнительного устройства В

.1.2 - Исчезновение сигнала с датчика а приводит к прекращению работы с исполнительного органа В;

.1.3 - Исчезновение сигнала с датчика а приводит к началу работы исполнительного органа В;

.1.4 - Появление сигнала на датчике а приводит к прекращению работы исполнительного органа В.

Все временное пространство работы ППГ разбивается на такты. Под тактом подразумевается период, в течение которых в схеме не изменяется состояние ни одного из сигналов. На основе вышесказанного строится циклограмма, которая приведена на листе МАСУ 01 00 00.000 Д4 графической части курсовой работы.


Проверка по циклограмме

Данная проверка включает в себя три проверки. При первой анализируются, существуют ли записанные ранее условия срабатывания в течение всего включающего периода.


Функция f‘(x) меняет свое значение в период включения, следовательно необходимо ввести механизм самоблокировки, либо дополнительный элемент. В данном случае используем самоблокировку.

Структурные формулы примут вид:


При второй проверке анализируется, существуют ли записанные ранее условия несрабатывания в течении всего включающего периода. Для данной функции таких ситуаций, когда условие несрабатывания бы не выполнялось, нет. Следовательно, данная функция удовлетворяет и второму условию.

Третья проверка заключается в том, чтобы после отключения исполнительного элемента исключить возможность создания условий для его повторного (неправильного) включения. Т.к. функция представляет собой произведение всех сигналов и удовлетворяет двум предыдущим проверкам, то функция А однозначно определяет условия срабатывания и несрабатывания и исключает случай неправильного включения (т.е. функция А равна 1 только при одной комбинации датчиков), то функция А удовлетворяет и третьей проверке. Следовательно функция А составлена правильно.

Список литературы

1.   «Системы управления автоматических машин» Рабинович А.Н. «Техника», 1973, 440 с.

2.      «Математическое обеспечение процессорных устройств ЧПУ» Сосонкин В.Л., М.: «НИИМАШ», 1981, 80 с.

3.   Комягин А.Ф. Автоматизация производственных процессов газонефтепроводов - М.: Недра, 1983 - 336 с.

4.   Азаров В.Н., Каперко А.Ф. Датчики и преобразователи информации систем измерения, контроля и управления // Приборы и системы управления. - 1998. - №5. - с.15 - 30.

5.   Привила безопасности систем газораспределения и газопотребления ПБ 12-529-03

6.      Правила технической эксплуатации газового хозяйства газотурбинных и парогазовых установок ТЭС РД 153-34.1-30.106-00.

Похожие работы на - Автоматизация управление асинхронным электроприводом

 

Не нашли материал для своей работы?
Поможем написать уникальную работу
Без плагиата!
Без нейросетей!