Автоматизация управления асинхронным электроприводом с инверторным преобразователем частоты для подъемной установки
Курсовая
работа
Автоматизация
управления асинхронным электроприводом с инверторным преобразователем частоты
для подъемной установки
1. Основные требования
к созданию автоматических систем частотного регулирования асинхронного
двигателя (АД)
К системам управления асинхронными
частотно-регулируемыми электроприводами промышленного назначения, исследованию
которых посвящено большое число работ, предъявляется ряд общих требований:
– близкое к нормированному качество
электромеханических процессов (под нормированными понимаются стандартные
электромеханические процессы, присущие современным электроприводам постоянного
тока с подчиненным регулированием координат);
– рабочий диапазон регулирования скорости
двигателя, как правило, не более чем 1 : 20 вниз и 1,2 : 1 - вверх от
номинальной скорости;
– быстродействующее регулирование
динамичных приводов (работающих с частотными режимами пуска, торможения,
реверса, наброса и сброса нагрузки);
– экономичное регулирование нединамичных
приводов (приводы насосов, вентиляторов);
– отсутствие датчиков внутри и на валу
электродвигателя.
Формирование близких к нормированным
электромеханических процессов такого сложного и нелинейного объекта
автоматического регулирования, каким является асинхронный частотно-регулируемый
электропривод, представляет собой непростую техническую задачу. Необходимость
же этого требования обусловлена сложными динамическими режимами машин
циклического действия.
Рабочий диапазон регулирования скорости равный 1
: 20 - вниз и 1,2 : 1 - вверх от номинальной скорости, удовлетворяет на
практике подавляющему большинству общепромышленных электроприводов, работающих
в различных отраслях промышленности. Дальнейшее расширение диапазона частот
низких значений скорости ограничено неравномерностью вращения ротора двигателя
из-за воздействия фактической несинусоидальности формы выходных напряжений
(токов) инверторных преобразователей частоты (ПЧ) на электромагнитный момент
двигателя. Ограничение верхних значений скорости обусловлено условиями
механической прочности подшипниковых узлов и электрических обмоток двигателя.
Требование отсутствия датчиков внутри или на
валу электродвигателя определяется стремлением облегчить проектантам и службам
эксплуатации задачу практического создания и внедрения регулируемого асинхронного
электропривода и, особенно, упростить замену нерегулируемого привода
частотно-регулируемым. При этом использование серийных асинхронных
короткозамкнутых электродвигателей (без дополнительной установки вращающихся
узлов на валу или датчиков внутри машины) существенно повышает эксплуатационную
надежность в условиях работы в запыленной, агрессивной и взрывоопасной среде.
Исходя из рассмотренных требований к
регулированию, используются следующие подходы к построению автоматических
систем частотного регулирования (АСЧР) асинхронным электроприводом:
– применение векторного или квазивекторного
управления;
– использование косвенных способов
регулирования и измерения параметров режима электропривода;
– применение эффективных (оптимальных)
способов частотного управления;
– упрощение технической реализации АСЧР.
Векторное и квазивекторное управление являются
базовыми принципами получения нормированных (или близких к нормированным)
электромеханических процессов асинхронного привода.
Косвенные способы регулирования и измерения
параметров режима электропривода (электромагнитного момента, потокосцепления,
ЭДС двигателя и др.) служат для исключения установки датчиков внутри или на
валу двигателя. Кроме этого, использование данных способов является эффективным
техническим приемом получения «гладких» по форме сигналов обратных связей
(необходимых для функционирования аналоговых автоматических регуляторов) о
средних значениях параметров режима электропривода.
На основе известных эффективных способов
частотного управления: при постоянстве магнитного потокосцепления двигателя
(для скоростей равной или ниже номинальной) или при постоянстве статорного
напряжения или ЭДС двигателя (для скоростей выше номинальной) - в асинхронных
электроприводах создается высокое быстродействие и повышенная перегрузочная
способность по моменту при хороших энергетических показателях.
При современном состоянии аппаратной базы
средств управления упрощение технической реализации АСЧР определяется, главным
образом, уменьшением в ней количества автоматических регуляторов сложных
вычислителей и информационных датчиков непосредственно измерения, связанных с
потенциалом силовой части непосредственно.
Сложность структуры системы управления
частотно-регулируемыми электроприводами, нелинейности звеньев не позволяют
получить адекватную математическую модель для построения системы управления.
Поэтому для такой системы целесообразно использовать фаззи-управление,
требующее для построения регуляторов минимальное количество информации о
координатах и параметрах системы.
квазивекторный электропривод асинхронный двигатель
2. Векторное управление
частотно-регулируемым асинхронным электроприводом
Наиболее совершенной системой управления
частотно-регулируемым асинхронным электроприводом является векторное управление.
Алгоритм функционирования устройства векторной ориентации, с помощью которого
осуществляется векторное управление параметрами асинхронного двигателя,
включает ряд вычислительных операций.
По фазным значениям статорных
напряжений
,
,
и токов
,
,
в датчике
ЭДС вычисляются фазные ЭДС ротора
,
,
:
(1)
где
,
- индуктивности рассеяния статора и
ротора;
-
коэффициент связи ротора.
При помощи специального звена
преобразования определяются проекции
,
обобщенного вектора ЭДС ротора Е на
оси неподвижной ортогональной системы координат «a» - «b»,
связанной с магнитной осью фазы А обмотки статора асинхронного
электродвигателя.
Векторным анализатором вычисляются
значения амплитуды Е и фазового угла
обобщенного вектора ЭДС ротора
из
выражения:
Фазовый угол
и угловая
частота вращения
обобщенного
вектора потокосцепления ротора
АД (равная частоте статора
двигателя) находятся из формул:
(2)
Сигналы задания: амплитуды
обобщенного
вектора статорного тока
, амплитуды
и фазового
угла
обобщенного
вектора
основных
гармонических составляющих статорного тока двигателя, определяются из
выражений:
(3)
где
- сигналы задания намагничивающей и
активной составляющей обобщенного вектора
статорного тока соответственно.
На входах регулятора фазы (РФ)
сравниваются сигналы задания
и обратной связи
по модулю
потокосцепления ротора двигателя, рассчитываемые из выражений:
(4)
Структурная схема регулятора фазы РФ
для электропривода с автономным инвертором тока (АИТ) показана на рис. 1, где
блоком И обозначено интегральное звено. Интегрального типа регулятор фазы РФ,
обеспечивая астатическое регулирование входных сигналов:
, формирует
на своем выходе корректирующий по фазе сигнал
. Указанный сигнал равен значению
эквивалентного фазового сдвига основной гармоники статорного тока (рис. 2)
относительно ее заданного значения, наступающего от воздействия угла коммутации
инвертора. В результате указанного функционирования регулятора фазы РФ в
устройстве векторной ориентации компенсируется внутреннее возмущение по углу
коммутации инвертора, а заданное значение фазового угла
обобщенного
вектора основных гармонических составляющих статорного тока находится в виде:
. (5)
В соответствии с заданным значением
фазового угла
обобщенного
вектора основных гармоник статорного тока система управления инвертором СУИ
формирует управляющие импульсы.
На рис. 2 приведена векторная
диаграмма асинхронного электропривода с АИТ, иллюстрирующая описанное выше
векторное регулирование статорного тока двигателя. Из-за несинусоидальности
формы выходных токов АИТ происходит дискретное движение обобщенного вектора
статорного тока АД (показанное для соседних межкоммутационных интервалов
векторами
и
). При этом
основными гармоническими составляющими статорных токов создаются заданные
регулируемые значения намагничивающей
и активной
составляющих
статорного тока электродвигателя (проекций обобщенного вектора статорного тока
на оси вращающейся ортогональной координатной системы «х - у», связанной осью
«х» с обобщенным вектором потокосцепления ротора
АД).
3. Квазивекторное
управление частотно-регулируемым асинхронным электроприводом
Главное отличие квазивекторного принципа
регулирования от векторного состоит в способе (алгоритме) построения
автоматических структур частотного регулирования АД. Таким характерным внешним
отличием структур автоматического регулирования с квазивекторным управлением
является отсутствие в них (по сравнению с векторным управлением) специфических
устройств для обработки информации о векторных параметрах режима: координатных
преобразователей, векторных и тригонометрических анализаторов, фазовращающих и
фазосдвигающих устройств. Приставка «квази» в термине «квазивекторного»
управления (введенного в для обозначения данного вида построения структур
регулирования) означает создание такими автоматическими структурами
регулирования непременного условия - нормированного (близкого к нормированному)
качества электромеханических процессов асинхронных электроприводов,
приближающегося к векторному управлению.
Благодаря своей значительной простоте
технической реализации (по сравнению с системами векторного управления)
квазивекторное управление находит наибольшее применение в практике создания
АСЧР асинхронных электроприводов широкого промышленного назначения.
Указанная техническая простота данного
управления объясняется отсутствием необходимости контроля и вычисления фазовых
углов регулируемых векторных электромагнитных параметров режима
(потокосцепления, ЭДС, статорных токов и напряжения) АД, что позволяет
сократить количество применяемых информационных датчиков электропривода и
исключает сложные алгоритмы и устройства векторных вычислений при реализации
АСЧР.
На рис. 3 приведена функциональная
схема автоматической системы с квазивекторным регулированием асинхронного
электропривода с АИТ, реализующая двухзонное управление электродвигателем.
Автоматическая система частотного регулирования выполнена в соответствии с
принципами подчиненного регулирования координат и содержит внутренние контуры
регулирования: модуля I обобщенного вектора статорного тока (с регулятором тока
РТ) и электромагнитного момента m
(с регулятором момента РМ), а также внешние контуры регулирования: частоты
статора
(с
регулятором частоты РЧ) и ЭДС двигателя (с регулятором ЭДС РЭ). Заданное
значение
модуля
вектора статорного тока находится вычислителем В1 (через заданные значения
намагничивающей
и активной
составляющих
обобщенного вектора
основных
гармонических составляющих статорного тока) из первых двух формул системы (3).
С помощью датчика частоты ДЧ (например, выполненного на основе
дискретно-аналогового преобразователя) определяется сигнал
,
пропорциональный частоте статора двигателя.
Рис. 3. Функциональная схема
квазивекторного регулирования электропривода с АИТ
Посредством датчика ЭДС ДЭ,
функционирующего на основе алгоритма вычисления фазных ЭДС из формул (4.1) и
последующего их выпрямления, находится значение Е модуля вектора ЭДС ротора
двигателя. С помощью вычислителя В5 определяется заданное значение
электромагнитного
момента АД:
, (6)
где
и Т - индуктивность намагничивания
и электромагнитная постоянная времени электродвигателя.
Для вычисления значения
электромагнитного момента m
двигателя служит узел вычисления момента УВМ, состоящий из вычислителей В2 -
В4, датчика напряжения ДН питающей сети и сумматора С1. Вычислителем В2
определяется падение напряжения
на активных сопротивлениях и
индуктивностях в главной цепи электропривода:
, (7)
где
;
;
- активные сопротивления
выпрямителя, сглаживающего дросселя, инвертора, статора и ротора двигателя
соответственно;
индуктивности выпрямителя,
сглаживающего дросселя, рассеяния статора и ротора двигателя соответственно;
-
эквивалентные значения (приведенные к звену постоянного тока электропривода)
активного сопротивления и индуктивности главной цепи электропривода
соответственно;
- значение
основной гармонической составляющей модуля коммутационной функции трехфазного
мостового АИТ.
Посредством вычислителя В3
моделируется ЭДС
управляемого
выпрямителя УВ в виде:
(8)
для пилообразного опорного
напряжения системы управления выпрямителем СУВ, или в виде:
(9)
для синусоидального опорного
напряжения СУВ,
где
- статический коэффициент усиления
и электромагнитная постоянная времени управляемого выпрямителя (с его системой
импульсно-фазового управления) соответственно;
- амплитуда напряжения питающей
сети;
-
управляющее напряжение, приложенное ко входу системы управления выпрямителем.
На выходе сумматора C1 определяется
значение проекции
обобщенного
вектора
ЭДС ротора
АД на обобщенный вектор основных гармонических составляющих
статорного
тока электродвигателя:
. (10)
С помощью множительно-делительного
блока В4 вычисляется значение электромагнитного момента двигателя в виде:
. (11)
Управляемый генератор УГ
представляет собой преобразователь напряжения в частоту, в котором частота
выходных
импульсов прямо пропорциональна значению напряжения
на входе
«1» и обратно пропорциональна значению напряжения
на входе
«2» генератора:
где
- кратность частоты
генератора
УГ по отношению к выходной частоте инвертора
(для трехфазных схем инверторов
- целое
число, кратное шести).
Увеличение кратности
при
заданном значении электромагнитной постоянной времени фильтра Ф на практике
снижает амплитуду пульсаций выходного сигнала датчика частоты ДЧ (для серийных
электроприводов типов ЭКТ 2, ЭКТ 3, ТТП (Е) 1 значение
равно 36).
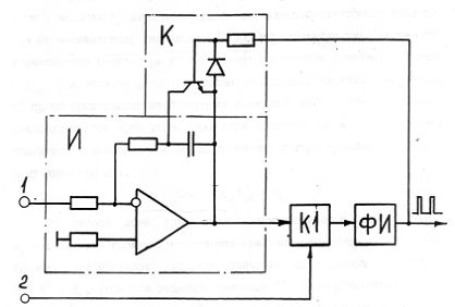
На рис. 4 приведены примеры
выполнения функциональных схем управляемого генератора УГ. Представленная на
рис. 4, а схема генератора с изменяемым опорным напряжением содержит интегратор
И, компаратор К1, формирователь импульсов нормированной длительности ФИ и ключ
К, шунтирующий накопительный элемент интегратора И. На рис. 4, б приведена
функциональная схема управляемого генератора УГ, выполненного на основе
последовательно соединенных блока деления БД и преобразователя
«напряжение-частота».
В первой зоне управления
электроприводом:
(рис. 3),
сигнал задания
намагничивающей
составляющей статорного тока равен ее номинальному значению:
и
напряжение на входе «2» управляемого генератора УГ составляет постоянное
значение, равное
.
а
б
Рис. 4. Функциональные схемы
управляемого генератора УГ: а - с изменяющимся опорным напряжением; б - на
основе преобразователя «напряжение-частота»
При этом по входу «1» задается выходная
частота генератора УГ прямо пропорциональной сигналу Е датчика ЭДС ротора, что
обеспечивает в этой зоне управления (при частотах
) работу
двигателя с постоянством потокосцепления ротора (равным номинальному значению
):
. (13)
Во второй зоне управления
электроприводом (рис. 3):
,
пропорционально-интегральный регулятор ЭДС РЭ астатически поддерживает заданное
значение ЭДС ротора двигателя
, уменьшая заданное значение
намагничивающей
составляющей статорного тока
и напряжение на входе «2»
генератора УГ. Это вызывает уменьшение потокосцепления ротора и обеспечивает
режим работы двигателя при постоянстве ЭДС ротора.
(14)
Регулятор момента РМ, воздействуя
через сумматор С2 на вход «1» управляемого генератора УГ, вносит через систему
управления инвертором СУИ коррекцию в значение фазового угла
обобщенного
вектора
статорного
тока из условия поддержания требуемого значения электромагнитного момента:
. Таким
образом, в данной АСЧР достигается квазивекторное (близкое к векторному)
управление параметрами режима АД (заметим учитывающее в себе внутреннее
возмущение по углу коммутации инвертора).
Исходя из определения принципа
построения АСЧР, названного квазивекторным управлением, отметим его следующие
основные отличительные признаки:
– управление осуществляется воздействием только
на частоту и амплитуду основных гармоник составляющих статорных напряжений
(токов) электродвигателя, не требуя непосредственного вычисления, контроля или
управления их фазовыми углами;
– обеспечиваются нормированные
электромеханические процессы (статорного тока, потокосцепления,
электромагнитного момента, скорости) асинхронного электропривода, приближенные
к векторному управлению.
. Структурная схема САУ частотно-регулируемым
асинхронным электроприводом
Сложность структуры САУ частотно-регулируемым
электроприводом как нелинейным объектом требует использовать моделирование для
исследования переходных процессов. При этом наиболее важным этапом является
построение структурной схемы системы с достаточно точным отображением реальных
процессов. На рис. 5 приведена структурная схема САУ, соответствующая
функциональной схеме рис. 3 с учетом структуры вычислителей В1, …, В5,
представленных формулами (3), (7), (9), (11), (6) и фаззи-контроллером.
Для определения численных значений
параметров звеньев структурной схемы воспользуемся паспортными данными
асинхронного электродвигателя А-114-6 М (табл. 4.1). Данные представлены в
абсолютных и относительных единицах. Как следует из структурной схемы САУ к
внешним воздействиям относится сигнал задания намагничивающей составляющей
обобщенного
вектора статорного тока. Эта величина может быть определена по номинальному
значению потокосцепления и индуктивности намагничивания из формулы (4)
. Выходной
сигнал вычислителя В1 равен
. В вычислителе В5 коэффициент
.
Таблица 1
Паспортные данные асинхронного
электродвигателя А-114-6 М
|
Название
параметра
|
Размерность
в абсолютных единицах
|
Абсолютные
единицы
|
Относительные
единицы
|
|
Номинальная
мощность
|
кВт
|
320
|
-
|
|
Номинальное
(действующее) фазное статорное напряжение
|
В
|
380
|
-
|
|
Номинальный
(действующий) фазный статорный ток
|
А
|
324
|
-
|
|
Номинальная
частота статорного напряжения
|
Гц
|
50
|
-
|
|
Номинальная
частота вращения (скорость) ротора, nн
|
Об/мин
|
985
|
0,985
|
|
Момент
инерции ротора электродвигателя, J
|
кг×м2
|
21,5
|
200
|
|
Номинальное
значение электромагнитного момента, mн
|
102×Нм
|
31,0
|
0,88
|
|
Номинальное
значение потокосцепления ротора, yн
|
Вб
|
1,58
|
0,9224
|
|
Активное
сопротивление статора, RS
|
10-3×Ом
|
20,7
|
0,0176
|
|
Активное
(приведенное) сопротивление ротора, Rr
|
10-3×Ом
|
17,0
|
0,0145
|
|
Индуктивность
рассеяния статора, LS
|
10-3×Гн
|
0,551
|
0,147
|
|
Индуктивность
рассеяния (приведенная) ротора, Lr
|
0,392
|
0,105
|
|
Индуктивность
намагничивания, Lmn
|
10-3×Гн
|
14,5
|
3,881
|
|
Электромагнитная
постоянная времени ротора, Т
|
с
|
0,875
|
-
|
|
Коэффициент
связи ротора, K
|
-
|
0,974
|
0,974
|
5. Определение
параметров звеньев структурной схемы
Определение параметров звеньев выполним по
методике, изложенной в, используя технические данные и параметры
преобразователя частоты ЭКТ-400/660-50: номинальное выходное напряжение, В -
660; номинальный ток, А - 400; мощность, кВА - 450; эквивалентное активное
сопротивление звена постоянного тока Rd, Ом - 0,1; эквивалентная индуктивность
звена постоянного тока Ld, 10-3 Гн - 8; эквивалентная электромагнитная постоянная
времени звена постоянного тока преобразователя Td, с - 0,08; коэфиициент
усиления выпрямителя KВ - 90; некомпенсируемая малая постоянная времени Тm
, с - 0,004.
Передаточная функция регулятора тока
, (15)
где
;
;
- значение основной гармонической
составляющей модуля коммутационной функции мостового инвертора; KТ -
коэфиициент обратной связи по току:
;
;
;
.
Передаточная функция регулятора
скорости
, (16)
где
;
;
- коэффициент обратной связи по
напряжению; K - коэффициент связи ротора;
- номинальное значение потокосцепления
ротора; Т - электромагнитная постоянная времени ротора;
-
приведенный момент инерции ротора и рабочей машины,
=64,5 кгм2.
Заменив обратную связь по ЭДС
эквивалентной связью по угловой скорости ротора двигателя, передаточную функцию
регулятора скорости можно представить формулой
, (17)
где KС - коэффициент обратной связи
по частоте вращения ротора
; Сд - коэффициент
пропорциональности ЭДС двигателя.
;
Коэффициент обратной связи по
скорости
.
Параметры регулятора скорости:
;
.
Параметры вычислителя В5:
;
.
Передаточная функция регулятора
момента
, (18)
где
;
.
Намагничивающая составляющая тока с
учетом коэффициента обратной связи по току
согласно (4.4) определится по
формуле
.
Так как сигнал
на выходе
регулятора скорости вследствие введенного ограничения не может быть больше 10,
то максимальное значение сигнала заданного момента
не может
быть больше чем
а с учетом коэффициента
максимальное
значение заданного момента
.
Поскольку согласно паспортным данным
номинальный электромагнитный момент рассматриваемого электродвигателя
, то нужно
обратную связь по моменту ввести с коэффициентом
, а в передаточную функцию
вычислителя В5 ввести коэффициент
. Тогда коэффициент
.
Ограничения выходного сигнала регулятора момента РМ определим из условия, что
при соблюдении равенства
электромагнитный
момент должен быть равен
, т.е.
ограничение выходного сигнала РМ
. Примем
.
На рис. 4.5 представлена структурная
схема системы управления с идеальной нагрузкой и абсолютно жесткой механической
системой (МС). Для анализа более сложной системы механическая часть
электропривода принята двухмассовой с упругой связью. Эта часть схемы показана
на рис. 4.6, где
- моменты
инерции звеньев, разделенных упругой связью с коэффициентом упругости Су.
Примем
;
; Су = 500.
6. Компьютерное
моделирование системы в имитационно-интерактивной среде MATLAB
Компьютерное моделирование САУ
частотно-регулируемым асинхронным электроприводом с упругой связью,
представленной на рис. 5 и рис. 6, можно выполнить на любом языке
программирования высокого уровня (Basic,
Pascal, Delphi,
C, C++
и др.). Однако наиболее целесообразно исследовать такую систему, заданную
блок-схемами передаточных функций и нелинейных элементов, в приложении SIMULINK,
которое является ядром интерактивного программного комплекса MАTLAB,
предназначенного для математического моделирования линейных и нелинейных
динамических систем и устройств, представленных функциональной блок-схемой.
При помощи данного пакета возможны различные
варианты моделирования: во временной области, в частотном и фазовом диапазоне,
с событийным управлением, на основе спектральных преобразований Фурье, с
использованием метода Монте-Карло, допустимо использование правил нечеткой
логики и искусственных нейронных сетей и т.д.
Для построения функциональной блок-схемы
моделируемой системы SIMULINK
имеет обширную библиотеку блочных компонентов и удобный редактор блок-схем. Он
основан на графическом интерфейсе пользователя и по существу является
техническим средством визуально-имитационного моделирования.
Так как в процессе моделирования системы
необходимо синтезировать фаззи-регулятор, то наиболее целесообразным будет
использование обновленной и расширенной версии системы MATLAB
6.1 с пакетом расширений SIMULINK
4.1.
Для построения новой модели (согласно рис. 5 и
рис. 6) открываем окно создания новой модели (Untitled)
и окно браузера библиотек (Simulink
Library Browser),
показанные на рис. 4.7, из которого переносим, удерживая нажатой левую кнопку
мыши, необходимые блоки и компоненты. Затем соединяем их функциональными
связями и получаем готовую расчетную блок-схему модели асинхронного
частотно-регулируемого электропривода.
Исходя из условия поставленной задачи, для
успешного ее решения необходимо выбрать пятнадцать компонентов и объединить их
в единую систему, предварительно настроив параметры каждого звена.
Выбираем в левом фрейме окна браузера библиотек
папку Simulink
и переносим из библиотеки линейных компонентов (Continuous)
интегрирующий блок (Integrator)
и блок передаточной характеристики (Transfer
Fcn). При раскрытии
(двойной щелчок кнопкой мыши) последнего блока в окне установки параметров
вводим согласно рассчитанным в подразделе 5 коэффициентам векторы полиномов
числителя (Numerator)
и знаменателя (Denominator),
которые после установки параметров отобразятся в эмблеме блока.
Из библиотеки компонентов функций и таблиц (Function
& Tables) выбираем
блок задания математической функции (Fcn)
для описания вычислителя В1. Окно установки параметров блока содержит
единственное поле ввода функциональной зависимости выходного сигнала от
входного (Expression).
Из библиотеки математических компонентов (Math)
переносим в окно создания модели сумматор (Sum),
при установке параметров которого, где необходимо, нужно указать знак «минус».
Так же из данной библиотеки выбираем следующие блоки: блок перемножения (Product),
для которого можно указать количество перемножаемых сигналов; блок вычисления
модуля (Abs); блок
контроля знака (Sign)
и блок масштабированных данных (Gain),
в окне установки параметров которого вводим численное значение коэффициента
усиления.
Из библиотеки нелинейных компонентов (Nonlinear)
выбираем два элемента: блок ограничения (Saturation),
представляющий нелинейное устройство, сигнал на выходе которого равен входному
сигналу, до тех пор, пока не будет достигнут порог ограничения, после этого
сигнал перестает изменяться и остается равным пороговому значению; и
управляемый переключатель (Switch)
- нелинейное устройство с тремя входами, двумя крайними для сигналов данных и
одним (средним) для сигнала управления. Для такого блока, если уровень сигнала
управления превышает значение Threshold,
задающееся в окне настройки параметров, то на выход блока поступает сигнал с
верхнего входа, иначе с нижнего входа.
Из библиотеки подключающихся компонентов (Signals
& System) выбираем
мультиплексор (Mux),
который служит для наложения нескольких входных сигналов.
Из библиотеки виртуальных регистраторов (Sinks)
выбираем виртуальный осциллограф (Scope),
позволяющий представлять результаты моделирования в виде временных диаграмм тех
или иных процессов в форме, напоминающей осциллограммы реального прибора с
масштабируемой сеткой.
Из библиотеки источников сигналов и воздействий
(Sources) выбираем источник
постоянного воздействия (Constant),
который реализует постоянный сигнал на входе системы, и в окне установки параметров
которого установим требуемое значение воздействия. Также из данной библиотеки
возьмем источник времени моделирования (Clock).
Исходя из вышесказанного, составим структурную
схему модели, представленную на рис. 8. Как видно по схеме блок фаззи-регулятора
(Fuzzy Logic
Controller) и блок сигнала
задания, который формирует трапецеидальную диаграмму входного воздействия,
выполнены в виде подсистем (Subsystem)
и представлены соответственно на рис. 9 и рис. 10.
Рис. 8. Структурная расчетная схема в системе MATLAB
Рис. 9. Подсистема построения фаззи-регулятора
Подсистему, реализующую фаззи-регулятор можно
выполнить как непосредственно, используя блоки и средства SIMULINK
(рис. 9), согласно разработанным алгоритмам, так и применив специальный пакет
прикладных программ Fuzzy
Logic Toolbox,
входящий в состав среды имитационного моделирования MATLAB.
Данный пакет позволяет создавать системы нечеткого логического вывода и
нечеткой классификации в рамках среды MATLAB,
с возможностью их интегрирования в SIMULINK.
Базовым понятием Fuzzy Logic Toolbox является
FIS-структура - система нечеткого вывода (Fuzzy Inference System).
FIS-структура содержит все необходимые данные для реализации системы нечеткого
логического вывода.

В верхней части FIS-редактора
изображается диаграмма, представляющая в визуальной форме входы и выходы
системы нечеткого вывода. При синтезе фаззи-контроллера укажем количество
входных и выходных переменных. Также в данном окне выбирем тип нечеткой
системы.
Модуль fuzzy позволяет строить нечеткие системы
двух типов, согласно алгоритмам Мамдани (Mamdani)
и Сугэно (Sugeno). Отличие
между системами Мамдани и Сугэно заключается в разных способах задания значений
выходной переменной в правилах, образующих базу знаний. В системах типа Мамдани
значения выходной переменной задаются нечеткими термами, в системах типа Сугэно
- как линейная комбинация входных переменных.
Для решения задачи выберем в пункте меню File
алгоритм типа Мамдани. В левой нижней части рабочего интерфейса FIS-редактора
имеется 5 всплывающих меню настройки параметров фаззи-системы. В качестве
метода логической конъюнкции (And
method) выберем метод
минимального значения (min).
Для метода логической дизъюнкции (Or
method) установим метод
максимального значения (max).
В качестве метода вывода заключения (Implication
method) выберем также
метод минимального значения (min).
Установим метод максимального значения (max)
для метода агрегирования (Aggregation
method) значений функции
принадлежности каждой из выходных переменных в заключениях нечетких правил. В
завершении установим метод центра тяжести дискретного множества значений
функции принадлежности (centroid)
в качестве способа дефаззификации (Defuzzification
method) выходных
переменных в системе нечеткого вывода типа Мамдани.
Последовательно откроем окна редактора функций
принадлежности (Membership
Function
Editor) для входных (рис.
12, а) и выходных (рис. 12, б) переменных. Этот редактор предназначен для
задания и редактирования функций принадлежности отдельных термов системы
нечеткого вывода в графическом режиме. В левой нижней части окна редактора
укажем диапазон изменения входных и выходных переменных (Range).
В нашем случае это интервал от 0 до 2,5. В правой нижней части окна выберем тип
необходимых функций принадлежности (Type).
В нашем случае это три равнобедренных взаимно перекрывающихся треугольника.
Указываем для каждого соответственно координаты оснований и вершин.
Следующим этапом синтеза фаззи-контроллера
является настройка параметров редактора базы правил (Rule
Editor), который
предназначен для задания, редактирования и модификации отдельных правил системы
нечеткого вывода в графическом режиме (рис. 13).
Чтобы использовать данный редактор для создания
правил, необходимо предварительно определить все входные и выходные переменные.
Задавать правила можно с помощью соответствующих значений термов переменных,
используя логические операторы для всего диапазона регулирования.
Для ввода каждого нового правила в базу знаний
выберем соответствующую комбинацию лингвистических термов входных и выходных
переменных, установим тип логической связки (И или ИЛИ) между переменными
внутри правила, установим наличие или отсутствие логической операции НЕ для
каждой лингвистической переменной, введем значение весового коэффициента
правила. Возможны случаи, когда истинность правила не изменяется при
произвольном значении некоторой входной переменной, т.е. эта переменная не
влияет на результат нечеткого логического вывода в данной области факторного
пространства. Тогда в качестве лингвистического значения этой переменной
установим none.
Следующим этапом является вывод программы
просмотра правил фаззи-систем (Rule
Wiever). Окно такой
программы показано на рис. 14.
Программа просмотра правил не позволяет
редактировать правила и функции принадлежности термов переменных и используется
после разработки системы нечеткого вывода на этапе ее анализа и оценки. Функцию
также целесообразно использовать в том случае, когда необходимо визуально
представить весь процесс нечеткого вывода от начала до конца. При этом имеется
возможность оценить значения выходных переменных фаззи-модели и влияние каждого
из правил на результат нечеткого вывода посредством изменения значений входных
переменных.
Визуализация нечеткого логического вывода
осуществляется с помощью GUI-модуля.
Этот модуль позволяет проиллюстрировать ход логического вывода по каждому
правилу, получение результирующего нечеткого множества и выполнение процедуры
дефаззификации. Каждое правило базы знаний представляется в виде
последовательности горизонтально расположенных прямоугольников. При этом три
прямоугольника в левой части окна (рис. 14) отображают функции принадлежностей
термов посылки правила ЕСЛИ, а группа из трех прямоугольников в правой части
окна соответствует функции принадлежности терма-следствия выходной переменной
(правило ТО). Четвертый прямоугольник в правой части окна графического
интерфейса отображает процесс дефаззификации выходной переменной после
аккумулирования всех заключений правил нечеткого вывода.
На завершающем этапе отобразим окно программы
просмотра поверхности системы нечеткого вывода (рис. 15). Визуализация
поверхности осуществляется также с помощью GUI-модуля
(Surface Viewer). Этот модуль позволяет выводить
графическое изображение зависимости значения выходной переменной от
произвольной входной.
На рис. 15 показан график зависимости координаты
центра тяжести функции принадлежности от входной величины. Как видно из графика
он полностью идентичен аналогичному, построенному с помощью средств SIMULINK,
используя стандартные блоки логических операций (рис. 3.20).
В результате синтеза фаззи-контроллера модель
необходимо сохранить, предварительно присвоив ей имя в виде fis-файла.
Затем это имя нужно ввести в окне настройки параметров блока подсистемы Fuzzy
Logic Controller
(рис. 8) и синтезированная модель будет работать по заложенному алгоритму.
На завершающем этапе создания модели установим
параметры процесса моделирования (Simulation
parameters) из основного меню
Simulation. В появляющемся
диалоговом окне раскроем вкладку решателя (Slover),
которая позволяет установить параметры решающего устройства системы Simulink.
К числу важнейших параметров решателя относится
время моделирования Simulation
time. Этот параметр
задаем начальным значением времени (Start
time), в нашем случае
равным нулю, и конечным временем моделирования (Stop
time), которое для
нашей задачи примем равным 15.
Кроме времени моделирования выберем тип и метод
решения задачи. В качестве типа наилучшим является решение с переменным шагом
моделирования (Variable-step
slovers).
В этом случае шаг автоматически уменьшается,
если скорость изменения результатов в процессе моделирования возрастает. И,
напротив, если результаты меняются слабо, шаг автоматически увеличивается.
Интегрирование дифференциальных уравнений в
системе MATLAB можно
выполнять множеством методов, однако для нашей задачи примем метод ode45
(Dormand-Prince),
обеспечивающий наилучшее быстродействие и допустимую погрешность результатов
вычислений. На рис. 16. показано окно установки параметров процесса
моделирования системы.
После создания и настройки всех коэффициентов и
параметров необходимо запустить процесс моделирования, что выполняется командой
Start из основного меню Simulation
или кнопкой в виде черного треугольника на стандартной панели инструментов.
После окончания процесса моделирования щелкнем
левой кнопкой мыши на значке виртуального осциллографа и воспользовавшись
командой настройки масштаба по оси ОY
(Axes properties)
введем численные значения требуемых масштабов для каждого канала осциллографа.
В окне установки параметров осциллографа (Scope
parameters) укажем три выхода
прибора (рис. 17).
Компьютерное моделирование системы частотного
регулирования асинхронного электропривода проведем для двух случаев: без
фаззи-регулятора и с фаззи-регулятором, подключенным на вход блока регулятора
тока (РТ).
В первом случае имеем такие графики переходных
процессов: рис. 18, а - график сигнала задания; рис. 18, б - график
действительной скорости; 18, в - сигнал ошибки регулирования.
Во втором случае получены аналогичные графики
переходных процессов: рис. 19, а - график сигнала задания; рис. 19, б - график
действительной скорости; 19, в - сигнал ошибки регулирования.
Как видно из рис. 18 и рис. 19 при отсутствии
фаззи-контроллера сигнал ошибки регулирования имеет достаточно ощутимые
колебания, а при настроенном нечетком регуляторе колебания практически
отсутствуют, что свидетельствует о достаточно точной отработке системой
асинхронного частотно-регулируемого электропривода сигнала задания.
СПИСОК ИСПОЛЬЗОВАННЫХ ИСТОЧНИКОВ
1. Методические
указания к курсовому и дипломному проектированию по курсам "Технология
горного производства" и "Подземные горные работы" для студентов
специальностей 21.05.04 и 09.05. Ч 1, Ч. 2 / Сост.: А.А. Пирский, М.Т. Кириченко,
А.И. Крючков. - К.: КПИ, 1990.
2. Методичні
вказівки до лабораторних робіт, практичних занять, курсового та дипломного
проектування по курсах "Механічне обладнання шахт та рудників",
"Транспорт на гірничих підприємствах", "Основи теорії та
розрахунку переміщення вантажів" для студентів напрямку підготовки 0903,
0708, 0922 / Сост.: В.В. Смирнов, М.І. Сергієнко. - К.: КПИ, 1998. - 32 с.
. Гетопанов
В.Н., Рачек В.М. Проектирование и надежность средств комплексной механизации:
Учебник для ВУЗов. - М.: Недра, 1986. - 208 с.
. Килячков
А.П. Технология горного производства. - М.: Недра, 1985. - 395 с.