Параметрические датчики активного сопротивления

  • Вид работы:
    Контрольная работа
  • Предмет:
    Физика
  • Язык:
    Русский
    ,
    Формат файла:
    MS Word
    705,23 Кб
  • Опубликовано:
    2013-11-13
Вы можете узнать стоимость помощи в написании студенческой работы.
Помощь в написании работы, которую точно примут!

Параметрические датчики активного сопротивления

Министерство образования науки РФ

Государственное образовательное учреждение высшего профессионального образования

ПГУ им. Шолом - Алехема

Промышленно - экономический колледж







Контрольная работа

По дисциплине «Автоматика»










г. Биробиджан

г.

1. Параметрические датчики активного сопротивления: тензометрические, реостатные, электроконтактные

Омические датчики. К датчикам с изменяющимся омическим сопротивлением относятся тензометрические датчики, которые применяются. Для измерения упругих деформаций (измерения растяжения или сжатия тел), а также для измерения крутящих и изгибающих моментов, возникающих на поверхности различных механических деталей при их механической нагрузке. Значение измеренной деформации позволяет с помощью известных формул теории упругости и упругих констант (постоянных значений) материала деталей вычислять механические напряжения в них и судить о целесообразности их конструкции. Тензодатчики, используемые в автоматическом контроле, дают возможность следить за деформациями и напряжениями при статических и динамических нагрузках.

Основным элементом проволочного тензодатчика является константановая проволока диаметром 0,015-0,05 мм, сложенная в виде петлеобразной решетки (спирали) между двумя склеенными полосками тонкой бумаги или пленки. Датчик через специальную бумагу 2 приклеивается к детали 3, деформацию которой нужно измерить. При действии деформации, например при растяжении, как показано на рисунке сплошной стрелкой, вместе с деталью будет растягиваться и проволока. При этом ее длина увеличится, а сечение уменьшится. За счет этого сопротивление проволоки R=pljS увеличивается. Это сопротивление является выходной величиной датчика.

Для тензодатчиков, выпускаемых промышленностью, используется константановая или фехралевая проволока. Тензочувствительность таких датчиков может иметь значения от 1,7 до 2,9, сопротивление составляет 50 - 2000 Ом, база - 5 - 30 мм, номинальный рабочий ток ттри наклейке на металлические детали - 30 мА, допустимые относительные деформации - не более 0,3% (при больших проволока оборвется), максимальная рабочая температура составляет 500°С (для датчиков с пленочной основой). Достоинство проволочных тензодатчиков - простота конструкции, практически безынерционность, недостаток - малая чувствительность (при работе сопротивление тензодатчика изменяется не более чем на 0,3%). С целью исключения зависимости тензодатчика от температуры применяют мостовые схемы с двумя тензо-датчиками в смежных плечах моста, из которых один не подвергается деформации, но находится в тех же температурных условиях. Это достигается перпендикулярным расположением обоих датчиков. Тогда температурные изменения сопротивления уравновешиваются и баланс схемы сохраняется (рисунок).

Измерительный или регистрационный прибор обычно включается через усилитель. Погрешность измерений с применением проволочных тензодатчиков находится в пределах 1 + 0,5%.

Разработаны также полупроводниковые тензодатчики, у которых чувствительность в 50-60 раз выше, чем у проволочных. Их недостатки - малая механическая прочность, влияние освещенности, разброс параметров у различных образцов.

Рис. 1 - Принципиальная конструкция потенциометрического датчика: а - прямоугольного; б - кольцевого; в - секторного

Потенциометрические датчики(В технической литературе потенциометрические датчики носят также название «реостатные») применяются . для измерения угловых или линейных перемещений и преобразования этой величины в изменение сопротивления. Конструктивно датчики такого типа представляют собой каркас прямоугольной или кольцевой формы, на который намотана в один ряд тонкая проволока (рисунок). По виткам проволоки 4 скользит щетка 3, называемая движком потенциометра, которая механически связана с объектом, перемещение которого нужно измерить.

От концов намотки и от движка сделаны электрические выводы 1, 2, 3, с помощью которых датчик включают в схему. При перемещении движка потенциометра от вывода 1 к выводу 2 щетка переходит от одного витка намотки на другой. При этом длина проволоки между движком и выводом 1 увеличивается, а между движком и выводом 2 уменьшается. За счет этого сопротивление между выводами 3 и 1 увеличивается от 0 до R, а между выводами 2 и 3 - уменьшается от R до 0, где R - сопротивление проволоки, намотанной на каркас. По изменению этих сопротивлений можно определить перемещение l. Аналогично выполнены потенциометры (рис. 7.3, б, в).

Сопротивление между движком и одним из выводов (например, 5) намотки называют выходным сопротивлением датчика Rвых. При перемещении щетки в пределах одного витка Rвых не изменяется, что обусловливает зоны нечувствительности, а при переходе щетки с одного витка на другой Rвых изменяется скачком. Для уменьшения скачков и зон нечувствительности при намотке используют тонкий провод (диаметром 0,03-0,05 мм).

С целью снижения влияния температуры на Rвых применяют провод с малым температурным коэффициентом сопротивления (нихром, константан, манганин). Наиболее часто применяют линейные потенциометры, у которых сечение каркаса по всей длине одинаково, а намотка равномерная. За счет этого выходное сопротивление датчика Rвых зависит от перемещения l.

2. Распределители, их применение в автоматике, телемеханике

Для коммутации силовых цепей и цепей управления систем автоматики применяют разнообразные электромеханические аппараты, имеющие подвижные контакты для соединения электрических цепей, и бесконтактные аппараты, в которых отсутствуют подвижные устройства, а электрическая цепь создается за счет гальванических связей и электронно-ионной проводимости полупроводниковых и электронных элементов. В производственных цехах наибольшее распространение получили электромеханические аппараты общетехнического применения. Их можно разделить на две основные группы: аппараты ручного (неавтоматического) управления и аппараты автоматического управления.

Аппараты ручного управления приводит в действие оператор, обслуживающий автоматизированные установки. К этой группе относятся кнопки управления и кнопочные станции, рубильники, пакетные и универсальные переключатели и т.д.

Аппараты автоматического управления приходят в действие от электрических сигналов (команд), подаваемых первичными преобразователями и командными аппаратами, на которые первоначально может воздействовать оператор. К их числу относятся шаговые искатели, командоаппараты, контроллеры и пускатели, бесконтактные аппараты и др.

По роду тока аппараты управления подразделяют: по коммутации - аппараты постоянного и переменного тока; по приведению в действие - с катушками на постоянном или переменном токе.

Основной недостаток контактных аппаратов управления - образование в процессе коммутации электрической искры или дуги между контактами. От этого недостатка свободны бесконтактные аппараты, в которых отсутствуют подвижные электрические контакты. Поэтому основной технической характеристикой каждой контактной системы является ее допустимая разрывная мощность.

Кнопки управления представляют собой электрические аппараты с ручным (или ножным) приводом. Кнопки управления бывают с самовозвратом, с защелкой, с сигнализацией и др.

Рис. 2

В схеме кнопки управления типа КУ подвижные контакты 3 кнопки механически связаны со стержнем толкателя 1, при нажатии на который происходит замыкание подвижных контактов 3 с неподвижными 4. При отпускании толкателя он возвращается в исходное положение под воздействием возвратной пружины 2, Кнопочный механизм заключен в корпус 5.

Кнопки управления различных конструкций и назначений подразделяют по числу замыкающих и размыкающих контактов (от 2 до 4) и по виду защиты от воздействия окружающей среды (открытые, защищенные, герметические и взрывобезопасные).

Комплект кнопок, размещенных в общем корпусе, называют, кнопочной станцией. Для удобства обслуживания головки штифтов (кнопок) могут снабжаться надписями «Пуск», «Стоп», «Вперед» и т, п. Их окрашивают в различные цвета (кнопка «Стоп» - как правило, в красный цвет). Рубильники, универсальные и пакетные переключатели относятся к группе аппаратов с ручным приводом и по своей конструкции являются аппаратами открытого типа.

Простейшим видом устройства для замыкания и размыкания электрических цепей является выключатель «рубящего» типа или рубильник. Рубильники подразделяют по номинальному току, по числу полюсов (двух- и трехполюсные), по роду привода (с центральной рукояткой или с боковой рукояткой, с центральным или боковым рычажным приводом). Их применяют для ручной коммутации электрических цепей постоянного и переменного тока с номинальным напряжением до 500 В.

Универсальные переключатели выпускают открытого, защищенного, герметического и взрывобезопасного исполнения и различают по числу секций и по числу коммутационных положений. Они предназначены для ручного переключения цепей управления напряжением до 400 В постоянного и до 500 В переменного тока промышленной частоты с силой тока до 20 А,

Пакетные переключатели (ПП) и включатели (ПВ) состоят из изолированных секций (пакетов), в пазах которых находятся контактные ножи. При определенном положении рукоятки неподвижные контакты могут соединяться между собой подвижными контактными ножами. Собирая пакеты с подвижными контактными шайбами и располагая их различным образом по отношению к неподвижным контактам, можно получать разнообразные схемы. Пакетные переключатели и включатели открытого, защищенного и герметического исполнений предназначены для применения в цепях постоянного тока напряжением до 220 В и переменного тока напряжением до 380 В для ручного переключения цепей с силой тока от 6 до 400 А. Путевые (конечные) выключатели - это аппараты, схожие с кнопкой управления, воздействие на контакты которых производится каким-либо рабочим механизмом при его движении. Их также называют конечными выключателями, если они установлены для контроля и ограничения положения движущегося механизма. Путевые выключатели по конструкции бывают контактными и бесконтактными. Последние отличаются высокой надежностью в работе. Контактные путевые выключатели бывают нажимными, рычажными или вращающимися.

3. Начертите одну из схем электронного реле времени. Объясните принцип действия. Чем определяется время срабатывания реле

Применяемые в схемах автоматики электронные реле можно разделить на три основные группы: электронные реле, представляющие собой сочетание электронного усилителя с электромагнитным реле; электронные реле времени, бесконтактные электронные реле.

Электронные реле времени применяют для ограничения протекания какого - либо производственного процесса и защиты электродвигателя от перегрузок. Электронные реле времени и номинальный ток теплового элемента, если нет особых требований к тепловой защите, выбирают с соблюдением следующих условий: максимальный ток продолжительного режима реле должен быть не менее номинального тока защищаемого двигателя; ток уставки реле должен быть равен номинальному току защищаемого двигателя или несколько больше (в пределах 5%); запас на регулировку тока уставки как в сторону увеличения, так и в сторону уменьшения должен быть наибольший. Для этого на шкале уставки оставляют одно-два свободных деления в обе стороны от положения регулятора, соответствующего выбранному току уставки.

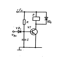
Рис. 3

В реле времени, называемых электронными, время выдержки определяется в основном процессами заряда или разряда конденсатора. Схема простейшего электронного реле времени на транзисторе приведена на рисунке. В исходном состоянии на входе схемы действует положительное напряжение

вх =+Er,

за счет которого диод VD1 находится в открытом состоянии, а транзистор VT закрыт. Пренебрегая обратным током транзистора, можно считать, что ток через обмотку реле, включенного в коллекторную цепь транзистора, не протекает. Конденсатор С заряжен до напряжения Ет.

Если изменить полярность входного напряжения (рисунок), т. е. подать отрицательный сигнал, диод VD1 запирается, так как входное напряжение изменяется скачком на значение 2Ег, а напряжение на конденсаторе скачком измениться не может. При запирании диода VD1 источник входного сигнала отключается от схемы реле и конденсатор начинает разряжаться с постоянной времени выдержки τвыд = RC (считаем внутренние сопротивления закрытых диода и транзистора значительно большими по сравнению с сопротивлением резистора R).

4. Электрические исполнительные устройства. Принципы действия, назначение

Исполнительные устройства предназначены для непосредственного воздействия па объект. Исполнительные устройства, применяемые в системах автоматики, очень разнообразны. По физической природе они делятся на электрические, гидравлические, механические и комбинированные.

Электрические исполнительные механизмы в зависимости от типа принципа действия делят на электромагнитные и электродвигательные.

Рис. 4

Электромагнитные исполнительные механизмы являются наиболее простыми, надежными и быстродействующими из электрических исполнительных механизмов. Их используют для управления различного рода регулирующими и затворными клапанами, вентилями, золотниками и т. п. По виду движения исполнительного (регулирующего) органа (шток, выходной вал) электромагнитные механизмы подразделяют на электромагниты с прямолинейным движением и электромагнитные муфты с вращательным движением.

В зависимости от требований электромагниты могут отличаться друг от друга конструктивно. Однако они имеют общие элементы (рисунок): катушку 2, подвижный сердечник 3, возвратную пружину 1. С помощью подвижного сердечника энергия магнитного поля преобразуется в механическую и через шток 4 передается запирающему элементу. Перемещение сердечника, при котором происходит движение запирающего элемента, называют рабочим ходом δ. По характеру движения сердечника и связанного с ним регулирующего органа электромагнитные механизмы подразделяют на тянущие, толкающие, поворотные, удерживающие и реверсивные.

В тянущих механизмах линейное перемещение сердечника направлено от точки приложения противодействующих сил, а в толкающих - наоборот. В поворотных электромагнитных механизмах при подаче напряжения на обмотку катушки силовой элемент поворачивается на определенный угол. Применение поворотных механизмов ограничивается вследствие малых крутящих моментов и громоздкости конструкции.

Реверсивные электромагнитные механизмы обеспечивают изменение перемещения силового элемента в зависимости от характера электрического сигнала. Реверсивный механизм обычно содержит два электромагнита, сердечники которых механически связаны с запирающим элементом.

По количеству позиций выходного силового элемента (регулирующего органа) различают одно-, двух- и трехпозиционные электромагнитные механизмы. У однопозиционных механизмов при подаче тока на обмотку катушки сердечник занимает одно определенное положение. У двухпозиционных механизмов силовой элемент занимает одно из двух положений в зависимости от того, на обмотку какого электромагнита подается электрический ток. После обесточивания он сохраняет занятое положение. Выходной силовой элемент трехпозиционных электромагнитных механизмов при отсутствии тока в обмотках занимает нейтральное положение.

В зависимости от вида питающего напряжения электромагнитные механизмы могут быть переменного и постоянного тока, а также со сменными катушками переменного и постоянного токов с унифицированным магнитопроводом.

В настоящее время получили широкое распространение электромагнитные приборы серии ЭВ. Приводы ЭВ-1 и ЭВ-2 рассчитаны на длительный режим работы, а привод ЭВ-3 рассчитан на кратковременный режим работы (в течение 1 мин) при усилии 100 Н.

В термических и литейных цехах исполнительные механизмы с электромагнитным приводом используют в регуляторах температуры в топливных печах, давления и расхода сжатого воздуха в формовочных машинах. Электромагнитные муфты являются связующим звеном между приводом и регулирующим органом. Электромагнитные муфты обладают высоким быстродействием, плавным пуском и регулированием скорости, просты в управлении и имеют мощность от нескольких ватт до сотен киловатт. По принципу действия электромагнитные муфты разделяют на фрикционные и порошковые муфты и муфты скольжения. Фрикционная муфта состоит из двух полумуфт: ведущей и ведомой, посаженных на валы. В корпусе ведущей полумуфты имеется обмотка, питаемая электрическим током через кольца и щетки. При подаче постоянного электрического тока на обмотку возникает магнитный поток, который притягивает по шлицам к себе ведомую полумуфту. Последняя, преодолевая усилие пружины, притягивается к ведомой полумуфте. Силы трения между полумуфтами позволяют передать крутящий момент с ведущего вала на ведомый. При выключении тока магнитное поле исчезает, и пружины разъединяют полумуфты друг от друга, прерывая тем самым вращение вала.

Однодисковые муфты не позволяют передавать большие крутящие моменты. Для этого используют многодисковые муфты, имеющие большое число поверхностей трения.

5. Объясните на примерах принципы регулирования по возмущению и по отклонению

. Принцип регулирования по возмущению - система с разомкнутой цепью.

В данном случае система реагирует на отклонение параметра, которое происходит под действием основного возмущающего воздействия. В качестве примера учащиеся могут рассмотреть принцип действия системы регулирования напряжения генератора, где считают, что основным возмущающим воздействием является изменение частоты вращения генератора.

. Принцип регулирования по отклонению - система с замкнутым контуром.

При использовании данного принципа регулирования система одинаково реагирует па отклонение параметра, независимо от того, под действием какого возмущения это отклонение произошло. В качестве примера можно рассмотреть принцип работы системы, предназначенной для автоматического поддержания напряжения генератора постоянного тока на заданном уровне.

Управляемый объект и автоматическое управляющее устройство, взаимодействующие между собой, образуют в совокупности систему автоматического управления.

Система автоматического управления подвергается различным воздействиям - внешним и внутренним. Под внешним воздействием понимается воздействие на автоматическую систему управления внешней среды или устройств, не являющихся частью этой системы. Внутреннее воздействие - это воздействие одной части автоматической системы управления на другую. Развитие техники автоматического регулирования привело к созданию разнообразных регуляторов. Эти регуляторы можно различать по характеру регулируемой величины (регуляторы давления, температуры, уровня, соотношения скоростей, напряжения и т. д.), по роду энергии, используемой в регуляторах (электрические, пневматические, гидравлические, электропневматические, электрогидравлические, пневмогидравлические), и по другим свойствам.

Часто название регуляторов отображает особенности его отдельных узлов. «Программными регуляторами» называют регуляторы, задающие устройства которых вырабатывают определенную программу изменения во времени регулируемой величины. «Бесконтактными регуляторами» называют такие регуляторы, в которых отсутствуют электромеханические реле. Под «импульсными регуляторами» или регуляторами дискретного действия понимают регуляторы, которые обеспечивают изменение регулирующего воздействия в определенные моменты времени (в интервалах времени) между этими моментами регулирующее воздействие постоянно.

С точки зрения автоматического управления и регулирования целесообразно классифицировать регуляторы по тому закону регулирования, который они обеспечивают в системе регулирования. Под законом регулирования μ = f(x) понимается зависимость между отклонением х регулируемой величины от ее заданного значения и положением регулирующего органа μ (регулирующим воздействием).

Пример. Автоматическая система регулирования температуры мазута показана на рис 2. Температура подогретого мазута измеряется медным термометром сопротивления ЧЭ. На усилитель У автоматического управляющего устройства поступают сигналы от термометра сопротивления и задающего устройства 3. В зависимости от отклонения температуры от предписанного значения происходит включение ИМ, управляющего регулирующим паровым клапаном РО в направлении, соответствующем уменьшению отклонения температуры мазута от предписанного (заданного) значения.

В рассмотренном примере регулирования температуры мазута управляющее устройство должно поддерживать управляемую величину объекта (температуру мазута на выходе из подогревателя) на постоянном значении или в достаточно узких допустимых по условиям эксплуатации пределах. Предписанное значение температуры, устанавливаемое задающим устройством, остается постоянным, независимым от нагрузки. Система управления, обеспечивающая поддержание управляемой величины на постоянном значении, называется стабилизирующей автоматической системой управления. Такие системы получили наиболее широкое распространение для управления технологическими процессами на электростанциях.

В ряде случаев возникает необходимость поддерживать управляемую величину в зависимости от какой-либо другой величины, изменяющейся по произвольному закону, например подавать воздух в топку парогенератора пропорционально количеству сжигаемого газа. Такая система называется следящей системой автоматического управления.

Рис. 5 - Схема автоматической системы регулирования температуры мазута

Система автоматического управления, которая должна изменять управляемую величину в соответствии с заранее заданной во времени программой, называется программной системой автоматического управления. Примером может служить программное управление подачей топлива в мартеновскую печь по ходу плавки. В этом случае задание управляющему устройству должно меняться во времени по заданному закону.

6. Устойчивость АСР. Показатели качества процесса регулирования

Автоматическое регулирование - это автоматическое обеспечение заданных значений параметров, определяющих требуемое протекание управляемого процесса в соответствии с установленной программой. Автоматическое регулирование можно рассматривать как составную часть автоматического управления.

Параметры управляемого процесса, подлежащие заданным изменениям или стабилизации, называют регулируемыми параметрами.

Устройство, аппарат или изделие, у которых регулируются один или несколько параметров, называют объектом автоматического регулирования.

Устройство, обеспечивающее автоматическое поддержание заданного значения регулируемого параметра в управляемом объекте или его изменения по определенному закону, называют регулятором.

Совокупность объекта регулирования и автоматического регулятора называют системой автоматического регулирования (САР).

В системе автоматического регулирования различают прямую и обратную связь. Прямая связь - это воздействие каждого предыдущего элемента регулятора на последующий. Обратная связь - воздействие одного из последующих элементов регулятора на предыдущий. Обратная связь бывает положительной, когда направление ее воздействия совпадает с направлением воздействия предыдущего элемента на последующий, и отрицательной в противоположном случае.

Рис. 6

Что делает регулирование устойчивым?

Отдельные элементы системы автоматического регулирования, будучи объединены, образуют замкнутый контур, показанный в упрощенном виде на рисунке. Это и есть замкнутая система регулирования.

Рис. 7 - Упрощенная схема системы автоматического регулирования

Базой, относительно которой измеряется отклонение, служит заданное значение параметра; отклонение в свою очередь является входным сигналом для регулятора. В какой бы точке сигнал не поступал в систему, он не только проходит 1 раз вдоль замкнутого контура, но и непрерывно циркулирует в нем. Эта циркуляция сигнала является важной особенностью замкнутой системы. Характер изменения во времени циркулирующего сигнала определяет, будет ли регулирование объекта устойчивым или неустойчивым.

7. Назначение, принципы построения систем телемеханики. Объясните принцип действия систем передачи информации

Развитие производства и его автоматизации выявили необходимость передачи на расстояние сигналов, связанных с функциями контроля и управления, и термин «телемеханика» был присвоен технике передачи именно этих сигналов. Так как практически передача таких сигналов на расстояние производится только средствами электротехники, то конкретно телемеханика - это область электротехники, охватывающая методы и технические средства для передачи на расстояние сигналов контроля и управления. Телемеханика неразрывно связана с автоматикой и является ее продолжением на более высокой ступени развития.

С развитием радиорелейных линий связи исключительно важное значение приобретают системы радиотелеуправления и радиотелеконтроля. Такие системы обеспечивают возможность передачи на очень большие расстояния и за очень малые отрезки времени большого количества команд и информации. Наибольшее развитие и широкое применение получили радиотелеуправление и радиотелеконтроль в космической технике. Спутники-автоматы, выполняют ряд измерений физических параметров по командам с земли с полным контролем получаемых результатов. На обитаемых космических станциях и на кораблях наряду с ручным местным управлением существует телеуправление и телеконтроль с Земли, обеспечивающие тем самым безопасность космонавтов.

Применение для автоматизации и централизации контроля и управления методов и средств телемеханики, а также малогабаритной аппаратуры в значительной мере повышает надежность работы оборудования. Весьма эффективно применение телемеханики в коммунальном хозяйстве. Водопровод, канализация, газификация, теплоснабжение, городской транспорт, наружное освещение - все эти объекты городов, оборудованные телемеханическими устройствами, дают большую экономию и повышают оперативность в работе.

Основные понятия и определения телемеханики установились процессе развития отрасли и четко отражают принципиальные конструктивные решения. К основным понятиям телемеханики относятся: телемеханическая система, телеуправление, телеконтроль, канал связи.

Телемеханической системой называется система, обеспечивающая управление на расстоянии и контроль состояния подвижны и неподвижных объектов. Телемеханическая система состоит и двух основных частей: системы телеуправления и системы телеконтроля.

Канал связи образуется устройством, передающим информацию (энергию), устройством, воспринимающим эту информацию, и физической средой, через которую происходит передача данного вида энергии (информации). Передача информации означает, что изменение напряжения (тока) на выходе канала воспроизводит в том или ином масштабе изменение напряжения (тока).

Рис. 8 - Примеры передачи различных сигналов по каналам связи с некоторыми допустимыми искажениями на входе канала

распределитель автоматика телемеханика реле

В зависимости от вида энергии, передаваемо на расстояние, и диапазона частот используемых колебаний различают электрические, оптические и акустические каналы связи. По своей конструкции каналы связи подразделяются на проводной и радиоканал.

Проводной канал связи образуется двумя проводами или системой провод - земля. Во втором случае земля выполняет роль второго провода. В простейшем виде при передаче по проводам импульсов постоянного тока передающее устройство может состоять из источника тока и реле. Реле в зависимости от наличия или отсутствия напряжения на его обмотке будет включать или отключать источник тока от канала связи. При этом приемное устройство может состоять из приемного реле и источника тока. При срабатывании реле на выходе приемного устройства образуется импульс напряжения, при отключении реле импульс исчезает. По проводному каналу передаются также сигналы переменного напряжения, при этом передающее устройство содержит элементы, обеспечивающие формирование и передачу таких сигналов (генератор, усилитель и другие элементы). Ток, протекающий в проводном канале связи, может непосредственно изменяться в соответствии с передаваемой информацией.

Радиоканал связи образуется путем использования радиопередающего устройства, работающего на определенной несущей частоте, и радиоприемного устройства, настроенного на ту же несущую частоту. В радиоканале связи для передачи информации используется модуляция одного из параметров несущей частоты - амплитуды, частоты, фазы - или не скольких параметров одно временно, если это требуете? для закона передачи информации.

Модуляция - это преобразование электрических сигналов, несущих определенную информацию в изменение параметров колебательного процесса высокой частоты. Модуляция колебаний осуществляется в передающем устройстве. В результате модуляции образуются колебания различных высоких частот, занимающих сравнительно узкую (относительно несущей частоты) полосу частот.

В приемном устройстве высокочастотные колебания демодулируются, в результате чего на его выходе образуется сигнал, вое производящий передаваемую информацию и отличающийся обычно от модулируемого сигнала лишь масштабом и наличием некоторых искажений.

Пропускная способность канала связи определяется объеме! информации, передаваемой в единицу времени, и зависит от полосы пропускаемых им частот и соотношения мощностей сигнал и помехи на входе приемного устройства. Отношение мощности сигнала и помех на входе приемного устройства характеризует возможную степень искажения отдельных сигналов помехами i следовательно, возможность безошибочного разделения различны сигналов. С увеличением отношения мощностей сигнала и помехи на входе приемного устройства степень искажения сигналов помехами уменьшается, что позволяет увеличить объем передаваемо информации в единицу времени по данному каналу связи.

Таким образом, увеличение пропускной способности канал связи может быть достигнуто лишь путем увеличения полосы пропускаемых им частот и выходной мощности передающего устройства.

Похожие работы на - Параметрические датчики активного сопротивления

 

Не нашли материал для своей работы?
Поможем написать уникальную работу
Без плагиата!
Без нейросетей!