Мультивибраторы на транзисторах

  • Вид работы:
    Лекция
  • Предмет:
    Физика
  • Язык:
    Русский
    ,
    Формат файла:
    MS Word
    319,44 Кб
  • Опубликовано:
    2013-07-23
Вы можете узнать стоимость помощи в написании студенческой работы.
Помощь в написании работы, которую точно примут!

Мультивибраторы на транзисторах

МУЛЬТИВИБРАТОРЫ НА ТРАНЗИСТОРАХ

Мультивибратор (от латинского много колеблю) - нелинейное устройство, преобразующее постоянное напряжение питания в энергию импульсов почти прямоугольной формы. В основе мультивибратора лежит усилитель с положительной обратной связью.

Различают мультивибраторы автоколебательные и ждущие. Рассмотрим первый тип.

На рис. 1 приведена обобщенная схема усилителя с обратными связями.

Рис. 1

Схема содержит усилитель с комплексным коэффициентом усиления к=Ке-ijк, цепь ООС с коэффициентом передачи m, и цепь ПОС с комплексным коэффициентом передачи В=bе-ijb. Из теории генераторов известно, что для возникновения колебаний на какой-либо частоте необходимо что бы на ней выполнялось условие Вк>1. Импульсный периодический сигнал содержит совокупность частот, образующих линейчатый спектр (см.1-ю лекцию). Т.о. для генерации импульсов необходимо выполнения условия Вк>1не на одной частоте, а в широкой полосе частот. Причем, чем более короткий импульс и с более короткими фронтами сигнал требуется получить, для более широкой полосы частот требуется выполнения условия Вк>1. Приведенное условие распадается на два:

условие баланса амплитуд - модуль общего коэффициента передачи генератора должен превышать 1 в широком диапазоне частот - Кb>1;

условие баланса фаз - суммарный сдвиг фаз колебаний в замкнутом контуре генератора в том же диапазоне частот должен быть кратен 2p - jк +jb =2pn.

Качественно процесс скачкообразного роста напряжения происходит следующим образом. Пусть в некоторый момент времени в результате флюктуаций напряжение на входе генератора возросло на малую величину Du. В результате выполнения обоих условий генерации на выходе устройства появится приращение напряжения: Duвых=ВкDuвх >Duвх, которое передается на вход в фазе с исходным Duвх. Соответственно это увеличение приведет к дальнейшему возрастанию выходного напряжения. Происходит лавинообразный процесс роста напряжения в широком диапазоне частот.

Задача построения практической схемы генератора импульсов сводится к подаче на вход широкополосного усилителя части выходного сигнала с разностью фаз Dj=2p. Поскольку один резистивный усилитель сдвигает фазу входного напряжения на 1800, то применяя два последовательно соединенных усилителя, можно удовлетворить условию баланса фаз. Условие баланса амплитуд будет выглядеть в этом случае следующим образом:

Кb=К1К2,

Одна из возможных схем, реализующий указанный метод, приведена на рис.2. Это схема автоколебательного мультивибратора с коллекторно-базовыми связями. В схеме используются два усилительных каскада. Выход одного усилителя связан со входом второго конденсатором С1, а выход последнего связан со входом первого - конденсатором С2.

Рис. 2

Рис. 3

Качественно работу мультивибратора рассмотрим с использованием временных диаграмм напряжений (эпюр), приведенных на рис. 3.

Пусть в момент времени t=t1 происходит переключение мультивибратора. Транзистор VT1 попадает в режим насыщения, а VT2 - в режим отсечки. С этого момента начинаются процессы перезарядки конденсаторов С1 и С2. До момента t1 конденсатор С2 был полностью разряжен, а С1 заряжен до напряжения питания Еп (полярность заряженных конденсаторов указана на рис.2). После отпирания VT1 начинается его зарядка от источника Еп через резистор Rк2 и базу отпертого транзистора VT1. Конденсатор заряжается практически до напряжения питания Еп с постоянной заряда

tзар2 = С2Rк2

-t1= С2Rк2ln10»2,3С2Rк2

Одновременно зарядке С2 (начиная с момента t1) происходит перезарядка конденсатора С1. Его отрицательное напряжение, приложенное к базе VT2, поддерживает запертое состояние этого транзистора. Конденсатор С1 перезаряжается по цепи: Еп, резистор Rб2, С1, Э-К открытого транзистора VT1. корпус с постоянной времени

tразр1 = С1Rб2

Так как Rб >>Rк , то и tзар<<tразр. Следовательно, С2 успевает зарядиться до Еп пока VT2 еще закрыт. Процесс перезарядки С1 заканчивается в момент времени t5, когда UC1=0 и начинает открываться VT2 (для простоты считаем, что VT2 открывается при Uбє=0). Можно показать, что длительность перезаряда С1 равна:

-t1 = 0,7C1Rб2

В момент времени t3 появляется коллекторный ток VT2, падает напряжение Uкэ2, что приводит к призакрыванию VT1 и, соответственно, к росту Uкэ1. Это приращение напряжение через С1 передается в базу VT2, что влечет дополнительное открытие VT2. Транзисторы переходят в активный режим, возникает лавинообразный процесс, в результате которого мультивибратор переходит в другое квазистационарное состояние: VT1 закрыт, VT2 - открыт. Длительность опрокидывания мультивибратора намного меньше всех других переходных процессов и ее можно считать равным нулю.

С момента t3 процессы в мультивибраторе пойдут аналогично описанному, следует лишь поменять местами индексы у элементов схемы.

Таким образом, длительность фронта импульса определяется процессами заряда конденсатора связи и численно равна:

tф = 2,3CRк

Длительность нахождения мультивибратора в квазиустойчивом состоянии (длительность импульса и паузы) определяется процессом разряда конденсатора связи через базовый резистор и численно равна:

tи = 0,7CRб

При симметричной схеме мультивибратора (Rк1 =Rк2 =Rк , Rб1 =Rб2 =Rб, С1=С2=С) длительность импульса равна длительности паузы, и период следования импульсов равен:

Т = tи + tп =1,4CRб

Сравнивая длительности импульса и фронта необходимо учесть, что Rб/Rк=h21э/s (h21э для современных транзисторов »100, а s»2). Следовательно, длительность фронта всегда меньше длительности импульса.

Частота выходного напряжения симметричного мультивибратора не зависит от напряжения питания и определяется только параметрами схемы:

» 0,715/ CRб

Для изменения длительности импульсов и периода их следования нужно варьировать величины Rб и С. Но возможности здесь невелики: пределы изменения Rб ограничены сбольшей стороны необходимостью сохранения открытого транзистора, с меньшей стороны - неглубокого насыщения. Изменять плавно величину С затруднительно даже в малых пределах.

Чтобы найти выход из затруднения обратимся к периоду времени t3-t1 на рис. 2. Из рисунка видно, что указанный интервал времени, а, следовательно, и длительность импульса можно регулировать изменяя наклон прямой разряда конденсатора. Этого можно добиться, подключая базовые резисторы не к источнику питания, а к дополнительному источнику напряжения Есм (см. рис. 4). Тогда конденсатор стремится перезарядиться не к Еп, а к Есм и крутизна экспоненты будет изменяться с изменением Есм.

Рис. 4


Рис. 5

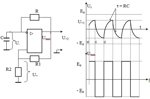
В мультивибраторах в качестве активного элемента можно использовать операционный усилитель. Автоколебательный мультивибратор на ОУ изображен на рис. 6.

Рис. 6

ОУ охвачен двумя цепями ОС: положительной

К=R2/(R1+R2)

и отрицательной

b = Хс/(Хс+R) = 1/(1+wRC).

Пусть генератор был включен в момент t0. На инвертирующем входе напряжение равно нулю, на неинвертирующем - равновероятно положительное или отрицательное. Для определенности возьмем положительное. За счет ПОС на выходе установится максимально возможное напряжение - Uвых m. Время установления этого выходного напряжения определяется частотными свойствами ОУ и можно положить его равным нулю. Начиная с момента t0 конденсатор С будет заряжаться с постоянной времени t=RC. До момента времени t1 Uд = U+ - U- >0, и на выходе ОУ удерживается положительное Uвыхm. При t=t1 , когда Uд = U+ - U- = 0 выходное напряжение усилителя изменит свою полярность на - Uвых m. После момента t1 емкость С перезаряжается, стремясь к уровню - Uвых m. До момента t2 Uд = U+ - U- < 0, что обеспечивает квазиравновесное состояние системы, но уже с отрицательным выходным напряжением. Т.о. изменение знака Uвых происходит в моменты уравнивания входных напряжений на двух входах ОУ. Длительность квазиравновесного состояния системы определяется постоянной времени t=RC, и период следования импульсов будет равен:

Т=2RCln(1+2R2/R1).

Мультивибратор, приведенный на рис.6 называется симметричным, т.к. времена положительного и отрицательного выходных напряжений равны.

Для получения несимметричного мультивибратора следует резистор в ООС заменить на схему, как показано на рис. 7. Разная длительность положительного и отрицательного импульсов обеспечена разными постоянными времени перезаряда емкостей:

t+ = R’C, t- = R”C.

Рис. 7

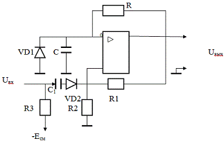
Мультивибратор на ОУ легко превратить в одновибратор или ждущий мультивибратор. Во-первых, в цепи ООС параллельно С подсоединим диод VD1, как показано на рис.8. Благодаря диоду схема имеет одно устойчивое состояние, когда напряжение на выходе отрицательно. Действительно, т.к. Uвых = - Uвых m, то диод открыт и напряжение на инвертирующем входе примерно равно нулю. В то время как напряжение на неинвертирующем входе равно

U+ =- Uвых m R2/(R1+R2)

D= U+ - U- <0

и сохраняется устойчивое состояние схемы. Для генерации одного импульса в схему следует добавить цепь запуска, состоящую из диодаVD2, С1 и R3. Диод VD2 поддерживается в закрытом состоянии и может открыться только положительным входным импульсом, пришедшим на вход в момент времени t0. С открытием диода меняется знак D и схема переходит в состояние с положительным напряжением на выходе. Uвых = Uвых m. После этого конденсатор С1 начинает заряжаться с постоянной времени t=RC. В момент времени t1 напряжения на входя сравниваются. U- = U+ = Uвых m R2/(R1+R2) и D=0. В следующий момент дифференциальный сигнал D становится отрицательным и схема возвращается в устойчивое состояние. Эпюры приведены на рис. 9.


Рис. 8

Рис. 9

Пример. Рассчитать автоколебательный мультивибратор со следующим параметрами: Uампвых = 12 В; Rн=2,4кW; T = 10-3 c; tи = 3*10-4 с.

Схема рассматриваемого мультивибратора аналогична рассмотренной ранее.

. Выбираем напряжение питания из ряда 6,9,12,15,18,25 по формуле

Еп= Uампвых +(1…3В) = 12+3=15В

. Выбираем тип транзисторов из следующих условий:

кэ> Еп =15В; fв > 10/ tи = 33кГц.

Перечисленным условиям удовлетворяет npn-транзистор КТ3102А.

b = 200; Uп = 20 В; Ik max = 100 mA

. Rк должен быть много меньше сопротивления нагрузки мультивибратора, но не выходить за пределы 200-3000W. Определим Rк = 0,1*Rн =2400/10=240W. Проверяем не превышает ли ток через транзистор его Ik max. Ik =15/ 240 = 63 mA<100mA, а мощность Рк = 63*15=95< Ркmax = 100mВт. В противном случае следует несколько увеличить Rк или взять более мощный транзистор.

. Сопротивление Rб найдем из условия обеспечения коэффициента насыщения q=2

б = Rк*b/q = 240*200/2 = 24кW

. Емкости конденсаторов С1 и С2 определим из условия получения задан- ных длительностей импульса и паузы выходного напряжения.

С1 = tи/0,7Rб = 3*10-4 /0,7*36000 = 1,2*10-8Ф =0,12мкФ= (T-tи)/0,7Rб = 7*10-4 /0,7*36000 = 2,8*10-8Ф, выбираем 0,33мкФ.

. Длительности фронтов выходных импульсов равны:

tф1 = 2,3RkC1 = 2,3,*240*1,2*10-8 =6,6*10-6 c;ф2= 2,3RkC2 = 2,3,*330*1,2*10-8 =90*10-6 c;

. Большая длительность фронта импульса должна быть меньше длительности импульса или длительности паузы (фронт короче импульса). Проверим: tф2 = 0,9*10-4 c < tи = 3*10-4 с.

Рис. 10 - Ждущий мультивибратор

Рис. 11 - Вход прямоугольного импульса

импульс мультивибратор питание источник

Рис. 12 - Мультивибратор с регулировкой частоты дополнительным источником питания


Не нашли материал для своей работы?
Поможем написать уникальную работу
Без плагиата!
Без нейросетей!