Полупроводниковый прибор КД409А

  • Вид работы:
    Контрольная работа
  • Предмет:
    Информатика, ВТ, телекоммуникации
  • Язык:
    Русский
    ,
    Формат файла:
    MS Word
    440,14 Кб
  • Опубликовано:
    2015-07-20
Вы можете узнать стоимость помощи в написании студенческой работы.
Помощь в написании работы, которую точно примут!

Полупроводниковый прибор КД409А

Содержание

 

1. Найдите и запишите предельные эксплуатационные параметры полупроводникового прибора КД409А

2. Найдите напряжение пробоя транзистора: ГТ405Б

3. Провести электрический расчет схемы автоколебательного симметричного мультивибратора

4. Полупроводниковые диоды: выпрямительные, стабилитроны, туннельные, фотодиоды, светодиоды, варикапы. Конструкция, основные характеристики и параметры, условные обозначения

Список используемой литературы

1. Найдите и запишите предельные эксплуатационные параметры полупроводникового прибора КД409А

Полупроводниковый прибор КД409А является импульсным диодом кремниевым эпитаксиальным. Выпускаются в пластмассовом корпусе с гибкими выводами (рисунок 1).

Рисунок 1 - Конструкция диода КД409А

Импульсным полупроводниковым диодом называется полупроводниковый диод, имеющий малую длительность переходных процессов, предназначенный для применения в импульсных режимах работы.

Предельные эксплуатационные параметры диода КД409А:

.        Постоянное или импульсное обратное напряжение 24В.

2.      Постоянный или средний прямой ток при температуре:

от 213 до 308 К 50 мА,

при 373 К 25 мА.

.        Импульсный прямой ток при τи ≤ 10 мкс и скважности,

большей или равной 10, при температуре:

от 213 до 308 К 500 мА

при 373 К 250 мА

.        Температура окружающей среды: от 213 до 373К.

2. Найдите напряжение пробоя транзистора: ГТ405Б


Транзистор ГТ405Б является германиевым сплавным p-n-p усилительным низкочастотным маломощным транзистором. Этот транзистор предназначен для работы в схемах выходных каскадов усилителей низкой частоты.

Предельные эксплуатационные данные:

Постоянное напряжение коллектор-эмиттер при RЭБ≤ 200 Ом при

ТК = 233÷328 К - 25 В

Постоянный ток коллектора при

ТК = 233÷328 К - 0,5 А

Постоянная рассеиваемая мощность транзистора при

ТК = 233÷298 К - 0,6 Вт

Температура перехода - 358 К

Тепловое сопротивление переход-среда 0,1 К/мВт

Температура корпуса - от 233 до 328 К

Напряжение пробоя перехода база-эмиттер UБЭ0. проб. повреждает эмиттерный переход в области запирания. Почти у всех транзисторов UБЭ0. проб. ≈ 5.7 В, при этом UБЭ0. проб. является минимальным предельным напряжением.

Транзисторы редко используются при отрицательном напряжении перехода база-эмиттер, и потому названный параметр имеет второстепенное значение.

полупроводниковый прибор диод напряжение

Напряжение лавинного пробоя перехода база-коллектор UБК0. проб повреждает коллекторный переход в области запирания. Поскольку в активном режиме коллекторный переход закрыт, UБК0. проб определяет важное для практики максимальное напряжение между коллектором и базой. У низковольтных транзисторов UБК0. проб ≈ 20.80 В.

Максимально допустимое напряжение на участке коллектор-эмиттер особенно важно для практической работы. При определенном напряжении между коллектором и эмиттером возникает пробой, вследствие чего ток коллектора резко возрастает и, как правило, транзистор разрушается.

Для транзистора ГТ405Б - UКЭ0проб = 25 В.

        

3. Провести электрический расчет схемы автоколебательного симметричного мультивибратора


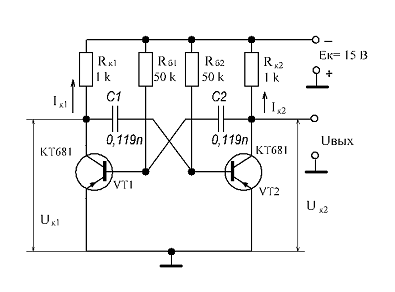
         Исходные данные: тип транзисторов VT1 и VT2 - КТ681

Необходимо рассчитать: EK max, fmax, Um, RК, RБ (при β=100), T, tИ; С1, С2

         Результатом работы являются:

1. Расчеты;

2. Схема мультивибратора;

3. Временная диаграмма работы схемы Uвых (t), содержащая не менее двух периодов с рассчитанными характеристиками.

         Решение:

Мультивибраторы относятся к классу узлов импульсной техники, предназначенных для генерирования периодической последовательности импульсов напряжения прямоугольной формы с требуемыми параметрами (амплитудой, длительностью, частотой следования и др.).

Мультивибраторы работают в режиме самовозбуждения: для формирования импульсного сигнала в мультивибраторах не требуется внешнее воздействие, например подача входных сигналов. Процесс получения импульсного напряжения основывается на преобразовании энергии источника постоянного тока.

Мультивибратор в подавляющем большинстве случаев выполняет функцию задающего (ведущего) генератора, формирующего запускающие входные импульсы для последующих узлов и блоков в системе импульсного или цифрового действия.

Согласно заданию схема построена на кремниевых p-n - p универсальных высокочастотных транзисторах типа КТ681.

Параметры транзисторов КТ681, взятые из справочника по транзисторам:

Максимально допустимое напряжение коллектор-база UКБдоп = 30 В.;

Частота транзистора fβ = 120 МГц;

Максимально допустимый ток коллектора IК доп = 0,6 А;

Обратный ток коллектора IK0 max = 10 мкА.

Найдем максимально допустимое напряжение питания ЕК

ЕК=UКБ доп/2 = 30/2 = 15 В

Найдем максимальную частоту колебаний мультивибратора fmax

fmax = fβ/0,7 = 120/0,7 = 171 МГц

Найдем амплитуду импульсов Um для максимально допустимого напряжения питания

UmК/1,2 = 15/1,2 = 12,5 В.

Найдем сопротивление коллекторного резистора RК:

RК min = ЕК/IК доп = 15/0,6 = 25 Ом;

RК max= (0,05…0,1) ∙ ЕК/IK0 max = 0,05∙15/ (10∙10-6) = 75000 Ом = 75 кОм.

Выберем значение сопротивления RК из промежутка [RК min; RК max]. Т.к. желательно небольшое значение сопротивления RК, выбираем: RК= 1000 Ом = 1 кОм.

Найдем сопротивление базового резистора RБ (β=100):

RБ=100∙RК/2 = 100∙1000/2 = 50000 Ом = 50 кОм.

Найдем период колебаний мультивибратора T:

T=1/f = 1/120∙106 = 8,33∙10-9 с = 8,33 нс

Найдем минимальную длительность импульсов tИ:

t и = T/2 = 8,33/2 = 4,17 нс.

Найдем емкость конденсаторов для этой минимальной длительности. Из формулы для периода Т=1,4∙RБC найдем емкости конденсаторов C1 и C2:

C12= tи/ (0,7∙RБ) = 4,17∙10-9/ (0,7∙50000) = 0,119∙10-12 = 0,119 пФ


RК1= RК2= RК = 1 кОм;

RБ1= RБ2= RБ = 50 кОм.

Схема мультивибратора с указанными номиналами элементов и типами транзисторов приведена на рисунке 2.

Рисунок 2 - Схема симметричного мультивибратора

Временная диаграмма работы схемы Uвых (t) с рассчитанными характеристиками приведена на рисунке 3.

Рисунок 3 - Временная диаграмма работы схемы

        

4. Полупроводниковые диоды: выпрямительные, стабилитроны, туннельные, фотодиоды, светодиоды, варикапы. Конструкция, основные характеристики и параметры, условные обозначения


Полупроводниковым диодом называется прибор с двумя выводами и одним p-n переходом. Принцип работы полупроводникового диода основан на использовании односторонней проводимости, электрического пробоя и других свойств p-n перехода.

Полупроводниковые диоды подразделяют на группы по многим признакам. Бывают диоды из различных полупроводниковых материалов, предназначенные для низких или высоких частот, для выполнения различных функций и отличающиеся друг от друга по конструкции.

Условные графические обозначения различных диодов представлены на рисунке 4.

Рисунок 4 - Классификация и условные графические обозначения диодов

По конструктивно-технологическому принципу диоды разделяют на точечные и плоскостные. Точечные диоды рассчитаны на токи до нескольких миллиампер, а плоскостные - до нескольких ампер. Конструктивно диоды выполняются в металлостеклянных, стеклянных и пластмассовых корпусах (рисунок 5), а также в бескорпусном виде с защитным покрытием.

а - условное обозначение выпрямительного диода; б конструкция полупроводниковых диодов.

Рисунок 5 - Выпрямительные диоды

Выпрямительные диоды применяются для преобразования переменного тока в постоянный. Они делятся на: маломощные (до 0,3А), средней мощности (до 10А), мощные (более 1000А), низкочастотные (до 1кГц) и высокочастотные (до100кГц).

Основной характеристикой диода является вольт-амперная характеристика (ВАХ) (рисунок 6). ВАХ любого прибора представляет собой зависимость между током, протекающим через прибор и приложенным напряжением.

Основные параметры диодов, указываемые в справочной литературе:

Iвыпр. ср. макс - максимальное значение среднего выпрямленного диодом тока.

Iобр - обратный ток через диод.

Iобр. ср - средний обратный ток через диод.

Iпр - прямой ток через диод.

Iпр. макс - максимальный прямой ток.

Iпр. и. макс - импульсный максимальный прямой ток.

Iпр. ср - средний прямой ток через диод.

Iпр. ср. макс - максимальное значение среднего прямого тока через диод.

Uобр. макс - максимальное постоянное обратное напряжение.

Uобр. и. макс - максимальное импульсное обратное напряжение, приложенное к диоду.

Uпр - падение напряжения на диоде при его прямом включении.

Uпр. ср - среднее падение напряжения на диоде при его прямом включении.

fмакс - максимальная частота, на которой ещё сохраняется свойство односторонней проводимости диода.

Рисунок 6 - Вольт-амперная характеристика выпрямительного диода

Стабилитроном называется полупроводниковый диод, напряжение на котором в области электрического пробоя при обратном смещении слабо зависит от тока в заданном его диапазоне и который предназначен для стабилизации напряжения.

В зависимости от площади p-n-перехода и конструктивного оформления стабилитроны могут иметь максимально допустимые мощности от десятых долей до 50 Вт.

Типичная ВАХ стабилитрона приведена на рисунке 7.

Прямой ток (кривая 1) в зависимости от напряжения изменяется, как у любого диода, по экспоненциальному закону. Ветвь обратного тока характеризует рабочий режим стабилитрона. Рабочим участком стабилизации является диапазон изменения обратного тока от Imin до Imах в области электрического пробоя. Изменение тока происходит при напряжении Uст, мало зависящем от тока пробоя.

Рисунок 7 - Вольт-амперная характеристика стабилитрона

Стабилитроны - разновидность диодов, предназначенных для стабилизации напряжения. Для получения более высоких стабильных напряжений применяется последовательное соединение стабилитронов, рассчитанных на одинаковые токи.

Иногда стабилитрон называют опорным диодом, так как полученное от него стабильное напряжение в ряде случаев используется как эталонное.

Стабилитроны характеризуются следующими основными параметрами:

. Напряжение стабилизации - значение напряжения на стабилитроне при протекании заданного тока стабилизации.

2. Максимальный и минимальный токи стабилизации

. Дифференциальное сопротивление

4. Статическое сопротивление или сопротивление стабилитрона на постоянном токе в рабочей точке

5. Температурный коэффициент напряжения.

Туннельный диод представляет собой полупроводниковый диод на основе вырожденного полупроводника, в котором туннельный эффект приводит к появлению на вольт-амперной характеристике при прямом направлении участка отрицательной дифференциальной проводимости.

Туннельный диод представляет собой полупроводниковый прибор с p-n-переходом, образованным материалами с высокой концентрацией атомов примесей. Электропроводность таких полупроводников приближена к электропроводности металла.

Туннельные диоды изготавливаются из германия и арсенида галлия. Эти диоды обладают так называемой N-образной ВАХ (рисунок 8).

Рисунок 8 - Вольт-амперная характеристика туннельного диода

Туннельный диод нельзя использовать для выпрямления переменного тока, так как он обладает высокой проводимостью при обратном включении. Его применяют для создания и усиления электрических колебаний.

Варикапы - это полупроводниковые диоды, действие которых основано на использовании зависимости ёмкости p-n перехода от обратного напряжения. Варикап (рисунок 9) предназначен для применения в качестве элемента с электрически управляемой ёмкостью.

а - эквивалентная схема; б - зависимость добротности варикапа

от частоты; в - условное графическое обозначение варикапа

Рисунок 9 - Характеристики варикапов

Варикапы включают в обратном направлении, т.к. при прямом смещении ёмкость p-n перехода шунтируется его малым сопротивлением.

Фотодиодами называют полупроводниковые диоды, в которых осуществляется управление величиной обратного тока с помощью света. Фотодиод устроен так, что в нем обеспечивается доступ света к p-n-переходу

На рисунке 10 приведены его вольт-амперные характеристики фотодиода для фотодиодного режима.

Рисунок 10 - Вольт-амперные характеристики фотодиода

Фотодиоды могут работать в одном из двух режимов: фотодиодном или фотогальваническом. В фотодиодном режиме на диод подают обратное напряжение. В этом режиме ток и напряжение определяются по пересечению нагрузочной линий с одной из вольт-амперных характеристик. При изменении светового потока изменяются ток в цепи и напряжение на диоде.

Излучающий полупроводниковый прибор, имеющий один p-n переход и предназначенный для непосредственного преобразования электрической энергии в энергию светового излучения, называется светодиодом (СД).

В светодиодах используется инжекционная электролюминесценция p-n перехода, включенного в прямом направлении. Вольт-амперная характеристика СД аналогична характеристике диода (рисунок 11).

Постоянное прямое напряжение 1-2В, максимальный постоянный прямой ток составляет в зависимости от типа диода 10-100 мА.

СД широко применяют в качестве световых индикаторов миникалькуляторов и электронных часов, они служат основными элементами современных оптронов.

Рисунок 11 - ВАХ светодиода

Список используемой литературы


1.      Акимова Г.Н. Электронная техника. - М.: Маршрут, 2003. - 290 с.

2.      Бурков А.Т. Электронная техника и преобразователи. - М.: Транспорт, 2001. - 464 с.

.        Гусев В.Г. Электроника и микропроцессорная техника. - М.: Высшая школа, 2005. - 790 с.

.        Жеребцов И.П. Основы электроники. - Л.: Энергоатомиздат, 1989. - 352 с.

.        Полупроводниковые приборы: Диоды, тиристоры, П53 оптоэлектронные приборы. Под общ. ред.В.Л. Горюнова. - М.: Энергоатомиздат, 1983. - 744 с.

.        Полупроводниковые приборы: Транзисторы. Под общ. ред.Н. Н. Горюнова. - М.: Энергоатомиздат, 1983. - 904 с.

.        Ушаков П.А. Электронная техника. - Ижевск: Издательство ИжГТУ, 2006. - 268 с.

.        Харченко В.М. Основы электроники. - М.: Энергоиздат, 1982. - 352 с.

Похожие работы на - Полупроводниковый прибор КД409А

 

Не нашли материал для своей работы?
Поможем написать уникальную работу
Без плагиата!
Без нейросетей!