Заземление. Режимы работы нейтрали

  • Вид работы:
    Контрольная работа
  • Предмет:
    Физика
  • Язык:
    Русский
    ,
    Формат файла:
    MS Word
    191,18 Кб
  • Опубликовано:
    2013-07-13
Вы можете узнать стоимость помощи в написании студенческой работы.
Помощь в написании работы, которую точно примут!

Заземление. Режимы работы нейтрали













Контрольная работа

Электроснабжение промышленных предприятий

Тема 3. Заземление. Режимы работы нейтрали

Содержание

Введение

Назначение и виды заземлений

Рабочее заземление

Защитное заземление

Грунт, его структура и электропроводность

Заземление грозозащиты

Расчёт заземлителей

Литература

Введение

При проектировании и эксплуатации системы электроснабжения предприятия одним из важнейших вопросов является вопрос о заземлении. По большому счёту без рассмотрения данного вопроса разговор об электроснабжении становится бессмысленным, поскольку в зависимости от системы заземления нейтрали выбирается защитная аппаратура, изоляция электрооборудования. Поэтому к рассмотрению данного вопроса необходимо подойти наиболее серьёзно.

Назначение и виды заземлений

Заземление какой-либо части установки называется преднамеренное соединение её с заземляющим устройством с целью сохранения на установке низкого потенциала и обеспечения нормальной работы системы или её элементов в выбранном для них режиме.

Различают три вида заземлений:

рабочее заземление,

защитное заземление для безопасности людей,

заземление грозозащиты установки.

К рабочему заземлению относится заземление нейтралей силовых трансформаторов и генераторов, глухое, либо через дугогасящий реактор для гашения дуги замыкания на землю, трансформаторов напряжения, реакторов поперечной компенсации в дальних линиях электропередачи и заземление фазы при использовании земли в качестве рабочего провода.

Защитное заземление выполняется для обеспечения безопасности людей, обслуживающих электрическую установку, путём заземления металлических частей установки, которые в рабочем режиме не находятся под напряжением, но могут оказаться под напряжением при перекрытии, либо пробое изоляции.

Заземление грозозащиты служит для отвода тока молнии в землю от защитных разрядников и ограничителей перенапряжения, а также стержневых или тросовых молниеотводов.

Рабочее и защитное заземление должны выполнять своё назначение в течение всего года, тогда как заземление грозозащиты лишь в грозовой сезон.

Для реализации любого вида заземления требуется заземляющее устройство, состоящее из заземлителя, располагаемого в земле и заземляющего проводника, соединяющего оборудование с заземлителем.

Заземлители подразделяются на естественные и искусственные. Естественными заземлителями считаются проложенные в земле конструкции не предназначенные для целей заземления, но используемые как заземлители. К естественным заземлителям относятся металлические трубопроводы, обсадные трубы, арматура железобетонных конструкций сооружений и т. п.

Искусственные заземлители выполняются только для заземления. Искусственный заземлитель может состоять из одного или многих вертикальных и горизонтальных электродов и характеризуется значением сопротивления от поверхности заземлителя до уровня нулевого потенциала, которое окружающая земля оказывает стекающему с него току. Сопротивление заземлителя определяется отношением потенциала на заземлителе к стекающему с него току.

Рабочее заземление

Нейтрали трансформаторов трёхфазных электрических установок, к обмоткам которых подключены электрические сети, могут быть заземлены непосредственно, либо через индуктивные или активные сопротивления, либо изолированы от земли.

Если нейтраль обмотки трансформатора присоединена к заземляющему устройству непосредственно или через малое сопротивление, то такая нейтраль называется глухозаземлённой, а сети, подсоединённые к ней, соответственно, - сетями с глухозаземлённой нейтралью. Нейтраль, не соединённая с заземляющим устройством называется изолированной нейтралью. Сети, нейтраль которых соединена с заземляющим устройством через реактор (индуктивное сопротивление), компенсирующий ёмкостной ток сети, называются сетями с резонанснозаземлённой либо компенсированной нейтралью. Сети, нейтраль которых заземлена через резистор (активное сопротивление) называется сеть с резистивнозаземлённой нейтралью. Электрическая сеть, напряжением выше 1 кВ, в которой коэффициент замыкания на землю не превышает 1,4 (коэффициент замыкания на землю - отношение разности потенциалов между неповреждённой фазой и землёй в точке замыкания на землю другой или двух других фаз к разности потенциалов между фазой и землёй в этой точке до замыкания ) называется сеть с эффективнозаземлённой нейтралью.

При однофазном замыкании на землю нарушается симметрия электрической системы: изменяются напряжения фаз относительно земли, появляются токи замыкания на землю, возникают перенапряжения в сетях. Степень изменения симметрии зависит от режима нейтрали.

Выбор режима нейтрали в электрических сетях определяется бесперебойностью электроснабжения потребителей, надёжностью работы, безопасностью обслуживающего персонала и экономичностью электроустановок.

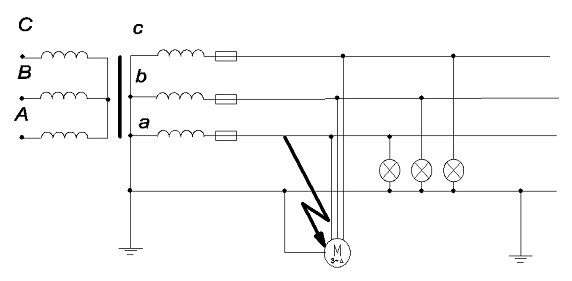
Сети с глухозаземлённой нейтралью (рис. 3.1). Такое заземление нейтрали применяется в четырёхпроводных сетях напряжением до 1000В, а так же в сетях 220кВ и выше. Такой режим нейтрали исключает превышение номинального напряжения сети по отношению к земле.

Все корпусы электрооборудования, присоединённого к четырёхпроводной сети до 1000В, каркасы распределительных щитов должны иметь металлическую связь с заземлённой нейтралью установки. При этом, замыкание на корпус любой фазы приведёт к короткому замыканию с достаточно большим током, предохранитель повреждённой фазы перегорит и сеть будет продолжать работу в неполнофазном режиме. Напряжение по отношению к земле двух других фаз, оставшихся в работе, не превысит фазного.

При коротких замыканиях на землю в сетях 220кВ и выше в месте повреждения возникает электрическая дуга с большим током, которая гасится отключением линии электропередачи с последующим её включением (АПВ). В переходном режиме и при коммутации в сети возникают внутренние перенапряжения, наибольшая величина которых относительно земли характеризуется их кратностью к номинальному фазному напряжению:

.                                                                                           (3.1)

Рис. 3.1 Сеть с глухозаземлённой нейтралью

Сеть с изолированной нейтралью (рис. 3.2). Данный вид заземления нейтрали получил широкое распространение в России после Великой Отечественной войны, когда необходимо было обеспечить безаварийную работу потребителей разрушенных предприятий, а так же с малыми затратами. При этом снижается стоимость заземляющих устройств, сокращается количество оборудования (трансформаторы тока, аппараты защиты). Данный вид заземления применяется в распределительных сетях 3-35 кВ.

В сетях с изолированной нейтралью замыкание одной фазы, а такого вида повреждения составляет до 80% всех повреждений, на землю не нарушает режим работы потребителей. Сеть будет продолжать работать в полнофазном режиме, но при этом напряжение двух неповреждённых фаз по отношению к земле увеличиваются до линейных значений. Поэтому изоляция электрооборудования должна быть рассчитана на величину линейной изоляции.

Ток однофазного замыкания на землю определяется частичными ёмкостями неповреждённых фаз сети по отношению к земле и зависит от напряжения, конструкции и протяжённость сети. При однофазном замыкании напряжение повреждённой фазы становится равным нулю (UA=0) по отношению к земле, а напряжение двух других фаз становится равным междуфазным (UВ=UС=Uф).

Ток замыкания на землю:

Iкз=Uф jω3C0.                                                                      (3.2)

Данный вид заземления следует использовать при условии надёжного контроля изоляции сети.

При замыкании на землю одной фазы, например фазы «А», напряжение этой фазы по отношению к земле будет равно нулю, а напряжение двух других фаз увеличится в  раз, и угол сдвига между векторами этих напряжений будет 60○. Ёмкостный ток повреждённой фазы будет равен нулю, а ёмкостные токи каждой неповреждённой фазы увеличатся пропорционально увеличению напряжения на ёмкости и соответственно будут равны IСВ и IСС. Суммарный ток через ёмкости неповреждённых фаз 3IС, равный геометрической сумме токов этих фаз, будет проходить через место замыкания фазы С на землю, замыкаясь через источник питания. Ориентировочно, ток при замыкании на землю в зависимости от длины линий l можно оценить: для кабельных линий:

,                                                                                           (3.3)

для воздушных линий:

.                                                                                          (3.4)

а)







б)

Рис. 3.2 Сеть с изолированной нейтралью: а) - схема протекания ёмкостных токов в сети при замыкании фазы на землю, б) - векторная диаграмма напряжений и токов при замыкании фазы «А» на землю.

При неметаллическом замыкании на землю в месте замыкания возникает перемежающая дуга, сопровождающаяся повторными гашениями и зажиганиями. Между ёмкостью и индуктивностью сети в этом случае появляются свободные электрические колебания высокой частоты, вследствие чего в сети возникают перенапряжения. Амплитуда дуговых перенапряжений может достигать максимальных значений 3,2Uф на неповреждённых фазах.

Сеть с резонанснозаземлённой нейтралью (рис. 3.3). При небольших ёмкостных токах дуга в месте замыкания оказывается неустойчивой и быстро самопагасает. Предельные значения ёмкостного тока замыкания на землю в сетях с изолированной нейтралью, при которых ещё обеспечивается самопагасание дуги в месте повреждения или величины которого не являются опасными по напряжению прикосновения к опорам при длительном протекании тока установлены опытом эксплуатации. Для сети 6кВ предельное значение ёмкостного тока составляет 30 А, для сети 10 кВ - 10 А.

В мощных энергосистемах, когда ёмкостный ток превышает указанные значения дуга может гореть длительное время, вызывая перенапряжения и повреждения изоляции. Кроме того, однофазное замыкание при длительном горении может перейти в междуфазное. Указанные последствия длительного горения дуги могут быть устранены включением в нейтраль трансформатора индуктивности L.

                   а)                                                               б)

Рис. 3.3 Сеть с резонанснозаземлённой нейтралью. а - схема протекания токов в сети при замыкании одной фазы на землю, б - векторная диаграмма токов в месте замыкания.

Сопротивление катушки подбирают таким образом, чтобы индуктивный ток IL, проходящий через катушку, был по величине равен суммарному ёмкостному току 3IC, проходящему через фазовые ёмкости сети. В этом случае ток в месте замыкания фазы на землю, представляющий собой геометрическую сумму этих двух токов, будет равен нулю и, следовательно, возникшая дуга будет гаснуть:

.                                                                       (3.5)

Однако через место замыкания протекает остаточный ток, состоящий из активной и реактивной составляющих. Первая из них обязана своим существованием активному сопротивлению катушки сети, а вторая - неточной настройке катушки. Этот остаточный ток мал по величине и находится в фазе или же составляет небольшой угол по отношению к напряжению на нейтрали U0.

Резонансная настройка индуктивности составляет практически сложную задачу, поэтому сети работают, обычно, в режиме перекомпенсации.

Сеть с эффективно заземлённой нейтралью. Чтобы повышение напряжения по отношению к земле на неповреждённых фазах в сети с глухозаземлённой нейтралью в установившемся режиме не превышало 0,8Uлин (линейного напряжения), величина тока однофазного замыкания в любой точке сети должна быть не менее 60% тока трёхфазного короткого замыкания в той же точке (Х0=3Х1). Такой ток замыкания на землю обеспечивается заземлением необходимого количества нейтралей трансформаторов и автотрансформаторов электрической сети данного напряжения, а сеть, работающая при таких условиях, называется сетью с эффективным заземлением нейтрали. В переходных режимах в системах с эффективно заземлённой нейтралью кратность внутренних перенапряжений по оценкам исследований не превышает 2,5.

Чем больше число заземлённых нейтралей, тем меньше величина внутренних перенапряжений. Поэтому в сетях напряжением 330 кВ и выше применяют глухое заземление всех трансформаторов.

Рис. 3.4 Сеть с заземлением нейтрали через резистор.

Заземление всех или очень большого количества нейтралей трансформаторов приводит к значительному увеличению тока однофазного короткого замыкания, чего следует избегать в тех случаях, когда это возможно (например, в сетях 110 кВ). Поэтому в сетях 110 кВ заземляют такое количество нейтралей, которое обеспечивает упомянутую эффективность заземления. В первую очередь заземляют нейтрали всех или части трансформаторов на узловых подстанциях, а затем уже нейтрали трансформаторов в других точках сети.

Сеть с заземлением нейтрали через резистор (рис. 3.4). Опыт эксплуатации показывает, что уменьшить величину дуговых перенапряжений и число замыканий на землю без значительного искусственного увеличения тока замыкания на землю, сохранив тем самым возможность работы сети без автоматического отключения однофазных повреждений, можно за счёт включения в нейтраль сети высокоомного резистора.

Высокоомный резистор в нейтрали системы обеспечивает стекание заряда нулевой последовательности за время Т между двумя замыканиями, составляющее полупериод промышленной частоты.

Имея выражение для постоянной времени:


и полагая практически полное стекание заряда за время t=0,01 сек, получаем выражение для сопротивления . Резистор, выбранный из этого условия, создаёт в месте повреждения активную составляющую тока, равную ёмкостной. Действительно, ёмкостной ток замыкания равен: Ic=3ωCUф, а ток резистора IRN=Uф/RN . Из условия IC=IRN получаем выражение:

.                                                                                      (3.7)

При чисто ёмкостной цепи замыкания на землю резистор, выбранный таким образом, увеличивает ток замыкания в  раз.

Важной особенностью применения высокоомного резистивного заземления нейтрали является то, что при снижении ёмкости сети постоянная времени стекания заряда нулевой последовательности через выбранный резистор уменьшится, и, следовательно, стекание заряда будет происходить ещё быстрее.

Защитное заземление

В качестве электродов заземлителя используются как вертикальные стержни различной формы сечения (уголок, труба и др.), так и горизонтальные полосы, которые могут иметь большую длину. Наиболее просто рассчитывается сопротивление заземлителя полушаровой формы. Предположим, что такой заземлитель присоединён к корпусу электрооборудования, и отводит в землю ток частотой 50 Гц в случае пробоя изоляции (рис. 3.5).

Рис. 3.5 К расчёту сопротивления полушарового электрода

Сопротивление элементарного слоя земли между эквипотенциальными поверхностями (полусферами) с радиусами r и r+dr в грунте с удельным сопротивлением ρ  и всё сопротивление растекания тока с заземлителя-полушара радиусом r0 составит:

                                                             (3.8)

Потенциал точек земли на расстоянии r от центра заземлителя

,                                                                            (3.9)

где I - ток замыкания на землю установки, стекающий с заземлителя при нарушении изоляции.

Если во время протекания тока I человек касается корпуса электрооборудования, то к нему оказывается приложенным напряжение, равное разности потенциалов корпуса U0 и земли в месте расположения ног человека Ur, называемое напряжением прикосновения Uпр= U0 - Ur

Напряжение на теле человека с сопротивлением RT:

,                                                (3.10)

где Ucт - падение напряжение в сопротивлении растекания с двух ступней человека в землю Rст/2.

Человек, идущий к трансформатору, оказывается под шаговым напряжением Uш , которое зависит от длины шага и расстояния человека до заземлителя. Во всех случаях напряжение на теле человека UТ при шаге будет меньше, чем при прикосновении, так как всегда , а относительное сопротивление пути тока через человека при шаге меньше, чем при прикосновении.

Для обеспечения безопасности обслуживающего персонала заземляющее устройство электрической установки следует проектировать таким образом, чтобы напряжение на теле человека от Uпр и Uш в любых условиях не превосходило допустимых или безопасных для человека значений. Достигнуть этого можно снижением сопротивления заземлителя, выравниванием кривой распределения потенциала заземлителя по поверхности земли вблизи заземлённых объектов, а также увеличением удельного сопротивления верхнего слоя земли, например, путём подсыпки гравия или путём использования изолирующих площадок и бот.

Снижение сопротивления заземлителя достигается прокладкой в земле горизонтальных и вертикальных проводников. Сопротивление заземляющего устройства при этом не должно превосходить определённого нормируемого значения.

В целях выравнивания электрических потенциалов между электрооборудованием и землёй и для обеспечения присоединения этого оборудования к заземлителю на глубине 0,5-0,7 метров от поверхности земли на территории, занятой оборудованием, прокладывают продольные и поперечные проводники, называемые горизонтальными заземлителями, и соединяют их между собой в заземляющую сетку.

С целью экономии металла и более равномерного распределения потенциалов расстояния между поперечными заземлителями принимают увеличивающимися от периферии к центру.

В качестве вертикальных электродов используются стальные трубы, угловая и круглая сталь длиной 2-10 м. Наименьшие поперечные размеры электродов диктуются необходимостью надёжной работы заземлителя при коррозии и могут быть увеличены из условий достаточной механической прочности при погружении их в грунт.

Горизонтальные полосовые заземлители в виде лучей или контуров используются как самостоятельные заземлители, либо как элементы сложного заземлителя из горизонтальных и вертикальных электродов. Толщина элементов для вертикальных и горизонтальных заземлителей принимается не менее 4 мм2.

При увеличении урбанизации, дефицита земли в городах, а так же для уменьшения монтажных работ в последнее время используются глубинные заземлители: от одного до десяти вертикальных заземлителей, забиваемых на глубину до 50 м. Такие глубинные заземлители, как правило, выполняют в виде составного стального стержня, покрытого медью.

Для расчёта сопротивления заземлителя одним из параметров, необходимых для расчёта являются свойства грунта.

Грунт, его структура и электропроводность

Земля, в которой происходит растекание тока с заземлителя, является средой весьма сложной и неоднородной по составу, структуре, так и по глубине. Основными составными частями земли являются твёрдые частицы неорганического и органического происхождения и вода. Электропроводность твёрдой основы грунта минерального происхождения в сухом состоянии ничтожна. Химически чистая вода также обладает весьма высоким удельным сопротивлением. Однако содержащиеся в грунте различные соли и кислоты при наличии влаги, являющейся хорошим растворителем, создают электролиты, которые и определяют электропроводность земли. Таким образом, удельное сопротивление грунта зависит от его химического состава и влажности.

Влажность грунта зависит не только от количества осадков и близости грунтовых вод, но и от структуры грунта. Отдельные частицы грунта окружены гигроскопической водой, адсорбированной частицами грунта из водяных паров воздуха. Эта вода обволакивает частицы слоем различной толщины, в зависимости от их размеров, находится под молекулярным притяжением и может перемещаться только при переходе в парообразное состояние.

Поверх гигроскопической воды образуется относительно тонкий слой плёночной воды, удерживаемой в грунте также силами молекулярного притяжения. Эти силы меньше, чем для гигроскопической воды, но значительно больше силы тяжести частиц плёночной воды. Эта вода может передвигаться очень медленно только под влиянием молекулярных сил, переходя от частиц с более толстой водяной плёнкой к частицам с более тонкой.

Максимальное количество воды, удерживаемое грунтом в виде гигроскопической и плёночной воды, увеличивается с уменьшением размера частиц и возрастанием сил поверхностного притяжения. Осадки, просачиваясь в грунт, частично удерживаются как плёночная вода, либо, при насыщении грунта водой, просачиваются к грунтовым водам.

Наиболее часто встречающиеся грунты - песчаный, глинистый и перегнойный - сильно отличаются между собой по структуре и составу. Песок и глина являются продуктом разрушения и выветривания горных пород, перегнойный грунт в основном органического происхождения.

Увлажнение песка, бедного электролитами, увеличивает его проводимость за счёт воды, проводимость которой значительно больше, чем у твёрдой основы грунта. Увлажнение глины и перегноя, богатых электролитами, ведёт к возрастанию их проводимости не только за счёт проводимости воды, но и из-за увеличения диссоциации раствора электролита.

Значения удельных сопротивлений различных грунтов могут быть названы лишь очень приближённо, так как сильно зависят не только от вида грунта, но и от его влажности и атмосферных условий (табл.3.1).

Таблица 3.1

Грунт

Удельное сопротивление ρ, Ом м

Грунт

Удельное сопротивление ρ, Ом м

Песок

>400

Торф

20-80

Супесок

300-500

Гранит

103-106

Суглинок

100-200

Известняк

102-103

Глина

60-80

Мрамор

103-108

Чернозём

50-200

Речная вода

10-30


Наиболее высокими удельными сопротивлениями отличаются скальные породы, которыми так богат грунт в нашей местности. На величину удельного сопротивления скальных пород решающее влияние оказывают такие факторы как трещиноватость и выветрелость.

В общем случае грунт, в котором располагаются заземлители, является неоднородным по глубине вследствие своего геологического строения, залегания вод и пр. Кроме того, в течение года в связи с изменением атмосферных условий меняются температуры земли, содержание и физическое состояние влаги в земле, насыщенность её различных слоёв. Поэтому удельное сопротивление земли на глубине до нескольких метров от поверхности земли, в так называемом слое сезонных изменений сильно колеблется, увеличиваясь из-за высыхания к концу лета и из-за промерзания зимой. Возможность высушивания грунта, при расчёте удельного сопротивления земли, учитывается коэффициентом сезонности:

,                                                      (3.11)

где ψ - коэффициент сезонности, равный 1,4-1,8 для горизонтальных заземлителей, уложенных на глубине 0,5 м и 1,2-1,4 для вертикальных заземлителей длиной до 3 м. Причём, если во время измерения земля сухая (мёрзлая), то принимается меньшее значение, а если почва влажная - большая величина.

Проектирование заземляющих устройств должно вестись с учётом неоднородности грунта. На основании результатов непосредственных измерений по методу вертикального электрического зондирования определяется удельное сопротивление различных слоёв грунта по глубине.

Заземление грозозащиты

Заземлители молниеотводов служат для отвода тока молнии в землю. Массовое устройство заземлителей (например, на воздушных ЛЭП с тросами) ставит задачу выбора наиболее экономичных заземлителей, обеспечивающих малое сопротивление растеканию тока при минимуме затраты металла.

Рис. 3.6 Характер процессов в грунте при прохождении через заземлитель импульсного тока

Основным назначением заземления грозозащиты является эффективное отведение тока молнии. Сопротивление заземлителя при протекании импульсного тока Rи отличается от сопротивления переменного тока , они связаны соотношением:

,                                                                                    (3.12)

Особенностями тока молнии являются его большая амплитуда и кратковременность. Обе эти особенности оказывают влияние на величину коэффициента импульса. При стекании с заземлителя тока плотностью δ в грунте возникает электрическое поле напряжённостью Еи= δρи , где ρи - удельное сопротивление грунта при стекании импульсного тока. С увеличением δ возрастает и напряжённость поля. Установлено, что с ростом напряжённости поля удельное сопротивление грунтов плавно падает. Этот эффект связан с явлением нелинейной проводимости, свойственным всем полупроводникам. При дальнейшем возрастании плотности стекающего с заземлителя тока напряжённость электрического поля вблизи заземлителя достигает пробивной напряжённости грунта 10-12 кВ/см.

Искрообразование приводит к резкому снижению падения напряжения вблизи заземлителя, что эквивалентно резкому падению ρи.. В расчётах заземлителей обычно пренебрегают падением напряжения в искровом разряде. Однако в искровой зоне градиенты достигают 1,2-1,4 кВ/см.

При дальнейшем повышении напряжения и с течением времени искровой разряд переходит в дуговой с очень малыми градиентами в дуговой зоне. Так как ток молнии достаточно велик, то около заземлителя возникают все возможные зоны: полупроводниковая, искровая, дуговая.

Чем меньше линейные размеры заземлителя, тем при заданном токе больше плотность стекающего тока δ. Поэтому коэффициент импульса α снижается с уменьшением размера сосредоточенного заземлителя. Коэффициент импульса снижается также при возрастании тока. Однако, очевидно, что напряжение на заземлителе U=IRи всё же растёт с ростом ρ, I, хотя кривая этого роста резко нелинейна.

Падение ρ вследствие искрообразования в грунте эквивалентно увеличению размеров заземлителя. Соответственно происходит как бы относительное сближение индивидуальных заземлителей в составной конструкции и снижения её коэффициента использования. Тогда, сопротивление составного заземлителя:

,                                                                          (3.13)

где ηи - коэффициент использования заземлителя в импульсном режиме.

Импульсное искрообразование в грунте происходит с довольно большим запаздыванием. Вследствие этого импульсные коэффициенты заземлителей оказываются зависимыми от времени.

Импульсный характер воздействия напряжения приводит к необходимости подразделять заземлители на сосредоточенные и протяжённые. К первым принадлежат заземлители, протяжённость которых достаточно мала, чтобы можно было считать потенциалы во всех точках заземлителя одинаковыми. Протяжёнными называются заземлители, вдоль которых необходимо учитывать волновой процесс распространения напряжения и тока. Обычно это заземлители горизонтального типа. Каждый из лучей такого заземлителя может быть представлен цепочечной схемой замещения длинной линии с удельными индуктивностью L0 и нелинейной проводимостью g0 (рис.3.7) . В первые моменты приложения импульсной волны напряжение на дальних участках заземлителя мало. В эти моменты времени отвод тока с заземлителя осуществляется только на начальных его участках. Затем напряжение вдоль заземлителя выравнивается и весь заземлитель используется для отвода тока молнии. Использование луча заземлителя в заданный момент времени может быть охарактеризовано отношением Ul/U0 , где Ul и U0 - напряжение в конце и начале луча. Чем ближе Ul/U0 к единице, тем лучше использование заземлителя. Чем меньше Ul/U0 , тем протяжённее заземлитель.

Рис. 3.7 Цепочечная схема замещения протяжённого заземлителя

заземление электропроводность грунт нейтраль

Так как соотношение Ul/U0 всегда растёт с уменьшением длины луча заземлителя, то с точки зрения экономии металла выгоднее заземлитель выполнять трёх и четырёхлучевым. При дальнейшем увеличении числа лучей снижается коэффициент использования заземлителя вследствие взаимного экранирования лучей, кроме того, осложняются земляные и монтажные работы. Длина лучей в заземлителе выбирается по условиям обеспечения необходимого Rи.

Как и сосредоточенные заземлители, протяжённые заземлители характеризуется импульсным коэффициентом использования α, который по-прежнему падает с увеличением тока и удельного сопротивления почвы. Однако вследствие резкого спада напряжения вдоль протяжённого заземлителя большой длины коэффициент α может оказаться больше единицы. Такое недоиспользование длины является характерной особенностью протяжённого заземлителя.

Расчёт заземлителей

Расчёт заземляющего устройства носит поверочный характер в том случае, когда схема заземления задана, либо носит чисто расчётный характер по заданной величине нормированного сопротивления создаётся его схема. Во всех случаях при расчёте необходимой величиной является удельное сопротивление грунта, причём наиболее желательными являются результаты непосредственных измерений. Величины удельных сопротивлений подвержены сезонным изменениям, причём наибольшее влияние оказывают влажность, температура, степень промерзания, наличие солей.

Чем глубже расположен заземлитель, тем стабильнее оказывается сопротивление грунта и лучше условия для растекания тока. Чтобы исключить вероятность повышения удельного сопротивления, в расчётах используется удельное сопротивление, полученное непосредственным измерением ρизм на данном участке, умноженное на коэффициент сезонности ψ , учитывающий возможность высыхания и замерзания грунта: ρрасч=ρизм ψ.

При конструировании заземляющих устройств, как правило, используются стандартные элементы: трубы, уголковая и полосовая сталь. Для всех этих элементов выведены расчётные формулы сопротивления растеканию тока промышленной частоты, учитывающие линейные размеры элементов и глубину их заложения. Следует оговориться, что при расчёте заземляющих устройств могут использоваться различные расчётные формулы, полученные разными исследователями. В данной работе приведён один из возможных вариантов расчёта заземляющего устройства, который нисколько не умаляет правильность других методов.

Для всех элементов выведены расчётные формулы сопротивления растеканию тока промышленной частоты, учитывающие линейные размеры элементов и глубину их заложения, которые указаны в таблице 3.2.

Требования, предъявляемые к заземляющему устройству в отношении величины сопротивления, в большинстве случаев не могут быть удовлетворены одиночным заземлителем.

Практически для получения приемлемых величин сопротивления создают сложный заземлитель, состоящий из n параллельно соединённых одиночных заземлителей. Можно было бы предположить, что общее сопротивление такого сложного заземлителя будет в n раз меньше сопротивления каждого элемента.

На самом деле, при использовании сложного заземлителя поля растекания токов с отдельных электродов перекрывают друг друга и сопротивление всего заземлителя оказывается больше предполагаемого. Увеличение сопротивления сложных заземлителей учитывается коэффициентом использования η.

Значения коэффициентов использования зависят от конструктивного выполнения сложного заземлителя и для горизонтальных и вертикальных заземлителей приведены в таблицах 3.3, 3.4.

Расчётная формула для сложного заземлителя из полосовых однотипных заземлителей с учётом взаимного экранирования имеет вид:

 .                                                                                     (3.14)

Для сложного заземлителя, состоящего из n вертикальных электродов и объединяющих их горизонтальных:

,                                                                 (3.15)

где - принимается для конкретной схемы всего заземлителя.

Не менее важным следствием использования сложных заземлителей, кроме снижения общего сопротивления, является повышение потенциала на участках между электродами. Общее выравнивание потенциала значительно снижает шаговое напряжение и напряжение прикосновения в зоне наиболее вероятного нахождения обслуживающего персонала.

Как видно из рис. 8, вокруг сложного заземлителя происходит своеобразное распределение потенциалов: между параллельно соединёнными одиночными заземлителями потенциалы во всех точках земли выше, чем они были бы для каждого заземлителя в отдельности, и величины этих потенциалов нигде не опускаются до нуля.

Рис. 3.8 Характер потенциальной кривой для сложного заземлителя.

Такое свойство сложного заземлителя: повышать потенциал земли при сближении параллельно соединённых одиночных заземлителей, даёт возможность удерживать напряжение прикосновения и шага в защищаемой зоне на безопасном уровне. Это свойство используется в контурном заземлении, представляющем собой замкнутый контур, охватывающий участок, на котором находятся заземлённые части установок. При контурном заземлении заземлители располагаются по периметру защищаемой территории, а при большой ширине её - закладывают так же внутри неё.

Таблица 3.2

Схема заземлителя

Расчётная формула

Примечание

1


Горизонтально проложенная в земле полоса


2


Вертикальный электрод в виде трубы, стержня или уголка


3


Вертикальный электрод в виде трубы, стержня или уголка, верхний конец которого погружен в землю


4                            

Кольцо





Таким образом, расчёт сопротивления заземления с учётом импульсных свойств рекомендуется производить в следующей последовательности:

принимается конкретная схема соединения элементов заземления;

по известной величине удельного сопротивления грунта (обычно измеряется на месте) находят его расчётную величину умножением на коэффициент сезонности;

определяют сопротивление заземления для каждого типа электродов, применительно к стационарному режиму;

по принятой величине импульсного тока находят ток, стекающий с каждой ветви, учитывая, что ток распределяется обратно пропорционально сопротивлениям заземлителей;

по найденной величине тока в каждом заземлителе и расчётной величине удельного сопротивления грунта находят коэффициент импульса и импульсную величину сопротивления растеканию;

находят импульсное сопротивление сложной системы, вводя в расчёт импульсное сопротивление заземлителей и коэффициент использования для заданной схемы.

Литература

Морозова И.М., Кузнецов Ю.В. Проектирование схем энергоснабжения промышленных предприятий и городов: Учеб. Пособие. Екатеринбург. 2004. Рос. гос. проф.-пед. ун-т, 200. 86 с.

Сибикин Ю.Д. Электроснабжение промышленных предприятий и установок - М.: В.Ш., 2006.

Шеховцов В.П. Расчет и проектирование схем электроснабжения. Метод. пособие для курсового проектирования. М.: «Инфра - М, Форум», 2003.

Конюхова Е.А. Электроснабжение объектов. Учебное пособие для студентов. - М.:изд-во «Мастерство», 2007.

Бороздин И.В. Электроснабжение предприятий. Практикум. «Дизайн ПРО», 2000.

Назмеев Ю.Г. Теплоэнергетические системы и энергобалансы промышленных предприятий. М.: МЭИ, 2003.

Соколов Е.Я. Теплофикация и тепловые сети. М.: МЭИ, 2008.

Правила устройства электроустановок. Минэнерго - М.: «Энергоатомиздат», 2003.

Арсеньев Г.В. Энергетические установки: Учеб. для вузов по спец. «Электроснабжение».-М.:Высш.шк.,2001.-336 с.ил.

Похожие работы на - Заземление. Режимы работы нейтрали

 

Не нашли материал для своей работы?
Поможем написать уникальную работу
Без плагиата!
Без нейросетей!