Электроснабжение ответственных потребителей

  • Вид работы:
    Дипломная (ВКР)
  • Предмет:
    Физика
  • Язык:
    Русский
    ,
    Формат файла:
    MS Word
    1,39 Мб
  • Опубликовано:
    2012-11-08
Вы можете узнать стоимость помощи в написании студенческой работы.
Помощь в написании работы, которую точно примут!

Электроснабжение ответственных потребителей

Содержание

Введение

Глава 1. Электроснабжение ответственных потребителей. Анализ требований к времени отключения токов повреждения в сетях 0.4 кВ в соответствии с новой нормативной базой.

1.1 Электроснабжение ответственных потребителей

1.2 Электроснабжение ответственных потребителей от источников бесперебойного питания статического типа

1.3 Основные положения защиты от поражения электрическим током

1.4 Выбор системы заземления нейтрали при питании ответственных потребителей

1.4.1 Система заземления TN

1.4.2 Система заземления IT

1.4.3 Система заземления TT

1.5 Электрофизические реакции при протекании электрического тока через тело человека

1.6. Анализ требований к времени отключения токов повреждения в сетях 0.4 кВ в соответствии с новой нормативной базой

Глава 2. Методики расчета токов КЗ и проверки эффективности работы защиты при косвенном прикосновении в сетях с системой заземления TN

2.1 Методика расчёта токов короткого замыкания и проверки эффективности работы защиты при косвенном прикосновении в сетях TN при питании через понижающий трансформатор

2.1.1 Расчет токов однофазного короткого замыкания в сетях TN

2.1.2 Методика проверки эффективности работы защиты при косвенном прикосновении в сетях TN при питании через понижающий трансформатор

2.2 Методика расчёта токов короткого замыкания и проверки защиты при косвенном прикосновении в сетях TN при питании от ИБП статического типа

2.2.1 Расчет тока однофазного КЗ в сетях TN в инверторном режиме работы

2.2.2 Расчет тока однофазного КЗ в сетях TN в режиме работы от сети

2.2.3 Сравнение инверторного режима работы и режима работы от сети при расчета тока однофазного КЗ

2.2.4 Методика проверки эффективности защиты при косвенном прикосновении в сетях TN при питании от ИБП статического типа

Глава 3. Методики расчета токов КЗ и проверки эффективности работы защиты при косвенном прикосновении в сетях с системой заземления IT

3.1 Методика расчёта токов короткого замыкания в сетях IT при питании через понижающий трансформатор

3.1.1 Первое замыкание

3.1.1.1 Сеть IT с изолированной и нераспределенной нейтралью

3.1.1.2 Сеть IT с заземленной через сопротивление и нераспределенной нейтралью

3.1.1.3 Сеть IT с изолированной и распределенной нейтралью

3.1.2 Второе замыкание при не устраненном первом

3.1.2.1 Сеть IT с нераспределенной нейтралью и общим заземлителем потребителей

3.1.2.2 Сеть IT с распределенной нейтралью и общим заземлителем потребителей

3.1.2.3 Сеть IT с нераспределенной нейтралью и отдельными заземлителями потребителей

3.1.2.4 Сеть IT с распределенной нейтралью и отдельными заземлителями потребителей

3.2 Методика проверки эффективности работы защиты при косвенном прикосновении при питании через понижающий трансформатор

3.3 Методики расчёта токов короткого замыкания при питании от ИБП статического типа в сетях IT

3.3.1 Расчет тока КЗ в инверторном режиме и режиме работы от сети в сетях с нераспределенной нейтралью

3.3.2 Расчет тока двухфазного КЗ в инверторном и режиме работы от сети в сетях с распределенной нейтралью

3.4 Методика проверки эффективности работы защиты при косвенном прикосновении при питании от ИБП статического типа

3.5 Дополнительные мероприятия по обеспечению защиты при косвенном прикосновении при электроснабжении от источников бесперебойного питания

3.6 Рекомендации по проектированию систем электроснабжения с источниками бесперебойного питания статического типа

Заключение

Список используемых источников

Введение


Последнее время всё большее распространение получают технологии и агрегаты, требующие бесперебойного электроснабжения. С каждым годом доля чувствительной нагрузки увеличивается в основном за счет повсеместной компьютеризации производственных процессов. Перерыв электроснабжения ответственных потребителей может за собой опасность для жизни людей, угрозу для безопасности государства, значительный материальный ущерб, расстройство сложного технологического процесса, нарушение функционирования особо важных элементов коммунального хозяйства, объектов связи и телевидения. Для предотвращения нарушения питания таких электроприемников должно предусматриваться дополнительное питание от независимого источника питания. В последнее время в качестве независимого источника питания все чаще используют источники бесперебойного питания (ИБП) статического типа. Следует отметить недостаточную развитость нормативной базы, описывающей вопросы электроснабжения от ИБП статического типа. Так, у нас в стране отсутствует аналог стандарта IEC 62040-3. Также необходимо указать на отсутствие методики проверки эффективности работы защиты при косвенном прикосновении в электроустановках до 1 кВ при электроснабжении от ИБП статического типа. В 2003 году введена в действие глава 1.7 "Заземление и защитные меры электробезопасности" ПУЭ 7-ого издания, что привело к ужесточению требований к времени автоматического отключения питания в сетях до 1 кВ. Принятие новых нормативных документов с более жесткими требованиями к обеспечению электробезопасности потребовало пересмотра применяемой коммутационно-защитной аппаратуры, методик выбора кабелей и изменения существующих подходов к проектированию систем электроснабжения в целом.

Поэтому в работе решаются следующие задачи:

электроснабжение ответственный потребитель замыкание

анализ функционирования источника бесперебойного питания статического типа при внешнем КЗ;

анализ методик расчета тока КЗ при питании через понижающий трансформатор и от источника бесперебойного питания статического типа в сетях TN;

анализ методик проверки эффективности работы защиты при косвенном прикосновении в электроустановках до 1 кВ при электроснабжении через понижающий трансформатор и от источников бесперебойного питания статического типа в сетях TN.

разработка методики расчета тока КЗ при питании через понижающий трансформатор и от источника бесперебойного питания статического типа в сетях IT;

разработка методики проверки эффективности работы защиты при косвенном прикосновении в электроустановках до 1 кВ при электроснабжении через понижающий трансформатор и от источников бесперебойного питания статического типа в сетях IT.

Следует отметить, что на данный момент отсутствуют методики проверки эффективности работы защиты при косвенном прикосновении в электроустановках до 1 кВ при электроснабжении от источников бесперебойного питания статического типа в сетях IT.

Практическая ценность работы и ее реализация состоят в том, что разработанные методики позволяют выбрать параметры схемы электроснабжения электроприемников напряжением до 1кВ по критерию обеспечения защиты при косвенном прикосновении в соответствии с требованиями современной нормативной базы (ПУЭ 7-ого издания, ГОСТ Р 50571). Разработанная методика ориентирована на широкий круг пользователей и может быть рекомендована к применению в проектных, научно-исследовательских и других организациях.

Глава 1. Электроснабжение ответственных потребителей. Анализ требований к времени отключения токов повреждения в сетях 0.4 кВ в соответствии с новой нормативной базой.


1.1 Электроснабжение ответственных потребителей


Практически все промышленные объекты и административные здания содержат в своей структуре электроприемники первой категории и особой группы по бесперебойности электроснабжения. Такие приемники в большинстве своем чувствительны к перерывам электроснабжения и отклонениям параметров качества электроэнергии от номинальных. К таким объектам относятся [1]:

нефтеперерабатывающие предприятия - I-ая категория: все электроприемники, относящиеся к технологическому процессу и системам пожаротушения. Особая группа: электродвигатели воздушных охладителей продуктов, электрозадвижки, автоматизированные системы управления технологическим процессом (АСУ ТП) (распределенная система управления и противоаварийная защита - РСУ/ПАЗ), релейная защита и автоматика (РЗиА), эвакуационное освещение;

химические комбинаты;

металлургические предприятия - I-ая категория: линии непрерывной разливки стали, прокатные станы, электроножницы, холодильники, печи для разогрева проката; особая группа: АСУ ТП, РЗиА, эвакуационное освещение;

цементные заводы;

газо- и нефтепроводы - I-ая категория: все электрооборудование компрессорных и перекачивающих станций; особая группа: электрозадвижки, АСУ ТП, РЗиА, эвакуационное освещение;

карьеры;

информационно-вычислительные комплексы;

системы собственных нужд электростанций - особая группа.

Для обеспечения электроснабжения особой группы электроприемников первой категории должно предусматриваться дополнительное питание от третьего независимого взаимно резервирующего источника питания. В качестве третьего независимого источника питания для особой группы электроприемников и в качестве второго независимого источника питания для остальных электроприемников первой категории могут быть использованы местные электростанции, электростанции энергосистем (в частности, шины генераторного напряжения), предназначенные для этих целей агрегаты бесперебойного питания, аккумуляторные батареи и т.п.

Основные причины нарушения электроснабжения потребителей показаны на диаграмме (рисунок 1.1).

Рисунок 1.1 - Причины остановок ответственных потребителей

На основании данных [2,3] часовая стоимость простоя ответственных потребителей, связанная с перебоями электроснабжения, составляет:

в системах бронирования авиабилетов - 90 000 €;

в сфере телекоммуникаций - 1 800 000 €;

в сфере операций по кредитным картам - 2 500 000 €;

в банковской сфере - 6 000 000 €;

в сфере производства полупроводников - 3 800 000 €;

в сфере автомобилестроения - 6 000 000 € [4].

Для обеспечения бесперебойного электроснабжения потребителей особой группы первой категории все чаще используются источники бесперебойного питания (ИБП). На данный момент можно выделить три основных типа таких источников: статического, динамического (вращающегося) и гибридного типа.

Сравним источники бесперебойного питания статического типа топологии двойного преобразования (рисунок 1.2, а), получившей наибольшее распространение, и гибридного типа (рисунок 1.2, б) с точки зрения их функционирования при внешнем коротком замыкании. Сравнение основных характеристик функционирования представлены в таблице 1.1.

Рисунок 1.2 - Структурная схема источников бесперебойного питания статического (а) и гибридного типа (б)

Таблица 1.1

Сравнение характеристик функционирования ИБП при внешнем коротком замыкании


ИБП гибридного типа

ИБП статического типа (двойного преобразования)

Допустимая перегрузочная способность

1,5 Iном в течение двух минут.

1,5 Iном в течение одной минуты. Надо отметить, что перегрузочная способность в две минуты на практике зачастую не используется, так как перегрузки очень короткие: менее 1 секунды, например, пуск двигателя, трансформатора, силовой электроники.

Токо-ограничение

Высокое значение токов короткого замыкания генератора (до 7 Iном), что облегчает выбор аппарата защиты.

В зависимости от производителя ограниченный ток находится на уровне 2-3 Iном (в отдельных случаях до 5 Iном).

Гальваническая развязка

Нижестоящая сеть гальванически изолирована от вышестоящего источника переменного тока блоком "двигатель-генератор".

Гальваническая развязка вышестоящей сети и нагрузки может осуществляться с помощью использования изолирующих трансформаторов.

Внутреннее сопротивление

Внутреннее сопротивление обеспечивает высокую совместимость с нелинейными нагрузками, которые часто встречаются в импульсных источниках питания, используемых для электроснабжения компьютерных систем.

Очень малое внутреннее сопротивление, получаемое за счёт использования силовой транзисторной техники, позволяет получить хорошую совместимость с нелинейной нагрузкой.


Приведенные выше характеристики необходимо учитывать при выборе или разработке методик защиты и при построении схемы защиты [5].

1.2 Электроснабжение ответственных потребителей от источников бесперебойного питания статического типа


В качестве независимого источника питания для ответственных потребителей последнее время широко используются источники бесперебойного питания статического типа. Электроснабжение от ИБП имеет ряд важных особенностей, отличающих его от электроснабжения через понижающий трансформатор. Эти особенности, подробно изложенные во второй главе, приводят к недопустимости применения к сетям с ИБП уже разработанных методик для проверки обеспечения защиты при косвенном прикосновении в сетях до 1кВ при питании через понижающий трансформатор [6]. В связи с этим остро стоит проблема разработки методики для проверки обеспечения защиты при косвенном прикосновении в сетях до 1кВ при электроснабжении от источника бесперебойного питания статического типа. Для раскрытия особенностей функционирования ИБП статического типа рассмотрим состав ИБП и существующие топологии.

Стандарт IEC 62040-3 [7], выделяет 3 топологии ИБП.

passive standby - ИБП резервного типа;interactive - ИБП линейно-интерактивного типа;conversion - ИБП с двойным преобразованием.

Рассмотрим основные конструктивные элементы источника бесперебойного питания (рисунок 1.3) [8]:

. Выпрямитель / зарядное устройство

Преобразует переменный ток в постоянный для:

питания инвертора;

зарядки и подзарядки батареи.

. Инвертор - получает питание от:

выпрямителя в нормальном режиме;

батареи в автономном режиме.

Инвертор предназначен для преобразования постоянного тока в переменный. Выдает синусоидальный выходной сигнал с заданной амплитудой и частотой.

. Батарея - предназначена для обеспечения автономной работы в случае:

отсутствия питания от основной сети;

несоответствия параметров основной сети установленным параметрам ИБП.

. Байпас статический - предназначен для электроснабжения нагрузки при перегрузке или неполадках в ИБП.

. Байпас ручной - предназначен для электроснабжения нагрузки во время проведения регламентных работ с ИБП.

Наибольшее распространение получила топология с двойным преобразованием (рисунок 1.3) [8].

Рисунок 1.3 ИБП с двойным преобразованием (double conversion)

Для данной топологии (рисунок 1.3) стандарт определяет три режима работы [8]:

нормальный (1й приоритет);

автономный (2й приоритет);

байпас (резервную сеть питания) (3й приоритет).

Эти режимы характеризуются следующими параметрами работы:

В нормальном режиме работы питание осуществляется по цепи выпрямитель-инвертор, где происходит преобразование переменного тока в постоянный и обратно, что и дало название топологии. При несоответствии параметров питающей сети требованиями настроек ИБП или при повреждении питающей сети ИБП переходит в режим автономной работы, в котором инвертор и батарея обеспечивают непрерывность электроснабжения нагрузки. Источник бесперебойного питания продолжает функционировать в течение автономного времени работы, определяемого емкостью и зарядом батареи, или до возвращения параметров сети в соответствие требованиям настроек ИБП, после чего происходит переключение ИБП в нормальный режим работы. Топология ИБП двойного преобразования содержит статический байпас. Электроснабжение нагрузки может быть переключено на байпас без перерыва электроснабжения в следующих случаях:

повреждение ИБП;

переходной ток нагрузки;

перегрузка;

разряд батареи.

Сеть питания ИБП и байпаса должны быть синхронизированы для обеспечения перевода нагрузки без перерыва электроснабжения. Работа на байпасе должна рассматриваться только как аварийный режим работы (из-за разряженных аккумуляторов, неисправности инвертора, короткого замыкания), поскольку нагрузка более не защищена надлежащим образом, и качество электропитания зависит от параметров сети. Если система не переключена на байпас ручным способом, то этот режим имеет низший приоритет и, следовательно, должен быть по возможности исключен. Существует так же ручной байпас для осуществления регламентных работ [8].

Преимуществами топологии с двойным преобразованием являются [9]:

постоянное поддержание выходного напряжения на выходе ИБП при питании от сети и батареи;

изоляция нагрузки от вышестоящей сети, отсутствует передача помех в сеть питания нагрузки, таких как перенапряжения и импульсы;

регулировка выходного напряжения;

возможно функционирование в качестве преобразователя частоты;

широкий диапазон входного напряжения позволяющий поддерживать регулировку выходного напряжения в заданных пределах;

мгновенный переход в автономный режим работы при повреждении сети;

переключение на байпас без перерыва электроснабжения;

ручной байпас для осуществления регламентных работ.

Недостатком топологии с двойным преобразованием является повышенная стоимость, обусловленная указанными выше преимуществами.

Преимущества, которыми обладает данная топология, делают ее единственной конфигурацией, применяемой в сегментах средней и большой мощности (начиная с 10 кВА).

Топология двойного преобразования в нормальном и автономном режимах питает нагрузку через инвертор и лишь в режиме байпас - от сети. Эта особенность важна, так как наличие в сети питания инвертора влияет на величину тока КЗ за ним [8]. Подробнее это влияние описано во второй главе.

1.3 Основные положения защиты от поражения электрическим током


Помимо проблемы бесперебойного электроснабжения ответственных потребителей также стоит проблема обеспечения защиты от поражения человека электрическим током. Основное правило защиты от поражения электрическим током сформулировано в нормативных документах следующим образом: "Опасные токоведущие части не должны быть доступными, а доступные проводящие части не должны быть опасными (в нормальных условиях и при наличии неисправности)" [6,10,11].

Таким образом, современная система электробезопасности должна обеспечивать защиту человека от поражения в двух наиболее вероятных опасных случаях:

при прямом прикосновении к токоведущим частям электрооборудования;

при косвенном прикосновении к токопроводящим частям электрооборудования.

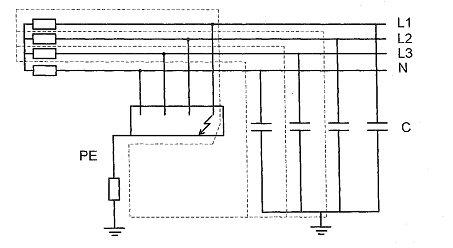
Под косвенным прикосновением понимают [10] прикосновение человека к открытым проводящим частям оборудования, на которых в нормальном режиме электроустановки отсутствует электрический потенциал, но при каких-либо неисправностях, вызывающих нарушение изоляции или ее пробой на корпус, на этих частях возможно появление опасного (если превосходит допустимое значение 50 В) для жизни человека потенциала (рисунок 1.4). Основной характеристикой прямого прикосновения является то, что наличие защитного проводника никак не влияет на эффективность защиты при прямом прикосновении и какой бы ни была система заземления нейтрали, ток, возвращающийся к источнику питания, равен току, протекающему через тело человека. Основной характеристикой косвенного прикосновения является то, что через человека никогда не протекает полный ток повреждения (всегда какая-то часть, зависящая от типа системы заземления).

Рисунок 1.4 - Прямое (А) и косвенное (Б) прикосновения.

Согласно [12] защитные меры при косвенном прикосновении бывают двух видов:

без автоматического отключения питания:

использование систем безопасного сверхнизкого напряжения (БСНН);

защита посредством ограничения энергии разряда;

применение оборудования класса II или с равноценной изоляцией;

использование изолирующих помещений, зон, площадок;

применение электрического разделения цепей;

применение системы местного уравнивания потенциалов;

с использованием автоматического отключения питания, которое почти всегда необходимо, так как предыдущие мероприятия могут быть применены лишь в небольшом количестве случаях. Следует отметить, что [10] диктует для защиты от поражения электрическим током при косвенном прикосновении в электроустановках типа TN применение автоматического отключения питания и лишь в случае невозможности обеспечения заданного времени отключения защита при косвенном прикосновении может быть выполнена с применением мер без автоматического отключения питания.

Автоматическое отключение установки или ее части при повреждении изоляции должно происходить за такое время (приведенное в табл.1.7.79 [10]), при котором напряжение прикосновения (разность потенциалов между двумя проводящими частями или проводящей частью и землей) не представляет опасности для человека. Чем больше напряжение прикосновения, тем быстрее должно происходить отключение.

Время автоматического отключения питания разнится в зависимости от применяемой системы заземления ТN, IT, TT. Для автоматического отключения питания могут быть применены защитно-коммутационные аппараты, реагирующие на сверхтоки или на дифференциальный ток.

1.4 Выбор системы заземления нейтрали при питании ответственных потребителей


Электрические сети напряжением до 1000 В с разными системами заземления значительно отличаются друг от друга по степени бесперебойности электроснабжения потребителей, условиям и способам обеспечения электробезопасности, требованиям к заземляющим устройствам, простоте и удобству проектирования и эксплуатации [13]. В [14,15] приводится сравнительный анализ сетей TN, IT и TT.

Тип системы заземления обозначают двумя буквами. Первая буква указывает на характер заземления источника электропитания:

Т - непосредственная связь нейтрали источника электропитания с землей;- нейтраль источника электропитания изолирована или соединена с землей через большое сопротивление.

Вторая буква определяет состояние заземления:

Т - раздельное (местное) заземление источника электропитания и электрооборудования;- источник электропитания заземлен, а заземление потребителей производится только через PEN-проводник.

1.4.1 Система заземления TN

В системе TN питающие сети имеют непосредственно присоединенную к земле точку. Открытые проводящие части электроустановки присоединяются к этой точке посредством нулевых защитных проводников.

В зависимости от устройства нулевого рабочего и нулевого защитного проводников различают следующие три типа системы TN:

Система TN-C (рисунок 1.5) - система TN, в которой нулевой защитный и нулевой рабочий проводники совмещены в одном проводнике на всем ее протяжении;

Система TN-S (рисунок 1.6) - система TN, в которой нулевой защитный и нулевой рабочий проводники разделены на всем ее протяжении;

Система TN-C-S (рисунок 1.7) - система TN, в которой функции нулевого защитного и нулевого рабочего проводников совмещены в одном проводнике в какой-то ее части, начиная от источника питания.

Рисунок 1.5 - Система TN-С

- заземление источника питания; 2 - открытые проводящие части

Рисунок 1.6 - Система ТN-S

- заземление источника питания; 2 - открытые проводящие части

Рисунок 1.7 - Система TN-С-S

- заземление источника питания; 2 - открытые проводящие части

Однофазные замыкания сетях с системой заземления TN должны автоматически отключаться с помощью защиты от сверхтоков, для чего ток однофазного КЗ должен быть достаточно большим, а сопротивление петли фаза-нуль - весьма малым. Надежность срабатывания защиты от сверхтоков обеспечивается при проектировании путем расчета, а в период эксплуатации - путем измерения сопротивления петли фаза-нуль. Прямое прикосновение в сетях с системой TN всегда опасно, так как напряжение прикосновения равно фазному напряжению сети, но и косвенное также может быть опасно.

Преимущества сетей с системой TN:

возможен отказ от УЗО;

экономия средств при схеме TN-C благодаря устранению одного полюса выключателей и одного проводника;

не требуется постоянный эксплуатационный надзор.

Однако для сети с системой TN характерны низкая степень бесперебойности электроснабжения вследствие отключения питания при однофазном замыкании на корпус (60 - 85 % всех повреждений в сети) и большой ток однофазного КЗ, часто являющийся причиной пожара. Кроме того, из-за необходимости проверки сопротивления петли фаза-нуль при проектировании и эксплуатации персонал должен иметь достаточно высокую квалификацию.

В настоящее время согласно [10] электроустановки напряжением до 1 кВ жилых, общественных и промышленных зданий и наружных установок должны, как правило, получать питание от источника с глухозаземленной нейтралью с применением системы ТN (следует отметить, что в 1.1.17 [10] словосочетание "как правило" означает, что данное требование является преобладающим, а отступление от него должно быть обосновано).

Система TN позволяет иметь только одну защиту сети (защиту от сверхтоков), которая действует при всех видах КЗ, но большой ток однофазного КЗ является ее главным недостатком. Поэтому данную систему не следует рекомендовать, например, для питания потребителей, где существует высокая пожарная опасность. Эта система нашла широкое распространение в Англии, Германии и США.

1.4.2 Система заземления IT

В сети с системой заземления IT (рисунок 1.8) нейтраль изолирована от земли или присоединена к ней через большое сопротивление, а корпуса соединены между собой и с землей. Прямое прикосновение здесь может быть опасно при большой емкости сети или при плохой изоляции, косвенное же прикосновение безопасно, поскольку ток однофазного замыкания весьма мал.

Рисунок 1.8 - Система IT

- сопротивление; 2 - заземление источника питания; 3 - открытые проводящие части; 4 - заземление корпусов оборудования

При первом замыкании (единственном однофазном замыкании в сети) быстрое отключение не требуется. Первое замыкание сигнализируется с помощью устройства контроля изоляции, включенного между нейтралью и землей. Получив сигнал, персонал отыскивает повреждение и устраняет его в удобное для потребителей время. При двойном замыкании установка автоматически отключается с помощью защиты от сверхтоков. Надежность отключения при таком замыкании обеспечивается путем расчетов (при проектировании) или замеров сопротивления петли фаза-нуль (при эксплуатации).

Преимущества сети с системой IT:

высокая степень бесперебойности электроснабжения и электробезопасности как при прямом, так и при косвенном прикосновениях (при условии хорошей изоляции остальных фаз и нейтрали);

наименьшая опасность пожара;

возможен отказ от УЗО.

Наряду с указанными преимуществами имеются следующие недостатки:

необходим эксплуатационный надзор;

персонал должен иметь достаточно высокую квалификацию для отыскания места первого замыкания на корпус и не допускать длительной работы сети с заземленной фазой или нейтралью;

требуется высокий уровень изоляции сети, для чего протяженные сети делят на участки, электроприемники с плохой изоляцией подключают через разделительные трансформаторы и т.п.;

прямое прикосновение в поврежденной (с заземленной фазой), но работающей сети более опасно, чем а сетях с системами ТТ и TN, поскольку напряжение прикосновения равно линейному напряжению сети;

велика вероятность перенапряжений.

Автоматическое отключение должно происходить только при двойном замыкании. В этом случае напряжение косвенного прикосновения может быть опасным. Защита от сверхтоков должна обеспечить отключение хотя бы одного из двух поврежденных участков.

Если нейтральный провод не распределен по сети (распределены три фазы и РЕ-проводник), то ток двойного замыкания Iк - это ток двухфазного (междуфазного) КЗ. Если рабочий нейтральный провод распределен, то возможно двойное замыкание между нейтральным и фазным проводами (однофазное КЗ), тогда ток Iк - ток однофазного КЗ (он меньше тока междуфазного КЗ). Кроме того, этот ток может быть примерно вдвое меньше соответствующего тока в аналогичной сети TN. Если два электроприемника, в которых произошли замыкания на корпус (в первом - фазы, во втором - нейтрали) равноудалены от источника питания, то длина и сопротивление петли фаза-нуль будут вдвое больше, чем для одного электроприемника в сети с системой TN, а ток Iк - примерно вдвое меньше (сопротивлением источника пренебрегаем). Именно этот ток должен быть принят за расчетный для проверки автоматического отключения.

В сети с системой IT необходима установка пробивного предохранителя между нейтралью трансформатора и землей (или между фазой и землей, если нейтраль недоступна) - п.1.7.63 ПУЭ [10]. Он предназначен для защиты сети НН от опасного повышения напряжения в случае пробоя изоляции между первичной и вторичной обмотками трансформатора.

Система IТ обеспечивает самую высокую степень бесперебойности электроснабжения, пожаро- и электробезопасности, но это не означает, что ее нужно использовать во всех случаях.

Система IT применяется во всех развитых странах в сетях, используемых для питания потребителей с высокими требованиями к бесперебойности и электробезопасности, например, в системах питания аэропортов, госпиталей, информационно-вычислительных центров.

1.4.3 Система заземления TT

В сети с системой ТТ (рисунок 1.9) нейтраль источника питания глухо заземлена, а корпуса оборудования соединены между собой и подключены к другому заземляющему устройству. При однофазном замыкании защита от сверхтоков не может обеспечить его автоматическое отключение, так как ток замыкания ограничен двумя сопротивлениями заземляющих устройств (корпусов и нейтрали источника), включенными последовательно. В такой сети прямое прикосновение всегда опасно, поскольку напряжение прикосновения равно фазному напряжению сети, но и косвенное прикосновение также может быть опасно. Для автоматического отключения однофазных замыканий необходима установка хотя бы одного УЗО в начале сети, а лучше - на всех отходящих линиях (п.1.7.59 ПУЭ [10]).

Рисунок 1.9 - Система TT

- заземление источника питания; 2 - открытые проводящие части; 3 - заземление корпусов оборудования

Преимущества сети с системой ТТ:

простота эксплуатации (не требуется проверка сопротивления петли фаза-нуль с целью обеспечения срабатывания защиты от сверхтоков, достаточно лишь периодически проверять исправность УЗО);

отсутствие необходимости постоянного эксплуатационного надзора;

меньшая по сравнению с сетью TN опасность возникновения пожара и порчи оборудования, поскольку ток однофазного замыкания невелик.

Вместе с тем для этой сети характерна низкая степень бесперебойности электроснабжения вследствие отключения питания при однофазном замыкании на корпус (60 - 85 % всех повреждений в сети). Кроме того, в них обязательно применение УЗО, стоимость которых довольно высокая.

В настоящее время согласно п.1.7.59 ПУЭ [10] применение системы ТТ допускается "только в тех случаях, когда условия электробезопасности в системе TN не могут быть обеспечены".

Система ТТ наиболее проста в проектировании и эксплуатации, обеспечивает сравнительно небольшой ток однофазного КЗ, что благоприятствует пожарной безопасности и сохранности электрооборудования, но требует большого количества УЗО. Она широко распространена в странах Западной Европы (кроме Англии и Германии) и в Японии [16].

При выборе режима нейтрали учитывают отличительные особенности разных режимов и местные условий, в частности:

техническую характеристику электроустановки;

эксплуатационные требования и условия;

условия обеспечения безопасности персонала.

 

1.5 Электрофизические реакции при протекании электрического тока через тело человека


В основе современных критериев электробезопасности положены электрофизические реакции, допустимость которых определяется длительностью протекания электрического тока (переменного тока, частотой 50 Гц) через тело человека [12,17]. К числу этих реакций относятся: порог ощущаемого тока - 0,5 мА, порог "отпускающего тока" - 10 мА, порог вентрикулярной фибрилляции [12,17]. В зависимости от тяжести поражения электрическим током у человека могут возникнуть (рисунок 1.10):

дискомфортные ощущения;

сокращения мышц;

ожоги;

остановка сердца.

Рисунок 1.10 - Последствия от протекания электрического тока для организма человека.

Зоны пороговых значений переменного тока 50 Гц, протекающего через тело человека по пути "левая рука - ноги" в зависимости от длительности его действия (МЭК 479-1) показаны на рисунке 1.11 Обозначения зон даны в таблице 1.2.

В соответствии с кривой рисунка 1.11 в том же стандарте [18] представлена таблица (см. таблицу 1.3) с максимально допустимой продолжительностью воздействия напряжения прикосновения на тело человека.

Порог вентрикулярной фибриляции значительно снижается, если длительность протекания тока превышает один период сердечных сокращений. Это объясняется наличием уязвимой фазы сердца в момент, когда волокна желудочков сердца находятся в расслабленном состоянии.

Рисунок 1.11 Зоны пороговых значений переменного тока 50 Гц, протекающего через тело человека по пути "левая рука-ноги" в зависимости от длительности его действия (МЭК 479-1).

Таблица 1.2

Обозначение зон пороговых значений переменного тока

Зона

Граница зон

Физиологические реакции

1

до 0,5 мА

обычно никакой реакции

2

от 0,5 мА до кривой b

неприятные ощущения

3

от кривой b до кривой c1

Обычно никаких органических повреждений. Возможны мышечные сокращения, удушья при длительности протекания тока более 2с.

4

от правее кривой с1 с1-с2 с2-с3 > c3

дополнительно к реакциям зоны 3, возрастает опасность патофизиологических реакций (остановка сердца, дыхания, тяжелые ожоги). Вероятность вентрикулярной фибриляции (остановки сердца): ~ 5 % ~ 50 % > 50 %



Таблица 1.3

Максимально допустимая продолжительность воздействия напряжения прикосновения на тело человека

Помещения без повышенной опасности (UL≤50В)

Ожидаемое напряжение прикосновения, В

<50

50

75

90

120

150

220

280

350

500

Максимальное время отключения питания, с

~

5

5

0,6

0,45

0,34

0,27

0,17

0,12

0,08

0,04


=

5

5

5

5

5

1

0,4

0,3

0,2

0,1

Помещения с повышенной опасностью и особо опасные (UL≤25В)

Ожидаемое напряжение прикосновения, В

<25

50

75

90

110

150

220

280

-

-

Максимальное время отключения питания, с

~

5

0,48

0,3

0,25

0,18

0,1

0,05

0,02

-

-


=

5

5

2

0,8

0,5

0,25

0,06

0,02

-

-


Нормативными документами [18] установлено максимально допустимое напряжение прикосновения при контакте продолжительностью не менее 5 с. Его называют условно безопасным напряжением, UL. В целях упрощения расчетов на основании кривой рисунка 1.11 и в таблице 1.3 в [18] представлены максимально допустимые времена отключения питания в зависимости от номинального фазного напряжения сети, нашедшие свое отражение в соответствующих пунктах [10,18].

 

1.6. Анализ требований к времени отключения токов повреждения в сетях 0.4 кВ в соответствии с новой нормативной базой


В последние годы происходит активная интеграция России в международное сообщество. В вопросах электроэнергетики это проявляется в гармонизации отечественной нормативной базы с международными стандартами, в частности, регламентирующей правила безопасности и устройства электроустановок [19, 20]. Например, в 2003 году введена в действие глава 1.7 "Заземление и защитные меры электробезопасности" ПУЭ 7-ого издания [10], в которой были ужесточены требования к времени автоматического отключения питания в сетях до 1 кВ как основному способу защиты при косвенном прикосновении. В [10] время срабатывания коммутационного аппарата жестко привязано к уровню напряжения сети. Согласно [10] максимально допустимое время защитного автоматического отключения в зависимости от уровня напряжения для сетей с системой заземления TN представлено в таблице 1.4, а для сетей с системой заземления IT в таблице 1.5.

 
Таблица 1.4

Наибольшее допустимое время защитного автоматического отключения для системы TN

Номинальное фазное напряжение U0, В

127

220

380

Более 380

Время отключения, с

0,8

0,4

0,2

0,1


Таблица 1.5

Наибольшее допустимое время защитного автоматического отключения для системы IT

Номинальное линейное напряжение U0, В

220

380

660

Более 660

Время отключения, с

0,8

0,4

0,2

0,1


В шестом издании ПУЭ [11] критерием успешности автоматического отключения питания являлось обеспечение определенной кратности тока короткого замыкания к номинальным токам плавких вставок предохранителей и расцепителям автоматических выключателей. Такой подход устанавливал степень надежности отключения повреждений, но не гарантировал быстрого их отключения. Как показано в [21], при относительно низких значениях токов однофазных КЗ (удаленность нагрузки от источников питания, малое сечение провода и т.д.) время отключения при применении стандартных аппаратов защиты существенно больше указанного в таблицах 1.7.79, 1.7.81 [10], хотя при этом могут выполняться требования [11] по обеспечению определенной кратности тока КЗ. Таким образом, использование на этапе проектирования методов выбора и проверки сечений кабелей до 1 кВ и уставок автоматических выключателей (изложенных в [22]), основанных на требованиях предыдущих изданий ПУЭ, недопустимо, так как приводит к системным ошибкам при построении систем электроснабжения, некорректному выбору сечения и длин проводников, токов срабатывания аппаратов защиты и возникновению случаев смертельного электротравматизма.

Изменение нормативной базы привело к необходимости разработки новых методик обеспечения защиты [23]. В частности, была разработана методика проверки эффективности работы защиты при косвенном прикосновении в электроустановках до 1 кВ на этапе проектирования систем электроснабжения [6], в которой рассматривалось питание нагрузки от понижающего трансформатора, а в последствие была разработана методики проверки эффективности работы защиты при косвенном прикосновении в электроустановках до 1 кВ при электроснабжения от источников бесперебойного питания статического типа [8], которые будут рассмотрены во второй главе.

Но необходимо отметить, что данные методики разрабатывались для сетей с системой заземления TN, получившей наибольшее распространение в России. Аналогичных методик для системы заземления IT не существует.

Глава 2. Методики расчета токов КЗ и проверки эффективности работы защиты при косвенном прикосновении в сетях с системой заземления TN


В главе 1 показано, что отечественная нормативная база последние годы претерпевала изменения. Введение в действие главы 1.7 "Заземление и защитные меры электробезопасности" ПУЭ 7-ого издания [10], в которой были ужесточены требования к времени автоматического отключения питания в сетях до 1 кВ, привело к недопустимости использований на практике методик, основанных на требованиях предыдущих изданий ПУЭ. Эти факторы привели к необходимости разработки новых методик, отвечающих требованиям современной нормативной базы.

Для разработки методики обеспечения защиты при косвенном прикосновении необходимо верное определение источника питания для поврежденного участка и точное определение минимального значения тока короткого замыкания. Это позволяет грамотно отстраивать применяемые аппараты защиты и на практике выполнять требования новой нормативной базы.

Как уже отмечалось выше, в отечественной практике, как правило, применяется система заземления типа ТN [10]. В этой главе будут рассмотрены методики проверки обеспечения защиты при косвенном прикосновении в системе ТN при питании через понижающий трансформатор [6] и при питании от ИБП статического типа [8], разработанные на кафедре ЭПП МЭИ (ТУ).

2.1 Методика расчёта токов короткого замыкания и проверки эффективности работы защиты при косвенном прикосновении в сетях TN при питании через понижающий трансформатор


2.1.1 Расчет токов однофазного короткого замыкания в сетях TN

Согласно ГОСТ 28249-93 [24] расчет токов несимметричных КЗ выполняется с использованием метода симметричных составляющих. Если электроснабжение электроустановки до 1 кВ осуществляется от сети через понижающий трансформатор, то начальное значение периодической составляющей тока однофазного КЗ от системы рассчитывается по формуле (2.1)

, (2.1)

где Uср. НН - среднее номинальное напряжение сети, в которой произошло короткое замыкание, В;∑, xI∑ - соответственно суммарное активное и суммарное индуктивное сопротивления прямой последовательности цепи КЗ, мОм. Эти сопротивления равны:

∑ = rт + rp + rТА + rкв + rк + rш + r0кб + r1кб + rвл + rд


где rт и xт - активное и индуктивное сопротивления прямой последовательности понижающего трансформатора, мОм;ТА и xТА - активное и индуктивное сопротивления первичных обмоток трансформаторов тока, мОм;

хс - эквивалентное индуктивное сопротивление системы до понижающего трансформатора, мОм, приведенное к ступени низшего напряжения;р - активное и индуктивное сопротивления реакторов, мОм;кв и xкв - активное и индуктивное сопротивления токовых катушек автоматических выключателей, мОм;ш и xш - активное и индуктивное сопротивления шинопроводов, мОм;к - суммарное активное сопротивление различных контактов, мОм;кб, rвл и x1кб, xвл - активные и индуктивные сопротивления прямой последовательности кабельных и воздушных линий, мОм;∑ и x0∑ - суммарное активное и суммарное индуктивное сопротивления нулевой последовательности расчетной схемы относительно точки КЗ, мОм. Эти сопротивления равны:

∑ = r0т + rp + rТА + rкв + rк + r0ш + r0кб + r0вл + rд

и x0∑ = xот + xр + xТА + xкв + x0ш + x0кб + x0вл,

где r0т и x0т - активное и индуктивное сопротивления нулевой последовательности понижающего трансформатора;ш и x0ш - активное и индуктивное сопротивления нулевой последовательности шинопровода;кб и x0кб - активное и индуктивное сопротивления нулевой последовательности кабеля;вл и x0вл - активное и индуктивное сопротивления нулевой последовательности воздушной линии (r0вл = r1вл, x0вл  3x1вл).

В [6,25,26,27,28] для сетей типа ТN предложена упрощенная методика расчета тока повреждения и тока однофазного КЗ IK (1). Методика действительна для сетей, питающих конечные электроприемники (I-й, II-й уровень системы электроснабжения), находящиеся достаточно далеко от источника питания.

Выражение для тока однофазного КЗ имеет вид:

 (2.2)

где Rph, RPE - соответственно активное сопротивление фазного и нулевого защитного проводника, Ом.

Выражения (2.2) является приближенным, так как в нём имеется ряд допущений:

предполагается, что участок цепи КЗ выше рассматриваемого щита (сборки) представляет 20% от суммарного сопротивления петли фаза-нуль. Другими словами, напряжение между фазой и PE (PEN) проводником составляет 80% номинального фазного напряжения.

Не учитывается реактивное сопротивление кабельных линии сечением S120 мм2.

Не учитывается сопротивление дуги, контактов и т.д.

2.1.2 Методика проверки эффективности работы защиты при косвенном прикосновении в сетях TN при питании через понижающий трансформатор

При системе заземления ТN, любое повреждение изоляции превращается в однофазное КЗ между фазным и PE (PEN) проводником из-за непосредственной связи отрытых проводящих частей с глухозаземленной нейтралью источника питания. Таким образом, автоматическое отключение питание эффективно, если ток повреждения изоляции достаточен для срабатывания защиты от сверхтока и время ее работы не превышает максимально допустимого, зависящего от фазного напряжения сети. Это условие должно быть обеспечено на этапе проектирования электроустановки путем наложения минимальных значений тока КЗ на время-токовую характеристику аппарата защиты на всех уровнях системы электроснабжения [20,29].

В случае если защитный аппарат предохранитель необходимо проверить, что выполняется условие (рисунок 2.1, а):

         (2.3)

где t1 - время срабатывания предохранителя при однофазном КЗ I (1) K, с; t0 - нормированное время срабатывания предохранителя, зависящие от номинального напряжения сети, принимается согласно таблице 1.7.79, [10] с;

В случае если время срабатывания предохранителя, при токе I (1) K находиться в диапазоне 5с ≥ t1 ≥ t0 защита при косвенном прикосновении согласно [10] гарантируется только в цепях, питающих групповые щиты.

Проверка возможности применения плавких предохранителей по условию отключения участка сети в течение нормируемого времени требует индивидуальной оценки номинальных параметров каждого предохранителя. Очевидно, что при всем разнообразии электроприемников на напряжении 0,4 кВ, сопоставление время-токовых характеристик предохранителей и токов однофазных КЗ очень трудоемкая задача, затягивающая процесс проектирования.

Если защитный аппарат - автоматический выключатель, то достаточно проверить, что величина тока однофазного КЗ превышает уставку тока срабатывания отсечки (рисунок 2.1, б):

 (2.4)

где IТО - уставка срабатывания токовой отсечки автоматического выключателя, А. В этом случае размыкание контактов автоматического выключателя происходит за время намного меньшее, чем установленное допустимое время в таблице 1.7.79 [10], так полное время отключения токоограничивающих выключателей составляет менее 10 мс (при отключении предельных токов), нетокоограничивающих выключателей - 40 мс.

Селективные автоматические выключатели должны применяться для питания распределительных щитов, так как при этом допустимо использовать регулировку селективной отсечки (обычно от 0,1 до 0,7 с). Следует отметить, что при определении максимального значения уставки срабатывания токовой отсечки автоматического выключателя необходимо учитывать допустимый разброс по току срабатывания, заявленный производителем оборудования. В общем случае согласно [30] максимально допустимый разброс по току срабатывания токовой отсечки составляет ±20%.

а)                                                                        б)

Рисунок 2.1 - Время-токовая характеристика:

а) предохранителя; б) автоматического выключателя.

Анализируя время-токовые характеристики (рисунок 2.1 а, б) аппаратов защиты можно сделать вывод о том, что максимальное время отключения аппаратом защиты тока повреждения будет при минимальном значении тока КЗ. Методика определения минимального тока КЗ по точным и упрощенным метода рассмотрена в [6].

На основании проведенного в [6] сравнения точных и приближенных методов расчета тока КЗ, можно сделать вывод о том, что для практической оценки величины тока однофазного КЗ в сетях типа ТN может быть использовано выражение

 (2.5)

где L - длина проводника; ρ - удельное сопротивление, принимаемое по таблице 2.1 в зависимости от целей расчета; S - сечение фазного проводника, m=S/ SPE.

Таблица 2.1

Значения сопротивления проводников

Цель расчета

Сопротивление

Величина сопротивления, Ом мм2/м)

Участвующие в расчете проводники



Медь

Алюминий


Максимальные токи КЗ

ρо =ρ

0,0175

0,0294

Фаза-N

Минимальные токи КЗ Если защитный аппарат:

Предохранитель ρ2=1,5·ρо

0,028

0,044

Фаза-N


Авт. выключатель ρ2=1,25·ρо

0,023

0,037

Фаза-N

Ток повреждения в схеме TN и IТ

ρ1=1,25·ρо

0,023

0,037

Фаза-PE (PEN) N


Примечание: ρ0 - удельное сопротивление проводников при 200С равные 0,0175 Ом· мм2/м для меди и 0,02941 Ом· мм2/м для алюминия.

Выражение (2.5) дает хорошие результаты, если расчетная точка КЗ находится на зажимах электроприемника, подключенного к сборкам II уровня системы электроснабжения. Для двигателей, питаемых непосредственно с ГРЩ (особенно при длинах до 100 м) должны применяться точные методы расчета тока КЗ, так как в этом случае пренебрежение сопротивлением трансформатора и дуги при расчете тока КЗ становится недопустимым и приводит к погрешностям больше допустимых по [24]. Выражение (2.5) применимо в случае, если питающий трансформатор имеет схему соединений Д/Yо или Y/Z и PE (PEN) проводник проложен в непосредственной близости от фазных проводников [6].

Решая совместно (2.4) и (2.5), в которых принято I (1) K =IТО, L=Lm, получаем выражение для максимально допустимой длины кабеля Lm, при которой обеспечивается требуемый уровень токов однофазных КЗ для гарантированного автоматического отключения питания:

 (2.6)

Таким образом, условие (2.2) преобразуется до следующего вида:< Lm, (2.7)

где L - фактическая длина проверяемой линии, м; Lm - максимально допустимая длина линии, по условию обеспечения защиты при косвенном прикосновении, м.

На основании выражения (2.6) в [6] были получены максимальные длины кабельной линии, в зависимости от величины уставки срабатывания токовой отсечки автоматического выключателя, при которых обеспечивается защита при косвенном прикосновении. Результаты расчета представлены в таблице 2.2 Данные таблицы 2.2 действительны только в том случае, если PE проводник проложен в непосредственной близости от фазных проводников, без включения между ними ферромагнитных материалов. Таблица 2.2 составлена при условии, что PE и фазный проводники выполнены из одного материала (меди). В случае если защитный проводник выполнен из другого материала данные таблицы 2.2 должны быть скорректированы с учетом проводимости PE проводника в медном эквиваленте.

Таблица 2.2.1

Максимальная длина (м) кабельной линии в системе TN к однофазному или трехфазному электроприемнику при напряжении питающей сети 220/380 В, при которой обеспечивается защита при косвенном прикосновении.

S, сечение проводников, мм2

Ток уставки токовой отсечки автоматического выключателя IТО, А


875

1000

1120

1250

1600

2000

2500

3200

4000

5000

6300

8000

10000

12500

1,5

6

5

4

4











2,5

10

8

7

7

5

4









4

15

13

12

11

8

7

5

4







6

23

20

18

16

13

10

8

6

5

4





10

38

33

30

27

21

17

13

10

8

7

5

4



16

61

53

48

43

33

27

21

17

13

11

8

7

5

4

25

95

83

74

67

52

42

33

26

21

17

13

10

8

7

35

133

117

104

93

73

58

47

36

29

23

19

15

12

9

50

190

167

149

133

104

83

67

52

42

33

26

21

17

13

70

267

233

208

187

146

117

93

73

58

47

37

29

23

19

95

362

317

283

253

198

158

127

99

79

63

50

40

32

25

120

457

400

357

320

250

200

160

125

100

80

63

50

40

32

150


435

388

348

272

217

174

104

109

87

69

54

43

35

185



459

411

321

257

206

161

128

103

82

64

51

41

240





400

320

256

200

160

128

102

80

64

51


Таблица 2.2.2

S, сечение проводников, мм2

Ток уставки токовой отсечки автоматического выключателя IТО, А


50

63

80

100

125

160

200

250

320

400

500

560

630

700

800

1,5

100

79

63

50

40

31

25

20

16

13

10

9

8

7

6

2,5

167

132

104

83

67

52

42

33

26

21

17

15

13

12

10

4

267

212

167

133

107

83

67

53

42

33

27

24

21

19

17

6

400

317

250

200

160

125

100

80

63

50

40

36

29

25

10



417

333

267

208

167

133

104

83

67

60

53

48

42

16





427

333

267

213

167

133

107

95

85

76

67

25







417

333

260

208

167

149

132

119

104

35








467

365

292

233

208

185

167

146

50









521

417

333

298

265

238

208

70












417

370

333

292

95














452

396

120
















150
















185
















240

















Примечание: таблица составлена при Sph/ SPE=1; материал токоведущей жилы - медь; при составлении таблицы учитывался максимально допустимый разброс по току срабатывания э/м расцепителя +20%.

В случае, если расчетные условия отличаются от указанных в примечании таблицы 2.2, необходимо полученную длину КЛ из таблицы 2.2 умножить на поправочные коэффициенты к1 (учитывающий материал токоведущей жилы и отношение между площадями поперечного сечения фазного и защитного проводника (m)) и к2 (учитывающий номинальное напряжение сети), приведенные в таблицах 2.3 и 2.4 соответственно.

Таблица 2.3

Величина поправочного коэффициента к1

Материал токоведущей жилы

к1


m=Sph/ SPE =1

m=Sph/ SPE =2

Медь

1

0,67

Алюминий

0,62

0,42


Таблица 2.4

Величина поправочного коэффициента к2

Номинальное фазное напряжение, U0, В

к2

127

0,55

220

1,00

380

1,73


Выражение (2.5) позволяет при отсутствии характеристик питающей сети определять минимальное сечение кабеля, при котором обеспечивается защита при косвенном прикосновении для ЭД средней и малой мощности.

2.2 Методика расчёта токов короткого замыкания и проверки защиты при косвенном прикосновении в сетях TN при питании от ИБП статического типа


В первой главе показаны режимы работы ИБП статического типа топологии двойного преобразования. Можно выделить два варианта питания нагрузки: через инвертор или минуя последний. В [8] приведена классификация режимов работы ИБП статического типа всех топологий с точки зрения защиты при косвенном прикосновении. В таблице 2.5 приведены режимы работы ИБП топологии двойного преобразования.

Таблица 2.5

Режим работы ИБП с точки зрения защиты при косвенном прикосновении

Топология ИБП

Режим работы в соответствии с классификацией стандарта

Режим питания нагрузки

ИБП с двойным преобразованием (double conversion)

нормальный режим работы

инверторный


автономный режим работы

инверторный


байпас

от сети


Как видно из таблицы 2.5 нагрузка может питаться либо от инвертора, либо от сети. Следовательно, при создании методики обеспечения защиты при косвенном прикосновении автоматическим отключением питания нужно учитывать оба варианта питания нагрузки, так как каждый из них имеет свои особенности.

В [22] описаны различия этих режимов, которые приводят к тому, что ток однофазного КЗ рассчитывается по-разному. Следовательно, необходимо отстраивать применяемый аппарат защиты от меньшего из ожидаемых токов однофазного КЗ.

 

2.2.1 Расчет тока однофазного КЗ в сетях TN в инверторном режиме работы

В инверторном режиме работы ток однофазного КЗ рассчитывается по формуле (2.8), схема замещения для расчета тока однофазного КЗ в первый момент времени представлена на рисунке 2.2 [31]:

Рисунок 2.2 - Схема замещения для расчета тока однофазного КЗ в первый момент времени

, (2.8)

где Uном. вых. ИБП - номинальное выходное напряжение ИБП; Rph, RPE - активные сопротивления фазного и нулевого защитного проводника соответственно.

Если задать отношение площадей поперечных сечений фазного и нулевого защитного проводника, m, выражение (2.8) приобретает следующий вид:

, (2.9)

где L - длина проводника; ρ - удельное сопротивление, принимаемое по таблице 2.1 в зависимости от целей расчета; S - сечение фазного проводника; m=S/ SPE.

Выражения (2.8) и (2.9) для определения тока однофазного КЗ являются приближенными, так как в них имеется ряд допущений:

Не учитывается реактивное сопротивление кабельных линии сечением

S 120 мм2. При больших сечениях для учета реактивного сопротивления в [25] предлагается увеличивать активное сопротивление следующим образом:

S = 150 мм2

R + 15% R

S = 185мм2

R + 20% R

S = 240мм2

R + 25% R


Не учитывается сопротивление дуги, контактов и т.д.

 

2.2.2 Расчет тока однофазного КЗ в сетях TN в режиме работы от сети


В режиме работы от сети расчет тока однофазного КЗ аналогичен расчету тока однофазного КЗ при питании от сети через понижающий трансформатор. Следовательно, ток однофазного КЗ может рассчитываться по точной формуле (2.1) или по упрощенной формуле (2.5):

Если задать отношение площадей поперечных сечений фазного и нулевого защитного проводника, m, то получим:

, (2.10)

где L - длина проводника; ρ - удельное сопротивление, принимаемое по таблице 2.1 в зависимости от целей расчета; S - сечение фазного проводника, m=S/ SPE.

Выражения (2.5), (2.6) и (2.10) для определения тока повреждения и максимально допустимой длины кабеля являются приближенными, так как в них имеется ряд допущений:

предполагается, что участок цепи КЗ выше рассматриваемого щита (сборки) представляет 20% от суммарного сопротивления петли фаза-нуль. Другими словами, напряжение между фазой и PE (PEN) проводником составляет 80% номинального фазного напряжения.

Не учитывается реактивное сопротивление кабельных линии сечением

S120 мм2. При больших сечениях для учета реактивного сопротивления в [6,25] предлагается увеличивать активное сопротивление следующим образом:

S = 150 мм2

R + 15% R

S = 185мм2

R + 20% R

S = 240мм2

R + 25% R


Не учитывается сопротивление дуги, контактов и т.д.

Выражения (2.9) и (2.10) применимы если: питающий данную установку трансформатор имеет схему соединений Д/Yо или Y/Z;(PEN) проводник проложен в непосредственной близости от фазных проводников (например, если в качестве защитного проводника используется четвертая жила кабеля).

Выражения (2.9) и (2.10) позволяют при отсутствии характеристик питающей сети определять минимальные токи однофазного КЗ (I (1) K, If) и достаточно просто получать максимально допустимую длину линии L, при которой обеспечивается защита при косвенном прикосновении.

 

2.2.3 Сравнение инверторного режима работы и режима работы от сети при расчета тока однофазного КЗ

В инверторном режиме работы ток однофазного КЗ рассчитывается по формуле 2.8, в которой учитывается поддержание выходного напряжения инвертором и сопротивления петли фаза-ноль. Как видно из формулы, вышестоящая сеть никак не учитывается при расчете тока однофазного КЗ от ИБП. Что вполне соответствует рекомендациям, данным в [32].

В режиме работы от сети ИБП при расчете тока однофазного КЗ учет вышестоящей сети происходит вне зависимости от применяемого метода расчета тока однофазного КЗ. Так при точном расчете по формуле 2.1 [24] учет вышестоящей сети происходит за счет введения эквивалентного индуктивного сопротивления системы до понижающего трансформатора, приведенного к ступени низшего напряжения хс. При расчете тока однофазного КЗ по методу петля-фаза ноль, ток рассчитывается по формуле 2.5 Коэффициент 0,8 учитывает падение напряжения в сети до ИБП, то есть предполагается, что участок цепи КЗ выше рассматриваемого щита представляет 20% суммарного сопротивления петли фаза-нуль. Другими словами, напряжение между фазой и PE (PEN) проводником составляет 80% номинального фазного напряжения [25].

В инверторном режиме работы возможны два варианта соотношения между рассчитанным и реальным током КЗ [33,34]. В первом варианте, когда рассчитанный ток однофазного КЗ за ИБП - IK (1) меньше ограниченного тока применяемого ИБП - Iогр, рассчитанный ток соответствует реальному току КЗ с учетом погрешности расчета. Во втором варианте, когда рассчитанный ток однофазного КЗ за ИБП - Iк (1) больше ограниченного тока ИБП - Iогр, реальный ток КЗ будет меньше рассчитанного за счет токоограничения инвертора. В сети в течение времени токоограничения будет протекать ограниченный ток ИБП, определяемый настройками производителя. Этот вариант является наихудшим с точки зрения обеспечения защиты при косвенном прикосновении автоматическим отключением питания, так как рассчитанный минимальный ток КЗ, ток однофазного КЗ за ИБП - Iк (1), будет больше реального сетевого тока КЗ, равного ограниченному току ИБП - Iогр. Во избежание ошибки при выборе защитного аппарата необходимо учитывать последний вариант.

В сетевом режиме рассчитанный ток КЗ соответствует реальному току КЗ с учетом погрешности расчета [8].

2.2.4 Методика проверки эффективности защиты при косвенном прикосновении в сетях TN при питании от ИБП статического типа

В случае работы ИБП в инверторном режиме рассчитанный по формуле (2.8) ток однофазного КЗ необходимо сравнить с величиной ограниченного тока применяемого ИБП. В [35] принято брать Iогр равным двум - трем номинальным токам ИБП, но анализ источников бесперебойного питания применяемых в Российской Федерации (таблица 2.6), показал, что возможны варианты применения ИБП с Iогр равным четырем номинальным тока ИБП. Поэтому нужно уточнять величину ограниченного тока для каждого конкретного случая.

Таблица 2.6

Ограниченные токи ИБП, применяемых в России

Фирма производитель

Название

Мощность

Ограниченный ток

Время тоограниячения

Gutor

PEW

5-100 кВА

2Iном

100 мс

MGE

3000 TM

10-30 кВА

2,7 Iном

100мс

Socomec

DELPHYS MP

60 - 200 кВА

 4.6 Iном.

100мс


В случае, когда рассчитанный ток однофазного КЗ меньше ограниченного тока ИБП,

(1) ≤ Iогр, (2.11)

то необходимо отстраивать применяемый аппарат защиты от величины рассчитанного тока однофазного КЗ IK (1), то есть убедиться, что IK (1) больше или равен току срабатывания применяемого аппарата защиты. При этом если в качестве защитного аппарата применяется предохранитель, необходимо проверить, что ток однофазного КЗ вызывает срабатывание предохранителя за время, не превышающее указанное в ПУЭ [10], то есть выполняется условие (2.3) (рисунок 2.1, а):

Если защитный аппарат - автоматический выключатель, то достаточно проверить, что величина Iк (1) превышает ток срабатывания электромагнитного расцепителя (2.4). В этом случае размыкание контактов автоматического выключателя происходит за время намного меньшее, чем установленное допустимое время [10] (рисунок 2.1, б):

Для определения максимально допустимой длины кабеля Lm, при которой обеспечивается требуемый уровень токов однофазных КЗ для гарантированного автоматического отключения питания совместно решаются (2.4) и (2.8), в которых принято IK (1) = IТО, L=Lm [16,36],


Для случая, когда IK (1) ≤ Iогр и защитным аппаратом является автоматический выключатель в [8] выполнены расчеты максимальных длин кабельных линий в системе TN при напряжении сети 220/380 В при питании от ИБП, при которых обеспечивается защита при косвенном прикосновении. Результаты этих расчетов приведены в таблице 2.7.

Если рассчитанный ток КЗ больше ограниченного тока ИБП, IK (1) ≥ Iогр (2.12), то применяемый аппарат защиты необходимо отстраивать от величины ограниченного тока Iогр, так как в этом случае отсутствует зависимость величины тока, протекающего в петле фаза-ноль, от длины проводника. В случае применения в качестве аппарата защиты предохранителя необходимо убедиться, что выполняется условие (2.3) (рисунок 2.1, а). Если защитный аппарат - автоматический выключатель, то достаточно проверить, что величина Iогр превышает ток срабатывания электромагнитного расцепителя. В этом случае размыкание контактов автоматического выключателя происходит за время намного меньшее, чем установленное допустимое время [10] (рисунок 2.1, б):

огр ≥ Iотс (2.13)

Результаты такой проверки для ИБП фирмы MGE серии Galaxy PW номинального ряда мощностей 40, 60, 80, 100, 120, 200 кВА и автоматических выключателей приведены в таблице 2.8.

Таблица 2.7

Максимальная длина (м) кабельной линии в системе TN к однофазному или трехфазному электроприемнику при напряжении питающей сети 220/380 В при питании от инвертора, при которой обеспечивается защита при косвенном прикосновении.

S, сечение проводников, мм2

Ток уставки токовой отсечки автоматического выключателя IТО, А


50

63

80

100

125

160

200

250

320

400

500

560

630

700

1,5

120

95

76

60

48

38

30

24

19

16

12

11

10

8

2,5

200

158

125

100

80

62

50

40

31

25

20

18

16

14

4

320

254

200

160

128

100

80

64

50

40

32

29

25

23

6

480

380

300

240

192

150

120

96

76

60

48

43

38

35

10



500

400

320

250

200

160

125

100

80

72

64

58

16





512

400

320

256

200

160

128

114

102

91

25







500

400

312

250

200

179

158

143

35








560

438

350

280

250

222

200

50









625

500

400

358

318

286

70












500

444

400

95














542



Таблица 2.8

Применение автоматических выключателей в зависимости от номинальной мощности (ограниченного тока) ИБП, при котором обеспечивается защита при косвенном прикосновении.

Номинальная мощность ИБП, кВА

Номинальный ток ИБП, А

Ограниченный ток ИБП, А

Ток уставки токовой отсечки автоматического выключателя IТО, А




50

63

80

100

125

160

200

250

320

400

500

560

630

700

32

60,8

141,6















40

76,0

177,0















48

91,2

212,4















64

121,6

283,2















80

151,9

354,0















96

182,3

424,8















128

566,4















160

303,9

708,0
















Алгоритм методики проверки на обеспечение защиты при косвенном прикосновении при питании нагрузки от ИБП в инверторном режиме представлен на рисунке 2.3.

Рисунок 2.3 - Блок-схема алгоритма методики проверки на обеспечение защиты при косвенном прикосновении при питании нагрузки в инверторном режиме.

Кроме понятия ограниченный ток в [8] рекомендуется рассматривать следующие понятия:

Время токоограничения - время, в течение которого ИБП выдает в сеть ограниченный ток. При времени токоограничения меньше 0,4 с правильная отстройка аппарата защиты позволит селективно отключить поврежденный фидер, не допуская отключения ИБП по токовой перегрузке, и избежать перевода остальной нагрузки на незащищенный режим питания - байпас. При времени токоограничения больше 0,4 с правильная отстройка аппарата защиты позволит выполнить требования новой нормативной базы к времени автоматического отключения питания.

Ограниченная длина - значение длины при данном сечении, при котором в сети протекает ограниченный ток. Эта длина должна быть рассчитана для каждого ИБП для каждого возможного сечения. Знание этого параметра позволит упростить выбор аппарата защиты для инженеров-проектировщиков. При длине меньшей, чем ограниченная длина, аппарат защиты автоматически отстраивается от величины ограниченного тока. При длине большей, чем ограниченная длина, аппарат защиты отстраивается от рассчитанного тока однофазного КЗ в инверторном режиме питания. Ограниченная длина рассчитывается из формулы 2.10, в которой ток IK (1) заменен на Iогр.

В режиме работы от сети необходимо отстраивать применяемый аппарат защиты от величины рассчитанного тока однофазного КЗ IK (1) по упрощенной формуле 2.5 или по точной формуле 2.1 в соответствии с ГОСТом [24]. То есть убедиться, что IK (1) больше или равен току срабатывания применяемого аппарата защиты. При этом если в качестве защитного аппарата применяется предохранитель, необходимо проверить, что ток однофазного КЗ вызывает срабатывание предохранителя за время, не превышающее указанное в ПУЭ [10], то есть выполняется условие (2.3) (рисунок 2.1, а). Если защитный аппарат - автоматический выключатель, то достаточно проверить, что величина IK (1) превышает ток срабатывания электромагнитного расцепителя. В этом случае размыкание контактов автоматического выключателя происходит за время намного меньшее, чем установленное допустимое время [10] (рисунок 2.1, б), формула (2.4). Для случая, когда защитным аппаратом является автоматический выключатель выполнены расчеты максимальных длин кабельных линий в системе TN при напряжении сети 220/380 В при питании от ИБП в режиме работы от сети, при которых обеспечивается защита при косвенном прикосновении. Результаты этих расчетов приведены в таблице 2.9.

Таблица 2.9

Максимальная длина (м) кабельной линии в системе TN к однофазному или трехфазному электроприемнику при напряжении питающей сети 220/380 В при питании от сети, при которой обеспечивается защита при косвенном прикосновении.

S, сечение проводников, мм2

Ток уставки токовой отсечки автоматического выключателя IТО, А


50

63

80

100

125

160

200

250

320

400

500

560

630

700

800

1,5

100

79

63

50

40

31

25

20

16

13

10

9

8

7

6

2,5

167

132

104

83

67

52

42

33

26

21

17

15

13

12

10

4

267

212

167

133

107

83

67

53

42

33

27

24

21

19

17

6

400

317

250

200

160

125

100

80

63

50

40

36

32

29

25

10



417

333

267

208

167

133

104

83

67

60

53

48

42

16





427

333

267

213

167

133

107

95

85

76

67

25







417

333

260

208

167

149

132

119

104

35








467

365

292

233

208

185

167

146

50









521

417

333

298

265

238

208

70












417

370

333

292

95














452

396


Общий алгоритм методики проверки на обеспечение защиты при косвенном прикосновении при питании нагрузки от ИБП [8] представлен на рисунке 2.4.

Рисунок 2.4 - Блок схема алгоритма методики проверки на обеспечение защиты при косвенном прикосновении при питании нагрузки от ИБП

Глава 3. Методики расчета токов КЗ и проверки эффективности работы защиты при косвенном прикосновении в сетях с системой заземления IT


В первой главе было сказано, что система заземления IT будет получать всё большее распространение ввиду увеличения доли потребителей, требовательных к бесперебойности электропитания, пожаро - и электробезопасности, а проектная практика показывает, что наилучшим решением для таких потребителей является применение системы заземления IT.

Но, приходится констатировать, отсутствие чётких методик обеспечения защиты для данной системы заземления, ввиду её не очень широкого применения в нашей стране. Однако, как уже было сказано, увеличение числа потребителей, схема электроснабжения которых требует использование системы заземления IT (например, госпитали, вычислительные центры и т.д.), делает проблему разработки методики обеспечения защиты для сети с изолированной нейтралью актуальной научной проблемой.

В связи с этим разработаем методику проверки эффективности работы защиты при косвенном прикосновении в сетях до 1 кВ с системой заземления IT при питании от понижающего трансформатора и от ИБП статического типа.

3.1 Методика расчёта токов короткого замыкания в сетях IT при питании через понижающий трансформатор


В сети с системой заземления IT (рисунок 1.8, глава 1) нейтраль изолирована от земли или присоединена к ней через большое сопротивление, а все открытые проводящие части отдельно или в группе соединены с землей.

Существуют два вида систем заземления IT в зависимости от структуры нулевого рабочего проводника: с нераспределенной нейтралью (рисунок 3.1), с распределенной нейтралью (рисунок 3.2).

Рисунок 3.1 - Система IT с нераспределённой нейтралью

Рисунок 3.2 - Система IT с распределенной нейтралью.

Прямое прикосновение здесь может быть опасно при большой емкости сети или плохой изоляции [15]. Ток замыкания на землю в системе IT определяется конфигурацией данной системы: наличием или отсутствием распределения нулевого рабочего проводника, способом заземления потребителя. Обычно при первом замыкании ток имеет очень низкие значения, что обуславливает допустимое прикосновению напряжение, поэтому отключение данной сети не требуется, необходимо только своевременно обнаружить и устранить причину одиночного замыкания. Первое замыкание сигнализируется устройством контроля изоляции, включенного между нейтралью и землей. При не устраненном первом замыкании и возникновении в сети второго замыкания возникает режим опасный для здоровья человека, и в этом случае требуется немедленное отключение такой сети.

Рассмотрим подробней замыкания в системе IT с различной конфигурацией.

3.1.1 Первое замыкание

 

.1.1.1 Сеть IT с изолированной и нераспределенной нейтралью

При изолированной и нераспределенной нейтрали (рисунок 3.1) (т.е. при отсутствии нейтрального проводника) ток замыкания одной из трех фаз IK, определяется суммой токов, протекающих через емкости по отношению к земле двух других фаз (при замыкании фазы L1 по формуле (3.1)):

, (3.1)

где Ic2=jCfωU12; Ic3=jCfωU13.

В приведенных формулах ω=314 - угловая частота; U12 - комплексное линейное напряжение между фазами L1 и L2; U13 - то же, но между фазами L1 и L3; Cf - емкость фазы по отношению к земле. Выполнив несложные преобразования, получаем действующую величину тока замыкания (3.2):

, (3.2)

Значение этого тока вызывает появление напряжения между корпусом и землей, которое не представляет опасности, и электроустановка может продолжать работу в таком режиме.

3.1.1.2 Сеть IT с заземленной через сопротивление и нераспределенной нейтралью

Если в электроустановке используется система заземления IT с заземленной через сопротивление ZN нейтралью (рисунок 3.3), то комплексный ток замыкания определяется формулой (3.3):

, (3.3)

где

Рисунок 3.3 - Система IT с заземленной через сопротивление ZN нераспределенной нейтралью.

В этом случае напряжение между корпусом электрооборудования и землей в месте замыкания и в этом случае мало и не представляет опасности. Поэтому электроустановка не нуждается в отключении.

3.1.1.3 Сеть IT с изолированной и распределенной нейтралью

Если нейтраль распределена (т.е. в электроустановке используется нейтральный проводник) и сопротивление ZN отсутствует (рисунок 3.2), напряжение смещения нейтрали вызывает дополнительный ток (3.4):

, (3.4)

Аналогично формуле (3.2) получаем формулу (3.5)

; (3.5)

где ω=314 - угловая частота; Cf - емкость фазы по отношению к земле; U0 - фазное напряжение сети.

Электроустановка так же не нуждается в отключении.

3.1.2 Второе замыкание при не устраненном первом

В случае возникновения обоих замыканий на токоведущих частях одной фазы, ситуация не является опасной, и электроустановка может продолжать работу в таком режиме.

3.1.2.1 Сеть IT с нераспределенной нейтралью и общим заземлителем потребителей

Если замыкания возникают на разных фазах сети, когда все открытые проводящие части присоединены к одному заземляющему устройству, то через РЕ-проводник проходит ток двойного замыкания (рисунок 3.4).

Рисунок 3.4 - Двойное замыкание на разных фазах сети в системе IT с общим заземлителем.

Опасность поражения электрическим током в этой ситуации аналогична при замыкании в электроустановке с системой заземления TN и определяется формулой (3.6):

, (3.6)

Если задать отношение площадей поперечных сечений фазного и нулевого защитного проводника, m, выражение (3.6) приобретает следующий вид (3.7)

, (3.7)

Отключение при двойном замыкании в сети с данной конфигурацией должно осуществляться устройством защиты от сверхтоков.

3.1.2.2 Сеть IT с распределенной нейтралью и общим заземлителем потребителей

Если нейтраль распределена, а все открытые проводящие части присоединены к одному заземляющему устройству, то необходимо рассмотреть случай, когда одно замыкание происходит между нейтральным проводником и корпусом, а второе между фазным проводником и корпусом (рисунок 3.5).

Рисунок 3.5 - Двойное замыкание фазы и нейтрали в сети с распределенной нейтралью в системе IT с общим заземлителем.

В этом случае, как и в предыдущем, протекание тока короткого замыкания предоставляет опасность для получения электротравмы и должно производиться отключение устройством защиты от сверхтоков. Ток замыкания вычисляется по формуле (3.8):

, (3.8)

Если задать отношение площадей поперечных сечений фазного и нулевого защитного проводника, m, допустить, что Rph=RN, и длины всех проводников одинаковы, то выражение (3.8) приобретает следующий вид (3.9)

, (3.9)

3.1.2.3 Сеть IT с нераспределенной нейтралью и отдельными заземлителями потребителей

В данном случае замыкание происходит в электроустановках, каждая открытая проводящая часть или отдельные группы этих частей которых присоединены к разным заземляющим устройствам и замыкание происходит на разных фазах (рисунок 3.6).

Рисунок 3.6 - Двойное замыкание на разных фазах сети в системе IT с отдельными заземляющими устройствами.

Ток замыкания в ситуации, возникающей при замыканиях в цепях с отдельными заземляющими устройствами, определяется по формуле (3.10):

, (3.10)

где RЗ - сопротивление заземлителя.

Отключение при таком двойном замыкании должно осуществляться устройством защиты по дифференциальному току.

3.1.2.4 Сеть IT с распределенной нейтралью и отдельными заземлителями потребителей

В данном случае замыкание происходит в системе, где в электроустановках каждая открытая проводящая часть или отдельные группы этих частей присоединены к разным заземляющим устройствам и одно из замыканий происходит между нейтральным проводником и корпусом, а другое между фазным проводником и корпусом другой электроустановки (рисунок 3.7).

Рисунок 3.7 - Двойное замыкание фазы и нейтрали в системе IT с отдельными заземляющими устройствами.

Данная ситуация аналогична предыдущей, различие заключается лишь в том, что в этом случае ток замыкания определяется фазным напряжением а не линейным. Отключение так же должно осуществляться устройством защиты по дифференциальному току. Ток замыкания определяется по (3.11):

, (3.11)

где RЗ - сопротивление заземлителя.

3.2 Методика проверки эффективности работы защиты при косвенном прикосновении при питании через понижающий трансформатор


Система IT обеспечивает самую высокую степень бесперебойности электроснабжения, пожаро- и электробезопасности. В России ПУЭ рекомендует применять ее "при недопустимости перерыва питания при первом замыкании на землю" (п.1.7.58 [10]), т.е. для потребителей, требующих высокой степени бесперебойности питания. В Норвегии, например, она используется в городских сетях, во Франции - в заводских. Во Франции нормы требуют обязательного ее использования в сетях, питающих общественные здания [15].

Основным преимуществом системы IT является то, что при первом замыкании на землю быстрое отключение не требуется. Первое замыкание сигнализируется посредством устройства контроля изоляции, после чего персонал отыскивает повреждение и устраняет его в удобное для потребителей время. При двойном замыкании установка автоматически отключается с помощью аппаратов защиты от сверхтоков. Надежность отключения при таком замыкании обеспечивается путем расчетов (при проектировании) или замеров сопротивления изоляции петли фаза-нуль (при эксплуатации).

Таким образом, автоматическое отключение должно происходить только при двойном замыкании. В этом случае напряжение косвенного прикосновения может быть опасным, и защита от сверхтоков должна обеспечить отключение хотя бы одного из двух поврежденных участков [15].

Если нейтральный провод не распределен по сети (распределены три фазы и, возможно, РЕ-проводник), то ток двойного замыкания IK определяется линейным напряжением сети. Если рабочий нейтральный провод распределен, то возможно двойное замыкание между нейтральным и фазным проводами, тогда ток IK определяется фазным напряжением сети. Кроме того, этот ток может быть вдвое меньше соответствующего тока в аналогичной сети TN, если два одинаковых электроприемника, в которых произошли замыкания на корпус (в первом - фазы, во втором - нейтрали), равноудалены от источника питания. В этом случае длина и сопротивление петли фаза-нуль будут вдвое больше, чем для одного электроприемника в сети с системой TN, а ток IK - вдвое меньше. Именно этот ток должен быть принят за расчетный для проверки автоматического отключения.

Для надежного отключение необходимо обеспечить выполнение условия (3.12):

, (3.12)

где ITO - уставка срабатывания токовой отсечки автоматического выключателя, A; IK - ток двойного замыкания. Если это условие не выполняется, необходимо, как и для случая с системой TN, применять дополнительные меры, наиболее распространенным из которых являются установка УЗО и увеличение сечения проводников. Так же, как и при использовании системы заземления TN, в электроустановках с системой заземления IT максимальная длина линии ограничивается параметрами устройств защиты от сверхтоков. Решая совместно (3.12), (3.7) и (3.9), в которых принято IK =IТО, L=Lm, получаем выражение для максимально допустимой длины кабеля Lm, при которой обеспечивается требуемый уровень токов КЗ для гарантированного автоматического отключения питания: при нераспределенной нейтрали (3.13):

, (3.13)

при распределенной нейтрали (3.14):

, (3.14)

3.3 Методики расчёта токов короткого замыкания при питании от ИБП статического типа в сетях IT


Как было показано, в главе 2 в таблице 2.5 при установке в сети источника бесперебойного питания нагрузка может питаться либо от инвертора, либо от сети. Следовательно, при создании методики обеспечения защиты при косвенном прикосновении автоматическим отключением питания нужно учитывать оба варианта питания нагрузки, так как каждый из них имеет свои особенности.

В [8] описаны различия этих режимов, которые приводят к тому, что ток однофазного КЗ рассчитывается по-разному. Следовательно, необходимо отстраивать применяемый аппарат защиты от меньшего из ожидаемых токов КЗ.

 

3.3.1 Расчет тока КЗ в инверторном режиме и режиме работы от сети в сетях с нераспределенной нейтралью

В инверторном режиме работы ток двухфазного КЗ в сетях с системой заземления IT и нераспределенной нейтралью рассчитывается по формуле (3.15):

, (3.15)

где Uном. вых. ИБП - номинальное выходное фазное напряжение ИБП; Rph, RPE - активные сопротивления фазного и нулевого защитного проводника соответственно. Или аналогично (3.7) и (3.9), если задать отношение площадей поперечных сечений фазного и нулевого защитного проводника, m, выражение (3.15) приобретает следующий вид (3.16):

, (3.16)

В режиме работы от сети расчет тока КЗ аналогичен расчету тока КЗ при питании от сети через понижающий трансформатор. Следовательно, ток КЗ может рассчитываться по формуле (3.6) или (3.7).

 

3.3.2 Расчет тока двухфазного КЗ в инверторном и режиме работы от сети в сетях с распределенной нейтралью

В инверторном режиме работы ток двухфазного КЗ в сетях с системой заземления IT и распределенной найтралью рассчитывается по формуле (3.17):

, (3.17)

где Uном. вых. ИБП - номинальное выходное фазное напряжение ИБП; Rph, RPE, RN - активные сопротивления фазного, нулевого защитного и нулевого рабочего проводника соответственно. Или аналогично (3.7) и (3.9), если задать отношение площадей поперечных сечений фазного и нулевого защитного проводника, m, выражение (3.17) приобретает следующий вид (3.18):

, (3.18)

В режиме работы от сети расчет тока КЗ аналогичен расчету тока КЗ при питании от сети через понижающий трансформатор. Следовательно, ток КЗ может рассчитываться по формуле (3.8) или (3.9).

3.4 Методика проверки эффективности работы защиты при косвенном прикосновении при питании от ИБП статического типа

В случае работы ИБП в инверторном режиме рассчитанный по формулам (3.16) или (3.18) ток двухфазного КЗ необходимо сравнить с величиной ограниченного тока применяемого ИБП. В случае, когда рассчитанный ток однофазного КЗ меньше ограниченного тока ИБП (условие (3.19)),

к ≤ Iогр, (3.19)

то необходимо отстраивать применяемый аппарат защиты от величины рассчитанного тока двухфазного КЗ Iк, то есть убедиться, что Iк больше или равен току срабатывания применяемого аппарата защиты. При этом если в качестве защитного аппарата применяется предохранитель, необходимо проверить, что ток двухфазного КЗ вызывает срабатывание предохранителя за время, не превышающее указанное в ПУЭ [10], то есть выполняется условие (2.3) из главы 2 (рисунок 2.1, а, из главы 2):


Если защитный аппарат - автоматический выключатель, то достаточно проверить, что величина Iк превышает ток срабатывания электромагнитного расцепителя (3.20). В этом случае размыкание контактов автоматического выключателя происходит за время намного меньшее, чем установленное допустимое время [10] (рисунок 2.1, б, из главы 2):

, (3.20)

Для определения максимально допустимой длины кабеля Lm в сетях IT с нераспределенной нейтралью, при которой обеспечивается требуемый уровень токов двухфазного КЗ для гарантированного автоматического отключения питания (3.21), совместно решаются (3.20) и (3.6), в которых принято Iк =IТО, L=Lm,

 (3.21)

Для определения максимально допустимой длины кабеля Lm в сетях IT с распределенной нейтралью получим формулу (3.22)

 (3.22)

Для случая, когда Iк ≤ Iогр и защитным аппаратом является автоматический выключатель проведены расчеты максимальных длин кабельных линий в системе IT при напряжении сети 220/380 В при питании от ИБП, при которых обеспечивается защита при косвенном прикосновении. Результаты этих расчетов для сетей с нераспределенной нейтралью приведены в таблице 3.1, а для сетей с распределенной нейтралью в таблице 3.2.

Если рассчитанный ток КЗ больше ограниченного тока ИБП (3.23),

к ≥ Iогр (3.23)

то применяемый аппарат защиты необходимо отстраивать от величины ограниченного тока Iогр, так как в этом случае отсутствует зависимость величины тока от длины проводника. В случае применения в качестве аппарата защиты предохранителя необходимо убедиться, что выполняется условие (2.3) из главы 2 (рисунок 2.1, а, из главы 2). Если защитный аппарат - автоматический выключатель, то достаточно проверить, что величина Iогр превышает ток срабатывания электромагнитного расцепителя. В этом случае размыкание контактов автоматического выключателя происходит за время намного меньшее, чем установленное допустимое время [10] (рисунок 2.1, б, из главы 2):

огр ≥ Iотс

Таблица 3.1

Максимальная длина (м) кабельной линии в системе IT с нераспределенной нейтралью к трехфазному электроприемнику при напряжении питающей сети 220/380 В при питании от инвертора, при которой обеспечивается защита при косвенном прикосновении.

S, сечение проводников, мм2

Ток уставки токовой отсечки автоматического выключателя IТО, А


50

63

80

100

125

160

200

250

320

400

500

560

630

700

1,5

104

82

66

52

42

32

26

21

16

14

10

10

9

7

2,5

173

137

108

87

69

54

43

35

27

22

17

16

14

12

4

277

220

173

139

111

87

69

55

43

35

28

25

22

20

6

416

329

260

208

166

130

104

83

66

52

42

37

33

30

10



433

346

277

217

173

139

108

87

69

62

55

50

16





443

346

277

222

173

111

99

88

79

25







433

346

270

217

173

155

137

124

35








485

379

303

242

217

192

173

50









541

433

346

310

275

248

70












433

385

346

95














469


Таблица 3.2

Максимальная длина (м) кабельной линии в системе IT с распределенной нейтралью к трехфазному электроприемнику при напряжении питающей сети 220/380 В при питании от инвертора, при которой обеспечивается защита при косвенном прикосновении.

S, сечение проводников, мм2

Ток уставки токовой отсечки автоматического выключателя IТО, А


50

63

80

100

125

160

200

250

320

400

500

560

630

700

1,5

60

47

38

30

24

19

15

12

10

8

6

6

5

4

2,5

100

79

63

50

40

31

25

20

16

13

10

9

8

7

4

160

127

100

80

64

50

40

32

25

20

16

15

13

12

6

240

190

150

120

96

75

60

48

38

30

24

22

19

18

10



250

200

160

125

100

80

63

50

40

36

32

29

16





256

200

160

128

100

80

64

57

51

46

25







250

200

156

126

100

90

79

72

35








280

219

175

140

125

111

100

50









313

250

200

179

159

143

70












250

222

200

95














271


Алгоритм методики проверки на обеспечение защиты при косвенном прикосновении при питании нагрузки от ИБП в инверторном режиме в сетях с системой заземления IT аналогичен представленному во второй главе алгоритму для сетей с системой заземления TN (рисунок 2.3 из главы 2).

В режиме работы от сети необходимо отстраивать применяемый аппарат защиты от величины рассчитанного тока КЗ IK. То есть убедиться, что IK больше или равен току срабатывания применяемого аппарата защиты. При этом если в качестве защитного аппарата применяется предохранитель, необходимо проверить, что ток однофазного КЗ вызывает срабатывание предохранителя за время, не превышающее указанное в ПУЭ [10], то есть выполняется условие (2.3) из главы 2 (рисунок 2.1, а, из главы 2). Если защитный аппарат - автоматический выключатель, то достаточно проверить, что величина IK превышает ток срабатывания электромагнитного расцепителя.

Для случая, когда защитным аппаратом является автоматический выключатель выполнены расчеты максимальных длин кабельных линий в системе IT при напряжении сети 220/380 В при питании от ИБП в режиме работы от сети, при которых обеспечивается защита при косвенном прикосновении. Результаты этих расчетов для сетей с нераспределенной нейтралью приведены в таблице 3.3, а для сетей с распределенной нейтралью в таблице 3.4.

Таблица 3.3

Максимальная длина (м) кабельной линии в системе IT с нераспределенной нейтралью к трехфазному электроприемнику при напряжении питающей сети 220/380 В при питании от сети, при которой обеспечивается защита при косвенном прикосновении.

S, сечение проводников, мм2

Ток уставки токовой отсечки автоматического выключателя IТО, А


50

63

80

100

125

160

200

250

320

400

500

560

630

700

800

1,5

87

68

55

43

35

27

22

17

14

11

9

8

7

6

5

2,5

145

114

90

72

58

45

36

29

23

18

15

13

11

10

9

4

231

184

145

115

93

72

58

46

36

29

23

21

18

16

15

6

346

275

217

173

139

108

87

69

55

43

35

31

28

25

22

10



361

288

231

180

145

115

90

72

58

52

46

42

36

16





370

288

231

184

145

115

93

82

74

66

58

25







361

288

225

180

145

129

114

103

90

35








404

316

253

202

180

160

145

126

50









451

361

288

258

229

206

180

70












361

320

288

253

95














391

343


Таблица 3.4

Максимальная длина (м) кабельной линии в системе IT с распределенной нейтралью к трехфазному электроприемнику при напряжении питающей сети 220/380 В при питании от сети, при которой обеспечивается защита при косвенном прикосновении.

S, сечение проводников, мм2

Ток уставки токовой отсечки автоматического выключателя IТО, А


50

63

80

100

125

160

200

250

320

400

500

560

630

700

800

1,5

50

40

32

25

20

16

13

10

8

7

5

5

4

4

3

2,5

84

52

42

34

26

21

17

13

11

9

8

7

6

5

4

134

106

84

67

54

42

34

27

21

17

14

12

11

10

9

6

200

159

125

100

80

63

50

40

32

25

20

18

16

15

13

10



209

167

134

104

84

67

52

42

34

30

27

24

21

16





214

167

134

107

84

67

54

48

43

38

34

25







209

167

130

104

84

75

66

60

52

35








234

183

146

117

104

93

84

73

50









261

209

167

149

133

119

104

70












209

185

167

146

95














226

198


Общий алгоритм методики проверки на обеспечение защиты при косвенном прикосновении в сетях IT при питании нагрузки от ИБП аналогичен алгоритму для сетей TN [8], представленному на рисунке 2.4 в главе 2. Отличием является определение тока КЗ.

 


3.5 Дополнительные мероприятия по обеспечению защиты при косвенном прикосновении при электроснабжении от источников бесперебойного питания


В общем случае защита при косвенном прикосновении обеспечивается применением стандартизированной системы заземления [16,36,37]. В случае использования источника бесперебойного питания важно знать систему заземления как до, так и после ИБП. Эти две системы заземления могут быть либо одинаковы, либо различны. Для существующих установок система заземления уже определена. Система заземления после ИБП может быть как такой же, как система заземления до ИБП, так и отлична от нее в зависимости от нагрузки [38,39,40,41].

Выбор нижестоящей системы заземления зависит от следующих факторов:

от существующей или выбранной системы заземления до ИБП;

от наличия байпаса;

от нагрузки (система заземления TN-S рекомендуется для электроснабжения компьютерных и информационных центров; система заземления TN-C не рекомендована или даже запрещена в некоторых случаях, например, в госпиталях ввиду протекания больших токов в PEN проводнике и параллельных ему проводниках (металлических конструкциях зданий); схема IT может быть применена в системе электроснабжения установок для обеспечения безопасности, поскольку в этой схеме не требуется отключение первого однофазного замыкания на землю и установка может продолжать функционировать т.к. замыкание на землю не отключено; схема TT требует установки устройств дифференциальной защиты во всех цепях питания).

В случае если схема заземления до ИБП отлична от схемы заземления после ИБП, необходимо обеспечить гальваническое разделение цепей на всех путях питания.

Это разделение осуществляется одним или несколькими изолирующими трансформаторами, которые могут быть установлены со стороны сети питания или со стороны нагрузки или же в самом ИБП (на всех путях питания - в луче выпрямитель-инвертор и в цепи байпас) (рисунки 3.8, 3.9).

Рисунок 3.8 Изолирующий трансформатор

Рисунок 3.9 Примеры гальванического разделения изолирующим трансформатором:

а) изолирующий трансформатор внутри ИБП; б) изолирующий трансформатор до ИБП; в) изолирующий трансформатор после ИБП.

В случае использования ИБП топологии двойного преобразования необходимо установить изолирующие трансформаторы в луч выпрямитель-инвертор и в цепь питании байпас.

Когда схемы заземления до и после ИБП одинаковые следует различать два случая:

схема до ИБП TN-C;

схема после ИБП может быть TN-C или TN-S, без необходимости установки каких-либо устройств;

схема заземления до ИБП TN-S, TT или IT;

во всех перечисленных случаях требуется гальваническое разделение всех путей питания, которое обеспечивает наилучшую защиту оборудования от нарушения нормальных режимов работы.

В случаях, приведенных на рисунке 3.9, схемы заземления должны быть восстановлены после ИБП:

в схемах TN-S или TT прямой связью с землей точки после этого гальванического разделения;

в схеме IT установкой нового устройства постоянного контроля изоляции (ПКИ).

Если гальваническое разделение не обеспечено на всех путях питания:

в случае повреждения нейтрального проводника до ИБП, например, во время включения аппарата защиты, во время работы от батарей схема заземления становится IT вне зависимости от того, какая схема заземления была до ИБП, обязательно необходимо обеспечить совместимость питаемого оборудования со схемой IT;

если схема до ИБП TN-S или TT, то необходимо проверить, следуя вышеизложенным замечаниям, что условия защиты от косвенного прикосновения обеспечены не только для схемы TN-S или TT, но и для схемы IT.

 

3.6 Рекомендации по проектированию систем электроснабжения с источниками бесперебойного питания статического типа


В [8] подробно рассмотрены режимы работы ИБП с точки зрения их приоритета. Наименьшим приоритетом обладает режим работы байпас. Переход на режим работы байпас может быть вызван: разрядом батареи, повреждением самого ИБП или внешней перегрузкой, коротким замыканием за ИБП. Для предотвращения перехода ИБП в режим работы байпас, вызванного перегрузкой по току вследствие внешнего КЗ, необходимо максимально разделять подключенную к ИБП нагрузку таким образом, чтобы, соотношение между номинальным током аппарата защиты каждого фидера и номинальным током ИБП было минимально (3.24):

 (3.24)

Это позволяет получить такое соотношение между ограниченным током ИБП и током однофазного КЗ в поврежденном фидере, которое позволяет сработать аппарату защиты поврежденного участка и сохранить инверторный режим работы ИБП, что, в свою очередь, означает продолжение электроснабжения нагрузки от ИБП, а не по резервной сети байпас [8].

Рекомендуется использовать быстродействующие автоматические выключатели и предохранители для защиты отходящих фидеров, чтобы аппарат защиты срабатывал до отключения ИБП или переключения на байпас, что так же позволит избежать переключения в режим питания байпас, то есть в не защищенный режим питания нагрузки.

Следует обратить внимание на то, что при наличии в цепи питания дополнительного промежуточного щита особенное внимание следует уделить отстройке аппаратов защиты отходящих фидеров, так как при увеличении длины подключенных кабелей происходит увеличение сопротивления возможной петли фаза-ноль. Последнее, в свою очередь, вызовет уменьшение тока удаленного КЗ, что может привести к случаю, когда ток однофазного КЗ меньше ограниченного тока ИБП. Это означает, что ИБП "не почувствует" КЗ, то есть не будет происходить перегрузка ИБП по току, что может привести к долговременному электроснабжению поврежденного участка при неверной отстройке аппарата защиты.

Заключение


Основные теоретические и практические результаты диссертационной работы заключаются в следующем:

1. Проанализированы особенности функционирования источника бесперебойного питания статического типа при внешнем КЗ.

. Проанализированы существующие методики расчета тока КЗ при питании через понижающий трансформатор и от источника бесперебойного питания статического типа в сетях TN.

. Проанализированы существующие методики проверки эффективности работы защиты при косвенном прикосновении в электроустановках до 1 кВ при электроснабжении через понижающий трансформатор и от источников бесперебойного питания статического типа в сетях TN.

. Разработаны методики расчета тока КЗ при питании через понижающий трансформатор и от источника бесперебойного питания статического типа в сетях IT.

5. Разработаны методики проверки эффективности работы защиты при косвенном прикосновении в электроустановках до 1 кВ при электроснабжении через понижающий трансформатор и от источников бесперебойного питания статического типа в сетях IT, позволяющие практически реализовать требования современной нормативной базы к времени автоматического отключения питания.

. Разработаны методики построения систем электроснабжения с источниками бесперебойного питания статического типа.

В данной работе практически не рассматривалась сети с системой заземления TT, так как данная система в нашей стране имеет наименьшее распространение. Однако необходимо отметить, что отсутствие методик для данной системы может негативно сказать при построении систем защиты на практике. Дальнейшие исследование необходимо направить в русло разработки данных методик.

Список используемых источников


1. Быков Е.А. Разработка принципов построения систем гарантированного питания электроснабжения промышленных предприятий - диссертация. М.: 2005

. Leonardo Power Quality Initiative - rapport 2.1

. UPS European Guide by CEMEP (European committee of manufacturers of Electrical Machines and Power Electronics)

. Вихров М.Е. Обеспечение бесперебойного электроснабжения ответственных потребителей // Материалы докладов V Международной молодежной научной конференции "Тинчуринские чтения" / Под общ. ред. д-ра физ. - мат. наук, проф. Ю.Я. Петрушенко. В 4 т.; Т.3. - Казань: Казан. гос. энерг. ун-т, 2010. - С100-101.

. UPS and power protection solution. Design guide, MGE UPS systems, 159, 2005

. Саженкова Н.В. Разработка методики проверки эффективности работы защиты при косвенном прикосновении в электроустановках до 1 кВ на этапе проектирования систем электроснабжения - диссертация. М.: 2006.

. IEC 62040-3 (1999-03) Uninterruptible power systems (UPS) - Part 3: Method of specifying the performance and test requirements.

. Рагуткин А.В. Разработка методики проверки эффективности работы защиты при косвенном прикосновении в электроустановках до 1 кВ при электроснабжения от источников бесперебойного питания статического типа - диссертация. М.: 2009.

. Вихров М.Е. Особенности источников бесперебойного питания статического типа топологии двойного преобразования // ХVI международная научно-техническая конференция студентов и аспирантов "Радиоэлектроника, электротехника и энергетика": тезисы докладов. В 3 т. Т.2. - М.: Издательский дом МЭИ, 2010.

. Правила Устройства Электроустановок (ПУЭ). Издание 7-ого издания. - М.: Издательстово НЦ ЭНАС, 2002.

. Правила Устройства Электроустановок (ПУЭ). Издание 6-е переработанное и дополненное с изменениями.  М.: Энергоатомиздат, 1998, 608 с.

. Долин П.А. Основы техники безопасности в электроустановках: Учеб. пособие для вузов. - М.: Знак, 2000, 440 с.

. Вихров М.Е. Электроснабжение ответственных потребителей и выбор системы заземления // Тезисы докладов Седьмой межрегиональной научно-технической конференции студентов и аспирантов "Информационные технологии, энергетика и экономика". - Смоленск: Изд-во СФМЭИ, 2010 г.

. Ожиганов С.Н. Сравнительный анализ безопасности электрических сетей TN и ТТ. - Промышленная энергетика, 2003, №2.

. Лыков Ю.Ф. Сравнительная характеристика систем заземления сетей напряжением до 1000 В. - Промышленная энергетика, 2003, №12.

. Lacroix B., Calvas R. Les schemas de liaisons a la terre dans le monde et evolutions. - Cahier technique, № 173 (Groupe Schneider).

. Карякин Р.Н. Заземляющие устройства электроустановок: Справочник. - М.: Энерогосервис, 1998

. ГОСТ Р50571.3-94 (МЭК 364-4-41-92). Электроустановки зданий. Часть 4. Требования по обеспечению безопасности. Защита от поражения электрическим током.

. Рагуткин А.В., Ужесточение требований к обеспечению электробезопасности // Материалы докладов IV Международной молодежной научной конференции "Тинчуринские чтения" / Под общ. ред. д-ра физ. - мат. наук, проф. Ю.Я. Петрушенко. В 4 т.; Т.3. - Казань: Казан. гос. энерг. ун-т, 2009. - С219.

. Саженкова Н.В. Повышение надежности систем электроснабжения до 1 кВ, в связи с изменившейся нормативной базой. // Третья всероссийская научно-техническая конференция "Системы управления элетротехническими объектами": Тез. докл. - Тула, ТулГУ, Вып 3, 2005. - С62-64.

. Фишман В.С. Новые ПУЭ требуют модернизации существующей защитной аппаратуре в сетях до 1000В. - Новости Электротехники, 2003 №2.

. Беляев А.В. Выбор аппаратуры защит и кабелей в сетях 0,4 кВ. - Л.: Энергоатомиздат, 1988, 176 с.

. Вихров М.Е. Методика защиты при косвенном прикосновении при электроснабжении от источника бесперебойного питания статического типа // Сборник работ Всероссийского смотра-конкурса научно-технического творчества студентов высших учебных заведений "ЭВРИКА-2009". Новочеркасск: Изд-во ООО "ЛИК", 2010.

. ГОСТ 28249-93. Короткие замыкания в электроустановках. Методы расчета в электроустановках переменного тока напряжением до 1 кВ. - М.: Издательство стандартов, 1993. - 59с.

. UTE C15-105, Guide pratique, Determination des sections de conducteurs et choix des dispositifs de protection, Methodes pratiques. - UTE, juillet 2003

. Guide de l`installation électrique. Schneider Electric  France.: Citef SAS, 2003.

27. Schneider Electric - Саtalogue distribution électrique. France.: Imaye Graphic, 2002.

28. Саженкова Н.В., Цырук С.А., Кулага М.А. Обеспечение безопасности при косвенном прикосновении // Электрика. - 2006. - №3. - С.21-25.

. Саженкова Н.В. Повышение надежности систем электроснабжения до 1 кВ. // ХII международная научно-техническая конференция "Радио, электроника, электротехника и энергетика": Тез. докл. - Москва, 2005. - С.371-372.

. ГОСТ Р 50030.2-99 (МЭК60947-2-98) Аппаратура распределения и управления низковольтная.

31. UTE C15-402, Guide pratique, Alimentation sans interruption (ASI) de type statiqueet système de transfert statique (STS), Règles d'installation, UTE, 2004.

32. РД 153-34.0-20.527-98 Руководящие указания по расчету токов короткого замыкания и выбору электрооборудования.

. Fraisse D. Les onduleurs. - Cahier technique, №268 (Groupe Schneider).

. Krotoff H. Approche industrielle de la surete de fonctionement. - Cahier technique, №134 (Groupe Schneider).

. Alain Bonzy Selectivite sur reseau ondule - Schneider-electric SA

. Florina J. N. Cahier Technique Merlin Gerin №129, Protection des personnes et alimentation statiques sans coupure, 1992. - 20с.

. Рагуткин А.В. Обеспечение времени автоматического отключения питания при электроснабжении от источников бесперебойного питания статического типа. // Электрика. - 2009. - № 8. - С.16-19.

. Рагуткин А.В., Раубаль Е.В., Вихров М.Е. Обеспечение защиты при косвенном прикосновении в системах электроснабжения с заземлением TN от источников бесперебойного питания // Изв. вузов. Проблемы энергетики. - 2009. - № 9-10. - С.74-80. (Казань)

. Саженкова Н.В., Рагуткин А.В., Вихров М.Е. Обеспечение защиты при косвенном прикосновении при электроснабжении от источников бесперебойного питания статического типа без применения автоматического отключения питания // 7 - я Международная научно-практическая интернет конференция. Энерго - и ресурсосбережение 21 век. - 2009. - С.63-65. (Орел)

. Рагуткин А.В. Классификация источников бесперебойного питания статического типа в соответствии со стандартом IEC 62040-3 // Электрооборудование: эксплуатация и ремонт. - 2009. - № 8. - С.16-19. (Москва)

. Рагуткин А.В., Вихров М.Е. Обеспечение защиты при косвенном прикосновении в сетях до 1 кВ при электроснабжении от источников бесперебойного питания статического типа без применения автоматического отключения питания // Международная научно-практическая конференция "Роль стратегии индустриально-инновационного развития Республики Казахстан в условиях глобализации: проблемы и перспективы", посвященная 50-летию Рудненского индустриального института. - 2009 г.


Не нашли материал для своей работы?
Поможем написать уникальную работу
Без плагиата!
Без нейросетей!