Повышение качества купажирования кваса

  • Вид работы:
    Статья
  • Предмет:
    Другое
  • Язык:
    Русский
    ,
    Формат файла:
    MS Word
    238,08 Кб
  • Опубликовано:
    2013-08-24
Вы можете узнать стоимость помощи в написании студенческой работы.
Помощь в написании работы, которую точно примут!

Повышение качества купажирования кваса

 

 

 

 

 

 

 

 

 

 

Повышение качества купажирования кваса

 


Инвестиции в производство продуктов питания по праву считаются весьма доходным и надежным бизнесом. Это объясняется, в первую очередь, постоянным спросом на продукты питания и, как следствие этого, достаточно быстрой их реализацией.

Среди различных производств особо можно выделить производства безалкогольных напитков и пива. Спрос на эти продукты всегда был и остается традиционно высоким. Квас - один из самых любимых напитков россиян, особенно в летнее время года. Современные хлебные квасы брожения по вкусовым, жаждоутоляющим, освежающим свойствам и биохимическому составу относят к лучшим категориям безалкогольных напитков. Поэтому квасной рынок неизменно растет из года в год, меняются лишь темпы роста. По прогнозам аналитиков в ближайшие года показатели темпа роста будут только расти.

После провального снижения потребления кваса в 90-е годы отмечен все повышающийся интерес к этому напитку. Так, рост потребления кваса в 2002 году составил 20 %, к 2005 году он достиг 36 %, в 2006 году наблюдается повышение на 100 % относительно 2005 года, и 2007 года доходит до 140 %. Как результат этого настоящий русский квас брожения все более властно завоевывает популярность у потребителя, при этом демонстрируя чрезвычайно высокую динамику развития (рисунок 1). Таким образом, производство кваса является сейчас одним из наиболее динамично развивающихся секторов безалкогольных напитков. По итогам 2007 года прогнозируется рост суммарных объемов производства еще на 40 %. Несмотря на такие быстрые темпы роста у рынка кваса все еще остается большой потенциал - как со стороны спроса, так и со стороны предложения.



Рисунок 1 − Динамика развития производства кваса в РФ

Технология производства и розлива квасов брожения постепенно завоевывает позиции не только на крупных, но и на средних и мелких предприятиях. Суммарные производственные мощности российских производителей по состоянию на начало 2008 года составили около 135 тыс. дал, при этом многие производители планируют продолжать наращивать мощности по выпуску кваса. Таким образом, российские производители кваса с технической стороны готовы к росту рынка, который напрямую зависит от роста спроса.

Как следствие этого растет число научно-исследовательских работ и разработок, направленных на совершенствование технологии производства, повышение качества напитка и имеющих прикладной характер. Значимость проводимых научных разработок при этом подкреплена прямым диалогом производителей и исследователей, когда достижения последних имеет непосредственное внедрение в действующую технологию производства кваса. Первыми ласточками в этом сотрудничестве стали работы, в которых проведено научное обоснование разработки напитка и выполнен анализ состояния рынка потребления. Так, в работе [1] приведены данные по прогрессивному развитию квасного рынка, которое описывается функциональной зависимостью вида

Y1 = - 0,0005x14 + 0,0754x13 - 2,384x12 + 20,748x1 + 23,134

где Y1 - объем производства кваса, млн. дал; x1 - порядковый номер периода, начиная с 1981 г.

Приведенные функции позволяют сделать прогнозы производства и потребления этого напитка до 2010 г.

Отмечено также, что потребление кваса за анализируемый период формировалось неоднозначно, что отразилось на функции потребления, имеющей вид:

Y2 = 0,0663x22 - 1,3772x2 + 7,0833

где Y2 - объем потребления кваса, л/год на человека; x2 - порядковый номер периода, начиная с 1990 г.

Организация производства кваса живого брожения на ООО «Бочкаревский пивоваренный завод» (с. Бочкари Алтайского края) потребовало всесторонней проработки и в плане изучения рынка потребления с целью планирования объемов производства [2], и в плане возможности организации опытного производства кваса на высвобождающемся оборудовании лагерного отделения пивного производства. Поэтому запуск производства кваса потребовал тщательного изучения, исследования и отработки множества специфических вопросов на отдельных стадиях технологического процесса.

Так, особого внимания со стороны как технологов, так и механиков потребовала организация процесса купажирования кваса, которое заключается в смешивании сброженного сусла с сахарным сиропом. Согласно технологии производства купажирование напитка проводится, как правило, в две ступени:

первое внесение осуществляется при приготовлении квасного сусла в количестве 70 % от количества, предусмотренного рецептурой, при купажировании вносят оставшиеся 30 % сиропа.

второе внесение остаточного количества производят уже в готовый сброженный квас.

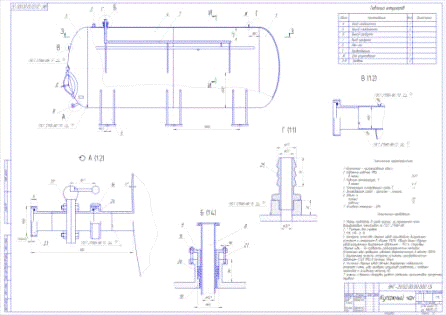
Для проведения второй ступени купажирования на предприятии применены горизонтальные лагерные танки вместимостью 20 м3 (рисунок 1).

Рисунок 1 - Реконструкция лагерного танка

Предлагаемым техническим решением является обеспечение лагерного танка системой циркуляционного перемешивания. С этой целью аппарат оборудован циркуляционным контуром, который включает трубопроводную магистраль, в которую включен центробежный насос, разделяющий ее на две линии - линию всасывания и линию нагнетания. В конструкцию самого лагерного танка добавлено внутреннее устройство - ороситель (рисунок 1). Для обеспечения перемешивания содержимое танка при включении центробежного насоса направляется через нижний патрубок в контур циркуляции и затем нагнетается в верхнюю часть аппарата. Поток нагнетаемый среды входит через верхний патрубок во внутренний объем аппарата и через ороситель, который является конечным элементом контура циркуляции, распределяется в аппарате. Ороситель (рисунок 2) представляет собой трубную конструкцию, имеющую горизонтальную трубу большего диаметра и отходящие от нее перфорированные трубки.


Рисунок 2 - Конструкция оросителя

квас брожение живой розлив

Поток среды расчетной скоростью нагнетается в ороситель и через коллекторную трубу распределяется по отходящим от нее трубкам. Нижние концы трубок погружены в слой кваса, находящийся в аппарате. Таким образом, поток, среды подаваемый насосом, проходя по циркуляционному контуру, несет энергию движения, которая передается струей жидкости, выходящей из трубок оросителя в объем среды в аппарате. В результате в аппарате создается направленное движение внутренних потоков, что обеспечивает желаемую гидродинамическую обстановку в аппарате, необходимую для равномерного смешения внутреннего содержимого. Конструкция оросителя предусматривает возможность полноценного равномерного смешения кваса с сахарным сиропом, для чего в трубках предусмотрена перфорация, а их размещение может быть тангенциальным для создания закрученных потоков среды.

Внедрение предлагаемого технического решения по оснащению лагерного танка системой циркуляционного перемешивания с разработкой конструкции оросителя позволяет повысить качество проведения процесса купажирования, ускорить скорость протекания самого процесса и повысить тем саамы технологичность и производительность отделения.

Литература

1.   Павлов, И.Н. Исследование рынка потребителей и организация производства кваса живого брожения на предприятии алтайского края // Гордеева А.В., Смагин В.П., Быковский Е.В., Керноз Е.В. Материалы 2-й Всероссийской научно-практической конференции студентов, аспирантов и молодых ученых (14-15 мая 2009 г., г. Бийск) «Технологии и оборудование химической, биотехнологической и пищевой промышленности». - Бийск: БТИ АлтГТУ, 2009. - С. 282-286.

. Киселева, Т.Ф. Научное обоснование разработки напитков с социально значимыми свойствами и практические аспекты формирования их качества // Автореферат диссертации на соискание ученой степени доктора технических наук. Кемерово 2006

Похожие работы на - Повышение качества купажирования кваса

 

Не нашли материал для своей работы?
Поможем написать уникальную работу
Без плагиата!
Без нейросетей!