Производство земляных работ. Работа по устройству котлована
Содержание
Введение
.
Исходные данные
.
Определение объемов работ
.1
Вычисление объема котлована
.2
Вычисление объема въездной траншеи
.3
Вычисление объема растительного слоя
.4
Вычисление объема обратной засыпки
.5
Вычисление объема транспортированного грунта
.6
Вычисление объема уплотнения
.
Предварительный выбор комплектов машин и механизмов
.
Технико-экономическое сравнение вариантов производства работ
.1
Удельная себестоимость
.2
Трудоёмкость разработки
.3
Приведённые затраты
.4
Экономическая эффективность
.
Производственная калькуляция
.
Расчет забоя
.1
Расчет для боковой проходки
.2
Расчет для торцевой проходки
.
Описание принятых методов производства работ
.
Мероприятия по технике безопасности охране труда и экологичности
.1
Охрана окружающей среды
.2
Общие правила техники безопасности
.3
Меры безопасности при работе экскаватора в забое
.4
Меры безопасности при работе бульдозера
Список
литературы
Введение
Основная цель курсового проекта - закрепление
знаний по разделу «Земляные работы» курса «Технология строительного
производства», развитие навыков самостоятельной творческой работы и инженерного
подхода к решение конкретных технических задач. Особое внимание в проекте
уделено вопросам подсчета объемов и трудоемкости работ, подбору комплекта землеройно-транспортных
машин, построению схем комплексного механизированного производства земляных
работ.
Земляные работы представляют
собой сложный комплекс инженерных решений, выполнение которых следует
осуществлять по заранее разработанному и технико-экономически обоснованному
проекту организации работ, который составляют, как правило, на основе решений,
принятых в проекте организации строительства.
Технологическая схема
производства земляных работ складывается из четырех основных рабочих процессов:
разработки и выемки грунта, транспортировки его к месту укладки, укладки грунта
в насыпь или отвал, отделки сооружения, т.е. доведение выемок и насыпей до
проектного профиля.
Первые три процесса неразрывно
связаны и технологически, и во времени. Четвертый процесс может быть не связан
с предыдущими и выполнен позже. Для каждого процесса обычно используют
специальные машины. Но при комплексном методе все три процесса могут быть
проведены одной машиной. Примером комплексного выполнения трех процессов одной
машиной могут служить земляные работы, осуществляемые с помощью экскаваторов.
Здесь разработку грунта и его перемещение к месту укладки производят
непосредственно рабочим оборудованием экскаватора без применения транспортных
средств. Этот способ используют при разработке небольших котлованов, траншей,
при устройстве выемок для дорог и каналов, на вскрышных работах в карьерах и
т.д.
При производстве земляных работ
экскаваторами с транспортировкой грунта на расстояния, превышающие возможности
рабочих органов экскаватора, комплексную механизацию осуществляют комплектом
машин. В их состав включают автосамосвалы. Этим способом роют крупные
котлованы, выемки для дорог и каналов, разрабатывают породы вскрыши в карьерах
и др.
Затраты на транспортировку
грунта автомобильным транспортом в зависимости от расстояния в общей стоимости
земляных работ, выполняемых экскаваторами, достигают 60...80%. Поэтому
правильный выбор транспортных средств имеет большое значение для повышения
производительности труда и снижения стоимости работ.
Основные технологические
процессы могут сопровождаться вспомогательными, учитываемыми при необходимости
в общей технологической схеме в зависимости от назначения земляного сооружения
и местных условий производства работ (рыхление мерзлых грунтов и скальных пород
перед их разработкой, снятие вскрыши и растительного слоя, подготовка оснований
под насыпи, отделка откосов, крепление траншей, планировка и уплотнение
грунтов, устройство водоотлива и водопонижения и пр.).
Если все основные и
вспомогательные операции всего технологического процесса возведения земляных
сооружений выполняют машины без применения ручного труда, такие работы принято
считать комплексно-механизированными.
Комплексная механизация и
хозяйственный расчет обеспечивают высокопроизводительную работу всех машин,
участвующих в данном технологическом процессе, особенно если используемые
машины увязаны между собой по производительности и другим ведущим параметрам и
объединены в комплекты, дающие возможность получить наилучшие
технико-экономические показатели. Основные условия правильного комплектования
машин для производства земляных работ комплексно-механизированным способом
следующие: число машин, участвующих в технологическом процессе, должно быть
минимальным, а конструкция и параметры их должны быть полностью
соответствующими условиям работы, характеру и габаритам возводимого сооружения;
в составе каждого комплекта машин выделяют одну или несколько ведущих, которые
в основном определяют организацию работ всего комплекта машин, его
производительность и темпы выполнения работ;
состав комплекта машин должен
обеспечивать непрерывность потока грунта от места его разработки до места
отсыпки в насыпь или отвал;
производительность каждой
входящей в комплект машины должна обеспечивать наиболее эффективную работу
ведущей (или ведущих) машин.
Несоблюдение последнего условия
влечет за собой снижение производительности всего комплекта машин до уровня
наименее производительной машины. В этом случае основной показатель
эффективности комплексной механизации - стоимость разработки грунта, т. е.
показатель экономического порядка,- может оказаться выше, чем при механизации
только некоторых процессов в технологии земляных работ.
Выбор машин для производства
земляных работ зависит от трудности разработки грунта, рельефа местности и
гидрогеологических условий, вида и параметра возводимого сооружения,
транспортных средств, для перемещения грунта, расположения сооружений, выемок,
насыпей, резервов в плане, расстояний между ними и других технических факторов.
К землеройным машинам относят
одноковшовые экскаваторы и экскаваторы непрерывного действия (канавокопатели,
роторные, траншейные, дреноукладчики, цепные карьерные строительные).
К землеройно-транспортным
машинам относят скреперы, бульдозеры и одноковшовые фронтальные погрузчики. Эти
машины используют для послойной разработки грунта, транспортировки его и
выгрузки в отвал или в насыпь.
1. Исходные данные
Рисунок 1 - План
здания в осях.
Место строительства - г.
Новосибирск.
Начало работ - 12.05.
Вид грунта - глина.
Дальность транспортировки - 10км.
Дорога - асфальт.
Hдна = 108,6м
A = 30м B = 56м
m1 = 111,0м m2 = 111,5м m3 = 112м m4 = 112,5м m4 = 113м
2. Определение объемов работ
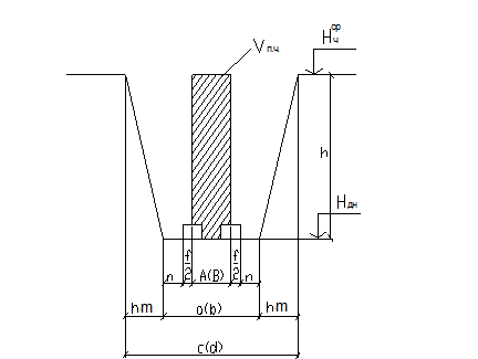
Рисунок 2 - Схема
котлована.
α, b - ширина и
длина подошвы котлована; (м)
c, d - ширина и
длина котлована по верху; (м)
A, B - ширина
здания по осям; (м)
f - ширина
фундамента; (м)
h - глубина
котлована; (м)
hm - заложение
откоса; (м)
n -
расстояние от стены до подошвы откоса; (м)
- отметка поверхности земли; (м)
Hдн - отметка
дна котлована; (м)
2.1 Вычисление объема котлована
где α, b, c, d -
вычисляются по формулам:

где m0 - отметка
горизонтали; (м) n0 -
количество горизонталей;
Принимаем для суглинка m=0.5
2.2 Вычисление объема въездной
траншеи
где l - длина
съезда; (м) k - ширина
траншеи; (м) K - ширина
траншеи по верху; (м)
где i
- уклон съезда;
Принимаем двусторонний съезд с k=8 метров, i=0.1

2.3 Вычисление объема растительного
слоя
2.4 Вычисление объема обратной
засыпки
где Vп.ч.- объем
подвальной части; (м3)
kо.р.-
коэффициент остаточного разрыхления;
Принимаем для суглинка kо.р.=1.06 (по
ЕНиР)
2.5 Вычисление объема
транспортированного грунта
2.6 Вычисление объема уплотнения
где δ - толщина
уплотняемого слоя; (м) Принимаем δ=0.2 метра
Таблица 1- Ведомость
объемов земляных работ.
|
Наименование
работ
|
Ед.
изм.
|
Объем
|
Примечание
|
|
Геодезическая
разбивка
|
|
|
|
|
Срезка
растительного слоя
|
(м2)
|
8395
|
|
|
Разработка
грунта экскаватором
|
(м3)
|
9777
|
|
|
Транспортировка
грунта
|
(м3)
|
8715
|
|
|
Обратная
засыпка
|
(м3)
|
1249
|
|
|
Уплотнение
грунта
|
(м2)
|
6245
|
|
3. Предварительный выбор комплектов
машин и механизмов
Принимаем два вида экскаваторов (с обратной и
прямой лопатой) со следующими характеристиками:
Марка экскаватора - ЭО-4123 ЭО-652
Вид рабочего оборудования -обратная лопата
прямая лопата
Вместимость ковша, м3 -0.650.65
Наибольшая высота выгрузки, м - 5.87.1
Наибольший радиус выгрузки, м - 5.64.5
Наибольший радиус резания, м - 9
Принимаем автосамосвал со следующими
характеристиками:
Марка автосамосвала - МАЗ-503А
Грузоподъемность, т - 7
Вместимость кузова, м3 - 4
Время маневров при погрузке, мин. - 1.33
Время маневров при разгрузке, мин. - 1.9
Принимаем бульдозер со следующими
характеристиками:
Марка бульдозера - Д-535
Тип базового трактора - Т-75
Длина отвала, м - 2.56
Высота отвала, м - 0.95
Высота подъема отвала, м - 0.6
Глубина опускания отвала, м - 0.2
Расчет требуемого количества транспортных
средств, производим по следующим формулам:
где Tц - время
цикла автосамосвала, мин.;
Tпл - время
задержки на площадке, мин.;
где tз - время
загрузки, мин.;
tп - время
пути, мин.;
tр - время
разгрузки, мин.;
tм - время
маневрирования, мин.;
где n -
количество ковшей помещаемых в кузов;
- время цикла экскавации, сек.;
где Q
- грузоподъемность автосамосвала, т.;
ω - плотность
грунта, т/м3;
q - емкость ковша
экскаватора, м3;
kе
- коэффициент использования емкости ковша;
где kн -
коэффициент наполнения ковша;
kпр -
коэффициент первоначального разрыхления;
где lтр - дальность
транспортировки, км.;
Vср - средняя
скорость автосамосвала, км/ч;
где tмз - время
маневрирования при загрузки, мин.;
Расчет производим для двух экскаваторов:
=24 с Vср=25 км/ч
ω=1.7 т/м3
q=0.65 м3
kпр=1.24н=1.12

=17 с Vср=25 км/ч
ω=1.7
т/м3
q=0.65 м3
kпр=1.24
kн=1.12
tз=1.9(мин)
tм=1.33(мин)

tз=1.9(мин)
tм=1.33(мин)
4. Технико-экономическое сравнение
вариантов производства работ
котлован земляной себестоимость траншея
После подбора двух комплектов
землеройно-транспортных машин производят их технико-экономическое сравнение
последующим параметрам:
Сметная себестоимость разработки I
грунта
подсчитывается
как частное от деления себестоимости земляных работ С на их объём V, т.е.
Сметная себестоимость выполнения
комплексного процесса земляных работ определяется как сумма прямых затрат и
накладных расходов по формуле.
где: 1.08 - коэффициент накладных
расходов от прочих прямых затрат;
- количество машино-смен работы
каждой машины, исчисляемое на весь объём выполненных работ, см;
- стоимость машино-смены каждой
машины, руб.;
1.5 - коэффициент расходов, зависящий от
численности рабочих и их заработной платы;
- общая заработная плата рабочих за
всё время работы на площадке, не учтённая в затратах на эксплуатацию машин,
руб.;
4.2 Трудоёмкость разработки I
грунта
где:
- полные трудозатраты, руб.;

где:
- количество человек, которые
обслуживают машины;
- количество смен;
где: n - число
проходок;
4.3 Приведённые затраты,
где:
-коэффициент общей экономической
эффективности (величина обратная сроку окупаемости машины
);
- удельные капитальные вложения на
единицу годового объёма работ,
;
где:
- годовая производительность ведущей
машины комплекта, м3;
- оптовая стоимость, руб. (берётся
из методички “Производство земляных работ” табл. 4);
где:
- количество смен в год (берётся из
методички “Производство земляных работ” табл. 4);
4.4 Экономическая эффективность
где:
- экономическая эффективность от
снижения себестоимости, руб.;
где:
- полная себестоимость, руб.;
- полные капитальные вложения,
руб.;
где:
- накладные расходы, руб.;
- экономическая эффективность от
сокращения сроков строительства, руб.;
- коэффициент условно постоянной
части накладных расходов (те расходы, которые не зависят от V работ);
= 0,5 - 0,6
Расчет производим для двух экскаваторов:






После сравнения
технико-экономических показателей производится окончательный выбор машин,
данные заносятся в таблицу.
Таблица 2-Принятый
комплект машин.
|
Вид
работ
|
Принятый
тип машин
|
Марка
машин
|
Кол-во
|
Основные
рабочие параметры
|
|
Разработка
грунта экскаватором
|
Экскаватор
одноковшовый оборудованный обратной лопатой
|
ЭО-4123
|
1
|
q=0.65 м3;
hk max=6.2 м;
Rk max=9 м;
hв
max=5.8
м;
Rв
max=5.6
м;
|
|
Транспортировка
грунта
|
Автосамосвал
|
МАЗ-503А
|
6
|
Q=7 т; Vкузова=4 м3;
|
|
Обратная
засыпка и подчистка дна котлована
|
Бульдозер
|
Д-535
Т-75
|
1
|
lотвала=2.56 м;
hотвала=0.95 м;
|
6. Расчет забоя
Рисунок 3- Боковая
проходка. Рисунок 4-Торцевая проходка.
h- высота
насыпи обратной засыпки, м;
Rвыг.- радиус
выгрузки, м;
Rр.max.-
максимальный радиус резания, м;
lст.- длина
рабочей передвижки экскаватора, м;
b,d- смещение
экскаватора по оси проходки, м;
B- ширина
траншеи по верху, м
Hк- глубина
котлована, м;
c- берма
безопасности, м;
При разработке забоя принимаем два
вида проходок экскаватора: торцевую и боковую.
6.1 Расчет
для боковой проходки
где Sсеч.- площадь
сечения обратной засыпки, м2;
Vо.з.- объем
обратной засыпки, м3;
L- длина
котлована, м;
kп.р.-
коэффициент первоначального разрыхления;
где Rвыг.- радиус
выгрузки, м;
где Rр.о.-
оптимальный радиус резания, м;
lп.- длина
передвижки, м;

Вычисление для боковой проходки:
.2 Расчет для торцевой проходки
где B - ширина
траншеи по верху, м;
Rр.о.-
оптимальный радиус резания, м;
lп.- длина
передвижки, м;
Вычисление для торцевой проходки:
7. Описание принятых методов
производства работ
До начала земляных работ на площадке выполняем
следующие подготовительные работы:
проверяем и восстанавливаем опорную
геодезическую сеть, созданную при проектировании;
создаем геодезическую разбивочную основу;
осуществляем вынос проекта на местность с
разбивкой и закреплением основных осей и точек с установкой дополнительных
реперов при строительстве линейных сооружений;
выносим в натуру от пунктов геодезической
разбивочной основы оси и отметки земляных сооружений.
После геодезических работ производим срезку
растительного слоя бульдозером. Срезку следует выполнять с захватом двадцать
метров по периметру котлована.
Затем после завершения работ по удалению
растительного слоя в работу включается одноковшовый экскаватор, оборудованный
обратной лопатой, который выполняет основную долю земляных работ. С начала
экскаватор проходит по длине котлована боковой проходкой с выносом грунта
навымет, который в дальнейшем будет использоваться как обратная засыпка. Далее
идет разработка котлована торцевой проходкой с погрузкой грунта в
автосамосвалы, который увозится в отстойник.
После разработки котлована экскаватором,
бульдозер подчищает дно котлована от середины к сторонам, где нет обратной
засыпки. Собранный грунт собирается экскаватором с погрузкой в автосамосвалы и
также увозится в отстойник. После возведения фундамента и подвальной части,
которая закрывается плитами перекрытия, производим обратную засыпку. Обратная
засыпка производится бульдозером. Затем уплотняем грунт ручной трамбовкой.
8. Мероприятия по технике
безопасности охране труда и экологичности
.1 Охрана окружающей среды
. При организации строительного
производства необходимо осуществлять мероприятия и работы по охране окружающей
природной среды, которые должны включать рекультивацию земель, предотвращение
потерь природных ресурсов, предотвращение или очистку вредных выбросов в почву,
водоемы и атмосферу. Указанные мероприятия и работы должны быть предусмотрены в
проектно-сметной документации.
2. Производство
строительно-монтажных работ в пределах охранных, заповедных и санитарных зон и
территорий следует осуществлять в порядке, установленном специальными правилами
и положениями о них.
. На территории строящихся
объектов не допускается непредусмотренное проектной документацией сведение
древесной - кустарниковой растительности и засыпка грунтом корневых шеек и
стволов растущих деревьев и кустарника.
. Временные автомобильные
дороги и другие подъездные пути должны устраиваться с учетом требований по
предотвращению повреждений сельскохозяйственных угодий и древесно-кустарниковой
растительности.
. При производстве
строительно-монтажных работ на селитебных территориях должны быть соблюдены
требования по предотвращению запыленности и загазованности воздуха. Не
допускается при уборке отходов и мусора сбрасывать их с этажей зданий и
сооружений без применения закрытых лотков и бункеров-накопителей.
. Производственные и бытовые
стоки, образующиеся на строительной площадке, должны очищаться и
обезвреживаться в порядке, предусмотренном проектом организации строительства и
проектами производства работ.
. Попутная разработка природных
ресурсов допускается только при наличии проектной документации, согласованной
соответствующими органами государственного надзора и местными Советами народных
депутатов.
8.2 Общие правила техники
безопасности
Разрешается работать только на
полностью исправных машинах. Запрещается работать на машинах, у которых
неисправны даже отдельные сборочные единицы или механизмы.
Запрещается выезд из гаражей
или стоянок машин с неисправными тормозами или тормозными приводами, а также с
неисправными стояночными тормозами. Запрещается выезд на работы или для
транспортных перегонов машин с неисправными приборами световой и звуковой
сигнализации. Для работы в темное время суток машины должны быть оборудованы
необходимым числом внешних и внутренних осветительных приборов, работать без
включения которых с наступлением темноты запрещается.
Гибкие передачи, валы и другие
вращающиеся или подвижные детали должны быть закрыты ограждениями или кожухами,
если в работе около них могут находиться люди. Запрещается работать или
передвигаться на машинах со снятыми ограждениями или кожухами.
Запрещается осматривать
сборочные единицы и механизмы, выполнять демонтажные, сборочные, наладочные,
ремонтные и любые другие работы на машинах с работающим двигателем.
На машинах с подвижными
рабочими органами запрещается выполнять осмотры, наладочные, ремонтные и любые
другие работы, находясь под поднятыми рабочими органами, удерживающимися
канатными механизмами или гидравлическими цилиндрами. При необходимости
производства таких работ поднятые рабочие органы должны быть установлены на
запоры, предусмотренные в конструкции, или при отсутствии запоров надежно
укреплены на козлах, клетях из бревен или подперты вагами, опирающимися на
землю. Если во время осмотра, наладки, ремонта или любых других работ на
машинах работающие вынуждены находиться под поднятыми рабочими органами
(ковшами, отвалами, заслонками), запрещается кому бы то ни было находиться
вблизи от рычагов управления машин, а тем более трогать, эти рычаги, даже если
поднятые рабочие органы поставлены на запоры или оперты на землю защитными
приспособлениями. Машинист должен постоянно следить за тем, чтобы в зонах под
ковшами и заслонками скреперов, отвалами бульдозеров и грейдеров или под
рычагами и тягами подъемных органов при работах не находились люди.
В работе или при движении машин
запрещается людям находиться в ковшах, на рамах или буферах машин. Работа или
движение машины должны быть немедленно прекращены, если на металлоконструкциях
машины или в непосредственной близости к ним окажутся люди.
В кабинах машинистов не должно
находиться больше людей, чем предусмотрено заводскими инструкциями по эксплуатации
машин. При отсутствии указаний в заводских инструкциях число людей не должно
превышать числа сидений в кабине.
При накачивании воздуха в шины
колес запрещается кому-либо находиться вблизи со стороны съемного бортового
кольца во избежание травмы, которую может причинить его срыв с места посадки.
Накачивать воздухом шины размером 14...20 дюймов и более непосредственно на
машине не разрешается, так как случайный разрыв шины опасен для работающего.
Шина с ободом должна быть снята с машины и наполнена воздухом после укладки в
специальный металлический ящик с запирающейся крышкой, защищающей работающего в
случае срыва бортового кольца или при случайном разрыве шины. Машинист не
должен работать на машинах в изношенной одежде, особенно в рваных рукавицах или
перчатках, так как одежда может зацепиться за движущиеся части машины.
Заправлять бак машины топливом разрешается только при остановленном двигателе.
Дозаправка топливом при перегретом двигателе не разрешается. При заправке бака
машины топливом машинист должен пользоваться устройствами, предусмотренными на
машине, либо внешними насосами или топливозаправочными пистолетами. Запрещается
засасывать топливо в заправочный рукав ртом, а также продувать ртом
топливопроводы или рукава.
Движение с максимальной скоростью
и работу с полной нагрузкой машинист должен начинать по достижении двигателем
нормального теплового режима, что отмечается по приборам измерения температуры
охлаждающей жидкости двигателя и масла двигателя.
На случай аварийного состояния
машины машинист должен содержать инструментальный ящик и огнетушитель в порядке
и постоянной готовности.
К управлению самоходными
механизмами (одноковшовыми погрузчиками, скреперами, экскаваторами на
пневмоколесном ходу, автогрейдерами) допускаются лица, имеющие право на
управление автомобилем и прошедшие специальную подготовку управления указанными
машинами и обращения с дизельными двигателем.
.3 Меры
безопасности при работе экскаватора в забое
Во время работы экскаватора
нельзя находиться посторонним в радиусе его действия плюс 5 м.
Осмотр узлов, расположенных в
тесных и опасных местах, во время работы двигателя и механизмов экскаваторов
запрещается.
При загрузке автосамосвала, не
имеющего над кабиной предохранительного бронированного щита, шофер обязан
выходить из кабины и находиться на безопасном расстоянии. Во избежание
повреждения рабочего оборудования платформу экскаватора с наполненным ковшом
можно поворачивать только после выхода ковша из забоя. Перед кратковременной
остановкой или по окончании работ стрелу экскаватора следует расположить вдоль
оси, а ковш опустить на землю.
Все вращающиеся части
экскаватора должны быть надежно ограждены снимающимися металлическими кожухами,
сетками или щитками. Запрещается включать двигатель экскаватора без наличия на
всех местах ограждений.
.4 Меры
безопасности при работе бульдозера
При совместной работе
экскаватора и бульдозера последний не должен находиться в радиусе действия
стрелы экскаватора. Машинист бульдозера может приступать к работе вблизи
экскаватора после того, как ковш экскаватора будет опущен на землю.
Находиться под поднятым
отвалом, удерживаемым только стальным канатом или гидравлическим приводом,
запрещается. В случае необходимости осмотра и выполнения ремонтных работ под
поднятым отвалом, в поднятом положении отвал поддерживают специальными упорами
или устанавливают его на клети из брусьев.
Список литературы
1. СНиП
3.01.01-85 /Организация строительного производства/ Москва: Стройиздат, 1988
год.
. СНиП
3.02.01-87 /Земляные сооружения, основания и фундаменты/ Москва: Стройиздат,
1988 год.
. СНиП
lll-4-80 /Техника
безопасности в строительстве/ Москва: Стройиздат, 1988 год.
. ЕНиР
/Сборник Е2. Земляные работы. Выпуск 1. Механизированные и ручные работы/
Москва: Стройиздат, 1989 год.
. А.К.
Рейш /Земляные работы/ Москва: Стройиздат, 1984 год.
. И.И.
Ващенко /Земляные работы/ Киев: Будiвельник,
1982 год.
. К.С.
Марионков /Основы проектирования производства строительных работ/ Москва:
Стройиздат, 1980 год.