Конструкції суспільної будівлі: колона К-1, фундамент ФМ-1
Зміст
1. Загальні відомості
.1 Конструктивна схема будівлі
.2 Схема розміщення елементів
будівлі
. Попередній розрахунок
розмірів перерізу колони та ригеля
.1 Розрахунок ваги 1м2
перекриття
.2 Розрахунок ваги 1м2
покриття
.3 Розрахунок розмірів перерізу
ригеля
.4 Розрахунок розмірів перерізу
колони
. Розрахунок колони середнього
ряду
.1 Вихідні дані
.2 Визначення розрахункової і
конструктивної довжини колони
.3 Збір навантажень на колону
першого поверху
.4 Розрахунок робочої арматури
колони
.5 Конструювання каркасу колони
.6 Розрахунок консолі колони
.6.1 Розрахунок розмірів
консолі колони
.6.2 Розрахунок робочої
арматури консолі
.6.3 Розрахунок поперечної
арматури консолі
.6.4 Армування консолі
.6.5 Конструювання закладної
деталі
.7 Визначення ваги колони
.8 Конструювання оголовка
колони
.8.1 Призначення розмірів
.8.2 Армування оголовка колони
.8.3 Конструювання сіток
.9 Конструювання стропуючих
пристосувань
.10 Розрахунок колони на
транспортні навантаження
. Розрахунок стовбчастого
фундаменту
.1 Вихідні дані
.2 Визначення глибини залягання
фундаменту
.2.1 Глибина залягання
фундаменту із конструктивних вимог
.2.2 Глибина залягання
фундаменту із ґрунтових умов
.3 Визначення розмірів підошви
фундаменту
.4 Визначаємо розмір стакану і
підколонника
.5 Визначення висоти плити
фундаменту
.6 Визначення ваги і маси
фундаменту
.7 Розрахунок робочої арматури
плити фундаменту
.8 Армування підколонника і
стакана фундаменту
.9 Конструювання арматурних
виробів
Список використаної літератури
1.
Загальні відомості
.1 Конструктивна схема будівлі
Будівля інженерного корпусу
розроблено на основі завдання курсового проекту з з/б конструкцій.
Місто будівництва м. Горлівка
Основні об’ємно-планувальні
характеристики:
кількість поверхів - 6 м
висота поверху - 6 м
крок колон - 9 м
проліт - 5 м
тимчасове навантаження на перекриття
основа для фундаменту - ґрунт:
φ=16
с=41 кПа
γ=17 кН/мl=0,2=0,75
рельєф спокійний
Будівля має прямокутну форму.
Розміри в плані 15 х 90 м
Конструктивна схема будівлі
напівкаркасна.
Каркас - збірний з/б.
Стіни - кладка з керамічної цегли
товщиною 510 мм.
Марка цегли М 100
Підлога - дощата. На першому поверху
підлога виконана по ґрунту.
Покрівля рулонна, виконана з двох
шарів с поліпласту.
Перекриття виконано з пустотних з/б
плит товщиною 300 мм.
Ригель таврового січення з полкою
внизу.
Фундамент - монолітний з/б з
розмірами 2,9 х 2,9 м
Нормативна глибина промерзання
ґрунту складає 1 м
Розрахунок колони та фундаменту
виконаний по першій групі межевих станів.
В графічній частині проекту виконані
робочі креслення розрахункових конструкцій.
.2 Схема розміщення елементів
будівлі
2. Попередній розрахунок розмірів
перерізу колони та ригеля
.1 Розрахунок ваги 1м2
перекриття
|
№
|
Найменування
|
Нормативна
|
Розрахункова
|
|
|
розрахунок
|
значення
|
Врр
|
кН / м2
|
|
1
|
Полівінілацетатна мастика
|
1*1*0,004•16
|
0,64
|
1,3
|
0,832
|
|
2
|
Стяжка ц/п
|
0,04*18
|
0,72
|
1,3
|
0,936
|
|
3
|
Паро/гідробар'єр
|
0,0002•10
|
0,002
|
1,2
|
0,0024
|
|
4
|
Мінераловатна жорстка плита
|
0,05*2
|
0,1
|
1,2
|
0,12
|
|
5
|
Помазка
|
0,3•25*0,5
|
3,75
|
1,1
|
4,125
|
|
|
|
Разом:
|
4,636
|
|
5,2666
|
|
|
Приймаємо:
|
4,6
|
|
5,3
|
2.2 Розрахунок ваги 1м2
покриття
|
№
|
Найменування
|
Нормативна
|
Розрахункова
|
|
|
розрахунок
|
значення
|
Врр
|
кН / м2
|
|
1
|
Споліпласт-К
|
0,004•10
|
0,04
|
1,2
|
0,048
|
|
2
|
Споліпласт ПД
|
0,003•10
|
0,03
|
1,2
|
0,036
|
|
3
|
Ц/п стяжка
|
0,02•18
|
0,36
|
1,3
|
0,432
|
|
4
|
П/гідробар'єр
|
0,0002•10
|
0,2
|
1,2
|
0,24
|
|
5
|
М/в плита
|
0,1•1
|
0,1
|
1,2
|
0,12
|
|
6
|
Шар пергаміна на мастиці
|
0,08•8
|
0,64
|
1,2
|
0,768
|
|
7
|
З/б плита
|
0,3•25•0,5
|
3,75
|
1,1
|
4,125
|
|
8
|
Шпаклівка
|
0,002•16
|
0,032
|
1,3
|
0,0416
|
|
|
Разом:
|
5,152
|
|
5,8106
|
|
|
Приймаємо:
|
5,2
|
|
5,8
|
2.3 Розрахунок розмірів перерізу
ригеля
Розрахункове навантаження на 1м
ригеля і на 1м2 перекриття
еп=
Рn·f=6·1,2 = 7,2 кН/мпер= 0,5·1,1 =
0,55=(qеп+Pеп+Pпер)·l1=(4,3+7,2+0,55)·9=108,45
кН/м
Назначаємо січення ригеля:
h=
500 = 50 см
Визначаємо ширину:
=0,5·h= 25 см
Визначаємо значення МАХ внутрішніх
зусиль:
Ммах=М=
кНм
Приймаємо:
· Клас важкого
бетону: В 30, Rb=17 МПа=1,7 кН/см2
· Положення робочої арматури:
а=5
· Ширина балки:
B=0,5·h= 25 см
Необхідна робоча висота балки:
см
Необхідна висота балки:
59,53+5=64,53 см
Висота >60см =>
градація 10 см
Приймаємо:
hxb=60x25 см
А1=25·60=1500 см2
А2=
228см2
А=1500 + 2 · 228 =1728 см2
= 0,173 м2
.4
Розрахунок розмірів перерізу колони

Рсн=500 Н/м2
Розрахункова вага снігу на 1 м2
Рснега=Рсн·f·M=0,5·1,4·1=0,7
кН
Визначення площі з якої дцє
загрузка:грз=9·5=45 м2
Повна розрахункова загрузка на
колону:
=[(nет-1)·(qеп+Pеп+Pпер)+qкр+pснега]·Aгрз·K=
=[(6-1)·(4,3+7,2+0,55)+6,4+0,7]·45·1,3=
3939,975 кН
Необхідна площа січення колони:
hк=bк=
= 43,68 см
Приймаємо:
hк х bк= 40 х
40 см
· Клас бетону: В 30 Rb=
17 МПа = 1,7 кН/см2
· Клас робочої
арматури: А Rsc= 365 МПа
· Відсоток армування:
М=1%
3.
Розрахунок колони середнього ряду
.1 Вихідні дані
· Клас важкого
бетону: В 30 Rb= 17 МПа = 1,7 кН/см2 ; Rbt=1,2
МПа
· Положення робочої
арматури: а=5
· Ширина балки:
B=0,5·h= 25 см
· Клас робочої
арматури: А ІІІ Rsc=365 МПа
· Клас поперечної
арматури: А ІІІ Rsw=290 МПа
3.2 Визначення розрахункової і
конструктивної довжини колони
Відмітка стику колони:
Нст= Нет+h1=6+1=7
м
Висота перекриття:
∆=h1+hплити+hпола=380+300+168=
848 мм = 84,8см
0,85 м
Відмітка низу консолі колони:
А=Нет-∆=6-0,85=
5,15 м
Глибина замонолічування
колони в фундаменті:
зад =1,5·hк=
1,5·40= 60 см
Довжина над консольної та під
консольної частина колони:
ℓ1=Нст-А=
7-5,15=1,85 м
ℓ2=А+0,15+hзад=
5,15+0,15+0,6=5,9м
Конструктивна довжина колони:
ℓк= ℓ1+
ℓ2= 1850+5900=7750 мм
Розрахункова довжина:
ℓр=А+
+0,15=5,15+
+0,15=5,6 м
3.3 Збір
навантажень на колону першого поверху
Повне розрахункове
навантаження:
ΣQк=hк·bк·L·
·
f=
0,4·0,4·36·25·1,1= 158,4 кН
ΣQб=h·b·l·
·
f·nб=
0,6·0,3·9·25·1,1·6= 267,3 кН=[(nет-1)·(qеп+Pеп+Pпер)+qкр+pснега]·Aгрз+ΣQк+
ΣQб=
=[(6-1)·(4,3+7,2+0,55)+6,4+0,7]·45+158,4+267,3=3226,95
кН
Тимчасова частина
навантаження:
дл=[(nет-1)·(qеп+0,5·Pеп+Pпер)+qкр]·Aгрз+ΣQк+
ΣQб=
=[(6-1)·(4,3+0,5·7,2+0,55)+6,4]·45+158,4+267,3=
2614,95 кН

.4
Розрахунок робочої арматури колони
Гнучкість колони:
λh=
14
Приймаємо відношення
проміжної площі арматури рівним ≤
Співвідношення навантажень:
0,81
Частковий коефіцієнт
повздовжнього вигину:
φв =
0,81 ; φж=
0,86
В першому приближенні
приймаємо φ
= φж
Значення
коефіцієнта:
а=
0,47
=1 так як сторона колони hк
≥ 20 см
Коефіцієнт повздовжнього
вигину в першому приближенні:
φ = φb+2·а·(φж-φв) =
0,81+2·0,47·(0,86-0,81) = 0,857 < φж
Площа робочої арматури:
· За розрахунком:
28,64 см2
· Мінімальна:
(0,4·0,01)·40·40= 6,4 см2
Гнучкість виражена через радіус
інерції:
λ1=
48,28
При λ1=48,28
;
0,2 ;
min =
2·0,2 = 0,4%
Конструктивна площа арматури:
=4 Ø 16 мм = 8,04
см2
Із трьох значень для
армування колони приймаємо найбільше
=28,64 см2
Приймаємо: 4
Ø 32
мм; А ІІІ;
= 32,17 см2
Крок та діаметр поперечної арматури:
sw=0,35·ds=0,35·32=11,2w=
20·ds= 20·32 = 640 мм
Приймаємо: dsw=12 мм АІІІ
; Sw= 500 мм
Визначаємо несучу здатність:
сеч= φ·m·(Rb·bk·hk+Rsc·Asc)=
=0,857·1·(1,7·40·40+36,5·32,17)=3337,333 кН >
N
a=
0,43 <
0,5
φ=φв+2·a·(φж-φв)=0,81+2·0,43·(0,86-0,81)
= 0,853
Висновок: Несуча здатність
забезпечена
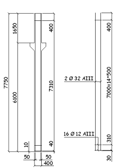
3.5 Конструювання каркасу колони
Вільна довжина арматури:
=ℓк-400-40=7750-400-40=7310
мм
Кількість кроків поперечної
арматури:
=
14,62
Приймаємо: 14 х 500 = 7000 мм; 1 х
(7310 - 7000) = 1 х 310
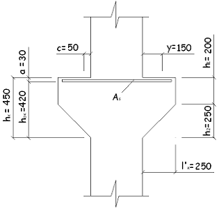
3.6 Розрахунок консолі колони
.6.1 Розрахунок розмірів консолі колони
Навантаження діюче на консоль:
Q=(gеп+Реп+Рпер)
·
+ Qб
· 0,5 =
= (4,3+7,2+0,55) ·
+ 267,3 ·
0,5 = 404,775 кН
Виліт консолі із умови
стиснення бетону:
10,996 см
Приймаємо:
25 см
Робоча висота консолі:
· При відсутності
поперечної арматури в консолі:
33,73 см
· Із умови прогину:
29,039 см
150 мм = 15 см
Висота консолі:
33,73 + 3 = 36,73 см
29,04 + 3 = 32,04 см
Висота консолі із конструктивних
вимог: h1= 20 см; h2=25 см
h1 + h2 = 20 +
25 = 45 см
Приймаємо
найбільший варіант:
45 см
.6.2 Розрахунок робочої арматури
консолі
Робоча висота консолі:
ок=h’к
- а= 45 - 3 = 42 см
Момент діючий на грані колони:
М= Q · y = 404,775 · 15 = 6071,625
кН/см
Площа робочої арматури:
Аs=
5,5 см2
Приймаємо: 2
Ø 20
АІІІ ;
см2
3.6.3 Розрахунок поперечної арматури
консолі
Короткі консолі приймають якщо виліт
складає 90% від висоти консолі
l'к ≤ 2,5 · h’к
25 < 0,9 · 45
< 40,5
h’к=45
1. Якщо h’к <
2,5 y то консоль армується нахиленими хомутами:
45 > 2,5 · 15
> 37,5
- умова не здійснюється.
2. Якщо 3,5 у ≥ h’к
≥ 2,5 у то консоль армується горизонтальними хомутами і похилими
стержнями:
3,5·15 ≥ 45 ≥ 2,5·15
,5 ≥ 45 ≥ 37,5 - умова здійснюється.
3. Якщо h’к >
3,5 y то консоль армується горизонтальними хомутами та похилими стержнями:
45 < 3,5 · 15
< 52,5
- умова не здійснюється.
Призначаємо діаметр горизонтальних хомутів
консолі:sw= 8 мм АI
Крок горизонтальних хомутів:
Sw ≤
· h’к
=
· 45 =
11,25 см >
= 10 см
Площа армування двогілкових
відгинів:sin c=0,002 · 40 · 42 = 3,36 см2
Приймаємо: 2
Ø 12 А IV ; Aпsin c=4,02
> Asin c=3,36 см2
3.6.4 Армування консолі
. Робоча арматура консолі: 2 Ø
20 АІІІ
. Відгини (консольні стержні): 2 Ø
12 А IV
. Хомути: dsw= 8 мм АI
. Монтажна арматура консолі: 2 Ø
9 АІ
. Робоча арматура колони: 4 Ø
32 мм
Назначаємо монтажну арматуру консолі
d1sw=0,5 · dsw= 0,5 · 18 = 9 мм
3.6.5 Конструювання закладної деталі
Розміри пластини:
1
= bк - 30 = 400 - 30 = 370 мм2 = l1к
- 1,5 - с = 250 - 15 - 50 = 185 мм
δn=
6 мм
Приймаємо: 6 мм
Довжина робочої арматури консолі:
a
= bк + 2 · l1к - 2 · с - 40 =
400+2·250-2·50-40= 760 мм
3.7
Визначення ваги колони
При визначенні об’єму бетону колони,
колону розбивають на прості геометричні тіла:
2=
bk · hk · lk = 0,4 · 0,4 · 7,75 = 1,24 м3
V1=
=0,03 м3
Об’єм бетону колони:
V= 2 · V1 + V2
= 2 · 0,03 + 1,24 = 1,3 м3
Маса колони:
m= V · ρ = 1,3 · 2500 = 3250
кг
ρ = 2500 кг/м3
- щільність бетону
Вага колони:
к=
V · = 1,3 · 25 = 32,5 кН
= 25 кН/м3 -
питома вага бетону
3.8 Конструювання оголовка колони
.8.1 Призначення розмірів
Призначаємо висоту кутової підрізки:
δ ≥
15 см hп ≥ 5dsп = 5 · 32 = 160 мм
Приймаємо:
hп = 150 мм
Призначаємо розміри центруючого
виступу:
δ
= 15…20 мм
н = 0,55 · hк
= 0,55 · 40 = 22 смв = dн - (3…4) = 22 - 4 = 18 см
Верхній розмір підрізки:
1 = 0,4 · hк
· 0,4 · 400 = 160 мм
Нижній розмір підрізки:
'1 = m1 + 40 = 160 + 40 =
200 мм
c1 =
=
= 100 мм
c2 =
=
= 120 мм
3.8.2 Армування оголовка колони
Оголовок колони проектуємо з
застосуванням конструктивного армування виконаного із плоских сіток
Сітки проектуємо із арматури класу А
І
Діаметр стержневої сітки dc
= 8 мм
Назначаємо крок сіток
S = 9 <
· hк
Sп = 8 мм
Сітки встановлюємо по глибині
колони
1 ≥
10 ds = 10 · 32 = 320 мм
Кількість сіток:
n =
+ 1 =
+ 1 = 4 шт.
Приймаємо: n
= 4
сіток мінімальна кількість в
оголовку колони для об’єднання сіток в арматурний блок передбачаємо 4 окремих
стержні С-1 а=8 мм і каркасом АІІІ
3.8.3 Конструювання сіток
колона ригель арматура
фундамент
k = c -
- 10 = 50 -
- 10 = 20
мм
Приймаємо:
20,5 мм
2
= hk - 20 = 400 - 20 = 380 мм
k1 =
=
= 113,333
< m1 - 30 мм = 160 - 30 = 130 мм
Приймаємо:
113 мм
3.9
Конструювання стропуючих пристосувань
Для підняття колони проектуємо
стропуючі отвори розташовані від торців колони:
l1 = (
…
) · lк
=
· 7750 =
1550 мм
Отвори виконуємо з використанням
трубки діаметром 50 мм довжиною lT=hK
Анкерні стержні виконуємо з арматури
А ІІ (А І) do= 12 мм
Довжина
a
= hK - 40 = 400 - 40 = 360 мм
K = C +
+ 10 мм =
50 +
+ 10 = 76
мм ≈ 80 мм
3.10
Розрахунок колони на транспортні навантаження
Розрахункову схему колони приймаємо
у вигляді статично визначеної балки
Навантаження від власної ваги
колони:
g = bk · hk
· 1 ·
·
= 0,4 · 0,4
· 1 · 1,6 · 25 = 6,4 кН/м
= 1,6 - коефіцієнт динамічності
Значення найбільших вигинаючи
моментів:
Моп =
=
= 7,6 кН · м
Мпр =
= =
=9,7кН · м
Несуча здатність колони при вигині:
Висота стиснутої зони бетону:
x =
=
= 8,63 ≈
9 см0 = hk - c = 60 - 5 = 35 см
Мсеч = Rb
· bk · x · (h0 -
) = 1,7 · 40 · 9 · (35 -
) = 18666 кН
· см
Висновок: Знайдений момент січення
рівний 18666 кН · см, що більше опорного моменту Моп та прольотного
моменту Мпр.
4.
Розрахунок стовбчастого фундаменту
.1 Вихідні дані
Для розрахунку і конструювання
фундаменту призначаємо матеріали:
1. Бетон важкий кл. В 10 Rb
= 6,0 МПа Rbt = 0,57 МПа = 570 кН/м2
2. Робоча арматура плити А ІІІ
Rs = 365 МПа = 36,5 кН/см2
. Повздовжня і поперечна
арматура підколонника А ІІІ
. Армування стінок стакану А
ІІІ
Арматурні вироби виконуються з
застосуванням електрозварювального обладнання. Для спряження колони з
фундаментом передбачаємо стакан.
Захисний шар бетону арматури плити
приймаємо не менше 5 см
Рельєф місцевості приймаємо
спокійний
Температура в приміщенні 1 поверху
t° = 15° C
Підлогу в приміщеннях 1 поверху
виконуємо по ґрунту. Ґрунтові води відсутні.
Обріз фундаменту проектуємо на
відмітці -0,150 м
Фундамент проектуємо для наступних
ґрунтових умов:
Глина
φ
= 16°
с = 41 кПа
= 17 кН/м
I1 = 0,2= 0,95
Умовний розрахунковий опір ґрунту R0
= 300 кН/м2
4.2 Визначення глибини залягання
фундаменту
.2.1 Глибина залягання фундаменту із
конструктивних вимог
1
= hзад + с + 55 = 60 + 5 + 55 = 120 см
К = 55 см > 20 см
Глибина забивання колони в
фундамент:
зад
= 1,5 · bk = 1,5 · 40 = 60 см
.2.2 Глибина залягання фундаменту із
ґрунтових умов
Глина
φ = 16°
с = 41 кПа
= 17 кН/м1 = 0,2= 0,95
Розрахункова глибина промерзання
ґрунту
f = df’’
· kh · k1 = 100 · 0,6 · 1,2 = 72 см
f’’ =
100 - глибина промерзання ґрунту для м. Горлівка
Для даних ґрунтів глибина закладання фундаментів
залежить від df
2 = df
+ 30 = 72 + 30 = 102 см
Приймаємо глибину закладання фундаменту h = 150
см > h1 > h2
Умовна глибина закладання фундаменту:
Ну = h + 15 см = 150 + 15 = 165 см
4.3 Визначення
розмірів підошви фундаменту
Фундамент проектуємо з квадратною
підошвою:
a = b =
=
= 2,63
= 20 кН/м3
NH =
=
= 1222 кН
h=1,6 м3
Ro =0,21 МПа
= 210кН/
м3ф= а х в
Приймаємо: a
= b = 2.1x2.4 м
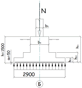
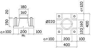
.4 Визначаємо розмір стакану і
підколонника
∆ст = 175мм-
товщина стінки стакана.
1
= bk + 15 см = 40 + 15 = 55 см2 = bk + 10 см =
40 + 10 = 50 см
Глибина стакану:
ст
= hзад + 5 см = 75+5= 80см
Ширина підколонника:
n
= dn = m1 + 2 · ∆ст = 550 + 2 · 175=900
мм
.5 Визначення висоти плити
фундаменту
Відпір ґрунту:
Ргр =
=
= 290.95кН/
м2
Визначимо розміри:
l1 =
=
= 0,85h<
- фундамент що проектується з підколонником2 =
=
= 0,6м <
2,5hпл - вимога норм
Робоча висота плити із умов
продавлювання:
=
=
0,23м
Висота плити: hпл
= 230+50=470мм
Висота плити із
конструктивних вимог:пл = 300мм = 2 · 300 = 600мм
Мінімальна висота ступені
складає 300 мм
Градація висоти плити
фундаменту та ступенів складає 150 мм
Якщо l2 > 70 см
то плиту фундаменту проектуємо з двох ступенів, при l2 > 90 см то
проектуємо з трьох ступенів.
4.6
Визначення ваги і маси фундаменту
1
= a1 · b1 · h1 = 2,4· 2,1· 0,3 = 1,51 м32
= a2 · b2 · h2 = 1,6 · 1,4 · 0,3 = 0,67 м33
= aп · bп · h3 = 0,9· 0,9 · 1,1= 0,89м3
V4 =
=
= 0,22 м3
Об'єм бетону фундаменту
= V1 + V2
+ V3 + V4 = 1,51+0,67+0,89-0,22=2,85 м3
Маса фундаменту:
= V · p = 2,81· 2500 = 7025кг=7,025т
Вага фундаменту:
Qф = V ·
= 2,81·
25=70,25кН=2500кг/ м3
4.7
Розрахунок робочої арматури плити фундаменту
Для розрахунку робочої
арматури призначаємо січення розташовані в місцях зміни розмірів фундаменту. Розрахункова
схема приймається у вигляді консольної балки, завантаженої відпором ґрунту.
В заданих січеннях визначаємо
робочу висоту, згинаючий момент, потрібна площа в арматурі плити фундаменту:
01 = h1
- a0 = 1700 - 50 = 1650 мм02 = hпл1 - a0
= 600 - 50 = 550 мм
h03 = hпл2
- a0 = 300 - 50 = 250 мм1 = 0,125· (b - bk)2
· a · Pгр =0,125 · (2,1 - 0,4)2 · 2,4 · 290,95=252,25
кН·м2 = 0,125 · (b - bп)2 · a · Pгр=0,125
· (2,1 - 0,9)2 · 2,4 ·290,95=125,69 кН·м3 = 0,125 · (b -
bпл)2 · a · Pгр=0,125 · (2,1 - 1,4)2
· 2,4 ·290,95= 42,76 кН·м4 = 0,125 · (a - aпл)2
· b · Pгр=0,125 ·(2,4 - 0,4)2 · 2,1 ·290,95=305,49 кН·м5
= 0,125 · (a - aпл)2 · b · Pгр=0,125 ·(2,4 -
0,9)2 · 2,1 ·290,95=171,84 кН·м6 = 0,125 · (a - aпл)2
· b · Pгр=0,125 · (2,4 - 1,6)2 · 2,1 ·290,95 =48,87 кН·м
=
=
= 4,65 см2
=
=
= 6,95 см2
=
=
=5,20 см2
=
=
=5,63 см2
=
=
=9,51 см2
=
=
=5,95 см2
Для розрахунку приймаємо
більше значення площі арматури
9,51 см2. Знаючи
максимальну площу арматури конструюємо сітку плити фундаменту.
Призначаємо крок стержнів в
сітці S = 15 см
Кількість стержнів:
mp =
+1 =
= 16.3 шт.
Приймаємо: n =
16 шт.
Потрібний діаметр стержнів:
=
= 0,59 см2 ап
s = 10 мм
Приймаємо: 16
Ø
10 A400c
=12,56 см2
>
= 9,51 см2
10 мм
.8 Армування підколонника і стакана
фундаменту
Підколонник фундаменту армуємо плоскими зварними
каркасами (КР-1; КР-2)
Потрібна площа арматури:
s = 0,0008 ·
bn · an = 0,0008 · 95 · 95 = 7,22 см2
Приймаємо: 12 Ø 12мм
A400c ;
= 13,56>
As ; ds = мм > мм
Крок і діаметр поперечної арматури підколонника:
sw = 0,33 · ds
= 0,33 · 14 = 3,96 ммw = 20 · ds = 20 · 12 = 240 мм
6 мм А ІІІ
25 см
(градація 50 мм)
Стінки стакану армуємо плоскими зварними сітками
виконаними з арматури класу А ІІІ (С-2)
Діаметр арматури dsc = 10 мм > 8
мм (вимога норм)
Назначаємо крок сіток: Sc ≤ 20
см
c ≤
· hст
=
· 80 = 20см
Приймаємо:
= 15 см
(градація 5 см)
Кількість сіток:
c =
=
= 6,3 шт.
Приймаємо:
6 шт.
а)
б)
.9 Конструювання арматурних виробів
m1 = bn - 3 см
= 95 - 3 = 92 см
m2 = 50 -
- 15 - 5 =
50 -
- 15 - 5 =
19 мм3
= Δст -
20 - 15 - m2 = 175 - 20 - 15 - 19 = 121 мм
1
= h - K0 - K2 = 1700 - 50 - 20 = 1630 мм2 = K1
- K3 = 50 - 15 = 35 мм
n3 = bn
- 2 · K1 =
= 266.6≈
267 мм
Кількість кроків поперечної
арматури каркасуs =
= 3,2 шт.
Приймаємо: n
= 3 шт.
Список використаної літератури
1. СНиП
2.26-76 «Состав кровли»;
2. СНиП
2.03.13-88* «Полы»;
. Детали
покрытий в.3 серия 2-260-1;
. Детали
полов общественных зданий выпуск 1 серия 2-244-1;
. Общесоюзный
строительный каталог том 2;
. Цай
Т.Н. «Строительные конструкции» том 2;
. М.В.
Берлинов «Примеры расчета оснований и фундаментов»