2,5○
─ óãîë
ïðîäîëüíîãî êðåíà
ìàøèíû.
. Ñèëà ñîïðîòèâëåíèÿ
èíåðöèè ïðè ðàçãîíå
(òðîãàíèè ñ ìåñòà)
àãðåãàòà
Í
ãäå ñ - êîýôôèöèåíò,
ó÷èòûâàþùèé
íàëè÷èå âðàùàþùèõñÿ
ìàññ â òðàíñìèññèè
äâèæèòåëÿ;- ìàññà
ìàøèíû;
dv- èçìåíåíèå
äåéñòâèòåëüíîé
ñêîðîñòè; dv =10 êì/÷ =2,778 ì/c;
dt - âðåìÿ
ðàçãîíà; dt = 80 c.
. Ñèëà ñîïðîòèâëåíèÿ
â ïîäøèïíèêàõ
êà÷åíèÿ
Í
; 2.1.21
Ìîùíîñòü, íåîáõîäèìàÿ
äëÿ ïåðåäâèæåíèÿ
àãðåãàòà ïî ïðÿìîé:
êÂò
, 2.1.22
ãäå v - äåéñòâèòåëüíàÿ
ñêîðîñòü äâèæåíèÿ
ìàøèíû; dv =10 êì/÷ =2,778 ì/c;
η - ÊÏÄ ïðèâîäà
äâèæèòåëÿ; η = 0,94.
Òàêèì îáðàçîì,
ìû âèäèì, ÷òî óêàçàííîé
ìîùíîñòè äâèãàòåëÿ
(Näâ=110 êÂò) äîñòàòî÷íî
äëÿ îáåñïå÷åíèÿ
äâèæåíèÿ ìàøèíû
ïî ïðÿìîé.
.2.3.2 Ìîùíîñòü,
íåîáõîäèìàÿ
íà ïîâîðîò ìàøèíû
Ïðè ïîâîðîòå
êîëåñíîãî õîäà
ïðåîäîëåâàåòñÿ
âñå òå æå ñîïðîòèâëåíèÿ,
÷òî è ïðè ïðÿìîëèíåéíîì
äâèæåíèè, âêëþ÷àÿ
ñîïðîòèâëåíèå
ïîâîðîòó, êîòîðîå
ðàâíî:
H , 2.1.23
ãäå fk-êîýôôèöèåíò
ñîïðîòèâëåíèÿ
ìÿòèþ ïðè êà÷åíèè
êîëåñà; fk=0,1;
φ -êîýôôèöèåíò
òðåíèÿ; φ=0,5;
R - ðàäèóñ ïîâîðîòà
ìàøèíû; R=6,58 ì ;
D - øèðèíà êîë¸ñíîé
áàçû ìàøèíû;
D=2,3 ì.
Ìîùíîñòü íåîáõîäèìàÿ
äëÿ ïîâîðîòà àãðåãàòà
2.1.24
Óêàçàííîé ìîùíîñòè
äâèãàòåëÿ (Näâ=88 êÂò) äîñòàòî÷íî
äëÿ îáåñïå÷åíèÿ
ïîâîðîòà ìàøèíû.
2.2.4 Ðàñ÷åò
óñòîé÷èâîñòè
Ìàêñèìàëüíûé
ñòàòè÷åñêèé
óãîë ïðîäîëüíîé
óñòîé÷èâîñòè
 íà÷àëüíûé
ìîìåíò íàðóøåíèÿ
ïðîäîëüíîé óñòîé÷èâîñòè
îïðîêèäûâàíèÿ
àâòîìîáèëÿ áóäåò
ïðîèñõîäèòü âîêðóã
òî÷êè Î, â ýòîì
ñëó÷àå ðåàêöèÿ
íà ïåðåäíèå êîëåñà
áóäåò ðàâíà íóëþ.
Óðàâíåíèå ðàâíîâåñèÿ
ñèñòåìû áóäåò
èìåòü âèä
;
;
ïðè
2.1.25
Îïðîêèäûâàíèå
ìàøèíû áóäåò
ïðîèñõîäèòü åñëè
óãîë áóäåò áîëüøå
èëè ðàâíûé:.
Ìàêñèìàëüíûé
óãîë óñòîé÷èâîñòè
ïðè äâèæåíèè
ñ ó÷åòîì ðåàêòèâíîãî
ìîìåíòà. Îïðîêèäûâàíèå
àâòîìîáèëÿ ïðîèñõîäèò
âîêðóã òî÷êè
Î, â ìîìåíò íà÷àëà
îïðîêèäûâàíèÿ
ðåàêöèÿ ïîâåðõíîñòè
íà ïåðåäíèå êîëåñà
ðàâíà íóëþ.
;
;
ïðè
;
;
ãäå
-ðåàêòèâíûé
ìîìåíò.
;
2.1.26
ãäå
-òÿãîâîå óñèëèå;
-ðàäèóñ
êà÷åíèÿ êîëåñà.
-ïðîåêöèÿ
ñèë íà îñü Õ;
ãäå
-ñèëà ñîïðîòèâëåíèÿ
êà÷åíèþ;
;
ãäå f-êîýôôèöèåíò
ñîïðîòèâëåíèÿ
ïåðåêàòûâàíèþ.
;
;
;
; 2.1.27

Ìàêñèìàëüíûé
óãîë óñòîé÷èâîñòè
ïðè äâèæåíèè
ñ ó÷åòîì ðåàêòèâíîãî
ìîìåíòà ñîñòàâëÿåò:
Ñòàòè÷åñêèé
óãîë ïîïåðå÷íîé
óñòîé÷èâîñòè
Â
ìîìåíò ïîòåðè
ïîïåðå÷íîé óñòîé÷èâîñòè
ðåàêöèÿ ïîâåðõíîñòè
íà ïðàâûå êîëåñà
áóäåò ðàâíà íóëþ.
Óñëîâèÿ ðàâíîâåñèÿ
ñèñòåìû:
;
;
;
; 2.1.28
Ìàøèíà
ïîòåðÿåò óñòîé÷èâîñòü,
åñëè óãîë áóäåò
áîëüøå:
.
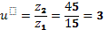
2.2.5 Êèíåìàòè÷åñêèé
ðàñ÷¸ò
Ìàøèíà èìååò
êàê òðè ïåðåäà÷è
âïåðåä, òàê è òðè
íàçàä. Èòîãî ñóùåñòâóåò
øåñòü äèàïàçîíîâ
ñêîðîñòåé. Ïðèâîä
îáîèõ ìîñòîâ
è ïðèâîä ãèäðîíàñîñîâ
îñóùåñòâëÿåòñÿ
ïîñðåäñòâîì ðàñïðåäåëåíèÿ
ìîùíîñòè ðåäóêòîðîì
îòáîðà ìîùíîñòè.
Ñêîðîñòü âðàùåíèÿ
âàëà äâèãàòåëÿ
2300 îá/ìèí. Ïåðåêëþ÷åíèå
ïðåäà÷ îñóùåñòâëÿåòñÿ
ñ ïîìîùüþ ãèäðîïîäæèìíûõ
ôðèêöèîííûõ
ìóôò. Ïåðåêëþ÷åíèå
íàïðàâëåíèå õîäà
ìàøèíû îñóùåñòâëÿåòñÿ
ñ ïîìîùüþ áëîêøåñòåðåí.
Ìåæäó ïåðåäíèì
âåäóùèì ìîñòîì
è òðàíñìèññèåé
íàõîäèòñÿ ñòîÿíî÷íûé
òîðìîç. Êèíåìàòè÷åñêàÿ
ñõåìà ïîêàçàíà
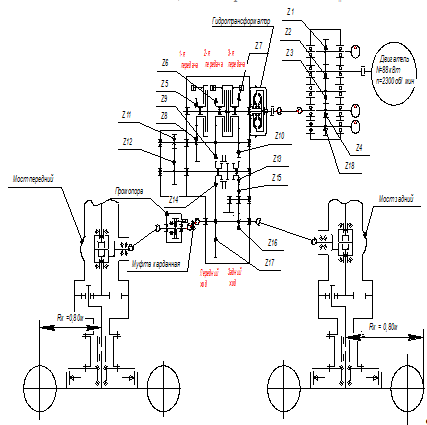
íà ðèñóíêå 2.2.5.
Ðèñóíîê 2.2.5 - Êèíåìàòè÷åñêàÿ
ñõåìà
Äëÿ êèíåìàòè÷åñêîãî
ðàñ÷åòà íåîáõîäèìî
çíàòü êîëè÷åñòâî
øåñòåðåí è êîëè÷åñòâî
çóáüåâ íà íèõ.
Ýòî ïðèâåäåíî
â òàáëèöå2.2.5.1.
Òàáëèöà 2.2.5.1
|
Zi
|
1
|
2
|
3
|
4
|
5
|
6
|
7
|
8
|
9
|
10
|
11
|
12
|
13
|
14
|
15
|
16
|
17
|
18
|
|
×èñëî
çóáüåâ
|
20
|
20
|
36
|
20
|
18
|
28
|
44
|
66
|
56
|
40
|
28
|
22
|
15
|
35
|
15
|
24
|
56
|
34
|
Âû÷èñëÿåì îáùåå
ïåðåäàòî÷íîå
îòíîøåíèå ðåäóêòîðà
îòáîðà ìîùíîñòè
è êîðîáêè ïåðåäà÷
ïðè ïåðåêëþ÷åíèè
ïåðåäà÷, è ìåíÿÿ
íàïðàâëåíèÿ äâèæåíèÿ.
Âïåðåä
-ÿ ïåðåäà÷à
-ÿ ïåðåäà÷à
-ÿ ïåðåäà÷à
 íàïðàâëåíèè
íàçàä ïåðåäàòî÷íûå
÷èñëà áóäóò ðàâíû
ñîîòâåòñòâåííî
ïåðåäà÷å (òàáëèöà
2.2.5.2).
Òàáëèöà 2.2.5.2. - Ïåðåäà÷è
|
Ïåðåäà÷à
|
Íàïðàâëåíèå
äâèæåíèÿ
|
Ïåðåäàòî÷íîå
îòíîøåíèå
|
|
1
|
âïåðåä
|
4,609524
|
|
2
|
âïåðåä
|
2,514286
|
|
3
|
âïåðåä
|
1,142857
|
|
1
|
íàçàä
|
4,609524
|
|
2
|
íàçàä
|
2,514286
|
|
3
|
íàçàä
|
1,142857
|
Òîãäà ïåðåäàòî÷íûå
÷èñëà òðàíñìèññèè
ðàâíû ïðîèçâåäåíèþ
ïåðåäàòî÷íîãî
îòíîøåíèÿ ðåäóêòîðà
îòáîðà ìîùíîñòè
ñ êîðîáêîé ïåðåäà÷
è ïåðåäàòî÷íîãî
îòíîøåíèÿ âåäóùåãî
ìîñòà (i=25,37), ãèäðîòðàíñôîðìàòîðà
(i=0,95).
ãäå
-ïåðåäàòî÷íîå
îòíîøåíèå òðàíñìèññèè
íà i-é ïåðåäà÷å;
- ïåðåäàòî÷íîå
îòíîøåíèå êîðîáêè
ïåðåäà÷ íà i-é ïåðåäà÷å.
Ðåçóëüòàòû ñâåäåíû
â òàáëèöó 2.2.5.3.
Òàáëèöà 2.2.5.3 - Ïåðåäàòî÷íûå
îòíîøåíèÿ
|
ïåðåäà÷à
|
i-êîðîáêè ïåðåäà÷
è ðåäóêòîðà
|
i- âåäóùåãî
ìîñòà
|
i-ãèäðîòðàíñôîðìàòîðà
|
i-òðàíñìèññèè
|
|
1 âïåðåä
|
4,609524
|
25,37
|
0,95
|
111,0964
|
|
2 âïåðåä
|
2,514286
|
25,37
|
0,95
|
60,59806
|
|
3 âïåðåä
|
1,142857
|
25,37
|
0,95
|
27,54457
|
|
1 íàçàä
|
4,609524
|
25,37
|
0,95
|
111,0964
|
|
2 íàçàä
|
2,514286
|
25,37
|
0,95
|
60,59806
|
|
3 íàçàä
|
1,142857
|
25,37
|
0,95
|
27,54457
|
2.2.6 Ãèäðàâëè÷åñêèé
ðàñ÷¸ò
Ãèäðîñèñòåìà
ìàøèíû âêëþ÷àåò
â ñåáÿ òðè îñíîâíûå
êîìïîíåíòà - ãèäðîñèñòåìó
ðàáî÷åãî îáîðóäîâàíèÿ,
ãèäðîñèñòåìó
ðóëåâîãî óïðàâëåíèÿ
è ãèäðîñèñòåìó
òîðìîçîâ, îáúåäèíåííûõ
îáùèì ãèäðîáàêîì,
íàíîñíîé ñòàíöèåé(
íàñîñû Í1, Í2, Í3),
ïðèîðèòåòíûì
êëàïàíîì (ÊÏÐ),
áëîêîì ïèòàíèÿ(ÁÏ)
è òîðìîçíûì êðàíîì
ÊÒ1. Ïðèîðèòåòíûé
êëàïàí ÊÏÐ ñîáðàí
ñ ðàñïðåäåëèòåëåì
â îäèí áëîê è óñòàíîâëåí
ñïðàâà ïî õîäó
ìàøèíû âíóòðè
ðàìû íàïðîòèâ
ãèäðîáàêà. Íà
ãèäðîáàêå óñòàíîâëåí
ðåãóëÿòîð äàâëåíèÿ,
ïîääåðæèâàþùèé
äàâëåíèå â ãèäðîáàêå
0,2 ÌÏà.
Ãèäðîñèñòåìà
ðàáî÷åãî îáîðóäîâàíèÿ
âêëþ÷àåò â ñåáÿ
ðàñïðåäåëèòåëü
(Ð2) ñ ãèäðîóïðàâëåíèåì,
êîòîðûé ïðè ïîìîùè
áëîêà óïðàâëåíèÿ
(ÁÓ) îáåñïå÷èâàåò
ïëàâíîå ðåãóëèðîâàíèå
ñêîðîñòè ðàáî÷åãî
îðãàíà. Ðàñïðåäåëèòåëü
(Ð2) íàïðàâëÿåò ðàáî÷óþ
æèäêîñòü ê ãèäðîöèëèíäðàì
Ö4, Ö5 óïðàâëåíèÿ
êîâøîì è ê ãèäðîöèëèíäðàì
Ö6, Ö7 óïðàâëåíèå
ñòðåëîé. Íà óêàçàííûõ
ãèäðîöèëèíäðàõ
íà âûõîäå èç ïîðøíåâûõ
ïîëîñòåé óñòàíîâëåíû
íàïîðíûå óïðàâëÿåìûå
êëàïàíû. Ýòè êëàïàíû
ïðåäíàçíà÷åíû
äëÿ çàïèðàíèÿ
ïîëîñòåé ãèäðîöèëèíäðîâ
ïðè îòñóòñòâèè
óïðàâëÿþùèõ âîçäåéñòâèé
ñî ñòîðîíû ðàñïðåäåëèòåëÿ
(Ð2), à òàêæå íåóïðàâëÿåìîãî
ïàäåíèÿ ñòðåëû
è êîâøà. Óïðàâëåíèå
íàïîðíûìè êëàïàíàìè
è ðàñïðåäåëèòåëåì
îñóùåñòâëÿåòñÿ
áëîêîì óïðàâëåíèåì
ÁÓ îäíîâðåìåííî.
Äàâëåíèå óïðàâëåíèÿ
íå ïðåâûøàåò
2 ÌÏà. Ïðè íåîáõîäèìîñòè,
â ñëó÷àå îòêàçà
áëîêà ïèòàíèÿ
èëè íàðóøåíèè
ãåðìåòè÷íîñòè
ãèäðîñèñòåìû
àâàðèéíîå îïóñêàíèå
ñòðåëû ìîæíî
îñóùåñòâèòü,
âûâåðíóâ ïðîáêó
íà íàïîðíîì êëàïàíå
íà îáîèõ öèëèíäðàõ.
Ðàáî÷èé îðãàí
ñíàáæåí ìåõàíèçìàìè
óïðàâëåíèÿ ïîëîæåíèåì
ïîäõâàòîâ âèëî÷íûõ
èëè ñòðåëû êðàíîâîé,
à òàêæå, ôèêñàöèè
ñìåííîãî ðàáî÷åãî
îáîðóäîâàíèÿ.
Äëÿ ýòîãî íà ðàáî÷åì
ìåñòå îïåðàòîðà
óñòàíîâëåí ðàñïðåäåëèòåëü
(Ð1) ñ ðó÷íûì óïðàâëåíèåì,
êîòîðûé ñíàáæåí
ïðåäîõðàíèòåëüíûìè
êëàïàíàìè, çàùèùàþùèõ
ëèíèþ ïèòàíèÿ
îò ðåàêòèâíûõ
íàãðóçîê. Ðàáî÷àÿ
æèäêîñòü ê ðàñïðåäåëèòåëþ
(Ð1) ïîñòóïàåò îò
íàñîñà (Í1) ãèäðîñèñòåìû
òîðìîçîâ ÷åðåç
òîðìîçíîé êðàí
(ÊÒ1). Ïîñëå çàðÿäêè
ãèäðîïíåâìîàêêóìóëÿòîðîâ
ñèñòåìû òîðìîçîâ
æèäêîñòü íàïðàâëÿåòñÿ
ê ðàñïðåäåëèòåëþ
(Ð1) è, åñëè íå òðåáóåòñÿ
óïðàâëÿòü ãèäðîöèëèíäðàìè
(Ö1), (Ö2), (Ö3), íàïðàâëÿåòñÿ
â ãèäðîáàê ÷åðåç
ðàñïðåäåëèòåëü
(Ð1).
Ãèäðîñèñòåìà
ðóëåâîãî óïðàâëåíèÿ
îáúåäèíåíà ñ
ãèäðîñèñòåìîé
ðàáî÷åãî îáîðóäîâàíèÿ
è âêëþ÷àåò: äâà
ãèäðîðóëÿ (ÀÐ1) è
äà ãèäðîöèëèíäðà
(Ö8) è (Ö9), à òàêæå ñîåäèíèòåëüíóþ
àðìàòóðó è ðóêîâà.
Ðàñ÷¸ò ãèäðîöèëèíäðîâ
Ïðè ðàñ÷¸òå ãèäðîöèëèíäðà
â ïåðâóþ î÷åðåäü
íåîáõîäèìî íàéòè
óñèëèå íà øòîê.
Óñèëèå íà øòîêàõ
ãèäðîöèëèíäðîâ:
;
Í 2.1.29
ãäå

2.1.30
Òàê êàê äëÿ ïîäú¸ìà
ãðóçîâîé ïëîùàäêè
èñïîëüçóåòñÿ
äâà îäèíàêîâûõ
ãèäðîöèëèíäðà,
òî íàãðóçêà íà
øòîêå êàæäîãî
ãèäðîöèëèíäðà
Ðàáî÷àÿ ïëîùàäü
ïîðøíÿ
S=
ì2 2.1.31
ãäå P1 - äàâëåíèå
ðàáî÷åé æèäêîñòè,
ïðèíèìàåì P1= 16 ÌÏà;
ηìö =0,93…0,97 - ìåõàíè÷åñêèé
ÊÏÄ ãèäðîöèëèíäðà;
ηã =0,9…0,93 - ãèäðàâëè÷åñêèé
ÊÏÄ ãèäðîïåðåäà÷è.
Âíóòðåííèé
äèàìåòð öèëèíäðà
ïðè ïîäà÷å ðàáî÷åé
æèäêîñòè â ïîðøíåâóþ
ïîëîñòü
ì.
2.1.32
ì.
Òîëùèíà
ñòåíêè êîðïóñà
ñòàëüíîãî ãèäðîöèëèíäðà:
ì
(2.1.33),
ãäå
[σ]=550.105
Ïà - äîïóñòèìîå
íàïðÿæåíèå ðàñòÿæåíèÿ
äëÿ ñòàëè;
μ=0,3 - êîýôôèöèåíò
Ïóàññîíà (äëÿ
ñòàëè).
Äèàìåòð
øòîêà ãèäðîöèëèíäðà
ì.
Äëÿ
óïðàâëåíèÿ ãèäðîöèëèíäðàìè
ïðèíèìàåì ãèäðîðàñïðåäåëèòåëü
Ð80-3/4-222.
2.2.7 Ïîñòðîåíèå
òÿãîâî-äèíàìè÷åñêîé
õàðàêòåðèñòèêè
Ïðè ââåäåíèè
íîâîé êèíåìàòè÷åñêîé
ñõåìû ïðèâîäà
íåîáõîäèìî ïîñòðîèòü
òÿãîâî-äèíàìè÷åñêóþ
õàðàêòåðèñòèêó
äëÿ êàæäîé ïåðåäà÷è.
Äàëåå ïðåäñòàâëåí
àëãîðèòì ðàñ÷åòà
è ïîñòðîåíèÿ
ÒÄÕ:
Ñêîðîñòü äâèæåíèÿ
=
0,104722·
·n, ì/ñ , (2.1.34)
ãäå
- ðàäèóñ êà÷åíèÿ
âåäóùåãî êîëåñà
â ñâîáîäíîì ðåæèìå,
ì;
- ïåðåäàòî÷íîå
îòíîøåíèå òðàíñìèññèè
íà j-îé ïåðåäà÷å
ÊÏ;
n - ÷àñòîòà
âðàùåíèÿ êîëåíâàëà
äâèãàòåëÿ, îá/ìèí.
Âåëè÷èíà
0,377·
= const - ïîñòîÿííà
â ïðåäåëàõ îäíîé
ïåðåäà÷è ÊÏ.
Ïî
èñõîäíûì äàííûì
äâèãàòåëÿ
è
ïî
ýìïèðè÷åñêîé
çàâèñèìîñòè
ðàññ÷èòûâàåì
çíà÷åíèÿ ìîùíîñòè
íà ÷àñòîòàõ,
îòëè÷íûõ îò íîìèíàëüíûõ,
íà ó÷àñòêå âíåøíåé
ñêîðîñòíîé õàðàêòåðèñòèêè.
Nå =
·
[0,87+1,13
-(
)2], êÂò,
(2.1.35)
ãäå n - òåêóùàÿ
÷àñòîòà âðàùåíèÿ
êîëåíâàëà, îá/ìèí.
Âû÷èñëÿåì êðóòÿùèé
ìîìåíò äâèãàòåëÿ
=
, Í·ì. (2.1.36)
Òåîðåòè÷åñêîå
òÿãîâîå óñèëèå
íà âåäóùèõ êîëåñàõ
=
, Í. (2.1.37)
Ñèëà ñîïðîòèâëåíèÿ
âîçäóõà äâèæåíèþ
àãðåãàòà
= ê·F·
, Í, (2.1.38)
ãäå
ê - êîýôôèöèåíò
îáòåêàåìîñòè,
Í·
,
F - ëîáîâàÿ
ïëîùàäü àãðåãàòà,
Ñâîáîäíîå
(äëÿ ðåàëèçàöèè)
òÿãîâîå óñèëèå
ãîðíîé ìàøèíû
=
=
;
Ðàñõîäóåòñÿ
íà ïðåîäîëåíèå
ñîïðîòèâëåíèÿ
äâèæåíèþ
=
Äëÿ
ïîëó÷åíèÿ áåçðàçìåðíîãî
îöåíî÷íîãî èçìåðèòåëÿ
óäåëüíîãî (íà
åäèíèöó âåñà
ìàøèíû) èñïîëüçóþò
äèíàìè÷åñêèé
ôàêòîð
Ä
=
=
, 2.1.39
ãäå m - ìàññà
ìàøèíû, êã; g = 9,81ì/
- óñêîðåíèå
ñâîáîäíîãî ïàäåíèÿ
Ðàññ÷èòûâàåì
Ä = f (n) äëÿ âíåøíåé
âåòâè ñêîðîñòíîé
õàðàêòåðèñòèêè
äâèãàòåëÿ è ñòðîèì
äëÿ êàæäîé j-îé ïåðåäà÷è
ÊÏ ñâîþ êðèâóþ
â êîîðäèíàòíûõ
îñÿõ ÄÎV (ñì. ðèñóíîê
2.3.1).
Îïðåäåëÿåì ìàøèíàëüíûå
ñêîðîñòè, ñîîòâåòñòâóþùèå
ìàêñèìàëüíîé
÷àñòîòå õîëîñòîãî
õîäà äâèãàòåëÿ
nxx max, èçâåñòíîé
èç òåõíè÷åñêîé
õàðàêòåðèñòèêè
äâèãàòåëÿ.
= 0,377·
. (2.1.40)
Îòìå÷àåì íà
ãðàôèêå ÒÄÕ ìàøèíû
íà îñè ÎÕà òî÷êè
Ưà max j è ñîåäèíÿåì
òîíêîé ïðÿìîé
òî÷êè êðèâûõ
äèíàìè÷åñêîãî
ôàêòîðà, ñîîòâåòñòâóþùèå
, ñ òî÷êàìè
.
Ðèñóíîê 2.3.1 ÒÄÕ
ïîãðóç÷èêà
Ñòðîèì íà ãðàôèêå
ÒÄÕ êðèâóþ
= F(Ưà) =
ãäå
- ìàññà ãðóçà
â ìàøèíå, êã;
= f (Ưa) - çàâèñèìîñòü
ñèëû ñîïðîòèâëåíèÿ
äâèæåíèþ ìàøèíû
îò ñêîðîñòè.
= f·(m+mãð)·g·(1+Êv·
Ưa), Í (2.1.41)
ãäå f - êîýôôèöèåíò
ñîïðîòèâëåíèÿ
(êà÷åíèþ) ïåðåäâèæåíèþ
ìàøèíû ïðè ïîëçó÷åé
ñêîðîñòè; Êv - êîýôôèöèåíò
ó÷åòà âëèÿíèÿ
ñêîðîñòè íà ñîïðîòèâëåíèå
ïåðåäâèæåíèþ,
ñ/ì.
Îò÷åð÷èâàåì
æèðíîé ëèíèåé
êàæäûé ó÷àñòîê
ïðîâåäåííûõ òîíêèõ
ëèíèé äî òî÷êè
ïåðåñå÷åíèÿ ñ
êðèâîé
(Ưà). Â ðåçóëüòàòå
ïîëó÷èì ó÷àñòêè
ÒÄÕ ïî ïåðåäà÷àì
ÊÏ, ñîîòâåòñòâóþùèå
ðåãóëÿòîðíîé
âåòâè ñêîðîñòíîé
õàðàêòåðèñòèêè
äâèãàòåëÿ. Ïî
ÒÄÕ îïðåäåëÿåì
ìàêñèìàëüíûå
óãëû ïðåîäîëåâàåìîãî
ïîäúåìà, çàäàâàÿñü
êîýôôèöèåíòîì
ñîïðîòèâëåíèÿ
è ðåøàÿ òðèãîíîìåòðè÷åñêîå
óðàâíåíèå. Äëÿ
êîíêðåòíîé j-îé ïåðåäà÷è
ÊÏ:
Äj max = fi·cos aij+sin xij
Ðåçóëüòàòû ðàñ÷åòà
è ôîðìóëû èñïîëüçóåì
äëÿ îôîðìëåíèÿ
ëèñòà ãðàôè÷åñêèõ
ìàòåðèàëîâ ïðîåêòà
«Ðåçóëüòàòû ïðåäïðîåêòíûõ
èññëåäîâàíèé».
Èñõîäíûå äàííûå
äëÿ ðàñ÷åòà:
|
0,78- ðàäèóñ
êà÷åíèÿ êîëåñà,
ì;
|
|
9,81- óñêîðåíèå
ñâîáîäíîãî ïàäåíèÿ;
|
|
0,60- êîýôôèöèåíò
ñîïðîòèâëåíèÿ
âîçäóõà;
|
|
5,20- ëîáîâàÿ
ïëîùàäü ãîðíîé
ìàøèíû;
|
|
24770- ìàññà
ìàøèíû;
|
|
9000- ìàññà
ïåðåâîçèìîãî
ãðóçà;
|
Òàáëèöà 2.3.2 - Ðåçóëüòàòû
ðàñ÷åòà òÿãîâî-äèíàìè÷åñêîé
õàðàêòåðèñòèêè
|
Õîä
|
Ïåðåäà÷à
|
Ïåðåäàòî÷íûå
÷èñëà
|
ÊÏÄ Òðàíñìèññèè
|
Ñêîðîñòü
Äâèæåíèÿ ïðè
n=900îá/ìèí
|
Ñêîðîñòü
Äâèæåíèÿ ïðè
n=1200îá/ìèí
|
Ñêîðîñòü
Äâèæåíèÿ ïðè
n=1600îá/ìèí
|
Ñêîðîñòü
Äâèæåíèÿ ïðè
n=2000îá/ìèí
|
Ñêîðîñòü
Äâèæåíèÿ ïðè
n=2100îá/ìèí
|
|
|
Êîðîáêè
ïåðåäà÷
|
Òðàíìèññèè
|
|
|
|
|
|
|
|
Âïåðåä
|
1
|
4,609524
|
25,37
|
111,0964
|
2,382201
|
3,176267
|
3,176267
|
5,293779
|
5,558468
|
|
2
|
2,514286
|
25,37
|
60,59806
|
4,367368
|
5,823157
|
5,823157
|
9,705262
|
10,19052
|
|
3
|
1,142857
|
25,37
|
9,608209
|
12,81095
|
12,81095
|
21,35158
|
22,41915
|
|
Íàçàä
|
1
|
4,609524
|
25,37
|
111,0964
|
2,382201
|
3,176267
|
3,176267
|
5,293779
|
5,558468
|
|
2
|
2,514286
|
25,37
|
60,59806
|
4,367368
|
5,823157
|
5,823157
|
9,705262
|
10,19052
|
|
3
|
1,142857
|
25,37
|
27,54457
|
9,608209
|
12,81095
|
12,81095
|
21,35158
|
22,41915
|
Òàáëèöà 2.3.3 - Ðåçóëüòàòû
ðàñ÷åòà äèíàìè÷åñêîãî
ôàêòîðà
|
Ðåçóëüòàòû
ðàñ÷åòà äèíàìè÷åñêîãî
ôàêòîðà íà 1 ïåðåäà÷å
|
|
Ua,ì/ñ
|
2,64689
|
3,176267
|
4,235023
|
5,293779
|
6,087846
|
|
Ðò,Í
|
51269,41
|
51929,16
|
51264,45
|
47954,13
|
43735,21
|
|
Ðw,Í
|
1,686635
|
2,428755
|
4,317787
|
6,746542
|
8,922302
|
|
D
|
0,210984
|
0,213696
|
0,210953
|
0,197319
|
0,179948
|
|
Ðåçóëüòàòû
ðàñ÷åòà äèíàìè÷åñêîãî
ôàêòîðà íà 2 ïåðåäà÷å
|
|
Ua,ì/ñ
|
4,852631
|
5,823157
|
7,764209
|
9,705262
|
11,16105
|
|
Ðò,Í
|
27965,13
|
28325
|
27962,43
|
26156,8
|
23855,57
|
|
Ðw,Í
|
5,668969
|
8,163316
|
14,51256
|
22,67588
|
29,98885
|
|
D
|
0,115063
|
0,116533
|
0,115015
|
0,107551
|
0,09805
|
|
Ðåçóëüòàòû
ðàñ÷åòà äèíàìè÷åñêîãî
ôàêòîðà íà 3 ïåðåäà÷å
|
|
Ua,ì/ñ
|
10,67579
|
12,81095
|
17,08126
|
21,35158
|
24,55431
|
|
Ðò,Í
|
12711,42
|
12875
|
12710,19
|
11889,45
|
10843,44
|
|
Ðw,Í
|
27,43781
|
39,51045
|
70,2408
|
109,7512
|
145,146
|
|
D
|
0,052199
|
0,052822
|
0,052018
|
0,048477
|
0,044027
|
2.4 Òåõíîëîãè÷åñêèé
ðàñ÷åò
Ïðîèçâîäèòåëüíîñòü
òåõíèêè
Ïðîäîëæèòåëüíîñòü
öèêëà ïîãðóçêè
ñ, 2.1.42
ãäå t÷ = 10c - âðåìÿ
÷åðïàíèÿ;
l = 25ì - ðàññòîÿíèå
ïåðåìåùåíèÿ ãðóçà
ìàøèíîé;
Vñð = 2 ì/ñ - ñðåäíÿÿ
ñêîðîñòü ïåðåìåùåíèÿ
ìàøèíû;
tð = 5ñ - âðåìÿ ðàçãðóçêè
ìàøèíû;
Ðàñ÷åòíàÿ
åìêîñòü êîâøà:
ì.
êóá. 2.1.43
ãäå σî = 6ò - ãðóçîïîäúåìíîñòü
ìàøèíû;
kí = 1,05 - êîýôôèöèåíò
ïåðåïîëíåíèÿ;
kð = 1,2 - êîýôôèöèåíò
ðàçðûõëåíèÿ;
γ = 1,75 ò/ì. êóá.
- ïëîòíîñòü ïîðîäû;
×àñîâàÿ ïðîèçâîäèòåëüíîñòü
áàçîâîé òåõíèêè:
2.1.45
Ñóòî÷íàÿ
ïðîèçâîäèòåëüíîñòü
áàçîâîé òåõíèêè:
2.1.44
ãäå tñóò
= 8÷ - ïðîäîëæèòåëüíîñòü
ðàáîòû ìàøèíû
â ñóòêè
Ãîäîâàÿ ïðîèçâîäèòåëüíîñòü
áàçîâîé ìàøèíû:
2.1.46
ãäå q = ôàêòè÷åñêîå
÷èñëî ðàáî÷èõ
äíåé â ãîäó.
2.6 Ïðî÷íîñòíûå
ðàñ÷åòû ïðèâîäà
.6.1 Êèíåìàòè÷åñêèé
è ñèëîâîé ðàñ÷åò
ðåäóêòîðà
Âûáîð
ìàòåðèàëà êîëåñ:
ïðèìåì ìàòåðèàë
äëÿ êîëåñ âíåøíåãî
çàöåïëåíèÿ − ñòàëü
40ÕÍ, òåðìîîáðàáîòêà
− óëó÷øåíèå ÍÂ1
= 260. . .280, äëÿ êîëåñ ñ âíóòðåííèìè
çóáüÿìè − óëó÷øåíèå
ÍÂ2 = 230.. .260 [3, òàáë., 6.14, ñòð.
153]. Áàçîâîå ÷èñëî
öèêëîâ ïåðåìåíû
íàïðÿæåíèé [4, ñòð.
34, òàáë. 3.2] 
. Äîïóñêàåìîå
êîíòàêòíîå íàïðÿæåíèå
ãäå

- ïðåäåëüíîå
çíà÷åíèå êîíòàêòíîé
âûíîñëèâîñòè,

- êîýôôèöèåíò
äîëãîâå÷íîñòè,

- êîýôôèöèåíò
áåçîïàñíîñòè.
Òîãäà
(2.6.1)
Äîïóñêàåìûå
íàïðÿæåíèÿ èçãèáà
ïðè ðàñ÷åòå íà
âûíîñëèâîñòü
(2.6.2)
ãäå

- ïðåäåë
âûíîñëèâîñòè
çóáüåâ ïðè èçãèáå,
ñîîòâåòñòâóþùèé
áàçîâîìó ÷èñëó
öèêëîâ ïåðåìåíû
íàïðÿæåíèé [4, ñòð.
33],

- êîýôôèöèåíò
áåçîïàñíîñòè
[4, ñòð. 35],

- êîýôôèöèåíò,
ó÷èòûâàþùèé
âëèÿíèå äâóñòîðîííåãî
ïðèëîæåíèÿ íàãðóçêè,
ïðè îäíîñòîðîííåì
ïðèëîæåíèè íàãðóçêè[4,
ñòð. 34],

- êîýôôèöèåíò
äîëãîâå÷íîñòè
[4, ñòð. 29]
Ïðîåêòèðîâî÷íûé
ðàñ÷åò òèõîõîäíîé
ñòóïåíè ðåäóêòîðà
Îïðåäåëÿåì
ìåæîñåâîå ðàññòîÿíèå
(2.6.3)
ãäå

- äëÿ
ïåðåäà÷ ñ öèëèíäðè÷åñêèìè
ïðÿìîçóáûìè
êîëåñàìè

- ïåðåäàòî÷íîå
÷èñëî,

- âðàùàþùèé
ìîìåíò,

- êîýôôèöèåíò
êîíöåíòðàöèè
íàãðóçêè [4, ñòð.32,
òàáë. 3.1],

- äîïóñêàåìîå
êîíòàêòíîå íàïðÿæåíèå,

- êîýôôèöèåíò
øèðèíû øåñòåðíè
[2, ñòð. 13].
(2.6.4)
Âû÷èñëåííîå
ìåæîñåâîå ðàññòîÿíèå
îêðóãëÿåì â áîëüøóþ
ñòîðîíó äî ñòàíäàðòíîãî

Îïðåäåëÿåì
ìîäóëü çàöåïëåíèÿ
Ïðèíèìàåì
ñòàíäàðòíûé
ìîäóëü m=4 ìì
[2, ñòð. 13].
Ðàáî÷àÿ
øèðèíà êîëåñà
(2.6.5)
Îêðóãëÿåì
â áëèæàéøóþ ñòîðîíó
äî ñòàíäàðòíîãî

[2, ñòð.
290, òàáë. 18.1] Ðàáî÷àÿ
øèðèíà øåñòåðíè
(2.6.6)
Îêðóãëÿåì
â áëèæàéøóþ ñòîðîíó
äî ñòàíäàðòíîãî

[2, ñòð.
290, òàáë. 18.1]
Ñóììàðíîå
÷èñëî çóáüåâ
(2.6.7)
Îïðåäåëèì
÷èñëà çóáüåâ
øåñòåðíè
(2.6.8)
Îïðåäåëèì
÷èñëà çóáüåâ
êîëåñà
(2.6.9)
Ôàêòè÷åñêîå
ïåðåäàòî÷íîå
÷èñëî
(2.6.10)
Îïðåäåëèì
äåëèòåëüíûé äèàìåòð,
äèàìåòð âåðøèí
è âïàäèí çóá÷àòûõ
êîëåñ
Ñèëû,
äåéñòâóþùèå
â çàöåïëåíèè
Îêðóæíàÿ
Ðàäèàëüíàÿ
Fr = Ft tan 20◦= 8399∙0.364
= 2249 H (2.6.11)
Ðàñ÷åò çóáüåâ
òèõîõîäíîé ñòóïåíè
íà ïðî÷íîñòü
ïðè èçãèáå.
Ðàñ÷åòîì îïðåäåëÿåòñÿ
íàïðÿæåíèå â îïàñíîì
ñå÷åíèè íà ïåðåõîäíîé
ïîâåðõíîñòè
çóáà äëÿ êàæäîãî
çóá÷àòîãî êîëåñà.
Âûíîñëèâîñòü
çóáüåâ, íåîáõîäèìàÿ
äëÿ ïðåäîòâðàùåíèÿ
óñòàëîñòíîãî
èçëîìà çóáüåâ,
óñòàíàâëèâàþò
ñîïîñòàâëåíèåì
ðàñ÷åòíîãî íàïðÿæåíèÿ
îò èçãèáà äîïóñêàåìîãî
íàïðÿæåíèÿ
Ðàñ÷åòíîå ìåñòíîå
íàïðÿæåíèå ïðè
èçãèáå
(2.6.12)
ãäå

- êîýôôèöèåíò
íàãðóçêè.

- êîýôôèöèåíò,
ó÷èòûâàþùèé
ôîðìó çóáà è êîíöåíòðàöèþ
íàïðÿæåíèé,

− êîýôôèöèåíò,
ó÷èòûâàþùèé
ïåðåêðûòèå çóáüåâ,
äëÿ ïðÿìîçóáûõ
ïåðåäà÷ 
[4, ñòð.
32],

− êîýôôèöèåíò,
ó÷èòûâàþùèé
íàêëîí çóáà, äëÿ
ïðÿìîçóáûõ ïåðåäà÷

(2.6.13)
ãäå

- êîýôôèöèåíò,
ó÷èòûâàþùèé
äèíàìè÷åñêóþ
íàãðóçêó, âîçíèêàþùóþ
â çàöåïëåíèè
äî çîíû ðåçîíàíñà
[4, ñòð. 30],

− êîýôôèöèåíò,
ó÷èòûâàþùèé
íåðàâíîìåðíîñòü
ðàñïðåäåëåíèÿ
íàãðóçêè ïî äëèíå
êîíòàêòíûõ ëèíèé,
ïðèíèìàþò â çàâèñèìîñòè
îò ïàðàìåòðà

ïî
ãðàôèêó [4, ñòð.
59],

− êîýôôèöèåíò,
ó÷èòûâàþùèé
ðàñïðåäåëåíèå
íàãðóçêè ìåæäó
çóáüÿìè, äëÿ ïðÿìîçóáûõ
ïåðåäà÷ 
[4, ñòð.
32; 2, ñòð.15],

− êîýôôèöèåíò,
ó÷èòûâàþùèé
âíåøíþþ äèíàìè÷åñêóþ
íàãðóçêó [4, ñòð.
15]
(2.6.14)
ãäå

- óäåëüíàÿ
îêðóæíàÿ äèíàìè÷åñêàÿ
ñèëà , Í/ìì [4, ñòð.
30]
(2.6.15)
ãäå

− êîýôôèöèåíò,
ó÷èòûâàþùèé
âëèÿíèå âèäà
çóá÷àòîé ïåðåäà÷è
è ìîäèôèêàöèè
ïðîôèëÿ ãîëîâîê
çóáüåâ [4, ñòð. 30], äëÿ
ïðÿìîçóáûõ ïåðåäà÷

[4, ñòð.
32],

− êîýôôèöèåíò,
ó÷èòûâàþùèé
âëèÿíèå ðàçíîñòè
øàãîâ çàöåïëåíèÿ
çóáüåâ øåñòåðíè
è êîëåñà [4, ñòð.
22],
v − îêðóæíàÿ
ñêîðîñòü çóá÷àòûõ
êîëåñ.
Ñëåäîâàòåëüíî
Óñëîâèå
ïðî÷íîñòè âûïîëíÿåòñÿ.
Ïðîåêòèðîâî÷íûé
ðàñ÷åò áûñòðîõîäíîé
ñòóïåíè ðåäóêòîðà
Îïðåäåëÿåì
ìåæîñåâîå ðàññòîÿíèå
ãäå

- äëÿ
ïåðåäà÷ ñ öèëèíäðè÷åñêèìè
ïðÿìîçóáûìè
êîëåñàìè,

- ïåðåäàòî÷íîå
÷èñëî,

- âðàùàþùèé
ìîìåíò,

- êîýôôèöèåíò
êîíöåíòðàöèè
íàãðóçêè [4, ñòð.32,
òàáë. 3.1],

- äîïóñêàåìîå
êîíòàêòíîå íàïðÿæåíèå,

- êîýôôèöèåíò
øèðèíû øåñòåðíè
[2, ñòð. 13].
Âû÷èñëåííîå
ìåæîñåâîå ðàññòîÿíèå
îêðóãëÿåì â áîëüøóþ
ñòîðîíó äî ñòàíäàðòíîãî

[2, ñòð.
13].
Îïðåäåëÿåì
ìîäóëü çàöåïëåíèÿ
Ïðèíèìàåì
ñòàíäàðòíûé
ìîäóëü m=4 ìì
[2, ñòð. 13].
Ðàáî÷àÿ
øèðèíà êîëåñà
Îêðóãëÿåì
â áëèæàéøóþ ñòîðîíó
äî ñòàíäàðòíîãî

[2, ñòð.
290, òàáë. 18.1]
Ðàáî÷àÿ
øèðèíà øåñòåðíè
Îêðóãëÿåì
â áëèæàéøóþ ñòîðîíó
äî ñòàíäàðòíîãî

[2, ñòð.
290, òàáë. 18.1]
Ñóììàðíîå
÷èñëî çóáüåâ
Îïðåäåëèì
÷èñëà çóáüåâ
øåñòåðíè
Îïðåäåëèì
÷èñëà çóáüåâ
êîëåñà
Ôàêòè÷åñêîå
ïåðåäàòî÷íîå
÷èñëî
Îïðåäåëèì
äåëèòåëüíûé äèàìåòð,
äèàìåòð âåðøèí
è âïàäèí çóá÷àòûõ
êîëåñ
Ñèëû,
äåéñòâóþùèå
â çàöåïëåíèè
Îêðóæíàÿ
Ðàäèàëüíàÿ
Ðàñ÷åò
çóáüåâ áûñòðîõîäíîé
ñòóïåíè íà ïðî÷íîñòü
ïðè èçãèáå.
Ðàñ÷åòîì
îïðåäåëÿåòñÿ
íàïðÿæåíèå â îïàñíîì
ñå÷åíèè íà ïåðåõîäíîé
ïîâåðõíîñòè
çóáà äëÿ êàæäîãî
çóá÷àòîãî êîëåñà.
Âûíîñëèâîñòü
çóáüåâ, íåîáõîäèìàÿ
äëÿ ïðåäîòâðàùåíèÿ
óñòàëîñòíîãî
èçëîìà çóáüåâ,
óñòàíàâëèâàþò
ñîïîñòàâëåíèåì
ðàñ÷åòíîãî íàïðÿæåíèÿ
îò èçãèáà äîïóñêàåìîãî
íàïðÿæåíèÿ
Ðàñ÷åòíîå
ìåñòíîå íàïðÿæåíèå
ïðè èçãèáå
ãäå

- êîýôôèöèåíò
íàãðóçêè.

- êîýôôèöèåíò,
ó÷èòûâàþùèé
ôîðìó çóáà è êîíöåíòðàöèþ
íàïðÿæåíèé,

− êîýôôèöèåíò,
ó÷èòûâàþùèé
ïåðåêðûòèå çóáüåâ,
äëÿ ïðÿìîçóáûõ
ïåðåäà÷ 
[4, ñòð.
32],

− êîýôôèöèåíò,
ó÷èòûâàþùèé
íàêëîí çóáà, äëÿ
ïðÿìîçóáûõ ïåðåäà÷

ãäå

- êîýôôèöèåíò,
ó÷èòûâàþùèé
äèíàìè÷åñêóþ
íàãðóçêó, âîçíèêàþùóþ
â çàöåïëåíèè
äî çîíû ðåçîíàíñà
[4, ñòð. 30],

− êîýôôèöèåíò,
ó÷èòûâàþùèé
íåðàâíîìåðíîñòü
ðàñïðåäåëåíèÿ
íàãðóçêè ïî äëèíå
êîíòàêòíûõ ëèíèé,
ïðèíèìàþò â çàâèñèìîñòè
îò ïàðàìåòðà

ïî
ãðàôèêó [4, ñòð.
59],

− êîýôôèöèåíò,
ó÷èòûâàþùèé
ðàñïðåäåëåíèå
íàãðóçêè ìåæäó
çóáüÿìè, äëÿ ïðÿìîçóáûõ
ïåðåäà÷ 
[4, ñòð.
32; 2, ñòð.15],

− êîýôôèöèåíò,
ó÷èòûâàþùèé
âíåøíþþ äèíàìè÷åñêóþ
íàãðóçêó [4, ñòð.
15]
ãäå

- óäåëüíàÿ
îêðóæíàÿ äèíàìè÷åñêàÿ
ñèëà , Í/ìì [4, ñòð.
30]
ãäå

− êîýôôèöèåíò,
ó÷èòûâàþùèé
âëèÿíèå âèäà
çóá÷àòîé ïåðåäà÷è
è ìîäèôèêàöèè
ïðîôèëÿ ãîëîâîê
çóáüåâ [4, ñòð. 30], äëÿ
ïðÿìîçóáûõ ïåðåäà÷

[4, ñòð.
32],

− êîýôôèöèåíò,
ó÷èòûâàþùèé
âëèÿíèå ðàçíîñòè
øàãîâ çàöåïëåíèÿ
çóáüåâ øåñòåðíè
è êîëåñà [4, ñòð.
22],
v − îêðóæíàÿ
ñêîðîñòü çóá÷àòûõ
êîëåñ.
Ñëåäîâàòåëüíî
Óñëîâèå
ïðî÷íîñòè âûïîëíÿåòñÿ.
Ðàñ÷åò âàëà
ïðèâîäà è ïðåäâàðèòåëüíûé
âûáîð ïîäøèïíèêîâ.
Ïðåäâàðèòåëüíûé
ðàñ÷åò âàëà âûïîëíÿþò
êàê óñëîâíûé
ðàñ÷åò òîëüêî
íà êðó÷åíèå äëÿ
îðèåíòèðîâî÷íîãî
îïðåäåëåíèÿ ïîñàäî÷íûõ
äèàìåòðîâ ïî ïîíèæåííûì
äîïóñêàåìûì
íàïðÿæåíèÿì ïðè
êðó÷åíèè 
: 
ïðè
îïðåäåëåíèè âûõîäíîãî
êîíöà âàëà; 
- ïðè
îïðåäåëåíèè äèàìåòðà
âàëà â ìåñòå ïîñàäêè
çóá÷àòîãî êîëåñà
íà ïðîìåæóòî÷íûé
âàë.
(2.6.16)
Ïðîìåæóòî÷íûé
âàë öèëèíäðè÷åñêîãî
ðåäóêòîðà
Ïðèíèìàåì áëèæàéøåå
áîëüøåå ñòàíäàðòíîå
çíà÷åíèå d=55 ìì.
Îïðåäåëèì äèàìåòð
âàëà ïîä ïîäøèïíèê
(2.6.17)
Ïðèíèìàåì

= 60 ìì;
ïîñàäî÷íûé äèàìåòð
ïîä êîëåñî áûñòðîõîäíîé
ñòóïåíè 
.
Âåäîìûé
âàë öèëèíäðè÷åñêîãî
ðåäóêòîðà
Èç
êîíñòðóêòèâíûõ
ñîîáðàæåíèé
ïðèíèìàåì: äèàìåòð
âàëà ïîä ïîäøèïíèêîì

, ïîä
ìàíæåòíûì óïëîòíåíèåì

, ïîä
ïîäøèïíèê ñ äðóãîé
ñòîðîíû 
.
Ïðåäâàðèòåëüíî
äëÿ ïðîìåæóòî÷íîãî,
âåäîìîãî âàëîâ
âûáèðàåì øàðèêîâûå
ïîäøèïíèêè ñåðèè
212 ÃÎÑÒ 8338-75 è îäèí
ñåðèè 216 ÃÎÑÒ
8338-75.
Ñåðèÿ
212
âíóòðåííèé
äèàìåòð d = 60 ìì,
âíåøíèé
äèàìåòð D = 110 ìì,
øèðèíà
 = 22 ìì.
ãðóçîïîäúåìíîñòü
äèíàìè÷åñêàÿ
Ñ = 52 êÍ,
ãðóçîïîäúåìíîñòü
ñòàòè÷åñêàÿ
Ñ
=31 êÍ.
Ñåðèÿ
216
âíóòðåííèé
äèàìåòð d = 80 ìì,
âíåøíèé
äèàìåòð D = 140 ìì,
øèðèíà
 = 26 ìì.
ãðóçîïîäúåìíîñòü
äèíàìè÷åñêàÿ
Ñ = 70,2 êÍ,
ãðóçîïîäúåìíîñòü
ñòàòè÷åñêàÿ
Ñ
=45 êÍ.
Ïîäáîð
è ïðîâåðî÷íûé
ðàñ÷¸ò øïîíî÷íûõ
ñîåäèíåíèé.
Äëÿ
ñîåäèíåíèÿ äåòàëåé
ñ âàëîì, ïåðåäàþùèì
âðàùåíèå, ÷àñòî
ïðèìåíÿþò ïðèçìàòè÷åñêóþ
øïîíêó èç ñòàëè
èìåþùåé
Ìïà.
Ïîäáîð
øïîíêè ïðîèçâîäèì
äëÿ ïðîìåæóòî÷íîãî
âàëà èñõîäÿ èç
äèàìåòðà âàëà
d=64 ìì.
Â
ñîîòâåòñòâèè
ñ ÃÎÑÒ 23360-78 âûáèðàåì
øïîíêó ñ ñå÷åíèåì
b´h=18´11, ãëóáèíà
ïàçà
t
=7 ìì.
(2.6.18)
Ïðèíèìàåì
äëèíó øïîíêè
ðàâíîé
ìì
äëÿ çóá÷àòîãî
êîëåñà áûñòðîõîäíîé
ñòóïåíè è L=90 ìì
- äëÿ øåñòåðíè
òèõîõîäíîé ñòóïåíè.
Ò=339000
Í∙ìì
;
Ìïà
600 Ìïà.
Èç
êîíñòðóêòèâíûõ
ñîîáðàæåíèé
ïðèíèìàåì îäíó
îáùóþ øïîíêó
b´h´l=18´11´140 ïî ÃÎÑÒ
23360-78.
Ïðîâåðî÷íûå
ðàñ÷¸òû âàëà.
Èñõîäíûå
äàííûå äëÿ ðàñ÷åòà:
âðàùàþùèé ìîìåíò,
ïåðåäàâàåìûé
âàëîì 
, ñèëû â çàöåïëåíèè
çóá÷àòûõ êîëåñ

îêðóæíàÿ

, ðàäèàëüíàÿ

, ñèëû
â çàöåïëåíèè
çóá÷àòûõ êîëåñ

îêðóæíàÿ

, ðàäèàëüíàÿ

.
Äëèíû
îòäåëüíûõ ó÷àñòêîâ
âàëà îïðåäåëÿåì
ïî ðåçóëüòàòàì
ýñêèçíîé êîìïîíîâêè
ðåäóêòîðà. 
Âåðòèêàëüíàÿ
ïëîñêîñòü:
à)
îïðåäåëÿåì îïîðíûå
ðåàêöèè Ì;
çàäàåìñÿ
óñëîâèåì:
,
.
ãäå

- ðåàêöèÿ
îïîðû â âåðòèêàëüíîé
ïëîñêîñòè
Ïîëîæèòåëüíûé
çíàê óêàçûâàåò
íà òî, ÷òî ñèëà
èìååò âåðíîå
íàïðàâëåíèå.
Çàäàåìñÿ
óñëîâèåì:
,
.
Îòðèöàòåëüíûé
çíàê óêàçûâàåò
íà òî, ÷òî ñèëà
èìååò íåâåðíîå
íàïðàâëåíèå.
Ïðîâåðÿåì

0
á) Îïðåäåëÿåì
èçãèáàþùèå ìîìåíòû
â õàðàêòåðíûõ
òî÷êàõ:
Ãîðèçîíòàëüíàÿ
ïëîñêîñòü.
à) îïðåäåëÿåì
îïîðíûå ðåàêöèè
Ì;
çàäàåìñÿ
óñëîâèåì:
,
.
ãäå

- ðåàêöèÿ
îïîðû â ãîðèçîíòàëüíîé
ïëîñêîñòè
Ïîëîæèòåëüíûé
çíàê óêàçûâàåò
íà òî, ÷òî ñèëà
èìååò âåðíîå
íàïðàâëåíèå.
Çàäàåìñÿ óñëîâèåì:
,
.
Ïîëîæèòåëüíûé
çíàê óêàçûâàåò
íà òî, ÷òî ñèëà
èìååò âåðíîå
íàïðàâëåíèå.
Ïðîâåðÿåì

0

Îïðåäåëèì
ñóììàðíûå ðåàêöèè
îïîðû è ñóììàðíûå
èçãèáàþùèå ìîìåíòû.
à)
ðåàêöèè îïîð
Í,
Í.
á)
ñóììàðíûå èçãèáàþùèå
ìîìåíòû
Í×ì;
Í×ì;
Ýêâèâàëåíòíûå
ìîìåíòû â õàðàêòåðíûõ
òî÷êàõ:
Êàê
âèäíî èç ýïþð
íàèáîëåå íàãðóæåííûì
ÿâëÿåòñÿ ñå÷åíèå
âàëà ïîä øåñòåðíåé
òèõîõîäíîé ñòóïåíè.
Òðåáóåìûé
äèàìåòð âàëà
â îïàñíîì ñå÷åíèè:
ìì (2.6.19)
ãäå
=50…70 ÌÏà - äîïóñêàåìîå
íàïðÿæåíèå èçãèáà
[7, ñòð. 292].
Ñòàòè÷åñêàÿ
ïðî÷íîñòü âàëà
îáåñïå÷èâàåòñÿ,
ò.ê. äèàìåòð ñïðîåêòèðîâàííîãî
íàìè âàëà â ýòîì
ñå÷åíèè 64 ìì >
43 ìì.
Ïðîâåðèì
ñå÷åíèå âàëà
íà óñòàëîñòíóþ
ïðî÷íîñòü.
Óñëîâèå
ïðî÷íîñòè èìååò
âèä:
≥[S] (2.6.20)
ãäå [S]=
1,5.. .3,0 - ðåêîìåíäóåìûé
êîýôôèöèåíò
çàïàñà óñòàëîñòíîé
ïðî÷íîñòè;
- êîýôôèöèåíòû
çàïàñà óñòàëîñòíîé
ïðî÷íîñòè ïî
íîðìàëüíûì è
êàñàòåëüíûì
íàïðÿæåíèÿì.
,
(2.6.21)
,
-. ïðåäåëû âûíîñëèâîñòè
ìàòåðèàëà âàëà
ïðè ñèììåòðè÷íîì
öèêëàõ èçãèáà
è êðó÷åíèÿ [7, ñòð.
291]; ìàòåðèàë âàëà
ñòàëü 45,
- ýôôåêòèâíûå
êîýôôèöèåíòû
êîíöåíòðàöèè
íàïðÿæåíèé ïðè
èçãèáå è êðó÷åíèè
[7, òàáë. 12,5, ñòð. 278];
- ìàñøòàáíûå
ôàêòîðû äëÿ íîðìàëüíûõ
è êàñàòåëüíûõ
íàïðÿæåíèé [7, òàáë.
12,2, ñòð. 276];
Β=0,95 - êîýôôèöèåíò,
ó÷èòûâàþùèé
âëèÿíèå øåðîõîâàòîñòè
ïîâåðõíîñòè,
[7, òàáë. 12,9, ñò. 280];
- àìïëèòóäû
öèêëîâ íîðìàëüíûõ
è êàñàòåëüíûõ
íàïðÿæåíèé;
- ñðåäíåå
çíà÷åíèå íîðìàëüíûõ
è êàñàòåëüíûõ
íàïðÿæåíèé;
- ìîìåíòû
ñîïðîòèâëåíèÿ
èçãèáó è êðó÷åíèþ,
êîíöåíòðàòîðîì
íàïðÿæåíèé ÿâëÿåòñÿ
øïîíî÷íàÿ êàíàâêà.
;
;
- êîýôôèöèåíòû
÷óâñòâèòåëüíîñòè
ìàòåðèàëà âàëà
ê àñèììåòðèè
öèêëîâ íàãðóæåíèé
4 [7, ðèñ. 1,4, ñòð. 10]
;
;
≥[S]=1,5……3,
Óñëîâèå
ïðî÷íîñòè âàëà
íà óñòàëîñòíóþ
ïðî÷íîñòü âûïîëíÿåòñÿ.
Ïðîâåðêà ïîäøèïíèêîâ
íà äîëãîâå÷íîñòü.
Èñõîäíûå
äàííûå: ÷àñòîòà
âðàùåíèÿ âàëà

, ñóììàðíûå
ðåàêöèè îïîð 
Äëÿ
ïîäøèïíèêîâ ýêâèâàëåíòíàÿ
äèíàìè÷åñêàÿ
ðàäèàëüíàÿ íàãðóçêà
Ð:
,
ãäå
- ñîîòâåòñòâåííî
ðàäèàëüíàÿ è îñåâàÿ
íàãðóçêà íà ïîäøèïíèê;
X, Y - êîýôôèöèåíòû
ðàäèàëüíîé è
îñåâîé íàãðóçîê;
V - êîýôôèöèåíò
âðàùåíèÿ, ïðè âðàùåíèè
âíóòðåííåãî
êîëüöà ïîäøèïíèêà
V=1;
- êîýôôèöèåíò
áåçîïàñíîñòè,
ïðè ñïîêîéíîé
íàãðóçêå
=1,2;
- òåìïåðàòóðíûé
êîýôôèöèåíò,
ïðè t < 125<
ºÑ
=1.
Íàèáîëåå
íàãðóæåíà îïîðà
Â. Ïðîâåðêó äîëãîâå÷íîñòè
ïîäøèïíèêîâ ïðîâîäèì
äëÿ ýòîé îïîðû
V=1, X=1, Y=0 (îñåâàÿ ñèëà
îòñóòñòâóåò).
Í.
Äîëãîâå÷íîñòü
ïîäøèïíèêà
ìëí.
îá. (2.6.22)
÷.>5366
÷. (2.6.23)
Ïðèíÿòûå ïîäøèïíèêè
ïîäõîäÿò.
Ðàñ÷åò çóá÷àòûõ
ïåðåäà÷ ïëàíåòàðíîãî
ðåäóêòîðà
Ðàñ÷åò çóá÷àòûõ
ïåðåäà÷ ðåäóêòîðà
Âûáîð
ìàòåðèàëà êîëåñ:
ïðèìåì ìàòåðèàë
äëÿ êîëåñ âíåøíåãî
çàöåïëåíèÿ − ñòàëü
40Õ, òåðìîîáðàáîòêà
− óëó÷øåíèå ÍÂ1
= 260. . .280, äëÿ êîëåñ ñ âíóòðåííèìè
çóáüÿìè − óëó÷øåíèå
ÍÂ2 = 230.. .260 [3, òàáë., 6.14, ñòð.
153]. Áàçîâîå ÷èñëî
öèêëîâ ïåðåìåíû
íàïðÿæåíèé [4, ñòð.
34, òàáë. 3.2] 
.
Êîíñòðóèðîâàíèå
ïëàíåòàðíûõ
ïåðåäà÷ íà÷èíàþò
ñ êèíåìàòè÷åñêîãî
ðàñ÷åòà.
Ïåðåäàòî÷íîå
÷èñëî ïåðåäà÷è
ÿâëÿåòñÿ èñõîäíîé
âåëè÷èíîé. Êèíåìàòè÷åñêèé
ðàñ÷åò ñâîäèòñÿ
ê ïîäáîðó ÷èñåë
çóáüåâ êîëåñ.
×òîáû íå áûëî
ïîäðåçàíèÿ íîæêè
çóáà öåíòðàëüíîé
âåäóùåé øåñòåðíè,
÷èñëî åå çóáüåâ
äîëæíî áûòü 
[4,ñòð.75].
Ïðèíèìàåì

Ïðèíèìàåì
÷èñëî ñàòåëëèòîâ
(èç óñëîâèÿ óðàâíîâåøèâàíèÿ
ñèë â çàöåïëåíèè)

.
Ïðè
ïîäáîðå ÷èñåë
çóáüåâ äðóãèõ
êîëåñ ïëàíåòàðíîé
ïåðåäà÷è ïðîèçâîäÿò
ó÷èòûâàÿ òðè
óñëîâèÿ: ñîñåäñòâà,
ñîîñíîñòè è ñáîðêè.
Îïðåäåëÿåì
÷èñëî çóáüåâ
ñàòåëëèòà
Ïðîâåðÿåì óñëîâèÿ
âõîæäåíèÿ çóáüåâ
â çàöåïëåíèå
(óñëîâèå ñáîðêè)
Ïîëó÷èëîñü öåëîå
÷èñëî, çíà÷èò
óñëîâèå âûïîëíåíî.
Ïðîâåðÿåì óñëîâèå
ñîñåäñòâà
Óñëîâèå âûïîëíåíî.
Îïðåäåëÿåì ÷èñëî
çóáüåâ êîðîí÷àòîãî
êîëåñà èç óñëîâèÿ
ñîîñíîñòè
Îïðåäåëÿåì
ðàáî÷åå ÷èñëî
öèêëîâ ïåðåìåíû
íàïðÿæåíèé äëÿ
ñîëíå÷íîãî êîëåñà
çà âåñü ñðîê ñëóæáû.
Òàê êàê ñðîê ñëóæáû
áóíêåðà ïåðåãðóæàòåëÿ
5 ëåò ïî 300 ðàáî÷èõ
äíåé â ãîäó, â òðè
ñìåíû ïî 6 ÷., òî

ãäå
Òàê
êàê , òî ïðèíèìàåì
êîýôôèöèåíò
äîëãîâå÷íîñòè

Îïðåäåëÿåì ìåæîñåâîå
ðàññòîÿíèå ìåæäó
ñîëíå÷íûì êîëåñîì
è ñàòåëëèòîì
ãäå

- äëÿ
ïåðåäà÷ ñ öèëèíäðè÷åñêèìè
ïðÿìîçóáûìè
êîëåñàìè

- ïåðåäàòî÷íîå
îòíîøåíèå

- êîýôôèöèåíò
êîíöåíòðàöèè
íàãðóçêè [4, ñòð.32,
òàáë. 3.1],

- ðàñ÷åòíîå
÷èñëî ñàòåëëèòîâ,

- äîïóñêàåìîå
êîíòàêòíîå íàïðÿæåíèå,

- êîýôôèöèåíò
øèðèíû ñàòåëëèòà.
ãäå

- ïðåäåëüíîå
çíà÷åíèå êîíòàêòíîé
âûíîñëèâîñòè,

- êîýôôèöèåíò
áåçîïàñíîñòè.
Òîãäà
Âû÷èñëåííîå
ìåæîñåâîå ðàññòîÿíèå
îêðóãëÿåì â áîëüøóþ
ñòîðîíó äî ñòàíäàðòíîãî

[2, ñòð.
13].
Îïðåäåëÿåì
ìîäóëü çàöåïëåíèÿ
Âû÷èñëåííûé
ìîäóëü îêðóãëÿåì
â áîëüøóþ ñòîðîíó
äî ñòàíäàðòíîãî
m=6 ìì [2, ñòð. 13].
Îïðåäåëÿåì äèàìåòðû
äåëèòåëüíûõ îêðóæíîñòåé
êîëåñ
Îïðåäåëÿåì øèðèíó
êîëåñ
Òîãäà îêîí÷àòåëüíîå
ìåæîñåâîå ðàññòîÿíèå
Âûïîëíÿåì ïðîâåðî÷íûé
ðàñ÷åò çóáüåâ
íà èçãèá
Òîãäà îêîí÷àòåëüíîå
ìåæîñåâîå ðàññòîÿíèå
ãäå

- êîýôôèöèåíò,
ó÷èòûâàþùèé
ôîðìó çóáà, [4, ñòð.
42],

- êîýôôèöèåíò
êîìïåíñàöèè,

− êîýôôèöèåíò,
ó÷èòûâàþùèé
íåðàâíîìåðíîñòü
ðàñïðåäåëåíèÿ
íàãðóçêè ìåæäó
çóáüÿìè, [4, ñòð.
46],

- êîýôôèöèåíò
êîíöåíòðàöèè
íàãðóçêè, [4, ñòð.
43],

- êîýôôèöèåíò
äèíàìè÷íîñòè,
[4, ñòð. 43],
Òîãäà
Ñðàâíèì
ñ äîïóñêàåìûì
íàïðÿæåíèåì
ãäå

- ïðåäåë
âûíîñëèâîñòè
[4, ñòð. 45, òàáë. 3.9],

- êîýôôèöèåíò
äîëãîâå÷íîñòè,

- êîýôôèöèåíò,
ó÷èòûâàþùèé
âëèÿíèå äâóñòîðîííåãî
ïðèëîæåíèÿ íàãðóçêè,

− êîýôôèöèåíò
áåçîïàñíîñòè
[4, ñòð. 43].
Óñëîâèå
ïðî÷íîñòè 
âûïîëíåíî.
Îïðåäåëèì
äèàìåòð îêðóæíîñòè
âåðøèí çóáüåâ:
1. ñîëíå÷íîãî
êîëåñà 1
. ñàòåëëèòîâ
2
. êîðîí÷àòîãî
êîëåñà 3
Îïðåäåëèì äèàìåòð
îêðóæíîñòè âïàäèí
çóáüåâ:
. ñîëíå÷íîãî
êîëåñà 1
. ñàòåëëèòîâ
2
. êîðîí÷àòîãî
êîëåñà 3
Âûáîð ïîäøèïíèêîâ.
Îïðåäåëÿåì ñèëû,
äåéñòâóþùèå
â çàöåïëåíèè
è íà ïîäøèïíèêè
ñàòåëëèòà : îêðóæíàÿ
ñèëà â çàöåïëåíèè
ñîëíå÷íîå êîëåñî
- ñàòåëëèò
ðàäèàëüíàÿ ñèëà,
äåéñòâóþùàÿ
íà ïîäøèïíèêè
ñàòåëëèòà
Ïîäáèðàåì ïîäøèïíèê
êà÷åíèÿ ñàòåëëèòîâ:
) ìàêñèìàëüíûé
äèàìåòð íàðóæíîãî
êîëüöà ïîäøèïíèêà
2) ó÷èòûâàÿ
çíà÷èòåëüíûé
ñðîê ñëóæáû ðåäóêòîðà
(
), âûáèðàåì
äëÿ óñòàíîâêè
ñàòåëëèòîâ ðîëèêîâûé
ðàäèàëüíî-ñôåðè÷åñêèé
äâóõðÿäíûé ïîäøèïíèê
3524 (d=120 ìì, D=215 ìì, b=58 ìì, Ñ=415000
Í);
) ýêâèâàëåíòíàÿ
äèíàìè÷åñêàÿ
ðàäèàëüíàÿ íàãðóçêà
äëÿ ðîëèêîâûõ
ðàäèàëüíûõ ïîäøèïíèêîâ
) îïðåäåëÿåì
áàçîâóþ äîëãîâå÷íîñòü
ïîäøèïíèêà
Íàõîäèì ñðîê
ñëóæáû ïîäøèïíèêà
ãäå

- ÷àñòîòà
âðàùåíèÿ ïîäøèïíèêà,
Ïîëó÷åííûé
ñðîê ñëóæáû ïîäøèïíèêîâ
çíà÷èòåëüíî
áîëüøå çàäàííîãî
- 27000 ÷.
3 ÈÑÏÎËÜÇÎÂÀÍÈÅ
ÊÎÌÏÜÞÒÅÐÍÛÕ
ÒÅÕÍÎËÎÃÈÉ Â
ÏÐÎÅÊÒÈÐÎÂÀÍÈÈ
ÌÀØÈÍÛ
Ïðè âûïîëíåíèè
ïðîåêòíûõ ðàñ÷åòîâ
ïî âûáîðó ðàöèîíàëüíûõ
ïàðàìåòðîâ ðàçðàáàòûâàåìîãî
èçäåëèÿ, à òàêæå
ïðè ðàçðàáîòêå
êîíñòðóêòîðñêîé
äîêóìåíòàöèè
ïðîåêòà, ìíîãîêðàòíî
íåîáõîäèìî âûïîëíÿòü
òèïîâûå ïðîåêòíûå
ïðîöåäóðû àíàëèçà
è ñèíòåçà. Èñïîëüçîâàíèå
ñðåäñòâ âû÷èñëèòåëüíîé
òåõíèêè ïîçâîëÿåò
ñóùåñòâåííî
óñêîðèòü ïðîöåññ
ïðîåêòèðîâàíèÿ
ãîðíîé òåõíèêè,
ñîêðàòèòü çàòðàòû
òðóäà ïðîåêòèðîâùèêîâ,
ïîâûñèòü òî÷íîñòü
ðàñ÷åòîâ è êà÷åñòâî
ïðîåêòèðîâàíèÿ
â öåëîì.
Äëÿ äîñòèæåíèÿ
ýôôåêòà îò ïðèìåíåíèÿ
âû÷èñëèòåëüíîé
òåõíèêè íåîáõîäèìî
ñîçäàòü àâòîìàòèçèðîâàííóþ
ïîäñèñòåìó ôóíêöèîíàëüíîãî
ïðîåêòèðîâàíèÿ
ðàçðàáàòûâàåìîé
ìàøèíû, êîòîðàÿ
âêëþ÷àåò ïðîãðàììíûå
ìîäóëè-ïðèëîæåíèÿ,
îáåñïå÷èâàþùèå
âûïîëíåíèå ïðîöåäóð
ìîäåëèðîâàíèÿ
èõ âàæíåéøèõ
ýêñïëóàòàöèîííûõ
ñâîéñòâ, ðàñ÷åòà,
àíàëèçà è îïòèìèçàöèè
îñíîâíûõ ïðîåêòíûõ
ïàðàìåòðîâ èçäåëèÿ
è åãî ñîñòàâíûõ
÷àñòåé, ñèíòåçà
ñõåì ôóíêöèîíàëüíûõ
ñèñòåì îáúåêòà
ïðîåêòèðîâàíèÿ.
Äëÿ ðåàëèçàöèè
ôóíêöèé ÀÏÔÏ
è âûïîëíåíèÿ
òèïîâûõ ïðîåêòíûõ
ïðîöåäóð íà ÏÝÂÌ
ðàçðàáàòûâàåòñÿ
äðóæåñòâåííûé
ýêðàííûé èíòåðôåéñ,
ñòðóêòóðà è ïðîãðàììíîå
îáåñïå÷åíèå
àâòîìàòèçèðîâàííîé
ïîäñèñòåìû ôóíêöèîíàëüíîãî
ïðîåêòèðîâàíèÿ
êîíêðåòíîé ìàøèíû.
Âàæíåéøèìè
ïîêàçàòåëÿìè
ðàçðàáàòûâàåìîãî
èçäåëèÿ ÿâëÿþòñÿ
îöåíêà åãî òåõíè÷åñêîãî
óðîâíÿ è êà÷åñòâà,
à òàêæå ïîêàçàòåëè
ôóíêöèîíàëüíûõ
ñâîéñòâ.
Ïîä òåõíè÷åñêèì
óðîâíåì ïîíèìàåòñÿ
òåõíè÷åñêîå
ñîâåðøåíñòâî
êîíñòðóêöèè
èçäåëèÿ, îïòèìàëüíîå
çíà÷åíèå ôóíêöèîíàëüíûõ
ïàðàìåòðîâ è äðóãèå
ïîêàçàòåëè, õàðàêòåðèçóþùèå
äàííûå ðàçðàáàòûâàåìîãî
èçäåëèÿ (íàïðèìåð,
òåõíè÷åñêàÿ
ïðîèçâîäèòåëüíîñòü
ìàøèíû, çàòðàòû
ìîùíîñòè íà
ðàáîòó ìàøèíû,
èçíîñîñòîéêîñòü
è òàê äàëåå) è îïðåäåëÿþùèå
âî ìíîãîì åãî
êîíêóðåíòîñïîñîáíîñòü.
Êà÷åñòâî ïðîåêòèðóåìîãî
èçäåëèÿ õàðàêòåðèçóåòñÿ
êàê ñîâîêóïíîñòü
åãî ñâîéñòâ, êîòîðûå
îáóñëîâëèâàþò
ïðèãîäíîñòü èçäåëèÿ
óäîâëåòâîðÿòü
êîíêðåòíûå ïîòðåáíîñòè
â ñîîòâåòñòâèè
ñ íàçíà÷åíèåì,
è îïðåäåëÿåòñÿ
ïðè ñðàâíåíèè
ïîêàçàòåëåé
ðàçðàáàòûâàåìîãî
èçäåëèÿ ñ ïîêàçàòåëÿìè
àíàëîãè÷íîé
ïðîäóêöèè, ïðèçíàííîé
íàèáîëåå ñîâåðøåííîé
â äàííîé îáëàñòè
òåõíèêè îòå÷åñòâåííîãî
è çàðóáåæíîãî
ïðîèçâîäñòâà.
Òåõíè÷åñêèé
óðîâåíü è êà÷åñòâî
èçäåëèÿ çàêëàäûâàåòñÿ
íà ñòàäèè ïðîåêòèðîâàíèÿ
è ïîýòîìó íåîáõîäèìî
åùå íà ðàííèõ
ñòàäèÿõ ðàçðàáîòêè
èìåòü ïðåäñòàâëåíèå
î áóäóùåì òåõíè÷åñêîì
óðîâíå è êà÷åñòâå
èçäåëèÿ, ÷òî äîñòèãàåòñÿ
ïðèìåíåíèåì
ñîâðåìåííûõ
ìåòîäîâ ïðîåêòíîé
îöåíêè êà÷åñòâà
è åãî îïòèìèçàöèè,
â òîì ÷èñëå ïîñðåäñòâîì
èñïîëüçîâàíèÿ
àâòîìàòèçèðîâàííîé
ïîäñèñòåìû ôóíêöèîíàëüíîãî
ïðîåêòèðîâàíèÿ
äàííîãî âèäà
ãîðíîé òåõíèêè.
Íà ðèñóíêå 3.1 ïðåäñòàâëåí
ôðàãìåíò ñòðóêòóðíîé
ñõåìû ÀÏÔÏ ìàøèíû.
Ðèñóíêå 3.1 - Ôðàãìåíò
ñòðóêòóðíîé
ñõåìû àâòîìàòèçèðîâàííîé
ïîäñèñòåìû ôóíêöèîíàëüíîãî
ïðîåêòèðîâàíèÿ
ìàøèíû äëÿ ïîãðóçêè
è ïåðåìåùåíèÿ
ãîðíîé ïîðîäû
Ðàññìîòðèì
áëîê-ñõåìó àëãîðèòìà
ðèñóíêå 3.2 àâòîìàòèçèðîâàííîé
ñèñòåìû ôóíêöèîíàëüíîãî
ïðîåêòèðîâàíèÿ
è ìíîãîâàðèàíòíîãî
àíàëèçà ðàáî÷åãî
ïðîöåññà ïîãðóç÷èêà.
Ðèñóíîê 3.2 - Áëîê
ñõåìà àëãîðèòìà
ðàáîòû ÀÏÔÏ.
Áëîê 1. Íà÷àëî
ðàáîòû ïðèëîæåíèÿ.
Áëîê 2. Íà ýêðàíå
ÝÂÌ âûâîäèòñÿ
ãëàâíîå ìåíþ
ÀÏÔÏ, ãäå îòîáðàæàþòñÿ
âñå ïîäìåíþ ðàñ÷åòíûõ
è îáðàáàòûâàþùèõ
äàííûå ïðîöåäóð.
Áëîê 3. Ñ ïîìîùüþ
óñòðîéñòâ ââîäà
ââîäèòñÿ êîä âûáîðà
i-îé ïðîöåäóðû.
Áëîê 4.. Ïðîèçâîäèòñÿ
ñðàâíåíèå ââåäåííîãî
êîäà ñ ñóùåñòâóþùèìè
êîäàìè è ïåðåõîä
ê âûïîëíåíèþ
âûáðàííîé ïðîåêòíîé
ïðîöåäóðû (Áëîê
5. Áëîê 5+1), ëèáî âûáîð
ïðåäëàãàåòñÿ
ïîâòîðèòü.
Áëîê 10. Íà äèñïëåå
âûâîäèòñÿ ïîäìåíþ,
íàïðèìåð
Áëîê 11. Îñóùåñòâëÿåòñÿ
âûáîð ïóíêòà
ïîäìåíþ, ââîäèòñÿ
êîä.
Áëîê 12. Ñðàâíåíèå
êîäà ñ ñóùåñòâóþùèìè.
Áëîê 13. Âûïîëíåíèå
âûáðàííîé ïðîåêòíîé
çàäà÷è.
Áëîê 14. Âûâîä ïîëó÷åííûõ
ðåçóëüòàòîâ íà
ïå÷àòü.
Çàòåì îñóùåñòâëÿåòñÿ
âîçâðàò ÀÏÔÏ â
èñõîäíîå ïîëîæåíèå
- âûâîäèòñÿ ãëàâíîå
ìåíþ, íàõîäÿùååñÿ
â ðåæèìå îæèäàíèÿ.
Òàêèì îáðàçîì,
èñïîëüçîâàíèå
ñðåäñòâ àâòîìàòèçàöèè
ïðîåêòèðîâàíèÿ
ïðè ðàçðàáîòêå
ãîðíîé ìàøèíû
ïîçâîëÿåò ñîêðàòèòü
âðåìÿ íà ðàçðàáîòêó
ïðîåêòà èçäåëèÿ,
à òàêæå ïîâûñèòü
êà÷åñòâî ïðîåêòèðîâàíèÿ.
Ïðåäëîæåííàÿ
àâòîìàòèçèðîâàííàÿ
ïîäñèñòåìà ôóíêöèîíàëüíîãî
ïðîåêòèðîâàíèÿ
ïîçâîëèò ñóùåñòâåííî
ñîêðàòèòü çàòðàòû
âðåìåíè íà âûïîëíåíèå
îñíîâíûõ ïðîåêòíûõ
ïðîöåäóð ôóíêöèîíàëüíîãî
ïðîåêòèðîâàíèÿ.
Êðîìå òîãî, èñïîëüçîâàíèå
ñðåäñòâ ÑÀÏÐ ñóùåñòâåííî
óìåíüøàåò òàêæå
çàòðàòû íà ðàçðàáîòêó
ñõåì êèíåìàòè÷åñêèõ,
ãèäðàâëè÷åñêèõ
è äðóãèõ ñèñòåì
èçäåëèÿ, ñáîðî÷íûõ
è ðàáî÷èõ ÷åðòåæåé,
ãðàôè÷åñêèõ
èëëþñòðàöèé è
äðóãèõ âèäîâ
ïðîåêòíîé äîêóìåíòàöèè.
Ïîýòîìó äëÿ âûïîëíåíèÿ
ïðîåêòíûõ îáîñíîâàíèé
ãîðíîé ìàøèíû
èëè îáîðóäîâàíèÿ
è ðàçðàáîòêè
êîíñòðóêòîðñêîé
äîêóìåíòàöèè
ïðîåêòà öåëåñîîáðàçíî
øèðîêî èñïîëüçîâàòü
ñðåäñòâà àâòîìàòèçàöèè
ïðîåêòèðîâàíèÿ.
Ïðè
âûïîëíåíèè ðàçäåëà
“Èñïîëüçîâàíèå
êîìïüþòåðíûõ
òåõíîëîãèé â
ïðîåêòèðîâàíèè
èçäåëèÿ” áûëî
ïðîâåäåíî âàðèàíòíîå
èññëåäîâàíèå
ïîãðóç÷èêà, ñ
öåëüþ âûáîðà åå
îïòèìàëüíîé
êèíåìàòè÷åñêîé
ñêîðîñòè W
, ÷òî
áûëî ðåàëèçîâàíî
â ðàçðàáîòàííîé
ìàøèíå.
Ðåçóëüòàòû
èññëåäîâàíèé
ïðèâåäåíû íà ëèñòå
ãðàôè÷åñêîé
÷àñòè äèïëîìíîãî
ïðîåêòà è â ðàçäåëå
1.3 ïîÿñíèòåëüíîé
çàïèñêè.
4 ÈÑÏÎËÜÇÎÂÀÍÈÅ
ÈÇÄÅËÈß Â ÏÐÎÈÇÂÎÄÑÒÂÅÍÍÛÕ
ÓÑËÎÂÈßÕ
ÏÄÌ îáëàäàåò
óíèâåðñàëüíîñòüþ,
ñïîñîáíîñòüþ
âûïîëíÿòü áîëüøîé
íå òîëüêî ïî îáúåìó,
íî è ïî ðàçíîîáðàçèþ
ðåøàåìûõ çàäà÷,
êðóã ðàáîò. Îñíîâíàÿ
«îáÿçàííîñòü»
ÏÄÌ - ãðóçèòü è
òðàíñïîðòèðîâàòü
ðóäó è ïîðîäó, íî
îíè òàêæå ïåðåâîçÿò
ìàòåðèàëû, îáîðóäîâàíèå,
ýëåìåíòû êðåïè,
ìîãóò âûñòóïèòü
â ðîëè òÿãà÷à
è ò. ä.
Ñàìàÿ îñòðàÿ
ïðîáëåìà ýêñïëóàòàöèè
ÏÄÌ â øàõòå - íåîáõîäèìîñòü
î÷èñòêè âûõëîïíûõ
ãàçîâ. Ðåøàåòñÿ
îíà äâóìÿ ïóòÿìè
- ñæèãàíèåì òîïëèâà
â ðàçäåëåííûõ
êàìåðàõ ñãîðàíèÿ
öèëèíäðîâ è ïðèìåíåíèåì
êàòàëèòè÷åñêîãî
è æèäêîñòíîãî
íåéòðàëèçàòîðîâ,
ñíèæàþùèõ ñîäåðæàíèå
âðåäíûõ äëÿ çäîðîâüÿ
÷åëîâåêà êîìïîíåíòîâ
âûõëîïíûõ ãàçîâ
äèçåëüíûõ äâèãàòåëåé.
Íî, íåñìîòðÿ íà
òàêóþ î÷èñòêó,
â âûðàáîòêè íåîáõîäèìî
ïîäàâàòü äîïîëíèòåëüíîå
êîëè÷åñòâî ñâåæåãî
âîçäóõà äëÿ ðàçæèæåíèÿ
âðåäíûõ êîìïîíåíòîâ
â ðóäíè÷íîì âîçäóõå
äî äîïóñòèìîé
êîíöåíòðàöèè.
Ìàøèíà ïîãðóçî÷íî
äîñòàâî÷íàÿ
ïðåäíàçíà÷åíà
äëÿ ïåðåâîçêè
è ìîíòàæà îáîðóäîâàíèÿ
â ãîðíûõ âûðàáîòêàõ
êàëèéíûõ ðóäíèêîâ,
ïðîâåòðèâàåìûõ
ñâåæåé ñòðóåé
âîçäóõà çà ñ÷åò
îáùåøàõòíîé
äåïðåññèè áåç
çàåçäà â î÷èñòíûå
è òóïèêîâûå âûðàáîòêè,
à òàê æå íà ïîâåðõíîñòè
äëÿ ïîãðóçêè øòó÷íûõ
ãðóçîâ è ïðîèçâîäñòâà
ñòðîèòåëüíî
- ìîíòàæíûõ ðàáîò
ñ ïîìîùüþ ñìåííûõ
ðàáî÷èõ îðãàíîâ.
Ìàêñèìàëüíûé
ïðîäîëüíûé óêëîí
äîðîãè íå áîëåå
13, à ïîïåðå÷íûé
- íå áîëåå 3 ãðàäóñîâ.
Íå äîïóñêàåòñÿ
ðàáîòà â àãðåññèâíûõ
ñðåäàõ.
Ìàøèíà ïðåäíàçíà÷àåòñÿ
äëÿ ðàáîòû â äèàïàçîíå
òåìïåðàòóð âîçäóõà
îò +30C äî -30Ñ.
Ìàøèíó îáñëóæèâàåò
îäèí ÷åëîâåê,
õîðîøî èçó÷èâøèé
åå óñòðîéñòâî,
ðàáîòó è ïðàâèëà
ýêñïëóàòàöèè.
Óïðàâëåíèå ìàøèíîé
âêëþ÷àåò óïðàâëåíèåì
øàññè è óïðàâëåíèå
ðàáî÷èì îðãàíîì.
Ïåðåä òðîãàíèåì
ìàøèíû íåîáõîäèìî
ïðîâåðèòü äàâëåíèå
â ãèäðîñèñòåìå
ðóëåâîãî óïðàâëåíèÿ
è òîðìîçîâ. Ðàáî÷èé
îðãàí óñòàíîâèòü
â òðàíñïîðòíîå
ïîëîæåíèå.
Òðîãàíèå ìàøèíû
ñëåäóåò íà÷èíàòü
íà ïåðâîé ïåðåäà÷å,
÷òî ñïîñîáñòâóåò
ïîâûøåíèþ äîëãîâå÷íîñòè
äèñêîâ ôðèêöèîíîâ
è äðóãèõ äåòàëåé
òðàíñìèññèè.
Äëÿ îáåñïå÷åíèÿ
ïëàâíîñòè âêëþ÷àòü
ïåðåäà÷ó ïðè ìèíèìàëüíûõ
îáîðîòàõ äâèãàòåëÿ.
Ïîñëå âêëþ÷åíèÿ
ïåðåäà÷è ñëåäóåò
ïîäàòü ñèãíàë
î íà÷àëå äâèæåíèÿ,
âûêëþ÷èòü ñòîÿíî÷íûé
òîðìîç è, ïëàâíî
óâåëè÷èâàÿ ïîäà÷ó
òîïëèâà íàæàòèåì
íà ïåäàëü, íà÷èíàòü
äâèæåíèå, ïåðåõîäÿ
ïî ìåðå ðàçãîíà
ìàøèíû íà ïîñëåäóþùèå
ïåðåäà÷è.
Ïðè ïåðåêëþ÷åíèè
ïåðåäà÷ ñ íèçøåé
íà âûñøóþ ñëåäóåò
ñíèæàòü ÷àñòîòó
âðàùåíèÿ êîëåí÷àòîãî
âàëà äâèãàòåëÿ.
Ïîñëå ðàçãîíà
ìàøèíû îäíîâðåìåííî
ñ âûêëþ÷åíèåì
íèçøåé ïåðåäà÷è
áûñòðî îòïóñòèòü
ïåäàëü óïðàâëåíèÿ
ïîäà÷åé òîïëèâà,
âêëþ÷èòü âûñøóþ
ïåðåäà÷ó è çàòåì
óâåëè÷èòü ïîäà÷ó
òîïëèâà.
Ïðè ñíèæåíèè
÷àñòîòû âðàùåíèÿ
êîëåí÷àòîãî
âàëà äâèãàòåëÿ
ïðîèñõîäèò ïðèòîðìàæèâàíèå
âåäóùåãî âàëà
êîðîáêè ïåðåäà÷
è, òàêèì îáðàçîì,
óðàâíèâàíèå
ñêîðîñòåé âðàùåíèÿ
øåñòåðåí, òî åñòü,
íàñòóïàåò íàèáîëåå
áëàãîïðèÿòíûé
ìîìåíò äëÿ âêëþ÷åíèÿ
ôðèêöèîíà.
Ïðè ïåðåêëþ÷åíèè
ïåðåäà÷ ñ âûñøåé
íà íèçøóþ íåëüçÿ
ñíèæàòü (ëó÷øå
óâåëè÷èòü) ïîäà÷ó
òîïëèâà. Â ýòîì
ñëó÷àå â ìîìåíò
âêëþ÷åíèÿ ïåðåäà÷è
äâèãàòåëü ðàçãîíÿåò
âåäóùèé âàë êîðîáêè
ïåðåäà÷, ò.å., ñêîðîñòè
âðàùåíèÿ øåñòåðåí
óðàâíèâàþòñÿ
è îáåñïå÷èâàåòñÿ
áåçóäàðíîå âêëþ÷åíèå
ôðèêöèîíà.
Íåîáõîäèìî
ñòðåìèòüñÿ ê
ñîêðàùåíèþ êîëè÷åñòâà
ïåðåêëþ÷åíèé
ïåðåäà÷ äî ìèíèìóìà,
òàê êàê êàæäîå
ïåðåêëþ÷åíèå
ïåðåäà÷ ñîêðàùàåò
äîëãîâå÷íîñòü
òðàíñìèñèè.
Ñëåäóåò èçìåíÿòü
íàïðàâëåíèå äâèæåíèÿ
ìàøèíû íà ïðîòèâîïîëîæíîå
è ïåðåêëþ÷åíèå
äèàïàçîíîâ ÊÏ
òîëüêî ïîñëå ïîëíîé
åå îñòàíîâêè.
Òîðìîæåíèå îñóùåñòâëÿåòñÿ
òîðìîçíîé ïåäàëüþ
îñíîâíîãî èëè
âñïîìîãàòåëüíîãî
ïóëüòà. Ïðè òîðìîæåíèè
ïðîèñõîäèò îòêëþ÷åíèå
òðàíñìèññèè.
Ïîñëå îêîí÷àíèÿ
ðàáîòû íåîáõîäèìî:
îòïóñòèòü ïåäàëü
óïðàâëåíèÿ ïîäà÷åé
òîïëèâà;
ðóêîÿòêó ðåâåðñà
óñòàíîâèòü â
ïîëîæåíèå “íåéòðàëü”;
çàòîðìîçèòü
ìàøèíó êîëåñíûìè
òîðìîçàìè;
ïîñëå ïîëíîé
îñòàíîâêè ìàøèíû
âêëþ÷èòü ñòîÿíî÷íûé
òîðìîç;
îïóñòèòü ðàáî÷èé
îðãàí íà îïîðíóþ
ïîâåðõíîñòü;
îñòàíîâèòü
äâèãàòåëü, ïðåêðàòèâ
ïîäà÷ó òîïëèâà
ïîâîðîòîì êëþ÷à
çàìêà- âûêëþ÷àòåëÿ
â èñõîäíîå ïîëîæåíèå
(âåðòèêàëüíî);
îòêëþ÷èòü àêêóìóëÿòîðû
(âûêëþ÷èòü âûêëþ÷àòåëü
“ìàññû”).
Ïðè ðàáîòå äâèãàòåëÿ
ñ ïîëíîé íàãðóçêîé
ìãíîâåííàÿ îñòàíîâêà
íåäîïóñòèìà.
Äëÿ âûðàâíèâàíèÿ
òåìïåðàòóðû îòäåëüíûõ
óçëîâ íåîáõîäèìî
íåêîòîðîå âðåìÿ
ïîðàáîòàòü íà
õîëîñòîì õîäó.
 ïðîöåññå ðàáîòû
ìàøèíû íåîáõîäèìî
ïîñòîÿííî êîíòðîëèðîâàòü
òåõíè÷åñêîå
ñîñòîÿíèå åå
ñáîðî÷íûõ åäèíèö
è ñèñòåì ïî ïîêàçàíèÿì
êîíòðîëüíî- èçìåðèòåëüíûõ
ïðèáîðîâ, ïîääåðæèâàòü
ðåãóëèðóåìûå
ïàðàìåòðû â çàäàííûõ
ïðåäåëàõ. Äëÿ óâåëè÷åíèÿ
ìåæðåìîíòíûõ
ïðîáåãîâ ìàøèíû
è ïîâûøåíèÿ ñðîêà
ñëóæáû øèí èçáåãàòü
ðåçêîãî òîðìîæåíèÿ.
Ýòîãî ìîæíî äîñòèãíóòü
çà ñ÷åò ñâîåâðåìåííîãî
ñíèæåíèÿ ñêîðîñòè.
Øèíû ñëåäóåò
ïðåäîõðàíÿòü
îò ïîïàäàíèÿ
íåôòåïðîäóêòîâ
è äðóãèõ âåùåñòâ,
ðàçðóøàþùèõ
ðåçèíó. Íå äîïóñêàòü
ñòîÿíêó íà øèíàõ
áîëåå 10 äíåé.  ñëó÷àå
áîëåå äëèòåëüíîé
ñòîÿíêè ìàøèíó
ïîñòàâèòü íà
ïîäñòàâêè, ïîëíîñòüþ
ðàçãðóçèâ øèíû.
 çèìíèé ïåðèîä
ýêñïëóàòàöèè
(îñîáåííî ïðè
íèçêèõ òåìïåðàòóðàõ)
ïîñëå äëèòåëüíîé
ñòîÿíêè ìàøèíû
íà îòêðûòîì âîçäóõå
â òå÷åíèå ïåðâûõ
15-20 ìèí ñëåäóåò
äâèãàòüñÿ ñ ìàëîé
ñêîðîñòüþ ( íå
âûøå 10 êì/÷) äëÿ òîãî,
÷òîáû äåòàëè
òðàíñìèññèè
è õîäîâîé ÷àñòè
( îñîáåííî øèíû)
ïðîãðåëèñü íà
ìàëûõ íàãðóçêàõ,
÷òî ïîâûñèò èõ
ðàáîòîñïîñîáíîñòü
ïðè âîçðàñòàíèè
íàãðóçîê.
Ðàáî÷èé öèêë
ìàøèíà ïîãðóçî÷íî
- äîñòàâî÷íîé
â ñëó÷àå óñòàíîâêè
êîâøà â êà÷åñòâå
ñìåííîãî îáîðóäîâàíèÿ
ñîñòîèò èç ñëåäóþùèõ
îïåðàöèé:
÷åðïàíèÿ ðàçðûõëåííîé
ãîðíîé ïîðîäû
èëè îòäåëåíèÿ
(êîïàíèÿ) ãîðíîé
ïîðîäû îò ìàññèâà
(ðåçàíèå, îòêîë,
îòðûâ) ñ îäíîâðåìåííûì
çàïîëíåíèåì
êîâøà;
ðàçãðóçêè ãîðíîé
ïîðîäû èç êîâøà
â òðàíñïîðòíûå
ñðåäñòâà èëè
â îòâàë, ñêëàä
è äð.;
ïåðåìåùåíèå
ïîðîæíåãî êîâøà
ê ìåñòó çàãðóçêè;
Âðåçàíèå êîâøà
â ìàòåðèàë îñóùåñòâëÿåòñÿ
õîäîì ìàøèíû
âïåðåä. Ýòî ðåêîìåíäóåòñÿ
ïðîèçâîäèòü íà
ïåðâîé èëè âòîðîé
ïåðåäà÷àõ. Ïðè
ïîäúåçäå ê øòàáåëþ
èëè ìàññèâó íåîáõîäèìî
âûñòàâèòü êîâø
â ïîëîæåíèå êîïàíèÿ.
 çàâèñèìîñòè
îò êóñêîâàòîñòè
ðàçðûõëåííûõ
ãîðíûõ ïîðîä ïðèìåíÿþòñÿ
ðàçëè÷íûå ñïîñîáû
çà÷åðïûâàíèÿ
ãîðíîé ïîðîäû
êîâøîì.
Ðàçäåëüíûé ñïîñîá,
ïðè êîòîðîì êîâø
ðåæóùåé êðîìêîé,
óñòàíîâëåííîé
ãîðèçîíòàëüíî
íà óðîâíå ïîâåðõíîñòè
äâèæåíèÿ ìàøèíû
èëè ñ óãëîì íàêëîíà
äíèùà êîâøà ê
îñíîâàíèþ çàáîÿ
3..5 ãðàäóñîâ, ïðè
ïîñòóïàòåëüíîì
äâèæåíèè ìàøèíû
âíåäðÿåòñÿ â ðàçâàë
(çàâàë) ðàçðûõëåííîé
ãîðíîé ïîðîäû
íà ïîíèæåííîé
ïåðåäà÷å ïðè ñðåäíåé
ñêîðîñòè äâèæåíèÿ
1,4-1,8 êì/÷.
Âíåäðåííûé â
ãîðíóþ ïîðîäó
êîâø ïîâîðà÷èâàþò
îò ãîðèçîíòà
äî ìàêñèìàëüíîãî
çàïðîêèäûâàíèÿ
áåç ïðîäâèæåíèÿ
ìàøèíû. Ïîñëå
ýòîãî ïîäíèìàþò
ñòðåëó. Îäíîâðåìåííî
ñ ïîäúåìîì ñòðåëû
íà÷èíàþò îòúåçä
çàäíèì õîäîì
îò øòàáåëÿ (çàáîÿ),
âêëþ÷èâ íåîáõîäèìóþ
ïåðåäà÷ó çàäíåãî
õîäà, è ñòðåìÿñü
îñóùåñòâëÿòü
îòúåçä îò øòàáåëÿ
íà ìàêñèìàëüíî
âîçìîæíîé ïåðåäà÷å.
Ïîñëå îñòàíîâêè
ìàøèíû, åå íàïðàâëÿþò
ê ìåñòó ðàçãðóçêè.
Ïðè äâèæåíèè
ìàøèíû ñ çàãðóæåííûì
êîâøîì íà äàëüíèå
ðàññòîÿíèÿ, êîâø
äîëæåí íàõîäèòüñÿ
â òðàíñïîðòíîì
ïîëîæåíèè. Ñêîðîñòü
ïîääåðæèâàåòñÿ
ìàêñèìàëüíî
âîçìîæíîé.
Ïîäúåçä ïåðåäíèì
õîäîì ê ìåñòó
ðàçãðóçêè êîâøà
ñîâìåùàþò ñ ïîäúåìîì
êîâøà íà âûñîòó,
íåîáõîäèìóþ
äëÿ âûãðóçêè ãîðíîé
ïîðîäû.
 ñëó÷àå ïîãðóçêè
â ãðóçîâîé àâòîìîáèëü
íåîáõîäèìî ïîäíÿòü
êîâø íà òàêóþ
âûñîòó, ÷òîáû
îí íå çàäåë êóçîâ,
çàòåì îñòàíîâèòü
ìàøèíó è ìåäëåííî
ñâàëèòü ãðóç,
ðàâíîìåðíî ðàñïðåäåëÿÿ
åãî ïî ïëîùàäè
ïîëà êóçîâà. Ýòî
óìåíüøèò ñîòðÿñåíèå
ïðè ïåðåäà÷å âåñà
íà çàäíèé ìîñò
àâòîìîáèëÿ.
Äëÿ âûáðîñà ïðèëèïøåãî
ìàòåðèàëà ñëåäóåò
âñòðÿõíóòü êîâø.
Êîíñòðóêöèÿ
øàðíèðíî - ñî÷ëåíåííîé
ðàìû íå òðåáóåò
òî÷íîãî ïîäúåçäà
ê íàâàëó ãîðíîé
ïîðîäû è ïîçâîëÿåò
ïîâåðíóòü êîâø
íà ìåñòå, ÷òî
ïîâûøàåò ïðîèçâîäèòåëüíîñòü
è îáëåã÷àåò òðóä
îïåðàòîðà.
Ïðè ðàçäåëüíîì
÷åðïàíèè íåäîïóñòèìî
âíåäðåíèå êîâøà
ñ ðàçãîíîì ìàøèíû,
òî åñòü íà âûñîêîé
ñêîðîñòè áîëåå
2,5- 4 êì/÷., òàê êàê
ïðè ýòîì âîçíèêàþò
äîïîëíèòåëüíûå
óäàðíûå íàãðóçêè
â êîíñòðóêöèè
ìàøèíû, è ïîâûøàåòñÿ
èçíîñ øèí ïðè
áóêñîâàíèè. Ïîìèìî
ýòîãî, êîâø ìîæåò
âíåäðèòüñÿ ñëèøêîì
ãëóáîêî â çàâàë
è òîãäà íåëüçÿ
áóäåò çàïðîêèíóòü
åãî èëè ïîäíÿòü
ñòðåëó.
Ñîâìåùåííûé
ñïîñîá ( áåç ïîäúåìà
ñòðåëû), ïðè êîòîðîì
êîâø ñ íàêëîíîì
äíèùà ê îñíîâàíèþ
çàáîÿ íà 3-5 âíåäðÿåòñÿ
íàïîðíûì óñèëèåì
ìàøèíû ( ïðè ñðåäíåé
ñêîðîñòè äâèæåíèÿ
îáû÷íî 2,4-3,6 êì/÷,
íà ãëóáèíó, çàâèñÿùóþ
îò êóñêîâàòîñòè
ãîðíîé ïîðîäû.
Ïðè äîñòèæåíèè
ãëóáèíû âíåäðåíèÿ
è íåïðåðûâíîì
ïîñòóïàòåëüíîì
äâèæåíèè ìàøèíû
êîâø ïîñòåïåííî
ïîâîðà÷èâàþò
äî ìàêñèìàëüíîãî
çàïðîêèäûâàíèÿ.
Ïðè ýòîì äëÿ íàèëó÷øåãî
íàïîëíåíèÿ êîâøà
íåîáõîäèìî, ÷òîáû
ñêîðîñòü ïîñòóïàòåëüíîãî
äâèæåíèÿ ìàøèíû
áûëà ðàâíà ( èëè
áëèçêà) ê ñðåäíåé
ëèíåéíîé ñêîðîñòè
çàïðîêèäûâàíèÿ
ðåæóùåé êðîìêè
êîâøà, à òðàåêòîðèÿ
äâèæåíèÿ ðåæóùåé
êðîìêè - ïðèìåðíî
ïàðàëëåëüíà îáðàçóþùåé
îòêîñà çàáîÿ.
 ýòîì ñëó÷àå
âåëè÷èíà íàïîðíîãî
óñèëèÿ âíåäðåíèè
ñíèæàåòñÿ â
2-3 ðàçà ïî ñðàâíåíèþ
ñ ðàçäåëüíûì ñïîñîáîì.
 äàëüíåéøåì
îïåðàöèè âûãëóáëåíèÿ
( ïðè ïîäúåìå ñòðåëû)
è îòúåçäà ê ìåñòó
ðàçãðóçêè âûïîëíÿþò
òàê æå, êàê è ïðè
ðàçäåëüíîì ñïîñîáå
÷åðïàíèÿ.
Ýêñêàâàöèîííûé
ñïîñîá, ïðè êîòîðîì
ïî ìåðå âíåäðåíèÿ
êîâøà ñ íàêëîíîì
äíèùà ê îñíîâàíèþ
çàáîÿ íà 3-5 ãðàäóñîâ
îäíîâðåìåííî
ñ íàïîðíûì äâèæåíèåì
ìàøèíû ñ ïîìîùüþ
ìåõàíèçìà ïîäúåìà
ñòðåëû ïîäíèìàåòñÿ
êîâø äî âûõîäà
ðåæóùåé êðîìêè
èç çàáîÿ.
Ïðè âûõîäå ðåæóùåé
êîâøà èç íàâàëà
èëè çàáîÿ êîâø
ïîâîðà÷èâàþò
äî ìàêñèìàëüíîãî
çàïðîêèäûâàíèÿ
è äàëüíåéøèå
îïåðàöèè âûïîëíÿþò
òàê æå, êàê ïðè
ðàçäåëüíîì è ñîâìåùåííîì
ñïîñîáàõ.
Íàðÿäó ñ ðàññìîòðåííûìè
òðàäèöèîííûìè
ñïîñîáàìè ÷åðïàíèÿ
øèðîêîå ïðèìåíåíèå
ïîëó÷èë êîìáèíèðîâàííûé
ñïîñîá, ïðè êîòîðîì
ïî ìåðå âíåäðåíèÿ
êîâøà ñ íàêëîíîì
äíèùà ê îñíîâàíèþ
çàáîÿ íà 3-5 ãðàäóñîâ
îäíîâðåìåííî
ñ íàïîðíûì äâèæåíèåì
ìàøèíû ñ ïîìîùüþ
ìåõàíèçìîâ ïîâîðîòà
êîâøà è ïîäúåìà
ñòðåëû îñóùåñòâëÿþò
ïîïåðåìåííî ïîâîðîò
êîâøà íà íåáîëüøîé
óãîë ( 2-5 ãðàäóñîâ)
ââåðõ è âíèç ( âñòðÿõèâàíèå
êîâøà), çàòåì
ïîäúåì ñòðåëû
íà íåáîëüøîé
óãîë ( 2-8 ãðàäóñîâ),
çàòåì âíîâü ïîâîðîò
êîâøà, ïîäúåì
ñòðåëû è ò.ä.
Êîìáèíèðîâàííûé
ñïîñîá ýôôåêòèâåí
ïðè áîëüøèõ ñîïðîòèâëåíèÿõ
ãîðíûõ ïîðîä ÷åðïàíèþ
(òàê êàê ÿâëÿåòñÿ
êîìáèíàöèåé
ñîâìåùåííîãî
è ýêñêàâàöèîííîãî
ñïîñîáîâ ñ ïðèñóùèìè
èì äîñòîèíñòâàìè
) è íàðÿäó ñ ýòèì
òðåáóåò âûñîêîé
êâàëèôèêàöèè
è áîëüøîãî îïûòà
ðàáîòû îïåðàòîðà.
Ðèñóíîê 4.3 - Õàðàêòåðíûå
ïîëîæåíèÿ ïðè
ïðîèçâîäñòâå
ðàáîò
5. ÒÅÕÍÎËÎÃÈß
ÈÇÃÎÒÎÂËÅÍÈß
ÑÎÑÒÀÂÍÎÉ ×ÀÑÒÈ
ÈÇÄÅËÈß
5.1 Îïèñàíèå
êîíñòðóêöèè
è íàçíà÷åíèå
äåòàëè
Äåòàëü “Êðûøêà”
(ðèñ.5.1) ÿâëÿåòñÿ
äåòàëüþ, ðàñïîëîæåííîé
íà ïðèâîäíîì
ðåäóêòîðå ëåáåäêè.
Êðûøêà ïðåäíàçíà÷åíà
äëÿ ïðåäîòâðàùåíèÿ
îñåâîãî ñìåùåíèÿ
ïîäøèïíèêà è
óäåðæàíèÿ êîíñèñòåíòíîé
ñìàçêè âíóòðè
êîðïóñà ïîäøèïíèêà.
Ìàêñèìàëüíûé
äèàìåòð Æ140 ìì, äëèíà
38 ìì.
Äëÿ ôèêñàöèè
êðûøêè, èìåþòñÿ
6 îòâåðñòèé ïîä
áîëòîâîå ñîåäèíåíèå.
Êðûøêà èçãîòîâëåíà
èç ëèòåéíîé ñòàëè
30Ë, åå ìàññà ñîñòàâëÿåò
1,2 êã. Ïîñàäî÷íûé
ðàçìåð Æ110h8.
Òîðåö êðûøêè
äëÿ îáåñïå÷åíèÿ
ðàáîòîñïîñîáíîñòè
è äîñòàòî÷íîãî
ñðîêà ñëóæáû
îáðàáàòûâàåòñÿ
äî øåðîõîâàòîñòè
1,25.
Ìàòåðèàë äåòàëè
- ëèòåéíàÿ ñòàëü
30Ë. Õèìè÷åñêèé
ñîñòàâ è ìåõàíè÷åñêèå
ñâîéñòâà ïðèâåäåíû
â òàáëèöàõ 5.1 è
5.2.
Òàáëèöà 5.1 Õèìè÷åñêèé
ñîñòàâ ñòàëè
30Ë ïî ÃÎÑÒ 977-75, %
|
Ñ
|
Si
|
Mn
|
S
|
P
|
Ni
|
Cr
|
|
0,27-0,35
|
0,2-0,32
|
0,4-0,9
|
≤ 0,04
|
≤ 0,04
|
≤0,3
|
≤0,3
|
Òàáëèöà 5.2. Ìåõàíè÷åñêèå
ñâîéñòâà ñòàëè
30Ë
|
δò,
ÌÏà
|
δâ,ÌÏà
|
δ,%
|
ψ,%
|
ÍÂ
|
|
260
|
480
|
17
|
30
|
131…157
|
5.2 Âèäû
èçíîñà
Âñå ìíîãîîáðàçèå
ïðîöåññîâ èçíàøèâàíèÿ
ìîæåò áûòü ñâåäåíî
ê ñëåäóùèì îñíîâíûì:
èçíàøèâàíèå
ìåõàíè÷åñêîå,
àáðàçèâíîå, îêèñëèòåëüíîå,
îñïîâèäíîå (óñòàëîñòíîå)
è êîððîçèîííîå.
Ìåõàíè÷åñêîå
èçíàøèâàíèå,
íàáëþäàþùååñÿ
ïðè òðåíèè ñêîëüæåíèÿ,
ïðîÿâëÿåòñÿ â
èçìåíåíèè ðàçìåðîâ,
ôîðìû è. øåðîõîâàòîñòè
òðóùèõñÿ ïîâåðõíîñòåé
äåòàëåé. Åñëè
ïðîöåññ ñêîëüæåíèÿ
ïðîòåêàåò ñ ìàëûìè
ñêîðîñòÿìè (äî
0,25 ì/ñåê) è ïðè çíà÷èòåëüíûõ
äàâëåíèÿõ, òî
íàáëþäàåòñÿ
ïëàñòè÷åñêîå
äåôîðìèðîâàíèå
ìàëûõ ó÷àñòêîâ
ïîâåðõíîñòè,
ïðèâîäÿùåå ê âûðûâàíèþ
÷àñòèö ìåòàëëà
ñ ïîâåðõíîñòåé
äåòàëè. Ýòè ÷àñòèöû
ëèáî îñòàþòñÿ
íà ïîâåðõíîñòè
òðåíèÿ â âèäå
íàðîñòà, ëèáî
óíîñÿòñÿ èç çîíû
òðåíèÿ. Ýòîò âèä
èçíàøèâàíèÿ
íàçûâàþò ñõâàòûâàíèåì
ïåðâîãî ðîäà. Ïðè
áîëüøèõ ñêîðîñòÿõ
ñêîëüæåíèÿ è
çíà÷èòåëüíûõ
äàâëåíèÿõ â ìåñòàõ
êîíòàêòà íàáëþäàåòñÿ
èíòåíñèâíûé
íàãðåâ ïîâåðõíîñòè;
ïðè ýòîì òåìïåðàòóðà
íà îòäåëüíûõ
ó÷àñòêàõ .êîíòàêòà
âîçðàñòàåò äî
òàêîé ñòåïåíè,
÷òî âûçûâàåò
ðàçìÿã÷åíèå
è îïëàâëåíèå
ïîâåðõíîñòè,
íàçûâàåìîå ñõâàòûâàíèåì
âòîðîãî ðîäà.
Ìåõàíè÷åñêîå
èçíàøèâàíèå
â íàèáîëåå ïîëíîì
âèäå íàáëþäàåòñÿ
ïðè ñóõîì òðåíèè
ñêîëüæåíèÿ.
 óñëîâèÿõ ãðàíè÷íîé
ñìàçêè ìåõàíè÷åñêîå
èçíàøèâàíèå
íàáëþäàåòñÿ
ïðè ðàçðûâå ìàñëÿíîé
ïëåíêè, ïåðåðûâå
â ïîäà÷å ñìàçêè,
ïðè ïåðåãðåâå
ïîâåðõíîñòè
êîíòàêòà è ïðè
ðåçêîì èçìåíåíèè
ðåæèìà òðåíèÿ.
Àáðàçèâíîå
èçíàøèâàíèå
ïðåäñòàâëÿåò
ñîáîé ïðîöåññ
ïîñòåïåííîãî
ðàçðóøåíèÿ ïîâåðõíîñòíîãî
ñëîÿ äåòàëåé âñëåäñòâèå
òðåíèÿ î íèõ ìåëü÷àéøèõ
÷àñòèö, òâåðäîñòü
è ìåõàíè÷åñêàÿ
ïðî÷íîñòü êîòîðûõ
âûøå òâåðäîñòè
è ìåõàíè÷åñêîé
ïðî÷íîñòè äåòàëåé.
Îêèñëèòåëüíîå
èçíàøèâàíèå
íàèáîëåå ðàñïðîñòðàíåíî
â äåòàëÿõ äâèãàòåëåé.
Åìó ïîäâåðæåíû
êîðåííûå è øàòóííûå
øåéêè êîëåí÷àòûõ
âàëîâ, ïîðøíåâûå
ïàëüöû, âòóëêè,
ãèëüçû öèëèíäðîâ
è äð. Ýòîò âèä èçíàøèâàíèÿ
âîçíèêàåò ïðè
òðåíèè ñêîëüæåíèÿ,
ïðè÷åì êðîìå ìèêðîïëàñòè÷åñêîãî
äåôîðìèðîâàíèÿ
ïîâåðõíîñòíîãî
ñëîÿ äåòàëè íàáëþäàåòñÿ
äèôôóçèÿ êèñëîðîäà
âîçäóõà â òîí÷àéøèå
âåðõíèå ñëîè
äåòàëè ñ îáðàçîâàíèåì
õèìè÷åñêèõ ñîåäèíåíèé.
 ðåçóëüòàòå
òðåíèÿ íàáëþäàåòñÿ
âûêàøèâàíèå
òâåðäûõ è î÷åíü
õðóïêèõ îêèñëîâ,
ïðèâîäÿùèõ ê ïîñòåïåííîìó
èçìåíåíèþ ðàçìåðîâ
è ôîðìû äåòàëè.
Îñïîâèäíîå (óñòàëîñòíîå)
èçíàøèâàíèå
ïðåäñòàâëÿåò
ñîáîé ïðîöåññ
ðàçðóøåíèÿ ïîâåðõíîñòíîãî
ñëîÿ äåòàëè, âûçûâàåìûé
ïîâòîðíî-ïåðåìåííûìè
íàãðóçêàìè. Ñïîñîáíîñòü
äåòàëè âîñïðèíèìàòü
ïåðåìåííûå è
çíàêîïåðåìåííûå
íàãðóçêè íîñèò
íàçâàíèå öèêëè÷åñêîé
ïðî÷íîñòè. Öèêëè÷åñêàÿ
ïðî÷íîñòü îöåíèâàåòñÿ
ïðåäåëîì óñòàëîñòè
(ïðåäåëîì âûíîñëèâîñòè),
êîòîðàÿ õàðàêòåðèçóåòñÿ
íàèáîëüøèì íàïðÿæåíèåì
ïðè îïðåäåëåííîì
÷èñëå ïîâòîðåíèé
öèêëà íàãðóçêè
áåç ïðîÿâëåíèÿ
ïðèçíàêîâ ðàçðóøåíèÿ.
Ïðîöåññ ðàçðóøåíèÿ
ìàòåðèàëà â ðåçóëüòàòå
óñòàëîñòè íà
ïåðâîé ñòàäèè
ïðîÿâëÿåòñÿ â
âèäå ïëàñòè÷åñêîé
äåôîðìàöèè îòäåëüíûõ
êðèñòàëëîâ, ïðèâîäÿùåé
ê îáðàçîâàíèþ
ìèêðîòðåùèí.
 çîíå ìèêðîòðåùèí
íàïðÿæåíèÿ ðåçêî
âîçðàñòàþò, ïîýòîìó
ìèêðîòðåùèíû
óâåëè÷èâàþòñÿ
è ñëèâàþòñÿ â
îáùóþ òðåùèíó,
ïðèâîäÿùóþ ê ðàçðóøåíèþ
ïîâåðõíîñòíîãî
ñëîÿ, ò.å. âûêàøèâàíèþ
ñ îáðàçîâàíèåì
îñïîâèäíûõ óãëóáëåíèé.
Ïðè÷èíîé ïîÿâëåíèÿ
ìèêðîòðåùèí
ìîæåò áûòü òàêæå
íåîäíîðîäíîñòü
ìàòåðèàëà (ïóñòîòû,
âêëþ÷åíèÿ), à òàêæå
ïîâðåæäåíèÿ ïîâåðõíîñòè
(ðèñêè, íàäèðû
è äð.). Äàëüíåéøåìó
ðàçðóøåíèþ ïîâåðõíîñòíîãî
ñëîÿ ñïîñîáñòâóåò
ñîïóòñòâóþùèé
ïðîöåññ îêèñëåíèÿ
äåòàëè. Îñïîâèäíîå
èçíàøèâàíèå
ìîæíî íàáëþäàòü
íà ðàáî÷èõ ïîâåðõíîñòÿõ
ïîäøèïíèêîâ êà÷åíèÿ,
íà áîêîâûõ ïîâåðõíîñòÿõ
çóáüåâ êîëåñ,
íà ïîâåðõíîñòÿõ
ñêîëüæåíèÿ àíòèôðèêöèîííûõ
ìàòåðèàëîâ.
Êîððîçèîííîå
èçíàøèâàíèå
ïðåäñòàâëÿåò
ñîáîé ïðîöåññ
ðàçðóøåíèÿ ïîâåðõíîñòíîãî
ñëîÿ äåòàëè ïîä
âîçäåéñòâèåì
âîäíûõ ðàñòâîðîâ
êèñëîò, ùåëî÷åé
èëè ñîëåé (ýëåêòðîõèìè÷åñêàÿ
êîððîçèÿ), ëèáî
ïðè íåïîñðåäñòâåííîì
âçàèìîäåéñòâèè
ìåòàëëà ñ æèäêîé
èëè ãàçîâîé ñðåäîé
(õèìè÷åñêàÿ êîððîçèÿ).
Êîððîçèè ïîäâåðæåíû
âñå äåòàëè, íå
çàùèùåííûå îò
äåéñòâèÿ âëàãè,
ðàñòâîðîâ èëè
ãàçîâ. Ïðèìåíÿÿ
ðàçëè÷íûå çàùèòíûå
ïîêðûòèÿ (ïðîòèâîêîððîçèîííûå
ìàñëà, ãàëüâàíè÷åñêèå
ïîêðûòèÿ äð.), ìîæíî
ñíèçèòü êîððîçèîííîå
ðàçðóøåíèå äåòàëåé.
Êîððîçèîííîìó
èçíàøèâàíèþ
îñîáåííî ïîäâåðæåíû
äåòàëè äâèãàòåëåé
âíóòðåííåãî
ñãîðàíèÿ, ðàáîòàþùèå
â óñëîâèÿõ âûñîêèõ
òåìïåðàòóð (êëàïàíû,
ïîðøåíü, ãîëîâêà
öèëèíäðîâ), à òàêæå
ãëóøèòåëü, âûïóñêíàÿ
òðóáà è äð.
5.3 Âûáîð
ìåòîäà ðåìîíòà
Äåòàëü “Êðûøêà”
â ðåçóëüòàòå
ýêñïëóàòàöèè
äåòàëè ïðîèñõîäèò
èçíîñ ïîñàäî÷íîãî
è âíóòðåííåãî
îòâåðñòèÿ çà
ñ÷¸ò ðàäèàëüíîãî
áèåíèÿ, îáðàçóåòñÿ
êîíóñíîñòü, èçíàøèâàåòñÿ
áîêîâàÿ ïîâåðõíîñòü.
Íà îñíîâàíèè
âûøåèçëîæåííîãî,
à òàêæå èñõîäÿ
èç óñëîâèé ýêñïëóàòàöèè
äåòàëè ïðèíèìàåì
ðåøåíèå îá èçãîòîâëåíèè
íîâîé äåòàëè,
òàê êàê â ñëó÷àå
ðåìîíòà íå áóäåò
äîñòèãíóò òðåáóåìûé
ñðîê ñëóæáû.
5.4 Èçãîòîâëåíèå
äåòàëè
Ðàññ÷èòàåì
ïðèïóñêè íà îáðàáîòêó
è ïðîìåæóòî÷íûå
ïðåäåëüíûå ðàçìåðû
ïî òåõíîëîãè÷åñêèì
ïåðåõîäàì íà
îáðàáîòêó ïîâåðõíîñòè
Æ110-0,035 ìì.
Òåõíîëîãè÷åñêèé
ìàðøðóò îáðàáîòêè
ïîâåðõíîñòè
ñîñòîèò èç îïåðàöèé
ïðåäâàðèòåëüíîãî
è ÷èñòîâîãî òî÷åíèÿ,
øëèôîâàíèÿ. Çàãîòîâêà
ïðåäñòàâëÿåò
ñîáîé îòëèâêó.
Ðàñ÷åòíàÿ ôîðìóëà
äëÿ îïðåäåëåíèÿ
ïðèïóñêà äëÿ i -ãî ïåðåõîäà:
ãäå
- âûñîòà íåðîâíîñòåé
ïðîôèëÿ;
- ãëóáèíà
äåôåêòíîãî ñëîÿ;
r i-1 - ñóììàðíîå
çíà÷åíèå ïðîñòðàíñòâåííûõ
îòêëîíåíèé;
- ïîãðåøíîñòü
óñòàíîâêè.
Çíà÷åíèÿ
è
âûáèðàåì
ïî [6, òàá. 4.3-4.5].
Ñóììàðíîå
ïðîñòðàíñòâåííîå
îòêëîíåíèå äëÿ
çàãîòîâêè äàííîãî
òèïà îïðåäåëÿåì
ïî ôîðìóëå [1, òàá.
4.7]:
ãäå
rêîð - ïîãðåøíîñòü
êîðîáëåíèÿ,
- óäåëüíàÿ
êðèâèçíà çàãîòîâîê,
= 1 ìêì íà 1 ìì
äëèíû;
Îñòàòî÷íûå
ïðîñòðàíñòâåííûå
îòêëîíåíèÿ
ãäå:
n - êîëè÷åñòâî
ïåðåõîäîâ ìåõàíè÷åñêîé
îáðàáîòêè;
rçàã - èñõîäíîå
îòêëîíåíèå çàãîòîâêè;
- êîýôôèöèåíò
óìåíüøåíèÿ ïîãðåøíîñòè.
Îñòàòî÷íîå
ïðîñòðàíñòâåííîå
îòêëîíåíèå äëÿ
êàæäîãî ïåðåõîäà:
rîñò =56×0,05 = 3ìêì.
Ïîãðåøíîñòü
óñòàíîâêè çàãîòîâêè
â ðàäèàëüíîì íàïðàâëåíèè
ãäå
eá -
ïîãðåøíîñòü áàçèðîâàíèÿ,
eá=0,
ò.ê. äåòàëü çàêðåïëÿåòñÿ
â ñàìîöåíòðèðóþùåì
ïàòðîíå.
eç - ïîãðåøíîñòü
çàêðåïëåíèÿ, eç=
500 ìêì [6, òàá. 4.10];
= 500 ìêì.
= 500×0,06 = 30 ìêì.
Ìèíèìàëüíîå
çíà÷åíèå ìåæîïåðàöèîííîãî
ïðèïóñêà íà äèàìåòð:
äëÿ
÷åðíîâîãî òî÷åíèÿ
äëÿ
÷èñòîâîãî òî÷åíèÿ
äëÿ
øëèôîâàíèÿ
Îïðåäåëÿåì ðàñ÷¸òíûå
ðàçìåðû ïî òåõíîëîãè÷åñêèì
ïåðåõîäàì ïóò¸ì
ïîñëåäîâàòåëüíîãî
îòíèìàíèÿ ðàñ÷¸òíîãî
ìèíèìàëüíîãî
ïðèïóñêà êàæäîãî
òåõíè÷åñêîãî
ïåðåõîäà.
øëèôîâàíèå
ìì;
òî÷åíèå
÷èñòîâîå
ìì;
òî÷åíèå
ïðåäâàðèòåëüíîå
ìì;
çàãîòîâêà
ìì.
Íàèáîëüøèå
ïðåäåëüíûå ðàçìåðû
Øëèôîâàíèå
ìì;
òî÷åíèå
÷èñòîâîå
ìì;
òî÷åíèå
ïðåäâàðèòåëüíîå
ìì;
çàãîòîâêà
ìì.
Ìèíèìàëüíûå
ïðåäåëüíûå çíà÷åíèÿ
ïðèïóñêîâ 2Zmin ðàâíû ðàçíîñòè
íàèáîëüøèõ ïðåäåëüíûõ
ðàçìåðîâ âûïîëíÿåìîãî
è ïðåäøåñòâóþùåãî
ïåðåõîäîâ, à ìàêñèìàëüíûå
çíà÷åíèÿ 2Zmax - ñîîòâåòñòâåííî
ðàçíîñòè íàèìåíüøèõ
ïðåäåëüíûõ ðàçìåðîâ:
äëÿ øëèôîâàíèÿ
ìì;
ìì;
äëÿ
òî÷åíèÿ ÷èñòîâîãî
ìì;
ìì;
äëÿ
òî÷åíèÿ ïðåäâàðèòåëüíîãî
ìì;
ìì;
Ïðîâåðÿåì
ïðàâèëüíîñòü
ðàñ÷¸òîâ
,
,
.
Ðåçóëüòàòû ïðèâåäåííûõ
âûøå ðàñ÷åòîâ
ñâåäåíû â òàáëèöó
5.1
Òàáëèöà 5.1
|
Òåõíîëîãè÷åñêèå
ïåðåõîäû îáðàáîòêè
ïîâåðõíîñòè
Æ110-0,035
|
Ýëåìåíòû
ïðèïóñêà, ìêì
|
2Z min, ìêì
|
Ðàñ÷åòíûé
ðàçìåð dð, ìì
|
Äîïóñêd ,ìì
|
Ïðåäåëüíûé
ðàçìåð, ìì
|
Ïðåäåëüíîå
çíà÷åíèå ïðèïóñêà,
ìì
|
|
Rzi-1
|
Ti-1
|
ri-1
|
dmindmax2Zmin2Zmax
|
|
|
|
|
|
|
|
|
Îòëèâêà
|
600
|
56
|
500
|
-
|
112,553
|
1,2
|
112,6
|
113,8
|
-
|
-
|
|
Òî÷åíèå
ïðåäâàðè-òåëüíîå
|
50
|
50
|
3
|
30
|
2x1103
|
110,347
|
0,22
|
110,35
|
110,57
|
2,25
|
3,23
|
|
Òî÷åíèå
÷èñòîâîå
|
30
|
30
|
-
|
1
|
2x130
|
110,087
|
0,087
|
110,09
|
110,18
|
0,26
|
0,39
|
|
Øëèôîâà-íèå
|
5
|
15
|
-
|
-
|
2x61
|
109,965
|
0,035
|
109,965
|
110,0
|
0,125
|
0,18
|
|
Èòîãî
|
1,294
|
2,635
|
3,8
|
Íà îñíîâàíèè
äàííûõ ðàñ÷åòà
ñòðîèì ñõåìó
ãðàôè÷åñêîãî
ðàñïîëîæåíèÿ
ïðèïóñêîâ è äîïóñêîâ
ïî îáðàáîòêå
ïîâåðõíîñòè
Æ110h7-0,035 (ðèñ. 5.2).
Ðèñóíîê. 5.2 - Ñõåìà
ãðàôè÷åñêîãî
ðàñïîëîæåíèÿ
ïðèïóñêîâ è äîïóñêîâ
íà îáðàáîòêó
ïîâåðõíîñòè
êðûøêè Æ110h7-0,035
Íàçíà÷èì ðåæèìû
ðåçàíèÿ äëÿ ïðåäâàðèòåëüíîãî
òî÷åíèÿ ïîâåðõíîñòè
Æ110-0,035 ìì.
Îáðàáîòêà âåäåòñÿ
ïðîõîäíûì òîêàðíûì
ðåçöîì ñ ìàòåðèàëîì
ðåæóùåé ÷àñòè
Ò15Ê6 íà òîêàðíî-âèíòîðåçíîì
ñòàíêå 16Ê20. Ãëóáèíà
ðåçàíèÿ t = 1,65 ìì.
. Ðàñ÷åò äëèíû
ðàáî÷åãî õîäà
Lð.õ. = Lðåç. + y + Läîï.,
ãäå Lðåç. - äëèíà
ðåçàíèÿ, Lðåç. = 17 ìì;
ó - äëèíà ïîäâîäà,
âðåçàíèÿ è ïåðåáåãà
èíñòðóìåíòà,
ó = 3 ìì [7, ñòð. 300];
Läîï. - äîïîëíèòåëüíàÿ
äëèíà õîäà, Läîï. = 0.
Lð.õ. = 17 +3+0 =19 ìì.
. Íàçíà÷åíèå
ïîäà÷è íà îáîðîò
øïèíäåëÿ ñòàíêà
S = 0,33 ìì/îá. [7, ñòð. 27],
ïî ïàñïîðòó ñòàíêà
ïðèíèìàåì Sî = 0,3 ìì/îá.
. Îïðåäåëåíèå
ñòîéêîñòè èíñòðóìåíòà
Òì = 50 ìèí [7, ñòð.
26].
. Ðàñ÷åò ñêîðîñòè
ðåçàíèÿ è ÷èñëà
îáîðîòîâ øïèíäåëÿ
ãäå
Ê1 - êîýôôèöèåíò,
çàâèñÿùèé îò
îáðàáàòûâàåìîãî
ìàòåðèàëà, Ê1
= 0,75 [7, ñòð. 33];
Ê2
- êîýôôèöèåíò,
çàâèñÿùèé îò
ñòîéêîñòè èíñòðóìåíòà,
Ê2 = 1,0 [7, ñòð. 33];
Ê3
- êîýôôèöèåíò,
çàâèñÿùèé îò
îáðàáîòêè, Ê3
= 1,0 [7, ñòð. 34];
Vòàá. - ñêîðîñòü
ðåçàíèÿ ïî òàáëèöå,
Vòàá. = 120 ì/ìèí. [7, ñòð.
30].
V =
120·0,75·1,0·1,0 = 90 ì/ìèí.
×àñòîòà
âðàùåíèÿ
n
=1000 ×V / p D = 1000×90 / 3,14×110,57= 258 ìèí-1,
ïî ïàñïîðòó ñòàíêà
ïðèíèìàåì nïð
= 300 ìèí-1, òîãäà
ñêîðîñòü ðåçàíèÿ
Vïð= 3,14×110,57×300 / 1000 =108,9 ì/ìèí.
5. Ðàñ÷åò îñíîâíîãî
ìàøèííîãî âðåìåíè
îáðàáîòêè
Íàçíà÷èì ðåæèìû
ðåçàíèÿ äëÿ ÷èñòîâîãî
òî÷åíèÿ ïîâåðõíîñòè
Æ110-0,035 ìì.
Îáðàáîòêà âåäåòñÿ
ïðîõîäíûì òîêàðíûì
ðåçöîì ñ ìàòåðèàëîì
ðåæóùåé ÷àñòè
Ò15Ê6 íà òîêàðíî-âèíòîðåçíîì
ñòàíêå 16Ê20. Ãëóáèíà
ðåçàíèÿ t=0,5 ìì.
. Ðàñ÷åò äëèíû
ðàáî÷åãî õîäà
Lð.õ. = Lðåç. + y + Läîï.,
ãäå Lðåç. - äëèíà
ðåçàíèÿ, Lðåç. = 16 ìì;
ó - äëèíà ïîäâîäà,
âðåçàíèÿ è ïåðåáåãà
èíñòðóìåíòà,
ó = 3 ìì [7, ñòð. 300];
Läîï. - äîïîëíèòåëüíàÿ
äëèíà õîäà, Läîï. = 0.
Lð.õ. = 16 +3+0 =19 ìì.
. Íàçíà÷åíèå
ïîäà÷è íà îáîðîò
øïèíäåëÿ ñòàíêà
S = 0,16 ìì/îá. [7, ñòð. 57], ïî
ïàñïîðòó ñòàíêà
ïðèíèìàåì Sî = 0,15 ìì/îá.
. Îïðåäåëåíèå
ñòîéêîñòè èíñòðóìåíòà
Òì = 50 ìèí [7, ñòð.
26].
. Ðàñ÷åò ñêîðîñòè
ðåçàíèÿ è ÷èñëà
îáîðîòîâ øïèíäåëÿ
ãäå
Ê1 - êîýôôèöèåíò,
çàâèñÿùèé îò
îáðàáàòûâàåìîãî
ìàòåðèàëà, Ê1
= 0,75 [7, ñòð. 33];
Ê2
- êîýôôèöèåíò,
çàâèñÿùèé îò
ñòîéêîñòè èíñòðóìåíòà,
Ê2 = 1,0 [7, ñòð. 33];
Ê3
- êîýôôèöèåíò,
çàâèñÿùèé îò
îáðàáîòêè, Ê3
= 1,0 [7, ñòð. 34];
Vòàá. - ñêîðîñòü
ðåçàíèÿ ïî òàáëèöå,
Vòàá. = 160 ì/ìèí. [7, ñòð.
29].
V =
160·0,75·1,0·1,0 = 120 ì/ìèí.
×àñòîòà
âðàùåíèÿ
n
=1000 ×V / p D = 1000×120 / 3,14×110,18= 346,7 ìèí-1,
ïî ïàñïîðòó ñòàíêà
ïðèíèìàåì nïð
= 400 ìèí-1, òîãäà
ñêîðîñòü ðåçàíèÿ
Vïð= 3,14×110,18×400 / 1000 =115,6 ì/ìèí.
5. Ðàñ÷åò îñíîâíîãî
ìàøèííîãî âðåìåíè
îáðàáîòêè
Íàçíà÷èì
ðåæèìû ðåçàíèÿ
äëÿ îêîí÷àòåëüíîãî
øëèôîâàíèÿ ïîâåðõíîñòè
Æ110-0,035 ìì. Îáðàáîòêà
âåäåòñÿ íà êðóãëîøëèôîâàëüíîì
ñòàíêå 3Ì151.
.
Ñêîðîñòü øëèôîâàëüíîãî
êðóãà Vêð:
Vêð=(p·D·nêð) / (60·1000),
ãäå
D - íàðóæíûé
äèàìåòð êðóãà,
D = 600 ìì;
nêð -÷àñòîòà
âðàùåíèÿ êðóãà
, nêð=
1250 ìèí-1;
Vêð=(3,14·600·1250) / 60000 = 39,2 ì/c.
.
Âûáèðàåì øëèôîâàëüíûé
êðóã - Ý9À25-40 ÑÒ25Ê5
[7, ñòð. 172].
.
Ñêîðîñòü âðàùåíèÿ
äåòàëè V=55 ì/ìèí
[7, ñòð. 173].
×èñëî
îáîðîòîâ øïèíäåëÿ:
n = (1000·V) /
(p·d),
ãäå
d - äèàìåòð äåòàëè,
d = 110,0ìì;
n = (1000· 25) /
(3,14· 110,0)= 72,3 ìèí-1.
Ïðèíèìàåì
(ïî ïàñïîðòó) ñòàíêà
nïð=152
ìèí-1, òîãäà
Vïð=p·d·n /
1000= 3,14·110,0· 150 / 1000 = 51,8 ì/ìèí.
Âûáîð
ìèíóòíîé ïîïåðå÷íîé
ïîäà÷è Sì:
Sì = Sì.(òàáë) ·Ê1·Ê2·Ê3,
ãäå
Sì.(òàáë) - ìèíóòíàÿ
ïîäà÷à, âûáðàííàÿ
ïî òàáëèöå;
Ê1,
Ê2, Ê3 - êîýôôèöèåíòû,
çàâèñÿùèå îò
îáðàáàòûâàåìîãî
ìàòåðèàëà è ñêîðîñòè
êðóãà; îò ïðèïóñêà
è òî÷íîñòè; îò
äèàìåòðà êðóãà,
êîëè÷åñòâà êðóãîâ
è õàðàêòåðà ïîâåðõíîñòè.
Sì.(òàáë)ïð = 1,6 ìì/ìèí [7, ñòð. 173];
Sì.(òàáë)îê =0,45 ìì/ìèí [7, ñòð. 173];
Ê1=1,4
[7, ñòð. 174];
Ê2=0,8
[7, ñòð. 175];
Ê3=
1,1 [7, ñòð. 175];
Sì.ïð =1,1· 1,4·0,8 ·1,1= 1,36 ìì/ìèí.
Sì.îê =0,45· 1,4·0,8 ·1,1= 0,55 ìì/ìèí.
Ïðèíèìàåì
ïî ïàñïîðòó ñòàíêà
Sì.ïð =1,4 ìì/ìèí; Sì.îê =0,5 ìì/ìèí.
Îïðåäåëÿåì
âðåìÿ âûõàæèâàíèÿ
tâûõ = 0,09 ìèí [7, ñòð. 175];
Îïðåäåëÿåì
âåëè÷èíó, ñíèìàåìóþ
ïðè âûõàæèâàíèè
àâûõ =0,06 ìì.
Îñíîâíîå
(ìàøèííîå) âðåìÿ
tì:
ãäå
àïð=0,5×à=0,5×0,25=0,125 ìì;
àîê
= à - (àïð+àâûõ)=
0,25- (0,125+0,06)=0,065 ìì;
6. ÎÕÐÀÍÀ ÒÐÓÄÀ
6.1 Ïðîèçâîäñòâåííàÿ
ñàíèòàðèÿ
Îõðàíà òðóäà-
ýòî ñèñòåìà
çàêîíîäàòåëüíûõ,
ñîöèàëüíî-ýêîíîìè÷åñêèõ,
îðãàíèçàöèîííûõ,
òåõíè÷åñêèõ,
ãèãèåíè÷åñêèõ
è ëå÷åáíî-ïðîôèëàêòè÷åñêèõ
ìåðîïðèÿòèé è
ñðåäñòâ, îáåñïå÷èâàþùèõ
áåçîïàñíîñòü,
ñîõðàíåíèå çäîðîâüÿ
è ðàáîòîñïîñîáíîñòè
÷åëîâåêà â ïðîöåññå
òðóäà.
Âðåäíûé ïðîèçâîäñòâåííûé
ôàêòîð - ýòî ôàêòîð,
äåéñòâèå êîòîðîãî
íà ðàáîòàþùåãî
ìîæåò ïðèâåñòè
ê ïðîôåññèîíàëüíîìó
çàáîëåâàíèþ
(ïíåâìîêîíèîç
- ðàçðàñòàíèå
ñîåäèíèòåëüíîé
òêàíè â äûõàòåëüíûõ
ïóòÿõ ïðè äëèòåëüíîì
âäûõàíèè ïûëè,
êîíúþíêòèâèò,
áóðñèò - âîñïàëåíèå
ñëèçèñòûõ ñóìîê
ñóñòàâîâ ïîä
âëèÿíèåì äëèòåëüíîãî
äàâëåíèÿ èëè
òðåíèÿ, âèáðàöèîííàÿ
áîëåçíü) èëè ñíèæåíèþ
òðóäîñïîñîáíîñòè.
Ïðè âåäåíèè ãîðíûõ
ðàáîò íà ðóäíèêå
áóäóò èìåòü ìåñòî
ñëåäóþùèå âðåäíûå
ïðîèçâîäñòâåííûå
ôàêòîðû â ñîîòâåòñòâèè
ñ ÃÎÑÒ 12.0.003-74. ÑÑÁÒ
[8]:
6.1.1 Çàãàçîâàííîñòü
Ïðåäåëüíî äîïóñòèìàÿ
ìàññîâàÿ êîíöåíòðàöèÿ
ÿäîâèòûõ ãàçîâ
â ñîîòâåòñòâèè
ñ ÃÎÑÒ 12.1.005-88. ÑÑÁÒ
[9] ïðèâåäåíà â òàáë.
6.1.
Òàáëèöà 6.1.Ìàññîâàÿ
êîíöåíòðàöèÿ
ÿäîâèòûõ ãàçîâ
|
ßäîâèòûå
ãàçû
|
Ìàññîâàÿ
êîíöåíòðàöèÿ
|
|
Îêèñü
óãëåðîäà
|
20
|
|
Îêèñëû
àçîòà
|
5
|
|
Ñåðíèñòûé
ãàç
|
10
|
|
Ñåðîâîäîðîä
|
10
|
|
Àêðîëåèí
|
0,7
|
|
Ôîðìàëüäåãèä
|
0,5
|
Íîðìû ñîäåðæàíèÿ
ìåòàíà â ïîäçåìíûõ
âûðàáîòîê ñîãëàñíî
[12] ïðèâåäåíû â òàáë.
6.2.
Òàáëèöà 6.2. Íîðìû
ñîäåðæàíèÿ ìåòàíà
|
Ìåñòî
îáíàðóæåíèÿ
ìåòàíà
|
ÏÄÊ ìåòàíà
ïî îáúåìó, %
|
|
Èñõîäÿùàÿ
èç î÷èñòíîé
èëè òóïèêîâîé
âûðàáîòêè ñòðóÿ
âîçäóõà
|
0,5
|
|
Ìåñòíûå
ñêîïëåíèÿ ìåòàíà
â î÷èñòíûõ, òóïèêîâûõ
è äðóãèõ âûðàáîòêàõ
|
0,1
|
Ïðè îáíàðóæåíèè
â àòìîñôåðå âûðàáîòêè
ìåòàíà â êîíöåíòðàöèè,
ïðåâûøàþùåé óêàçàííóþ
â òàáë. 6.2, ðàáîòû
ïî äîáû÷å ðóäû
ïðåêðàùàþòñÿ,
ñíèìàåòñÿ íàïðÿæåíèå
ñ çàáîéíîãî îáîðóäîâàíèÿ
(êðîìå âåíòèëÿòîðîâ
ìåñòíîãî ïðîâåòðèâàíèÿ
- ÂÌÏ), ëþäè âûâîäÿòñÿ
èç çàáîåâ íà
ñâåæóþ ñòðóþ,
ñòàâèòñÿ â èçâåñòíîñòü
ëèöî òåõíè÷åñêîãî
íàäçîðà è ïðèíèìàþòñÿ
ìåðû ïî ðàçæèæåíèþ
ìåòàíà [12].
Ãëàâíûì ñïîñîáîì
ïîëó÷åíèÿ íîðìàëüíîãî
êà÷åñòâà âîçäóõà
ÿâëÿåòñÿ õîðîøàÿ
âåíòèëÿöèÿ, êîòîðàÿ
îáåñïå÷èâàåò
ýôôåêòèâíîå
ñíèæåíèå êîíöåíòðàöèè
ãàçîâ è âûíîñ
èõ èç ðàáî÷èõ
ìåñò â îáùåèñõîäÿùèå
ñòðóè.
Êîíòðîëü çà ñîäåðæàíèåì
âðåäíûõ ãàçîâ
îñóùåñòâëÿåòñÿ
ñëóæáîé ÂÒÁ è
èíæåíåðíî-òåõíè÷åñêèì
ïåðñîíàëîì â ñðîêè,
óñòàíàâëèâàåìûå
ãëàâíûì èíæåíåðîì
ðóäíèêà. Ðåçóëüòàòû
çàìåðîâ çàíîñÿòñÿ
íà ñïåöèàëüíûå
äîñêè.
6.1.2 Çàïûëåííîñòü
Ïðåäåëüíî äîïóñòèìàÿ
êîíöåíòðàöèÿ
âðåäíûõ âåùåñòâ
â âîçäóõå ðàáî÷åé
çîíû ñîãëàñíî
ÃÎÑÒ 12.1.005-88. ÑÑÁÒ
[9] ïðèâåäåíà â òàáë.
6.3.
Òàáëèöà 6.3. ÏÄÊ
âðåäíûõ âåùåñòâ
|
Íàèìåíîâàíèå
âåùåñòâ
|
Âåëè÷èíà
ÏÄÊ,
|
|
Ñèëüâèíèò
|
5
|
|
Ïîëèìèíåðàëüíàÿ
êàëèéíàÿ ðóäà
ñ ñîäåðæàíèåì
äî 10%
|
5
|
|
Õëîðèä
íàòðèÿ
|
5
|
|
Ïûëü, ñîäåðæàùàÿ
îò 10 äî 70% ñâîáîäíîé
|
2
|
|
Ïûëü öåìåíòà,
ãëèí, ìèíåðàëîâ
è èõ ïðèìåñåé,
íå ñîäåðæàùàÿ
ñâîáîäíîé
|
6
|
Äëÿ áîðüáû ñ ïûëüþ
â ñîîòâåòñòâèè
ñ ÃÎÑÒ 12.1.007-76. ÑÑÁÒ
[10] íà ðóäíèêå èñïîëüçóåòñÿ:
-îñíàùåíèå ãîðíî-äîáûâàþùåãî
îáîðóäîâàíèÿ
èñïðàâíî äåéñòâóþùèìè
ïûëåïîäàâëÿþùèìè
èëè ïûëåóëàâëèâàþùèìè
óñòðîéñòâàìè;
ýôôåêòèâíîå
ïðîâåòðèâàíèå;
ïðèìåíåíèå èíäèâèäóàëüíûõ
ñðåäñòâ çàùèòû
(ðåñïèðàòîðû «Ëåïåñòîê-40»
è «Ëåïåñòîê-200») ñîãëàñíî
ÃÎÑÒ 12.4.005-85. ÑÑÁÒ
[11];
ãåðìåòèçàöèÿ
óçëîâ ïåðåãðóçêè;
ðåãóëÿðíûé ïîëèâ
âîäîé ïî÷âû ãëàâíûõ
è ïàíåëüíûõ òðàíñïîðòíûõ
øòðåêîâ.
Êîíòðîëü çàïûëåííîñòè
àòìîñôåðû ãîðíûõ
âûðàáîòîê îñóùåñòâëÿåòñÿ
ñëóæáîé âåíòèëÿöèè
è òåõíèêè áåçîïàñíîñòè
(ÂÒÁ) â ñîîòâåòñòâèè
ñ «Èíñòðóêöèåé
ïî îòáîðó ïðîá
ðóäíè÷íîãî âîçäóõà»
[12, ïðèë. 6], ñëóæáîé
ÂÃÑ×.
.1.3 Âèáðàöèÿ
Ïðåäóñìàòðèâàþòñÿ
ñëåäóþùèå ìåðîïðèÿòèÿ
ïî ñíèæåíèþ âðåäíîãî
âîçäåéñòâèÿ
âèáðàöèè:
- óñòàíîâêà àìîðòèçàòîðîâ
äëÿ ñèäåíèÿ;
ïðèìåíåíèå ñðåäñòâ
èíäèâèäóàëüíîé
çàùèòû (ðóêàâèöû,
íàêëàäêè);
ïðèìåíåíèå âèáðîãàñÿùèõ
óñòðîéñòâ íà
ðó÷íîì èíñòðóìåíòå
(âèáðîãàñÿùèå
ðóêîÿòêè èç ýëàñòè÷íîãî
ìàòåðèàëà, ïðóæèííûå
êàðåòêè, ïíåâìîïîääåðæêè).
Ïðåäåëüíî äîïóñòèìûå
óðîâíè âèáðàöèé
â ñîîòâåòñòâèè
ñ ÑàíÏèí 2.2.4/2.18.10-33-2002 ïðèâåäåíû
â òàáë. 6.4.
6.1.4 Øóì
Äîïóñòèìûå
óðîâíè çâóêîâîãî
äàâëåíèÿ â ñîîòâåòñòâèè
ñ ÑàíÏèÍ
2.2.4/2.1.8.10-32-2002[14]ïðèâåäåíû
â òàáë.6.5.
Òàáëèöà 6.5 Äîïóñòèìûé
óðîâåíü çâóêîâîãî
äàâëåíèÿ
|
Âèä òðóäîâîé
äåÿòåëüíîñòè
|
Óðîâíè
çâóêîâîãî äàâëåíèÿ,
äÁ, â îêòàâíûõ
ïîëîñàõ ñî ñðåäíåãåîìåòðè÷åñêèìè
÷àñòîòàìè, Ãö
|
Óðîâíè
çâóêà è ýêâèâàëåíòíûå
óðîâíè çâóêà,
äÁÀ
|
|
31,5
|
63
|
125
|
250
|
500
|
1000
|
2000
|
4000
|
8000
|
|
|
Ðàáî÷èå
ìåñòà âîäèòåëåé
è îáñëóæèâàþùåãî
ïåðñîíàëà òðàêòîðîâ,
ñàìîõîäíûõ øàññè,
ïðèöåïíûõ è íàâåñíûõ
ñåëüñêîõîçÿéñòâåííûõ
ìàøèí, ñòðîèòåëüíî-äîðîæíûõ
è äðóãèõ àíàëîãè÷íûõ
ìàøèí
|
107
|
95
|
87
|
82
|
78
|
75
|
73
|
71
|
69
|
80
|
Ïðåäóñìàòðèâàþòñÿ
ñëåäóþùèå ìåðîïðèÿòèÿ
ïî ñíèæåíèÿ âðåäíîãî
âîçäåéñòâèÿ
øóìà:
- çâóêîèçîëÿöèÿ
ìàøèí è ìåõàíèçìîâ,
ãåíåðèðóþùèõ
ïîâûøåííûé øóì;
ïðîôèëàêòè÷åñêèé
ðåìîíò ãîðíîé
òåõíèêè;
ñîêðàùåíèå
ïðîäîëæèòåëüíîñòè
ïðåáûâàíèÿ â çîíå
ïîâûøåííîãî
øóìà;
ïðèìåíåíèå èíäèâèäóàëüíûõ
ñðåäñòâ çàùèòû
îò øóìà - àíòèôîíîâ.
6.1.5 Îñâåùåííîñòü
Íîðìû îñâåùåííîñòè
â ïîäçåìíûõ âûðàáîòêàõ
ñîãëàñíî ÃÎÑÒ
12.01.45-76 ïðèâåäåíû â
òàáë. 6.6.
Òàáëèöà 6.6 Íîðìû
îñâåùåííîñòè
|
Ìåñòî
âûïîëíåíèÿ ðàáîò
|
Íîðìèðóåìàÿ
ïîâåðõíîñòü
|
Ìèíèìàëüíàÿ
îñâåùåííîñòü,
ËÊ
|
|
Î÷èñòíûå
âûðàáîòêè
|
âåðòèêàëüíàÿ
|
8
|
|
ãîðèçîíòàëüíàÿ
|
5
|
|
Çàáîè
ïîäãîòîâèòåëüíûõ
âûðàáîòîê
|
âåðòèêàëüíàÿ
|
5
|
|
Îòêàòî÷íûå
âûðàáîòêè
|
ãîðèçîíòàëüíàÿ
|
2 - 5
|
|
Êàìåðû
ÖÏÏ
|
âåðòèêàëüíàÿ
|
75
|
|
Ñêëàä
ÂÌ
|
ãîðèçîíòàëüíàÿ
|
30
|
|
Ïîäçåìíûé
çäðàâïóíêò
|
ãîðèçîíòàëüíàÿ
|
75
|
|
Ïîäçåìíûå
ãàðàæè, ÏÝÌÌ
|
ãîðèçîíòàëüíàÿ
|
10
|
Èñêóññòâåííîå
îñâåùåíèå ðàáî÷èõ
ìåñò è ãîðíûõ
âûðàáîòîê îñóùåñòâëÿåòñÿ
ñòàöèîíàðíûìè
ñâåòèëüíèêàìè
ñ ëàìïàìè íàêàëèâàíèÿ
èëè ëþìèíåñöåíòíûìè,
ïèòàåìûìè îò
ýëåêòðè÷åñêîé
ñåòè íàïðÿæåíèåì
36Â, è ïåðåíîñíûìè
ñâåòèëüíèêàìè
íàïðÿæåíèåì
36Â; ïðèìåíÿþòñÿ
òàêæå èíäèâèäóàëüíûå
ñâåòèëüíèêè
ðàçëè÷íûõ òèïîâ.
Âñå êîìáàéíû,
ïîðîäîïîãðóçî÷íûå
ìàøèíû ñíàáæåíû
ìåñòíûìè ñâåòèëüíèêàìè,
îáåñïå÷èâàþùèìè
îñâåùåíèå ðàáî÷èõ
ìåñò èëè ðàáî÷èõ
îðãàíîâ [13].
6.1.5.1 Ðàñ÷åò
îñâåùåííîñòè
øàõòû
Ðàññ÷èòàåì
îñâåùåííîñòü
øàõòû ìåòîäîì
ñâåòîâîãî ïîòîêà.
Ýòîò ìåòîä çàêëþ÷àåòñÿ
â îïðåäåëåíèè
îáùåãî ñâåòîâîãî
ïîòîêà è ìîùíîñòè
îäíîé ëàìïû.
Ñâåòîâîé
ïîòîê îïðåäåëÿåòñÿ
ïî ôîðìóëå:
ëì,
ãäå
F- ñâåòîâîé
ïîòîê îäíîé ëàìïû,
ëì;
Å-
ìèíèìàëüíàÿ
íîðìàëüíàÿ îñâåùåííîñòü
äëÿ çàäàííîãî
ðàçðÿäà ðàáîòû,
ëê;
S- ïëîùàäü
ïîìåùåíèÿ,
;
n- ÷èñëî
ñâåòèëüíèêîâ;
u- êîýôôèöèåíò
èñïîëüçîâàíèÿ;
k- êîýôôèöèåíò
çàïàñà, ðàâíûé
(1,3-1,5);
z- ïîïðàâî÷íûé
êîýôôèöèåíò.
Ïîêàçàòåëü
ïîìåùåíèÿ φ îïðåäåëÿåòñÿ
èç ñîîòíîøåíèÿ:
Ãäå
H- âûñîòà ïîäâåñà
ñâåòèëüíèêà,
ì;
l è b- äëèíà
è øèðèíà ïîìåùåíèÿ,
ì.
Çíàÿ
âûñîòó ïîäâåñà
ìîæíî îïðåäåëèòü
ðàññòîÿíèå ìåæäó
öåíòðàìè ñâåòèëüíèêîâ:
ά = H * m = 3,2 * 1=3,2 ì,
Ðàññòîÿíèå
îò ñòåíû: a =
1/2ά = 0.5 * 3,2= 1,6 ì.
Êîëè÷åñòâî
ñâåòèëüíèêîâ
ïî øèðèíå ïîìåùåíèÿ:
Ãäå
ñ = b + 2a = 3,2 + 2*1,6 = 6,4 ì.
Îáùåå êîëè÷åñòâî
ðÿäîâ ñâåòèëüíèêîâ
ïî øèðèíå:
Ãäå
Îáùåå
êîëè÷åñòâî ñâåòèëüíèêîâ
â ïîìåùåíèè:
Ïî
ïîëó÷åííîìó
çíà÷åíèþ ñâåòîâîãî
ïîòîêà îïðåäåëÿåòñÿ
ìîùíîñòü îäíîé
ëàìïû: 150 Âò.
6.2 Òåõíèêà
áåçîïàñíîñòè
Îïàñíûé ïðîèçâîäñòâåííûé
ôàêòîð (ÎÏÔ) - ýòî
ôàêòîð, äåéñòâèå
êîòîðîãî íà ðàáîòàþùåãî
ïðè îïðåäåëåííûõ
óñëîâèÿõ ïðèâîäèò
ê òðàâìå èëè äðóãîìó
âíåçàïíîìó óõóäøåíèþ
çäîðîâüÿ.
Âñå ðàáîòû íà
ó÷àñòêå äîëæíû
âåñòèñü â ñîîòâåòñòâèè
ñ òðåáîâàíèÿìè:
ÏÁ ïðè ðàçðàáîòêå
ïîäçåìíûì ñïîñîáîì
ñîëÿíûõ ìåñòîðîæäåíèé
ÐÁ;
Íîðìàòèâíûå
è ìåòîäè÷åñêèå
äîêóìåíòû ïî
âåäåíèþ ãîðíûõ
ðàáîò íà Ñòàðîáèíñêîì
ìåñòîðîæäåíèè
êàëèéíûõ ñîëåé
[1];
Èíñòðóêöèé
ïî ýêñïëóàòàöèè
îáîðóäîâàíèÿ
êîìïëåêñà;
Èíñòðóêöèè
ïî ÒÁ äëÿ êàæäîé
ïðîôåññèè.
6.2.1 Ðàáî÷åå
ìåñòî
Ðàáî÷åå ìåñòî
- ìåñòî ïîñòîÿííîãî
èëè âðåìåííîãî
ïðåáûâàíèÿ ðàáîòíèêà
â ïðîöåññå òðóäîâîé
äåÿòåëüíîñòè.
Ðàáî÷èì ìåñòîì
íàçûâàþò îãðàíè÷åííóþ
çîíó, ðàññ÷èòàííóþ
íà îäíîãî èëè
íåñêîëüêèõ ÷åëîâåê,
çàíÿòûõ âûïîëíåíèåì
îäíîé ðàáîòû
èëè îïåðàöèè.
Íà ðèñóíêå 6.7.
ïðåäñòàâëåíî
ðàáî÷åå ìåñòî
øàõòíîãî ïîãðóç÷èêà,
êîòîðîå â ñåáÿ
âêëþ÷àåò:
-ðû÷àã óïðàâëåíèÿ
ïåðåìåùåíèåì
âèë èëè ñòðåëîé
êðàíà; 2-ðû÷àã óïðàâëåíèÿ
öèëèíäðîì ôèêñàöèè
ðàáî÷åãî ìåñòà;
3-âûêëþ÷àòåëü
“ìàññû”; 4-ðû÷àã
óïðàâëåíèÿ ðàáî÷èì
îáîðóäîâàíèåì;
5-ïåäàëü óïðàâëåíèÿ
ïîäà÷åé òîïëèâà;
6-ïåäàëü òîðìîçà;
7-ðóëåâîå êîëåñî;
8-ðû÷àã ïåðåêëþ÷åíèÿ
ïåðåäà÷; 9-ðû÷àã
óïðàâëåíèÿ ñòîÿíî÷íûì
òîðìîçîì; 10-ðû÷àã
ïåðåêëþ÷åíèÿ
äèàïàçîíîâ ÃÌÏ;
11-ñèäåíüå, 12-ïóëüò
óïðàâëåíèÿ, 13-ïóëüò
ñèãíàëèçàöèè,
14-îòîïèòåëü.
Âûñîêîïðîèçâîäèòåëüíàÿ
ðàáîòà âîçìîæíî
ëèøü ïðè ïðàâèëüíîé
îðãàíèçàöèè
ðàáî÷åãî ìåñòà,
çàêëþ÷àþùåéñÿ
â ïðàâèëüíîì ðàñïîëîæåíèè
ñðåäñòâ ïðîèçâîäñòâà,
èíñòðóìåíòîâ
è ïðèñïîñîáëåíèé,
ðàöèîíàëüíîì
ðàñïîëîæåíèè
ðû÷àãîâ óïðàâëåíèÿ.
Îò ïðàâèëüíîé
îðãàíèçàöèè
ðàáî÷åãî ìåñòà
çàâèñÿò òàêæå
áåçîïàñíîñòü
ðàáîòû è ïîâûøåíèå
ïðîèçâîäèòåëüíîñòè
òðóäà. Ðàáî÷åå
ìåñòî äåëèòñÿ
íà îñíîâíóþ (ðàáî÷óþ)
çîíó è âñïîìîãàòåëüíóþ.
Ïðè îðãàíèçàöèè
ðàáî÷åãî ìåñòà
â ïåðâóþ î÷åðåäü
òðåáóåòñÿ ó÷èòûâàòü
áåçîïàñíîñòü
ðàáîò, ïðèíÿòûé
ìåòîä îáñëóæèâàíèÿ
è îñíîâíûå ïðåèìóùåñòâà,
è íåäîñòàòêè
òîãî èëè èíîãî
òèïà îáîðóäîâàíèÿ.[1]
Êàáèíà ïðåäñòàâëÿåò
ñîáîé ñúåìíûé
êàðêàñ, êîòîðûé
êðåïèòñÿ ê ðàìå
ìàøèíû áîëòàìè.
Ðèñóíîê 6.7.- Ïëàíèðîâêà
ðàáî÷åãî ìåñòà
Ïîä ïàíåëüþ ñ
ðåãóëèðóåìûìè
âîçäóõîðàñïðåäåëèòåëÿìè
óñòàíîâëåíû
âåíòèëÿòîð è
ôèëüòð äëÿ ïîäà÷è
ñâåæåãî âîçäóõà
â êàáèíó.
Êàáèíà îáîðóäîâàíà
íàðóæíûì è âíóòðåííèì
çåðêàëàìè çàäíåãî
âèäà.
.2.2 Áåçîïàñíîñòü
î÷èñòíûõ è ïîäãîòîâèòåëüíûõ
ðàáîò
Îñíîâíûìè ïðè÷èíàìè
òðàâìàòèçìà
ïðè ýêñïëóàòàöèè
îáîðóäîâàíèÿ
è â çàáîÿõ ÿâëÿþòñÿ:
âûâàëû è îáðóøåíèÿ
ïîðîä êðîâëè;
íåîãðàæäåííûå
äâèæóùèåñÿ (îñîáåííî
âðàùàþùèåñÿ)
÷àñòè è äåòàëè
ìàøèí;
êîðïóñ ìàøèíû
ïðè íàåçäå, ïàäåíèè;
òÿãîâûå öåïè
ïðè èõ îáðûâå;
êóñêè ãîðíûõ
ïîðîä, ðàçëåòàþùèåñÿ
èëè îáðóøàþùèåñÿ
ïðè îòáîéêå èëè
ïîãðóçêå ðóäû
[13].
Î÷èñòíûå ðàáîòû
ïðîâîäÿòñÿ â ñîîòâåòñòâèè
ñ ÏÁ [12]:
ðàáîòû â çàáîÿõ
âåäóòñÿ ñîãëàñíî
ïàñïîðòó óïðàâëåíèÿ
êðîâëåé è êðåïëåíèÿ
âûðàáîòîê;
íàëè÷èå ó ðàáî÷èõ
ñàìîñïàñàòåëåé;
îãðàæäåíèå äâèæóùèõñÿ
è âðàùàþùèõñÿ
÷àñòåé è äåòàëåé;
íàëè÷èå ùèòêîâ,
çàùèùàþùèõ
ëþäåé îò îòëåòàþùèõ
êóñêîâ ïîðîäû;
îáîðóäîâàíèå
âñåõ çàáîéíûõ
ìàøèí àâàðèéíûìè
âûêëþ÷àòåëÿìè;
íàëè÷èå ïðåäïóñêîâûõ
çâóêîâûõ ñèãíàëüíûõ
óñòðîéñòâ;
ðàñïîëîæåíèå
ðàáî÷åãî ìåñòà
ìàøèíèñòà â
áåçîïàñíîì ìåñòå.
6.2.3 Ýëåêòðîáåçîïàñíîñòü
Ýêñïëóàòàöèÿ
ýëåêòðîîáîðóäîâàíèÿ
è ýëåêòðîñåòåé
â øàõòàõ èìååò
ñïåöèôè÷åñêèå
îñîáåííîñòè,
ïîâûøàþùèå îïàñíîñòü
èõ èñïîëüçîâàíèÿ:
ïîäâèãàíèå ôðîíòà
ðàáîò òðåáóåò
ïåðåìåùåíèÿ ýëåêòðîîáîðóäîâàíèÿ
è íàðàùèâàíèÿ
ñåòåé, ïðè÷åì
ýòè ðàáîòû ïðèõîäèòñÿ
âûïîëíÿòü â ñòåñíåííîì
ïðîñòðàíñòâå
ñ âîçìîæíûìè
îáðóøåíèÿìè,
âûäåëåíèÿìè âçðûâîîïàñíûõ
ãàçîâ [13].
Ïîðàæåíèå ëþäåé
ýëåêòðè÷åñêèì
òîêîì ïðîèñõîäèò:
- èç-çà ñëó÷àéíîãî
ñîïðèêîñíîâåíèÿ
ñ îãîëåííûìè
ïðîâîäàìè èëè
ïðåäìåòàìè, íàõîäÿùèìèñÿ
ïîä íàïðÿæåíèåì,
èëè íåäîïóñòèìîãî
ïðèáëèæåíèÿ ê
íèì;
- îò ïðèêîñíîâåíèÿ
ê êîíñòðóêòèâíûì
ýëåìåíòàì èëè
êîðïóñàì ýëåêòðîîáîðóäîâàíèÿ,
êîòîðîå îêàçàëîñü
ïîä íàïðÿæåíèåì
â ðåçóëüòàòå
ïðîáîÿ èçîëÿöèè;
ïðè íàõîæäåíèè
âáëèçè îò ìåñòà
çàìûêàíèÿ íà
çåìëþ òîêîâåäóùèõ
÷àñòåé [13].
Ñèñòåìà ýëåêòðè÷åñêîé
çàùèòû íà ðóäíèêå
ñòðîèòñÿ íà îñíîâå
òðåáîâàíèé Ïðàâèë
[17-19], ÃÎÑÒ 12.1.009-76. ÑÑÁÒ
[20], ÃÎÑÒ 12.1.010-76. ÑÑÁÒ
[21]. Êðîìå òîãî, ïîäçåìíûå
ýëåêòðîóñòàíîâêè
è èõ ýêñïëóàòàöèÿ
óäîâëåòâîðÿþò
òðåáîâàíèÿì
ÏÁ [12], è äðóãèõ îòðàñëåâûõ
ïðàâèë.
Ïðèìåíÿþòñÿ
ñëåäóþùèå çàùèòíûå
ñèñòåìû:
1. Çàùèòà îò
ïðèêîñíîâåíèÿ
ê òîêîâåäóùèì
÷àñòÿì: ðàçìåùåíèå
îòêðûòûõ òîêîâåäóùèõ
÷àñòåé íà âûñîòå,
íåäîñòóïíîé
äëÿ ñëó÷àéíîãî
ïðèêîñíîâåíèÿ;
ðàçìåùåíèå ýëåêòðîàïïàðàòîâ
â çàêðûòûõ êîðïóñàõ;
ïðèìåíåíèå áëîêèðîâî÷íûõ
óñòðîéñòâ, ïðåïÿòñòâóþùèõ
äîñòóïó ê òîêîâåäóùèì
÷àñòÿì äî ñíÿòèÿ
íàïðÿæåíèÿ; ïðåäóïðåäèòåëüíûå
çíàêè.
2. Çàùèòíîå çàçåìëåíèå,
êîòîðîìó ïîäëåæàò
ìåòàëëè÷åñêèå
êîðïóñà , ýëåêòðîäâèãàòåëåé,
òðàíñôîðìàòîðîâ,
áðîíèðîâàííûå
êàáåëè, òðóáîïðîâîäû.
 øàõòå óñòðàèâàåòñÿ
îáùàÿ ñåòü çàçåìëåíèÿ,
ê êîòîðîé ïðèñîåäèíÿþòñÿ
âñå îáúåêòû, ïîäëåæàùèå
çàçåìëåíèþ, à
òàêæå ãëàâíûå
è ìåñòíûå çàçåìëèòåëè.
Çàçåìëåíèå êîðïóñîâ
ïåðåäâèæíûõ ìàøèí,
çàáîéíûõ êîíâåéåðîâ,
ñâåòèëüíèêîâ
îñóùåñòâëÿåòñÿ
ïðè ïîìîùè çàçåìëÿþùèõ
æèë êàáåëåé [12].
. Çàùèòíîå îòêëþ÷åíèå
â ýëåêòðîóñòàíîâêàõ
íàïðÿæåíèåì äî
1140Â, â êà÷åñòâå
êîòîðîãî ïðèìåíÿåòñÿ
ðåëå óòå÷êè. Îáùåå
âðåìÿ îòêëþ÷åíèÿ
ïîâðåæäåííîé
ñåòè íàïðÿæåíèåì
380, 660, 1000Â íå ïðåâûøàåò
0,2ñ, à íàïðÿæåíèåì
1140Â - 0,12ñ. [12].
. Ýëåêòðîçàùèòíûå
ñðåäñòâà.
Îñíîâíûå èçîëèðóþùèå
ñðåäñòâà (äèýëåêòðè÷åñêèå
ïåð÷àòêè, èçîëèðóþùèå
øòàíãè, ñëåñàðíî-ìîíòàæíûé
èíñòðóìåíò ñ
èçîëèðóþùèìè
ðóêîÿòêàìè) îáëàäàþò
èçîëÿöèåé, ñïîñîáíîé
äëèòåëüíî âûäåðæèâàòü
ðàáî÷åå íàïðÿæåíèå.
Äîïîëíèòåëüíûå
èçîëèðóþùèå
ñðåäñòâà (äèýëåêòðè÷åñêèå
ãàëîøè, êîâðû,
áîòû è èçîëèðóþùèå
ïîäñòàâêè) ïðèìåíÿþòñÿ
ñ îñíîâíûìè äëÿ
óñèëåíèÿ çàùèòíîãî
äåéñòâèÿ [12].
5. Ðóäíè÷íîå
ýëåêòðîîáîðóäîâàíèå
â çàâèñèìîñòè
îò óñëîâèé ýêñïëóàòàöèè
èçãîòàâëèâàåòñÿ
ïî ñïåöèàëüíûì
ïðàâèëàì ÏÈÂÐÝ
(Ïðàâèëà èçãîòîâëåíèÿ
âçðûâîáåçîïàñíîãî
ðóäíè÷íîãî ýëåêòðîîáîðóäîâàíèÿ)
â èñïîëíåíèè
ÐÍ (ðóäíè÷íîå
íîðìàëüíîå), ÐÏ
(ðóäíè÷íîå ïîâûøåííîé
íàäåæíîñòè), ÐÂ
(ðóäíè÷íîå âçðûâîáåçîïàñíîå)
è ÐÎ (äëÿ îñîáî
îïàñíûõ óñëîâèé)
ñî ñòåïåíüþ çàùèòû
International Protection 54 (çàùèòà
îò ïðåäìåòîâ âîçäåéñòâèÿ
ìåíåå 1ìì è îò
âîäû ñî âñåõ ñòîðîí)
ïî ÃÎÑÒ 14.2.54-80 è ÃÎÑÒ
17.4.94-87.
6. Ïðèìåíåíèå
ðåæèìà ñ èçîëèðîâàííîé
íåéòðàëüþ äëÿ
èñêëþ÷åíèÿ èñêðåíèÿ
[12].
7. Ïðèìåíåíèå
ïîíèæåííîãî
íàïðÿæåíèÿ (äî
127Â) äëÿ ðó÷íûõ ýëåêòðè÷åñêèõ
ìàøèí è èíñòðóìåíòîâ
[12].
Çíà÷åíèå
çàçåìëåíèÿ äëÿ
ïðåäóïðåæäåíèÿ
ýëåêòðîòðàâìàòèçìà
âèäíî èç ñëåäóþùåãî
ðàñ÷åòà.
Ïðè îòñóòñòâèè
çàçåìëåíèÿ â
ñëó÷àå ïðîáîÿ
èçîëÿöèè è ïåðåõîäà
íàïðÿæåíèÿ íà
êîðïóñ îáîðóäîâàíèÿ,
ïðèêîñíîâåíèå
ê íåìó ÷åëîâåêà
áóäåò ðàâíîñèëüíî
îäíîôàçíîìó
âêëþ÷åíèþ. Ïðè
ýòîì âåëè÷èíà
òîêà, ïðîòåêàþùåãî
÷åðåç òåëî ÷åëîâåêà,
ïðè óñëîâèè, ÷òî
îí ñòîèò íà òîêîïðîâîäÿùåì
ïîëó è èìååò ïðîâîäÿùóþ
îáóâü (Rn =0 è Ro6
=0), ïðè ñîïðîòèâëåíèè
èçîëÿöèè Rm = 5000 Îì, ïðè
ñîïðîòèâëåíèè
òåëà RT =
1000 ÎÌ è ëèíåéíîì
íàïðÿæåíèè
èë = 380 Â:

Ïðè çàçåìëåíèè
îáîðóäîâàíèÿ
â àíàëîãè÷íûõ
óñëîâèÿõ (ïðèíèìàÿ
ñîïðîòèâëåíèå
çàçåìëåíèÿ Rs = 4 Îì), ÷åëîâåê
îêàæåòñÿ ïîä òîêîì
âåëè÷èíîé
Òàêàÿ
âåëè÷èíà òîêà
ïðàêòè÷åñêè
áåçîïàñíà
6.3 Ïîæàðíàÿ
áåçîïàñíîñòü
Íà âñåõ øàõòàõ,
íàõîäÿùèõñÿ
â ýêñïëóàòàöèè,
ñòðîèòåëüñòâå
è ðåêîíñòðóêöèè
ñîáëþäàþòñÿ
ïðîòèâîïîæàðíûå
ìåðîïðèÿòèÿ, ïðåäîòâðàùàþùèå
âîçíèêíîâåíèå
ïîæàðîâ â ãîðíûõ
âûðàáîòêàõ, à
òàêæå ïîçâîëÿþùèå
áûñòðî ëèêâèäèðîâàòü
èëè ëîêàëèçîâàòü
ïîæàðû.[26]
Íå äîïóñêàåòñÿ
ïîëüçîâàòüñÿ
îòêðûòûì îãíåì
â íàäøàõòíûõ
çäàíèÿõ è â ïîìåùåíèÿõ,
â êîòîðûõ èìåþòñÿ
ñìàçî÷íûå è îáòèðî÷íûå
ìàòåðèàëû, à òàêæå
â ýëåêòðîìàøèííûõ
êàìåðàõ, ýëåêòðîâîçíûõ
äåïî è ýëåêòðîñòàíöèÿõ
íåçàâèñèìî îò
âèäà ïðèìåíÿåìîé
â íèõ êðåïè.[26]
Ïðîìûâàòü è ÷èñòèòü
áóðèëüíûå ìîëîòêè
è äåòàëè ñàìîõîäíûõ
ìàøèí â ïîäçåìíûõ
âûðàáîòêàõ ðàçðåøàåòñÿ
òîëüêî â ñïåöèàëüíî
óñòðîåííûõ êàìåðàõ,
çàêðåïëåííûõ
êðåïüþ èç íåñãîðàåìîãî
ìàòåðèàëà, îáîðóäîâàííûõ
ìåòàëëè÷åñêèìè
äâåðÿìè è îáåñïå÷åííûõ
ïðîòèâîïîæàðíûìè
ñðåäñòâàìè.
Ãîðþ÷å-ñìàçî÷íûå,
îáòèðî÷íûå ìàòåðèàëû
è êåðîñèí äîëæíû
õðàíèòüñÿ â çàêðûâàþùèõñÿ
ìåòàëëè÷åñêèõ
ñîñóäàõ (öèñòåðíàõ,
áî÷êàõ, áèäîíàõ,
ÿùèêàõ) â êîëè÷åñòâå
íå ñâûøå ñóòî÷íîé
ïîòðåáíîñòè
â êàæäîì èç âèäîâ
ìàòåðèàëîâ. Äîïóñêàåòñÿ
õðàíåíèå â ãîðíûõ
âûðàáîòêàõ æèäêîãî
òîïëèâà, ñìàçî÷íûõ
è îáòèðî÷íûõ
ìàòåðèàëîâ â
êîëè÷åñòâå íå
ñâûøå íåäåëüíîé
ïîòðåáíîñòè
â ñïåöèàëüíûõ
ñêëàäàõ [9].
Èñïîëüçîâàííûå
îáòèðî÷íûå ìàòåðèàëû
ïîìåùàþòñÿ â
çàêðûâàþùèåñÿ
ìåòàëëè÷åñêèå
ÿùèêè. Ïîë ïîìåùåíèé,
â êîòîðûõ ïðîèçâîäèòñÿ
õðàíåíèå è ïåðåëèâàíèå
ÃÑÌ, èç íåñãîðàåìîãî
ìàòåðèàëà è ïîñûïàí
ïåñêîì. Çàïðåùàåòñÿ
îñìàòðèâàòü
âûðàáîòêè, ëþêè
è áóíêåðà, áðîñàÿ
â íèõ çàææåííûå
ãîðþ÷èå ìàòåðèàëû.
Êàæäûé ðóäíèê
îáîðóäîâàí ïðîòèâîïîæàðíûìè
óñòðîéñòâàìè,
à òàêæå íåîáõîäèìûì
ïðîòèâîïîæàðíûì
îáîðóäîâàíèåì
è ìàòåðèàëàìè.
Âñå ïðîòèâîïîæàðíûå
ñêëàäû çàêðûâàþòñÿ
íà çàìîê è ïëîìáèðóþòñÿ.
Íà øàõòàõ, íå
èìåþùèõ âíåøíåãî
ïîæàðíîãî âîäîïðîâîäà,
íà ïîâåðõíîñòè
íåîáõîäèìî óñòðàèâàòü
è âñåãäà äåðæàòü
íàïîëíåííûìè
âîäîé ñïåöèàëüíûå
óòåïëåííûå ïðîòèâîïîæàðíûå
âîäîåìû [26].
 øàõòàõ, èìåþùèõ
î÷àãè ïîæàðà,
ïðè îñòàíîâêå
âåíòèëÿòîðîâ
èëè íàðóøåíèÿõ
óñòàíîâëåííîãî
ðåæèìà âåíòèëÿöèè
âñå ëèöà, ðàáîòàþùèå
â ãîðíûõ âûðàáîòêàõ,
íåìåäëåííî âûâîäÿòñÿ
íà ïîâåðõíîñòü.
Ïîñëå ïóñêà âåíòèëÿòîðà
èëè âîññòàíîâëåíèÿ
ðåæèìà âåíòèëÿöèè
øàõòà õîðîøî
ïðîâåòðèâàåòñÿ,
à ñîñòàâ âîçäóõà
ïðîâåðÿåòñÿ àíàëèçîì.
Äëÿ òóøåíèÿ ãîðþ÷èõ
æèäêîñòåé ïðèìåíÿþò
ãóñòóþ õèìè÷åñêóþ
ïåíó, êîòîðàÿ
èìååò ìàëóþ ïëîòíîñòü,
íèçêóþ òåïëîïðîâîäíîñòü,
îõëàæäàåò ãîðÿ÷óþ
ïîâåðõíîñòü, èçîëèðóÿ
åå îò êèñëîðîäà,
âîçäóõà.
Ñóõèìè îãíåãàñèòåëÿìè,
øèðîêî ïðèìåíÿåìûìè
ïðè òóøåíèè ïîæàðîâ,
ÿâëÿþòñÿ ìåëêèé
ïåñîê è èíåðòíàÿ
ïûëü[23].
Ïðè çàïðàâêå
ìàøèí òîïëèâîì
èëè ìàñëîì, à òàêæå
ïðè îáñëóæèâàíèè
àêêóìóëÿòîðíûõ
áàòàðåé çàïðåùàåòñÿ
êóðèòü è ïîëüçîâàòüñÿ
îòêðûòûì îãíåì.
Çàïðåùàåòñÿ
ïîäíîñèòü îòêðûòûé
îãîíü ê òîïëèâíûì
è ìàñëÿíûì áàêàì,
íåîáõîäèìî ñëåäèòü,
÷òîáû íå áûëî
óòå÷êè òîïëèâà
èç áàêà è òðóáîïðîâîäîâ.
Íå äîïóñêàåòñÿ
ðàáîòà íà ìàøèíå
áåç îãíåòóøèòåëåé,
ìåñòî äëÿ óñòàíîâêè
êîòîðûõ ïðåäóñìîòðåíî
êîíñòðóêöèåé
ìàøèíû.  ñëó÷àå
âîñïëàìåíåíèÿ
òîïëèâà èëè ìàñëà
â ïåðâóþ î÷åðåäü
ñëåäóåò èñïîëüçîâàòü
îãíåòóøèòåëè.
Òîëüêî ïîñëå èõ
ïðèìåíåíèÿ ïëàìÿ
çàñûïàþò ïåñêîì
èëè íàêðûâàþò
ïëîòíîé òêàíüþ.
Íåëüçÿ çàëèâàòü
ãîðÿùåå òîïëèâî
èëè ìàñëî âîäîé.
[23]
Êàòåãîðèè ïî
ïîæàðíîé îïàñíîñòè:
Êàòåãîðèè ïîìåùåíèé
è çäàíèé ïðåäïðèÿòèé
è ó÷ðåæäåíèé
îïðåäåëÿþòñÿ
íà ñòàäèè ïðîåêòèðîâàíèÿ
çäàíèé è ñîîðóæåíèé
â ñîîòâåòñòâèè
ñ íàñòîÿùèìè
íîðìàìè, âåäîìñòâåííûìè
íîðìàìè òåõíîëîãè÷åñêîãî
ïðîåêòèðîâàíèÿ
èëè ñïåöèàëüíûìè
ïåðå÷íÿìè, óòâåðæäåííûìè
â óñòàíîâëåííîì
ïîðÿäêå.
Ïî âçðûâîïîæàðíîé
è ïîæàðíîé îïàñíîñòè
ïîìåùåíèÿ è çäàíèÿ
ïîäðàçäåëÿþòñÿ
íà êàòåãîðèè
À, Á, Â1-Â4, Ã è Ä.[25]
Êàòåãîðèè âçðûâîïîæàðíîé
è ïîæàðíîé îïàñíîñòè
ïîìåùåíèé è çäàíèé
îïðåäåëÿþòñÿ
äëÿ íàèáîëåå íåáëàãîïðèÿòíîãî
â îòíîøåíèè ïîæàðà
èëè âçðûâà ïåðèîäà,
èñõîäÿ èç âèäà
íàõîäÿùèõñÿ
â àïïàðàòàõ è
ïîìåùåíèÿõ ãîðþ÷èõ
âåùåñòâ è ìàòåðèàëîâ,
èõ êîëè÷åñòâà
è ïîæàðîîïàñíûõ
ñâîéñòâ, îñîáåííîñòåé
òåõíîëîãè÷åñêèõ
ïðîöåññîâ.
Îïðåäåëåíèå
ïîæàðîîïàñíûõ
ñâîéñòâ âåùåñòâ
è ìàòåðèàëîâ
ïðîèçâîäèòñÿ
íà îñíîâàíèè
ðåçóëüòàòîâ èñïûòàíèé
èëè ðàñ÷åòîâ
ïî ñòàíäàðòíûì
ìåòîäèêàì ñ ó÷åòîì
ïàðàìåòðîâ ñîñòîÿíèÿ
(äàâëåíèå, òåìïåðàòóðà
è ò.ä.).
Äîïóñêàåòñÿ
èñïîëüçîâàíèå
ñïðàâî÷íûõ äàííûõ,
îïóáëèêîâàííûõ
ãîëîâíûìè íàó÷íî-èññëåäîâàòåëüñêèìè
îðãàíèçàöèÿìè
â îáëàñòè ïîæàðíîé
áåçîïàñíîñòè
èëè âûäàííûõ
Ãîñóäàðñòâåííîé
ñëóæáîé ñòàíäàðòíûõ
ñïðàâî÷íûõ äàííûõ.[25]
Äîïóñêàåòñÿ
èñïîëüçîâàíèå
ïîêàçàòåëåé
ïîæàðíîé îïàñíîñòè
äëÿ ñìåñåé âåùåñòâ
è ìàòåðèàëîâ
ïî íàèáîëåå îïàñíîìó
êîìïîíåíòó.
À- Ãîðþ÷èå ãàçû
(ÃÃ), ëåãêîâîñïëàìåíÿþùèåñÿ
âçðûâîïîæàðîîïàñíûå
æèäêîñòè (ËÂÆ)
ñ òåìïåðàòóðîé
âñïûøêè íå áîëåå
28 Ñ â òàêîì êîëè÷åñòâå,
÷òî ìîãóò îáðàçîâûâàòü
âçðûâîîïàñíûå
ïàðîâîçäóøíûå
ñìåñè, ïðè âîñïëàìåíåíèè
êîòîðûõ ðàçâèâàåòñÿ
ðàñ÷åòíîå èçáûòî÷íîå
äàâëåíèå âçðûâà
â ïîìåùåíèè, ïðåâûøàþùåå
5 êÏà. Âåùåñòâà
è ìàòåðèàëû, ñïîñîáíûå
âçðûâàòüñÿ è
ãîðåòü ïðè âçàèìîäåéñòâèè
ñ âîäîé, êèñëîðîäîì
âîçäóõà èëè äðóã
ñ äðóãîì â òàêîì
êîëè÷åñòâå, ÷òî
ðàñ÷åòíîå èçáûòî÷íîå
äàâëåíèå âçðûâà
â ïîìåùåíèè ïðåâûøàåò
5 êÏà.[25]
Á- Ãîðþ÷èå ïûëè
èëè âîëîêíà, ËÂÆ
âçðûâîïîæàðîîïàñíàÿ
ñ òåìïåðàòóðîé
âñïûøêè áîëåå
28 Ñ, ãîðþ÷èå æèäêîñòè
(ÃÆ) â òàêîì êîëè÷åñòâå,
÷òî ìîãóò îáðàçîâûâàòü
âçðûâîîïàñíûå
ïûëåâîçäóøíûå
èëè ïàðîâîçäóøíûå
ñìåñè, ïðè âîñïëàìåíåíèè
êîòîðûõ ðàçâèâàåòñÿ
ðàñ÷åòíîå èçáûòî÷íîå
äàâëåíèå âçðûâà
â ïîìåùåíèè, ïðåâûøàþùåå
5 êÏà.[25]
Â1-Â4- ÃÆ è òðóäíî-ãîðþ÷èå
æèäêîñòè, òâåðäûå
ïîæàðîîïàñíûå
ãîðþ÷èå è òðóäíî-ãîðþ÷èå
âåùåñòâà è ìàòåðèàëû
(â òîì ÷èñëå ïûëè
è âîëîêíà), âåùåñòâà
è ìàòåðèàëû, ñïîñîáíûå
ïðè âçàèìîäåéñòâèè
ñ âîäîé, êèñëîðîäîì
âîçäóõà èëè äðóã
ñ äðóãîì òîëüêî
ãîðåòü, ïðè óñëîâèè,
÷òî ïîìåùåíèÿ,
â êîòîðûõ îíè
èìåþòñÿ â íàëè÷èè
èëè îáðàùàþòñÿ,
íå îòíîñÿòñÿ
ê êàòåãîðèÿì
À èëè Á.[25]
Ã- Íåãîðþ÷èå
âåùåñòâà è ìàòåðèàëû
â ãîðÿ÷åì, ðàñêàëåííîì
èëè ðàñïëàâëåííîì
ñîñòîÿíèè, ïðîöåññ
îáðàáîòêè êîòîðûõ
ñîïðîâîæäàåòñÿ
âûäåëåíèåì ëó÷èñòîãî
òåïëà, èñêð è ïëàìåíè;
ÃÃ, ÃÆ è òâåðäûå
âåùåñòâà, êîòîðûå
ñæèãàþòñÿ èëè
óòèëèçèðóþòñÿ
â êà÷åñòâå òîïëèâà.
[25]
Ä- Íåãîðþ÷èå
âåùåñòâà è ìàòåðèàëû
â õîëîäíîì ñîñòîÿíèè.[25]
Âîçìîæíûå ïðè÷èíû
ïîæàðîâ.
Ê ïîäçåìíûì
ïîæàðàì îòíîñÿò
ÿâëåíèÿ, ñâÿçàííûå
ñ ãîðåíèåì èëè
òëåíèåì ãîðþ÷èõ
âåùåñòâ â ïîäçåìíûõ
âûðàáîòêàõ è
ñîïðîâîæäàþùèåñÿ
âûäåëåíèåì òåïëà
è âðåäíûõ ãàçîâ.
Ïî ïðîèñõîæäåíèþ
ïîæàðû ïîäðàçäåëÿþò
íà ýêçîãåííûå
è ýíäîãåííûå.[26]
Ïðè÷èíîé ýêçîãåííûõ
ïîæàðîâ ÿâëÿþòñÿ
âíåøíèå èñòî÷íèêè
òåïëà: îòêðûòûé
îãîíü ïðè íåîñòîðîæíîì
îáðàùåíèè ñ íèì,
íàãðåâàíèå ýëåêòðîïðîâîäêè,
âçðûâíûå ðàáîòû
è ò. ï.
Ýíäîãåííûå
ïîæàðû âîçíèêàþò
âñëåäñòâèå ñàìîâîçãîðàíèÿ
ïîëåçíûõ èñêîïàåìûõ
(êîë÷åäàííûõ
ðóä, óãëåé, ñëàíöåâ),
à òàêæå îðãàíè÷åñêèõ
ìàòåðèàëîâ, äðåâåñíûõ
îïèëîê, ñìàçî÷íûõ
ìàòåðèàëîâ.
Ýêçîãåííûå
ïîæàðû âîçíèêàþò
è ðàñïðîñòðàíÿþòñÿ
áûñòðî, îñîáåííî
â âûðàáîòêàõ
ñ èíòåíñèâíûì
ïðîâåòðèâàíèåì.
Ïðè îòñóòñòâèè
çàðàíåå ïîäãîòîâëåííûõ
ñðåäñòâ áîðüáû
ñ íèìè è íåñâîåâðåìåííîì
òóøåíèè îíè
ìîãóò íàíåñòè
áîëüøîé ìàòåðèàëüíûé
óùåðá è ïðèâåñòè
ê ÷åëîâå÷åñêèì
æåðòâàì.
Ýíäîãåííûå
ïîæàðû âîçíèêàþò
è ðàçâèâàþòñÿ
ìåäëåííî, ïîñòåïåííî.
Ê ïðèçíàêàì íà÷èíàþùåãîñÿ
ýíäîãåííîãî
ïîæàðà îòíîñÿòñÿ
ïîâûøåíèå òåìïåðàòóðû
âîçäóõà, âîäû
è ïîðîä, ðîñò âëàæíîñòè
âîçäóõà, ïîâûøåíèå
êîíöåíòðàöèè
âðåäíûõ ãàçîâ.
Ýòè ïðèçíàêè
ëåãêî îáíàðóæèâàþòñÿ
çàäîëãî äî èíòåíñèâíîé
ñòàäèè ïîæàðà,
ïîýòîìó òóøåíèå
åãî íà÷èíàåòñÿ,
êàê ïðàâèëî, ñâîåâðåìåííî,
ïîêà îí íå äîñòèã
áîëüøèõ ðàçìåðîâ.
[23]
Ïðîôèëàêòèêà
ïðè÷èí.
Ìåðîïðèÿòèÿ
ïî ïðîòèâîïîæàðíîé
çàùèòå øàõòû
ñîãëàñîâûâàþòñÿ
ñ îðãàíàìè ïîæàðíîé
îõðàíû, ðóêîâîäñòâîì
âîåíèçèðîâàííûõ
ãîðíîñïàñàòåëüíûõ
÷àñòåé (ÂÃÑ×)
è óòâåðæäàþòñÿ
ãëàâíûì èíæåíåðîì
ðóäîóïðàâëåíèÿ
. Óêàçàííûå ìåðîïðèÿòèÿ
ïðåäóñìàòðèâàþò:
1)îñíîâíûå òðåáîâàíèÿ
ê ïðîòèâîïîæàðíîìó
âîäîñíàáæåíèþ
ïîäçåìíûõ ãîðíûõ
â û ð à á î ò î ê. Â
ñîîòâåòñòâèè
ñ íèìè ïðîòèâîïîæàðíûé
âîäîïðîâîä äîëæåí
ïðîêëàäûâàòüñÿ
âî âñåõ äåéñòâóþùèõ
îòêàòî÷íûõ âûðàáîòêàõ.
2)îáåñïå÷åíèå
ïîäçåìíûõ âûðàáîòîê
ñðåäñòâàìè ïîæàðîòóøåíèÿ
(îãíåòóøèòåëÿìè,
ïåñêîì, èíâåíòàðåì,
ðàçëè÷íûìè ìàòåðèàëàìè).
 êàæäîé ïîäçåìíîé
êàìåðå äîëæíî
áûòü îò äâóõ äî
øåñòè îãíåòóøèòåëåé,
ïåñîê è îäíà-äâå
ëîïàòû. Äëÿ äîñòàâêè
ñðåäñòâ ïîæàðîòóøåíèÿ
ê ïîæàðíîìó ó÷àñòêó
íà êàæäîì äåéñòâóþùåì
ãîðèçîíòå óñòàíàâëèâàåòñÿ
ïðîòèâîïîæàðíûé
ïîåçä èç íåñêîëüêèõ
âàãîíåòîê, çàãðóæåííûõ
îáîðóäîâàíèåì,
ìàòåðèàëàìè
è èíñòðóìåíòîì.
3) Ñâàðî÷íûå è àâòîãåííûå
ðàáîòû â øàõòå
ìîãóò ïðîèçâîäèòüñÿ
òîëüêî ñ ðàçðåøåíèÿ
ãëàâíîãî èíæåíåðà
ïðè ñîáëþäåíèè
ïðîòèâîïîæàðíûõ
ìåð - çàùèòà âñåõ
ãîðþ÷èõ ìàòåðèàëîâ
íà ðàññòîÿíèè
2 ì îò ìåñòà ñâàðêè
àñáåñòîâûìè
èëè ñòàëüíûìè
ëèñòàìè, îáèëüíîå
óâëàæíåíèå äåðåâÿííîé
êðåïè íà ðàññòîÿíèå
10 ì â îáå ñòîðîíû
îò ìåñòà ðàáîò,
íàëè÷èå ñðåäñòâ
ïîæàðîòóøåíèÿ
è äð. 4)Â øàõòàõ
çàïðåùàåòñÿ
ïîëüçîâàíèå îòêðûòûì
îãíåì.[23]
 íàñòîÿùåå
âðåìÿ ãîðíîñïàñàòåëüíûå
ðàáîòû âûïîëíÿþò
âîåíèçèðîâàííûå
ãîðíîñïàñàòåëüíûå
÷àñòè (ÂÃÑ×), îáñëóæèâàþùèå
âñå äåéñòâóþùèå
è âíîâü ñòðîÿùèåñÿ
øàõòû. Îíè îñíàùåíû
ïåðâîêëàññíîé
ãîðíîñïàñàòåëüíîé
àïïàðàòóðîé è
îáîðóäîâàíèåì
è ñïîñîáíû ëèêâèäèðîâàòü
ëþáûå àâàðèè
íà ðóäíèêàõ. Íà
ÂÃÑ× âîçëàãàþòñÿ
ñëåäóþùèå çàäà÷è:
ïðîôèëàêòè÷åñêàÿ
ðàáîòà ïî ïðåäóïðåæäåíèþ
àâàðèé (êîíòðîëü
çà ïðîòèâîïîæàðíûì
ñîñòîÿíèåì âûðàáîòîê;
ó÷àñòèå â ðàçðàáîòêå
ïëàíîâ, ñâÿçàííûõ
ñ óëó÷øåíèåì
îõðàíû òðóäà,
è ò. ï.); âûïîëíåíèå
òåõíè÷åñêèõ
ðàáîò â øàõòàõ,
êîãäà íåîáõîäèìî
ïðèìåíÿòü ñïåöèàëüíóþ
çàùèòíóþ àïïàðàòóðó
(íàïðèìåð, ïîñëå
ìàññîâûõ âçðûâîâ);
ñïàñåíèå ëþäåé
ïðè àâàðèÿõ; ëèêâèäàöèÿ
àâàðèé è èõ ïîñëåäñòâèé.[23]
Îñíîâíîé îïåðàòèâíîé
åäèíèöåé ÂÃÑ×
ÿâëÿåòñÿ âîåíèçèðîâàííûé
ãîðíîñïàñàòåëüíûé
âçâîä (ÂÃÑÂ), êîòîðûé
îáñëóæèâàåò
îäíó èëè íåñêîëüêî
áëèçëåæàùèõ
øàõò. Âçâîä ñîñòîèò
èç òðåõ- øåñòè
îòäåëåíèé. Ñîñòàâ
îòäåëåíèÿ: êîìàíäèð,
ïÿòü-øåñòü ðåñïèðàòîðùèêîâ
è øîôåð îïåðàòèâíîãî
àâòîáóñà. Êàæäîå
îòäåëåíèå ìîæåò
ñàìîñòîÿòåëüíî
âûïîëíÿòü â øàõòå
ðàáîòû ïî ñïàñåíèþ
ëþäåé è ëèêâèäàöèè
àâàðèé.
Àïïàðàòóðà è
îáîðóäîâàíèå
ãîðíîñïàñàòåëüíûõ
÷àñòåé ïî ñâîåìó
íàçíà÷åíèþ ïîäðàçäåëÿþòñÿ
íà äûõàòåëüíûå
àïïàðàòû, ïðîòèâîïîæàðíîå
îáîðóäîâàíèå,
ñðåäñòâà ñâÿçè,
ïðèáîðû äëÿ êîíòðîëÿ
çà ñîñòàâîì ðóäíè÷íîãî
âîçäóõà è ñðåäñòâà
äëÿ ìåõàíèçàöèè
ãîðíîñïàñàòåëüíûõ
ðàáîò. Óêàçàííûå
àïïàðàòóðà è
îáîðóäîâàíèå
ðàçìåùàþòñÿ
íà ñïåöèàëüíûõ
àâòîìîáèëÿõ.
Ïóòè ýâàêóàöèè.
Äëÿ êàæäîé øàõòû
ñîñòàâëÿåòñÿ
ïëàí ëèêâèäàöèè
àâàðèé, ïðåäóñìàòðèâàþùèé
ñîãëàñîâàííûå
äåéñòâèÿ ãîðíîðàáî÷èõ,
àäìèíèñòðàöèè
øàõòû è ÂÃÑ×
â àâàðèéíîé îáñòàíîâêå.
 ïëàíå óêàçûâàþòñÿ
ìåðîïðèÿòèÿ ïî
ñïàñåíèþ ëþäåé,
çàñòèãíóòûõ
â øàõòå àâàðèåé,
è ñïîñîáû ëèêâèäàöèè
âîçìîæíûõ íà
øàõòå àâàðèé
(ïîæàðîâ, ïðîðûâîâ
âîäû è äð.) â íà÷àëüíîé
ñòàäèè èõ âîçíèêíîâåíèÿ.
Îòâåòñòâåííûì
ðóêîâîäèòåëåì
ïî ëèêâèäàöèè
àâàðèé ÿâëÿåòñÿ
ãëàâíûé èíæåíåð,
à ðóêîâîäèòåëåì
ãîðíîñïàñàòåëüíûõ
ðàáîò - êîìàíäèð
ÂÃÑ×.  ñëó÷àå
àâàðèè ãëàâíûé
èíæåíåð, à â åãî
îòñóòñòâèå äèñïåò÷åð,
âûçûâàåò ãîðíîñïàñàòåëüíóþ
÷àñòü. Ïðèáûâ
íà øàõòó, êîìàíäèð
ïîäðàçäåëåíèÿ
ÂÃÑ× äîëæåí ÿâèòüñÿ
ê îòâåòñòâåííîìó
ðóêîâîäèòåëþ
(ãëàâíîìó èíæåíåðó)
äëÿ ïîëó÷åíèÿ
çàäàíèÿ, ïîñëå
÷åãî ïðèñòóïàåò
ê åãî âûïîëíåíèþ.
Ðóêîâîäñòâî ðàáîòàìè
ïî ëèêâèäàöèè
àâàðèè îñóùåñòâëÿåòñÿ
ïîñðåäñòâîì ñâåòîâîé,
çâóêîâîé, øàõòîôîííîé
è òåëåôîííîé
ñâÿçè, à òàêæå
âûñîêî÷àñòîòíîé
ðàäèîñâÿçè. Åñëè
íåèçâåñòíû ìàñøòàáû
àâàðèè è îáñòàíîâêà
íà àâàðèéíûõ
ó÷àñòêàõ, ïðèñòóïàþò
ê ðàçâåäêå è ïîèñêó
îñòàâøèõñÿ â
øàõòå ëþäåé. Çàäàíèå
ãîðíîñïàñàòåëÿì
óñòàíàâëèâàåòñÿ
íà ñðîê, íå ïðåâûøàþùèé
âðåìåíè çàùèòíîãî
äåéñòâèÿ ðåñïèðàòîðà.
Ãîðíîñïàñàòåëüíûå
ðàáîòû âåäóòñÿ
êðóãëîñóòî÷íî.
Åñëè ãîðíîñïàñàòåëüíîå
ïîäðàçäåëåíèå
ê óñòàíîâëåííîìó
ñðîêó íå âîçâðàòèëîñü
íà èñõîäíûé ïóíêò,
íà ïîìîùü åìó
íàïðàâëÿåòñÿ
äðóãîå ïîäðàçäåëåíèå.
Ïîäðîáíîå îïèñàíèå
äåéñòâèé ãîðíîñïàñàòåëüíûõ
÷àñòåé â ðàçëè÷íûõ
îáñòîÿòåëüñòâàõ
èçëîæåíî â Óñòàâå
ÂÃÑ×. Íà âåñü ïåðèîä
ãîðíîñïàñàòåëüíûõ
ðàáîò ðóêîâîäèòåëü
âåäåò îïåðàòèâíûé
æóðíàë, â êîòîðîì
îòìå÷àåòñÿ âðåìÿ,
ñîäåðæàíèå è
ðåçóëüòàòû âûïîëíåíèÿ
âñåõ ðàñïîðÿæåíèé.[27]
Ïåðâè÷íûå ñðåäñòâà
ïîæàðîòóøåíèÿ.
Ê ïåðâè÷íûì ñðåäñòâàì
ïîæàðîòóøåíèÿ
îòíîñÿòñÿ âñå
âèäû ïåðåíîñíûõ
è ïåðåäâèæíûõ
îãíåòóøèòåëåé,
îáîðóäîâàíèå
ïîæàðíûõ êðàíîâ,
ÿùèêè ñ ïîðîøêîâûìè
ñîñòàâàìè (ïåñîê,
ïåðëèò è ò.ï.), à òàêæå
îãíåñòîéêèå
òêàíè (àñáåñòîâîå
ïîëîòíî, êîøìà,
âîéëîê è ò.ï.)
Ïåðâè÷íûå ñðåäñòâà
ïîæàðîòóøåíèÿ
äîëæíû ðàçìåùàòüñÿ
â ëåãêîäîñòóïíûõ
ìåñòàõ è íå äîëæíû
áûòü ïîìåõîé
è ïðåïÿòñòâèåì
ïðè ýâàêóàöèè
ïåðñîíàëà èç
ïîìåùåíèé.[23]
Äîïóñêàåòñÿ
óñòàíîâêà îãíåòóøèòåëåé
â òóìáàõ èëè
øêàôàõ, êîíñòðóêöèÿ
êîòîðûõ äîëæíà
ïîçâîëÿòü âèçóàëüíî
îïðåäåëèòü òèï
îãíåòóøèòåëÿ
è îñóùåñòâèòü
áûñòðûé äîñòóï
ê íåìó äëÿ èñïîëüçîâàíèÿ
ïðè ïîæàðå.
Çàïðåùàåòñÿ
èñïîëüçîâàíèå
ïîæàðíîãî èíâåíòàðÿ
è äðóãèõ ñðåäñòâ
ïîæàðîòóøåíèÿ
äëÿ õîçÿéñòâåííûõ,
ïðîèçâîäñòâåííûõ
è äðóãèõ íóæä.
Êðîìå ïðÿìîãî
íàçíà÷åíèÿ ðàçðåøàåòñÿ
èñïîëüçîâàòü
ñðåäñòâà ïîæàðîòóøåíèÿ
ïðè ëèêâèäàöèè
ñòèõèéíûõ áåäñòâèé
è êàòàñòðîô, à
òàêæå ïðè îáó÷åíèè
ïåðñîíàëà è äîáðîâîëüíûõ
ïîæàðíûõ ôîðìèðîâàíèé
îáúåêòà.
Çà íàðóøåíèå
ýòèõ ïîëîæåíèé
äîëæíîñòíûå
èëè èíûå ëèöà
íåñóò îòâåòñòâåííîñòü
âïëîòü äî óãîëîâíîé
â ñîîòâåòñòâèè
ñ äåéñòâóþùèì
çàêîíîäàòåëüñòâîì.[23]
Äëÿ ðàçìåùåíèÿ
ïåðâè÷íûõ ñðåäñòâ
ïîæàðîòóøåíèÿ
â ïðîèçâîäñòâåííûõ
ïîìåùåíèÿõ, à
òàêæå íà òåððèòîðèè
ïðåäïðèÿòèé èëè
ñòðîèòåëüñòâ,
êàê ïðàâèëî, äîëæíû
óñòàíàâëèâàòüñÿ
ñïåöèàëüíûå ïîæàðíûå
ùèòû (ïîñòû).
Ðàçìåùåíèå
îãíåòóøèòåëåé
è ïîæàðíîãî èíâåíòàðÿ,
à òàêæå èõ êîëè÷åñòâî
íå îïðåäåëÿåòñÿ
ïðîåêòîì, à óñòàíàâëèâàåòñÿ
ðóêîâîäñòâîì
ñîîòâåòñòâóþùèõ
ïîäðàçäåëåíèé
îáúåêòà èëè îðãàíèçàöèé,
íà îñíîâàíèè
îòðàñëåâûõ ïðàâèë
ïîæàðíîé áåçîïàñíîñòè
è íîðì ðàñ÷åòà
ïåðâè÷íûõ ñðåäñòâ
ïîæàðîòóøåíèÿ.[23]
7. Îæèäàåìûå
òåõíèêî-ýêîíîìè÷åñêèå
ïîêàçàòåëè
.1 Èñõîäíûå
äàííûå äëÿ ðàñ÷åòà
.1.1 Îïðåäåëåíèå
÷àñîâîé ïðîèçâîäèòåëüíîñòè
Ïðîèçâîäèòåëüíîñòü
îäíîãî öèêëà
ðàâíà ãðóçîïîäúåìíîñòè
êîâøà:
Ðàñ÷åòíàÿ
ïðîèçâîäèòåëüíîñòü
êîâøà
ãäå;
åìêîñòü êîâøà
áàçîâîé ìàøèíû;
êîýôôèöèåíò
ïåðåïîëíåíèÿ;
êîýôôèöèåíò
ðàçðûõëåíèÿ;
.
Ðàññ÷èòûâàåì
ïðîèçâîäèòåëüíîñòü
áàçîâîé òåõíèêè.
Ïðîäîëæèòåëüíîñòü
öèêëà ïîãðóçêè:
ãäå
âðåìÿ ÷åðïàíèÿ;
ðàññòîÿíèå
ïåðåìåùåíèÿ ãðóçà
ìàøèíîé;
ñðåäíÿÿ
ñêîðîñòü ïåðåìåùåíèÿ
áàçîâîé ìàøèíû;
âðåìÿ ðàçãðóçêè
ìàøèíû.
×àñîâàÿ ïðîèçâîäèòåëüíîñòü
áàçîâîé òåõíèêè
Ðàñ÷èòûâàåì
ïðîèçâîäèòåëüíîñòü
ïðîåêòèðóåìîé
òåõíèêè .
Ïðîäîëæèòåëüíîñòü
öèêëà ïîãðóçêè
ãäå
âðåìÿ ÷åðïàíèÿ;
ðàññòîÿíèå
ïåðåìåùåíèÿ ãðóçà
ìàøèíîé;
ñðåäíÿÿ
ñêîðîñòü ïåðåìåùåíèÿ
íîâîé ìàøèíû;
âðåìÿ ðàçãðóçêè
ìàøèíû.
Ðàñ÷åòíàÿ
ïðîèçâîäèòåëüíîñòü
êîâøà:
ãäå;
åìêîñòü êîâøà
íîâîé ìàøèíû;
êîýôôèöèåíò
ïåðåïîëíåíèÿ;
êîýôôèöèåíò
ðàçðûõëåíèÿ;
.
×àñîâàÿ ïðîèçâîäèòåëüíîñòü
ïðîåêòèðóåìîé
òåõíèêè:
7.1.2 Ñóòî÷íàÿ
ïðîèçâîäèòåëüíîñòü
Íà ïðåäïðèÿòèè
ïðèíÿò íåïðåðûâíûé
ðåæèì ðàáîòû
òåõíîëîãè÷åñêèõ
ñìåí.
Ïîãðóç÷èê íå
ðàáîòàåò ïî ïðàçäíè÷íûì
äíÿì. Ïðîäîëæèòåëüíîñòü
òåõíîëîãè÷åñêîé
ñìåíû 18 ÷àñîâ.
Ñóòî÷íàÿ
ïðîèçâîäèòåëüíîñòü
áàçîâîé òåõíèêè
ãäå
ïðîäîëæèòåëüíîñòü
ðàáîòû ìàøèíû
â ñóòêè.
Ôàêòè÷åñêàÿ
ïðîèçâîäèòåëüíîñòü
â ñóòêè, ó÷èòûâàÿ
êîýôôèöèåíò
èñïîëüçîâàíèÿ
ðàáî÷åãî âðåìåíè
Ãîäîâàÿ ïðîèçâîäèòåëüíîñòü
áàçîâîé ìàøèíû:
ãäå
íîðìàòèâíîå
÷èñëî ðàáî÷èõ
äíåé â ãîäó.
Ñóòî÷íàÿ
ïðîèçâîäèòåëüíîñòü
íîâîé òåõíèêè:
ãäå
ïðîäîëæèòåëüíîñòü
ðàáîòû ìàøèíû
â ñóòêè.
Ôàêòè÷åñêàÿ
ïðîèçâîäèòåëüíîñòü
â ñóòêè, ó÷èòûâàÿ
êîýôôèöèåíò
èñïîëüçîâàíèÿ
ðàáî÷åãî âðåìåíè
:
Ãîäîâàÿ ïðîèçâîäèòåëüíîñòü
áàçîâîé ìàøèíû:
ãäå
íîðìàòèâíîå
÷èñëî ðàáî÷èõ
äíåé â ãîäó.
7.1.3 Êîëè÷åñòâî
ðàáî÷èõ äíåé
â ãîäó ïðè íåïðåðûâíîì
ðåæèìå ðàáîòû
ãäå
Òâ äí - êîëè÷åñòâî
âûõîäíûõ äíåé
â ãîäó;
Òïð
äí - êîëè÷åñòâî
ïðàçäíè÷íûõ
äíåé â ãîäó;
Òïë
î - êîëè÷åñòâî
äíåé ïëàíîâûõ
îñòàíîâîê â ãîäó;
7.1.4 Ãîäîâàÿ
ïðîèçâîäèòåëüíîñòü
Ãîäîâàÿ ïðîèçâîäèòåëüíîñòü
íîâîé ìàøèíû
ãäå
íîðìàòèâíîå
÷èñëî ðàáî÷èõ
äíåé â ãîäó.
Ãîäîâàÿ ïðîèçâîäèòåëüíîñòü
áàçîâîé ìàøèíû
ãäå
íîðìàòèâíîå
÷èñëî ðàáî÷èõ
äíåé â ãîäó.
ãäå Òãîä- âðåìÿ
ðàáîòû òåõíèêè
çà ãîä;
7.1.5 Ãîäîâîé
îáúåì ðàáîòû
ãäå
NÁÒ=1 - êîëè÷åñòâî
îäíîâðåìåííî
ðàáîòàþùèõ ïîãðóç÷èêîâ.
Îòêóäà
Ïîëó÷åííûå
äàííûå ñâåäåì
â òàáëèöó èñõîäíûõ
äàííûõ.
Òàáëèöà 1
|
Íàèìåíîâàíèå
ïîêàçàòåëåé
|
Âàðèàíòû
|
|
ÁÒ
|
ÍÒ
|
|
1.Ìàðêà
ìàøèíû.
|
PAUS
|
ÌÄ
|
|
2.Ìàññà
ìàøèíû, êã
|
24170
|
24770
|
|
3.Òèï äâèãàòåëÿ
|
äèçåëüíûé
|
äèçåëüíûé
|
|
4. Íîìèíàëüíàÿ
ìîùíîñòü äâèãàòåëÿ
|
110
|
88
|
|
5. Ïîêàçàòåëè,
õàðàêòåðèçóþùèå
ïàðàìåòðû ðàáî÷åãî
îðãàíà: à) åìêîñòü
êîâøà, ì.êóá á)
ìàññà êîâøà,
êã
|
2,5 900
|
3 1500
|
|
6.Ïðîèçâîäèòåëüíîñòü
ìàøèíû çà îäèí
÷àñ ÷èñòîé ðàáîòû,
/÷
|
360
|
405
|
|
7.Êîýôôèöèåíò
èñïîëüçîâàíèÿ
ðàáî÷åãî âðåìåíè
|
0,8
|
0,8
|
|
8. Ïðîèçâîäèòåëüíîñòü
ìàøèíû çà îäèí
÷àñ ðàáîòû
|
288
|
324
|
|
9. Ïðîäîëæèòåëüíîñòü
ðàáîòû ìàøèíû
â ñóòêè, ÷
|
18
|
18
|
|
10. Ñóòî÷íàÿ
ïðîèçâîäèòåëüíîñòü
ìàøèíû, ì.êóá
|
5184
|
5832
|
|
11.×èñëî
ðàáî÷èõ äíåé
ãîäó à) íîðìàòèâíîå,
äíåé á) ôàêòè÷åñêîå,
äíåé
|
305 289
|
305 257
|
|
12. Ïðîäîëæèòåëüíîñòü
ðàáîòû ìàøèíû
â ãîäó: à) íîðìàòèâíîå,
÷ á) ôàêòè÷åñêîå,
÷
|
5490 5490
|
5490 4626
|
|
13. Ãîäîâàÿ
ïðîèçâîäèòåëüíîñòü
ìàøèíû, ì.êóá
|
1581120
|
1778670
|
|
14. Ïîòðåáíîå
êîëè÷åñòâî îáîðóäîâàíèÿ,
øò
|
1
|
1
|
|
15.×èñëåííîñòü
ïðîèçâîäñòâåííîãî
ïåðñîíàëà, ÷åë
ìàøèíèñò 6 ðàçðÿäà
|
1
|
1
|
7.2 Ðàñ÷¸ò
êàïèòàëüíûõ
âëîæåíèé
ãäå
Êîá- êàïèòàëüíûå
âëîæåíèÿ ïî îáîðóäîâàíèþ;
Êèíñòð
- êàïèòàëüíûå
âëîæåíèÿ â èíñòðóìåíò;
Êïð-
ïðî÷èå êàïèòàëüíûå
âëîæåíèÿ;
ãäå
i-
êîëè÷åñòâî i-ãî
íàèìåíîâàíèÿ
îáîðóäîâàíèÿ;
- öåíà
åäèíèöû i-ãî
îáîðóäîâàíèÿ,
ðóá.;
- çàòðàòû
íà òðàíñïîðòèðîâêó
òåõíèêè;
- çàòðàòû
íà ìîíòàæ-äåìîíòàæ;
- çàòðàòû
íà õðàíåíèå;
- êîýôôèöèåíò
ó÷èòûâàþùèé
ïðî÷èå ðàñõîäû;
, [2].
ãäå
Êñë=0.8÷1.2;
Çàòðàòû
ñâÿçàííûå ñ ââîäîì
îáîðóäîâàíèÿ
â ýêñïëóàòàöèþ
Çì, Çòð, Çõð
ïðèíèìàþòñÿ
â ðàçìåðå 15÷30% îò çàâîäñêîé
öåíû
Êàïèòàëüíûå
âëîæåíèÿ â èíñòðóìåíò
ïðèíèìàþòñÿ
â ðàçìåðå 2% îò êàïèòàëüíûõ
âëîæåíèé ïî îáîðóäîâàíèþ
Ïðî÷èå
êàïèòàëüíûå
âëîæåíèÿ ïðèíèìàþòñÿ
â ðàçìåðå 1,2% îò êàïèòàëüíûõ
âëîæåíèé ïî îáîðóäîâàíèþ
Êàïèòàëüíûå
âëîæåíèÿ
,
.
7.3 Ðàñ÷¸ò èçäåðæåê
Ñìåòà
çàòðàò íà ïðîèçâîäñòâî
ïðîäóêöèè ñîäåðæèò
ñëåäóþùèå ñòàòüè
ðàñõîäîâ:
.
Ñìàçî÷íûå ìàòåðèàëû
íà òåõíîëîãè÷åñêèå
öåëè;
.
Ýëåêòðîýíåðãèÿ
è òîïëèâî íà òåõíîëîãè÷åñêèå
öåëè;
.
Îñíîâíàÿ çàðàáîòíàÿ
ïëàòà ïðîèçâîäñòâåííûõ
ðàáî÷èõ;
.
Äîïîëíèòåëüíàÿ
çàðàáîòíàÿ ïëàòà
ïðîèçâîäñòâåííûõ
ðàáî÷èõ;
.
Îò÷èñëåíèÿ íà
ñîöèàëüíîå ñòðàõîâàíèå;
.
Àìîðòèçàöèÿ
îñíîâíûõ ôîíäîâ;
.
Ðåìîíòíûé ôîíä;
.
Ðàñõîäû íà ïîäãîòîâêó
è îñâîåíèå ïðîèçâîäñòâà;
.
Íàêëàäíûå ðàñõîäû
ñåáåñòîèìîñòè
ïðîäóêöèè;
.Íàëîãè
ñåáåñòîèìîñòè
ïðîäóêöèè.
7.3.1 Ñìàçî÷íûå
ìàòåðèàëû íà
òåõíîëîãè÷åñêèå
öåëè
Ñòîèìîñòü ñìàçî÷íûõ
ìàòåðèàëîâ
Ðàñ÷¸ò
ïðîèçâîäèòñÿ
íîðìàòèâíûì
ìåòîäîì, ò.å. ÷åðåç
íîðìó ðàñõîäà:
Ðàñõîä
ñìàçî÷íûõ ìàòåðèàëîâ
Qñì
áò =
α ∙ Òýã
⁄ 1000 = 0,5∙5490 ⁄ 1000 = 2,7 ò ⁄ ãîä
Qñì íò =
α ∙ Òýã
⁄ 1000 = 0,5∙4626 ⁄ 1000 = 2,3 ò ⁄ ãîä
ãäå α - óäåëüíûé
ðàñõîä ñìàçî÷íûõ
ìàòåðèàëîâ íà
1000 ÷àñîâ ðàáîòû
òåõíèêè â òîííàõ;
Òýã- ýôôåêòèâíûé
ôîíä ðàáî÷åãî
âðåìåíè
7.3.2 Òîïëèâî
íà òåõíîëîãè÷åñêèå
öåëè
Ïî
äàííîé ñòàòüå
ó÷èòûâàåòñÿ
ñòîèìîñòü äèçåëüíîãî
òîïëèâà, áåíçèíà,
ñìàçî÷íûõ è
îáòèðî÷íûõ ìàòåðèàëîâ,
íåîáõîäèìûõ
äëÿ âûïîëíåíèÿ
îñíîâíûõ òåõíîëîãè÷åñêèõ
îïåðàöèé.
Êîëè÷åñòâî
äèçåëüíîãî òîïëèâà:
,
ãäå
qò -
óäåëüíûé ðàñõîä
òîïëèâà äâèãàòåëåì,
;
N
- ìîùíîñòü
äâèãàòåëÿ, êÂò;
êç
- êîýôôèöèåíò
çàãðóçêè äâèãàòåëÿ,
êç =0,7;
Tã - ãîäîâîé ôîíä
âðåìåíè, ÷;
êõ
- êîýôôèöèåíò,
ó÷èòûâàþùèé
õîëîñòûå ïðîõîäû,
êõ =1,1;
ò
- ÷èñëî îäíîâðåìåííî
ðàáîòàþùèõ ìàøèí,
ò =1;
ò.
Öåíó
äèçåëüíîãî òîïëèâà
ïðèíèìàåì ðàâíîé
2580 ð. çà 1 êã
Ñòîèìîñòü
ñìàçî÷íûõ è
îáòèðî÷íûõ ìàòåðèàëîâ
ïðèíèìàåì äëÿ
óêðóïí¸ííûõ
ðàñ÷¸òîâ â ðàçìåðå
20% îò ñòîèìîñòè
äèçòîïëèâà.
Èòàê,
ñòîèìîñòü òîïëèâà
íà òåõíîëîãè÷åñêèå
öåëè:
ìëí.
ðóá.
ìëí.
ðóá.
7.3.3 Îñíîâíàÿ
çàðàáîòíàÿ ïëàòà
ïðîèçâîäñòâåííûõ
ðàáî÷èõ (áàçîâûé
è íîâûé âàðèàíò)
Îñíîâíàÿ
çàðàáîòíàÿ ïëàòà
ãäå
- ïðÿìàÿ çàðïëàòà
ïî ñîîòâåòñòâóþùåé
îïåðàöèè, ðóá;
ñóììà
äîïëàò.
ïðÿìàÿ
çàðàáîòíàÿ ïëàòà
ãäå
N0 -÷èñëî
ðàáî÷èõ îáñëóæèâàþùèõ
óñòàíîâêó;
Ñ÷i-
÷àñîâàÿ òàðèôíàÿ
ñòàâêà ðàáî÷åãî
i-ãî ðàçðÿäà.
-ñðåäíåìåñÿ÷íîå
÷èñëî ðàáî÷èõ
÷àñîâ;
-òàðèôíûé
êîýôôèöèåíò
ñîîòâåòñòâóþùåãî
ðàçðÿäà;
;
ïðÿìàÿ
çàðàáîòíàÿ ïëàòà
Çì
ïð áò = Ñ÷ ∙Òýã
∙Νî =
7352 ∙ 5490 ∙ 1= 40,362 ìèë. ðóá
Çì
ïð íò = Ñ÷ ∙
Òýã ∙ Νî =
7352 ∙ 4626 ∙ 1= 34,032 ìèë.ðóá
Îñíîâíàÿ
çàðàáîòíàÿ ïëàòà
Ç0
íò =1,8∙ Çïð áò
=1,8 ∙ 40,362 =72,651 ìèë. ðóá
7.3.4 Äîïîëíèòåëüíàÿ
çàðàáîòíàÿ ïëàòà
ïðîèçâîäñòâåííûõ
ðàáî÷èõ
Çä
áò = Çî áò ∙Êä
=72,651 ∙420 ⁄ 2000 =15,256 ìèë.ðóá
,
Çä
íò = Çî áò ∙ Êä
=61,257 ∙420 ⁄ 2000 =12,863 ìèë.ðóá,
[1],
ãäå
Êä=420/2000- äëÿ ïîäçåìíûõ
ãîðíûõ ðàáîò.
7.3.5 Îò÷èñëåíèÿ
íà ñîöèàëüíîå
ñòðàõîâàíèå
Ñññ
áò = ﴾Çî + Çä﴿ ∙0,35 = ﴾72,651+14,479﴿ ∙0,35
=30,495ìèë.ðóá
, [1].
7.3.6 Àìîðòèçàöèÿ
îñíîâíûõ ôîíäîâ
Àìîðòèçàöèîííûå
îò÷èñëåíèÿ ïî
îñíîâíûì ôîíäàì
ðàññ÷èòûâàþòñÿ
ïî íîðìàì, èñõîäÿ
èç êàïèòàëüíûõ
âëîæåíèé íà îáîðóäîâàíèå
ãäå
- íîðìàòèâíûé
ñðîê ñëóæáû.
- êàïèòàëüíûå
âëîæåíèÿ â ãðóïïó
ìàøèí
- ïîïðàâî÷íûé
êîýôôèöèåíò,
ó÷èòûâàþùèé
âðåìÿ ðàáîòû ìàøèíû
Ên
= TÔ ⁄
Òí = 4626 ⁄ 5490 = 0,84, [1].
7.3.7 Ðåìîíòíûé
ôîíä îñíîâíîãî
òåõíîëîãè÷åñêîãî
îáîðóäîâàíèÿ
ãäå
Çêð- çàòðàòû
íà êàïèòàëüíûé
ðåìîíò;
Çòð-
çàòðàòû íà òåêóùèé
ðåìîíò;
Âêëþ÷àåò
çàòðàòû íà êàïèòàëüíûé
ðåìîíò è òåêóùèé
ðåìîíò. Êàïèòàëüíûé
ðåìîíò 50% îò ñóìì
àìîðòèçàöèîííûå
îò÷èñëåíèÿ íà
îáîðóäîâàíèå.
Òåêóùèé
ðåìîíò - 15% îò êàïèòàëüíûõ
âëîæåíèé ïî ñîîòâåòñòâóþùèì
ãðóïïàì îáîðóäîâàíèÿ
Ðåìîíòíûé
ôîíä îñíîâíîãî
òåõíîëîãè÷åñêîãî
îáîðóäîâàíèÿ.
.3.8 Çàòðàòû
íà ïîäãîòîâêó
è îñâîåíèå ïðîèçâîäñòâà
Ïðèíèìàþòñÿ
0,5% îò ñóììû âñåõ
ïðåäûäóùèõ ðàñõîäîâ
, [1].
7.3.9 Íàêëàäíûå
ðàñõîäû ñåáåñòîèìîñòè
ïðîäóêöèè
Ñâÿçàíû
ñ óïðàâëåíèåì
è îáñëóæèâàíèåì
ïîäðàçäåëåíèé
ïðåäïðèÿòèé. Ïðèíèìàþòñÿ
22% îò ñóìì ðàñõîäîâ
ïî ïðåäûäóùèì
ñòàòüÿì.
, [1].
7.3.10 Íàëîãè
íà ñåáåñòîèìîñòü
ïðîäóêöèè
Ïðèíèìàþò â
ðàçìåðå 20% îò ôîíäà
îñíîâíîé è äîïîëíèòåëüíîé
çàðàáîòíîé ïëàòû
, ðóá.,
[1].
Îáúåêò
êàëüêóëÿöèè - äîñòàâêà
êàëèéíîé ðóäû.
Êàëüêóëÿöèÿ
ñåáåñòîèìîñòè
äîñòàâêè 1 ì3
êàëèéíîé ðóäû.
Ãîäîâîé
îáúåì ðàáîò -
1500000 ì3/ãîä.
|
Íàèìåíîâàíèå
ñòàòåé ðàñõîäîâ
|
Âàðèàíò
ÁÒ
|
Âàðèàíò
ÍÒ
|
|
Îáùèå
ñóììàðíûå çàòðàòû
,ìëí. ðóá
|
Ñåáåñòîèìîñòü,
1ì3
|
Ñòðóêòóðà
çàòðàò, %
|
Îáùèå
ñóììàðíûå çàòðàòû,
ìëí. ðóá
|
Ñåáåñòîèìîñòü,
1ì3
|
Ñòðóêòóðà
çàòðàò, %
|
|
1.Ñìàçî÷íûå
ìàòåðèàëû
|
13
|
8,6
|
1,49
|
11,5
|
7,6
|
1,5
|
|
2.Äèçòîïëèâî
|
331,117
|
220
|
37,9
|
235,357
|
156,9
|
32,7
|
|
3.Îñíîâíàÿ
Ç.Ï.
|
72,651
|
45,9
|
7,9
|
61,257
|
40,8
|
8,5
|
|
4.Äîïîëíèòåëüíàÿ
Ç.Ï.
|
14,473
|
9,6
|
1,6
|
12,863
|
8,5
|
1,7
|
|
5.Îò÷èñëåíèÿ
íà ñîöèàëüíîå
ñòðàõîâàíèå
|
30,495
|
19,4
|
3,3
|
25,942
|
17,2
|
3,6
|
|
6.Àìîðòèçàöèÿ
ÎÔ
|
108,333
|
72,2
|
12,4
|
102,375
|
68,2
|
14,2
|
|
7.Ðåìîíòíûé
ôîíä
|
132,166
|
88,1
|
15,1
|
124,896
|
83,2
|
|
8.Çàòðàòû
íà ïîäãîòîâêó
è îñâîåíèå ïðîèçâîäñòâà
|
3,485
|
2,32
|
0,395
|
2,870
|
1,9
|
0,399
|
|
9.Íàêëàäíûå
ðàñõîäû
|
154,149
|
102,7
|
17,63
|
126,953
|
84,6
|
17,66
|
|
10.Íàëîãè
|
16,678
|
11,1
|
1,9
|
14,824
|
9,8
|
2,06
|
|
∑
|
876,547
|
581
|
100
|
718,837
|
479,2
|
100
|
Ðèñóíîê 7.1 ãðàôèê
äèàãðàììà ñòðóêòóðû
ñåáåñòîèìîñòè
.4 ÐÀÑ×¨Ò È ÎÁÎÑÍÎÂÀÍÈÅ
ÖÅÍÛ ÍÀ ÏÐÎÈÇÂÎÄÈÌÓÞ
ÏÐÎÄÓÊÖÈÞ
7.4.1 Ðàñ÷åò
óñëîâíîé öåíû
âåäåòñÿ ïî áàçîâîìó
âàðèàíòó
×èñòàÿ ïðèáûëü.
Ï÷ áò = 0,25∙ÑÏ
áò = 0,25∙ 876,547 =217,877 ìèë,ðóá
ãäå ÑÏ- ïîëíàÿ
ñåáåñòîèìîñòü;
Ïðèáûëü íàëîãîîáëàãàåìàÿ
ãäå
- ñòàâêà íàëîãà
íà ïðèáûëü.
Íàëîã
íà ïðèáûëü
Ïðèáûëü
áàëàíñîâàÿ
Îáúåì
âûïóñêà òîâàðíîé
ïðîäóêöèè â óñëîâíûõ
îïòîâûõ öåíàõ
Îáú¸ì
òîâàðíîé ïðîäóêöèè
â óñëîâíûõ îòïóñêíûõ
öåíàõ
Óñëîâíàÿ
îòïóñêíàÿ öåíà
äëÿ âàðèàíòà
ïðèìåíåíèÿ áàçîâîé
òåõíèêè
[1],
ãäå
Qãîä - ãîäîâîé îáú¸ì
ðàáîò.
Ñâîäèì
äàííûå ðàñ÷åòû
â òàáëèöó, ìëí.
ðóá
|
Ïîêàçàòåëè
|
Çíà÷åíèå
|
|
1.Íàëîã
íà íåäâèæèìîñòü
|
-
|
|
2.×èñòàÿ
ïðèáûëü, ìëí. ðóá
|
217,877
|
|
3.Ïðèáûëü
íàëîãîîáëàãàåìàÿ,
ìëí. ðóá
|
265,703
|
|
4. Íàëîã
íà ïðèáûëü, ìëí.
ðóá
|
47,826
|
|
5. Ïðèáûëü
áàëàíñîâàÿ, ìëí.
ðóá
|
265,703
|
|
6. Îáúåì
âûïóñêà òîâàðíîé
ïðîäóêöèè â óñëîâíûõ
îïòîâûõ öåíàõ,
ìëí. ðóá
|
1137,211
|
|
7. Îáúåì
âûïóñêà òîâàðíîé
ïðîäóêöèè â óñëîâíûõ
îòïóñêíûõ öåíàõ,
ìëí. ðóá
|
1137,211
|
|
8. Óñëîâíàÿ
îòïóñêíàÿ öåíà
äëÿ âàðèàíòà
ïðèìåíåíèÿ áàçîâîé
òåõíèêè, ðóá/ì3
|
758
|
|
9. ÍÄÑ
|
-
|
7.4.2 Ðàñ÷åò
óñëîâíîé öåíû
âåäåòñÿ ïî íîâîìó
âàðèàíòó
Äëÿ îïðåäåëåíèÿ
÷èñòîé ïðèáûëè
â âàðèàíòå íîâîé
òåõíèêè ïðèíèìàåì
óñëîâíóþ îòïóñêíóþ
öåíó åäèíèöû
ïðîäóêöèè ðàâíîé
öåíå â âàðèàíòå
áàçîâîé òåõíèêè.
Îáúåì
âûïóñêà ïðîäóêöèè
â óñëîâíûõ îòïóñêíûõ
öåíàõ äëÿ âàðèàíòà
ïðèìåíåíèÿ íîâîé
òåõíèêè
Îáúåì
âûïóñêà ïðîäóêöèè
â óñëîâíûõ îïòîâûõ
öåíàõ äëÿ âàðèàíòà
ïðèìåíåíèÿ íîâîé
òåõíèêè
Ïðèáûëü áàëàíñîâàÿ
Ïðèáûëü
íàëîãîîáëàãàåìàÿ
Íàëîã
íà ïðèáûëü
×èñòàÿ ïðèáûëü
Ðåíòàáåëüíîñòü
, [1].
×èñòàÿ
ïðèáûëü äëÿ âàðèàíòà
ïðèìåíåíèÿ íîâîé
òåõíèêè ïîëó÷àåòñÿ
áîëüøå, ÷åì äëÿ
âàðèàíòà ïðèìåíåíèÿ
áàçîâîé òåõíèêè.
Ñâîäèì
äàííûå ðàñ÷åòû
â òàáëèöó, ìëí.
ðóá:
|
Ïîêàçàòåëè
|
Çíà÷åíèå
|
|
ÁÒ
|
ÍÒ
|
|
1.Óñëîâíàÿ
îòïóñêíàÿ öåíà
1-îãî ì3 ïðîäóêöèè
äëÿ âàðèàíòà
ïðèìåíåíèÿ íîâîé
òåõíèêè, ðóá/ì3
|
758
|
758
|
|
2. Îáúåì
âûïóñêà òîâàðíîé
ïðîäóêöèè â óñëîâíûõ
îòïóñêíûõ öåíàõ,
ìëí. ðóá
|
1137,211
|
1137,211
|
|
3.ÍÄÑ
|
-
|
-
|
|
4.Îáúåì
âûïóñêà òîâàðíîé
ïðîäóêöèè â óñëîâíûõ
îïòîâûõ öåíàõ,
ìëí. ðóá
|
1137,211
|
1137,211
|
|
5. Ïðèáûëü
áàëàíñîâàÿ, ìëí.
ðóá
|
265,703
|
418,374
|
|
6. Íàëîã
íà íåäâèæèìîñòü
|
-
|
-
|
|
7. Ïðèáûëü
íàëîãîîáëàãàåìàÿ,
ìëí. ðóá
|
265,703
|
418,374
|
|
8. Íàëîã
íà ïðèáûëü, ìëí.
ðóá
|
47,826
|
75,307
|
|
9. ×èñòàÿ
ïðèáûëü, ìëí. ðóá
|
217,877
|
343,067
|
|
10. Ðåíòàáåëüíîñòü
|
0.25
|
0,47
|
.5 ÎÏÐÅÄÅËÅÍÈÅ
ÒÎ×ÊÈ ÁÅÇÓÁÛÒÎ×ÍÎÑÒÈ
È ÏÎÑÒÐÎÅÍÈÅ
ÃÐÀÔÈÊÀ ÇÀÂÈÑÈÌÎÑÒÈ
ÑÅÁÅÑÒÎÈÌÎÑÒÈ
È ÎÁÚ¨ÌÀ ÒÎÂÀÐÍÎÉ
ÏÐÎÄÓÊÖÈÈ ÎÒ ÎÁÚ¨ÌÀ
ÂÛÏÎËÍßÅÌÛÕ ÐÀÁÎÒ.
Òî÷êà áåçóáûòî÷íîñòè
- ýòî òàêîé îáú¸ì
ïðîèçâîäñòâà
ïðîäóêöèè (îáú¸ìà
âûïîëíÿåìûõ ðàáîò)
ïðè êîòîðîì ïðèáûëü
ðàâíà íóëþ, ò.å.
öåíà ðàâíà ñåáåñòîèìîñòè.
Ââåä¸ì ñëåäóþùèå
îáîçíà÷åíèÿ:
Ñï- ïîëíàÿ ñåáåñòîèìîñòü,
òûñ.ðóá.
ãäå
F=0,3·ÑÏ - óñëîâíî-ïîñòîÿííûå
ðàñõîäû ñåáåñòîèìîñòè
êàëèéíîé ðóäû,
ìëí. ðóá,
áò = 0,3∙ÑÏ
áò =0,3∙ 876,547 = 262,964ìèë.ðóá
f=0,7·ÑÏ/Qãîä - ïåðåìåííûå
ðàñõîäû ñåáåñòîèìîñòè
êàëèéíîé ðóäû
ïðèõîäÿùèåñÿ
íà 1 òîííó ïðîäóêöèè,
òûñ.ðóá/ì3,
õ-
ëþáîé îáú¸ì ïðîèçâîäñòâà
â ïðåäåëàõ çàäàííîãî
îáú¸ìà.
ÒÏîòï-
îáú¸ì òîâàðíîé
ïðîäóêöèè â óñëîâíûõ
îòïóñêíûõ öåíàõ.
Â
“ òî÷êå áåçóáûòî÷íîñòè”
ïðèáûëü ðàâíà
íóëþ èëè æå:
Çàìåíèì
ââåä¸ííûìè ôîðìóëàìè
Öîòï
=959 ðóá /ì3.- óñëîâíàÿ
îòïóñêíàÿ öåíà
1 ì3 êàëèéíîé
ðóäû,
,
[1].
Ðèñ.1.
Ãðàôèêè äîñòèæåíèÿ
áåçóáûòî÷íîñòè
.6
ÐÀÑ×¨Ò È ÀÍÀËÈÇ
ÒÅÕÍÈÊÎ-ÝÊÎÍÎÌÈ×ÅÑÊÈÕ
ÏÎÊÀÇÀÒÅËÅÉ
Ìåòàëëî¸ìêîñòü:
ãäå
m- ìàññà ìàøèíû,
êã;
Óäåëüíûå
êàïèòàëüíûå
âëîæåíèÿ:
Êóä,áò = Êî. áò
⁄ Qãîä =527, 64 ⁄ 1558120 =338,6 ðóá
ړ3
Êóä
íò = Êî íò =Êî
íò ⁄ Qãîä = 603,72 ⁄
1778670 = 339,4 ðóá ⁄ì3
Ïðèâåä¸ííûå
çàòðàòû:
Ñðîê
îêóïàåìîñòè
äîïîëíèòåëüíûõ
êàïèòàëüíûõ
âëîæåíèé:
Ýêîíîìè÷åñêèé
ýôôåêò:
à)
ïî ïðèâåäåííûì
çàòðàòàì
á)
ïî ÷èñòîé ïðèáûëè
, [1].
Ñðàâíèòåëüíàÿ
âåäîìîñòü îñíîâíûõ
òåõíèêî-ýêîíîìè÷åñêèõ
ïîêàçàòåëåé
Òàáëèöà 3
|
¹ ï/ï.
|
Íàèìåíîâàíèå
ïîêàçàòåëåé.
|
Âàðèàíòû
|
|
|
ÁÒ
|
ÍÒ
|
|
1.
|
Ãîäîâîé
îáú¸ì ðàáîò, ì3/ãîä
|
1500000
|
1500000
|
|
2.
|
Ïðîèçâîäèòåëüíîñòü,
ì3/÷:
|
|
|
|
à) ÷àñîâàÿ
|
360
|
405
|
|
á) ãîäîâàÿ
|
1558120
|
1778670
|
|
3.
|
Àìîðòèçàöèîííûå
îò÷èñëåíèÿ, ìëí.
ðóá.
|
108,333
|
102,375
|
|
4.
|
Ìåòàëëî¸ìêîñòü,
êã/ì3
|
0,015
|
0,0139
|
|
5.
|
Ðàñõîä
òîïëèâà ò/ã
|
106,95
|
76,02
|
|
6.
|
Ñåáåñòîèìîñòü
1 ì3 ïðîäóêöèè,ðóá/ì3
|
581
|
479,2
|
|
7.
|
Óäåëüíûå
êàïèòàëüíûå
âëîæåíèÿ, ðóá/ì3
|
338,6
|
339,4
|
|
8.
|
Ïðèâåäåííûå
çàòðàòû, ðóá
|
941,8
|
799,3
|
|
9.
|
Ñðîê
îêóïàåìîñòè
äîïîëíèòåëüíûõ
êàïèòàëüíûõ
âëîæåíèé, ëåò
|
-
|
0,49
|
|
10.
|
Ýêîíîìè÷åñêèé
ýôôåêò:
|
|
|
|
a) ïî ïðèâåäåííûì
çàòðàòàì, ìëí.ðóá
|
-
|
253,420
|
|
á) ïî ÷èñòîé
ïðèáûëè,ìëí.ðóá
|
―
|
125,190
|
|
11.
|
Óñëîâíàÿ
öåíà, ðóá./ ì3
|
758
|
758
|
|
12.
|
×èñòàÿ
ïðèáûëü, ìëí. ðóá.
|
217,877
|
343,067
|
Àíàëèç ÒÝÏîâ:
Ïðîèçâîäèòåëüíîñòü
ïîâûñèëàñü íà
12,5% :
Ìåòàëëî¸ìêîñòü
ïîâûñèëàñü íà
7,3% :
Óäåëüíûå
êàïèòàëüíûå
âëîæåíèÿ ïîâûñèëèñü
íà 14,4%:
Ïðèâåäåííûå
çàòðàòû ïîíèçèëèñü
íà 17,7% :
Ðàçìåùåíî
íà Allbest.ru