Электроснабжение сельскохозяйственного населенного пункта

  • Вид работы:
    Курсовая работа (т)
  • Предмет:
    Физика
  • Язык:
    Русский
    ,
    Формат файла:
    MS Word
    740,93 Кб
  • Опубликовано:
    2013-05-22
Вы можете узнать стоимость помощи в написании студенческой работы.
Помощь в написании работы, которую точно примут!

Электроснабжение сельскохозяйственного населенного пункта

Министерство с СЕЛЬСКОго ХОЗЯЙСТВа Российской федерации

ФЕДЕРАЛЬНОЕ ГОСУДАРСТВЕННОЕ ОБРАЗОВАТЕЛЬНОЕ УЧРЕЖДЕНИЕ ВЫСШЕГО ПРОФЕССИОНАЛЬНОГО ОБРАЗОВАНИЯ

«БАШКИРСКИЙ ГОСУДАРСТВЕННЫЙ АГРАРНЫЙ УНИВЕРСИТЕТ»

Кафедра электроснабжения и применения электрической энергии в сельском хозяйстве



МЕТОДИЧЕСКИЕ УКАЗАНИЯ

к выполнению курсового проекта

Специальность 110302

Электрификация и автоматизация сельского хозяйства











Уфа 2010г.

ВВЕДЕНИЕ

Электроснабжение производственных предприятий и населенных пунктов в сельской местности имеет свои особенности по сравнению с электроснабжением промышленности и городов. Главная из них ― это необходимость подводить электроэнергию к огромному количеству сравнительно маломощных объектов, рассредоточенных по всей территории страны. В результате протяженность сетей на единицу мощности потребителя во много раз превышает эту величину в других отраслях народного хозяйства, а стоимость электроснабжения в сельском хозяйстве составляет до 65-75% от общей стоимости электрификации, включая затраты на приобретение рабочих машин.

Протяженность сельских электрических линий напряжением 0,38-20 кВ превысила 5 миллионов километров и во много раз больше, чем во всех других отраслях народного хозяйства, вместе взятых.

Сказанное выше наглядно показывает, какое большое значение имеет электроснабжение в условиях сельского хозяйства. От его рационального решения в значительной степени зависит экономическая эффективность применения электроэнергии в сельском хозяйстве и быту сельского населения. Поэтому первостепенная задача правильного электроснабжения заключается в доведении стоимости электроэнергии до минимальной. Надежность подачи электроэнергии тоже важнейший показатель качества электроснабжения. В связи с бурным ростом электрификации сельскохозяйственного производства, особенно в связи с созданием в сельском хозяйстве комплексов промышленного типа, всякое отключение ― плановое (для ревизии и ремонта) и особенно аварийное ― наносит огромный ущерб потребителю и самой энергетической системе. Поэтому применение эффективных и экономически целесообразных мер для обеспечения оптимальной надежности электроснабжения ― важнейшая задача специалистов, работающих в этом направлении электрификации сельского хозяйства.

Цель курсового проекта - проектирование внешней схемы электроснабжения потребителей одного населенного пункта по сетям напряжением 10 и 0.38 кВ от главной понизительной подстанции (ГПП) напряжением 110/10 кВ, расположенной в другом населенном пункте (на центральной усадьбе).

 

СОДЕРЖАНИЕ ПРОЕКТА


В населенном пункте предлагается построить 6 трансформаторных подстанций (ТП) напряжением 10/0,38 кВ: для ТП5 определяются нагрузки линий напряжением 0,38 кВ и самой ТП, для ТП 1 только нагрузки подстанции. На ТП5 выбирают конденсаторные батареи для компенсации реактивной мощности, а затем по экономическим интервалам выбираются мощности трансформаторов для ТП2, ТП3, ТП4, ТП 6. Нагрузки ТП2, ТП3, ТП4, ТП 6, расчет которых произведен аналогично расчету ТП 5, приведены в таблице 1.1. Трассы воздушной линии напряжением 10 кВ уже выбраны. В линии 10 кВ рассчитывается электрические нагрузки и выбирается сечение проводов по экономическим интервалам и экономической плотности тока. Составляется таблица отклонения напряжения, по которой устанавливается положение регуляторов ПБВ на трансформаторах 10/0,4 кВ, и определяется допустимая потеря напряжения в линии 0,38 кВ, подключенных к ТП5. Выбираются сечение проводов линий 0,38 кВ, при этом рекомендуется несколько методов выбора. Окончательное сечение проводов в линии Л1 принимается после проверки на успешный запуск крупного асинхронного электродвигателя. Проектируется конструктивное исполнение линии 10 и 0,38 кВ и ТП5. Рассчитываются токи короткого замыкания, необходимые для выбора оборудования ТП5, расчета и проверки защит электроустановок. Линии 0,38 кВ защищаются автоматическими выключателями и в случае необходимости, защитой типа ЗТ-04, которая поставляется в виде приставки к автомату. Хотя ТП 10/0,4 кВ комплектуется однотипными автоматическими выключателями, в проекте рекомендуется защищать линии разными выключателями, чтобы знать способы расчета защит на разных выключателях. Трансформатор ТП1 защищается плавкими предохранителями, ток плавкой вставки которых выбирается по трем условиям. Защита ВЛ 10 кВ (максимально-токовая и токовая отсечка) выполняется на реле РТ 85, реже - на реле РТ-40 (либо в крайнем случае на реле РТВ и РТМ). Все защиты электропередачи согласуются между собой, для чего строится график согласования. Для ТП5 выбирается средство грозозащиты.

Проект завершается технико - экономическим расчетом, в результате которого оценивается себестоимость передачи электроэнергии по спроектированной электрической сети.

Каждый электрический расчет должен сопровождаться схемой сети, методикой расчета, одним примером расчета и сводными данными в виде таблицы.

При выполнении однотипных расчетов, например, при электрическом расчете участков ВЛ 10 кВ, рекомендуется применять ЭВМ.

Расчет токов короткого замыкания следует проводить с использованием компьютерной программы, разработанной Ивановским энергетическим университетом.

Руководитель курсового проекта может предложить спроектировать линию 6, 20 или 35 кВ (вместо 10кВ), а также применить другие методики при электрическом расчете линий, оценка фактического отклонения напряжения на запускаемом электродвигателе и т.п.

В методических указаниях наиболее трудные разделы иллюстрируются числовыми расчетами.

Курсовой проект оформляется в виде пояснительной записки объемом 30…50 страниц формата А4 и двух листов графической части формата А1, согласно стандарту предприятия БГАУ.

Исходные данные и варианты заданий на проектирование выдаются преподавателем.

 

1. ИСХОДНЫЕ ДАННЫЕ И ВАРИАНТЫ ЗАДАНИЙ НА ПРОЕКТИРОВАНИЕ


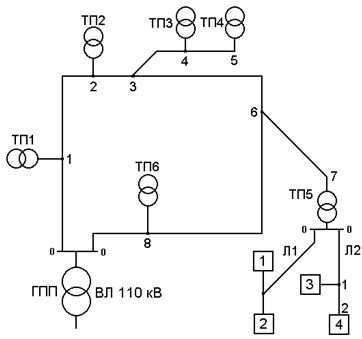
Схема сети напряжением 10 кВ для питания населенного пункта приведена на рисунке 1.1.

Варианты заданий (1- 30) даны в таблице 1.1, в которой приведены исходные данные для проектирования:

·  Sск3- мощность трехфазного короткого замыкания (КЗ) на шинах 10 кВ ГПП;

·  V100- отклонение напряжения на этих шинах в максимальном режиме;

·        V25- отклонение напряжения на этих шинах в минимальном режиме;

·        Lnn- активные дневные Ртпд и вечерние Ртпв нагрузки ТП2, ТП3,ТП4, ТП6;

·        данные по потребителям ТП1 и ТП 5.

Длины неуказанных участков в таблице 1.1 принять равными 0,7 км.

Наименование потребителей электрической энергии, рассматриваемых в проекте, и их нагрузки на вводе приведены в таблице 1.2. Здесь же даны мощности самых крупных асинхронных электродвигателей Рэдном. Наименование потребителей и их количество, подключенных к ТП1 и ТП5, а также длины линий 0,38 кВ ТП приведены в таблице 1.1.

Подробный расчет нагрузок линий 380/220 В необходимо провести для ТП5. Мощности трансформаторной подстанции ТП5 определяют после расчета линий 0,38 кВ, подключенной к этой ТП. Мощности ТП1 рассчитываются без определения нагрузок линий 0,38 кВ. Наименование потребителей электроэнергии, рассматриваемых в проекте, и их нагрузки на вводе приведены в таблице 1.2.Здесь же даны мощности самых крупных электродвигателей Рэд ном.

Наименования потребителей и их количество подключенных к ТП1 и ТП5, а также длины участков приведены в таблице 1.1.


Рисунок 1.1 Исходная схема электропередачи

Таблица 1.1 Исходные данные и варианты заданий на проектирование

№ п/п

Исходные величины

Номер варианта



1

2

3

4

5

6

7

8

1

V100, % V25, %

+5 +1

+6 +3

+7 +0

+5 0

+6 +0

+7 +2

+8 +3

+9 +2

2

S(3)ск МВА

100

110

120

130

140

150

160

170

3

Длина участков 10 кВ, км

L0-1 L1-2 L2-3 L3-4 L4-5 L3-6 L6-7 L6-8 L8-0

4,2 2,5 0,5 1,2 0,8 3,4 0,2 2,4 1,4

3,5 3,1 0,25 1,4 1,3 3,5 0,3 2,6 1,8

3,7 3,8 0,7 1,6 1,4 3,7 1,2 2,5 1,7

3,6 3,4 1,5 1,5 1,6 3,8 0,4 2,8 1,6

5,2 3,6 1,6 1,8 1,2 3,1 0,45 2,4 1,5

3,3 3,7 1,7 1,9 1,3 3,2 0,46 2,5 1,2

2,2 3,4 1,2 1,6 1,3 4,3 0,1 2,8 1,6

2,5 3,1 1,3 1,7 1,4 4,4 0,2 2,7 1,5

4

Ртп д, кВт:

ТП2 ТП3 ТП4 ТП6

155 - 149 93

150 - 148 90

145 - 147 87

140 - 146 84

135 - 145 81

125 54 - 75

120 56 - 72

115 58 - 69


Qтп д, квар:

ТП2 ТП3 ТП4 ТП6

120 - 95 62

116 - 94 60

112 - 93 58

108 - 92 56

104 - 91 54

96 37 - 50

92 38 - 48

50 84 128 36

5

Ртп в, кВт:

ТП2 ТП3 ТП4 ТП6

110 100 120 112

115 98 121 115

120 96 122 118

125 94 123 121

30 92 124 124

40 88 126 130

45 86 127 133

50 84 128 36


Qтп в, квар:

ТП2 ТП3 ТП4 ТП6

24 60 40 34

28 59 41 36

22 58 42 38

26 57 43 40

20 56 44 42

28 54 16 16

32 53 17 18

36 52 18 20

6

Количество (знаменатель) и номера потребителей (числитель), подключенных к ТП-5 в точках

1 2 3 4

3 14/3 9 14/3

2 14/5 15/2 6/1

1 9 14/6 15/1

24 19/3 25/7 22

23 27 27 22

23 17 17 22/2

5 8 9 14/2

4 11 5 6

7

Длина линий 0,38 кВ ТП-5 км

Л1 Л2 0-1 1-2

0,8  0,6 0,5

0,9  0,7 0,6

1,2  0,8 0,5

1,1  0,3 0,4

1,6  1,5 0,2

1,7  1,4 0,3

1,4  1,2 1,1

1,7  1,6 0,4

8

Потребители ТП-1

1 2 3

5 7 8

4 9 2

11 4 3

5 9 7

3 5 4

6 1 2

9 10 11

№ п/п

Исходные величины

Номер варианта



9

10

11

12

13

14

15

16

1

V100, % V25, %

+5 +1

+6 +3

+7 +0

+5 0

+6 +0

+7 +2

+8 +3

+9 +2

2

S(3)ск МВА

180

190

200

110

120

130

140

150

3

Длина участков 10 кВ, км

L0-1 L1-2 L2-3 L3-4 L4-5 L3-6 L6-7 L6-8 L8-0

3,3 3,7 1,7 1,9 1,3 3,2 0,46 2,5 1,2

3,5 3,1 0,25 1,4 1,3 3,5 0,3 2,6 1,8

4,2 2,5 0,5 1,2 0,8 3,4 0,2 2,4 1,4

3,6 3,4 1,5 1,5 1,6 3,8 0,4 2,8 1,6

5,2 3,6 1,6 1,8 1,2 3,1 0,45 2,4 1,5

2,5 3,1 1,3 1,7 1,4 4,4 0,2 2,7 1,5

6,7 5,1 2,4 2,0 1,5 4,1 0,3 2,4 1,6

1,4 1,2 2,4 2,5 1,5 4,8 0,4 2,9 1,1

4

Ртп д, кВт:

ТП2 ТП3 ТП4 ТП6

110 60 - 66

105 69 132 -

100 64 138 -

95 66 137 -

90 68 136 -

80 72 134 148

75 74 133 145

70 76 132 142


Qтп д, квар:

ТП2 ТП3 ТП4 ТП6

84 40 - 44

80 41 65 -

76 42 64 -

72 43 63 -

68 44 62 -

60 46 60 52

56 47 69 50

52 48 68 48

5

Ртп в, кВт:

ТП2 ТП3 ТП4 ТП6

55 82 129 139

60 80 130 142

65 78 131 145

70 71 132 148

75 74 133 51

85 70 135 57

90 68 138 60

95 66 137 63


Qтп в, квар:

ТП2 ТП3 ТП4 ТП6

40 51 19 22

44 50 20 24

48 49 21 26

52 48 22 28

56 47 23 30

64 15 25 34

68 44 26 36

72 43 27 38

6

Количество (знаменатель) и номера потребителей (числитель), подключенных к ТП-5 в точках

1 2 3 4

3 12 9/3 6/1

2 11 7/1 9/3

1 12 9/2 15

24 18 19 25/3

23 18 19 25/5

23 22 16 25/6

5 6/1 15/1 14/3

4 14/2 11/1 10

7

Длина линий 0,38 кВ ТП-5 км

Л1 Л2 0-1 1-2

1,84  1,6 0,5

0,51  1,7 0,6

1,23  1,8 0,5

2,44  1,3 0,4

1,68  2,5 0,2

1,8  0,4 0,3

1,87  1,3 1,1

1,53  1,8 0,4

8

Потребители ТП-1

1 8 2

5 3 7

14 15 1

6 7 2

4 12 10

9 8 6

6 4 2

7 6 13

№ п/п

Исходные величины

Номер варианта



17

18

19

20

21

22

23

24

1

V100, % V25, %

+5 +1

+6 +3

+7 +0

+5 0

+6 +0

+7 +2

+8 +3

+9 +2

2

S(3)ск МВА

160

170

180

190

200

100

240

110

3

Длина участков 10 кВ, км

L0-1 L1-2 L2-3 L3-4 L4-5 L3-6 L6-7 L6-8 L8-0

2,8 2,3 2,5 1,2 1,4 2,7 1,1 3,2 1,1

2,7 2,4 2,6 2,4 1,5 2,8 1,2 3,3 1,2

2,5 2,6 2,7 2,8 1,6 2,4 1,3 3,0 1,0

2,4 2,7 2,4 3,2 1,7 2,1 1,6 3,2 1,4

2,4 3,5 1,2 3,0 1,7 2,4 1,5 3,1 3,2

2,1 1,2 3,2 2,7 1,4 2,8 1,6 3,2 2,4

2,4 3,2 1,2 1,5 4,4 3,2 1,8 3,4 1,9

2,4 2,4 1,4 1,7 4,5 3,5 1,7 3,2 1,7

4

Ртп д, кВт:

ТП2 ТП3 ТП4 ТП6

165 78 131 139

155 82 129 133

150 84 128 130

145 86 127 127

140 88 126 124

135 90 125 121

130 92 124 118

125 94 123 115


Qтп д, квар:

ТП2 ТП3 ТП4 ТП6

88 49 67 46

80 51 65 42

86 52 64 40

82 53 63 48

88 54 62 46

84 55 61 44

80 56 60 42

46 57 79 40

5

Ртп в, кВт:

ТП2 ТП3 ТП4 ТП6

100 64 133 66

110 60 140 72

115 58 41 75

120 56 42 78

125 54 43 81

130 52 44 84

135 50 45 87

140 48 46 90


Qтп в, квар:

ТП2 ТП3 ТП4 ТП6

76 42 28 40

84 40 30 44

88 39 31 46

92 38 32 48

96 37 33 50

100 36 34 52

104 35 35 54

108 34 36 56

6

Количество (знаменатель) и номера потребителей (числитель), подключенных к ТП-5 в точках

3 5 14/4 12/1

1 14/2 15/2 9/1

24 16 22/1 19/2

23 22/1 19/2 20/2

24 16 19/2 20/1

23 16 19/2 22/1

5 6 10/1 11/1

4 5 9/3 10/1

7

Длина линий 0,38 кВ ТП-5 км

Л1 Л2 0-1 1-2

1,77  1,9 1,5

0,58  1,2 1,6

1,28  1,3 0,5

2,47  1,5 0,4

1,68  2,5 0,2

1,38  0,5 0,3

1,85  1,7 1,1

1,33  1,8 0,4

8

Потребители ТП-1

10 12 1

12 8 1

6 7 13

22 24 12

18 17 15

16 14 17

12 21 24

14 5 7

№ п/п

Исходные величины

Номер варианта



25

26

27

28

29

30

1

V100, % V25, %

+7 +0

+5 +3

+8 +1

+9 +2

+10 +5

+1 +0

2

S(3)ск МВА

120

130

140

150

160

170

3

Длина участков 10 кВ, км

L0-1 L1-2 L2-3 L3-4 L4-5 L3-6 L6-7 L6-8 L8-0

2,8 2,3 2,5 1,2 1,4 2,7 1,1 3,2 1,1

2,7 2,4 2,6 2,4 1,5 2,8 1,2 3,3 1,2

2,5 2,6 2,7 2,8 1,6 2,4 1,3 3,0 1,0

2,4 2,7 2,4 3,2 1,7 2,1 1,6 3,2 1,4

2,4 3,5 1,2 3,0 1,7 2,4 1,5 3,1 3,2

2,1 1,2 3,2 2,7 1,4 2,8 1,6 3,2 2,4

4

Ртп д, кВт:

ТП2 ТП3 ТП4 ТП6

120 96 122 112

115 98 121 89

110 100 130 76

150 - 148 90

155 - 149 93

80 72 134 148


Qтп д, квар:

ТП2 ТП3 ТП4 ТП6

42 58 18 68

78 59 47 26

14 60 76 74

116 - 94 60

120 - 95 62

60 46 60 52

5

Ртп в, кВт:

ТП2 ТП3 ТП4 ТП6

42 58 18 68

150 44 48 96

150 42 49 99

115 98 121 115

110 100 120 112

85 70 135 57


Qтп в, квар:

ТП2 ТП3 ТП4 ТП6

145 46 47 93

116 32 38 60

120 31 39 62

28 59 41 36

24 60 40 34

84 45 25 34

6

Количество (знаменатель) и номера потребителей (числитель), подключенных к ТП-5 в точках

1 2 3 4

3 7 9/2 10/1

2 4 14/2 8/1

1 14/2 5 4

2 14/5 15/2 6/1

3 12/1 14/3 14/6

23 26/6 17 22

7

Длина линий 0,38 кВ ТП-5 км

Л1 Л2 0-1 1-2

1,77  1,9 1,5

0,58  1,2 1,6

1,85  1,7 1,1

2,47  1,5 0,4

1,77  1,9 1,5

1,38  0,5 0,3

8

Потребители ТП-1

20 12 3

5 4 7

8 5 9

18 12 5

21 17 8

9 14 13


Таблица 1.2 Нагрузки на вводе потребителей

№ потребителя.

Наименование потребителя

Р эд. ном., кВт

Нагрузка




Активная, кВт

Реактивная, квар




Рдi

Раi

Qдi

Qвi

1

Лесопильный цех с пилорамой: ЛРМ-79

22

16

2

18

-

2

Р-65

30

23

2

27

-

3

Мельница с жерновым поставом: 8/4

22

17

1

13

-

4

7/4

13

10

1

8

-

5

Мельница вальцовая

10

15

1

10

-

6

Столярный цех

-

15

1

10

-

7

Мастерские

-

15

5

12

4

8

Стоянка для тракторов

-

5

2

3

-

9

Материальный склад

-

3

1

2

-

10

Пожарное дело

-

4

4

3

3

11

Зерноочистительный агрегат: ЗАВ - 20

-

25

26

25

23

12

ЗАВ - 40

-

35

36

35

32

13

Зерноочистительно- сушильный комплекс КЭС 10Б

-

65

65

60

60

14

Зернохранилище:на 500 т

-

10

5

10

3

15

на 1000 т

14

25

10

25

5

16

Коровник: на 100 коров

-

10

10

8

8

17

на 200 коров

-

17

17

13

13

18

На 400 коров

-

45

45

33

33

19

Телятник: на 120 телят

-

5

8

3

5

20

на 230 телят

-

6

10

4

6

21

на 340 телят

-

7

12

5

8

22

Кормоцех

-

50

50

45

45

23

Дробилки кормов: ДБ-5-1

40

04

-

35

-

24

КДМ-2

30

30

-

35

-

25

Овощехранилище:на 500 т

-

5

2

3

-

26

на 1000 т

-

6

2

4

-

27

Склад кормов

-

20

1

12

-

28

Бригадный дом

-

4

7

-

-

29

Школа






30

Клуб

-

3

10

1,5

6

31

Детские ясли-сад

-

23

14

7

4

32

Столовая

-

35

15

5

33

Хлебопекарня

-

5

5

4

4

34

Магазин

-

2

4

-

-

35

Баня

-

7

7

2

2

36

Жилой дом старый с газом

-

0,5

1,5

0,24

0,6

37

Жилой дом старый без газа

-

0,6

1,8

0,3

0,7

 

38

Жилой дом новый с газом

-

0,7

2,0

0,32

0,75

 

39

Жилой дом новый без газа

-

0,9

2,5

0,4

0,9

 

40

Коттедж с газом

-

1,5

4,0

0,6

1,32

 

41

Коттедж без газа

-

2,0

5,0

0,72

1,45

 

42

Коттедж с электроплитой

-

3,5

6,0

1,15

1,5

 

43

Коттедж с электроплитой и водонагревателем

-

4,5

7,5

1,5

1,87

 

44

Коттедж с электроплитой, водонагревателем и кондиционером

-

5,1

8,5

2,1

2,87

 


2. Расчет электрических нагрузок

В населенном пункте рассчитываются нагрузки двух трансформаторных подстанций: для TП5 определяются нагрузки линий 0,38 кВ и самой TП, а для ТП1 - только нагрузки подстанции. Потребители и их нагрузки на вводе согласно /1/, подключенные к этим ТП, приведены в таблицах 1.1 и 1.2.

Нагрузки на вводе жилого дома с учетом перспективы определяются по номограмме /1/, исходя из среднего годового потребления электроэнергии за прошлый год на один дом.

Нагрузка наружного освещения улиц определяется типом светильника, шириной улиц, их покрытием и этажностью. В курсовом проекте нагрузку наружного освещения можно принять примерно 6 Вт на один погонный метр улицы, а длину улиц определить по количеству домов, считая расстояние между домами около 30 м. Освещение территорий хозяйственных дворов принимается из расчета 250 Вт на помещение и 3 Вт на погонный метр длины периметра хоздвора (периметры хоздворов студенты выбирают сами).

Определение электрических нагрузок линий напряжением 0,38 кВ производится исходя из расчетных нагрузок на вводе потребителей и коэффициентов одновременности, когда расчет ведется без применения ЭВМ.

 
Рд=ко SРдi                                                                                              (2.1)

Рв=ко SРвi                                                                                     (2.2)

Qд=ко SQдi,                                                                                   (2.3)

Qв=ко SQвi,                                                                                   (2.4)

где Рд, Рв - расчетные активные дневная и вечерняя нагрузки на участке линии;

Qд, Qв - то же, реактивные нагрузки;

Рдi, Рвi, Qдi, Овi - нагрузки на вводе i-го потребителя;

ко - коэффициент одновременности (таблица. 2.1).

Таблица 2.1 Коэффициенты одновременности для суммирования нагрузок в сетях 0,38 кВ

Потребители

Количество потребителей, шт

1

2

3

5

7

10

15

20

50

100

200

500

Жилые дома с нагрузкой на вводе:

До 2 кВт/ дом До 2 кВт/ дом

0,76

0,65

0,55

0,49

0,44

0,40

0,37

0,30

0,26

0,24

0,22


0,75

0,64

0,53

0,47

0,45

0,37

0,34

0,27

0,24

0,20

0,18

Жилые дома с электроплитами и водонагревателями

0,73

0,62

0,50

0,43

0,38

0,32

0,29

0,22

0,17

0,15

0,12

Производственные, общественные и коммунальные

0,85

0,80

0,75

0,70

0,65

0,60

0,55

0,47

0,40

0,35

0,30

 

Если нагрузки потребителей отличаются более чем в 4 раза, то расчетные нагрузки участков линий определяют по добавкам мощностей:

Рд = Рд наиб +                                                                            (2.5)

Рв = Рв наиб +                                                                            (2.6)

где Рд - наибольшая дневная нагрузка из всех слагаемых нагрузок потребителей;

- добавка к наибольшей нагрузке от активной нагрузки i-го потребителя, определяемая по таблице суммирования (таблица 2.2), промежуточные значения находятся интерполяцией.

 

Таблица 2.2 Добавки при суммировании нагрузок в сетях 0,38 кВ

Р

Р

Р

Р

Р

0,2

0,2

16

9,8

45

30,2

100

69,0

180

130

0,5

0,3

18

11,2

48

32,5

105

72,5

185

135

1

0,6

20

12,5

50

34,0

110

76,0

190

140

2

1,2

22

13,8

52

35,4

115

80,5

195

145

3

1,8

24

15,0

55

37,5

120

84,0

200

150

4

2,4

25

15,7

58

39,6

125

88,0

205

154

5

3,0

26

16,4

60

41,0

130

92,0

210

158

6

3,6

28

17,7

62

42,4

135

96,0

220

166

7

4,2

30

19,0

65

44,5

140

100,0

230

174

8

4,8

32

20,4

68

46,6

145

104,0

240

182

9

5,4

34

22,0

70

48,0

150

108,0

250

190

10

6,0

35

22,8

75

51,2

155

112,0

260

198

11

6,7

36

23,6

80

55,0

160

116,0

270

206

12

7,3

38

25,0

85

58,5

165

120,0

280

214

14

8,5

40

26,5

90

62,0

170

123,0

290

222

15

9,2

42

28,0

95

65,5

175

126,0

300

230


Таблицей 2.2 можно воспользоваться при определении реактивных мощностей. При смешанной нагрузке нагрузки на участках сети с малыми домами, производственными и прочими помещениями определяются отдельно при помощи соответствующих коэффициентов одновременности. Полученные нагрузки суммируются по таблице 2.2.

Пример расчета нагрузок участков линий 0,38 кВ и ТП5 приведен в таблице 2.3, пример определения нагрузок ТП1 - в таблице 2.4.

Таблица 2.3 Определение нагрузок линий 0,38 кВ и ТП5

Линии

Потребители

Количество, шт.

К0

Активная нагрузка, кВт

Реактивная нагрузка, квар





на вводе

расчетная

на вводе

расчетная





Рдi

Рвi

Рв

Qдi

Qвi

Л1

1.Дробилка кормов КДМ - 2

1

1

30

-

30

-

25

-

25

-


2.Телятник на 120 телят

3

0,8

5

8

12

19,2

3

5

7,2

12

Л2

3.Овощехранилище на 500 т.

7

0,7

5

2

24,5

9,8

3

-

14,7

-


4.Кормоцех

1

1

50

50

50

50

45

45

45


Наружное освещение: помещений

12

1

-

0,25

-

3

-

-

-

-

хоздворов (100*0,003 кВт /м)

12

1

-

0,3

-

3,6

-

-

-

-

Нагрузка ТП5

-

-

-

-

91,65

71,19

-

-

74,01

57


Для участков линий 0,38 кВ и трансформаторных подстанций рассчитываются полные мощности, токи и коэффициенты мощности:

,                                                                              (2.8)

,                                                                              (2.9)

                                                                                 (2.10)

,                                                                                 (2.11)

,                                                                             (2.12)

,                                                                               (2.13)

Таблица 2.4 Определение нагрузок ТП1

Потребители

Кол-во

Ко

Активная нагрузка, кВт

Реактивная нагрузка, квар




на вводе

расчетная

на вводе

расчетная




Рдi

Рвi

Рд

Рв

Qдi

Qвi

1. Мельница с жерновым составом 8/4

1

1

17

1

17

1

13

-

13

-

2.Мельница с жерновым составом 7/4

1

1

10

1

10

1

8

-

8

-

3.Зерноочистительный агрегат ЗАВ - 20

1

1

25

26

25

26

25

23

25

23

Наружное освещение помещений

3

1

-

0,25

-

0,75

-

-

-

-

Наружное освещение хоздворов периметром по 100 м

3

1

-

0,3

-

0,9

-

-

-

-

Нагрузка ТП1

-

-

-

-

52

28,2

-

-

37,7

23


Результаты расчета нагрузок сводятся в таблицу 2.5. Токи ТП1 и ТП5 не рассчитываются, так как расчетные мощности этих ТП будут определены только после компенсации реактивной мощности.

Таблица 2.5 Сводные данные расчета нагрузок

Элементы сети

Мощность

Ток, А

Коэффициент мощности


Активная, кВт

Реактивная, квар

Полная, кВт




Рд

Рв

Cosjд

Cosjв

1

2

3

4

5

6

7

8

9

10

11

ТП-1

52

28,2

37,7

23

64,2

36,4

-

-

0,8

0,77

ТП-2

140

125

108

26

176,8

127,7

-

194

0,79

0,98

ТП-3

-

94

-

57

-

109,9

-

-

-

0,85

ТП-4

146

123

92

43

172,6

130,3

-

-

0,84

0,94

ТП-5

91,65

71,9

74,01

57

117,8

91,7

-

-

0,78

0,78

ТП-6

84

121

56

40

100,9

127,4

-

193,6

0,83

0,95

После компенсации реактивной мощности

ТП-1

52

28,2

7,7

3

52,6

28,4

80

43,1

0,98

0,99

ТП-2

140

125

8

26

140,2

127,7

213

194

0,99

0,98

ТП-3

-

94

-

7

-

94,3

-

143,3

-

0,99

ТП-4

146

123

17

3

147

123

223,3

186,9

0,99

1

ТП- 5

91,65

71,9

24

7

94,7

72,2

143,9

109,7

0,97

0,99

ТП-6

84

121

6

40

84,2

127,4

127,9

193,6

0,99

0,95

3. Компенсация реактивной мощности

При естественном коэффициенте мощности линии или ТП меньше 0,95 рекомендуется компенсация реактивной мощности /2/.

В проекте необходимо выбрать конденсаторные батареи БК для ТП5 и ТП1 и установить их на шинах 0,4 кВ этих ТП.

Порядок расчета следующий.

По естественному коэффициенту мощности (таблица 2.5) определяют, где и когда необходима компенсация.

Определяют реактивную мощность Qк, которую необходимо компенсировать до cosφ = 0,95

Qк = Qест - 0,33 P                                                                         (3.1)

где Qест - естественная (до компенсации) реактивная мощность.

Для ТП-1 согласно данным таблицы 2.5:

Qкд= 37,7 - 0,33·52 = 20,5 кВАр;

Qкв=23 - 0,33·28,2 =13,7 кВАр.

Выбирают мощность конденсаторных батарей Qбк, при этом перекомпенсация не рекомендуется:

Qк< Qбк <Qест                                                                              (3.2)

Есть БК, номинальная мощность которых отличается от перечисленных, рекомендуется устанавливать БК, если Qбк > 25 кВАр.

Батарею конденсаторов лучше выбирать одной и той же для дневного и вечернего максимумов. Если это сделать не удается, то выбирают две батареи (иногда больше), причем в один максимум они включены обе, в другой - только одна.

В примере для ТП1 можно выбрать Qбк =20 кВАр .

Определяют нескомпенсированную реактивную мощность

Q= Qест - Qбк                                                                                (3.3)

Для ТП-1:

Qд = Qест д - Qбк = 37-20=17 кВАр;

Qв = Qест в - Qбк = 23-20 =3 кВАр.

Рассчитывают полную нагрузку трансформаторных подстанций с учетом компенсации

S = .                                                                                (3.4)

Для ТП-1:

Sд =  кВА; Sв =  = 28,3 кВА.

Коэффициенты мощности после компенсации определяют по формулам (2.13)…(2.14).

Для ТП-1:

соsjд = 52/ 54,7 = 0,95.

cosjв = 28,2 / 28,3 =0,996.

Данные по компенсации реактивной мощности сводятся в таблицу 3.1. Выбор БК можно быстро производить по номограммам /2/.

Сводные данные после компенсации, занесены в таблицу 2.5.

Таблица 3.1 Сводные данные по компенсации реактивной мощности

ТП

Расчетная мощность, квар


естественная

для компенсации

БК

расчетная


Qест д

Qест в

Qк д

Qк в

Qбк д

Qбк в

ТП-1

37,7

23

20,5

13,7

30

20

7,7

3

ТП-2

108

-

61,8

-

100

-

8

-

ТП-3

-

57

-

26

-

50

-

7

ТП-4

92

43

43,8

2,4

75

40

17

3

ТП-5

74,01

57

43,7

33,3

50

50

24

7

ТП-6

56

-

28,3

-

50

-

6

-


. ВЫБОР ПОТРЕБИТЕЛЬСКИХ ТРАНСФОРМАТОРОВ

Номинальную мощность трансформаторов 6/0,4; 10/0,4; 20/0,4 и 35/0,4 кВ выбирают по экономическим интервалам нагрузок в зависимости от расчетной полной мощности, среднесуточной температуры охлаждающего воздуха и вида нагрузки.

Для рассматриваемого примера на ТП1 и ТП5 необходимо установить трансформаторы мощностью 63 кВА и 100 кВА.

Для всех ТП выбирают трансформаторы и записывают их основные технические данные (таблица 4.1).

Таблица 4.1

Основные технические данные трансформаторов 10 / 0,4 кВ

№ ТП

Sрасч, кВа

Тип

Sт ном, кВа

Uвн ном, кВ

Uнн ном , кВ

DРх, кВт

DРк, кВт

Uк%

ПБВ %

DW, кВт/ ч год

1

52,6

ТМ

63

10

0,4

0,265

1,28

4,5

±2 × 2,5

3481,4

2

140,2

ТМ

160

10

0,4

0,565

2,65

4,5

±2 × 2,5

7798

3

94,3

ТМ

100

10

0,4

0,365

1,97

4,5

±2 × 2,5

5474,8

4

147

ТМ

160

10

0,4

0,565

2,65

4,5

±2 × 2,5

8081

5

94,7

ТМ

100

10

0,4

0,365

1,97

4,5

±2 × 2,5

5494,1

6

127,4

ТМ

160

10

0,4

0,565

2,65

4,5

±2 × 2,5

7301,6

Итого



743







37630,9

Потери энергии в трансформаторах определяют по формуле

                                    (4.1)

где DРх и DРк - потери мощности холостого хода и короткого замыкания в трансформаторе;

t - время максимальных потерь, определяют по зависимости t=f (Tmax), где время использования максимальной мощности Tmax выбирают в зависимости от характера нагрузки по таблице 4.2.

Таблица 4.2 Зависимость Тmax и t от расчетной нагрузки

Ррасч, кВт

Характер нагрузки


Коммунально-бытовая

производственная

смешанная


Время,ч


Tmax

t

Tmax

t

Tmax

t

0...10

900

300

1100

400

1200

500


1200

500

1500

500

1700

600

20...50

1600

600

2000

1000

2200

1100

50...100

2000

1000

2500

1300

2800

1500

100...250

2350

1200

2700

1400

3200

2000

250...300

2600

1400

2800

1500

3400

2100

300…400

2700

1450

2900

1530

3450

2120

400…600

2800

1500

2950

1600

3500

2150

600...1000

2900

1600

3000

1630

3600

2200


ЭЛЕКТРИЧЕСКИЙ РАСЧЕТ ЛИНИИ НАПРЯЖЕНИЕМ 10 КВ

Электрический расчет воздушных линий (BЛ) производится с целью выбора марки и сечения проводов и определения потерь напряжения и энергии (таблица 5.1). Приведем пример расчета линии по схеме (рисунок 5.1.)

Определим нагрузку в точке 3

S3 = S4 + S5 = 94 + j7 + 146 + j17 = 240 + j24 кВА.

Раскольцуем сеть и получим расчётную схему (рисунок 5.2).

Рисунок 5.1 Раскольцованная сеть

Определим потоки мощности на головных участках цепи:

S=                                                                                    (5.1)

 кВА;

 кВА.

Определим потоки мощности на остальных участках сети по первому закону Кирхгофа:

S1-2 = S0/-1 - S1 = 326,46 + j39 - (52 + j7,7) = 274,46 + j31,3кВА;-3 = S1-2 - S2 = 274,46 + j31,3 - (140 + j8) = 134,46 + j23,3кВа;-6 = S0//-8 - S8 = 318,19 + j 64,7 - (121 + j40) = 197,19 + j24,7кВа;-3 = S8-6 - S6 = 197,19 + j24,7 - (91,65 + j24) = 105,54 + j0,7кВа.

Нанесем полученные потоки мощности на схему 5.3 и определим точку потокараздела для активной и реактивной мощности, в данном случае имеется одна точка потокараздела как для активной, так и для реактивной мощности.

Таблица 5.1 Электрический расчет ВЛ 10 кВ

Параметры

0’ - 1

1 - 2

2 - 3

0’’ - 8

8 - 6

6 - 3

L, км

3,6

3,4

1,5

1,6

7,1

3,8

Pmax, кВт

326,46

274,46

134,46

318,19

197,19

105,54

Qmax, квар

39

31,3

23,3

64,7

24,7

0,7

Smax, кВА

328,78

276,24

136,46

324,7

198,73

105,54

Imax, А

19

16

8

18,7

11,5

6,1

Марка провода

АС50

АС50

АС50

АС50

АС50

АС50

DUуч.max, %

0,75

0,6

0,13

0,34

0,9

0,24

DUГПП уч.max, %

0,75

1,35

1,48

0,34

1,24

1,48

DWL, кВТч/год

3646,8

2318,7

238,7

1570

2334,7

351,6


Выбирают сечение проводов по экономической плотности тока jэк /5/ или по экономическим интервалам нагрузки /6/. Сечение по экономической плотности тока

Fрасч = Iр max / jэк,                                                                      (5.2)

где Iр max - максимальный рабочий ток участка, т. е. большее значение дневного и вечернего токов.

Значение jэк берется из /5/ в зависимости от марки провода и времени использования максимальной нагрузки (таблица 5.2). Значение Тmax выбирают по таблице 4.2

Таблица 5.2 Экономическая плотность тока для неизолированных алюминиевых и сталеалюминиевых проводов

Т max

300

300…5000

<5000

jэк, А/ мм2

1,3

1,1

1,0

По экономическим интервалам нагрузок выбираются провода (таблица 5.3).

Таблица 5.3 Экономические интервалы нагрузок

I р max, А

0…12

12…22

22…31

31…47

47…70

70

Провод

АС25

АС35

АС50

АС70

А95

А120


Выбранное сечение проводов проверяется по допустимому нагреву /5/ (таблица 5.4).

I доп > I max,                                                                                (5.3)

Таблица 5.4 Допустимый ток провода по нагреву

Про-вод

А16

А25

А35

А50

А70

А95

А120

АС11

АС12

АС25

АС25

АС50

АС70

I доп, А

105

135

170

215

265

320

375

80

105

130

130

210

265


Для выбранных проводов выписываются сопротивления 1 км: активное ro и индуктивное хо. Для определения хо необходимо принять среднее геометрическое расстояние между проводами (для ВЛ 10 кВ чаще всего принимают Дсp » 1500 мм). Данные по проводам сводят в таблицу 5.5.

Таблица 5.5 Данные по проводам

Провод

Д ср, мм

Ro Ом/км

Хо, Ом/мм

I max, А

I доп, А








Рассчитывают потери напряжения на участках в процентах по формуле

,                                             (5.4)

где ;

Dcр = 1500 мм.

Определяют потери электрической энергии на участках

,                                                           (5.5)

где t определяют по таблице 4.2.

ОЦЕНКА КАЧЕСТВА НАПРЯЖЕНИЯ У ПОТРЕБИТЕЛЕЙ

Для оценки качества напряжения у потребителей составляют таблицу отклонений напряжения (таблица 6.1), из которой определяют допустимую потерю напряжения DUдоп в линиях 0,38 кВ. Таблицу составляют для ближайшей, расчетной и удаленной трансформаторных подстанций.

В примере ТП6 является ближайшей, ТП5 расчетной, а ТП4 удаленной подстанцией.

Таблица 6.1 Оценка качества напряжения у потребителей

Элемент электро -передачи

Величина, %

Ближайшая ТП 10 / 0,4

Удаленная ТП 10 / 0,4

Расчетная ТП 10 / 0,4



Нагрузка, %



100

25

100

25

100

25

Шины 10 кВ ГПП

V

+5

0

+5

0

+5

0

Линия 10 кВ

DU

-0,34

-0,09

-1,48

-0,37

-1,24

-0,31

Трансформатор 10 / 0,4:








потери напряжения

DU

-2,5

-0,62

-2

-0,5

-3

-0,75

надбавка конструктив-ная

V

+5

+5

+5

+5

+5

+5

Надбавка регулируемая

V

0

0

0

0

0

0

Шины 0,4 кВ (£+7,5 %)

V

+7,16

+4,29

+6,52

+4,13

+5,76

+3,94

Линия 0,38 кВ:

DU

-12,16

-

-11,52

-

-10,76

-

Наружная часть

DUдоп

-9,66

-

-9,02

-

-8,26

-

Внутренняя часть

DU

-2,5

-

-2,5

-

-2,5

-

Удаленной потребитель

Vдоп

-5

+5

-5

+5

-5

+5


Из таблицы 6.1выяснят, есть ли необходимость в применении дополнительных технических средств для поддержания напряжения у потребителей в допустимых пределах.

Отклонение напряжения в любой точке электропередачи определяют как

Vк = SV + SDU,                                                                                      (6.1)

где SV и SU - сумма надбавок и сумма потерь напряжения от ГПП до рассматриваемой точки с учетом знака.

В качестве минимального рассматривают обычно режим 25 %-й нагрузки, в котором потери напряжения могут быть приняты как 1/4 часть от максимальных потерь.

В потребительских трансформаторах рассчитывают потери напряжения, %:

;                                                            (6.2)

где Р и Q - мощности, протекающие через трансформатор (дневные или вечерние) полная мощность которых больше;

Uнoм - номинальное напряжение трансформатора (обмотки низшего или высшего напряжений);

RТ и ХТ - активное и реактивное сопротивление трансформатора:

;                                                                          (6.3)

;                                           (6.4)

где Uт.ном - берется то же напряжение, что и в (5.2), В;

Sт.ном - номинальная мощность трансформатора, ВА.

Регулируемая надбавка трансформатора ПБВ подбирается таким образом, чтобы отклонение напряжения на шинах 0,4 кВ не выходило за допустимые пределы (+7,5 %), так как к шинам подключены потребители.

Допустимая потеря напряжения во всей линии 0,38 кВ (по абсолютной величине) определяется как разница между отклонением напряжения на шинах 0,4 кВ в 100 %-м режиме и допустимым отклонением у потребителя.

D Uдоп =V0,4-Vдоп = 7,16 - ( - 5) = 12,6 %.                                (6.5)

Эта потеря распределяется на две части. Одна часть DU" = 2,5 % оставляется, согласно ПУЭ, на линию внутри помещений, другая DU' - на наружную линию (в примере DUдоп =9,66 %), по которой рассчитываются все наружные линии 0,38 кВ, отходящие от ТП. В каждой линии можно потерять не более D U доп, т. е.

D U факт £ D Uдоп .                                                                     (6.6)

Значение потери DU доп влияет на выбор сечения провода. Чем DU доп больше, тем меньше может быть взято сечение. Рекомендуется иметь DU доп не менее 6 %, при невыполнении этого условия можно применить одно из технических мероприятий:

а) уменьшить DUдоп до 1...0,6 %, если линии внутри помещений небольшой длины (например, к линии подключены жилые дома);

б) увеличить сечение проводов на некоторых участках ВЛ 10 кВ;

в) установить продольно-емкостную компенсацию реактивного сопротивления;

г) предусмотреть замену на ГПП трансформатора с ПБВ на трансформатор с РПН и с помощью последнего создать на шинах 10 кВ режим встречного регулирование напряжения.

В практике принятие технических мероприятий обычно рассматривается в указанной последовательности, окончательное решение принимается после технико-экономического сравнения вариантов.

ЭЛЕКТРИЧЕСКИЙ РАСЧЕТ ЛИНИЙ НАПРЯЖЕНИЕМ 0,38 КВ

В наружных линиях 0,38 кВ провода выбираются по допустимой потере напряжения или по экономическим интервалам нагрузок. Выбранные провода проверяются по допустимой потере напряжения и по нагреву.

Пример расчета линий напряжением 0,38 кВ приводится по данным нагрузок таблицы 7.1.

Таблица 7.1 Расчет линий напряжением 0,38 кВ

Потребители

Кол-во

К0

Рдi, кВт

Рвi, кВт

Qдi, квар

Qвi, квар

Рд, кВт

Рв, кВт

Qд, квар

Qв, квар

Sд, кВА

Sв, кВА

Iд, А

Iв, А

Линия Л1















1

Дробилка кормов КДМ-2

1

1

30

-

25

-

30

-

25

-

39

-

59,3

-

2

Телятник на 120 телят

3

0,8

5

8

3

5

12

19,2

7,2

12

14

22,6

21,3

34,3

Итого:











53

22,6

80,5

34,3

Линия Л2


3

Овощехрани-лище на 500 т.

7

0,7

5

2

3

-

24,5

9,8

14,7

-

28,6

9,8

43,6

14,9

4

Кормоцех

1

1

50

50

45

45

50

50

45

45

67,3

67,3

102,6

102,6

Итого:











95,9

77,1

145,7

117,1


Выбор проводов в линии Л1

К линии Л1 подключен потребитель, имеющий крупный асинхронный электродвигатель, при запуске которого протекают большие пусковые токи, вызывая значительные потери напряжения. Поэтому для линии Л1 провода рекомендуется выбирать по экономическим интервалам, в этом случае сечение чаще всего получается больше, чем при расчете по DUдоп.

Выбирается провод в зависимости от нагрузки (таблица 7.2). В таблице 7.2 данные по выбору проводов приведены с учетом коэффициента кд, учитывающего динамику роста нагрузок на пятилетнюю перспективу.

Таблица 7.2 Интервалы экономических нагрузок для выбора проводов в линиях 0,38 кВ

S расч, кВА

0…12

12…17

17…24

24…33

33…50

50…70

70

Провод

А 16

А 25

А 35

А 50

А 70

А 95

А120


Выбранное сечение проводов проверяется по допустимому нагреву по (5.3), и по таблице 5.4.

Выбираем провод А95:

I доп > I max,

А > 80,5 А.

Условие 5.3 выполняется.

Для выбранных проводов выписываются сопротивления 1 км: активное ro и индуктивное хо; для определения хо необходимо принять среднее геометрическое расстояние между проводами (для ВЛ 0,38 кВ чаще всего принимают Дсp » 600 мм).

Выбираются r0 и x0 (Dср чаще всего принимается 600 мм).

r0 = 0,308 Ом / км;

х0 = 0,145 lg (2×600) / 12,3 +0,016 = 0,3 Ом;

dпр = 12,3 мм.

Рассчитываются потери напряжения в линии:

;                                                            (7.1)

при этом должно выполняться условие 6.6.

 < DUдоп = 10,76 %;

Условие 6.6 не выполняется, увеличим сечение провода на линии Л1.

Выберем провод А240:

r0 = 0,12 Ом / км;

х0 = 0,145 lg(2×600) / 20 + 0,016 = 0,274 Ом / км;

dпр = 20 мм.

 < DUдоп = 10,76 %;

Условие 6.6 выполняется, принимаем для линии Л1 провод А240.

Окончательно сечение проводов линии Л1 выбирается после проверки сети на отклонение напряжения при пуске крупных асинхронных электродвигателей.

Выбор проводов в линии Л2.

Сечения проводов в линии Л2 рекомендуется выбирать по допустимой потере напряжения, причем различными на участках Л0-1 и Л1-2.

Определяется допустимая потеря напряжения на участке Л0-1 (в процентах):

;                                                 (7.2)

где S0-1 и S1-2 - полные мощности участков Л0-1 и Л1-2, дневные или вечерние, которые вызывают большую потерю напряжения в Л2.

 ;

Определяется допустимая потеря напряжения на участке Л1-2:

;                                                 (7.3)

.

При этом должно быть

DUдоп.0-1 + DUдоп.1-2 = DUдоп ;

,6 + (-8,16) = -10,76

Выбираем провод на участке Л0-1:

Задаемся реактивным сопротивлением 1 км провода в линиях 0,38 кВ x0= 0,4 Ом/км.

Определяется составляющая потери напряжения в реактивных сопротивлениях (в процентах):

;                                                                    (7.4)

где Q - реактивная мощность, ВАр, дневная или вечерняя, которой соответствует большая полная мощность.

;

Определяется допустимая составляющая потери напряжения в активных сопротивлениях (в процентах):

;                                                                     (7.5)

DUа.доп = 10,76 - 1,22 =9,54 %.

Расчетное сечение провода:

;                                                                     (7.6)

где g=32 м/(Ом×мм2) - удельная проводимость алюминия.

.

Выбирается стандартное сечение провода

Fстанд ³ Fрасч;                                                                             (7.7)

Выбираем провод А25:

Fстанд = 24,9 мм2;

r0 = 1,14 Ом / км;

x0 = 0,145 lg(2×600) / 6,4 + 0,016 = 0,34 Ом /км.

Выбранное сечение проводов проверяется по допустимому нагреву по формуле (5.3) с использованием данных таблицы 5.4.

;

А > 43,5 А.

Определяются фактические потери напряжения на участках:

< DUдоп.0-1 = 2,6 %;

Условие не выполняется, увеличим сечение провода.

Выберем провод А240:

Fстанд = 239 мм2;

dпр = 20 мм;

r0 = 0,12 Ом / км;

x0 = 0,145 lg (2×600) / 20 + 0,016 = 0,274 Ом / км.

< DUдоп.0-1 = 2,6 %.

Т.к. условие не выполняется, установим продольно - емкостную компенсацию реактивного сопротивления.

Необходимая мощность конденсаторов

Qc = k×Sрасч;                                                                                (7.8)

где Sрасч = 28,6 кВА;

k - коэффициент, определяемый по формуле

;                                                     (7.9)

где DUc - надбавка напряжения, которую желательно получить.

Примем DUc = 10 %.j = P / S = 24,5 / 28,6 = 0,856; sin j = 0,52;

;

Qc = 0,214 × 28,6 = 6,1 кВАр.

Определяем реактивное сопротивление:

;                                                        (7.10)

где А;

< DUдоп.0-1 = 2,6 %.

Условие выполняется, принимаем провод на участке 0 - 1 А240 с продольно - емкостной компенсацией.

Выбираем провод на участке 1-2:

Расчет проводится также, как и для участка 0-1.

ПРОВЕРКА СЕТИ НА УСПЕШНЫЙ ЗАПУСК ЭЛЕКТРОДВИГАТЕЛЕЙ

Нормами определены следующие допущения номинального напряжения на зажимах электродвигателя:

а)      при длительной работе в установившемся режиме: V = +6%;

б)      у электродвигателей, присоединенных к электрическим сетям общего назначения -5%, +10%;

в)      при длительной работе в установившемся режиме для отдельных особо удаленных электродвигателей в номинальных условиях допускаются, снижения напряжения на -8…-10%, а в аварийных -10…-12%;

г)       при кратковременной работе в установившемся режиме, например, при пуске соседних электродвигателей на -20…-30%;

д)      на зажимах пускаемого электродвигателя: при частых пусках -10%, при редких пусках -15%;

В тех случаях, когда начальный момент не превышает 1/3 Мном рабочей машины, допускается снижение напряжения на 40%. Это, как правило, приводы с ременной передачей, приводы насосов и вентиляторов.

Потери напряжения в сети при пуске электродвигателя от трансформатора или генератора приблизительно составляют:

;                                                                    (8.1)

где zc - полное сопротивление сети, Ом;

zэд - сопротивление электродвигателя в пусковом режиме, Ом

потребительский трансформатор напряжение электродвигатель

;                                                                               (8.2)

где k - кратность пускового тока;

Iн - ток номинальный.

Выбираем электродвигатель 4А180М2У3:

Р0 = 30 кВт; k = 7,5; cos j = 0,9; h = 90,5 %.

Определяем номинальный ток:

;                                                                     (8.3)

;

Сопротивление электродвигателя в пусковом режиме:

Ом.

При пуске электродвигателя от сети с трансформатором:

zc = zл + zтр ;                                                                                 (8.4)

где Uк% - напряжение короткого замыкания трансформатора ТП5, Uк% = 4,5 %.

 Ом.

Выбираем провод А240:

Fстанд = 239 мм2;

dпр = 20 мм;

r0 = 0,12 Ом / км;

x0 = 0,145 lg (2×600) / 20 + 0,016 = 0,274 Ом / км.

;                                                                    (8.5)

 Ом;

zc = 0,325 + 0,176 = 0,501 Ом.

Потери напряжения в сети при пуске электродвигателя:

< 40 %.

Условие не выполняется, установим продольно - емкостную компенсацию реактивного сопротивления:

Необходимая мощность конденсаторов

Qc = k×Sрасч;

где Sрасч = 53 кВА;

k - коэффициент, определяемый по формуле


где DUc - надбавка напряжения, которую желательно получить.

Примем DUc = 10 %.j = P / S = 42 / 53 = 0,792; sin j = 0,61.

Qc = 0,164 × 53 = 8,67 кВАр.

Определяем реактивное сопротивление:

 Ом / км;

где А;

 Ом;

zc = 0,132 + 0,176 = 0,308 Ом.

Потери напряжения в сети при пуске электродвигателя:

< 40 %.

Условие выполняется, окончательно принимаем провод на участке 0-1 А240 с продольно-емкостной компенсацией.

РАСЧЕТ ТОКОВ КОРОТКОГО ЗАМЫКАНИЯ

Расчет токов короткого замыкания будем проводить с помощью компьютерной программы IVAN.tkz.

Используя схему электропередачи (рисунок 9.1), на котором указаны все точки короткого замыкания, составим схему замещения (рисунок 9.2).

В таблице 9.1 приведены все необходимые для расчета данные, полученные после введения ветвей и их параметров в программу. Каждая ветвь задается двумя узлами. Признаком конца списка является ветвь 0-0.

Параметры генераторов и систем:

;                                                                                       (9.1)

.                                                                                        (9.2)

Расчётные данные заносятся в таблицу 9.2.

После определения параметров ветвей уходят в главное меню, записав данные на диск, в подпрограмму расчета токов короткого замыкания.

Затем выбирают режим и точку короткого замыкания, определяют напряжения в узлах и токи короткого замыкания.

Расчет повторяется столько раз, сколько точек короткого замыкания.

Программа не определяет двухфазные и однофазные токи короткого замыкания, их просчитывают вручную.

Таблица 9.1 Параметры ветвей схемы

Номера узлов

Тип

ZA

ZR

1 - 2

Линия

2,131

1,368

2 - 20

Линия

0,414

0,266

20 -21

двухобм.трансф.

0

0,134

2 - 3

Линия

2,013

1,292

3 - 30

Линия

0,414

0,266

30 - 31

двухобм.трансф.

0

0,053

3 - 4

Линия

0,888

0,57

4 - 5

Линия

0,888

0,57

5 - 50

Линия

0,414

0,266

50 - 51

двухобм.трансф.

0

0,084

5 - 6

Линия

0,947

0,608

6 - 60

Линия

0,414

0,266

60 - 61

двухобм.трансф.

0

0,053

4 - 7

линия

2,25

1,444

7 - 8

линия

0,237

0,152

8 - 80

линия

0,414

0,266

80 - 81

двухобм.трансф.

0

0,084

81 - 82

линия

91,413

205,679

81 - 83

линия

51,108

61,496

83 - 84

линия

68,144

81,994

7 - 9

линия

4,203

2,698

9 - 90

линия

0,414

0,266

90 - 91

двухобм.трансф.

0

0,053

9 - 0

линия

0,944

0,60


Рисунок 9.1 Исходная схема электропередачи для расчета токов к.з.

Рисунок 9.2 Схема замещения электропередачи для расчета токов к.з.

Токи двухфазного короткого замыкания определяют по формуле

Iкз(2) =  Iкз(3)                                                                         (9.3)

где I(3)к.з - трехфазный ток короткого замыкания.

Ударные токи определяют по формуле

(9.4)

где Ку - ударный коэффициент,

    (9.5)

Мощность трехфазного короткого замыкания определяют по формуле

                                                                     (9.6)

Ток однофазного короткого замыкания определяют по формуле

(9.7)

где Zт - полное сопротивление трансформатора току короткого замыкания, значения трансформаторов 10/0,4 со схемой соединений «звезда-звезда с нулевым проводом» в зависимости от номинальной мощности Sт ном:

Sт ном, кВА

25

40

63

100

160

250

400

630

1/3Zт, Ом

1,040

0,650

0,410

0,260

0,160

0,100

0,065

0,042

Uф min - минимальное фазное напряжение, В;

Zп -- полное сопротивление петли «фаза-нуль» oт шин 0,4 кВ ТП до конца линии 0,38 кВ /14/.

          (9.8)

    (9.9)

где rо и хо, rn и хn - активное и индуктивное сопротивления фазного и нулевого проводов;

l - длина линии.

Результаты расчетов сводят в таблицу 9.2.

Таблица 9.2 Результаты расчета токов короткого замыкания

Точка к.з.

Uвн, кВ

Сопротивление, Ом

Ку

Токи, А

Sк(3), кВА



RS

XS

ZS


Iк(3)

Iк(2)

Iк(1)


К1

10

2,131

1,368

2,532

1,0075

1921

1671

-

33,27

К2

10

2,545

1,634

3,024

1,0075

1601

1393

-

27,73

К3

0,38

2,545

1,768

3,098

1,0108

1554

1352

-

1,023

К4

10

4,144

2,66

4,924

1,0074

1078

938

-

18,67

К5

10

4,558

2,926

5,416

1,0075

945

822

-

16,37

К6

0,38

4,558

2,979

5,445

1,0082

938

816

-

0,617

К7

10

5,032

3,23

5,979

1,0074

902

785

-

15,62

К8

10

5,92

3,8

7,034

1,0074

703

612

-

12,18

К9

10

6,334

4,066

7,526

1,0075

637

554

-

11,03

К10

0,38

6,334

4,15

7,572

1,0083

549

-

0,416

К11

10

6,867

4,408

8,159

1,0075

569

495

-

9,85

К12

10

7,281

4,674

8,651

1,0075

525

457

-

9,09

К13

0,38

7,281

4,727

8,68

1,0079

523

455

-

0,344

К14

10

7,282

4,674

8,652

1,0075

638

555

-

11,05

К15

10

7,519

4,826

8,933

1,0074

592

515

-

10,25

К16

0,4

7,519

4,91

8,98

1,0081

527

458

-

0,365

К17

10

11,485

7,372

13,646

1,0074

412

358

-

7,14

К18

10

11,899

7,638

14,138

1,0074

280

244

-

4,85

К19

0,38

11,899

7,691

14,168

1,0077

275

239

-

0,181

К20

0,38

98,932

209,869

234,058

1,2274

10

8,7

198,6

0,0066

К21

0,38

58,627

65,686

88,941

1,0605

28

24,36

-

0,1843

К22

0,38

126,771

147,68

195,555

1,0674

12

10,44

252,8

0,0079


. ЗАЩИТА ОТ ТОКОВ КОРОТКОГО ЗАМЫКАНИЯ

В проекте необходимо выбрать, рассчитать, проверить на чувствительность и согласовать между собой защиты следующих электроустановок: линий 0,38 кВ, трансформатора 10/0,4 кВ (ТП-5) и линии 10 кВ. Линии защищаются направленной максимальной токовой защитой (НМТЗ), действующей с выдержкой времени, и токовой отсечкой (ТО), действующей без выдержки времени. Линии 0,38 кВ защищаются автоматическими выключателями (АВ), магнитными пускателями (МП) и плавкими предохранителями (ПП), трансформатopы - пpедoxpанитeлями, а линии 10 кВ - релейной защитой.

Линии 0,38 кВ, питающие трехфазные потребители, защищаются в основном автоматическими выключателями типа АЕ2000, А3700 и А3110 с электромеханическими расцепителями. При этом тепловой расцепитель выполняет функции максимальной токовой защиты (МТЗ), а электромагнитный - функции ТО.

Можно использовать также автоматы с полупроводниковыми расцепителями типа А3700 и «Электрон», в которых роль МТЗ выполняет расцепитель, работающий в зоне перегрузки, а роль ТО - расцепитель в зоне коротких замыканий. Если МТЗ на автоматических выключателях оказывается нечувствительной к токам КЗ, то она заменяется более чувствительной, в качестве которой в последнее время применяется защита ЗТ-0,4 (или ЗТИ), которая выпускается в виде приставки к автомату. Если нечувствительной оказывается ТО, то она не устанавливается и линия защищается только МТЗ.

Чувствительность защиты оценивается по формуле

Кч = Iк min / I с зд ³ Кч доп                                                          (10.1)

где Iк min - минимальный ток КЗ в защищаемой зоне;

I с зд - действительный (установленный) ток срабатывания защиты.

При защите электроустановок автоматическими выключателями

Iк min = Iк (1)                                                                                 (10.2)

При этом МТЗ может выполнять роль основной защиты, а ТО - дополнительной или наоборот. Надо стремиться, чтобы линии защищались мгновенной защитой, но этого достичь удается редко.

Если основной защитой является МТЗ, то за действительный ток срабатывания защиты принимается Iсз = Iрасц..ном - для АВ с электромеханическими расцепителями или Iсз = Iс пер - для АВ с полупроводниковыми расцепителями, где Iс пер - ток срабатывания (уставка тока) полупроводникового элемента, работающего в зоне перегрузки, при этом Кч. доп= 3 , /5/.

Если основной защитой является ТО, то берется Iсз = Iс эм - ток срабатывания электромагнитного элемента или Iсз = Iс. кз - ток срабатывания (уставка тока полупроводникового элемента в зоне к.з.). Тогда

Кч доп =1,25 - для АВ с I АВ ном £ 100А;

Кч доп = 1,4-для АВ с I АВ ном > 100А.

Комплектные трансформаторные подстанции, оборудованные автоматическими выключателями на отходящих линий 380/220 В, имеют в большинстве случаев выключатели и на вводе 380 В.

При выборе типа подстанции студенты устанавливают наличие или отсутствие выключателя ввода.

В учебных целях на ТП5 предлагается выбрать pазнотипные автоматы.

В расчетах Кн обозначают коэффициент надежности.

Защита линии 0,38 кВ Л1.

Защиту линии Л1 рекомендуется выполнить на выключателе типа А3700 селективном, т.е. с полупроводниковыми расцепителями как в зоне перегрузки, так и в зоне короткого замыкания. Эти выключатели имеют характеристики в зоне перегрузки схожие с характеристикой теплового расцепителя, а зоне КЗ регулируется время работы токовой отсечки в пределах 0,1..0,4 с.

Порядок расчета защиты линии Л1 следующий.

Выбирается корпус автоматического выключателя А 3734С по току нагрузки, напряжению и отключающей способности:

UАВ ном = 660 В > U сети ном = 380 В                                       (10.1)

U АВ ном = 250 А > I р max = 53 А;                                           (10.2)АВ ном = 50000 А > I(3) к16 = 3150 А.                                     (10.3)

Выбирается номинальный ток расцепителей:

I расц ном ³ I р max = 53 А                                                          (10.4)

I расц ном ³ I расц. ном потр =80 А.                                           (10.5)

Нагрузка линии Л1 в примере определяется практически         только нагрузкой электродвигателя пилорамы, а он может быть защищен выключателем А3714Б с I расц . ном = 80 А, I с пер=80 А, I с кз = 640 А.

Поэтому принимаем для АВ1 I расц ном = 160 А, так как меньших значений для селективных выключателей такого типа нет.

Оценивается чувствительность защиты.

Основной защитой Л1 от токов КЗ будет МТЗ, т. е. полупроводниковый элемент, работающий в зоне перегрузки.

К ч расч = I расц. ном =  = 36; К ч доп =3.                                   (10.6)

Защита чувствительна и принимается к исполнению.

Оценивается целесообразность установки дополнительной защиты, т. е. токовой отсечки. Так как автоматический выключатель А3734С селективный, то его ток срабатывания в зоне КЗ должен быть отстроен от тока срабатывания ТО защиты потребителя, в примере от тока срабатывания в зоне токов КЗ выключателя А3714Б, т. е.

с. кз ³ Кн I с кз. птр = 1,2*640=768 А.                                        (10.7)

Выбираем уставку тока срабатывания в зоне КЗ (плавная регулировка в пределах 2...10 I расц. ном):

I с.кз = 770 А.

Чувствительность дополнительной защиты

К ч расч = =  = 4,1 > Кч доп = 1,2.                                       (10.8)

Эта быстродействующая защита не защитит Л1 только от однофазных токов КЗ в конце линии, но от двух- и трехфазных токов защитит практически полностью.

Необходимо выбрать уставку времени в зоне КЗ:

t y кз ³ t ТО потр + Dt = 0,04+0,1 = 0,14 с                                            (10.9)

где t ТО потр - время работы мгновенной защиты потребителя. Для выключателя А3714Б t с кз = 0,04 с;

Dt =0,1...0,15 с - ступень селективности.

Принимаем t y кз =0,14 с.

Окончательно принимаем для Л1 автоматический выключатель А3734С с I расц. ном =160 А, I с пер = 160 А, I с.кз =770 А, t с кз = 0,14 с.

Защита линии 0,38 кВ Л2.

Защиту линии рекомендуется выполнить нa автоматическом выключателе типа А3700Ф с тепловым и электромагнитным расцепителями.

Корпус выключателя типа АЗ716Ф:

UАВ ном = 660 В > U сети ном = 380 В;                                               (10.10)АВ ном = 160 А > Iр max = 105 А;                                            (10.11)АВО ном = 25000 А > I (2) К16 = 3150 А.                              (10.12)

Номинальный ток расцепителей I расц. ном

В рассматриваемом примере у потребители, подключенных к линии Л2, нет крупных электродвигателей, поэтому для защит, установленных на вводе внутренних сетей определяющим условием будет условие отстройки их oт токов нагрузки. Самый большой автоматический выключатель будет стоять на вводе коровника на 200 голов, им может быть выключатель типа А3716Б с l расц. ном = 40 А, I c зм = 630 А.

Принимаем для АВ2 I расц. ном = 125 А.

Чувствительность защиты

В качестве основной защиты попытаемся взять МТЗ как более чувствительную:

К ч расц. = I(1) К22 / l расц. ном = 320/125 = 2,6 < Кч доп = 3. (10.13)

Даже эта защита оказалась нечувствительной, поэтому в качестве основной защиты применим приставку типа 3Т-0,4.

Расчет МТЗ на ЗТ- 0,4

Защита ЗТ-0,4 настраивается одним элементом на междуфазные КЗ, другим - на однофазные КЗ.

Ток срабатывания защиты от междуфазных КЗ по условию отстройки от тока нагрузки

I(2) с з ³ Кн · Кз · I р max = 1,25 · 1,25 · 105=164 А                   (10.14)

где Кз - коэффициент самозапуска, учитывающий увеличение тока нормального режима от пусковых токов, после отключения КЗ другими защитами (например АВ1 или АВ2). Для производственной нагрузки можно принять Кз =1,25, для коммунально - бытовой Кз = 1.

Действительный ток срабатывания защиты (уставка тока) выбирается из 3 значений: 100, 160, 250 А.

I(2) у= I(2) с з = 250 А > I с з расч =164 А.                                  (10.15)

Чувствительность защиты оценивается по минимальным двухфазным токам КЗ:

К(2) ч расч= I(2) к min /I(2)с з = I(2) к22 / I(2) у = 650//0 = 2,6 > Кч доп =1,5. (10.16)

ащита чувствительна.

Ток срабатывания защиты oт однофазных КЗ

I(1) с з ³ К н · I нес = Кн · Кнес · I р max                                               (10.17)

где Кн - коэффициент надежности, Кн = 1,2;

I нес - ток несимметрии;

К нес - коэффициент несимметрии токов по фазам, К нес = 0,1…0,5. При преобладании однофазных потребителей К нес = 0,5, при преобладании трехфазных К нес = 0,1.

Для животноводческих помещений можно принять К нес = 0,3.

I(1) с з = 1,2 · 1,25 · 0,3 · 105 = 39 А.                                           (10.18)

Действительный ток срабатывания защиты (уставка тока) от однофазных КЗ выбирается из трех значений: 40, 80, 120 А.

I(1) с з = I (1) у= 40 А.

Чyвcтвитeльнocть защиты

К(1)ч =(Iк22(1) - Iнес I с з) = (320 - 0,3 105/40) =7,2>Кч доп = 1,2      (10.19)

Защита чувствительна и принимается к исполнению.

Оценивается возможность установки мгновенной защиты, т. е. ТО, в виде электромагнитного расцепителя

Iсо ³ Кн · I(3)к21 max = 1,2 · 2060 = 2470 А.                              (10.20)

Чтобы это условие выполнить, необходимо взять автоматический выключатель большой величины, т.е. А3726Б с Iрасц. ном =160 А и Iс эм =2500 А.

Чувствительность отсечки

К ч расч = I(3) к16max / Iсо =3150/ 2500 = 1,3> Кч доп = 1,2   (10.21)

Окончательно для защиты Л2 выбираем автоматический выключатель типа А3726Б с I расц. ном = 160 А, Iс зм =2500 А, снабженного приставкой ЗТ - 0,4, имеющей I(1) у =10 А, I(2) у= 250 А.

Защита трансформатора 10/0,4 кВ

Трансформаторы защищаются плавкими предохранителями типа ПК1… ПК4 /17/. Выбирается корпус предохранителя по напряжению, току и отключающей cпособности:

Uп ном ³ U сети ном;                                                                    (10.22)

Iп ном ³ Iр max;                                                                                     (10.23)

Iпо ном ³ Iк max .                                                                         (10.24)

Выбирается ток плавкой вставки по трем условиям:

·    при отстройке от рабочего максимального тока

Iпв ном ³ Км · I р max вн =1,25 · 146 · 0,4/10 =7,3 А                           (10.25)

·    при отстройке от броска тока намагничивания трансформатора при его включении под напряжение

Iпв ном ³ 1,5…2,0 Iт ном                                                             (10.26)

Iпв ном ³ 2 Sт ном / Ö3U ном= 2·100/Ö3·10 = 2· 5,8 = 11,6 А;

·    при отстройке от кратковременного тока при пуске электродвигателей

Iпв ном ³ (Iр max - Iэд ном +I пуск /a)·1/n,                                  (10.27)

где n - коэффициент трансформации трансформатора;

a- коэффициент, учитывающий условия пуска: a= 2,5 - легкие условия; a= 1,6 - тяжелые (пилорамы, мельницы и т. п.).

Iпв ном ³ (146-60+420/ 1,6)/ 25 = 144 А                                      (10.28)

Выбираем Iпв ном = 16 A. Рекомендуется значения токов плавких вставок, когда не производятся расчеты, выбирать в зависимости от мощности трансформатора по таблице 10.1.

Таблица 10.1 Рекомендуемые значения токов плавких вставок

Sт ном, кВА

25

40

63

100

160

350

400

630

lпв ном, А

3,2

5

8

16

20

32

50

75

Iсз расч

-

-

40

85

110

150

280

420

Проверяется термическая стойкость трансформатора выбранной плавкой вставки /20/.

t т доп ³ t пв £ 5 c,                                                                        (10.29)

где tпв - время перегорания плавкой вставки при двухфазном к.з. на шинах 0,4 кВ, tпв = 0,3 с при I(2)К16ВН = 2740/25 = 110 А;

tт доп - допустимое время прохождения тока двухфазного нa шинах 0,4 кВ через трансформатор из условия термической cтойкости.

tт доп = 1500 (Iт ном/ I(2)К16ВН)2 = 1500 · (5,8/110)2 = 4,2 с.           (10.30)

Выбранная плавкая вставка обеспечивает термическую стойкость трансформатора. Окончательное значение тока плавкой вставки принимается после построения графика согласования защит.

В рассматриваемом примере выбранная плавкая вставка не согласуется с защитой линии Л1, поэтому была заглублена защита трансформатора и принято Iпв ном=20А; для нее tпв=0,5 с при I(2)к16=110А, т.е. стойкость трансформатора также обеспечивается.

Направленная максимальная токовая защита ВЛ 10 кВ.

В кольцевых сетях обычная МТЗ не обеспечивает селективного отключения поврежденного участка. Поэтому используют направленную максимальную токовую защиту (НМТЗ). Принципиальная и структурная схемы НМТЗ на постоянном оперативном токе изображены соответственно на рисунках 10.1 и 10.2.

Токи срабатывания защит, действующие в одном направлении, должны быть согласованы по чувствительности. Например, для схемы (рисунок 9.1), токи срабатывания защит должны быть:

I с.з.1> Iс.з.3> I c.з.5 > I с.з.7> Iс.з.9> I c.з.11 и I с.з.2> Iс.з.4> I c.з.6 > I с.з.8 > Iс.з.10 > I c.з.12

Рисунок 10.1 Принципиальная схема НМТЗ

Выдержки времени защит выбирают по встречно-ступенчатому принципу. Защиты, действующие в одном направлении, объединяют в группу и в пределах каждой группы выдержки времени выбирают как у обычной МТЗ по ступенчатому принципу. Так, для сети защиты 1, 3, 5, 7, 9, 11 действуют в одном направлении, а защиты 2, 4, 6, 8, 10, 12 - в противоположном. Ступень выдержки времени принимают такой же, как и для МТЗ. Ступень выдержки времени t зависит от типов реле времени, выключателей и их приводов и обычно составляет 0,4 ... 0,6 с.

t

Анализ действия защит в кольцевых сетях показывает, что не все они должны быть направленными. Если устройства защиты по концам защищаемого участка имеют различную выдержку времени, то защиту с меньшей выдержкой времени выполняют направленной, а с большей - ненаправленной. Если выдержки времени у обеих защит одинаковые, то обе защиты выполняют ненаправленными.

Чувствительность направленной максимальной токовой защиты в общем случае оценивают коэффициентами чувствительности пускового органа и органа направления мощности. Если реле направления мощности РМ-11, РМ-12 включены на полные токи напряжения , то коэффициент чувствительности по току должен быть примерно равен 1,5 и его определяют как для обычной МТЗ, а по мощности не нормируют. Чувствительность реле направленной мощности часто характеризуют «мертвой» зоной - долей длины защищаемого участка, в пределах которого при металлических трехфазных КЗ защита не работает из-за недостаточного напряжения, подводимого к реле.

«Мертвую» зону можно устранить, применив в качестве дополнительной защиты токовую отсечку. Если последняя не устанавливается, например, из - за недостаточной чувствительности, то допускается неселективное отключение смежных участков при коротком замыкании в «мертвой» зоне.

Участок 0 - 8:

Выбираем трансформатор тока:

.                                                (10.31)

Выбираем трансформатор ТПЛ - 10 - 0,5/П, IН1 = 50 А.


Рисунок 10.2 Структурная схема НМТЗ

На рисунке 10.2 принято:

t11 = 1 c;                                                  t2 = t11;

t9 = Δt + t11 = 1 + 1 = 2 c;                       t4 = t9;

t7 = Δt + t9 = 1 + 2 = 3 c;                         t6 = t7;= Δt + t7 = 1 + 3 = 4 c;                           t8 = t5;= Δt + t5 = 1 + 4 = 5 c;                           t10 = t3;= Δt + t3 = 1 + 5 = 6 c;                         t12 = t1;

Определяем ток срабатывания защиты

.                                  (10.32)

По таблице 10.1: для SТ.ном = 160 кВА, Iсз = 110 А.

Принимаем Iсз = 110 А.

Таблица 10.1 Значения тока плавкой вставки и тока срабатывания защиты в зависимости от мощности трансформатора

Sт ном, кВА

25

40

63

100

160

350

400

630

Inв ном, А

3,2

5

8

16

20

32

50

75

Iсз расч, А

-

-

40

85

110

150

280

420


Определяем ток срабатывания реле

.                                                            (10.33)

Ток уставки принимаем Iуст = 8 А.

Ток срабатывания защиты действительный

.                                                           (10.34)

Определим чувствительность защиты в основной зоне

> 1,5.                                                          (10.35)

Условие выполняется, следовательно, защита чувствительна и принимается к исполнению.

Т.к. схема защиты с дешунтированием реле РТМ, то проверяем согласование по чувствительности реле РТ - 80 и РТМ.

Ток срабатывания реле должен быть

Iср ³ 1,2 × Iсок,                                                                              (10.36)

А ³ 1,2 × 5 = 6 А.

Условие выполняется, следовательно, работа отключения катушки будет надежна.

Определяем нагрузку на трансформатор тока при дешунтировании реле РТМ (в этом случае нагрузка на трансформатор тока будет наибольшей) и проверяем трансформатор тока на 10 % погрешность:

SН.РТ-80 = 10 ВА;

SН.РТМ = 16 ВА.

Определяем сопротивление реле:

 ;                                                                                        (10.37)

 Ом;  Ом.

Расчетная кратность первичного тока РТ-80

.                                                 (10.38)

По рисунку 10.3 определяем дополнительное сопротивление zдоп = 3 Ом.

Рисунок 10 .3 Кривые предельных кратностей тока ТЛМ-10:

и 2- при nт=50/5…300/5 класса (Р) (1) и класса 0,5(2); 3 и 4- при nТ=400/5…800/5 класса Р(3) и класса 0,5(4)

Определяем сопротивления соединительных проводов:

;                                      (10.39)

 Ом.

Длина соединительных проводов 7м (5м от трансформатора тока до РТ 80 и 2м от реле к приводу) марки АПВ - 500, минимальная допустимая площадь сечения равняется:

.                                              (10.40)

В соответствии с ПУЭ принимаем наименьшее значение сечения провода F = 2,5 мм2.

Тогда

 Ом.                                                        (10.41)

Найдем вторичную нагрузку на трансформаторы тока:

 Ом.          (10.42)

Участок 8 - 6:

Выбираем трансформатор тока

.

Выбираем трансформатор ТПЛУ-10-0,5/Р, IН1 = 50 А.

.

Определяем ток срабатывания защиты:


·    По таблице 9.1 для SТ.ном = 100 кВА, Iсз = 85 А;

.

Принимаем Iсз = 154,2 А.

Определяем ток срабатывания реле

.

Принимаем ток уставки Iуст = 10 А.

Определяем действительный ток срабатывания защиты

.

Определяем чувствительность защиты в основной зоне

> 1,5.

Условие выполняется, следовательно, защита чувствительна и принимается к исполнению.

Т.к. схема защиты с дешунтированием реле РТМ, то проверяем согласование по чувствительности реле РТ - 80 и РТМ.

Ток срабатывания реле должен быть

Iср ³ 1,2 × Iсок ,

,42 А ³ 1,2 × 5 = 6 А.

Условие выполняется, следовательно, работа отключения катушки будет надежна.

Проверяем отключающую способность контактов РТ - 80

.                                                     (10.44)

Определяем нагрузку на трансформатор тока при дешунтировании реле РТМ (в этом случае нагрузка на трансформатор тока будет наибольшей) и проверяем трансформатор тока на 10 % погрешность:

SН.РТ-80 = 10 ВА;

SН.РТМ = 16 ВА.

Определяем сопротивление реле:

 

 Ом;  Ом.

Расчетная кратность первичного тока РТ-80 равна

.

По рисунку 10.3 определяем допустимое сопротивление

zдоп = 2 Ом.

Определяем сопротивления соединительных проводов:

;

 Ом.

Длина соединительных проводов 7м (5м от трансформатора тока до РТ 80 и 2м от реле к приводу) марки АПВ - 500, минимальная допустимая площадь сечения равна

В соответствии с ПУЭ принимаем наименьшее значение сечения провода F = 2,5 мм2.

Тогда

 Ом.

Вторичная нагрузка на трансформаторы тока

 Ом.

По рисунку 9.3 принимаем Кдоп = 10% .

Остальные участки рассчитываются аналогично и результаты сводятся в таблицу 10.2, отдельно для четной и нечетной последовательности выключателей.

Таблица 10.2 Результаты расчета НМТЗ

Выключатель

Iр.max, А

Iн1,А

Iн2, А

Кт

St.ном, кВА

Iс.р, А

Iсзд

Iу,А

Iктmin, А

Кч

Tу, с













 

11. СОГЛАСОВАНИЕ ЗАЩИТ


В схемах сельского электроснабжения применяемые НМТЗ имеют разнотипные временные характеристики, и согласование их времени срабатывания проводят путем построения карты селективности. На ней в общих координатах изображают характеристики всех защит tс.з.= f(t), которые согласованы так, чтобы во всем диапазоне токов наибольшее сближение характеристик защит смежных участков не было меньше


по току и степени селективности  по времени (где Кн.с.- коэффициент надежности согласования смежных защит по чувствительности; Iс.з - ток срабатывания предыдущей защиты.)

Порядок построения карты селективности и принципы согласования поясним на примере.

По оси абсцисс откладывают значения токов срабатывания всех защит Iс.з и максимальных токов короткого замыкания I(3)к в месте установки защит. Указанные токи предварительно определяют расчетом, и они должны быть приведены к одной ступени напряжения.

Построение карты начинают с нанесения характеристики, самой удаленной от источника питания защиты (первая защита) в пределах от тока срабатывания Iс.з до тока к.з. I(3)к 1 в месте её установки. Далее определяют условия согласования первой защиты с последующей (вторая защита), расположенной ближе к источнику питания. Для этого из диапазона токов, где обе защиты могут действовать совместно, определяют ток согласования, при котором характеристики этих защит ближе всего сходятся. Если характеристики первой и второй зависимые или ограниченно зависимые. Током согласования будет максимальный ток КЗ в месте установки первой защиты, а если характеристика второй защиты независимая, током согласования будет ток срабатывания второй защиты.

К времени срабатывания tc.з1 предыдущей защиты (первой) защиты при токе согласования (в этом случае Iк1) прибавляют ступень селективности и находят контрольную точку А, через которую должна пройти характеристика второй защиты. Для подбора требуемой временной характеристики второй защиты определяют координаты контрольной точки: tс.з.2= tс.з.1+; Iсогл= Ik1 (=0.6…0.8c для реле РТ-80 и =0,7…1для реле РТВ).

Из приведенных в каталогах типовых реле второй защиты подбирают требуемую характеристику, на которой будет лежать контрольная точка с заданными координатами. На типовых характеристиках реле защиты по оси абсцисс указывают не значения токов в амперах. А кратности тока в реле к току срабатывания реле в относительных единицах или процентах, т.е.

К=                                                                                              (11.1)

Тогда координату контрольной точки по оси тока определяют по формуле

К=                                                                          (11.2)

где К(3)сх - коэффициент схемы;

Iy - ток уставки реле второй защиты;

nт- коэффициент трансформации трансформатора второй защиты.

Задавшись координатами нескольких точек на характеристике второй защиты, строят по ним указанную характеристику на карте селективности. При этом ток в именованных единицах для заданных точек определяют по формуле

I=                                                                                   (11.3)

Согласование МТЗ с плавкой вставкой предохранителя наиболее мощной ТП

Максимальную токовую защиту согласовывают с плавкой вставкой предохранителя наиболее мощной ТП, подключенной к данной линии. Селективность действия МТЗ линий с независимой выдержкой времени с предохранителями трансформаторов 10/0,4 в зоне их совместного действия обеспечивается при условии

t                                                                                  (11.4)

где tc.з - время срабатывания защиты линии , с;

tпр - время перегорания плавкой вставки предохранителя при токе I=0.77Iс.з., с, где Iс.з - ток срабатывания МТЗ, коэффициент 0,77 учитывает разброс по току срабатывания плавких вставок и реле.

Это условие обеспечивается, если ток срабатывания релейной защиты соответствует условию

Iс.з1,3Iк                                                                                       (11.5)

где Iк - ток, при котором плавкая вставка предохранителя перегорает за время tпр= tс.з.- 0,3с.

При выполнении максимальной токовой защиты с зависимой ампер секундной характеристикой селективность её с плавкими вставками предохранителей в зоне их совместного действия обеспечивается при условии

Iс.з1,4Iпр5с                                                                                 (11.6)

где Iпр5с- ток, при котором плавкая вставка предохранителя перегорает за 5 с.

Селективность действия МТЗ с предохранителями ТП при КЗ на выводах 10 кВ трансформатора обеспечивается при условии

t                                                                               (11.7)

где tc.з - время срабатывания защиты линии, с;

tпр.п - время перегорания плавкой вставки предохранителя при токе I=0.77I(2)к., с;(2)к - ток двухфазного КЗ на выводах 10 кВ потребительского трансформатора.

Время и токи срабатывания реле и плавких вставок определяют по их ампер - секундным характеристикам.

Согласование по селективности смежных МТЗ 10 кВ.

При выполнении последующей защиты при помощи реле с зависимой ампер - секундной характеристикой время её срабатывания tc.з .- определяют следующим образом.

Определяют отношение тока трехфазного КЗ I(3)к в месте установки предыдущей, более удаленной от источника защиты, к току срабатывания защиты Iс.з1 этой защиты

                                                                                       (11.8)

Зная кратность тока k1 и уставку по времени Ту1 предыдущей защиты, по ампер - секундной характеристике реле определяют время срабатывания t1 этой защиты при I(3)к.

Определяют отношение I(3)к1 к току срабатывания Iс.з12 последующей защиты

                                                                                     (11.9)

и по условию t определяют минимальную выдержку времени последующей защиты.

Зная k12 и t2 по ампер - секундной характеристики реле находят уставку по времени Ту2 последующей защиты.

При выполнении МТЗ при помощи реле с независимой выдержкой времени и предыдущей при помощи реле с зависимой характеристикой согласование по селективности выполняют следующим образом. Определяют отношение тока срабатывания последующей защиты Iс.з2 к току срабатывания последующей защиты Iс.з1

                                                                                    (11.10)

Значения k21 и уставка по времени срабатывания предыдущей защиты Ту1 по ампер - секундной характеристике принятого реле определяют время срабатывания предыдущей защиты t1.

Уставку по времени последующей защиты определяют как

Tу=t1+Δt                                                                                        (11.11)

Токи срабатывания смежных защит должно быть согласованы таким образом, чтобы в зоне их совместного действия чувствительность защиты, более близкой к источнику, была меньше чувствительности защиты, более удаленной от источника. Условие согласования защит по чувствительности таково

Iс.з.2.                                                  (11.12)

где Iр.мах1 и Iр.мах2 - соответственно максимальные расчетные токи, протекающие по участкам, где установлены защиты 1 и 2;

Kн.с. - коэффициент надежности согласования (для реле РТВ Kн.с.-=1,5, РТ-85 Kн.с.=1,3, для РТ-40 Kн.с.=1,2 и для ВСР-10 Kн.с.=1,5).

12. КОНСТРУКТИВНОЕ ВЫПОЛНЕНИЕ ЛИНИЙ 0,38 И 10 кВ И ТП 10 / 04 кВ

Для линий 0,38 и 10 кВ выбираются типы опор, изоляторов, траверс, крючьев, длины пролетов; указываются габаритные размеры линий; рассчитывается потребное количество основных элементов /8/, /9,/ /10/, /24/.

Выбирается тип трансформаторной подстанции ТП1 и приводятся ее основные технические характеристики /8/, /9/, /10/, /11/. В настоящее время устанавливаются комплектные однотрансформаторные подстанции типа КТП мощностью до 250 кВА, однотрансформаторные и двухтрансформаторные типа КТПП мощностью 250, 400 и 630 кВА. Должно быть приведено описание главной схемы подстанции.

Для линии 10 кВ выбираем унифицированные железобетонные опоры, следующих типов: промежуточные; анкерные; угловые анкерные; концевые; угловые ответвительные анкерные (таблица 12.1).

Расстояние между ними не должно превышать для третьей климатической зоны 110 м (выбирать 50 - 60 м). Тип устанавливаемой опоры определяется, исходя из рельефа местности и маршрута прохождения линии.

От грозовых перенапряжений изоляция электрооборудования станции защищается вентильными разрядниками типа РВО-10 со стороны высокого напряжения.

Для учета активной и реактивной электроэнергии используются счетчики САЗУ и СРЧУ-Н676.

Выбираем железобетонные опоры СНВ-2,7- 10,5 . Через каждые 2000 м устанавливаем анкерную опору. Схема расстановки опор приведена на рисунке 12.1.

Таблица 12.1 Необходимое количество опор на основных участках

Участок

Длина, м

Угловых

Промежуточных анкерных

Промежуточных

Угловых ответвительно- анкерных

Концевых



Линия 10 кВ





0 - 1

3600

0

1

70

1

1

1 - 2

3400

1

0

65

1

0

2 - 3

1500

0

0

28

1

0

3 - 4

1500

1

0

27

1

0

4 - 5

1600

1

0

31

0

0

3 - 6

3800

1

0

74

1

0

6 - 7

400

0

0

10

0

0

6 - 8

7100

1

2

138

1

0

8 - 0

1600

0

0

31

0

1



Линия 0,38 кВ





Л1

1100

0

0

21

1

1

Л2

0 - 1

300

0

0

7

0

0


1 - 2

400

0

0

7

0

1


Рисунок 12.1 Схема расстановки опор

13 ВЫБОР ОБОРУДОВАНИЯ ПОДСТАНЦИИ ТП5

Оборудование электроустановок выбирается, исходя из условий нормального режима, и проверяется на термическую и динамическую стойкость в режиме КЗ. На ТП1 необходимо выбрать: разъединитель, предохранитель на 10 кВ, рубильник, трансформаторы тока, счетчик активной энергии и автоматические выключатели. Исходные данные для выбора оборудования ТП5 приведены в таблице 10.2.

В проекте необходимо выбрать тип комплектной трансформаторной подстанции /8/; /9/; /22/ и перечислить установленное в ней оборудование.

. ПОВЫШЕНИЕ НАДЕЖНОСТИ ЭЛЕКТРОСНАБЖЕНИЯ

Обеспечение надежности электроснабжения потребителей является второй наиболее важной проблемой после обеспечения необходимого качества электроэнергии, стоящей перед электроснабжением сельскохозяйственных потребителей. Потребители первой категории должны получать питание от двух независимых источников.

В данном проекте не предусматривается сетевое резервирование потребителей от государственной электросистемы. Вторым источником электроснабжения может быть местная электростанция небольшой мощности (таблица 14.1).

Каждый студент определяет категорийность потребителей и выбирает тип и мощность местной электростанции /22/, /6/, /23/. Желательно выбрать место расположения станции и схему ее подключения к сети 380/220 В для ТП 5.

Таблица 14.1 Нагрузки электроприемников сельхозпредприятий, подлежащих резервированию от автономных источников

Тип предприятий

Производственная мощность

Резервируемая нагрузка, кВт

Тип источника, мощность и количество агрегатов

1

2

3

4

Комплексы и фермы молочного направления

200 голов

15…25

ДЭС 15 -1


300 голов

20…25

ДЭС 30 -1


400 голов

30

ДЭС 30 -1

Комплексы и фермы молочного направления

800 голов

130

ДЭС 80 -2


1200 голов

160

ДЭС 60 -3


1600…2500 голов

200

ДЭС 60 -4


. TEХНИКО-ЭКОНОМИЧЕСКИЙ РАСЧЕТ СПРОЕКТИРОВАННОЙ СИСТЕМЫ ЭЛЕКТРОСНАБЖЕНИЯ

В технико-экономическом расчете необходимо определить количество материалов и оборудования для строительства электропередачи и рассчитать себестоимость передачи и распределения электрической энергии до шин 0,4 кВ, потребительских ТП /4/, /8/, /9/, /10/, /13/, /23/.

Поэтому все технико-экономические расчеты ведутся без учета линий 0,38 кВ. Составляется спецификация на основное оборудование и материалы для всех ТП 10/0,4, линии 10 кВ и ячейки КРУН-10, установленной на ГПП, от которой отходит ВЛ 10 кВ (таблица 15.1).

Таблица 15.1 Спецификация на основное оборудование

№ п/п

Наименование, тип и краткая техническая характеристика

Единицы измерения

Количество

Примечание







Далее определяются капитальные затраты на сооружение ВЛ 10 кВ и ТП 10/0,4 кВ (таблица 15.2).

Таблица 15.2

Капитальные затраты на сооружение ВЛ10 кВ и ТП 10/0,4 кВ

№ п/п

Наименование основных элементов электропередачи

Единицы измерения

Количество

Кап. затраты, тыс. руб

Ценная литература, расценки





на единицу продукции

всего










БИБЛИОГРАФИЧЕСКИЙ СПИСОК

1. Методические указания по расчету нагрузок в сетях 0,38 - 10 кВ сельскохозяйственного назначения. Руководящие материалы по проектированию электроснабжения сельского хозяйства (РУМ). М.: Сельэнергопроект, 1981.

. Указания по выбору средств регулирования напряжения и компенсации реактивной мощности при проектировании сельскохозяйственных объектов и электрических сетей сельскохозяйственного назначения РУМ. М.: Сельэнергопроект, 1978, сентябрь.

. Инструкция по выбору установленной мощности подстанций 35/10 и 10/0,4 в сетях сельскохозяйственного назначения. РУМ. М.: Сельэнергопроект, 1978, август.

. Будзко И.А., Зуль Н. М.:Электроснабжение сельского хозяйства. М.: агропромиздат, 1990.

. Правила устройства электроустановок. М. - Л.: Энергия, 2000.

. Будско И. А., Левин М. С. Электроснабжение сельскохозяйственных предприятий и населенных пунктов. М.: Агропромиздат, 1985.

. Номограммы для проверки условий пуска трехфазных асинхронных электродвигателей с короткозамкнутым ротором напряжением 380/220В мощностью до 100 кВт, присоединяемых воздушными и кабельными линиями к трансформаторам до 1000 кВА (РУМ). М.: Сельэнергопроект, 1974, № 9.

. Справочник по проектированию электросетей в сельской местности / Под ред. П. А. Каткова, В. И. Франгуляна. М.: Энергия, 1980.

. Справочник по сооружению сетей 0,4 - 10 кВ/ Под ред. А. Д. Романова. М.: Энергия, 1974.

. Справочник по проектированию электроснабжения, линий электропередач и систем / Под ред. Я. М. Большама. М.: Энегия, 1974.

. Типовые проекты на трансформаторные подстанции 407-3-272, 407-3-273, 407-3-327.

. Электротехнический справочник. В 3-х томах / Под ред. В. В. Герасимова и др. М.: Энергия, 1980- 1982.

. Крючков И. П. И др. Электрическая часть электростанций и подстанций: справочные материалы для курсового и дипломного проектирования/ Под ред. Б. Н. Неклепаева. М.: Энергоатомиздат, 1989.

. Номограммы для определения токов однофазного замыкания в кабельных сетях напряжением 380/ 220 В с глухим заземлением нейтрали (РУМ). М.: Сельэнергопроект, 1973, № 12.

. Справочник по проектированию электропривода, силовых и осветительных установок / Под ред. Я. М. Большама и др. - М.: Энергия, 1975.

. Рожкова Л. Д., Кожулин В. С. Электрооборудование станций и подстаний М.: атомэнергоиздат, 1987.

. Методические указания по выбору устройств релейной защиты в сетях 0,38 - 35 кВ сельскохозяйственного назначения (РУМ). М.: Сельэнергопроект, 1976, ноябрь.

. Беляев А. В. Выбор аппаратуры, защит и кабелей в сетях 0,38 кВ. Л.: Энергоатомиздат, 1988.

. Селективная защита от междуфазных и однофазных коротких замыканий типа 3Т-0,4У3 для распредилительных сетей 0,4 кВ (РУМ). М.: Сельэнергопроект, 1977, март.

. ГОСТ 12022 - 76. Трансформаторы трехфазные силовые масляные общего назначения мощностью от 25 до 630 кВА на напряжение до 35 кВ включительно. Технические условия.

. Горобец А. С., Евзеров И. Х. Автоматические выключатели серии А3700. М.: Энергоатомиздат, 1984.

. Методические указания по обеспечению при проектировании нормативных уровней надежности электроснабжения сельскохозяйственных потребителей (РУМ). М.: Сельэнергопроект,1986.

. Электроснабжение сельскохозяйственного производства. Справочник/ Под ред. И. А. Будзко. М.: Колос, 1977.

. Справочник по строительству электросетей 0,38 - 35 кВ/ Под редакцией Комарова Д. Т. М.: Энергоатомиздат, 1982.

. Методические указания к курсовому проекту ‘’электроснабжение сельскохозяйственного населенного пункта. Составители Рыжков С. К., Мякинин Е. Г., Нестерева Л. Г. (Чимзсх). - Челябинск, 1990.

Похожие работы на - Электроснабжение сельскохозяйственного населенного пункта

 

Не нашли материал для своей работы?
Поможем написать уникальную работу
Без плагиата!
Без нейросетей!