Электроника электрических машин

  • Вид работы:
    Контрольная работа
  • Предмет:
    Физика
  • Язык:
    Русский
    ,
    Формат файла:
    MS Word
    151,06 Кб
  • Опубликовано:
    2013-07-25
Вы можете узнать стоимость помощи в написании студенческой работы.
Помощь в написании работы, которую точно примут!

Электроника электрических машин














Контрольная работа

Электроника электрических машин

Содержание

1. Параметры, свойства, характеристики полупроводниковых диодов, тиристоров и транзисторов.

. Выпрямители

. Назначение, электрическая схема, принцип работы усилительного каскада на биполярном транзисторе с общим эмиттером.

.Операционный усилитель.

. Импульсные устройства.

Триггер Шмита (Т.Ш.).

. Назначение, схемные реализации, принцип работы, таблицы истинности, временные диаграммы полупроводниковых логических элементов: НЕ, ИЛИ, И, И-НЕ, ИЛИ-НЕ. Реализация полной системы логических функций с помощью универсальных логических микросхем ИЛИ-НЕ или И-НЕ.

8 Назначение, схемные реализации, принцип работы, таблицы истинности асинхронного и синхронного RS-триггеров, универсального ik-триггера, счетного и d-триггера, построенных на базе логических микросхем.

. Счетчик импульсов

Литература

. Параметры, свойства, характеристики полупроводниковых диодов, тиристоров и транзисторов

Полупроводниковый диод - прибор, имеющий один p-n переход, структуру p-n типа и 2 вывода (электрода).

Так как диод имеет всего один переход, то его ВАХ аналогична ВАХ p-n перехода.

Диоды нужны для работы в выпрямительных устройствах, и называются выпрямителями. При анализе устройств с такими диодами, их, диоды, идеализируют, то есть считают, что сопротивление в прямом направлении =0, а в обратном равно бесконечности.

ВАХ идеализированного диода

Основными параметрами выпрямительного диода является max допустимый прямой ток и max допустимое обратное напряжение. При выборе диодов на выпрямителе нужно обеспечить 30-50% запас и по прямому току и по обратному напряжению

Тиристор - прибор, имеющий 3 p-n перехода и 4х-слойную структуру p-n-p-n типа и 3 вывода: анод, катод и управляющий электрод.

Тиристор может быть включен в прямом или обратном направлении. При обратном (потенциал анода ниже катода) сопротивление тиристора большое, и обратный ток почти отсутствует. Как и диод не пропускает ток в обратном направлении. При прямом включении он может находиться в одном из 2х возможных устойчивых состояний:

непроводящее (закрытое)

проводящее (открытое)

Перевод тиристора из закрытого в открытое состояние осуществляют импульсным способом, то есть между УЭ и К прикладывают напряжение управления в виде импульса. Остается в открытом состоянии после снятия напряжения управления. Для закрытия тиристора нужно как-то уменьшить приводной ток до 0.

Если при токе управления =0, прямое напряжение на тиристоре увеличить, то тиристор так же откроется.

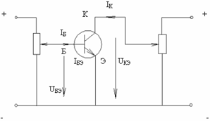
Биполярный транзистор - прибор, имеющий 2 p-n перехода и 3х-слойную структуру


Э - эмиттер, сильно легированный слой. Является поставщиком носителей заряда.

К - коллектор, слаболегированный слой. Является приемщиком

Б - база, слаболегированный тонкий слой. Толщина соизмерима с длиной свободного пробега электрона.

Транзистор - основной элемент усилителей. Усилитель имеет входную цепь с 2мя выводами, и выходную с 2мя выводами. Так как транзистор содержит всего 3 вывода, то при включении его в схему усилителя один вывод получается общим для входной и выходной цепей. В практике используют схему с общим эмиттером.

Характеристики транзисторов даются для схемы включения с общим эмиттером:

p-n переход примыкающий к эмиттеру - эмиттерный переход, а к коллектору - коллекторный переход.

В схеме включения транзистора эмиттерный переход в прямом направлении, поэтому напряжение между базой и эмиттером составляет десятые доли Вольта.

Коллекторный переход в обратном направлении, поэтому напряжение между коллектором и эмиттером примерно 10-30 Вольт. В зависимости от значения тока базы изменяется и ток коллектора и эмиттера. С помощью IБ можно регулировать степень закрытого состояния до полностью открытого. В соответствии с Первым законом Кирхгофа:

IЭ=IК+IБ.

Ток базы составляет несколько сотых долей от тока эмиттера, то есть IЭ=IК.

Изменяя малую величину тока базы при малом напряжении между базой и эмиттером можно регулировать током цепи коллектора при большом напряжении между коллектором и эмиттером, то есть цепью с большой мощностью.

Статические свойства транзистора:

ССТ характеризуют статическими входными и выходными характеристиками.

Входная характеристика - зависимость тока базы от напряжения между базой и эмиттером при постоянном напряжении между коллектором и эмиттером.

IБ=f(UБЭ) при UКЭ=const

При UКЭ 5 В все входные характеристики сливаются в одну

Выходная характеристика - зависимость тока коллектора от напряжения между коллектором и эмиттером при постоянном токе базы.

IК=q(UКЭ) при IБ=const

2. Выпрямители

Назначение.

Являются преобразователями переменного двухполярного напряжения в однополярное. Выпрямители могут быть управляемыми и неуправляемыми.

Управляемые выпрямители позволяют регулировать выпрямленное напряжение в широких пределах. Выпрямители бывают одно- и многофазными и одно- и двухполупериодными. Выпрямитель в общем случае содержит трансформатор, диодную группу и сглаживающий фильтр. Трансформатор и фильтр в некоторых случаях могут отсутствовать.

Однофазный однополупериодный.

Первичная обмотка трансформатора подсоединена к синусоидальному току. Трансформатор является масштабным преобразователем напряжения, и меняет его только по амплитуде, а по форме остается постоянным в каждый положительный полупериод напряжения на вторичной обмотке. Диод включается в прямом направлении и беспрепятственно пропускает ток, падение напряжения на нем равно 0, пожтому напряжение на приемнике повторяет и по форме и по амплитуде напряжение U2, в отрицательном полупериоде диод закрыт, ток в приемнике равен 0 и напряжение на его зажимах тоже равно 0.

Принцип действия удобно показывать, используя временные диаграммы.

Вольтметр постоянного тока, подключенный параллельно приемнику покажет это среднее значение.

Рассмотренный выпрямитель не позволяет регулировать выпрямленное напряжение и является неуправляемым.

Если в этом выпрямителе диод заменить тиристором, то получим однофазный однополупериодный управляемый выпрямитель.

Однофазный двухполупериодный выпрямитель с выведенной средней точкой вторичной обмотки трансформатора.

Эти однополупериодные выпрямители работают поочередно, потенциал т. А выше т. Х. Ток пропускает диод VD1. Каждый отрицательный полупериод диод VD2.

При этом ток в приемнике и напряжение на его зажимах имеет одно и тоже направление.

.

Нерегулируемый выпрямитель.

Если диоды заменить тиристорами, то получим управляемые однофазный двухполупериодный выпрямитель с выведенной точкой вторичной обмотки трансформатора.

Однофазный мостовой выпрямитель.

т.к. напряжение на открытых диодах равно 0, то напряжение на приемнике повторяет и по амплитуде и по форме кривую напряжения U2; в каждый отрицательный полупериод ток замыкается в следующем контуре:

.

При этом напряжение на приемнике направлено так же, как и в положительном полупериоде.

Временные диаграммы напряжений аналогичны временным диаграммам предыдущего неуправляемого выпрямителя: .

Управляемый выпрямитель можно получить следующим образом:

1.  все 4 диода заменить тиристорами, управляемыми от одного блока управления;

2.      заменить тиристорами только 2 диода (например, VD2 и VD3);

.        последовательно с приемником включить дополнительно один тиристор.


Трехфазный однополупериодный выпрямитель.

Данный выпрямитель представляет собой три однофазных однополупериодных выпрямителей, работающих как один приёмник. При этом напряжения на фазах вторичной обмотки трансформатора сдвинуты по фазе на 120є. В любой момент времени, ток пропускает только один диод, причем тот диод, потенциал анода которого имеет наибольшее значение. Поэтому кривая выпрямленного напряжения формируется из вершин синусоид фазных напряжений вторичной обмотки трансформатора, таких вершин в периоде три.

,

т.к. каждый диод открыт только на 1/3 периода, то среднее значение токов диода составляет 1/3 от среднего значения тока приемника.

,  - ток (анодный)

Если диоды заменить теристорами, то получится выпрямитель.

Трехфазный мостовой выпрямитель.

Выпрямитель состоит из трехфазного трансформатора и 6-ти плечего диодного моста.

Диоды VD1,3,5 образуют анодную группу. Диоды VD2,4,6 образуют катодную группу диодов. В любой момент времени ток пропускают два диода: один из анодной, другой из катодной групп. Из катодной группы ток пропускает диод, потенциал которого имеет наибольшее значение. Из анодной группы ток пропускает диод, потенциал которого имеет наименьшее значение, т.е. открытые диоды включенные на наибольшее линейное напряжение. Поэтому кривая выпрямленного напряжения формируется из вершин синусоид, линейных напряжений. В периоде таких вершин шесть.

Последовательность вершин можно определить из векторной диаграммы линейных напряжений.

Среднее значение выпрямленного напряжения: .

Среднее значение тока в каждом диоде составляет 1/3 от тока в приемнике:


Промышленные выпрямители средней большой мощности выполняются по этой мостовой схеме. Пульсация напряжения в этой схеме наименьшая из всех рассмотренных нами схем. Применяются и более сложные схемы выпрямления, но все основаны на этом.


. Назначение, электрическая схема, принцип работы усилительного каскада на биполярном транзисторе с общим эмиттером

Назначение.

Усилители применяют в системах автоматизированного управления станками для усиления маломощных сигналов, поступающих от различных датчиков.

Структурной ячейкой усилителя является усилительный каскад (1,2,3 каскада). Любой усилительный каскад содержит 3 обязательных элемента:

Нелинейный элемент (транзистор)

Нагрузочный элемент усилителя (резистор, индукционная катушка, обмотка трансформатора)

Стабилизированный источник питания с нулевым внутренним сопротивлением

Процесс усиления заключается в преобразовании энергии источника питания в энергию выходного сигнала. Управляет этим процессом маломощный входной сигнал.

При анализе усилителей выделяют 2 режима:

1.      Покой (режим, когда входной сигнал отсутствует)

2.      Усиление

Монтаж электрических цепей выполняют одним проводом, 2ым проводом является корпус.

Усилительный каскад на биполярном транзисторе включенном по схеме с общим эмиттером

Принцип работы.

Режим покоя: источник питания создает постоянные токи базы эмиттера и коллектора. Постоянный ток базы замыкается в корпусе: +ЕК > R1 > Б > Э > RЭ > L > -ЕК > +ЕК

Ток базы приоткрывает на половину транзистор, появляется постоянный ток коллектора или эмиттера, который замыкается в контуре: +ЕК > RК > К > Э > RЭ > L > -ЕК > +ЕК

Определить ток коллектора и напряжение между коллектором и эмиттером можно графически, методом ВАХ линейного источника (RК и RЭ) и нелинейного элемента (транзистора).

ВАХ транзистора известно. ВАХ линейного источника строят: UКЭ=ЕК-(RК-RЭ)IК

(IК=0 значит UКЭ=ЕК ; UКЭ=0 значит IК=)

Ток фазы покоя выбирается таким, чтобы точка покоя была примерно на середине ВАХ линейного источника.

Качество работы усилителя зависит от правильного режима покоя.

Характерной зависимостью полупроводниковых приборов является зависимость их электропроводности от температуры. Чем больше температура, тем больше электропроводность. Чтобы при работе усилителя при разных температурах положение точки покоя не изменилось, применяется температурная стабилизация

В данном усилителе температурная стабилизация осуществляется благодаря резистору RЭ и делителю напряжения R1, R2. Делитель поддерживает постоянным потенциал базы.

Осуществляется так: пусть температура транзистора повышается > ток коллектора покоя повышается > повышается ток эмиттера покоя > повышается падение напряжения > повышается потенциал эмиттера > разность потенциалов между базой и эмиттером уменьшается > понижается ток фазы покоя > понижается ток коллектора.

Так сработала отрицательная обратная связь и ток коллектора понижается до первоначального значения, то есть точка покоя стабилизирована.

Конденсатор С1 не пропускает постоянный ток источника питания ЕК в источник входного сигнала. Если в источнике усиленного сигнала присутствует постоянная составляющая напряжения, то этот конденсатор не пропускает постоянный ток на вход усилителя.

Режим усиления: на вход усилителя подаем переменное входное напряжение. Это напряжение создаст переменный ток фазы, который накладывается на постоянный ток. Получается пульсирующий ток фазы. Этот ток создает пульсирующее напряжение на резисторе RК. А так как это напряжение и напряжение между коллектором и корпусом в сумме всегда равны напряжению или ЭДС источника, то напряжение между коллектором и корпусом так же пульсирует. Причем, если напряжение на резисторе RК повышается, то напряжение между коллектором и корпусом понижается, и наоборот.

Конденсатор С2, включенный на выходе усилителя, выделяет только переменную составляющую из напряжения между коллектором и корпусом. Эта составляющая представляет собой выходное напряжение усилителя. Отношение амплитуды выходного напряжения к входному:


В режиме холостого хода усилителя коэффициент напряжения холостого хода до 100.

Конденсатор С3 устраняет отрицательную обратную связь по переменной составляющей. Сопротивление этого конденсатора XC3 берут таким, чтобы для низшей частоты его сопротивление было много меньше сопротивления резистора RЭ.

Резистор RК обеспечивает динамический режим работы транзистора. Чем выше сопротивление этого резистора, тем больше колебания напряжения на нем, и тем больше выходное напряжение. Усилитель по отношению к источнику усиливаемого сигнала представляет собой приемник электроэнергии, а по отношению к приемнику - источник переменного напряжения.

Данный усилительный каскад имеет довольно малое выходное сопротивление, составляющее несколько кОм. Оно определяется входным сопротивлением транзистора. Выходное сопротивление много больше входного. Поэтому данный усилитель применяется как усилитель напряжения и может работать, если приемник имеет очень большое сопротивление (оптимальный режим - режим холостого хода).

Приемник снижает коэффициент усилителя:


. Операционный усилитель

В современной электронике основным усилителем напряжения является так называемый операционный усилитель (ОУ). ОУ выполняется по интегральной технологии в виде микросхем. ОУ называется усилитель мощности, усиливающий сигналы с частотой от 0 Гц до 10-ов Гц и более, имеющий очень большой коэффициент усиления (КУ).

Таким образом, ОУ близок к идеальному усилителю, у которого

.

Если усиливаемое напряжение подается на прямой вход, то выходное напряжение

При этом фаза выходного напряжения совпадает с фазой входного.

Если усиливаемое напряжение подается на инвертирующий вход, то

,

при этом выходное напряжение сдвинуто по фазе относительно входного на 1800.

Основной характеристикой усилителя является передаточная характеристика, зависимость выходного напряжения от входного, при нулевой частоте.

В усилителях используется только линейный (наклонный) участок характеристики. За пределами этого участка выходное напряжение при изменении входного остается неизменным из-за насыщения выходных транзисторов усилителя.

.

Т.к. коэффициент усиления ОУ очень большой, а выходное напряжение ограничено, то диапазон усиливаемых напряжений очень узок (десятки мкВ до мВ), поэтому в чистом виде ОУ в качестве усилительных устройств не используются.

Для расширения диапазона усиливаемых напряжений применяют отрицательную обратную связь. Обратной связью называют части выходного напряжения на вход усилителя. Если напряжение обратной связи подается на инвертирующий вход, то такая обратная связь называется отрицательной.

Неинвертирующий усилитель с отрицательной обратной связью.

Рассмотрим неинвертирующий усилитель с отрицательной обратной связью.

Напряжение отрицательной обратной связи:

,

где  - коэффициент отрицательной обратной связи.

КУ данного усилителя с обратной связью можно найти следующим образом:

,

где К - коэффициент усиления самого ОУ, КООС - коэффициент усиления усилителя с отрицательной обратной связью.

Обычно в усилителях , поэтому:

.

Таким образом, отрицательная обратная связь уменьшает коэффициент усиления и стабилизирует его значение, т.к. КООС определяется только сопротивлением этих двух резисторов.

Инвертирующие усилители с отрицательной обратной связью

Наряду с неинвертирующими усилителями широко применяют инвертирующие усилители с отрицательной обратной связью.

Т.к. входное сопротивление ОУ и КУ очень большие, то при анализе используют «принцип мнимой земли», в соответствии с которым:

,

поэтому из закона Кирхгоффа:

 

знак «-» означает, что У - инвертирующий.

Операционные схемы (ОС).

На основе ОУ можно сделать ряд устройств с особыми свойствами:

1.      интегрирующий усилитель (интегратор)

В ТАУ он называется И-регулятор.

Если в инвертирующем усилителе резистор R2 заменить конденсатором, то получим интегратор:

По первому закону Кирхгоффа:

.

.

Данное устройство выполняет алгебраическую операцию интегрирования.

2.      дифференцирующий усилитель (дифференциатор).

Если в инвертирующем У резистор R1 заменить конденсатором, то получим дифференциатор.

По закону Кирхгоффа:

.


Таким образом, это устройство выполняет операцию дифференцирования.

3.      сумматор.

В соответствии с первым законом Кирхгоффа:

.

Закон Ома:

.

По второму закону Кирхгоффа:


. Импульсные устройства

Импульсные устройства относятся от рассмотренного выше устройства дискретного действия. В импульсных устройствах сигналы (I, U) представляют собой импульсы. В электронике очень часто применяют прямоугольные импульсы. Импульсы характеризуют следующими параметрами:

Um - амплитуда импульса

tН - длительность импульса

tП - длительность паузы

T = tН + tП - период

 - скважность

Ряд импульсных устройств можно создать на основе операционных усилителей:


1.      Компараторы - устройство, предназначенное для сравнения двух напряжений: входного и опорного. Опорным напряжением может быть: «+», «-». В импульсных устройствах входные напряжения составляют единицы-десятки и более вольт, поэтому в них используют не линейный режим операционного усилителя, т.е. участки передаточных характеристик, на которых выходное напряжение не зависит от входного. Операционный усилитель без обратной связи является компаратором, опорное напряжение которого = 0.

,

где К - коэффициент операционного усилителя.

Исходя из передаточной характеристики: , при , при Uвх

2.      Компаратор с положительным опорным напряжением.

, при UВХ > UОП

, при UВХ < UОП

т.о. при введении опорного напряжения, передаточная характеристика усилителя переместилась параллельно самой себе, в положительном направлении, на значение = опорному напряжению.

Если изменить полярность опорного напряжения, то передаточная характеристика сместится в отрицательном направлении. Изменение выходного напряжения от «+»max, к «-»max, будем называть выключением компараторов; а если наоборот, то включением. Т.о. в компараторах: напряжение включения и выключения равны между собой.

. Триггер Шмита (Т.Ш.)

Т.Ш. - это устройство, имеющее два возможных устойчивых состояния и способное переходить из одного состояния в другое, под действием входного напряжения.

Т.Ш. - это компаратор напряжения вкл. и выкл., которого не равны между собой. Если в операционный усилитель внести положительную обратную связь, то получится Т.Ш.

,

где  - коэффициент положительной обратной связи.

Выходное напряжение:


Знак «-» говорит, что усилитель инвертирующий.


Передаточная характеристика:

. , 2. , 3.

При  передаточная характеристика становится Z - образной. Режим, определяемый наклонным участком этой характеристики, является не устойчивым, поэтому передаточная характеристика представляет собой релейную характеристику в виде петли.

Ширина петли определяется коэффициентом обратной связи, чем > коэффициент обратной связи, тем шире петля. Т.Ш. переключается всякий раз, когда изменяющееся входное напряжение становится равным напряжению положительной обратной связи.

Напряжение выключения:

Триггер (слово) - означает спусковой крючок; два положения, положение «+» насыщения и «-» насыщения.

Мультивибратор.

Схема и принцип действия.

Это генератор прямоугольных импульсов, используют в ЭВМ, в качестве тактового генератора. Если в Т.Ш. ввести времязадающую цепь, состоящую из резистора и конденсатора, то получим мультивибратор. Управляющим напряжением является напряжение на конденсаторе.

Следовательно, Т.Ш. будет переключаться всякий раз, когда напряжение на конденсаторе равны напряжению на резисторе R1.

Пусть Т.Ш. находится в режиме положительного насыщения: .

Под действием выходного напряжения конденсатор заряжается, контур тока заряжен.

Выходной зажим резистор R -> конденсатор С -> корпус -> корпус -> выход О.У. -> выходной зажим.

Напряжение на конденсаторе возрастает, когда напряжение становится = напряжению на резисторе R1, в котором в свою очередь………….

,

о Т.Ш. изменяет свое состояние на противоположное и выходное напряжение становится равным .

Под действием этого напряжения, конденсатор разряжается и затем перезаряжается, контур тока перезарядки: верхняя обкладка конденсатора -> R -> выход О.У. -> корпус -> корпус -> нижняя обкладка конденсатора -> верхняя………..

Когда напряжение на конденсаторе станет равным напряжению включения Т.Ш., то Т.Ш. вновь изменяет свое состояние на противоположное и начинается перезарядка конденсатора. Далее процессы повторяются.

Принцип действия легко рисовать временными графиками:


В данном мультивибраторе, поскольку контур зарядки и перезарядки один и тот же длительность импульса равна длительности паузы:


Скважность: , такой мультивибратор называют симметричным, что бы получить мультивибратор со скважностью отличной от U (не симметричной) необходимо цепи зарядки и разрядки конденсатора разделить. Наиболее часто это производят следующим образом:

.

Генератор линейно изменяющегося напряжения (ГЛИН).

Данный генератор является генератором пилообразных импульсов. Для получения таких импульсов используют переходные процессы при перезарядке и разрядке конденсатора.

Рассмотрим генератор выполненный на основе интегратора.

Принцип действия:

В интеграторе выходное напряжение = напряжению на конденсаторе . От источника ЭДС конденсатор заряжается. Контур тока зарядки +Е -> корпус -> корпус -> выход О.У. -> С -> R -> -Е -> +Е

Напряжение на конденсаторе линейно возрастает, когда это напряжение станет равным напряжению включения теристора, теристор включается и конденсатор быстро разряжается на теристор, в результате напряжение на нем уменьшается до 0 и теристор закрывается и начинается процесс зарядки, и так по кругу.

Генераторы линейно изменяющего напряжения применяют в электронно-лучевой аппаратуре.

. Назначение, схемные реализации, принцип работы, таблицы истинности, временные диаграммы полупроводниковых логических элементов: НЕ, ИЛИ, И, И-НЕ, ИЛИ-НЕ. Реализация полной системы логических функций с помощью универсальных логических микросхем ИЛИ-НЕ или И-НЕ

Логические элементы выполняют операции над входной информацией по законам алгебры, логики. Логические элементы выполняют по интегральной технологии в виде микросхем. Название логического элемента определяется названием выполняемой им логической функцией или операцией.

При анализе логических элементов удобно использовать таблицы истинности.

Логический элемент имеет один основной выход и от одного до десяти входов.

Рассмотрим основные логические элементы:

Одновходовые логические элементы

) «повторитель» - один вход, один выход. Выполняет операцию повторения Y = X.

Таблица истинности

Х

Y

0

0

1

1


Электрический аналог повторителя

Кнопка имитируют входную информацию, лампа индуцирует выходную величину.

2) НЕ (инвертор), осуществляет операцию отрицания

Таблица истинности

ХY


0

1

1

0


Электрический аналог

Многовходовые логические элементы

) двухвходовый логический элемент

ИЛИ осуществляет операцию логического сложения


Таблица истинности

Х1

0

1

0

1

Х2

0

0

1

1

Y

0

1

1

1


Электрический аналог

4) И осуществляет операцию логического умножения

Таблица истинности

Х10101





Х2

0

0

1

1

Y

0

0

0

1


Электрический аналог

Рассмотренные выше логические элементы образуют полный логический набор. С помощью этих элементов можно выполнить любую встречающуюся на практике логическую операцию. Наряду с этими элементами широко применяют так называемые универсальные логические элементы. Универсальность их заключается в том, что с помощью элементов одного типа можно выполнить любую логическую операцию.

Универсальные логические элементы

) ИЛИ-НЕ осуществляет операцию логического сложения и отрицания


Таблица истинности

Х10101





Х2

0

0

1

1

Y

1

0

0

0


электрический аналог

) И-НЕ осуществляет операции

·           логического умножения и отрицания


Таблица истинности

Х1

0

1

0

1

Х2

0

0

1

1

Y

1

1

1

0


Электрический аналог

·        импликация

Таблица истинности

Х10101





Х2

0

0

1

1

Y

1

1

0

1







Электрический аналог

·        запрет

Таблица истинности

Х10101





Х2

0

1

1

Y

0

1

0

0







Электрический аналог

·        равнозначность

Таблица истинности

Х10101





Х2

0

0

1

1

Y

1

0

0

1


Электрический аналог

Назначение, схемные реализации, принцип работы, таблицы истинности асинхронного и синхронного RS-триггеров, универсального ik-триггера, счетного и d-триггера, построенных на базе логических микросхем

Триггеры и устройства на их основе, назначение.

Триггерами называют электронные устройства, способные сколь угодно долго находиться в одном из двух возможных устойчивых состояний и скачком переходить из одного состояния в другое под воздействием управляющих сигналов (импульсов).

Триггер является базовым элементом цифровой техники, в частности в оперативной памяти ЭВМ триггер является ячейкой хранящей 1 бит информации.

Триггер имеет два выхода: прямой Q и инверсный . Состояние триггера определяется состоянием его прямого выхода, если например потенциал прямого выхода соответствует логической 1, т.е. Q = 1, то , то говорят, что триггер находится в единичном состоянии или в нулевом, если Q = 0.

По способу организации логических связей триггеры подразделяются на 4 типа:

1.       с раздельным запуском или RS-триггеры;

2.      триггеры задержки или D-триггеры;

.        триггеры со счетным входом или Т-триггеры;

.        универсальные или IK-Триггеры.

По способу функционирования триггеры разделяют на асинхронные и синхронные :

·        АСИНХРОННЫЕ RS-триггеры

RS-триггер имеет два информационных входа: вход S (set - установить) - установочный вход, вход R (reset - сбросить) - вход сброса.

Триггер выполняется на основе логических элементов по интегральной технологии.

Рассмотрим триггер, выполненный на логических элементах ИЛИ-НЕ.

При анализе цифровых устройств используют таблицы состояний

Sn

Rn

Q n + 1

0

0

Q n

1

0

1

0

1

0

1

1

Не существует


Sn = 0, Rn = 0  Q n - ситуация нейтральная, т.к. она не изменяет состояния триггера

Sn = 1, Rn = 0  Q = 1 - переводит триггер в единичное состояние

Sn = 0, Rn = 1  Q = 0 - переводит триггер в нулевое состояние

Sn = 0, Rn = 1 - приводит триггер в неопределенное состояние, такая комбинация запрещена.

Нормальная работа триггера обусловлена выражением S·R = 0

Особенность RS-триггеров заключается в том, что переход триггера из одного состояния в другое происходит на фронте управляющего импульса.

Существуют и другие схемы RS-триггеров.

Если в RS-триггере вход S заменить входом I, а R на К, то получим асинхронный IK-триггер.

·   Асинхронный IK-триггер

Таблица состояний IK-триггера

In

Kn

Q n + 1

Ситуация

0

0

Q n

ситуация нейтральная, т.к. она не изменяет состояния триггера

1

0

1

переводит триггер в единичное состояние

0

1

0

переводит триггер в нулевое состояние

1

1

изменяет состояние триггера на противоположное



·   Асинхронный D-триггер имеет один информационный вход D (delay - задержать). D-триггер можно получить из IK-триггера или RS-триггера если в один из входов включить инвертор и выходы объединить.

В D-триггере используются вторая и третья строки таблицы состояний IK-триггера.


Асинхронные триггеры воспринимают информацию по мере ее поступления. Наряду с асинхронными широко применяются, в частности в ЭВМ, и синхронные триггеры.

Синхронные триггеры имеют дополнительный вход С (clock - часы). Триггер воспринимает информацию только при наличии импульса (тактового) на входе С.

·   синхронный RS-триггер

Таблица состояний

С

S n

R n

Q n + 1

0

0

0

Q n

1

0

0

Q n

0

1

0

Q n

1

1

0

1

0

0

1

Q n

1

0

1

0


Аналогично выполняются и остальные триггеры.

Условное обозначение любого синхронного триггера содержит вход С.

·   счетный триггер или т-триггер

Т (tumble - опрокидываться, кувыркаться). В счетном триггере используется последняя строка таблицы состояний IK-триггера.

I

K

Q n + 1

1

1


Счетный триггер можно получить например из IK-триггера если входы I и K объединить и сделать общий вход Т.


Свойства счетного триггера:

) Счетный триггер изменяет свое состояние на противоположное на срезе каждого входного импульса, поступающего на счетный вход.

) Наряду со счетным входом триггер может иметь и другие входы, например установочный вход R.

диод транзистор усилительный импульсный

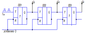
9. Счетчик импульсов

Назначение.

Счетчики импульсов применяются для счета импульсов, поступивших на счетный вход, они могут быть суммирующими и вычитающими, синхронными и асинхронными.

Асинхронный суммирующий счетчик - счетчик состоит из ряда счетных триггеров соединенных между собой последовательно, при этом используются только прямые выходы триггера.

Принцип работы и схемы.

Прямой выход первого триггера, соединяется со счетным входом второго; прямой выход второго триггера, соединяют со счетным входом третьего триггера; прямой третьего, со счетным четвертого и т.д.

Каждый триггер представляет собой разряд двоичного числа. Число 2n - модуль счетчика, где n - число последовательно соединенных триггеров.

Такой триггер может считать до N = 2n - 1, и следующий, за этим импульс переводит все триггеры в нулевое состояние. Выход первого триггера является младшим разрядом двоичного числа, выход последнего является старшим разрядом двоичного числа.

Рассмотрим трехразрядный счетчик, выполненный на триггерах с инверсным установочным входом.


Номер входной линии

Q3

Q2

Q1

0

0

0

0

1

0

0

1

2

0

1

0

3

0

1

1

4

1

0

0

5

1

0

1

6

1

1

0

7

1

1

1

8

0

0

0


Нужно создать счетчик, считающий до N = 5, а шестой импульс - переводит триггер в нулевое состояние.

Для этого надо шестой перевести в двоичную систему исчисления = 110

Если в счетчике используются триггер с прямым установочным входом прямой, а не инверсный.

Литература

1.Григораш О.В. Электротехника и электроника : учеб. для вузов / О.В. Григораш, Г.А. Султанов, Д.А. Нормов. - Гриф УМО. - Ростов н/Д : Феникс, 2008. - 462 с

.Лоторейчук Е.А. Теоретические основы электротехники : учеб. для студ. учреждений сред. проф. образования / Е.А. Лоторейчук. - Гриф МО. - М. : Форум: Инфра-М, 2008. - 316 с.

.Федорченко А. А. Электротехника с основами электроники : учеб. для учащ. проф. училищ, лицеев и студ. колледжей / А. А. Федорченко, Ю. Г. Синдеев. - 2-е изд. - М. : Дашков и К°, 2010. - 415 с.

.Катаенко Ю. К. Электротехника : учеб. пособие / Ю. К. Катаенко. - М. : Дашков и К° ; Ростов н/Д : Академцентр, 2010. - 287 с.

.Москаленко В.В. Электрический привод : Учеб. пособие для сред. проф. образования / В.В. Москаленко. - М. : Мастерство, 2000. - 366 с.

.Савилов Г.В. Электротехника и электроника : курс лекций / Г.В. Савилов. - М. : Дашков и К°, 2009. - 322 с.

.Синдеев Ю. Г. Электротехника с основами электроники : учеб. пособие для проф. училищ, лицеев и колледжей / Ю. Г. Синдеев. - Изд. 12-е, доп. и перераб. ; Гриф МО. - Ростов н/Д : Феникс, 2010. - 407 с.

.Евдокимов, Ф.Е. Теоретические основы электротехники: учеб. для средн. проф. обр. / Ф.Е. Евдокимов - М.: Academia, 2004. - 560 c.

.Данилов, И.А. Общая электротехника с основами электроники / И.А. Данилов -М.: Высш .шк., 2000. - 752 с.

.Аваев С.А. Общая электротехника . 1959 год.

.Анхимгон В.Л. Теория автоматического регулирования . 1968 год.

.Борисов Ю.М. Электротехника : учеб. пособие для вузов / Ю.М. Борисов, Д.Н. Липатов, Ю.Н. Зорин. - Изд.3-е, перераб. и доп. ; Гриф МО. - Минск : Высш. шк. А, 2007. - 543 с

Похожие работы на - Электроника электрических машин

 

Не нашли материал для своей работы?
Поможем написать уникальную работу
Без плагиата!
Без нейросетей!