Электромагнитные переходные процессы в электроэнергетических сетях
Курсовой
проект
Электромагнитные
переходные процессы в электроэнергетических сетях
Введение
Переходные процессы возникают в электрических системах как при нормальной
эксплуатации (включение и отключение нагрузок, источников питания, отдельных
цепей, производство испытаний), так и в аварийных условиях (обрыв нагруженной
цепи или отдельной ее фазы, короткое замыкание, выпадение машины из
синхронизма).
Основной причиной возникновения электромагнитных переходных процессов
являются преимущественно короткие замыкания. Коротким замыканием называют
всякое не предусмотренное нормальными условиями работы замыкание между фазами,
а в системах с заземленными нейтралями (или четырехпроводных) - также замыкание
одной или нескольких фаз на землю (или на нулевой провод).
Трехфазное короткое замыкание является симметричным, т.к. при нем все
фазы остаются в одинаковых условиях. Все остальные виды коротких замыканий
являются несимметричными. Короткие замыкания являются результатом нарушения
изоляции электрического оборудования, вызванного естественным старением или
тепловым разрушением; механическим повреждением воздушных линий и опор,
связанным с гололедными явлениями и ветровыми нагрузками.
При коротком замыкании снижается напряжение и возрастают токи, что и определяет
основные последствия. К ним относятся: нарушение динамической устойчивости
энергосистемы, что может приводить к ее разделению на автономные части;
термическое повреждение оборудования вследствие недопустимых токов;
электромеханическое повреждение оборудования в силу недопустимых механических
усилий, возникающих от токов короткого замыкания; ухудшение условий работы
электроприемников вследствие падения напряжения; неблагоприятное воздействие на
линии связи и сигнализации.
При проектировании и эксплуатации электрических установок и систем для
решения многих технических вопросов и задач требуется предварительно провести
ряд расчетов. Под расчетом электромагнитного переходного процесса обычно
понимается вычисление токов и напряжений в рассматриваемой схеме при заданных
условиях. К числу задач, для решения которых производятся такие расчеты,
относятся: расчет и анализ динамической устойчивости энергосистем; выявление
условий работы потребителей при аварийных режимах; выбор и проверка аппаратов и
проводников по условиям термической и электродинамической стойкости;
проектирование и настройка устройств релейной защиты и автоматики; определение
числа заземленных нейтралей и их размещения в системе и др.
Целью данной курсовой работы является расчет трехфазного и несимметричных
режимов (короткого замыкания и разрыва фазы) в сложной электрической системе.
Умение выполнять данный расчет позволяет избежать опасных проявлений режимов
короткого замыкания в процессе эксплуатации энергоустановок.
Рисунок 1 - Схема задания
Задание
Для электрической системы, представленной на схеме 15 (выключатель
В1 включен во всех режимах), выполнить расчет и анализ
переходного процесса для трех режимов.
1.
Режим
- трехфазного
КЗ
2.
Режим
- несимметричного КЗ
3.
Режим
- продольной несимметрии
Номер зачетной книжки - 9А91028;
Параметры элементов электрической системы представлены в таблицах 1-5.
Таблица 1 Параметры автотрансформаторов
|
Автотрансформаторы АТ5, АТ6 - 500/230/11 кВ;
|
|
№ варианта
|
Тип
|
, МВА
|
, кВ
|
, %
|
|
|
|
вн
|
сн
|
нн
|
в-с
|
в-н
|
с-н
|
|
6-9
|
АТДЦТН-550000/500
|
550
|
500
|
230
|
11
|
11
|
31
|
20
|
Таблица 2 Параметры трансформатора с расщепленной обмоткой
|
Трансформатор с расщепленной обмоткой ТР3- 230/15,75-15,75
кВ
|
|
№ варианта
|
Тип
|
, МВА
|
, кВ
|
, кВ
|
, %
|
|
8
|
ТРДН-600000/230
|
600
|
230
|
15,75-15,75
|
12
|
Таблица 3 Параметры турбогенераторов
|
Турбогенераторы Г5, Г6- 15,75 кВ;
|
|
№ варианта
|
Тип
|
, МВт
|
, кВ
|
, о.е.
|
|
, кА
|
|
|
Г5 - Г8 - 15,75 кВ
|
|
8
|
ТВ-275
|
275
|
15,75
|
0,28
|
1,7
|
11,21
|
0,9
|
Таблица 4 Параметры системы
|
Система Реактивности системы: ,
|
|
№ варианта
|
Система
|
|
, кВ
|
, МВА
|
|
8
|
520
|
46000
|
Таблица 5 Параметры воздушной линии
|
ЛЭП-220 кВ (АС-240); Ом/км Взаимная реактивность
нулевой последовательности между цепями
|
|
№ варианта
|
Длина ЛЭП -220 кВ, км
|
|
Л1
|
|
8
|
90
|
1.
Режим
- трехфазного КЗ
В
заданной точке
схемы, рассчитать:
·
- действующие значения периодической слагаемой тока
короткого замыкания при
;
·
- ударный ток и мощность КЗ при
;
· действующие значения периодической слагаемой
суммарного тока генераторов Г5 и Г6, посылаемого в место КЗ для
трех моментов времени (результаты представить на ступени генераторного
напряжения 15,75 кВ):
а)
- для
;
б)
- для
с.;
в)
-
,
принимая для обоих генераторов
;
·
- остаточное напряжение на шинах генератора Г5
(узел
) в установившемся режиме КЗ.
При расчетах тока КЗ в сложных электрических сетях напряжением выше 1 кВ
и в соответствии с ГОСТ 27514-87 «Короткие замыкания в электроустановках.
Методы расчета в электроустановках переменного тока напряжением свыше 1 кВ»
принимается ряд упрощений:
. Рассматриваемая энергосистема строго симметрична при трехфазном
коротком замыкании.
2. Не учитывается намагничивающий ток трансформаторов и
автотрансформаторов. Не учитывается насыщение магнитной системы указанных
элементов, что позволяет считать их сопротивления постоянными.
3. Не учитываются активные сопротивления элементов энергосистемы.
. Для воздушных ЛЭП напряжением до 220кВ включительно не учитывается
емкостная проводимость; для кабельных линий емкостная проводимость учитывается,
начиная с напряжения 35 кВ и выше [2, с.24].
Составление схемы замещения
Для того чтобы составить схему замещения, определим её параметры и
приведем их к одной ступени напряжения (ступени, где произошло короткое
замыкание). Расчет будем проводить в именованных единицах. Определим
коэффициенты трансформации трансформаторов и автотрансформаторов:
Трансформатор ТР3:
Автотрансформаторы
АТ5, АТ6:
Поскольку
трансформаторы АТ5 и АТ6 одинаковые, то коэффициенты трансформации для
трансформаторы АТ6 такие же:
Расчет
параметров схемы замещения (в именованных единицах):
Генераторы
Г5, Г6:
Так
как генераторы Г5 и Г6 одинаковые, то их параметры равны:
Сопротивление
трансформатора с расщепленной обмоткой ТР3:
Сопротивление
воздушной линии Л1:
Где
L - длина линии,
х1 - погонное индуктивное сопротивление линии;
Напряжения
короткого замыкания обмоток автотрансформаторов АТ5, АТ6:
Сопротивления обмоток автотрансформаторов АТ5, АТ6:
Сопротивление
системы:
сопротивление,
приведенное к напряжению системы;
сопротивление,
приведенное к основной ступени напряжения 230 кВ.
Схема замещения с параметрами, приведенными к основной ступени напряжения
230 кВ, представлена на рисунке 1.1.
Рисунок 1.1 Схема замещения электрической системы
Преобразование схемы замещения
Схема
замещения преобразуется до эквивалентной ветви относительно точки КЗ с
результирующим значением ЭДС (
) и
сопротивлением (
).
. Преобразование
сопротивлений
и
,
и
:
Рисунок 1.2 Преобразование схемы замещения
2. Преобразование
сопротивлений
и ЭДС генераторов Г5, Г6:
Преобразование
сопротивлений линии
и
:
Рисунок 1.3 Преобразование схемы замещения
3. Преобразовываем сопротивления обмоток автотрансформаторов АТ5,
АТ6 из треугольника в звезду:
Рисунок 1.4 Преобразование схемы замещения
Преобразовываем
сопротивления
и
:
Преобразования
по месту КЗ:
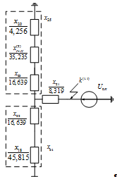
Рисунок 1.5 Преобразование схемы замещения
Расчет основных параметров К(3) для t=0
Начальное значение периодического тока для t=0:
Мощность
КЗ:
Ударный
ток КЗ:
где
- для сборных шин повышенного напряжения станций с
трансформаторами мощностью 100 МВА и выше;
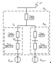
Определим действующие значения периодической слагаемой суммарного тока
генераторов Г5 и Г6, посылаемого в место КЗ, для трех моментов
времени (результаты представить на ступени генераторного напряжения 15,75 кВ):
а)
- для
;
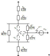
Определим
- остаточное напряжение на шинах генератора Г5 (узел
) в начальный момент времени. Учитывая, что
сопротивление х3 складывается из сопротивления параллельно
включенных генераторов и сопротивления от шин генераторов до места КЗ, то
сопротивление от шин генераторов до места КЗ можно представить в виде
(рис.1.6):
Поскольку
генераторы одинаковы и работают параллельно, то остаточные напряжения на их
шинах одинаковы и равны остаточному напряжению на шинах генератора Г5:
способ
- от места КЗ к узлу
:
способ
- через сопротивление генератора Г5 к узлу
:
Рисунок 1.6 Преобразование СЗ для нахождения Uост(0)
б)
определяем действующее значения периодической слагаемой суммарного тока
генераторов Г5 и Г6, посылаемого в место КЗ
для
с:
-
где
- коэффициент затухания, который находится по типовым
кривым [1, рис.1] в зависимости от условной электрической удаленности места КЗ,
выраженной в относительных единицах
:
По
типовым кривым для
с принимаем:
Далее
определим значение мощности КЗ, посылаемой генераторами Г5 и Г6 к месту КЗ, и
значение апериодической слагаемой тока КЗ, посылаемой генераторами Г5 и Г6 к
месту КЗ, для
с:
Где
Та=0,0955 - 0,191 с - эквивалентная постоянная времени для сборных
шин повышенного напряжения станций с трансформаторами мощностью 100 МВА и выше
[1, табл.5].
в)
определяем действующее значения периодической слагаемой суммарного тока
генераторов Г5 и Г6, посылаемого в место КЗ
для
,
принимая для обоих генераторов
.
Параметры
синхронного генератора с АРВ и расчетные выражения для нахождения тока
зависят от режима работы генератора в установившемся
режиме КЗ. Возможны два режима: режим номинального напряжения и режим
предельного возбуждения. Режим определяется критической реактивностью хкр:
Преобразуем
часть схемы замещения для определения критической реактивности и фактической
удаленности КЗ как показано выше (рис.1.7).
Учитывая,
что мы рассматриваем эквивалентную схему замещения для параллельно работающих
одинаковых генераторов Г5 и Г6, сопротивление xd берем
в два раза меньше заданного значения:
Переходя
к именованным единицам, имеем:
Рисунок 1.7 Преобразование схемы замещения
Далее находим соотношение между хкр и хкз
- фактическая удаленность КЗ, т.е. сопротивление между точкой КЗ и шинами
генератора. Учитывая, что сопротивление х3 состоит
из сопротивления генераторов и сопротивления от шин генераторов до места КЗ
(сопротивление КЗ), можно записать:
Поскольку хкр> хкз (малая
удаленность КЗ), то генератор работает в режиме предельного возбуждения. Для
этого режима справедливо выражение:
При
этом
определяется для той ступени, к которой приведены хd, хкз и UнГ.
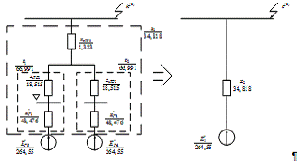
Часть
схемы замещения, необходимая для определения тока, посылаемого генераторами,
остаточного напряжения на шинах генератора Г5 и соответствующая установившемуся
режиму, представлена на рисунке 1.8.
Рисунок
1.8 Часть схемы замещения, соответствующая установившемуся режиму
Преобразуем
схему замещения с параметрами, соответствующими установившемуся режиму (рис.
1.8):
Определяем
эквивалентное значение ЭДС генераторов Г5 и Г6 в установившемся режиме:
электромагнитный переходный трехфазный несимметричный
Учитывая,
что сопротивление х11 складывается из сопротивления
параллельно включенных генераторов и сопротивления от шин генераторов до места
КЗ, то сопротивление от шин генераторов до места КЗ можно представить в виде
(рис.1.9):
Рисунок
1.9 Преобразование схемы замещения
Тогда
действующее значения периодической слагаемой суммарного тока генераторов Г5 и
Г6, посылаемого в место КЗ
для
:
Далее
определим
- остаточное напряжение на шинах генератора Г5
(узел
) в установившемся режиме КЗ. Остаточное напряжение на
шинах генератора Г5 будет равно остаточному напряжению на шинах
генератора, эквивалентного Г5 и Г6 (узел
на
рисунке 1.9). Тогда:
способ
- от места КЗ к узлу
:
способ
- через сопротивление генератора Г5 к узлу
:
2.
Режим
- несимметричного КЗ
В
точке
, которая расположена на Л1 при
рассматриваются два режима двухфазного замыкания на
землю.
Режим
1. Между цепями Л1 существует
реактивность нулевой последовательности, равная
;
реактор в нейтрали ТР3 отсутствует; режиму соответствует
.
Рассчитать для режима 1:
· 

и
- симметричные составляющие напряжения и остаточное
напряжение неповрежденной фазы;
· построить векторные диаграммы
и
.
Режим
2. Между цепями Л1 отсутствует
взаимная индуктивность; реактор в нейтрали ТР3 установлен; режиму
соответствует
.
Определить
сопротивление реактора
в нейтрали ТР3, исходя из условий:
(замечание:
должно
быть приведено к ступени 230 кВ).
Режим 1. Расчет несимметричных КЗ основывается на методе симметричных
оставляющих. Интересуемые параметры по месту несимметричных коротких замыканий
пропорциональны току прямой последовательности. В свою очередь, ток прямой
последовательности определяется на основе правила эквивалентности прямой
последовательности.
Отметим некоторые особенности расчета несимметричных КЗ:
1.
Схему замещения и
сопротивления прямой последовательности
следует
позаимствовать из расчета К(3): из этой схемы находим
и
относительно
узла КЗ.
2.
Схему обратной
последовательности приближенно считают совпадающей со схемой прямой
последовательности, принимая в ней все ЭДС равными нулю.
3.
Схема нулевой
последовательности и ее параметры существенно отличаются от схемы прямой
последовательности; конфигурация схемы определяется, главным образом, местом
расположения трансформаторов и схемой соединения их обмоток[1, с.15].
Схема замещения прямой последовательности
Преобразуем
схему замещения прямой последовательности, чтобы найти
и
относительно
узла КЗ:
Рисунок 2.1 Схема прямой последовательности
Сопротивления
,
,
,
преобразуем
в сопротивление
как показано при расчете трехфазного замыкания в
первой части курсового проекта, а ЭДС генераторов - в ЭДС
:

Сопротивления
обмоток автотрансформаторов АТ5, АТ6 из треугольника в звезду преобразуем как
показано в первой части (рис.2.2):

Рисунок 2.2 Преобразование схемы прямой последовательности
Сопротивления
линии хЛ1(1), хЛ1(2)/2 преобразуем из
треугольника в звезду:
Рисунок
2.3 Преобразование схемы прямой последовательности
Рисунок
2.4 Преобразование схемы прямой последовательности
Рисунок 2.5 Преобразование схемы прямой последовательности
Схема замещения обратной последовательности
Схема обратной последовательности по структуре полностью совпадает со
схемой прямой последовательности. Отличие схемы обратной последовательности
состоит в том, что в ней ЭДС всех генерирующих источников питания
принимаются равными нулю, а в месте КЗ приложено напряжение обратной
последовательности U2К.
Кроме
того, для генераторов сопротивление обратной последовательности
, для всех прочих элементов сопротивление обратной и
прямой последовательности одинаковы. Изменение сопротивления синхронных машин в
обратной последовательности вызвано тем, что токи обратной последовательности,
протекая по обмоткам статора генератора, создают магнитное поле, вращающееся
навстречу ротору с двойной синхронной скоростью. Поток обратной
последовательности встречает непрерывно изменяющееся магнитное сопротивление,
обусловленное магнитной несимметрией ротора и тем, что наведенные в продольных
и поперечных контурах ротора токи создают различные ответные реакции. Однако, в
практических расчетах можно принимать
[2]
В
силу этого допущения имеем:
Рисунок 2.6 Упрошенная схема обратной последовательности
Схема замещения нулевой последовательности
Схема нулевой последовательности (рис. 2.7) существенно отличается от
схемы прямой последовательности и в значительной мере определяется соединением
обмоток трансформаторов. Ток нулевой последовательности будет протекать лишь по
той трансформаторной ветви схемы, которая имеет соответствующую схему
соединения обмоток, и в конце которой он сможет замкнуться на землю. Началом
схемы нулевой последовательности считают точку, в которой объединены ветви с
нулевым потенциалом, а ее концом - место к.з., в которой приложено U0К [2, с.57].
Для рассматриваемого примера схема замещения нулевой последовательности
представлена на рис. 2.7.
В нее входят сопротивления: ВЛ - 230 кВ, обмоток высокого, среднего и низкого
напряжения автотрансформаторов АТ5, АТ6 (обмотки низкого напряжения
заземляются, схема соединения - «треугольник»), обмотки трансформатора Т3 и
«системы».
Для автотрансформаторов (АТ5, АТ6), трансформатора (Т3) сопротивления
нулевой последовательности равны сопротивлениям прямой последовательности.
Сопротивление нулевой последовательности «системы» согласно заданию равно
удвоенному сопротивлению прямой последовательности. Сопротивления нулевой
последовательности ЛЭП существенно больше сопротивления прямой
последовательности.
При несимметрии на одной из цепей линии электропередачи (вторая цепь
линии Л1) сопротивления схемы замещения определяются по следующим выражениям
(верхний индекс указывает номер участка):
сопротивление
взаимной индукции между цепями;
Поскольку
несимметрия находится в середине линии (lK=0,5),
то сопротивления взаимной индукции между цепями первого и второго участка будут
одинаковыми и равны:
Реактивности
нулевой последовательности первого и второго участков второй цепи:
где
- сопротивления прямой последовательности первого и
второго участка второй цепи, на которой имеет место несимметрия;
-
коэффициент, учитывающий взаимную индукцию между фазами одной цепи и влияние
троса [1, табл.6].
Реактивность
первой цепи:
Рисунок 2.7 Схема замещения нулевой последовательности
Преобразование схемы замещения нулевой последовательности осуществляется
до суммарного сопротивления.
Преобразуем
сопротивления
в сопротивление
:
Сопротивления
преобразуем в сопротивление
:
Сопротивления
, соединенные параллельно преобразуем в сопротивление
:
Рисунок
2.8 Преобразование схема замещения нулевой последовательности
Сопротивления
, соединенные в «треугольник», преобразуем в «звезду»
(рис.2.9):
Рисунок 2.9 Преобразование схема замещения нулевой последовательности
Последовательно складываем сопротивления х18, х22
и сопротивления х20, х23:
Рисунок
2.10 Преобразование схема замещения нулевой последовательности
Суммарное
сопротивление нулевой последовательности (рис. 2.11):
Рисунок 2.11 Преобразованная схема замещения нулевой последовательности
Параметры режима несимметричного к.з в точке к.з.
Согласно методу симметричных составляющих, расчет несимметричных к.з.
проводят по правилу эквивалентности тока прямой последовательности, в
соответствии с которым ток прямой последовательности любого несимметрично к.з.
может быть определен как ток при трехфазном коротком замыкании в точке,
удаленной от действительной точки к.з. на дополнительное сопротивление zΔ, зависящее от вида несимметрии [3, c. 328].
Рассчитываем составляющие токов и напряжений в месте двухфазного к.з. на
землю.
Граничные условия:
,
,
Ток прямой последовательности:
,
где
- шунт двухфазного короткого замыкания на землю [1, c.18]:
Модуль
периодической слагаемой тока поврежденной фазы при K(1,1) можно
определить по выражению:
где
- коэффициент, характеризующий вид к.з. [1, c.18].
Симметричные
составляющие токов по месту КЗ:
Определяем
фазные токи в точке K(1,1)
через симметричные составляющие:
Где
- оператор фазы.
Определяем
фазные значения симметричных составляющих векторов напряжения в точке K(1,1). Для особой фазы
при двухфазном КЗ на землю:
Фазные
напряжения через симметричные составляющие:
остаточное напряжение неповрежденной фазы;
Требуемые
величины рассчитаны, граничные условия выполняются.
Для
рассмотренной несимметрии построим векторные диаграммы напряжений (рис. 2.12) и
токов (рис. 2.13).
Рисунок 2.12 Векторная диаграмма напряжений
Рисунок 2.13 Векторная диаграмма токов
Режим
2. Между цепями Л1 отсутствует
взаимная индуктивность; реактор в нейтрали ТР3 установлен; режиму
соответствует
.
Определить
сопротивление реактора
в нейтрали ТР3, исходя из условий:
(замечание:
должно
быть приведено к ступени 230 кВ).
Влияние
взаимной индуктивности и наличие реактора в нейтрали трансформатора оказывают
влияние только на величину сопротивления нулевой последовательности. Поскольку
известно, что в обоих режимах модули периодической составляющей тока
неповрежденной фазы равны
и определяются по выражению:
то
из равенства модулей тока следует равенство величин сопротивления нулевой
последовательности:
Параметры схемы замещения для второго режима возьмем из расчета первого
режима за исключением реактивностей линии, а также в схему замещения войдет
утроенное сопротивление реактора, включенного в нейтраль трансформатора ТР3.
Реактивности нулевой последовательности первого и второго участков второй
цепи при отсутствии взаимной индуктивности между цепями:
где
- сопротивления прямой последовательности первого и
второго участка второй цепи, на которой имеет место несимметрия;
-
коэффициент, учитывающий взаимную индукцию между фазами одной цепи и влияние
троса [1, табл.6].
Реактивность первой цепи:
Схема
замещения, соответствующая 2му режиму поперечной несимметрии, представлена на
рисунке 2.14.
Рисунок
2.14 Схема замещения нулевой последовательности для второго режима
Преобразуем
сопротивления
из «треугольника» в звезду:
Сопротивления
обмоток трансформатора с расщепленной обмоткой ТР3 преобразуем в сопротивление
(рис. 2.15):
Рисунок
2.15 Преобразование схемы замещения нулевой последовательности
Сопротивления
преобразуем в сопротивление
, а
- в
сопротивление
:
Рисунок
2.16 Преобразование схемы замещения нулевой последовательности
Тогда
для сопротивления нулевой последовательности можно записать выражение:
Сделав
необходимы преобразования, получим выражение для сопротивления реактора
:
3.
Режим
- продольной несимметрии
Между
цепями Л1 существует реактивность нулевой последовательности, равная
; реактор в нейтрали ТР3 отсутствует.
В
цепи выключателя В2 происходит разрыв фазы
. Для этих условий рассчитать:
·
- ток нормального режима в цепи выключателя;
·
,
- ток
неповрежденных фаз в цепи выключателя;
·
,
,
- фазные напряжения в узле
выключателя;
·
- напряжение отключенной фазы
в узле
;
· построить эпюры симметричных составляющих напряжений
,
,
на участке, включающий узлы: Г5,
,
и
; для наглядности результата напряжения представить
либо в именованных единицах, приведенных к ступени 230 кВ, либо в относительных
единицах.
К
моменту разрыва фазы
выключателя фаза эквивалентного вектора ЭДС (
) генераторов
Г5,Г6 опережала фазу вектора ЭДС системы (
) на
.
Продольная несимметрия возникает в электрической системе при обрыве
(отключении) одной (L(1)) или
двух фаз (L(2)), а также при включении в фазы
неодинаковых сопротивлений. Анализ этих режимов осуществляется на базе метода
симметричных составляющих. Расчетные выражения имеют много общего с
аналогичными выражениями для К(n). Однако имеется ряд существенных
отличительных особенностей.
При анализе продольной несимметрии на базе именованных единиц будем для
ЭДС, напряжений и падений напряжений использовать фазные значения.
Схема замещения прямой последовательности
Схема
замещения прямой, обратной последовательностей и параметры их элементов (ЭДС,
сопротивления) являются теми же, что и при несимметричном КЗ и могут быть
позаимствованы из предшествующих расчетов (приведенные к ступени 230 кВ). Из
схемы прямой последовательности определим
относительно
клемм продольной несимметрии L-L`. Схема
замещения прямой последовательности для продольной нессиметрии представлена на
рисунке 3.1 (значения ЭДС фазные):
Рисунок
3.1 Схема замещения прямой последовательности
Произведем
преобразования схемы замещения прямой последовательности, аналогичны
преобразованиям, показанным в первой части курсового проекта при расчете
трехфазного короткого замыкания. Объединение генераторных элементов в
последовательную цепь осуществляется через общую точку нулевого потенциала [1, c.22].
Тогда схема замещения примет вид, представленный на рисунке 3.2:
Рисунок
3.2 Преобразование схемы замещения прямой последовательности
Суммарное
сопротивление прямой последовательности:
При
расчете продольной несимметрии не приемлемо допущение о равенстве фаз ЭДС
генераторов и «системы», поэтому в задании задан относительный угол между
векторами ЭДС эквивалентного генератора и системы
.
Эквивалентный вектор ЭДС
и
с учетом
их последовательного соединения определяется из векторного выражения:
Векторная диаграмма, схематично иллюстрирующая ориентацию векторов ЭДС на
комплексной плоскости, представлена на рисунке 3.3.
Расчеты будут проще если векторы будут ориентированы таким образом, что
эквивалентный вектор ЭДС будет чисто мнимым. Ток в таком случае будет чисто
вещественным.
Зная
модули
и
и их
относительную фазу , определим модуль их разностного вектора [1. c.20]:
Рисунок
3.3 Ориентация векторов ЭДС на комплексной плоскости
Преобразованная схема замещения прямой последовательности представлена на
рисунке 3.4.
Рисунок
3.4 Упрощенная схема замещения прямой последовательности
Схема замещения обратной последовательности
Как было сказано выше, схемы замещения прямой последовательности
совпадает со схемой замещения прямой последовательности, в которой ЭДС
генерирующих элементов равны нулю. Суммарное сопротивление обратной
последовательности принимаем равным суммарному сопротивлению прямой
последовательности:
Преобразованная
схема замещения обратной последовательности представлена на рисунке 3.5.
Рисунок
3.5 Упрощенная схема замещения обратной последовательности
Схема замещения нулевой последовательности
Параметры системы, автотрансформаторов АТ5 и АТ6, трансформатора ТР3
входят в схему замещения нулевой последовательности при продольной несимметрии
такими же, как при поперечной несимметрии и могут быть преобразованы
аналогичным образом. Поэтому их преобразованные сопротивления будут
позаимствованы из расчета поперечной несимметрии, рассмотренной во второй части
данного курсового проекта (рис. 3.5).
Параметры воздушной линии Л1 будут отличаться вследствие несовпадения
места несимметрии при аналогичной схеме для K(1.1).
Рисунок
3.5 Преобразование схема замещения нулевой последовательности
Параметры
воздушной линии Л1:
-
где
- погонное активное сопротивления прямой
последовательности;
-
коэффициент, учитывающий взаимную индукцию между фазами одной цепи и влияние
троса [1, табл.6].
Суммарное сопротивление нулевой последовательности (рис. 3.6):
Рисунок
3.6 Упрошенная схема замещения нулевой последовательности
Расчет
параметров режима продольной несимметрии
Граничные
условия для разрыва одной фазы:
Определяем
ток
- ток нормального режима в цепи выключателя:
Ток
прямой последовательности рассчитывается по схеме (рис. 3.4), в которой между
клеммами включен дополнительный реактанс
,
определяемый видом несимметрии.
Рисунок
3.7 Схема замещения для определения тока прямой последовательности
Определяем
шунт
и ток прямой последовательности:
величина
шунта при разрыве одной фазы;
Модуль
тока неповрежденных фаз В и С:
где
- коэффициент, характеризующий вид L
[1, c.24].
Симметричные составляющие токов по месту несимметрии:
Определяем
фазные токи в точке K(1,1)
через симметричные составляющие:
Где
- оператор фазы.
Определяем
фазные значения симметричных составляющих падения напряжения в месте разрыва.
Для особой фазы при разрыве одной фазы:
Определяем падения напряжения в месте разрыва фазы через симметричные
составляющие:
остаточное напряжение неповрежденной фазы;
Построение
эпюры симметричных составляющих напряжений
, 
на
участке, включающем узлы Г5,
,
и
Расчет
симметричных составляющих напряжений в узлах схем отдельных последовательностей
осуществляется на основе второго закона Кирхгофа. При этом надо
отталкиваться от узла с известным потенциалом. В схеме прямой последовательности
таким узлом является узел приложения источника Еф; в схемах обратной и
нулевой последовательностей - одна из точек нулевого потенциала, в которой
завершается схема. Найдя симметричные составляющие напряжения относительно
одной из клемм несимметрии (L) и прибавив к последним падения напряжения
,
находят симметричные составляющие напряжений с другой
стороны продольной несимметрии (
).
Переход к фазным величинам напряжений производится известным способом.
Для
применения второго закона Кирхгофа необходимо знать не только величину
приложенных ЭДС, но и их фазу. Для указанных условий, когда векторы ориентированы
таким образом, что эквивалентный вектор ЭДС будет чисто мнимым, а - чисто
вещественным, фазы векторов можно определить по следующим соотношениям:
где
- фазы векторов
и
соответственно.
Тогда
векторы ЭДС могут быть записаны в виде:
Вектор
напряжения в произвольной точке (
) рассчитывается
на основе соотношения
или
, где I -
вещественный параметр [1, c.21].
Изобразим
схему замещения прямой последовательности (рис. 3.4) в виде, удобном для
нахождения составляющих напряжений в интересуемых нас точках. Учитывая, что
сопротивление х3 состоит из сопротивления эквивалентного
генератора (Г5, Г6) и внешнего сопротивления от шин генератора до места
несимметрии, можно записать:
Получим схему, представленную на рисунке 3.8.
Рисунок 3.8 Схема замещения прямой последовательности
Определяем составляющие напряжений прямой последовательности для узлов
схемы.
Для
узла «
»: поскольку одинаковые генераторы Г5 и Г6 соединены
параллельно, то напряжение на шинах Г5 равно напряжению на шинах Г6 и равно
напряжению на шинах эквивалентного генератора (рис.3.8):
Для узла «L»:
Для
узла «L`»:
Проверка:
Определяем
составляющие напряжений обратной последовательности для узлов схемы (рис.3.9).
Рисунок 3.9 Схема замещения обратной последовательности
Для
узла «
»:
Для
узла «L»:
Для
узла «L`»:
Проверка:
Определяем составляющие напряжений нулевой последовательности для узлов
схемы. Поскольку обмотка низкого напряжения трансформатора ТР3 соединена в
«треугольник», то последующие сопротивления (сопротивление генераторов) в СЗНП
не входят (рис.3.10).
Рисунок
3.10 Схема замещения обратной последовательности
Для
узла «
»:
Для
узла «L»:
Для
узла «L`»:
Проверка:
Здесь стоит отметить особенность продольной несимметрии, заключающуюся в
том, что если напряжение прямой последовательности по концам несимметричного
участка отличается только по величине, то напряжение обратной и нулевой
последовательностей отличаются также и по знаку [3, c.404]. Данная особенность проиллюстрирована выше, что так же
может говорить о правильности расчетов.
На
рисунке 3.11 представлена эпюра симметричных составляющих напряжений
,
,
на участке, включающем узлы Г5,
,
и
.
Рисунок
3.11 Эпюра симметричных составляющих напряжений
,
,
на
участке, включающем узлы Г5,
,
и
Заключение
Под переходными режимами понимаются неустановившиеся состояния, причиной
которых являются разного рода воздействия. Эти воздействия можно
классифицировать на малые и кратковременные (толчки нагрузки) и сильные и
длительные (короткие замыкания, сбросы и наборы мощности, отключение линий и
трансформаторов и т. д.). Непрерывный рост электро- и энергопотребления,
развитие электроэнергетических систем по единичной мощности агрегатов,
увеличение напряжений и протяженности являются причинами повышения роли
переходных процессов. В настоящее время управление переходными процессами в
электрических системах представляется столь же важной задачей, как и управление
нормальными режимами.
Наиболее сильными возмущающими воздействиями являются всевозможные виды
коротких замыканий. Короткие замыкания в электрических системах вызываются
повреждением фазовой или линейной изоляции токоведущих частей вследствие
прямых ударов молнии, недопустимых ветровых и гололедных нагрузок,
естественного старения изоляции, механических повреждений кабелей при земляных
работах и т. д.
Короткие замыкания сопровождаются увеличением токов в окрестности
поврежденного участка и снижением напряжений. Уменьшение напряжения приводит к
расстройству нормальной работы электроприемников, перегрузке или остановке
двигателей, а при коротких замыканиях в системообразующих связях - к нарушению
устойчивости параллельной работы отдельных станций. В результате этого система
распадается на группы несинхронно работающих станций, что представляет весьма
тяжелую системную аварию. Возрастание величины токов короткого замыкания может
приводить к значительным электродинамическим (механическим) усилиям и
термическим повреждениям элементов электроустановок. В связи с этим при
проектировании и эксплуатации электрических установок необходимо так выбрать
оборудование и наладить режим работы установок, чтобы оно надежно работало не
только в нормальном, но и аварийных режимах.
В ходе проведения данной курсовой работы были изучены и усвоены сущности
явлений, сопровождающих электромагнитные переходные процессы в электрической
системе. Были рассчитаны трехфазное КЗ и несимметричные режимы
(двухфазное КЗ на землю и обрыв одной фазы выключателя) в сложной электрической
системе. По результатам расчета несимметричного двухфазного КЗ на землю
были построены векторные диаграммы и проведена проверка граничных условий для
данного типа КЗ с результатами расчетов.
Расчеты режимов КЗ трехфазных симметричных схем производятся на
одну фазу вследствие подобия явлений, происходящих в каждой из фаз, и равенства
значений одноименных величин. Расчет был произведен для момента времени, когда
происходит КЗ (t = 0), момента отключения КЗ (t = 0,3 c), т.е. срабатывания
релейной защиты и установившегося режима. Таким образом, для первого из случаев
был произведен аналитический расчет изменения тока, а для второго был применен
метод типовых кривых. Номер кривой определяет условную удаленность источника
питания от места КЗ.
При несимметрии в произвольной точке системы, которая может быть
поперечной при коротком замыкании между фазами или между фазой и землей, или
продольной - при неодинаковых сопротивлениях в фазах и обрывах, явления по
фазам различны. Неодинаковы в этом случае величины токов и напряжений, а также
узлы сдвига между ними. Для нахождения токов и напряжения в любой фазе
несимметричной системы необходимо составить трехфазную схему замещения и
написать необходимое число уравнений с учетом взаимоиндукции, что сильно
усложняет решение задачи, особенно для синхронных генераторов.
Сравнительно прост расчет несимметричных режимов в трехфазных схемах с помощью
метода симметричных составляющих. Вычисление токов и напряжений при
несимметричных КЗ сводится к вычислению этих величин при некотором
фиктивном трехфазном КЗ. Это предоставляет возможность воспользоваться
однолинейной схемой замещения и производить расчет только на одну фазу.
Список
используемых источников
1) Готман В.И. Задание на курсовое проектирование по
дисциплине «Электромагнитные переходные процессы в электроэнергетических
системах»,Томск, 2012г,-95 с.
2) Готман В.И., Хрущёв Ю.В. Электромагнитные переходные
процессы в электрических системах: Учебное пособие по курсовому проектированию
по дисциплине «Электромагнитные переходные процессы в электрических системах»,
Томск: изд-во ТПУ, 2002, - 68с.
) Ульянов С.А. Электромагнитные переходные процессы в
электрических системах. М.: «ТИД«АРИС», 2010- 520с.