Теплообменные аппараты

  • Вид работы:
    Реферат
  • Предмет:
    Физика
  • Язык:
    Русский
    ,
    Формат файла:
    MS Word
    1016,2 Кб
  • Опубликовано:
    2013-07-04
Вы можете узнать стоимость помощи в написании студенческой работы.
Помощь в написании работы, которую точно примут!

Теплообменные аппараты

Оглавление

1. Краткое описание конструкции аппарата

. Расчет недостающих параметров в аппарате

. Гидравлический расчет патрубка

. Конструктивный расчет кожухотрубчатого теплообменного аппарата

. Выбор способа соединения трубок с трубными решётками

. Определение толщины обечайки и цилиндрической части

. Расчет патрубков на прочность

. Определение толщины днищ

. Расчет толщины трубных решеток

. Укрепление отверстий

. Дополнительные условия проверки прочности трубной доски

. Расчет теплобменных трубок на прочность

. Проверка трубок на устойчивость

. Расчёт прокладочной обтюрации

. Расчёт болтового соединения фланцев

. Расчет цельных фланцев

. Расчет опор аппарата

. Расчет тепловой изоляции

Список использованных источников

 


1. Краткое описание конструкции аппарата


Установка охладителя конденсата, приводит к уменьшению количества отбираемого пара, на соответствующий регенеративный подогреватель, и к некоторому увеличению количества пара из отбора с меньшим. Это в конечном счете несколько увеличивает экономичность всей тепловой схемы. С другой стороны, увеличивается стоимость устанавливаемого оборудования. Таким образом, определение поверхности нагрева охладителя, как, впрочем, и поверхности нагрева собственно подогревателя, является технико-экономической задачей.

Охладители конденсата (дренажа) греющего пара подогревательной системы регенерации ПТУ могут быть выполнены в виде отдельного теплообменника и предназначены для предотвращения вскипания воды при сливе конденсата из подогревателя с более высоким давлением в подогреватель с более низким давлением.

Охладители конденсата (дренажа) обычно устанавливаются по ходу конденсата перед подогревателем, конденсат греющего пара которого в нем охлаждается, в ряде случаев - параллельно первому ходу нагреваемой воды или всему подогревателю. Иногда через поверхность теплообмена охладителя дренажа пропускается только часть расхода основного конденсата, а оставшаяся часть байпасируется через перепускную диафрагму. Греющий конденсат движется в межтрубном пространстве, а питательная вода (основной конденсат) - внутри трубок.

Охладители конденсата изготавливаются в вертикальном (типа ОВ) и горизонтальном (типа ОГ, ОКГ или ОДП) исполнении. Охладители типа ОВ представляют собой вертикальные водоводяные теплообменники с U-образными стальными трубками . Снаружи трубный пучок охвачен кожухом, что позволяет исключить холостые протечки конденсата. С этой же целью в центре пучка установлен вытеснитель, приваренный в верхней части к трубной доске. Охладитель ОВ-140М, однако, является жесткотрубным аппаратом, в котором трубные доски, трубный пучок, корпус и водяная камера с патрубками составляют единый узел. Теплообменная поверхность состоит из латунных трубок .

Аппараты типа ОКГ производятся для использования в тепловых схемах атомных электростанций и представляют собой горизонтальные теплообменники жесткой конструкции, двухходовые по основному конденсату и четырех ходовые по охлаждаемому дренажу. Поверхность теплообмена образована прямыми нержавеющими трубками , концы которых развальцованы в трубных досках с последующей приваркой.

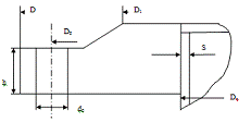
Схема теплообменного аппарата приведена на рисунке 1. Аппарат вертикальный с U-образными латунными трубками, четырех ходовой по греющему конденсату и двух ходовой по нагреваемому дренажу.

Горячий конденсат поступает в обечайку (1) через входной патрубок (В) и заполняет межтрубное пространство. Выводится конденсат через выходной патрубок (Г). Охлаждающий дренаж входит в водяную камеру (2) через входной патрубок (А), проходит по теплообменным трубкам (3), совершает поворот и возвращается обратно в водяную камеру и выводится через выходной патрубок (Б).Необходимое число ходов в аппарате создаётся за счёт перегородок в водяной камере (2) и перегородки в межтрубном пространстве (4).

Рисунок 1 - Охладитель конденсата: 1 - обечайка; 2 -водяная камера; 3 - трубная система; 4 - перегородка; А - вход нагреваемого конденсата; Б - выход нагреваемого конденсата; В - вход охлаждаемого дренажа; Г - выход охлаждаемого дренажа.

 

2. Расчет недостающих параметров в аппарате


Определение недостающих параметров определяют на основании теплового баланса. Вид теплового баланса зависит от агрегатного состояния теплоносителя. В данном случае если оба теплоносителя не меняют агрегатного состояния то уравнение имеет вид:

.

где Q - тепловой поток, кВт

G - расход теплоносителя, кг/с

- изобарная теплоемкость,

t - температура теплоносителя,

- коэффициент удержания теплоты изоляцией

Для греющего теплоносителя:

Средняя температура греющего теплоносителя

 ,

 ,

по таблице 11 [1],

 

подставим  в уравнение

 

 

где  ;

 принимаем равным 0,98.

Для нагреваемого теплоносителя:  ,

 подбираем исходя из того что  , тогда =114,6  ,

Средняя температура нагреваемого теплоносителя:

 ,

по таблице 11 [1]

 

3. Гидравлический расчет патрубка


Патрубки предназначены для ввода и вывода теплоносителей из аппарата. Патрубок представляет собой отрезок трубы стандартных параметров, требуемого материального исполнения.

Основное уравнение для расчета патрубка. Уравнение сплошности

 

где  - плотность,  - скорость, - площадь, - массовый расход теплоносителя,

Подставляем уравнение  в уравнение сплошности, получим  из этого уравнение условный диаметр трубы , равен  , м

Расчет патрубка греющего теплоносителя.

=137.5

G=14 ,

w = 2,

,  

 из таблицы II-I [2]

, м

Расчет патрубка нагреваемого теплоносителя.

t=107,3

G=33,3 ,

w = 2,

 ,

, м

По условному диаметру подбираем стандартные значения для трубы по приложению II. [3], и для фланца по таблице 20,9 [4]. Фланец плоский приварной представлен на рисунке 3.

Таблица 1- Стандартные значения для греющего и нагреваемого теплоносителей.

Труба

Фланец

Болты

Тип тепл.

 , мм

 , мм

 , мм

δ , мм

 , мм

 , мм

P , МПа

D , мм

 , мм

 , мм

 , мм

h , мм

z

гр.

100

108

100

4

100

108

0,75

215

180

158

М16

22

8

нагр.

150

159

150

4,5

150

159

2,6

300

250

218

М22

30

8


Каждый патрубок в зависимости от его размера имеет определённую длину вылета, которую назначают по таблице 25.1[4]

Таблица 2- Вылеты патрубка

Теплоноситель

 , мм

l, мм

P, МПа

Греющий

100

120

0,75

Нагреваемый

150

200

2,6


Рекомендованный материал для стальных фланцевых соединений Сталь 20.

Рисунок 3- фланец плоский приварной


4. Конструктивный расчет кожухотрубчатого теплообменного аппарата


Определение основных габаритных размеров аппарата, диаметра обечайки и активную длину труб. Расчет ведем только для теплоносителя в трубном пространстве.

, мм

 = 17 , мм= 2,

Площадь внутреннего поперечного сечения трубок одного хода

,

,

Количество трубок в одном ходу

кожухотрубчатый теплообменый патрубок гидравлический

 ,


Общее количество трубок в аппарате ,

где z=4 число ходов

 

Крепление труб развальцовкой, значит шаг разбивки трубок ,при давлении от 0,6 до 9 МПа, равен :

, м

Назначаем шахматный тип разбивки труб, рисунке 4.1

Рисунок 4.1 - шахматная разбивка трубок

Приближенный диаметр трубной доски

При числе ходов z=4,

, м

Площадь поверхности теплообмена трубного пучка равна  ,

Откуда активная длинна труб, т.е. расстояние между трубными решетка, равна

, м

, м

Проверка конструктивности аппарата.

Условие :


Стандартные размеры берем в таблице 21,12 [5]. Фланец представлен на рисунке 4.2.

Таблица 3- Основные размеры фланцевого соединения

Фланец Тип 3

Болты

 , мм

 , мм

Dб, мм

Pусл , МПа

 , мм

 , мм

h , мм

H , мм

, мм

 , мм

 

z

700

895

835

4

764

734

65

110

127

139

М30

32



Рисунок 4.2 - фланец тип 3

При построении компоновки необходимо оставить место под анкерную связь.

c=(0,450,55)Dв

Dв= Dтр

Dc=0,33, м - диаметр расположения анкерных связей

dc=0,03, м - диаметр болта

 

. Выбор способа соединения трубок с трубными решётками


Любой способ соединения труб с трубной решеткой должен соответствовать следующим требованиям:

гидравлическая герметичность

фиксирующее положение трубок в решетке

прочность соединения

легкость замены трубок без повреждения решетки.

В настоящее время применяется исключительно неподвижные соединения трубок. Рекомендуемый способ соединения трубок с трубной решеткой является развальцовка в том или ином конструктивном исполнении. Отбортовка выступающих концов обеспечивает большую прочность соединения и обеспечивает плавный вход жидкости в трубки, что приводит к снижению местных гидравлических сопротивлений. На рисунке 5 показана развальцовка трубки с отбортовкой выступающих концов.

Рисунок 5 - развальцовка с отбортовкой выступающих концов.

6. Определение толщины обечайки и цилиндрической части


Материалом для обечайки служит сталь марки - сталь 20. Обечайка работает при температуре и давлении межтрубного пространства t=137,5, P=0,75 МПа, тип сварки - автоматическая . По таблице 1,24 [6] находим напряжение для выбранной стали []=144,38 , МПа. Толщина обечайки равна , мм

, мм

Прибавка к расчетным толщинам , мм

где C=C1+C2+C3

C1 - прибавка на компенсацию отрицательных допусков на толщину листа, мм

C2 - прибавка на коррозию

C3 - прибавка для округления целого результата

 мм

Материалом для цилиндрической части служит сталь марки - сталь 20. Цилиндрическая часть работает при температуре и давлении трубного пространства t=107,3, P=2,6 МПа, тип сварки - автоматическая . По таблице 1,24 [6] находим напряжение для выбранной стали []=146,5 , МПа. Толщина цилиндрической части равна:

, мм

 мм

7. Расчет патрубков на прочность


Расчет патрубка для греющего теплоносителя.

Сталь 20, температура и давление в межтрубном пространстве t=137,5, P=0,75 МПа, тип сварки - автоматическая . По таблице 1,24 [6] находим напряжение для выбранной стали []=144,38 , МПа. Толщина обечайки равна , мм

, мм

, мм

Расчетное значение совпадает с подобранным.

Расчет патрубка для нагреваемого теплоносителя.

Сталь 20, температура и давление в трубном пространстве t=107,3, P=2,6 МПа, тип сварки - автоматическая . По таблице 1,24 [6] находим напряжение для выбранной стали []=146,5 , МПа. Толщина обечайки равна

, мм

, мм

, мм

Расчетное значение совпадает с подобранным.

 

. Определение толщины днищ


Тип днища - эллиптический, сталь 20, тип сварки - автоматическая . Расчетная формула выглядит так

, мм

где  - кривизна днища в вершине

=0,25

Расчет днища межтрубного пространства.

Работает при температуре и давлении в межтрубном пространстве t=137,5, P=0,75 МПа. По таблице 1,24 [6] находим напряжение для выбранной стали []=144,38 , МПа. Толщина днища равна: \

 , мм

Прибавка к расчетным толщинам.

 , мм

По таблице 16,2 [7] смотрим h, по таблице 16,1[7] смотрим базовые размеры днищ.

Таблица 4- Базовые размеры днища

, мм

, мм

h, мм

Sи, мм



25

6



, м2

, м3

 D, мм

m, кг

700

175

0,586

54,5

872

28,1


Расчет днища трубного пространства.

Работает при температуре и давлении в трубном пространстве t=107,3, P=2,6 МПа. По таблице 1,24 [6] находим напряжение для выбранной стали []=146,5 , МПа. Толщина днища равна:

, мм

Прибавка к расчетным толщинам.

 , мм

По таблице 16,2 [7] смотрим h, по таблице 16,1[7] смотрим базовые размеры днищ. Днище представлено на рисунке 2.

Таблица 5- Базовые размеры днища

, мм

, мм

h, мм

Sи, мм



25

10



, м2

, м3

 D, мм

m, кг

700

175

0,586

54,5

877

47,4


Рисунок 8 - эллиптическое днище

 

. Расчет толщины трубных решеток


Материалом для трубной решетки служит сталь марки - сталь 20. Расчетная формула, для аппарата нежесткой конструкции с U-образными трубками при наличии анкерных связей, выглядит так

 ,мм

где  - расчетный диаметр трубной решетки,

 - допускаемое напряжение для материала решетки,

 - коэффициент ослабления решетки трубами,- наибольшее давление испытываемое трубной решеткой,

 - наибольшее напряжение для материала анкерной связи,

 - число анкерных связей,

 - площадь поперечного сечения анкерных связей,

 - диаметр расположения анкерных связей,=1 - для решеток зажатых во фланцах.

Коэффициент ослабления решетки трубами

, мм

t =30мм - шаг разбивки

т.к. вид разбивки трубок - по равнобедренному треугольнику, то , .

=2,6 , МПа

 , МПа

Наибольшее напряжение для материала анкерной связи , МПа

=146,5

 , МПа

,

Площадь поперечного сечения анкерных связей , м2

где dc =0,03 , м


, м2

 , м

, м

, мм

Прибавка к расчетным толщинам

, мм

Проверка.

Условие :

где  - максимальный диаметр вписанной окружности в беструбную зону решетки (принимается по компоновке)

 , м

, МПа

,мм

Условие выполняется.

Расчет толщины трубной решетки в месте под кольцевую прокладку.


где  - разница давлений в межтрубном и трубном пространстве, -допускаемое напряжение, - внутренний диаметр обечайки

=745, мм

=700, мм

=145,43 , МПа

,МПа

С=4, мм


Толщина трубной решетки в месте под кольцевую прокладку не должна быть меньше 21мм.

Для многоходовых аппаратов по трубному пространству, толщина решетки в сечении под перегородку должна быть менее

.

где - расчетная толщина трубной доски, принятая из предыдущего расчета, - ширина уплотнительного паза трубной решетки под перегородку; - расстояние между ближними рядами трубок у перегородки, -диаметр отверстия.


= 6, мм

= 30, мм

 = 15, мм

(S-C) = 46мм

=0,52

, мм

 

. Укрепление отверстий


Компенсация уменьшения прочности осуществляется 2-мя способами:

.        Увеличение толщины всей оболочки аппарата

.        Увеличение толщины оболочки в некоторой зоне вокруг отверстия. Укрепление отверстий является обязательным если dу50 мм.

Расчет для патрубка греющего теплоносителя.

dу=100 мм, требуется укрепление отверстий.

Прежде чем укрепить отверстие, надо убедиться в необходимости этой операции. Для этого определяют наибольший диаметр отверстия в цилиндрическом корпусе которое не требует укрепления

 мм.

где S - исполнительная толщина укрепляемого элемента, Sp - расчетная толщина укрепляемой оболочки, С2 - прибавка на коррозию, Dp - Расчетный диаметр оболочки

 ,мм

Минимальное расстояние между двумя отверстиями когда их можно считать одиночными, вычисляются по формуле

 мм.

 мм

Расстояния от края цилиндра обичайки до оси штуцера или другого отверстия должно быть не менее чем x00,5(Bо+dв шт).

Bо - ширина зоны укрепления при отсутствии укрепляющего кольца

о=

Bо=

Тогда x00,5(35,7+100)=67,85

Условие достаточности укрепления отверстия за счет толщины стенки штуцера

 

где  - внутренний диаметр штуцера

 - расчетная толщина оболочки

 - длинна штуцера (вылет)

 - прибавка на округления расчетной толщины штуцера

 - исполнительная толщина штуцера

 - расчетная толщина штуцера

 - прибавка на коррозию штуцера

 

,9420,175

В случае выполнения данного неравенства укрепление отверстий не требуется.

Расчет для патрубка нагреваемого теплоносителя.

dу=150 мм, требуется укрепление отверстий.

 ,мм

, мм

Bо=

Тогда x00,5(69,4+150)=109,7

Условие достаточности укрепления отверстия за счет толщины стенки штуцера

 

,81240,62

В случае выполнения данного неравенства укрепление отверстий не требуется.

11. Дополнительные условия проверки прочности трубной доски


.        Проверка прочности ромбического участка

Принятое значение толщины трубной доски надо проверить на напряжение от изгиба ромбического участка


где P - максимальное давление на трубную решетку

 - диаметр отверстия под трубку

S - исполнительная толщина трубной доски

- допускаемое напряжение для материала решётки

l - некоторая длинна рассчитывается по формуле l=0,5(AB+BC),

Рисунок 11 - ромбический участок треугольной разбивки трубок

l=0,5(26+43)=36, мм

, мм

P=2,6, МПа

S=40мм

=145,43

, МПа

 

Условие выполняется.

.        Определение толщины трубной доски обеспечивающий надежность вальцовки труб.

При креплении труб вальцовкой, толщина трубной решётки должна удовлетворять неравенству

где S - исполнительная толщина трубной доски, м

lв - высота вальцовки труб, м

[q] - допускаемая нагрузка, приходящаяся на единицу условной поверхности развальцовки и зависящая от способа развальцовки, МПа; для развальцовки с отбортовкой [q] = 40 МПа

Nт - осевое усилие в месте развальцовки, МН

dн - наружный диаметр трубы, м

Так как рассчитываемый аппарат является аппаратом нежёсткого типа, осевое усилие рассчитывается по формуле  , МН

где P - максимальное давление в аппарате, МПа

 = 2,6 МПа

, мм

, МН

, м

Следовательно, принимаемая толщина трубной решётки удовлетворяет условиям надёжности крепления теплообменных трубок и условие выполняется.

12. Расчет теплобменных трубок на прочность


Расчетное напряжение в трубках составляет:

в осевом направлении: , МПа

в окружном направлении: , МПа

где Pт - давление в трубном пространстве, МПа

Pм -давление в межтрубном пространстве, МПа

dн - наружный диаметр трубы, мм

Nт - осевое усилие, Н

Sт - толщина стенки трубки, мм

т = 2,6 МПа;

Pм = 0,75 МПа;

dн = 0,019 м.

Nт = 737 Н;

Sт = 0,001 м.

 , МПа

 , МПа

Условие статической прочности труб записывается в виде:

где [σ]T = 63,4МПа - допускаемое напряжение для материала труб по tср = 122,40С таблица 1.5 [8]

Тогда - условие выполняется.

13. Проверка трубок на устойчивость


В тех случаях когда осевое усилие Nт  0 или давление в межтрубном пространстве больше чем в трубном Pм Pт , то стоит проверить трубки на устойчивость. Осевое усилие в данном аппарате Nт = 737 Н, то есть Nт  0. Давление в трубном пространстве Pт = 2,6 МПа, давление в межтрубном пространстве Pм = 0,75 МПа, то есть Pм Pт. Условие не выполняется значит не стоит проверять трубки на устойчивость.

 

. Расчёт прокладочной обтюрации


Обтюрация (уплотнение) неподвижных разъёмных соединений достигается сжатием, обеспечивающим герметичность уплотняемых поверхностей непосредственно друг с другом или через прокладки из более мягкого материала. Сжатие производится с помощью болтов или шпилек во фланцевых соединениях.

Для данного аппарата выбираем тип обтюрации - прокладочная обтюрация с прокладкой прямоугольного сечения, рисунок 14,1

Рисунок 14,1 - обтюрация с плоской прокладкой прямоугольного сечения

Материал для прокладки принимаем паронит.

Расчёт силы осевого сжатия для данного типа прокладок определяем по формуле

, МН

где Dп.с - средний диаметр прокладки, м

Р - расчётное давление среды, МПа

k - коэффициент, зависящий от материала прокладки и её конструкции

bэ - эффективная толщина уплотнения, мм

Р = 2,6 МПа

k = 2,5

, м

где Dв - внутренний диаметр, мм

D1 - внешний диаметр, мм, представлен на рисунке 14,2

в = 700 мм

D1 = 790 мм

Рисунок 14,2 - фланец тип 3, изображение D1, Dв

, мм

Для данной прокладки если ширина b15 мм, то bэ=b, если b15 мм, то bэ=. Найдем b, b= (D1- Dв)/2, мм.

b= (790-700)/2=45, мм

Значит bэ= = 21,2 , мм.

= 3,140,7452,52,60,0212 = 0,322 МН

15. Расчёт болтового соединения фланцев


Болты и гайки следует выбирать по стандартам. Длину болта следует принимать так, чтобы в собранном фланцевом соединении за пределы гаек выступали концы :

С = 0,25dб .

С = 0,2530 = 7,5 мм.

Гайки в соединениях низкого и среднего давления принимаются нормальные шестигранные.

Для круглого соединения расчётное растягивающее усилие в болтах определяется, при затяжке соединения:, МН;

где α - коэффициент жёсткости соединения, принимаемый для прокладки из паронитап.с- средний диаметр прокладки, м

= сила осевого сжатия, МН

- расчётная сила давления среды, МН.

α = 1,45п.с. = 0,745 , м

=0,322 ,МН

, МН

МН

МН

при рабочих условиях:

, МН

 МН

Расчет диаметра болтовой окружности

где- коэффициент зависящий от давления; при

,=1,17.

,мм

Расчетный диаметр болта


Расчётное количество болтов во фланцевом соединении

при затяжке соединения:

, шт

где [σ]20 = 147 МПа - допускаемое напряжение для материала болта Сталь 20 по t = 20  таблица 1,24 [6]б - площадь поперечного сечения болта по внутреннему диаметру резьбы, м2;б = 5,0910-4, м2 по таблице 20.7 [8]

 шт

при рабочих условиях: , шт

где [σ]t = 143,7 МПа - допускаемое напряжение для материала болта Сталь 20 при рабочей температуре tб = 0,95 tс =0,95155 = 147,25  таблица 1.24 [6]

 шт

Расчётное число болтов в зависимости от расстояния между болтами определяется по формуле:

, шт

где Dб - диаметр болтовой окружности; Dб = 835 мм;- шаг распределения болтов по окружности; т.к , то  .

t = м.

 шт.

16. Расчет цельных фланцев


Плоские приварные фланцы наиболее распространены в аппаратуре. Материал фланца должен быть таким же как и соединяемых частей.

Приведённая нагрузка на фланец при затяжке

где - усилие в болтах при затяжке соединения, МН; = 1,963 МН;

Dп.с - средний диаметр прокладки, мм; Dп.с = 745 мм;

Dб - диаметр болтового соединения, мм; Dб = 835 мм;

Dв - внутренний диаметр обечайки, мм; Dв = 700 мм;


где Dф - диаметр фланца, м; Dф = 895 м

 

 МН

Приведённая нагрузка на фланец при рабочих условиях

, МН,

где - усилие в болтах при рабочих условиях, МН; = 1,454 МН;

- расчётная сила давления среды, МН;  = 1,132 МН.

 МН

Вычисляем ряд вспомогательных величин

При затяжке:

, м2

где =195 МПа - предел текучести для материала фланца Сталь20 по t = 20 0С таблица 1.1 [5]

 , м2

При рабочих условиях:

, м2

где =209 МПа - предел текучести для материала фланца Сталь 20 при рабочих условиях по t = 147,25  таблица 1 [8];

ψ1 - функция коэффициента К, принимается по справочнику [7] из графика на рисунке 13.15; ψ1 = 0,09

 м2

, м2

где ψ2 - функция коэффициента К, принимается по справочнику [7] из графика на рисунке 13.17; ψ2 = 12

S - толщина части обечайки, соединяемой с фланцем, м; S = 0,005 м

 м2

Принимаем большее значение Ф, т.е. Ф = 0,00467 м2

Расчётная высота плоского фланца:

 м

м.

За расчётную высоту принимаем большее значение, т.е. =0,0401 м.

Полная высота фланца с учётом припуска на образование уплотняющего выступа под прокладку, принимаемого 3 мм, будет:

 = +0,003 = 0,04307 м

Расчётная высота фланца получилась меньше стандартной, поэтому окончательную высоту фланца принимаем равной 20 мм таблица 3

 

. Расчет опор аппарата


Назначение опор: установка аппаратов на фундаменты или специальные несущие конструкции. Аппараты с плоским днищем устанавливаются непосредственно на фундамент.

Опоры типа VI рисунок 17, применяются при подвеске аппаратов под перекрытиями или установки их на опорные конструкции.

Рисунок 17- опоры для вертикальных аппаратов

Расчет опор заключается в подборе стандартной опоре и проверке на прочность её ребра. Расчетная нагрузка на опору определяется в условиях полного заполнения аппарата водой ,

 = Gаппар+ Gв.

где Gаппар= mg =

Расчет массы аппарата.

Масса днища и крышки известна из таблицы 16,2 [7] и равны соответственно mдн = 28,1 , кг , а масса крышки mкр = 47,7 , кг.

Масса деталей аппарата: обечайка, цилиндрическая часть, патрубки , рассчитываются по формуле

,кг.

где Sкольца= - площадь кольца, м2 ;

H - высота, м;

 - плотность материала, кг/м3.

Материал из которого выполнен аппарат Сталь 20, = 7833 кг/м3.

Расчет массы обечайки.


 ,кг;

Расчет массы цилиндрической части.

 ,кг;

Расчет патрубков для греющего теплоносителя.

,кг;

Т.к. патрубка два то , кг;

Расчет патрубков для нагреваемого теплоносителя.

, кг;

Т.к. патрубка два то , кг;

Расчет массы трубной решетки с учетом вычета массы отверстий под трубки:

.

где - толщина трубной решетки.

- объем цилиндрических отверстий под трубки

n - количество отверстий

H- высота цилиндрического отверстия, равное толщине трубной доски


, кг;

Расчет массы теплообменных трубок. Трубки изготовлены из латуни, = 8300 кг/м3. Рассчитаем массу одной трубки.

, кг;

Общее число трубок n = 78, значит , кг - масса всех трубок.

Общая масса всего аппарата складывается из массы его элементов.

, кг.

Тогда Gаппар=

Расчет Gв. для воды, заполняющей пространство аппарата, = 1000 кг/м3. Масса воды, заполняющей обечайку и цилиндрическую часть , кг.

где V= - объем цилиндра, занимаемого жидкостью, м3;

H- высота обечайки вместе с цилиндрической частью, м.

,кг.

Тогда Gв=

Расчетная нагрузка на опору определяется в условиях полного заполнения аппарата водой равна G = + =15550,8.

Количество опор на один данный аппарат принимаю равным n = 2, тогда нагрузка приходящаяся на одну опору равна .

, МН

По величине  подбирают стандартная опора и выписываются её размеры, таблица 29,5 [7].

Таблица 6 - Размеры опор для вертикальных аппаратов

L,мм

B,мм

B1,мм

b,мм

H,мм

h,мм

S,мм

a,мм

d,мм

Масса, кг

80

60

40

15

90

6

3

10

15

3,81


Расчетная толщина ребра опоры .

где к - коэффициент зависящий от гибкого ребра опоры.

z - количество ребер в опоре.

l - вылет опоры.

- допускаемое напряжение на изгиб для материала опоры.

Опары выполнены из материала Сталь 20, тогда  ,МПа


Радиус инерции равен .

, м

Гибкость ребра опоры равна .


Исполнительная толщина S больше Sp значит опоры подходят и толщину увеличивать не надо.

 

. Расчет тепловой изоляции


Тепловая изоляция не обходима для снижения тепловых потерь и для соблюдения правил техники безопасности. Тепловая изоляция обязательна для всех аппаратов температура поверхности которых превышает 60 или ниже 0.

Расчет тепловой изоляции при заданной температуре на поверхности изоляции.

Температура поверхности изоляции обычно назначается 50 , при температуре воздуха в помещении tв=25.

В качестве материала теплоизоляции выбираем минераловатные маты, коэффициент теплопроводности которой вычисляется по формуле:

 

Где tср - средняя температура изоляции

 

Где tиз - температура изоляции,

tт - температура наружной поверхности изолируемой стенки, °С

tиз=50°С

tст=137,5°С

;

.

Если наружный диаметр аппарата dн < 2м, то:

где dн - наружный диаметр изолируемой стенки, м

tт - температура наружной стенки обечайки, °С

- коэффициент теплоотдачи воздуха, =5


Решая уравнение, получим следующее значение для соотношения:

;

Наружный диаметр изоляции находим из соотношения:

;

Толщина слоя изоляции определяется:



Список использованных источников


1. Краснощеков Е.А., Сукомел А.С. "Задачник по теплопередаче" Издательство М.: Энергия, 1980. - 285с.;ил.

. Ривкин С.Л., Александров А.А. "Теплофизические свойства воды и водяного пара" Издательство М.: Энергия, 1980. - 424 с., ил.

. Соколов В. Я. "Теплофикация и тепловые сети" Издательство М.: Энергия, 1982.

. Лащинский А.А. , Толчинский А.Р. "Конструирование сварных химических аппаратов: справочник". Издательство Л.: Машиностроение, Ленингр. отд-ние, 1963, - 382 с., ил.

. Лащинский А.А., Толчинский А.Р. "Основы конструирования и расчета химической аппаратуры". Издательство Л.: Машиностроение, 1970, - 752 с.

. Бродов Ю.М. "Справочник по теплообменным аппаратам паротурбинных установок" Издательство: МЭИ, 2008, - 480с.

. Лащинский А.А., Толчинский А.Р. "Основы конструирования и расчета химической аппаратуры". Издательство Л.: Машиностроение, 2011, - 750 с.

. Михалев М.Ф., Третьяков Н.П., Мильченко А.И., Зобкин В.В.; под общ. ред. Михалева М.Ф. "Расчет и конструирование машин и аппаратов химических производств: примеры и задачи: Учеб. пособие для студентов ВТУЗов". Издательство Л.: Машиностроение, Ленингр. Отделение, 1984. - 301 с., ил.

Похожие работы на - Теплообменные аппараты

 

Не нашли материал для своей работы?
Поможем написать уникальную работу
Без плагиата!
Без нейросетей!