Теплообменные аппараты. Теплопередача
Контрольная работа
Теплообменные аппараты. Теплопередача
Содержание
1. Основы теплового расчета теплообменных аппаратов
. Криогенные машины и установки. Назначение, устройство,
основные элементы криогенных машин и установок
3. Теплопередача. Основные законы теплопередачи
Список литературы
теплопередача криогенная установка
теплообменный аппарат
1. Основы теплового расчета теплообменных аппаратов
Теплообменными аппаратами называют устройства, в которых происходит
передача теплоты от одного тела к другому. Тела, которые отдают или принимают
теплоту, называют теплоносителями. Теплообмен между теплоносителями является
одним из наиболее важных в технике процессов.
По принципу действия теплообменные аппараты могут быть разделены на
рекуперативные, регенеративные и смесительные. Выделяются еще теплообменные
устройства, в которых нагрев или охлаждение теплоносителя осуществляется за
счет внутренних источников теплоты.
Рекуперативные теплообменные аппараты представляют собой устройства, в
которых две жидкости с различными температурами текут в пространстве,
разделенном твердой стенкой. Теплообмен происходит за счет конвекции и
теплопроводности, а если хоть одна из жидкостей является излучающим газом, то и
за счет теплового излучения. Примером таких аппаратов являются котлы,
подогреватели, конденсаторы, выпарные аппараты и др.
Регенераторы - такие теплообменные аппараты, в которых одна и та же
поверхность нагрева через определенные промежутки времени омывается то горячей,
то холодной жидкостью. Сначала поверхность регенератора отбирает теплоту от
горячей жидкости и нагревается, затем поверхность регенератора отдает энергию
холодной жидкости. В регенераторах теплообмен всегда происходит в
нестационарных условиях, а рекуперативные теплообменные аппараты большей частью
работают в стационарном режиме.
Так как в регенеративных и рекуперативных аппаратах процесс передачи
теплоты неизбежно связан с поверхностью твердого тела, то их еще называют
поверхностными. В смесительных аппаратах теплопередача осуществляется
при непосредственном контакте и смешении горячей и холодной жидкостей. Типичным
примером таких теплообменников являются градирни. В градирнях вода охлаждается
атмосферным воздухом. Воздух непосредственно соприкасается с водой и
перемешивается с паром, возникающим из-за частичного испарения воды.
Независимо от принципа действия теплообменные аппараты, применяющиеся в
различных областях техники, имеют свои названия. Однако с теплотехнической
точки зрения все аппараты имеют одно назначение - передачу теплоты от одного
теплоносителя к другому или поверхности твердого тела к движущимся
теплоносителям. Последнее и определяет те общие положения, которые лежат в
основе теплового расчета любого теплообменного аппарата.
Основные положения и уравнения теплового расчета
Тепловые расчеты теплообменных аппаратов могут быть проектными и
поверочными. Проектные (конструктивные) тепловые расчеты выполняются при
проектировании новых аппаратов, целью расчета является определение поверхности
теплообмена. Поверочные тепловые расчеты выполняются, в случае если
известна поверхность нагрева теплообменного аппарата и требуется определить
количество переданной теплоты и конечные температуры рабочих жидкостей.
Тепловой расчет теплообменных аппаратов сводится к совместному решению уравнений
теплового баланса и теплопередачи. Эти два уравнения лежат в основе любого
теплового расчета. Ниже названные уравнения приводятся для рекуперативных
теплообменников.
Уравнение теплового баланса. Изменение энтальпии теплоносителя
вследствие теплообмена определяется соотношением
Здесь и в дальнейшем индекс «1» означает, что данная величина отнесена к
горячей жидкости, а индекс «2» - к холодной. Обозначение (штрих) соответствует
данной величине на входе в теплообменник, (два штриха) - на выходе.
Полагая, что ср=const и dh=cpdt,
предыдущие уравнения можно записать:
Удельная теплоемкость ср зависит от температуры.
Поэтому в практических расчетах в уравнение подставляется среднее значение
изобарной теплоемкости в интервале температур от t' до t''.
При рассмотрении теплообменных аппаратов с непрерывно изменяющейся температурой
теплоносителей следует различать аппараты:
1) прямого тока; 2) противоточные; 3) перекрестного тока; 4) со сложным
направлением движения теплоносителей (смешанного тока).
2. Криогенные машины и установки.
Назначение, устройство, основные элементы криогенных машин и установок
К криогенным машинам в настоящее время можно отнести низкотемпературные
машины, которые предназначены для производства холода на температурном уровне,
как правило, ниже 120 К и перекачивания криогенных жидкостей. К таким машинам
следует отнести расширительные машины - детандеры, криогенные газовые машины
(КГМ), работающие по различным циклам, и криогенные насосы для перекачивания
криогенных жидкостей.
Детандеры - это расширительные низкотемпературные машины,
служащие для производства холода путем расширения рабочего тела с понижением
температуры и отдачей внешней работы (энергии).
Термин «детандер» происходит от французского слова «dе'tendre», что означает уменьшение давления, и введен
выдающимся французским ученым, академиком и создателем первого в мире детандера
Жаком Клодом.
Детандеры получили широкое распространение в качестве генератора холода в
воздухоразделительных установках (ВРУ), в гелиевых и водородных рефрижераторных
и ожижительных системах для получения жидких гелия, водорода и других
низкотемпературных жидкостей. В последнее время они стали широко применяться в
ожижителях природного газа.
По
принципу действия детандеры представляют собой энергетические машины, в которых
одновременно с производством холода вырабатывается еще и работа в виде
механической и электрической энергии, которую можно использовать в качестве
привода различных машин и систем. Однако они отличаются от традиционных
энергетических машин (паровых и газовых турбин, двигателей и т.п.), прежде
всего температурным уровнем их работы. Если энергетические машины работают при
температурах T выше температуры окружающей среды
, т. е.
, то
детандеры работают при температурах T ниже
, т. е.
. Главным
назначением энергетических машин является производство работы, а главным
назначением детандеров - производство холода. Это отличие детандеров
накладывает на них особые условия работы, конструктивного оформления и
эксплуатации.
Криогенные
газовые машины (КГМ) представляют собой низкотемпературные установки, в которых
осуществляется весь обратный термодинамический цикл, предназначенный для
производства холода. В КГМ одновременно сосредоточены и компрессор для сжатия
газов и детандер для расширения газа, и теплообменные аппараты для передачи
теплоты (холода).
Так,
КГМ Стирлинга - это криогенная установка, в которой одновременно размещаются
поршневой компрессор, поршневой детандер - вытеснитель, теплообменный аппарат
для отвода тепла сжатия, регенеративный теплообменник и теплообменник нагрузки
для отвода холода на низкотемпературном уровне. Реализация в такой криогенной
машине целого цикла позволяет существенно сократить габаритные размеры и массу
установки. Поэтому КГМ получили наибольшее распространение в микрокриогенной
технике. Их также используют в качестве генераторов
холода
в малых воздухоразделительных установках, гелиевых системах небольшой
холодопроизводительности, для переконденсации паров при длительном хранении
криогенных жидкостей, для ожижения воздуха и т.п.
Рис. 1. Схема криогенной установки с однократным дросселированием.
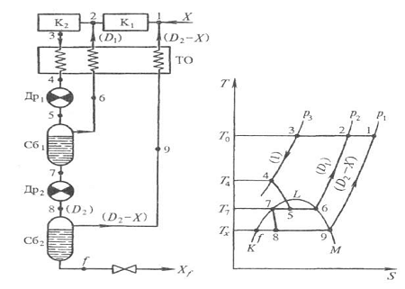
Рис.
2. Схема криогенной установки с двойным дросселированием
3.Теплопередача. Основные законы
теплопередачи
Теория теплопередачи, или теплообмена, представляет собой учение о
процессах распространения теплоты в пространстве с неоднородным полем
температур. Существуют три основных вида теплообмена: теплопроводность,
конвекция и тепловое излучение. Теплопроводность - это молекулярный перенос
теплоты между непосредственно соприкасающимися телами или частицами одного тела
с различной температурой, при котором происходит обмен энергией движения
структурных частиц (молекул, атомов, свободных электронов). Конвекция осуществляется
путем перемещения в пространстве неравномерно нагретых объемов среды. При этом
перенос теплоты неразрывно связан с переносом самой среды. Тепловое излучение
характеризуется переносом энергии от одного тела к другому электромагнитными
волнами. Часто все способы переноса теплоты осуществляются совместно. Например,
конвекция всегда сопровождается теплопроводностью, так как при этом неизбежно
соприкосновение частиц, имеющих различные температуры. Совместный процесс
переноса теплоты конвекцией и теплопроводностью называется конвективным
теплообменом. Частным случаем конвективного теплообмена является теплоотдача -
конвективный теплообмен между твердой стенкой и движущейся средой. Теплоотдача
может сопровождаться тепловым излучением. В этом случае перенос теплоты
осуществляется одновременно теплопроводностью, конвекцией и тепловым
излучением. Многие процессы переноса теплоты сопровождаются переносом вещества
- массообменном, который проявляется в установлении равновесной концентрации
вещества. Совместное протекание процессов теплообмена и массообменна называется
тепломассообменном.
Теплопроводность определяется тепловым движением микрочастиц тела. В
чистом виде явление теплопроводности наблюдается в твердых телах, неподвижных
газах и жидкостях при условии невозможности возникновения в них конвективных
токов. Передача теплоты теплопроводностью связана с наличием разности
температур тела. Совокупность значений температур всех точек тела в данный
момент времени называется температурным полем. В общем случае уравнение
температурного поля имеет вид:

где
t - температура тела; х, у, z - координаты точки; τ - время. Такое температурное поле называется
нестационарным и отвечает неустановившемуся режиму теплопроводности. Если
температура тела не изменяется с течением времени, то температурное поле
называется стационарным. Тогда

Температура может быть функцией одной, двух и трех координат,
соответственно температурное поле будет одно-, дву- и трехмерным. Наиболее
простой вид имеет уравнение одномерного стационарного температурного поля:

Закон Фурье
Согласно
гипотезе Фурье, количество теплоты d2Qτ, проходящее через элемент изотермической поверхности dF
за промежуток времени dτ, пропорционально температурному градиенту
:
Здесь множитель λ называется коэффициентом теплопроводности. Знак минус
указывает на то, что теплота передается в направлении уменьшения температуры.
Количество теплоты, прошедшее в единицу времени через единицу изотермической
поверхности, называется плотностью теплового потока:
Список использованной литературы
1.Гребер Г., Эрк С., Григулль У., Основы учения о
теплообмене, пер. с нем., М.,2009 г; - 239 с.;
. Кутателадзе С.С., Боришанский В.М. Справочник по
теплопередаче. - М.: Госэнергоиздат, 2008 г; - 418 с.;
.Лебедев П.Д., Щукин А.А. Теплоиспользующие установки
промышленных предприятий. (Курсовое проектирование). / Учеб. пособие для энергетических
вузов и факультетов. - М.: Энергия, 2005 г;- 408 с.;
.С.С. Червяков «Основы холодильного дела», М, 2009 г; - 335
с.;
.Шорин С. Н., Теплопередача, 2 изд., М2002 г; Михеев М. А.,
Михеева И. М., Основы теплопередачи, 2 изд., М.,2003 г; - 456 с.;