Система сигналізації та плавки ожеледі на проводах повітряної лінії
ВСТУП
Однієї з головних задач будь-якої
енергосистеми є надійне електропостачання споживачів, котре здійснюється
переважно через повітряні лінії електропередачі. На сьогоднішній день в країні
є актуальним питання про боротьбу з ожеледяними відкладеннями. Україна
знаходиться в зоні помірного кліматичного поясу з ознаками, переважно, помірно
континентального і частково субтропічного клімату, для якого характерні м’які
зими, які, останнім часом, стають теплішими. Ці фактори є сприятливими для
відкладання ожеледі на лініях електропередачі (ЛЕП).
Відомо, що найактивнішими місяцями
відкладання ожеледі на ЛЕП є період з кінця листопада до березня, що в свою
чергу збігається з максимумом річного навантаження [1]. Аварійними вже є
випадки з товщиною стінки льоду 25 мм, що відповідає IV району по ожеледі [4],
а на долю проводів ЛЕП припадає найбільше аварійних випадків. Тобто питання
надійності електропостачання тут відіграє особливу роль.
У даній науковій роботі
розглядається вирішення однієї з актуальних проблем в галузі електропостачання
споживачів - боротьби з ожеледяними відкладеннями на лінії за допомогою плавки.
Отриманий результат полягає в створенні економічного способу плавки ожеледі та
своєчасному виявленню утворення ожеледі, що дає можливість попередити аварії на
лініях електропередач.
1. ВІДОМОСТІ ПРО ОЖЕЛЕДЯНІ АВАРІЇ НА
ПРОВОДАХ ПОВІТРЯНОЇ ЛІНІЇ 10 кВ
.1 Причини виникнення ожеледі на
лінії
У холодну половину року
зустрічаються усі види наземного зледеніння: ожеледь, паморозь, зледенілий
мокрий сніг. Сприятливі умови для їхнього утворення створюються з листопада по
березень. Найбільш небезпечними для народного господарства й у першу чергу для
засобів зв'язку, ліній електропередач і усіх видів транспорту є ожеледь і
зледенілий мокрий сніг. Основними метеорологічними факторами, що приводять до
утворення ожеледяно-паморозових відкладень, є наявність переохолоджених крапель
води (опадів, туману) і негативної температури повітря на поверхні землі при
стані повітря близькому до насичення і слабкому вітрі [2].
Ожеледь - шар льоду, що утворюється
на будь-яких предметах і на поверхні землі при негативних температурах повітря
(0...-6ºС).
Утворення ожеледі відбувається при випаданні переохолодженого дощу або мряки, у
рідких випадках при адвективному тумані. Унаслідок цього краплі, перш ніж
змерзнути, встигають розтектися по предметах і утворити суцільний покрив льоду.
Ожеледиця утворюється в результаті замерзання дощової або розталої води, що
покриває землю.
При вологому повітрі в безвітряну
морозну погоду на ЛЕП з'являється паморозь - або відкладення крижаних кристалів
Спостерігається зерниста паморозь при більш низьких, ніж ожеледь, температурах
-2...-7°С, але буває і при більш низьких. Відкладення мокрого снігу - крижана
маса, що по зовнішньому вигляді нагадує дуже щільну паморозь або суміш.
Утворюється в результаті швидкого замерзання мокрого снігу, що випадає при
позитивній температурі повітря від 0 до +2°С. [8] По щільності знаходиться між
ожеледдю і зернистою памороззю. Ступінь інтенсивності наземного зледеніння
прийнято характеризувати загальною товщиною льоду, що створюється за визначений
проміжок часу.
Таблиця 1. Характеристики
інтенсивності зледеніння
|
Характеристика
|
Ожеледь
|
Паморозь
|
Зледенілий сніг
|
|
Слабий
|
1-5 мм
|
1-49 мм
|
1-10 мм
|
|
Помірний
|
6-19 мм
|
>50 мм
|
11-34 мм
|
|
Сильний
|
>20 мм
|
|
>35 мм
|
.2 Ожеледяно - вітрові аварії
При відсутності вітру або при
слабкому вітрі (до 5 ... 6 м/с) аварії на ЛЕП починаються в основному з обриву
проводів під масою ожеледі, прогибу штирів або гаків траверс. Як правило, при
інтенсивному утворенні ожеледі не буває випадків руйнування опор поперек лінії
(через відсутність інтенсивного вітру). Надалі (після обриву проводів)
відбувається каскадне руйнування проміжних опор за принципом «падаючого доміно»
від одностороннього натягу залишилися проводів уздовж лінії на своїй ділянці
[2, 3].
При цьому руйнування опор на ЛЕП
мають найрізноманітніший характер. Аварія може статися як від пошкодження опори
у напрямку дії вітрового навантаження, так і від обриву проводів. Це залежить
від співвідношення розмірів ожеледяного і вітрового навантажень [2].
В практиці боротьби з ожеледдю
визначилися два напрямки, один із яких пов'язаний зі збільшенням механічної
міцності ЛЕП. Однак з урахуванням короткочасності періоду небезпечних
ожеледяних навантажень, що становить 0,03 ÷
0,5% від повного строку експлуатації повітряних
ліній, економічно виправданим є другий напрямок, що передбачає плавку ожеледі
електричним струмом підвищеної величини. Ефективність цього способу повністю
залежить від своєчасності виявлення появи ожеледі на проводах повітряних ліній
[5].
. СПОСОБИ СИГНАЛІЗАЦІЇ ТА ПЛАВКИ
ОЖЕЛЕДІ НА ПРОВОДАХ ПОВІТРЯНОЇ ЛІНІЇ 10 кВ
.1 Аналіз та класифікація існуючих
методів виявлення ожеледі на проводах повітряних ліній 10кВ
.1.1 Плавлення ожеледі коротким
замиканням змінним струмом.
При плавленні ожеледі коротким
замиканням змінним струмом лінія, що обігрівається, замикається з одного кінця,
а з іншого до неї підводиться напруга, достатня, щоб забезпечити протікання
проводами необхідного для плавки струму [5]. Плавлення може проводитись за
способом: трифазного, двофазного або однофазного короткого замикання (к.з) за
схемою «змійка».
Найпростішим із них є метод
трифазного к.з. приведено на Рис.1.
Рис. 1 - Схема плавлення ожеледі за
методом трифазного короткого замикання
Переваги цього способу є простота і
швидкість складання та збирання.
Недоліки: неможливість
безперебійного електропостачання споживачів.
.1.2 Спосіб зустрічного вмикання фаз
Спосіб зустрічного вмикання фаз
полягає в тому, що на одному кінці проводу лінії, що обігрівається,
приєднуються до фаз А, В, С, а на другому - відповідно до фаз В, С і А або С, А
і В. Таким чином, на лінію подається не фазна, а лінійна напруга (рис 2).
Рис. 2 - Схема плавлення ожеледі за
способом зустрічного вмикання фаз.
Переваги: дозволяє збільшити довжину
ліній, на яких відбувається плавлення, на 70 % або збільшити струм плавлення;
можливе одночасне живлення споживачів.
Недоліки:спосіб неможливий, якщо між
лініями, що розміщені між сусідніми підстанціями, немає зв’язку по лініях
високої напруги [11].
.1.3 Плавлення шляхом перерозподілу
навантажень
Плавлення шляхом перерозподілу
навантажень досягається шляхом:
а) підвищення навантаження станцій,
що передають енергію через лінію, що обігрівається;
б) підвищення навантаження
підстанцій шляхом перемикання в мережі нижчої напруги;
в) відключення частини лінії, в
результаті чого збільшується потужність, що передається.
Переваги: можливість безперебійного
постачання електроенергії; відсутні затрати на придбання додаткового
обладнання.
Недоліки: доцільно застосовувати
лише при профілактиці ожеледяного утворення [10,11].
Метод резонансу струмів.
При методі резонансу струмів на
робочий струм накладають додатковий струм, створений у контурі, частиною якого
є лінія, що обігрівається. Для цього в контур вмикають джерело електрорушійної
сили (ЕРС), величина і фаза якого підбирається таким чином, щоб збільшити струм
до необхідного значення (рис. 3).
Використовують вольтододаткові
трансформатори (ВДТ), що регулюють величину поздовжньої і поперечної ЕРС, тим
самим забезпечуючи оптимальний режим плавлення [11].
Рис. 3 - Схема плавлення ожеледі
методом включення ЕРС у контурі;
а - при паралельних лініях; б - при
кільцевій
Переваги: можливість безперебійного
електропостачання.
Недоліки: складна схема;
необхідність додаткового обладнання.
Плавлення постійним струмом.
За таким способом використовують
спеціальні установки, виконані на базі некерованих мостових випрямлячів або
керованого шестиполюсного випрямляча [6]. Для першого випадку можлива лише
дискретність у виборі струму плавки, другий має ряд переваг: можливість
плавного регулювання струму плавлення, підвищується оперативність плавлення,
полегшується робота комутаційних пристроїв.
Використовують схеми: «змійка»,
«провід - провід», «провід - два провода» і «провід - земля».
.2 Висновки по розділу 2
З проведеного аналізу способів
сигналізації та плавки ожеледі на проводах повітряних ліній визначено , що на
сьогодні не існує методу який разом контролював параметри та умови раннього
виникнення ожеледі на проводах та виконував своєчасну плавку. Всі розглянуті
методи потребують додаткового дорогого силового і перетворювального
устаткування;
Завданням цієї роботи є створення
економічного способу сигналізації та плавки ожеледі, що дозволяє контролювати
параметри при яких виникає ожеледь та проводити плавку ожеледі на повітряних
лініях електропередач з розщепленою фазою без відключення споживача і якогось
обмеження подачі йому електроенергії.
Здійснювати плавку ожеледі без
застосування дорогого силового і перетворювального устаткування; здійснювати
плавку ожеледі на окремих ділянках повітряних ліній електропередач, між будь-якими
двома розподільними пристроями плавлення ожеледі.
3. РОЗРОБКА ПРИСТРОЮ ВИЯВЛЕННЯ
ОЖЕЛЕДІ НА ПРОВОДАХ ПОВІТРЯНОЇ ЛІНІЇ 10 кВ
.1 Технічні вимоги до пристрою
Пристрій відноситься до
електротехніки, зокрема до пристроїв виявлення ожеледі на проводах повітряної
ліній 10кВ, які знаходяться під постійною дією зовнішніх факторів, що
призводять до додаткових механічних навантажень на елементи повітряних ліній, і
створює ризик їх руйнування [4-6].
Для визначення відстані до місця
пошкодження (неоднорідності хвильового опору) в лінію посилають імпульс та
вимірюють їх інтервал.
де:
подвоєний
час проходження цього імпульсу до місця пошкодження;
відстань до місця пошкодження;
швидкість розповсюдження імпульсу в
лінії.
Далі нас цікавить визначення
відносного затримання відображених імпульсів:
,(3.2)
де:
час
розповсюдження відображеного імпульсу при наявності ожеледі на проводах лінії
електропередач;
час розповсюдження відображеного
імпульсу при відсутності ожеледі на проводах лінії електропередач.
Визначаємо уявне відносне
подовження лінії [7]ї:
,(3.3)
де:
довжина
лінії при відсутності ожеледі на проводах лінії електропередач;
уявна довжина лінії при наявності
ожеледі на проводах лінії електропередач.
Відносна довжина
ожеледяного
покриття у відсотках визначається за формулою:
(3.4)
де:
довжина
лінії при відсутності ожеледі на проводах лінії електропередач;
довжина ожеледяного покриття.
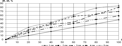
Результати розрахунків
зносимо до таблиці 2.
За отриманими результатами
будуємо графік залежності часу затримання відображеного імпульсу від товщини і
довжини шару ожеледі (Рис. 4.)
Рис. 4 - Залежність часу
затримання відображеного імпульсу від довжини і товщини шару ожеледі.
Таблиця 2 - Результати
розрахунків
|
Товщина шару ожеледі ,
смВідносного запізнення відображених імпульсів або ( Відносна
довжина шару ожеледі , %
|
|
|
|
1
|
2
|
3
|
|
1 см
|
0
|
0
|
|
10
|
20
|
|
20
|
40
|
|
30
|
60
|
|
39
|
80
|
|
49
|
100
|
|
2 см
|
0
|
0
|
|
17
|
20
|
|
30
|
40
|
|
40
|
60
|
|
50
|
80
|
|
59
|
100
|
|
3см
|
0
|
0
|
|
21
|
20
|
|
37
|
40
|
|
44
|
60
|
|
63
|
80
|
|
70
|
100
|
|
4см
|
0
|
0
|
|
24
|
20
|
|
40
|
40
|
60
|
|
63
|
80
|
|
80
|
100
|
|
5 см
|
0
|
0
|
|
30
|
20
|
|
43
|
40
|
|
61
|
60
|
|
78
|
80
|
|
84
|
100
|
Принцип роботи та опис пристрою
Запропоноване удосконалення пристрою
виявлення ожеледі вирішується тим, що в існуючий пристрій виявлення ожеледі на
проводах повітряної лінії10 кВ, який складається з генератора зондуючих
імпульсів, приймача цих імпульсів, що підключений через систему приєднання
високочастотних загороджувачів, блоку вимірювання часу, розрахункового
пристрою, та сигналізатора ожеледі, та додатково містить манометричний блок,
який складається з манометричного термометру під’єднаного до термобаллону, та
закріпленого безпосередньо на ділянці проводу, який з’єднано через капіляр, з
блоком вимірювання температури [15].
Суть запропонованого пристрою
пояснюється кресленням на рисунку 6 де зображена його функціональна схема [14].
Рис. 5 - Функціональна схема
пристрою
Пристрій для виявлення ожеледі на
проводах повітряної лінії 10 кВ складається з: генератора зондуючи імпульсів 1
і приймача 2, що підключений через систему під’єднаннь 3 до контролюючої
ділянки проводу 4 лінії електропередач. Ділянка проводу 4 обмежена
високочастотними загороджувачами 5 і 6, що встановлені відповідно в його
початку та кінці, шини 7 підстанції, блока 8 виміру часу, вихід якого з’єднаний
з першим входом розрахункового пристрою 9. Вихід розрахункового пристрою 9
підключений до сигналізатора появи ожеледі 10. Манометричний блок визначення
температури складається з манометричного термометру 16, що включає термобаллон
17, закріплений безпосередньо на ділянці проводу 4, і блоком вимірювання
температури 18, та капіляром 19.
Пристрій працює наступним чином:
Зондуючі імпульси від генератора 1
через систему під’єднаннь 3 поступають на початок ділянки проводу 4, далі ці
імпульси розповсюджуються уздовж ділянки проводу 4 і відображаються від
загороджувача 6,який встановлений на його кінці. Відтворені від кінця ділянки
проводу 4 імпульси повертаються до його початку і через систему приєднання 3
поступають на вхід приймача 2, де фільтруються і підсилюються, а потім
поступають в блок 8 вимірювання часу, де проводиться визначення часу
розповсюдження зондуючи імпульсів від початку ділянки проводу 4 до його кінця й
обернено.
Час розповсюдження зондуючих
імпульсів залежить від швидкості розповсюдження імпульсного сигналу по ділянці
проводу 4 і його довжини, при температурі.
При появі ожеледі швидкість
розповсюдження імпульсного сигналу знижується за рахунок зміни діелектричних
властивостей середовища, проводу повітряної лінії. Крім цього, під дією маси
ожеледі відбуваються додаткові збільшення довжини ділянки проводу 4 відносно
значення її довжини. У розрахунковому пристрої 9 по отриманим значенням часу
розповсюдження зондуючих імпульсів і температури, який подає сигнал на
спрацювання сигналізатора утворення ожеледі 10. Далі імпульсний сигнал
подається на манометричний термометр 16, який в свою чергу реагує на зміну
параметрів температури навколишнього середовища, а саме на зниження
температури, потім подає імпульс на термобаллон 17, який закріплений на ділянці
проводу 4, далі імпульсний сигнал, проходить через капіляр 19 і подається на
блок вимірювання температури 18, який має телемеханічний зв’язок з
розрахунковим пристроєм 9 [14].
Отже, запропонований спосіб
виявлення ожеледі на основі локації ділянки проводу зондуючими імпульсами,
заключається в тому, що ділянка проводу повітряної лінії - 10кВ, обмежується
високочастотним загороджувачем, а в якості контрольного параметру, зв’язаного
зі зміною умов розповсюдження зондуючих імпульсів від початку обмеженої ділянки
проводу до його кінця і обернено, тобто параметри, вимірювання якого забезпечує
з найбільш високою точністю.
Внаслідок того, що зміна цього
параметру обумовлена двома факторами, зв’язаними з появою ожеледі - зменшення
швидкості розповсюдження імпульсного сигналу під дією ожеледі і збільшенням
ділянки проводу під дією маси ожеледі, а також обліку температурної зміни
довжини обмежуючої ділянки проводу значно підвищується чутливість способу [15].
.2 Висновки до розділу 3
В розробленому пристрої для
виявлення ожеледі на основі локації ділянки проводу, прийнято, що в якості контрольованих
параметрів пропонується використовувати зміни температури та довжину обмеженої
ділянки проводу з найбільш високою точністю.
Зміна параметрів обумовлена двома
факторами, пов’язаними з появою ожеледі - зменшення швидкості розповсюдження
імпульсного сигналу під дією ожеледі і збільшенням ділянки проводу під дією
маси ожеледі, при цьому точний облік температури і зміни довжини обмежуючої
ділянки проводу значно підвищує чутливість пристрою.
Точне визначення утворення ожеледі
на проводах лінії електропередач дозволяє своєчасно провести профілактичний
нагрів проводів і запобігти виникненню аварій на повітряних лініях, що в свою
чергу збільшує строк експлуатації та підвищує ефективність їх роботи. Але для
цього потрібно розробити систему сигналізації початку утворення ожеледі та
плавки ожеледі, яка буде контролювати всі розглянуті параметри.
4. СИСТЕМА СИГНАЛІЗАЦІЇ ТА ПЛАВКИ
ОЖЕЛЕДІ НА ПРОВОДАХ ПОВІТРЯНОЇ ЛІНІЇ
.1Технічні вимоги до системи
Метою розробки системи сигналізації
та плавки ожеледі є створення економічної комбінованої системи, що дозволяє
проводити сигналізацію та плавку ожеледі на повітряних лініях електропередач з
розщепленою фазою без відключення споживачів і якогось обмеження подачі їм
електроенергії, надійність та ефективність досягається шляхом вдосконалення та
усунення недоліків існуючих пристроїв.
Додаткове встановлення в схему блоку
для плавки ожеледі дозволить своєчасно проводити профілактичний нагрів проводів
та грозозахисних тросів і запобігти виникненню аварій на повітряних лініях,
збільшити строк експлуатації, підвищити ефективність їх роботи [17]. .
Поставлена задача вирішується тим,
що система сигналізації та плавки ожеледі на проводах повітряної лінії, що
складається з генератора зондуючих імпульсів та приймача цих імпульсів, який
підключений через систему приєднання високочастотних загороджувачів до блоку
вимірювання часу і далі до розрахункового пристрою, та сигналізатора ожеледі, з
трансформатора струму приєднаного до входу вимірювального перетворювача струму,
блоку визначення температури, вимірювальних перетворювачів температури повітря
та швидкості вітру. Пристрій має в схемі додатково введений блок плавки
ожеледі, який представлено розподільчим пристроєм, на кожен провід фази якого
встановлюється окремий комутаційний апарат в поєднанні зі стаціонарними
шунтуючими перемичками між проводами фази [12].
Встановлення блоку плавки ожеледі
дозволяє автоматично проводити плавку ожеледі при виникненні ситуації, що
засвідчив попередній блок сигналізації ожеледяно-паморозових відкладень на
повітряної лінії. При цьому схему плавки ожеледі збирають в залежності від
кількості проводів у розщеплених фазах із застосуванням стаціонарних шунтуючих
перемичок і комутаційних апаратів в розподільчих пристроях, а перетин проводів
розщепленої фази розраховують з умови достатнього їх нагріву для плавки ожеледі
робочим струмом навантаження в фазі, при проходженні цього струму тільки по
одному дроту розщепленої фази.
Розподільні пристрої можуть бути
встановлені на одну і / або декілька повітряних ліній електропередач.
Розподільні пристрої можуть бути встановлені на кожній фазі повітряної лінії
електропередач [13].
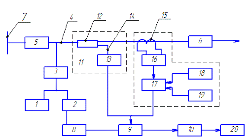
Принцип роботи системи
Суть запропонованої системи
пояснюється кресленням, де на рисунку 7 зображена блок-схема системи
сигналізації та плавки ожеледі на проводах повітряної лінії;
Рис. 6- Блок-схема системи
сигналізації та плавки ожеледі на проводах повітряної лінії
Рис. 7 - Схема блоку плавлення
ожеледі при послідовно з'єднаних проводах розщепленої фази;
Рис. 8 - Схема блоку плавлення
ожеледі і з виділенням кожного проводу в фазі.
плавка ожеледь провід
лінія
Система складається з генератора
зондуючих імпульсів 1, приймача 2, системи під’єднань 3, ділянки проводу лінії
електропередач, що контролюється 4, високочастотних загороджувачів 5 і 6, що
встановлені відповідно в його початку та кінці, шин підстанції 7, блока виміру
часу 8, вихід якого з’єднаний з першим входом розрахункового пристрою 9,
сигналізатора появи ожеледі 10, манометричного термометру 11, термобаллону 12,
блока вимірювання температури 13, капіляра 14, трансформатору струму 15,
вимірювального перетворювача струму навантаження 16, блока визначення
температури 17, та вимірювального перетворювача температури 18 і швидкості
вітру 19, блоку плавлення ожеледі 20.
Схема блоку плавлення ожеледі при
послідовно з'єднаних проводах розщепленої фази (рис. 7) складається з
розподільчого пристрою плавлення ожеледі 21, що розташовано по межах зони
утворення ожеледі 22, та містять шини фази 23, проводи 24 розщепленої фази,
шунтуючі перемички 25, комутаційні апарати 26.
Схема блоку плавлення ожеледі і з
виділенням кожного проводу в фазі (рис.8) складається з розподільчого пристрою
плавлення ожеледі 27, що розташований по межах зони утворення ожеледі 28, та
містять шини фази 29, проводи 30 розщепленої фази, шунтуючі перемички 31,
комутаційні апарати 32.
Система працює наступним чином:
Зондуючи імпульси від генератора 1
через систему з’єднань 3 поступають на початок ділянки проводу 4, далі ці
імпульси розповсюджуються уздовж ділянки проводу 4 і відображаються від
загороджувача 6, який встановлений на його кінці. Відтворені від кінця ділянки
проводу 4 імпульси повертаються на його початок відображаються від 5 і знов
через систему приєднання 3 поступають на вхід приймача 2, де фільтруються і
підсилюються, а потім поступають в блок вимірювання часу 8, де проводиться
визначення часу розповсюдження зондуючих імпульсів від його початку і до кінця.
Час розповсюдження зондуючих імпульсів залежить від швидкості розповсюдження
самого імпульсного сигналу по ділянці проводу 4. При появі ожеледі швидкість
розповсюдження імпульсного сигналу знижується за рахунок зміни діелектричних
властивостей середовища та температури проводу повітряної лінії. Крім цього,
під дією маси ожеледі відбуваються додаткові збільшення довжини ділянки проводу
4 відносно значення її початкової довжини. З розрахункового пристрою 9 по
отриманим значенням часу розповсюдження зондуючих імпульсів і температури. Далі
імпульсний сигнал подається на манометричний термометр 11, який в свою чергу
реагує на зміну параметрів температури навколишнього середовища, а саме на
зниження температури, потім подає імпульс на термобалон 12, який закріплений на
ділянці проводу 4, далі імпульсний сигнал, проходить через капіляр 13 і
подається на блок вимірювання температури 14, який має телемеханічний зв’язок з
розрахунковим пристроєм 9 після чого подається сигнал на спрацювання
сигналізатора утворення ожеледі 10. Далі відбувається контроль по каналу
визначення температури посереднім шляхом. На ділянці проводу 4 встановлений
трансформатор струму 15, який подає сигнал на вимірювальний перетворювач струму
навантаження 16, фіксується значення температури в блоці 17 на основі
вимірювання температури 18 та швидкості вітру 19, які з’єднані за допомогою
телемеханічної лінії зв’язку та встановлені на постах контролю ожеледі у
декількох місцях на протязі лінії електропередач. З блоку 17 подається
інформація на вхід розрахункового пристрою 9, далі при зміні параметрів
відбувається команда на спрацювання сигналізатора утворення ожеледі 10, після
обробки даних сигналізатора поступає команда в блок плавлення ожеледі 20, далі
в залежності від обраної схеми плавки ожеледі, проводиться плавка ожеледі на
проводах повітряної лінії. При реалізації повної схеми плавлення ожеледі при
послідовно з'єднаних проводах розщепленої фази на ділянки повітряної лінії
електропередач, схильних до утворення ожеледі 22. Плавлення ожеледі в цьому випадку
відбувається одночасно на всіх проводах фази, де встановлено розподільні
пристрої плавлення ожеледі 21, число розподільчих пристроїв плавлення ожеледі
залежить від протяжності обмерзання ділянки. Передається сигнал на шини 23 та
через проводи розщепленої фази 24 повітряних ліній електропередач відбувається
плавка ожеледі робочим струмом навантаження в фазі, при проходженні цього
струму тільки по одному дроту розщепленої фази. Кількість комутаційних апаратів
26 в розподільному пристрої плавлення ожеледі в цьому випадку менше кількості
проводів розщепленої фази, при цьому також використовуються стаціонарні
шунтуючі перемички 25 між проводами фази.
При реалізації повної схеми
плавлення ожеледі з виділенням кожного проводу у фазі 30, що можливо при будь-якій
кількості проводів розщепленої фази 29, в розподільному пристрої 27, що
розташований по межах зони утворення ожеледі 28, на кожен провід фази
встановлюють окремий комутаційний апарат 32, розрахований на повний фазний
струм, в поєднанні зі стаціонарними шунтуючими перемичками 31 між проводами
фази, які встановлюють після комутаційних апаратів в бік сусіднього
розподільного пристрою плавлення ожеледі. Плавка ожеледі в цьому випадку йде
почергово в проводах фази. При непарній кількості проводів розщепленої фази і
парній кількості проводів розщепленої фази, рівним більш 2-х проводів, можлива
комбінована схема плавлення ожеледі [18].
При виборі типу комутаційного
апарата враховують рівні напруги та струму в повітряних лініях електропередач .
.3 Висновки до розділу 4
Розроблена система сигналізації та
плавки ожеледі на проводах повітряної лінії, на основі локації ділянки проводу
зондуючими імпульсами та плавки за допомогою розподільчих пристроїв, дозволяє
здійснювати плавку ожеледі без застосування дорогого силового і
перетворювального обладнання; одночасно на всіх проводах розщепленої фази або
по черзі на кожному проводі фази; здійснювати плавку ожеледі на окремих
ділянках повітряних ліній електропередач, між будь-якими двома розподільними
пристроями плавки ожеледі.
Система дозволяє точно визначати
початок утворення ожеледі та проводити своєчасну плавку ожеледі на проводах
лінії електропередач без відключення споживачів і якогось обмеження подачі їм
електроенергії.
5. ТЕХНІКО-ЕКОНОМІЧНІ ПОКАЗНИКИ
РОБОТИ
Основними показниками, що
характеризують економічну ефективність електромеханізації аграрного виробництва
є: енергозабезпеченість, енергоозброєність, електрозабезпеченість,
електроозброєність праці, трудомісткість, продуктивність праці, енергоємність
продукції, енергетичний ефект, собівартість одиниці продукції,
фондозабезпеченість, фондовіддача, рентабельність виробництва, додаткові
капітальні вкладення, річний економічний ефект, термін окупності капітальних
вкладень
До сьогодні відсутня єдина методика
техніко-економічного обґрунтування ефективності плавки ожеледі на проводах
повітряних ліній електропередачі. В даній науковій роботі оцінка
техніко-економічної ефективності застосування плавки ожеледі перевірялись
згідно по загальній формулі приведених витрат в енергетику з системою
сигналізації та плавки ожеледі на проводах повітряної лінії з використанням
статичних показників.
При впровадженні системи плавки та
сигналізації ожеледі на лініях 10 кВ без прийняття засобів виявлення ожеледі
ефект на одну РТП визначається за формулою:
(5.1)
де Зв - витрати на
відновлення лінії після аварій від ожеледі, грн.;
Зпл - витрати , зв`язані з
плавкою ожеледі, грн.;
капітальні витрати на побудову схем
плавки,
=
10000грн.;
Еа - амортизаційні
відрахування, Еа = 0,064;
Витрати на після аварійне
відновлення лінії:
деmл - середня кількість
відгалужуючих ліній, mл = 4;
Рав- ймовірність аварій
(відношення аварійних утворень ожеледі на проводах ліній до кількості випадків
ожеледі), Рав= 0,022;
Зо - витрати на відтворювання
одного кілометру лінії 10кВ, Зо = 30000 грн/км;середня довжина однієї лінії, L=
10 км;
Г - відносне пошкодження
однієї лінії при впровадженні плавки ожеледі, Г = 0,073;
Уо - питомі втрати від
недовідпускання електроенергії споживачам,
Уо= 0,75 грн/кВтч;
Рвідкл - середня потужність
однієї лінії, яка відключається при плавці, Рвідкл = 2400 кВт;
Тср - середній час
відключення однієї лінії при аварії від ожеледі,
Тср = 72год (для застосування
пристроїв виявлення ожеледі Тср=50 годин).
Витрати пов’язані з плавкою
ожеледі визначаються:
(5.3)
деРкр - критична величина
ожеледяних відкладень, Ркр = 0,15;
Р - середня кількість плавок за
рік на підстанції, Р = 1,6;
ВТ - вартість транспорту при
використанні за день, ВТ = 75 грн.;Т - кількість транспортних одиниць, NТ = 1
шт.;л - кількість відгалужуючих ліній, mл = 4 шт.;пл - час плавки, tпл =
1,0год;
Рпл - середньостатистична
потужність, необхідна для плавки ожеледі, Рпл = 14000 кВт;
Ве - вартість одного кВт∙год
електроенергії, С = 0,42 грн/кВт∙год;
Зч.ч - вартість однієї людино
- години при плавкі ожеледі,Зч.ч = 20,0грн;о-- кількість обслуговуючого
персоналу при плавці ожеледі, о = 5 люд;
По формулі (5.1) визначаємо
Епл:
Пристрій виявлення ожеледі
дозволяє скоротити загальний час плавки та зменшити вірогідність виникнення
аварій, за рахунок зниження нічних аварій, так як візуальний нагляд дуже важкий
в нічну пору доби, в середньому протягом 10 годин [9] .
Тоді вірогідність виникнення
нічних аварій дорівнює:
(5.4)
.
Таким чином, до економічного
ефекту використання пристрою плавки ожеледі додається ефект від використання
пристроїв виявлення ожеледі, так як зменшуються витрати на поновлення ліній в
період нічних аварій плюс частки збитку, передбаченого скороченням часу плавки,
з урахуванням вартості пристрою:
(5.5)
де Зсгв - витрати на
поновлення лінії в період нічних аварій, грн.;
Усг - частка збитку,
передбаченого скороченням часу плавки, грн.
Кс - вартість пристрою
виявлення ожеледі , Кс = 17000грн.
Витрати на поновлення лінії в
період нічних аварій:
(5.6)
де Рнч- вірогідність нічних
аварій, Рнч = 0,009.
.
Частка збитку, передбаченого
скороченням часу плавки:
, (5.7)
де tпл - середньостатистичний
час плавки з урахуванням використання пристроїв виявлення ожеледі , tпл = 0,8
год.
Економічний ефект плавки з
урахуванням заходів із плавки ожеледі, за формулою (6.5):
Річний економічний ефект від
використання схем плавки з використанням пристроїв виявлення ожеледі визначаємо
за формулою:
(5.8)
Термін окупності додаткових
капіталовкладень:

(5.9)
Результати розрахунку
заносимо до таблиці 3.
Таблиця 3 - Порівняльні
техніко-економічні показники
|
Показники
|
Варіанти
|
|
Застосування плавки без пристроїв виявлення
ожеледі
|
Застосування плавки із пристроями виявлення
ожеледі
|
|
Економічний ефект плавки, грн.
|
5626
|
14395,3
|
|
Витрати на поновлення ПЛ-10кВ, грн
|
13332
|
9847,2
|
|
Витрати на плавку та сигналізацію ожеледі,
грн.
|
7194
|
5454
|
|
Термін окупності додаткових капіталовкладень,
рік
|
|
2,0
|
Отримані показники дозволяють зробити
висновок, що модернізація лінії електропередачі зменшить кількість аварій на
лінії. Сума капітальних вкладень на модернізацію окупиться за 2 роки .
ВИСНОВОК
Дана наукова робота є кроком до
вдосконалення електричних мереж на території України. Застосування
запропонованої системи сигналізації та плавки ожеледі на проводах повітряної
лінії, на основі локації ділянки проводу зондуючими імпульсами та плавки за
допомогою розподільчих пристроїв, прийнято, що здійснення плавки ожеледі
можливо без застосування дорогого силового і перетворювального обладнання;
одночасно на всіх проводах розщепленої фази або по черзі на кожному проводі
фази; здійснювати плавку ожеледі на окремих ділянках повітряних ліній
електропередач, між будь-якими двома розподільними пристроями плавки ожеледі,
щоб не допустити аварій на лінії, завдяки чому забезпечуємо своєчасну і якісну
передачу електричної енергії в мережі та до споживачів.
В результаті чого буде вирішена
проблема запобігання ожеледяних аварій, які відносяться до найбільш тяжких які
мають масовий характер і наносять значних збитків. Це дозволить зберегти значні
фінансові та матеріальні ресурси. В соціальному плані основним результатом
реалізації проекту є підвищення надійності електропостачання споживачів,
скорочення аварійних робіт в зимовий час.
СПИСОК ЛІТЕРАТУРИ
.
Будзко Н.А Электроснабжение сельского хозяйства / А.Н. Будзко, Н.М. Зуль. - М.:
Агропромиздат, 1990. - 496с.
.
Дьяков А.Ф. Предотвращение и ликвидация гололедных аварий в электрических сетях
энергосистемы / А.Ф. Дьяков, А.С. Засыпкин, И.В Левченко - Пятигорск изд: РП «
Южэнерготехнадзор», 2000 - 284с.
.
Дьяков А.Ф. Системный подход к проблеме предотвращения и ликвидации гололедных
аварий в энергосистемах / А.Ф. Дьяков - М.: Энергоатомиздат, 1987 - 160с.
.
Нарожний В.Б. Кліматичні навантаження на повітряні лінії електромереж / В.Б
Нарожний, С.Я. Княжевськая, Л.В. Глей. - К.: Енергопрогрес, 1994 - 212с.
.
Ветровые и гололедные нагрузки на проводе воздушных линий электропередачи / Тр
ин-та Энергосетьпроект - М.: 1985, - 136с.
.
Попов Н.И К вопросу о точности гололедно - изморозевых наблюдений / Н.И. Попов,
В.В. Холодов // Труды ГГО - 1988 - Вып 408 - 44 - 48.
.
Рудакова Р.М. Методы борьбы с гололедом в электрических сетях энергосистем /
Р.М. Рудакова, И.В. Вавилова, И.Е. Голубков, - Уфа, 2005 с 187.
.
Дьяков А.Ф. Информационные системы контроля гололедных нагрузок на воздушных
линиях / А.Ф. Дьяков, И.И. Левченко, А.С. Засыпкин, А.А Аллилуев, Е.И. Сацук,
А.И. Быткин, Ф.А. Дьяков. - Энергетик, 2005 №1 с 20 - 25.
.
Іноземцев , Г.Б. Проблема боротьби з ожеледдю на лініях електропередачі /
Іноземцев , Г.Б. , Крижанівський, В.С. - Науковий вісник НУБіП України, 2011 -
166с .
.
Закамский Е.В. Локационный метод обнаружения повреждений в электрических сетях
напряжением 6 - 35кВ / Е.В. Закамский // Дисс канд.техн. наук. - Казань.: КГЭУ,
2004 с 180.
.
Минуллин Р.Г. Локационный мониторинг неоднородностей распределительных
электрических сетей / Р.Г. Минуллин, И.Ш. Фардиев, Д.Ф. Губаев, О.И. Карпенко,
Е.В. Закамский - Электротехника.: 2006, №5 с 2-10.
.
Минуллин Р.Г. Локационный способ обнаружения появления гололеда на проводах
линии электропередач / Р.Г. Минуллин, И.Ш. Фардиев, Д.Ф. Губаев, Ю.Я.
Петрушенко, А.К. Мезиков, А.В. Коровин - Электротехника.: 2007, №12 с17-23.
.
Щербакова О.І. Боротьба з ожеледдю на проводах повітряних ліній
електромагнітними хвилями Матеріали науково-технічної конференції магістрів та
студентів Таврійського державного агротехнологічного університету. Вип. 10,
Т.2. - Мелітополь: ТДАТУ, 2011. - С. 103-105.
.
Щербакова О.І Розробка методу виявлення ожеледі на проводах повітряних ліній
напругою 10кВ. Тези доповідей учасників «ХІV зльоту іменних стипендиатів та
вдмінників навчання аграрних вищих навчальних закладів» 12-15 травня 2012р . -
м. Житомир, 2012. - 166-168.
.
Патент 59680 Україна, МПК (2009) Н02G 7/16. - №u201013228; заявл. 08.11.2010.
Пристрій для сигналізації ожеледяно-паморозевих відкладень на проводах
повітряної лінії / Щербакова О.І., Л.Р. Коваленко, О.І. Коваленко. опубл.
25.05.2011. Бюл. №10. - 6 с.
.
Щербакова О.І. Обґрунтування вибору обмежувачів перенапруг як засобу захисту
розподільчих мереж.. Матеріали науково-технічної конференції магістрів та
студентів Таврійського державного агротехнологічного університету. Вип. Х, Т.1.
- Мелітополь: ТДАТУ 2012. - С. 36-38.
Патент
Україна, МПК (2009) Н02G 7/16. - №u 201013228; заявл. 15.10.2012. Система
сигналізації та плавки ожеледі на проводах повітряної лінії / Щербакова О.І.,
Л.Р. Коваленко, О.І. Коваленко.- 6 с.
ДОДАТОК А
Рис. А1 - Карта районування
території України за характеристичними значеннями товщини стінки ожеледі
Рис. А2 - Карта районування
території України за характеристичними значеннями вітрового тиску при ожеледі
Рис. А3 - Наслідки ожеледі на
повітряних лініях електропередач.