Расчет подогревателя высокого давления №6 для турбинной установки К-800-240-5
Содержание
1. Характеристика
турбоустановки К-800-240-5
2. Краткое описание ПВД
3. Схема движения
теплообменивающихся сред в ПВД
4. Определение тепловых
нагрузок в ОП, СП, ОК
5. Тепловой расчет
собственно подогревателя
6. Тепловой расчет
охладителя пара
7. Тепловой расчет
охладителя конденсата
Заключение
Литература
1. Характеристика турбоустановки К-800-240-5
Паровая конденсационная турбина К-800-240-5 производственного объединения
турбостроения «Ленинградский металлический завод» (ПОТ ЛМЗ) номинальной
мощностью 800 МВт с начальным абсолютным давлением пара 23,5 МПа предназначена
для непосредственного привода генератора переменного тока ТВВ-800-2, для работы
в блоке с прямоточным котлом.
|
Номинальная мощность
|
|
|
Максимальная мощность
|
|
|
Давление свежего пара
|
|
|
Температура свежего пара
|
|
|
Давление пара после
промежуточного перегревателя
|
|
|
Температура пара после
промежуточного перегревателя
|
|
|
Число регенеративных
отборов пара
|
|
|
Максимальный расход пара
|
|
|
Число цилиндров
|
|
|
Число ступеней
|
|
Рис. 1 Схема одной из двух одинаковых групп ПВД К-800-240-5
2. Краткое
описание ПВД
Одним из элементов, комплектующих любую турбоустановку, являются
подогреватели высокого давления (ПВД).
Трубная система ПВД выполнена в виде спиральных змеевиков, размещаемых в
разъемном сварном корпусе, и состоит из трёх элементов:
Ø зоны охлаждения перегретого пара
Ø зоны конденсации пара
Ø зоны охлаждения конденсата
Питательная вода подводится к ПВД снизу и распределяется на два стояка,
из которых поступает в первую группу секций горизонтальных трубных спиралей.
Пройдя эту часть змеевиков, вода собирается в распределительном коллекторе и
переходит в следующую группу горизонтальных змеевиков.
Из этой группы змеевиков большая часть воды отводится в сборный
(выходной) коллектор, а меньшая часть перед входом в сборный коллектор проходит
верхнюю группу горизонтальных змеевиков, расположенную в зоне охлаждения перегретого
пара.
Выход воды из подогревателя высокого давления, также как и вход, - снизу,
отвод конденсата также снизу - каскадный, в направлении, обратном потоку
питательной воды. По питательной воде ПВД включаются последовательно.
Форма навивки спиральных труб в подогревателях высокого давления бывает
двух типов: а) одноплоскостная; б) двухплоскостная.
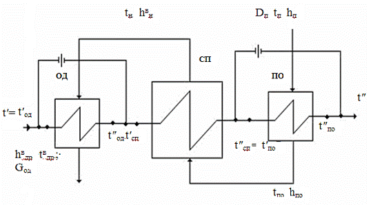
3. Схема
движения теплообменивающихся сред в ПВД
Принципиальная схема движения теплообменивающихся сред в зонах ПВД
представлена на рис.1,а. Через охладитель конденсата проходит весь поток
питательной воды или ее часть, ограничиваемая установкой шайбы.
Включение зоны охлаждения пара может быть различным. Например, возможно
включение охладителя пара всех или какого-либо отдельного подогревателя
параллельно по ходу воды всем или некоторым подогревателям.
Смешение потока воды, проходящего через каждый охладитель пара, с потоком
питательной воды происходит на входе в паровой котел. Такая схема включения
носит название схемы Рикара - Никольного. Может быть использована другая схема,
когда охлаждение пара происходит потоком воды, направляемым в паровой котел
после всех подогревателей (схема Виолен). Может быть применена последовательная
схема включения всех зон, и возможна комбинированная схема.
Во всех случаях через охладитель пара пропускается только часть
питательной воды, а другая ее часть байпасируется помимо охладителя с помощью
ограничивающей шайбы.
Принципиальная схема движения теплообменивающихся сред в ПВД
4. Определение тепловых нагрузок в ОП, СП, ОК
Параметры греющего пара:
Параметры пара на входе в СП:
Ø давление

;
Ø температура

;
Ø энтальпия

.
Параметры пара в СП:
Ø давление
пара в собственно подогревателе 
;
Ø температура
насыщения 
;
Ø энтальпия
конденсата пара за СП 
;
Ø энтальпия
пара, поступающего в СП 
;
Ø температура
пара на входе в СП 
;
Параметры конденсата на выходе из ОК:
Ø температура
конденсата 
;
Ø энтальпия
конденсата 
.
Параметры питательной воды:
Параметры на входе в ОК:
Ø давление

;
Ø температура

;
В охладитель конденсата поступает часть питательной воды с расходом

(14,3%
от 
)
Через
собственно подогреватель проходит 
воды. Расход
воды через пароохладитель принимаем равным 70% от расхода питательной воды,
поступающей в подогреватель 
.
Расход пара в подогреватель определяется из уравнения теплового баланса
при заданных параметрах:
Энтальпия воды на выходе из собствено подогревателя определяется при 
и
температуре 
,

имеем

и

.
Расход
пара, поступающего в подогреватель:
Используя
полученный расход пара, определяют температуру на выходе из охладителя
конденсата, на входе в собственно подогреватель и на выходе из охладителя пара.
Энтальпия
воды на входе в собственно подогреватель:
Тогда
температура воды на входе в собственно подогреватель

.
Энтальпия воды на выходе из пароохладителя из уравнения теплового
баланса:
Тогда
температура воды 
По
балансу теплоты определяем тепловые нагрузки:
Ø на охладитель конденсата:
Ø собственно подогревателя:
Ø охладителя пара:
5. Тепловой
расчет собственно подогревателя
Средний температурный напор для поверхностей нагрева отдельных элементов
и подогревателя в целом определяется как среднелогарифмическая разность
температур:

Для
определения коэффициента теплоотдачи от стенок труб к воде необходимо
установить режим ее движения. Скорость воды в трубах подогревателя принимается
в пределах 1,3 - 1,8 
. Для
скорости 1,5 
,
соответствующей средней температуре воды:
и
ее параметрах (
) число
Рейнольдса:
Коэффициент
теплоотдачи для этих условий определяется:
Термическое
сопротивление стенки труб
Значение
коэффициента 
в
формуле 
при
и
параметрах сред при


).
Вычислим
по формуле
где

-
коэффициенты для вертикальных стальных труб, 
.
Тогда
коэффициент 
принимает
следующее значение:
В
соответствии с полученными значениями имеем:
Принимая
различные значения 
, находим

и строим
зависимость

Графоаналитическое
определение плотности теплового потока в зависимости от температурного напора
представлено на рис. 1
Рис.
1
Из
нее следует, что при 
тепловой
поток 
.
Коэффициент
теплопередачи в собственно подогревателе в этих условиях
Поверхность
нагрева собственно подогревателя
Практически
поверхность нагрева должна быть несколько выше за счет возможности загрязнения
поверхности, коррозии и т.д. Принимаем 
.
При
принятой скорости воды в трубах число спиралей собственно подогревателя
где

-
средний удельный объем воды при ее средней температуре.
Практически
число спиралей принимается кратным произведению числа секций и числа рядов в
каждой секции, т.е. 
. Тогда 
.
В
этом случае длина каждой спирали

Отклонение
от принятого значения 
, что
вполне допустимо.
6. Тепловой
расчет охладителя пара
Тепловая
нагрузка охладителя пара 
, расход
пара 
, расход
питательной воды 
.
Если
размеры спиралей охладителей пара такие же, как и в собственно подогревателе,
то площадь сечения для прохода пара
где

-
учитывает часть длины труб, участвующей в теплообмене;
,004
- расстояние между трубами.
При
двух потоках скорость пара в охладителе
где

-
удельный объем пара при его средней температуре в ОП
Эквивалентный
диаметр
Число
Рейнольдса
Значение
коэффициента теплоотдачи от пара к стенке труб следует определять из выражения,
учитывая параметры пара при средней его температуре

(
).
Определим
коэффициент теплоотдачи от стенки труб к воде. Физические параметры воды
определяются при средней температуре

:
Скорость
воды в трубах при 2-хпоточной схеме принимаем равной 
, а
диаметр трубок - 32 ×
4 мм. Тогда число Рейнольдса
Определим
коэффициент теплоотдачи от стенки труб к воде
Определим
коэффициент теплопередачи
где

учитывает
вид теплопередающей стенки - стенка цилиндрическая.
Средний
температурный напор в охладителе пара
Поверхность
нагрева охладителя пара
Практически
поверхность нагрева должна быть несколько выше за счет возможности загрязнения
поверхности, коррозии и т.д. Принимаем 
.
Число
змеевиков охладителя пара с учетом 
7. Тепловой
расчет охладителя конденсата
Тепловая
нагрузка охладителя конденсата 
. Средняя
температура конденсата в межтрубном пространстве:
Площадь
сечения для прохода конденсата в охладителе принимаем такой же, как и в
охладителе пара, т.е. 
. тогда
скорость конденсата в межтрубном пространстве:
где

-
удельный объем конденсата при его средней температуре в ОК.
Физические
свойства конденсата при его средней температуре:
Значение
числа Рейнольдса при найденной скорости

, а
коэффициент теплоотдачи
Средняя
температура воды в трубах охладителя конденсата:
Значение
коэффициента теплопередачи от стенки к воде определяем при скорости 
и
физических параметрах, соответствующих 
.
физические свойства воды при ее средней температуре:
Число
Рейнольдса
Значение
коэффициента теплопередачи от стенки к воде
С
учетом 
расчетное
значение коэффициента теплоотдачи
Коэффициент
теплопередачи в охладителе конденсата
Средний
температурный напор в охладителе конденсата

Площадь
поверхности теплообмена охладителя конденсата
Практически
поверхность нагрева должна быть несколько выше за счет возможности загрязнения
поверхности, коррозии и т.д. Принимаем 
.
В
ходе проведения данной курсовой работы был рассчитан подогреватель высокого
давления №6 для турбинной установки К-800-240-5. ПВД-6 работает при параметрах
пара перед входом в подогреватель: давлении 1,63 МПа, температуре 440°С и
расходом пара 30,5 кг/с. Параметры питательной воды: давление 30 МПа и температура
159,4 °С.
В
результате расчета были определены следующие площади:
Ø площадь
СП 
Ø площадь
ОП 
Ø площадь
ОК 
Ø общая
площадь ПВД 
По данным площадям из таблицы в качестве ПВД - 6 выбираю ПВ-1600-380-17.
Значения площадей, полученные в результате расчета, отличаются от
табличных значений данного подогревателя, что объясняется погрешностями,
возникшими в ходе расчета, а также округлениями и допущениями.
турбоустановка
подогреватель высокое давление
Литература
1. Д.П.
Елизаров «Теплоэнергетические установки электростанций». М.: Энергоиздат, 1982.
2. В.Я.
Рыжкин «Тепловые электрические станции», М.:Энергоатомиздат,1987.
. В.А.
Григорьев, В.М. Зорин «Тепловые и атомные электрические станции».
М.:Энергоиздат,1982.