Производство полиэтилена высокого давления

  • Вид работы:
    Курсовая работа (т)
  • Предмет:
    Другое
  • Язык:
    Русский
    ,
    Формат файла:
    MS Word
    135,12 Кб
  • Опубликовано:
    2013-10-08
Вы можете узнать стоимость помощи в написании студенческой работы.
Помощь в написании работы, которую точно примут!

Производство полиэтилена высокого давления

Министерство науки и образования Российской Федерации

НПОУ инженерный центр «Техника»








КВАЛИФИКАЦИОННАЯ РАБОТА

на тему:

Производство полиэтилена высокого давления





Выполнил:

Р.Р. Пашин

Руководитель:

С.А. Крицкая



Уфа 2010

Содержание

Введение

1 Технологическая схема производства

2 Характеристика сырья, реагентов, получаемых продуктов и отходов

Безопасность и экологичность

Заключение

Использованная литература

Введение

Органические пластические материалы начали широко применяться в разных отраслях народного хозяйства лишь в XX веке. Начиная с 40-х годов текущего столетия, производство пластических масс развивается очень высокими темпами. Это вызвано разработкой очень широкого ассортимента пластических масс с ценными техническими свойствами.

На начальной стадии использования пластических масс, они использовались преимущественно как заменители цветных металлов, но во вновь разработанных металлах были выявлены свойства, которые превратили полимеры в уникальные материалы, без которых невозможно существование и прогресс ряда отраслей современной техники радиотехнической, электронной, электротехнической и др. Изделия из пластических применяются практически во всех отраслях народного хозяйства и широко используются в быту.[1] Полиолефины в последние годы стали одним из основных типов синтетических пластических материалов. К этой группе полимеров относится и полиэтилен, который имеет большое промышленное значение из всех полиолефинов. Полиэтилен [-СН2-СН2-]n представляет собой карбоцепной полимер алифатического непредельного углеводорода олефинового ряда -этилена. Макромолекулы полиэтилена имеют линейное строение с небольшим числом боковых ответвлений. Молекулярная масса его в зависимости от способа полимеризации колеблется от десятков тысяч до нескольких миллионов.

Полиэтилен - кристаллический полимер. При комнатной температуре степень кристалличности полимера достигает 50 - 90% (в зависимости от способа производства). Полиэтилен отличается от других термопластов весьма ценными комплексами свойств. Изделия из полиэтилена имеют высокую прочность, стойкость к действию агрессивных средств и радиации, нетоксичность, хорошие диэлектрические свойства. Перерабатывается полиэтилен всеми известными и довольно несложными для термопластов методами.

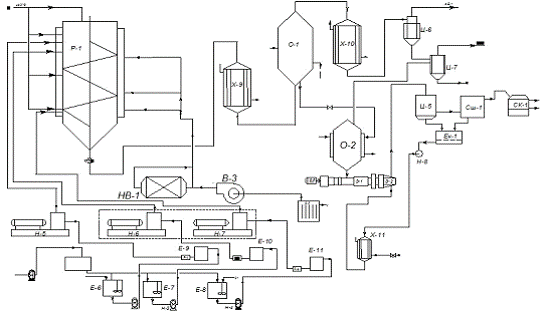
1. Технологическая схема производства

Этилен, сжатый до 1500 кг/см2, подается в холодильник типа «труба в трубе», где охлаждается до температуры 40 °С. Перед входом этилена в реактор (поз.Р-1) трубопровод разделяется на два потока. Из одного потока часть этилена подается в реактор (поз.Р-1) через нижнюю часть двигателя мешалки (первый ввод) для обдува и охлаждения его подшипника. Другая часть этилена от этого потока подается при однозонном процессе непосредственно в реактор.

Реактор полимеризации (поз.Р-1) - это вертикальный, цилиндрический, толстостенный аппарат, имеющий реакционный объем 0,250 м3. Реактор оснащен мешалкой с электродвигателем. Корпус реактора имеет рубашку с воздушным охлаждением. Рубашка разделена на три зоны для разогрева перед пуском и охлаждения стенки реактора во время реакции. Рабочее давление в реакторе до 1500 кг/см2. Снабжен реактор двумя предохранительными клапанами разового действия.

Место ввода второй части этилена в реактор определяется условиями проведения процесса полимеризации. Одну часть этилена подаем в верхнюю часть реакционного объема, а другую в среднюю часть. Заданная температура этилена на входе в реактор поддерживается вручную с помощью арматуры, установленной на линиях охлаждающей воды к водяным рубашкам этиленовых трубопроводов, и регистрируется приборами.

В реакторе (поз.Р-1) осуществляется процесс полимеризации этилена при давлении до 1500 кг/см2 и температуре 220-275 °С в присутствии инициаторов реакции - перекисных органических соединений.

В качестве перекисных органических соединений применяем:

) Пероксид дитретичного бутила под названием инициатор-А или тригонокс В.

) Третичный бутилпербензоат под названием инициатор-С или тригонокс С.

) Третбутилпероксид-3,5,6- триметилгексаноат под названием тригонокс 42S.

В качестве агента передачи цепи (модификатор) используется изопропиловый спирт.

Вводятся перекисные органические соединения в реактор в виде раствора в инициаторном масле. Приготовление раствора инициаторов ведется периодически.

Инициаторное масло из напорного бака (поз.Е-5) поступает самотеком в любую из смесительных емкостей для приготовления растворов инициаторов (поз.Е-6) для тригонокса С и тригонокса 42S, (поз.Е-8) тригонокса В. В эти же смесительные емкости соответственно подаются отмеренные количества тригонокса С, тригонокса 42S и тригонокса В. Также инициаторное масло подаётся в ёмкость (поз.Е-7), где приготавливается раствор ИПС. Эти смесительные емкости оборудованы перемешивающими устройствами, с помощью которых ведется перемешивание инициаторного масла с инициаторами.

Приготовленные растворы инициаторов из смесительных емкостей (поз.Е-6, поз.Е-7, поз.Е-8) перекачиваются насосами (поз.Н-2, поз.Н-3, поз.Н-4) в напорные баки для растворов инициаторов (поз.Е-9, поз.Е-10, поз.Е-11).

Тригонокс В, Тригонокс С, Тригонокс 42S представляют собой жидкости, которые устойчивы при нормальных условиях, и хорошо смешиваются при комнатной температуре с инициаторным маслом. Концентрация приготовляемых растворов инициаторов подбирается такой, чтобы иметь более равномерное распределение инициаторов в реакторе и более равномерное регулирование температуры в реакторе в зависимости от подачи газа в реактор. Тригонокс В применяется с концентрацией до 5% весовых, тригонокс С, Тригонокс 42S или их смесь до 12,5% весовых. Каждый инициатор активен в определенном диапазоне температур, что дает возможность использовать их для получения различных сортов полиэтилена.

Для дозирования растворов инициаторов в реактор (поз.Р-1) для каждого потока имеются инжекционных насоса (поз.Н-5, поз.Н-6, поз.Н-7), которые помещаются в шкафы с обогревом.

Растворы инициаторов самотеком подаются из напорных баков (поз.Е-9, поз.Е-10, поз.Е-11) к инжекционным насосам. На всасе инжекционных насосов растворы инициаторов проходят фильтры с бумажными фильтрующими элементами (поз.F-4, поз.F-5, поз.F-6), где очищаются от возможных механических примесей, и инжекционными насосами дозируются в реактор.

Для защиты инжекционных насосов (поз.Н-5, поз.Н-6, поз.Н-7) от высокого давления в реакторе (поз.Р-1), в момент разложения на линиях дозировки инициаторов устанавливаются обратные клапаны.

Тригонокс В подается в нижнюю часть реактора, а тригонокс С и тригонс 42S в верхнюю часть реактора (поз.Р-1).

Газ, подаваемый в реактор (поз.Р-1), в присутствии инициатора подвергается полимеризации. Реакция полимеризации протекает при непрерывной подаче этилена до 18100 кг/час и непрерывном отводе полиэтилена с непрореагировавшим этиленом. Реакция полимеризации этилена сопровождается выделением большого количества тепла (3600 кДж/кг).

Тепло реакции частично идет на нагрев поступающего в реактор этилена с температурой 35 - 40 °С, который за счет перемешивания быстро приобретает температуру реакционной смеси. Реакция полимеризации в реакторе (поз.Р-1) протекает во всем объеме и имеет цепной характер, этому способствует высокое давление и высокая температура.

При нарушении технологического режима в реакторе (поз.Р-1) может повышаться температура, что способствует резкой интенсификации процесса, следовательно, и выделению большого количества тепла, которое может и приводит к тепловому взрыву (разложению). При этом этилен разлагается на составляющее части (метан, водород, углерод).

На случай повышения давления в реакторе (поз.Р-1) при разложении, потере проходимости у регулирующего клапана, реактор имеет в средней части два предохранительных колпачка. Предохранительные колпачки на реакторе устанавливаются на разрывное давление 1850 кг/см2 при температуре 200 °С. От предохранительных колпачков идут вверх две направляющие трубы диаметром 600 мм.

Внутри каждой трубы подвешиваются полиэтиленовые мешочки с бикарбонатом натрия. В случае разрыва предохранительного колпачка под действием скорости газа и высокой температуры полиэтиленовые мешочки рвутся и бикарбонат натрия разлагается с выделением СО2, что препятствует возгоранию.

Температура процесса полимеризации в реакторе (поз.Р-1) замеряется в четырех точках по высоте реактора термопарами и регулируется по трём точкам подачей раствора инициатора путем изменения производительности инициаторных насосов (поз.Н-5, поз.Н-6, поз.Н-7) в зависимости от марки получаемого полиэтилена.

Перед пуском реактор (поз.Р-1) разогревается до температуры 180-200 °С. Разогрев осуществляется горячим воздухом, который из атмосферы забирается через фильтр (поз.F-7) воздуходувкой (поз.В-3) и подается через электроподогреватель (поз.НВ-1) в воздушные рубашки реактора (поз.Р-1).

В электроподогревателе (поз.НВ-1) воздух нагревается до 350 °С, что дает возможность разогреть стенки реактора (поз.Р-1) до 200 °С.

Температура воздуха, выходящего из электроподогревателя (поз.НВ-1) регулируется включением или выключением нагревательных элементов.

Температура наружной стенки корпуса реактора поддерживается регулятором, воздействующим на клапан, установленный на линии подачи воздуха в рубашку реактора.

Степень превращения этилена в полиэтилен составляет 17,7 % и определяется температурой уходящей реакционной смеси и температурой входящего этилена. Чем больше будет разность этих температур, тем большая степень превращения может быть достигнута в реакторе (поз.Р-1).

Выходящая из реактора реакционная смесь дросселируется регулирующим клапаном (поз.30-5) и охлаждается до 250°С в продуктовом холодильнике (поз.Х-9). Холодильник (поз.Х-9) представляет собой теплообменник типа «труба в трубе». Межтрубное пространство холодильника разделено на четыре отдельные секции, чтобы обеспечить различные поверхности охлаждения.

Поток смеси полиэтилена и этилена из продуктового холодильника (поз.Х-9) с температурой 250 °С поступает в отделитель высокого давления (поз.О-1), В отделителе высокого давления происходит разделение полиэтилена и непрореагировавшего этилена.

Отделитель высокого давления (поз.О-1) представляет собой вертикальный, цилиндрический аппарат емкостью 0,835 м3. Имеет рубашку для обогрева паром с давлением до 19 кг/см2. Для защиты при чрезмерном повышении давления отделитель высокого давления (поз.О-1) снабжен двумя разрывными мембранами.

Этилен из отделителя высокого давления (поз.О-1) направляется в систему очистки и охлаждения, которая состоит из трех секций холодильника (поз.Х-10) типа «труба в трубе»" и трех сепараторов (поз.Ц-6) центробежного типа.

В холодильнике (поз.Х-10) возвратный газ высокого давления охлаждается до температуры 50 °С. В сепараторах (поз.Ц-6) идет выделение низкомолекулярного полиэтилена из возвратного газа высокого давления. Выделенный низкомолекулярный полимер периодически сбрасывается из сепараторов (поз.Ц-6) в циклон (поз.Ц-7), откуда загружается в тару. Этилен из циклона (поз.Ц-6) возвращается в емкость (поз.Е-1) для повторного сжатия в компрессоре (поз.Пк-1).

Очищенный и охлажденный возвратный газ высокого давления после сепараторов (поз.С-6), направляется на всас компрессоров 2 каскада, где смешивается со свежим газом после компрессора 1 каскада (поз.Пк-2) в буфере всаса (поз.Е-4).

Охлаждающей средой в холодильниках (поз.Х-10) является промышленная вода. Температура возвратного газа высокого давления регулируется клапаном, установленным на линии охлаждающей воды.

Полиэтилен из отделителя высокого давления (поз.О-1) поступает в отделитель низкого давления (поз.О-2), где происходит окончательное выделение этилена, растворенного в полиэтилене. Расплав полиэтилена собирается в нижней части отделителя, а этилен, выделенный из полиэтилена, отводится по трубопроводу в отделение компрессии в ресивер (поз.Е-1) низкого давления.

Отделитель низкого давления (поз.О-2) представляет собой вертикальный, цилиндрический аппарат емкостью 5 м3, имеющим рубашку для обогрева паром с давлением до 20 кг/см2.

Расплав полиэтилена из нижней части отделителя низкого давления (поз.О-2) поступает в экструдер (поз.Э-1). Экструдером (поз.Э-1) расплав полиэтилена подается в гранулятор (поз.Э-2), где нарезается на гранулы и охлаждается.

Уровень продукта в отделителе низкого давления (поз.О-2) поддерживается путем изменения производительности экструдера (поз.Э-1). Экструдер имеет 4 зоны нагрева-охлаждения (в том числе 3 зоны нагрева маслом одну зону охлаждения конденсатом). Электродвигатель экструдера постоянного тока, взрывозащищенный, в исполнении, «продуваемый». От зоны изотермической втулки экструдера производится отсос выделяющегося этилена вентилятором.

Из гранулятора (поз.Э-2) гранулы полиэтилена подхватывается конденсатом и транспортируются в предварительный сепаратор (поз.Ц-5), где происходит отделение основного количества конденсата.

Далее гранулы полиэтилена поступают в центробежную сушилку (поз.Сш-1), которая представляет собой центрифугу, из верхней части которой предусмотрен отсос влаги с помощью вентилятора. Давление в центрифуге (поз.Сш-1) и предварительном сепараторе (поз.С-5) атмосферное.

Гранулы полиэтилена в центробежной сушилке (поз.Сш-1) с помощью лопаток поднимаются в верхнюю часть сушилки, откуда по трубопроводу они поступают на качающееся сито (поз.СК-1), где происходит разделение гранул полиэтилена на три фракции. Мелкие и крупнее гранулы собираются в мешки, а стандартные пневмотранспортом направляются на дальнейшую обработку или на склад готовой продукции.

Конденсат из сборника, сепаратора (поз.Ц-5) и центробежной сушилки (поз.Сш-1) по общему коллектору поступает в конденсатную емкость (поз.ЕК-1) с объемом 2,5 м3.

Из емкости (поз.Ек-1) конденсатным центробежным насосом (поз.Н-8) конденсат подается в кожухотрубчатый, вертикальный холодильник (поз.Х-11), где охлаждается и направляется на головку гранулятора (поз.Э-2). Температура конденсата 80 °С, поддерживается с помощью трехходового клапана, направляющего часть конденсата через холодильник (поз.Х-11), а часть по байпасу. вредный вещество опасность давление

Перед пуском экструдера конденсат в емкости (поз.Ек-1) подогревается с помощью пара до нужной температуры. До пуска экструдера конденсат циркулирует, минуя головку гранулятора (поз.Э-2), чтобы не забить фильеру, и только в момент пуска конденсат направляются через головку гранулятора. [2]


Рисунок 1.1 - Технологическая схема производства. Отделение полимеризации.

2. Характеристика сырья, реагентов, получаемых продуктов и отходов


2.1 Показатели технологического цикла

.1.1 Данные действующего производства

1) Производительность установки 46500 т/год или 6200 кг/ч при рабочей нагрузке 7500 ч/год;

) Содержание этилена в свежем газе - 99,9 % масс;

) Содержание инертных примесей в рабочей смеси газа 2,5 % вес;

) Конверсия этилена 17,7 %;

) Потери газа 3% от получаемого продукта;

) Образование низкомолекулярного полимера 2,55 кг/т;

) В отделителе высокого давления выделяется 95% непрореагировавшего газа;

) Содержание инертных примесей в циркулирующем газе 3,13%;

) Расход инициатора (Тригонокса В) - 0,13 кг/т;

) Расход инициатора (Тригонокса С и Тригонокса 42S) - 0,3 кг/т;

) Расход инициаторного масла - 6,4 кг/т.

Таблица 2.1- Характеристика исходного сырья, материалов, реагентов, инициаторов, полуфабрикатов, изготовляемой продукции

Наименование сырья, материалов, реагентов, катализаторов, полуфабрикатов, изготовляемой продукции

Номер государственного или отраслевого стандарта, технических условий, стандарта предприятия

Показатели качества, обязательные для проверки

Норма по ГОСТу, стандарту предприятия, ТУ

Область применения изготовляемой продукции

1

2

3

4

5

Этилен, очищенный из цехов газоразделения 2-3-5/III и 2 отделения 57а

Регламент производст- ва

1.этилен, % об., не менее 2.этан+метан,% об., не более 3.Н2S, мг/нм3 , не более 4.Ацетилен, % об., не более 5.Кислород, % об., не более 6.СО2, % об., не более

99,9  0,04  1  0,001   0,0005  0,002


Этилен, очищенный из этиленопровода п/о  Нижнекамскнефтехим

ГОСТ 25070-87 с изм. 1

1.Этилен, % об., не менее 2.Этан+метан,% об., не более 3. Массовая концентрация серы, мг/м3, не более. 4.Ацетилен, % об., не более 5.Кислород, % об., не более 6.СО2, % об., не более

99,9  0,1  1  0,001  0,0002  0,001


Дитретбутилпер-оксид  (инициатор А)  С8 Н17 О2

ТУ 6-05-2026-86 с изм. 1-4

1. Внешний вид при 20¸25оС 2. Плотность при 20оС, г /см3

 Прозрачная бесцветная или светло-желтого цвета жидкость.0,790±0,010




3. Массовая доля основного вещества, % не менее 4. Массовая доля активного кислорода, % не менее 5. Массовая доля гидропероксида третичного бутила, % не более 6. Показатель преломления 7. Цветность по платино-кобаль-товой шкале (по Хазену), не более

98,0  10,74  0,20 1,3885¸1,3910   40


Инициатор «С», третичный бутилпербензоат, С11 Н14 О3

ТУ 6-05-1997-85 с изм. 1-4

1. Внешний вид при 20÷250С 2. Плотность при 20оС, г/см3 3. Массовая доля основного вещества, %, не менее 4. Массовая доля активного кислорода, %, не менее 5. Массовая доля гидропероксида третичного бутила, % не более 6. Массовая доля пероксида третичного бутила, %, не более 7. Цветность по йодной шкале, I2/100 см3, не более  8. Массовая доля железа, не более  9. Массовая доля хлоридов, не более

Прозрачная слегка желтоватая жид-кость. Без мех. примесей. 1,042±0,005 98,5 8,12 0,1 0,10 3 0,0003  0,010


Дитрет-бутилпер- ксид (Тригонокс В). (Инициатор А) С18 Н17 О2

Импорт

1. Внешний вид 2. Плотность при 20оС, кг/см3 3. Массовая доля основного вещества, % не менее 4. Массовая доля активного кислорода, % не менее 5. Массовая доля гидропероксида третичного бутила, % не более

Прозрачная жидкость  800  99 10,94   0,1


Трет-бутил-перокси-бензоат (Тригонокс С),  (Инициатор «С»), С11 Н14 О3

Импорт

1. Внешний вид 2. Плотность при 20оС, г/см3 3. Массовая доля основного вещества, % не менее 4. Массовая доля активного кислорода, % не менее 5. Массовая доля гидропероксида третичного бутила, % не более

Прозрачная жидкость 1,040 98 8,24 0,1


 Трет-бутил-перокси 3,5,5-три-метил - гексаноат (Тригонокс 42S) С8 Н17 О2

Импорт

1. Внешний вид 2. Плотность при 20оС, кг/см3 3. Массовая доля основного вещества, % не менее 4. Массовая доля активного кислорода, % не менее

Прозрачная жидкость 900 97 6,94


Компрессорное белое масло «Вайторекс-334»

Требования проекта

1. Вязкость при 40°С, мм2/с 2. Температура вспышки в открытом тигле,°С, не ниже 3. Кислотное число 4. Содержание мехпримесеи 5. Содержание воды 6. Удельный вес, г/см 3

 71±2   260  Отсутствие  Отсутствие  Отсутствие  0,87


Антистатик СМS

По импорту

Температура плавления, °С

 56 ¸59

Антистатик способст-вующий повышению теку-чести

Ирганокс 1010

По импорту

Температура плавления, °С

 110 ¸125

Термостабилизатор

Полиэтилен высокого давления

ГОСТ 16337-77 С изм. 1-3

Согласно  ГОСТ 16337-77


Полиэтилен для технических целей

ТУ 38.30248-92

Согласно ТУ 38.30248-92

Согласно ТУ 38.30248-92


Полиэтилен высокого давления марок 12703-0003 и 12803-007

ТУ 2211-008-00203521-94 С изм. 1-3

Согласно ТУ 2211-008-00203521-94

Согласно ТУ 2211-008-00203521-94


Композиция полиэтилена высокого давления ККБ-5, стойкая к растрескиванию

ТУ 2243-048-00203521-98

Согласно ТУ 2243-048-00203521-98

Согласно ТУ 2243-048-00203521-98


Композиции полиэтилена высокого давления кабельные

ТУ 4314-146-00203521-93 с изм. 1-5

Согласно  ТУ 4314-146-00203521-93

Согласно  ТУ 4314-146-00203521-93

Кабельные композиции


2.1.2 Исходные данные проектируемого производства

1) Производительность установки 70000 т/год или 9333 кг/ч при рабочей нагрузке 7500 ч/год;

) Содержание этилена в свежем газе - 99,9% масс;

) Содержание инертных примесей в рабочей смеси газа 2,5 % вес;

) Конверсия этилена 17,7%;

) Потери газа 3 % от получаемого продукта;

) Образование низкомолекулярного полимера 2,55 кг/т;

) В отделителе высокого давления (поз.О-1) выделяется 95% непрореагировавшего газа;

) Содержание инертных примесей в циркулирующем газе 3,13%;

) Расход инициатора (Тригонокса В) - 0,13 кг/т;

) Расход инициатора (Тригонокса С и Тригонокса 42S) - 0,3 кг/т;

) Расход инициаторного масла - 6,4 кг/т;

2.2 Характеристики энергоносителей

Следующие энергоносители должны подаваться на установку производства полиэтилена высокого давления:

2.2.1 Охлаждающая вода

- источник                                                                   градирня;

давление             подачи                                            3,5-5 кг/см2;

обратное                                         2 кг/см2;

температура       подачи                                             25-30 °С;

обратная                                         50-55 °С.

2.2.2 Пар низкого давления

Пар низкого давления, получаемый внутри пределов поставки путем снижения давления и понижения температуры перегретого среднего пара и распределяемый на все потребители:

давление                                                                      4,5 кг/см2;

температура                                                                150 °С.

2.2.3 Горячая вода (отопление)

- давление           входное                                           6 кг/см2;

выходное                                        3 кг/см2;

температура       входная                                           140 °С;

выходная                                        75 °С.

3. Безопасность и экологичность

Производственные процессы могут представлять угрозу здоровью и жизни человека: высокие и низкие температуры и давления, излучения различной природы и происхождения, магнитные и электрические поля различных диапазонов волн, лазерное излучение, шум, вибрация и другие неблагоприятные факторы призводства. Все эти факторы действуют не только в производственной зоне, но и за ее пределами. Мощный взрыв и последующий пожар на химическом объекте не только приведут к материальным потерям, но могут и сопровождаться гибелью работников производства и населения, проживающего вблизи этого объекта.

Для обеспечения безопасности человека от нежелательных факторов, обусловленных производственной деятельностью предприятия, предназначена специальная система законодательных актов, социально-экономических, организационных, технических, гигиенических и лечебно-профилактических мероприятий, называемая охраной труда. Защитить человека от нежелательных призводственных факторов за пределами предприятия обязана наука-промышленная экология.

На производстве полиэтилена работающие должны строго соблюдать правила техники безопасности. Ее задача-предотвратить воздейсвие на рабочих опасных производственных факторов.

Производство полиэтилена является пожаро-и взрывоопасным, так как в процессе применяются пожаро-и взрывоопасное сырье, получаемые продукты. Кроме того имеются и другие опасные факторы. Это применение радиоактивных изотопов и наличие аппаратов с повышенными температурами.

Данный раздел предназначен для изучения опасных и вредных факторов производства, способов и средств, обеспечивающих безопасность.

3.1 Анализ опасных и вредных производственных факторов

.1.1 Опасности, связанные с высокими давлением и температурой

Основную опасность производства в отделении компрессии и полимеризации производства полиэтилена представляет:

─     использование в качестве сырья в технологическом процессе взрывопожароопасного газа - этилена и перекисных соединений;

─       образование и перемещение взрывопожароопасного продукта полимеризации - полиэтилена;

─       наличие аппаратов и трубопроводов, насосно-компрессорного оборудования работающих под избыточным давлением (до 1600кгс/см2), при разгерметизации которых возможно образование парогазовой смеси с последующим загоранием или взрывом;

─       возможность загораний, пожаров из-за нарушений технологического режима, недостаточной и неправильной подготовки оборудования к огневым работам;

─       проведение реакции полимеризации при температурах близких к термическому разложению этилена. Поэтому отклонения от нормального режима эксплуатации, вызванные технологическими неисправностями оборудования, могут привести к локальным перегреваниям реакционной массы, и как следствие, к спонтанному возрастанию температуры и давления в аппаратах;

─       образование при грануляции первой ступени и обработке полиэтилена в товарный продукт остаточного этилена, концентрация которого может достигать 0,2%, а также полиэтиленовой пыли, которая образуется в результате истирания гранул в системе пневмотранспорта, и оседает на стенках и застойных зонах аппаратов и трубопроводов.

В таблице 3.1.1 приведены данные по категории помещений. В таблице 3.1.2 приведена классификация технологических блоков по взрывоопасности.

Таблица 3.1.1 - Категории помещений, классы взрыво- и пожароопасных зон, категории и группы взрывоопасных смесей, виды применяемого электрооборудования и кратность воздухообмена

Наименование помещения

Используемые вещества

Категория помещения  по взрыво- пожаро- опасности

Класс взрыво- или пожаро- опасной зоны

Категория по молние- защите

Класс помещения поопасности поражения эл.током

Группа взрыво- опасной смеси

Вид электро- оборудования

Кратность воздухо- обмена

1

2

3

4

5

6

7

8

9

10

1.Корпус 500

-

А

В-Iа

2

С повышенной опасностью

Т1

2Ехе2АТ

10

2. Корпус 501

Этилен,  инициаторы

А

B-Ia

2

С повышенной опасностью

Т1

IP-54

15

3.Корпус 502

-

А

В-Ia

2

С повышенной опасностью

Т1

IP-54

10

4. Корпус 503

Полиэтилен, азот

В

B-Iб

3

Без повышенной опасности

Т2

2Ехе2Атr

8

4. Корпус 504

-

д

B-Iб

3

Без повышенной опасности

Т2

-

10


Таблица 3.1.2 - Классификация технологических блоков по взрывоопасности

Номер блока

Номера позиций аппаратуры, оборудования  по технологической схеме составляющие  технологический блок

Относительный энергетический потенциал технологического блока

Категория взрываемости

Границы возможных разрушений, травмирования персонала, м

Радиус  зоны разрушения, м

2

3

4

5

6

Блок № 1

 Компрессор 1 каскада (апп.С-2),фильтры (апп.  F-2), емкость свежего этилена (апп.V-2), сепара- торы (апп. S-3,4, холодильники(апп. Е-3, Е-4, Е-5).

45,4

I

498

83

Блок № 2

Компрессоры второго каскада (апп. С-3/1,3/2),  смесительная емкость (апп. V-5), фильтры  (апп. F-4/1, F-4/2, F-5/1, F-5/2).

28,7

II

233,8

11,2

Блок № 3

 Реактор полимеризации (апп. V-7)

30,5

II

233,8

11,2

Блок № 4

 Продуктовый холодильник (апп. Е-10), отдели-  тель высокого давления (апп. V-8), холодильни  ки возвратного газа высокого давления(апп. Е-7), отделитель низкого давления (апп. V-9), циклон низкомолекулярного полиэтилена (апп. V-6).

28,9

II

233,8

11,2

Блок № 5

 Емкость этилена (апп. V-1), бустерный компресс  сор (апп. С-1), фильтры (апп. F-1),  холодильник (а (пп.Е-1, Е-1/1, Е-2), сепараторы (апп. S-2, S-19).

24,5

III

233,8

11,2

Блок № 6

Отделение обработки и склад готовой продукции

 Полиэтилен - горючий материал, при транспортировке и хра  нении возможно выделение этилена. Возможность образова-  нния взрывоопасных смесей воздух - этилен в замкнутом  п пространстве.

Из анализа таблиц видно, что основную потенциальную опасность представляют отделения компрессии и полимеризации. В связи с этим предусмотрены следующие мероприятия по пожарной безопасности.

.1.2 Мероприятия по пожарной безопасности

Для устранения причин, вызывающих возникновение и распространение пожара, все помещения и конструкции выполнены в соответствии с противопожарными нормами СНиП 2.01.02 - 85.

На установке предусмотрены следующие средства пожаротушения:

1)    Дренажная установка для создания орошения возгораемых предметов и конструкций. Автоматическое включение происходит при плавлении легкоплавкого замка троса дренчерной установки. Ручное включение установки происходит открытием соответствующей запорной арматуры. В зимнее время коллектор дренчерной арматуры на наружной установке во избежание замораживание освобождается от воды. При необходимости включить, открывают арматуры общего трубопровода пожарной воды и заполняют коллектор водой и приводят секции в действие, как указано выше.

2)      На установке имеются огнетушители ОУ-2, ОПУ-5 для тушения локального загорания, пожарный водопровод, песок, абсестовые одеяла, лопаты, носилки, пожарные извещатели.

3)      Во избежание образования взрывоопасных концентраций этилена в воздухе на установке установлены газоанализаторы с устройством световой и звуковой сигнализации СВК-ЗМ, сигнализирующей о наличии в воздухе горючих газов, паров и их смесей.

.1.3 Опасности, связанные с применением вредных веществ

При производстве полиэтилена высокого давления применяются токсичные продукты, которые могут оказать вредное влияние на здоровье работающих, понизить их работоспособность и привести к острым или хроническим заболеваниям

Физико-химические свойства сырья, применяемых реагентов и получаемой продукции

Этилен - бесцветный горючий газ, взрывоопасный, нижний предел взрываемости 2,7% об., верхний 34% об., на организм действует наркотически.

Перекисные органические соединения - прозрачные маслянистые жидкости, горючи, способны к саморазложению, загоранию и взрыву.

При попадании на кожу вызывают дерматит, при попадании в глаза поражение роговицы.

Полиэтилен - твердое вещество белого цвета, не ядовит, зажженный горит коптящим пламенем, выделяя летучие токсические вещества, продукты термоокислительной деструкции: органические кислоты, карбонильные соединения окиси углерода.

Диафен НН - порошок серого цвета, горюч, ядовит, действует на центральную нервную систему, может вызвать развитие злокачественных опухолей и заболевания кожи аллергического характера.

Тригонокс В - инициатор. Маслянистая жидкость с желтоватым оттенком. При попадании на кожу вызывает раздражение и может вызвать дерматит. При попадании в глаза вызывает серьезное поражение глаз.

Тригонокс С - инициатор. Маслянистая с желтоватым оттенком жидкость. При попадании на кожу вызывает раздражение и может вызвать дерматит. При попадании в глаза вызывает поражение глаз.

Тригонокс 42S - инициатор. Маслянистая, бесцветная жидкость. При попадании на кожу вызывает раздражение и может вызвать дерматит. При попадании в глаза вызывает серьезное поражение глаз.

Алюмохлорид - отработанный водный раствор хлористого алюминия. По своему действию аналогичен 10% раствору соляной кислоты, раздражает верхние дыхательные пути, слизистые оболочки носа, при попадании на кожу может вызвать ожог.

Азот - инертный газ, применяется для продувки, опрессовки аппаратов и трубопроводов производства полиэтилена. В азоте содержится до 0,1 % об. кислорода. Скопление в помещении, аппаратах, нишах и т.д. снижает содержание кислорода, появляется кислородное голодание, что приводит к удушью или смерти.

В таблице 7.1.3 приведены предельно допустимые концентрации применяемых и получаемых продуктов.

3.1.4 Опасности, связанные с нарушениями технологических параметров и техники безопасности

При производстве полиэтилена высокого давления необходимо точное соблюдение технологического режима, так как возможны опасные отклонения технологического режима, способные привести к неплановым остановкам, разгерметизации оборудования, загазованности помещений. Из-за несоблюдения правил пуска, остановки, технического обслуживания во время работы возможен выход из строя компрессоров,

На оборудование и трубопроводы воздействуют высокое давление и вибрационные нагрузки, что может привести к таким явлениям, как усталостное разрушение металла, разуплотнение разъемных соединений и разрушение опорных конструкций оборудования и трубопроводов.

При неисправности электрооборудования, нарушения электроизоляции, неисправности систем заземления и молниезащиты возможно поражение электрическим током.

При нарушении термоизоляционных покрытий нагретых поверхностей или разгерметизации оборудования возможно получение термических ожогов.

Таблица 3.1.3 - Краткая характеристика веществ в производственной среде

Наименование  продукта

ПДК, мг/м3

Класс опасности

Относительная плотность. г/см3

Температура, °С





Вспышки

Самовоспламенения

НПВ

ВПВ

1

2

3

4

5

6

7

8

1. Этилен

100

4


-

540

2,8

32

2. Пероксидди-третичного бутила (Тригонокс В)

100

4

0,790

70  в открытом тигле

201

1

-

3. Третбутил пербензоат (Триго- нокс С)

100

4

1,04

100  в закрытом тигле

>300

-

-

4. Третбутилперок- сид 3,5,5 триметил- гексаноат (Тригонокс 42S)

Среднесмертельная доза 5000

4

0,897

100  В закрытом тигле

>300

-

-

5. Масло НР (12 - 15)

300 капли 5 масленый туман

4

0,861

155  В закрытом тигле

370

-

-

6. Масло Ваайторейс-334 (Ризелла 668)

300 капли 5 масленый туман

4

0,9

190

290

-

-

7. Масло для  электрооборудования АТМ-300

300

4

0,96

-

285

-

-

8. Полиэтилен

-

-

350

400

-

-


При пользовании неисправным инструментом, приспособлениями, из-за неприменения средств защиты при проведении работ на высоте, из-за нарушения правил переноса тяжестей, проведения такелажных работ, и при пользовании грузоподъемными механизмами возможно травмирование работников. Также возможно получение острых отравлений, из-за неприменения средств газозащиты при проведении газоопасных работ.

3.1.5 Шум и вибрация

Источниками шума и вибрации на данном производстве являются машины и механизмы с неуравновешенными вращающимися массами, в отдельных кинематических парах возникают трения и соударения, а также аппараты, в которых движение газов и жидкостей происходит с большими скоростями, и сопровождаются пульсацией.

К таким источникам шума и вибрации на данной установке относятся вентиляционные установки, электродвигатели, насосы, компрессоры и другое технологическое оборудование. Повышение шума и вибрации на рабочих местах неблагоприятно сказывается на организме человека.

3.2 Разработка мероприятий по обеспечению безопасных и здоровых условий труда в данной производственной среде

.2.1 Мероприятия по технике безопасности

В производстве полиэтилена 500-504 в автоклавных реакторах предусмотрены следующие основные меры безопасности и противоаварийной защиты:

─     технологические системы, оснащены средствами контроля за параметрами, значения которых определяют взрывоопасность процесса с регистрацией показаний и предупредительной сигнализацией их значений, а также средствами автоматического регулирования и блокировок. Для защиты аппаратов работающих под давлением предусмотрены предохранительные устройства;

─       технологический процесс проводится до критических значений параметров;;

─       в помещениях с взрывоопасными технологическими процессами предусмотрено воздушное отопление, совмещенное с приточной вентиляцией;

─       в канализацию предусмотрен сброс промводы, конденсата, атмосферных осадков, сброс в канализацию органических продуктов не предусмотрены;

─       проведение ремонта технологического оборудования осуществляется в соответствии с требованиями отраслевых инструкций о порядке безопасного проведения ремонтных работ. Газоопасные работы, связанные с подготовкой оборудования к ремонту и проведением ремонта, проводятся в соответствии с требованием типовой инструкции по организации безопасного проведения газоопасных работ утвержденной Госгортехнадзором;

в местах выделения вредных паров и газов (смеситель Бенбери, изометрическая втулка экструдера «Бершторф» и др.) установлены местные отсосы;

в целях защиты от воздействия инфракрасного излучения технологическое оборудование и трубопроводы, температура которых превышает 45 С покрыты теплоизоляционными материалами.

в целях защиты от механического воздействия движущихся частей машины и механизмов в цехе оборудование обеспечивается ограждением движущихся (вращающихся) частей.

Безопасность в цехе при проведении технологического процесса и ремонтных работах обеспечивается содержанием средств коллективной защиты в исправном состоянии.

3.2.2 Производственная санитария и гигиена труда

Похожие работы на - Производство полиэтилена высокого давления

 

Не нашли материал для своей работы?
Поможем написать уникальную работу
Без плагиата!
Без нейросетей!