Проектирования поршневого компрессора
Техническое задание
Задание на проектирование углового поршневого компрессора
Сжимаемый газ - воздух;
Конечное
давление воздуха 
;
Производительность
компрессора 
;
Начальная
температура воздуха - 
;
Относительная
влажность воздуха 
;
Начальное
давление воздуха - 
;
Температура
охлаждающей воды - 
;
Температура
недоохлаждения 
;
Коэффициент

для
определения 
- 
Коэффициент
герметичности - 
Относительное
мертвое пространство I ступени - 
Относительное
мертвое пространство II ступени - 
Относительные
потери на всасывании I ступени 
Относительные
потери на всасывании II ступени 
Относительные
потери на нагнетании I ступени 
Относительные
потери на нагнетании II ступени 
Введение
Согласно техническому заданию курсовая работа направлена на получение
навыков проектирования компрессоров объемного действия - поршневого компрессора
с данными техническими параметрами. Курсовая работа, а именно проектирование
включает в себя определение всех необходимых термодинамических параметров,
расчет размеров и выбор конструкции деталей проектируемого узла, действующих
сил и сил инерции от вращательных и поступательно движущихся масс и их
уравновешивание.
Проектирование компрессора производится по методу унификации. Данный
метод стандартизации представляет собой эффективный метод создания на базе
исходной модели ряда производных компрессоров с различными производительностью
и давлением, обеспечивая сокращение сроков проектирования и освоения новых
компрессоров за счет применение готовых узлов и применение наиболее
прогрессивных технологических процессов. В нашем случае данная унификация
(конвектирование) выполняется относительно поршневого компрессора марки
2ВУ-10/12 (двухступенчатый поршневой двухрядный угловой бескрейцкопфный
компрессор с производительностью 10 м3/мин и отношением давления
равным 12).
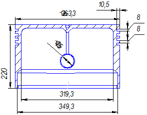
1. Выбор схемы компрессора
Согласно техническому заданию, проектируемый компрессор является
энергетической машиной с малой объемной производительностью, поэтому данный вид
должен обладать простотой конструкции и лучшими массогабаритными
характеристиками, а так же быть достаточно уравновешенным с помощью
противовесов. В связи с чем дальнейший расчет будет производиться относительно
угловой бескрейцкопфной схемы компрессора (см. рис. 1.1), т. к. данный тип не
содержит дополнительных элементов (шток, крейцкопф), довольно хорошо
уравновешивается с помощью противовесов и обеспечивает компактность всей
конструкции (позволяет располагать холодильную камеру в развале цилиндров,
обеспечивая экономию места и простоту сборки), обладает малыми
газодинамическими сопротивлениями межступенчатой коммуникации.
Рисунок 1.1. Схема поршневого компрессора
2. Термодинамический расчёт двухступенчатого компрессора
.1 Определение необходимого числа ступеней сжатия в
компрессоре
Общее отношение давлений в компрессоре
На
основании статистических данных по уже выполненным компрессорам (см. [1], стр.
92, рис. 3.5) определяем, что оптимальное число ступеней равно двум. К такому
же результату можно прийти, задаваясь отношением давлений в одной ступени,
которое обычно лежит в пределах от 3 до 5. Назначая
, найдём число ступеней
Ближайшее
целое значение ступеней
.
.2 Распределение давления по ступеням сжатия
Вычислив отношение давлений в ступенях по формуле для теоретического
процесса, мы не внесём большой погрешности на индикаторную работу компрессора.
Это касается компрессоров простого исполнения. Таким образом, отношение
давлений в ступенях
2.3 Определение секундных объемов, описываемых поршнями первой и второй
ступени
где

-
заданная массовая
производительность
компрессора; 
-
плотность воздуха перед второй ступенью; 
-
коэффициент производительности второй ступени (
).
Массовая
производительность первой ступени в нашем случае должна быть больше таковой
второй ступени только на величину конденсации водяных паров в межступенчатой
коммуникации. Тогда объём, описываемый поршнем первой ступени, может быть
найден по формуле
где

-
плотность воздуха перед первой ступенью; 
-
коэффициент производительности первой ступени (
)).
Определим
составляющие коэффициента производительности для i-й ступени
где

-
объёмный коэффициент; 
-
относительная величина мёртвого пространства; 
-
показатель политропы расширения.
Показатель
политропы расширения находится из формулы

здесь

-
показатель политропы сжатия, который для машин с водяным охлаждением цилиндров
находится по приближённой формуле

где k - показатель адиабаты.
Величина

находится
из уравнения

где

-
коэффициент, значения которого изменяются от 0,92 до 1. Для нашего случая
выбираем 
, тогда
Принимая

, получим
Найдем
действительное распределение давления по ступеням, оно находиться по формуле:
где

и 
относительные
потери на всасывании и нагнетании,
отсюда
следует, что действительное распределение давления равно,
Далее
находим величину 
Коэффициент
давления 
учитывает
влияние газодинамических сопротивлений линии всасывания на производительность
ступени. Для компрессоров с самодействующими клапанами он находится по формуле

где

-
относительные потери при всасывании.
Для
определения коэффициента подогрева 
,
используем известную формулу

принимаем

,
принимаем 
.
Определим коэффициент для первой и второй ступеней:
Относительная доля потери производительности, вызываемая конденсацией
водяных паров в холодильнике после I-й ступени, определяется по формуле
где

-
относительная влажность воздуха при условиях всасывания;

-
давление насыщенных паров при температуре всасывания в первую ступень 
;, Па; 
=0,1 -
давление воздуха, всасываемого в первую ступень, МПа; 
и 
-
универсальные газовые постоянные сжимаемого воздуха и водяного пара
соответственно, кДж/кг∙К. Таким образом, получаем
Теперь, имея все составляющие коэффициента производительности, определяем
значения самих коэффициентов:
Плотность
воздуха 
, кг/м3,
перед всасывающим патрубком I-й ступени определяем по формуле
Плотность перед всасывающим патрубком II-й ступени определяется по формуле
Здесь

-
давление на всасывании во II-ю ступень:


-
температура на всасывании во II-ю ступень:

где

-
температура охлаждающей воды; 
-
температура недоохлаждения газа после холодильника I-й ступени.
Таким образом, получаем
Расчётная массовая производительность компрессора определяется по формуле

Теперь, имея всё необходимые составляющие для определения объёмов,
описываемых поршнями, найдём эти объёмы, м3/с:
.4 Определение активной площади поршней
Активная
площадь поршня ступени 
с
номером i находится из уравнения
где

-
секундный объём, описываемый поршнем этой ступени, м3/с;

-
средняя скорость поршня, м/с. Получим:
2.5 Определение предварительных значений диаметров цилиндров
В ступенях одностороннего действия без штока, диаметры цилиндра находятся
по формуле
2.6 Определение частоты вращения коленчатого вала компрессора
Частота вращения коленчатого вала n, об/мин, определяется по формуле:
где
S - ход поршня [обычно выбирается в пределах (0,3÷0,7)·
].
Таким
образом, ход поршня находится в интервале

м.
Выбираем величину хода из стандартного размерного ряда S = 0,16 м.
Тогда
Выбираем
для рассчитываемого компрессора электродвигатель, с учетом скольжения s, с
частотой вращения 
=735
об/мин. При приводе от электродвигателя необходимо путем варьирования S и 
получить
частоты, соответствующие стандартным частотам вращения роторов
электродвигателя.
Скорректируем
диаметры цилиндров с учетом полученной средней скорости поршня:
Полученные
диаметры цилиндров необходимо округлить до номинальных диаметров поршневых
колец [1,355 с.]. Тогда 
, 
.
.7 Определение индикаторной мощности компрессора
Индикаторная
мощность компрессора 
определяется
по формуле:
где
z - число ступеней; 
-
индикаторная мощность i-ой ступени, которая определяется из уравнения
где
Рнi - давление на всасывании в ступень; 
-
секундная теоретическая производительность ступени; аi - относительная величина
мёртвого пространства ступени; 
-
отношение давлений в цилиндре.
Определим
все величины, входящие в выражение для индикаторной мощности ступеней.
Значения величин АСi и APi определяем по формулам:
Подставим всё известные величины в формулы для определения индикаторной
мощности ступеней:
Индикаторная мощность компрессора определяется по формуле:

2.8 Определение мощности, потребляемой компрессором
Мощность, потребляемая компрессором, определяется из уравнения:
где

-
механический коэффициент полезного действия компрессора, которым задаются,
используя статистические данные близких по параметрам машин. Принимая 
:
.9 Определение полезного действия компрессора
Совершенство многоступенчатых компрессоров оценивается изотермным
коэффициентом полезного действия:
где NИЗ - изотермная мощность компрессора,
вычисляемая по формуле:
тогда
2.10 Выбор двигателя
В
тех случаях, когда компрессор не комплектуется специальным фланцевым
электродвигателем и его привод осуществляется через муфту или иным образом, то,
зная номинальную мощность компрессора 
и
скорость вращения вала (n), двигатель необходимо подобрать по каталогам.
Учитывая возможность перегрузки компрессора в работе мощность двигателя
выбирают несколько большей. Для компрессоров малой производительности запас
мощности обычно выбирается в пределах 15-25%
Согласно указанному, приводом проектируемого компрессора выбираем
асинхронный электродвигатель серии АМУ .
Таблица 1.1 Асинхронный двигатель с короткозамкнутым ротором,
предназначенный для общепромышленного применения, климатические исполнения У2,
Т2 по ГОСТ 15150
|
Тип двигателя
|
|
При номинальной нarpузке
|
|
|
|
|
|
|
|
|
Синхронная частота вращения 1000 об/мин
|
|
1
|
2
|
3
|
4
|
5
|
|
|
4АМУ280S4
|
75
|
750
|
93,5
|
0.9
|
|
3. Динамический расчет компрессора
.1 Определение и уравновешивание сил инерции
При
работе компрессора наблюдается возникновение сил инерции. При этом различают
силы, возникающие под действием возвратно-поступательно движущихся масс
(частей), приведенных к поршневому пальцу (
) и под
действием вращающихся масс, приведенных к шейке коленчатого вала (
).
Сила
инерции возвратно-поступательно движущихся частей определяется по формуле:
где

-
приведённая длина, равная отношению радиуса кривошипа к длине шатуна; ω - угловая скорость, 1/с; r - расстояние до места
приложения силы (радиус кривошипа), м; φ - угол наклона кривошипа (в расчетах: φ=0° соответствует верхней мертвой
точке, в пределах одного рассматриваемого ряда), градус.
Сила
инерции вращающихся частей, направленная всегда вдоль по кривошипу:
Примем
значение 
равное
(0,2-0,3), в соответствии с конструкцией.
определяем
радиус кривошипа, зная ход поршня S=160 мм:

,
таким
образом: 
Значение
длины шатуна:

Выбираем
l=300 мм.
Тогда

Определяем
угловую скорость:
Следующим
этапом определения сил инерции является нахождение инерционных масс.
Рассмотрим
механизм движения компрессора - коленчатый вал, шатун, поршень. Из них поршень,
совершает только возвратно-поступательное движение, коленчатый вал -
вращательное, шатун - сложное движение, которое рассматривается как результат
сложения двух движений: возвратно-поступательного вместе с поршнем и
вращательного вместе с коленчатым валом. В связи с этим массу шатуна 
разбиваем
на две части:
Масса возвратно-поступательно движущихся частей:
где

- масса
поршня, кг.
Масса
вращающихся частей:

,
где

- масса
вращающихся частей коленчатого вала, кг.
Для
более удобного и лучшего уравновешивания необходимо сначала обеспечить
равенство масс возвратно-поступательно движущихся частей двух рядов в пределах
шейки вала. Оно осуществляется изготовлением подобных деталей и узлов из
материалов различной плотности, а так же конструктивным методом.
При
расчете масс от вращающихся частей необходимо учесть массу шатунов (
) от двух
рядов в пределах рассматриваемой шейки вала.
Определение
составляющих инерционных масс осуществляют путем вычисления объема
соответствующих частей по заранее выполненным чертежам и умножения его на плотность
применяемого материала.
Подсчет
масс деталей проводился с помощью САПР «Компас-3D» V13.
Рис
3.1. Поршень первой ступени.
Поршень
ρ (Al сплав) = 2,6 ∙ 103 кг/м3,
m = 11,7 кг;
Поршневой
палец ρ (сталь 40Х) = 7,85 ∙ 103 кг/м3,
m = 1,498 кг
Поршневые
кольца ρ (СЧ30) = 7,3∙ 103 кг/м3, m =
2,656 кг;
Рис
3.2. Поршень второй ступени.
Поршень
ρ (СЧ25) = 7,2∙ 103 кг/м3, m =
13,45 кг;
Поршневой
палец ρ (сталь 40Х) = 7,85 ∙ 103 кг/м3,
m = 0,594 кг
Поршневые
кольца ρ (СЧ35) = 7,3∙ 103 кг/м3, m =
1,873 кг;
Рис
3.3. Шатун.
Шатун
m = 7 кг.
Рис 3.4. Коленчатый вал.
Рис 3.5. Колено вала
ρ (сталь 40Х) = 7,85 ∙ 103
кг/м3 , m=9,08 кг
Таким образом, инерционные массы движущихся частей:
Сила инерции возвратно-поступательно движущихся масс первого и второго
порядка определяется по формуле:
При одинаковых массах первой и второй ступеней выражения упрощаются:
Сила инерции вращательно движущихся масс определяется по формуле:
Таким образом, по формулам получаем:
Уравновешивание компрессора
Надо отметить, что V -
образные компрессора с углом развала 90° являются практически уравновешенными. При равенстве масс в
рядах, суммарная сила инерции возвратно-поступательно движущихся масс первого
порядка и суммарная сила инерции вращательно движущихся масс легко уравновешивается
с помощью противовесов.
Масса противовеса находится по формуле:
3.2 Расчет маховика
Процесс работы компрессора сопровождается действием газовых сил (со
стороны крышки (Рг) и со стороны вала (Рв) - картерная
сила, характеризуется действием атмосферного давления (Ратм)), сил
трения (Ртр) и суммарной силой инерции (IS), характеризующие значение суммарной
силы - поршневая сила (Рпр), составляющие которой оказывают влияние
на целостность всех деталей узла.
Значения составляющих суммарной силы непостоянны и зависят от вращения
вала. Составляющие Р: сила действующая вдоль шатуна (Рш) и сила
действующая нормально к оси ряда (N), которая раскладывается на тангенциальную силу (Рt), действующую перпендикулярно оси кривошипа,
и на силу направленную по кривошипу (Рr) (см. рис. 3.6).
Дальнейшие вычисления будут производиться отдельно для каждого ряда
(первый ряд - первая ступень, второй ряд - вторая ступень) в пределах одной
шейки вала (для второй шейки вала значения сил будут идентичны рассчитанным в
первой).
Рис 3.6. Схема действия сил
.2.1 Построение индикаторных диаграмм
При построении индикаторных диаграмм используются следующие данные:


Схематизированные индикаторные диаграммы строятся в координатах усилие -
ход поршня. Сначала на диаграммы наносятся средние усилия всасывания Pг вс нагнетания Рг наг.
Для первой ступени:
Для второй ступени:
Первая ступень:
Линия сжатия строят в соответствии с уравнением политропы сжатия:
где

, 
-
координаты точки, соответствующей началу сжатия; 
, 
-
текущие координаты.
Линия
расширения:
где

, 
-
координаты точки, соответствующей началу сжатия; 
, 
- текущие
координаты.
Вторая
ступень:
Линия
сжатия:
где

, 
-
координаты точки, соответствующей началу сжатия; 
, 
-
текущие координаты.
Линия
расширения:
где

, 
-
координаты точки, соответствующей началу сжатия; 
, 
-
текущие координаты.
Для
построения диаграмм необходимо также найти поправку Брикса:
Результаты
расчета политроп сжатия и расширения сведены в таблицу 3.1 и 3.2.
Таблица
3.1
|
1 ст сжат
|
1,33
|
расш
|
1,3034
|
|
Ргвс
|
S
|
Ргнаг
|
S
|
|
10,2125
|
0,168
|
39,47344
|
0,008
|
|
12
|
0,148813
|
39
|
0,008074
|
|
15
|
0,125828
|
36
|
0,008586
|
|
18
|
0,109709
|
33
|
0,009179
|
|
21
|
0,097702
|
30
|
0,009875
|
|
24
|
0,088369
|
27
|
0,010706
|
|
27
|
0,08088
|
24
|
0,011719
|
|
30
|
0,07472
|
21
|
0,012983
|
|
33
|
0,069553
|
18
|
0,014613
|
|
36
|
0,065148
|
15
|
0,016807
|
|
39
|
0,061343
|
12
|
0,019945
|
|
39,47344
|
10,2125
|
0,022573
|
Таблица 3.2
|
2 ст
|
1,345
|
|
1,3181
|
|
Ргвс
|
S
|
Ргнаг
|
S
|
|
9,976613
|
0,1696
|
37,872
|
0,0096
|
|
12
|
0,147842
|
36
|
0,009976
|
|
15
|
0,125241
|
33
|
0,010657
|
|
18
|
0,109364
|
30
|
0,011456
|
|
21
|
0,097522
|
27
|
0,01241
|
|
24
|
0,088305
|
24
|
0,01357
|
|
27
|
0,080901
|
21
|
0,015016
|
|
30
|
0,074805
|
18
|
0,016879
|
|
33
|
0,069688
|
15
|
0,019383
|
|
36
|
0,065322
|
12
|
0,022959
|
|
37,872
|
0,062906
|
9,976613
|
0,026412
|
Для проверки правильности построения индикаторных диаграмм определим
графическим путем индикаторную мощность ступеней и сравним ее с индикаторной
мощностью, полученной в результате термодинамического расчета.
Подсчет площади индикаторной диаграммы проводился с помощью САПР «Компас-3D» V13.
где

-
среднеиндикаторная поршневая сила в ступени, кН, которая находится с помощью
планиметрирования индикаторных диаграмм полостей соответствующей ступени; S-ход
поршня, мм; 
- частота
вращения вала компрессора, об/c.
где

-
масштабный коэффициент поршневой силы, кН/мм; f-площадь индикаторной диаграммы
одной полости цилиндра, 
.
Индикаторная
мощность компрессора:
При
выполнении термодинамического расчета были получены:
где

-
погрешность измерения
Результаты
хорошо согласуются, следовательно, построение индикаторных диаграмм выполнено
правильно.
Рис
3.7. Индикаторная диаграмма 1 ступени.
Рис 3.7. Индикаторная диаграмма 2 ступени.
3.2.2 Построение силовых диаграмм
Выполним
построение диаграмм поршневых сил. По оси ординат будем откладывать усилия
вдоль оси ряда Р, а по оси абсцисс - угол поворота коленчатого вала φ. На диаграмму наносим ранее определенные усилия Рг,
инерции возвратно- поступательно движущихся масс Iпс, силы трения в цилиндрово-поршневой группе 
.
На
основании выше сказанного запишем:
Значение
силы инерции возвратно- поступательно движущихся масс для одного ряда (т. к.
значения сил определяются для каждого ряда отдельно, однако данные силы
одинаковы для всех рядов) определяется по формуле:
Силы трения в рядах полагают постоянными по модулю и меняющими знак в
мертвых точках. Для их расчета воспользуемся следующей формулой:
где Ni - индикаторная мощность
соответствующего ряда.
Принимая ηмех=0,92, определим значения сил трения,
Н:
Тогда, с учетом направления действующих сил (газовые силы со стороны
крышки - отрицательные) суммарная поршневая сила равна:
Следующим этапом является определение составляющих суммарной поршневой
силы по соответствующим формулам.
Усилие по шатуну определяется по формуле:
где β - угол между осями цилиндра и шатуна определяется по
формуле:
Тогда:
Нормальная сила, действующая на стенки цилиндра:
Тангенциальные усилия на кривошип:
Радиальные усилия на кривошип:
Усилие на коленчатый вал:
где Iвр - центробежная сила от вращающейся
части шатуна.
.
Результаты расчетов для первой и второй ступеней относительно угла
поворота кривошипа сведены в таблицы 3.1 и 3.2
Таблица 3.3 Расчет суммарной поршневой силы 1 ступени(кН)
|
угол
|
Р(вал)
|
Pкр
|
Iпс
|
Bтр.пс.
|
РΣ
|
|
0,000
|
10,750
|
-39,473
|
10,809
|
0,382
|
-17,532
|
|
15,000
|
10,750
|
-24,586
|
10,213
|
0,382
|
-3,241
|
|
30,000
|
10,750
|
-10,875
|
8,527
|
0,382
|
8,784
|
|
45,000
|
10,750
|
-10,213
|
6,032
|
0,382
|
6,952
|
|
60,000
|
10,750
|
-10,213
|
3,127
|
0,382
|
4,046
|
|
75,000
|
10,750
|
-10,213
|
0,235
|
0,382
|
1,155
|
|
90,000
|
10,750
|
-10,213
|
-2,278
|
0,382
|
-1,358
|
|
105,000
|
10,750
|
-10,213
|
-4,181
|
0,382
|
-3,261
|
|
120,000
|
10,750
|
-10,213
|
-5,404
|
0,382
|
-4,485
|
|
135,000
|
10,750
|
-10,213
|
-6,032
|
0,382
|
-5,113
|
|
150,000
|
10,750
|
-10,213
|
-6,249
|
0,382
|
-5,330
|
|
165,000
|
10,750
|
-10,213
|
-6,268
|
0,382
|
-5,348
|
|
180,000
|
10,750
|
-10,213
|
-6,253
|
0,382
|
-5,334
|
|
180,000
|
10,750
|
-10,213
|
-6,253
|
-0,382
|
-6,098
|
|
195,000
|
10,750
|
-10,374
|
-6,268
|
-0,382
|
-6,274
|
|
210,000
|
10,750
|
-10,899
|
-6,249
|
-0,382
|
-6,780
|
|
225,000
|
10,750
|
-11,907
|
-6,032
|
-0,382
|
-7,572
|
|
240,000
|
10,750
|
-13,553
|
-5,404
|
-0,382
|
-8,590
|
|
255,000
|
10,750
|
-16,476
|
-4,181
|
-0,382
|
-10,288
|
|
270,000
|
10,750
|
-20,725
|
-2,278
|
-0,382
|
-12,635
|
|
285,000
|
10,750
|
-28,613
|
0,235
|
-0,382
|
-18,010
|
|
300,000
|
10,750
|
-39,473
|
3,127
|
-0,382
|
-25,978
|
|
315,000
|
10,750
|
-39,473
|
6,032
|
-0,382
|
-23,073
|
|
330,000
|
10,750
|
-39,473
|
8,527
|
-0,382
|
-20,578
|
|
345,000
|
10,750
|
-39,473
|
10,213
|
-0,382
|
-18,892
|
|
360,000
|
10,750
|
-39,473
|
10,809
|
-0,382
|
-18,296
|
Рис 3.8. Силовая диаграмма 1 ступени.
Таблица 3.4 Расчет суммарной поршневой силы 2 ступени(кН)
|
угол
|
Р(вал)
|
Pкр
|
I s
|
Bтр.пс.
|
РΣ
|
|
0,000
|
3,000
|
-37,872
|
10,809
|
0,386
|
-23,677
|
|
15,000
|
3,000
|
-25,200
|
10,213
|
0,386
|
-11,601
|
|
30,000
|
3,000
|
-11,881
|
8,527
|
0,386
|
0,032
|
|
45,000
|
3,000
|
-9,977
|
6,032
|
0,386
|
-0,558
|
|
60,000
|
3,000
|
-9,977
|
3,127
|
0,386
|
-3,464
|
|
75,000
|
3,000
|
-9,977
|
0,235
|
0,386
|
-6,355
|
|
90,000
|
3,000
|
-9,977
|
-2,278
|
0,386
|
-8,868
|
|
105,000
|
3,000
|
-9,977
|
-4,181
|
0,386
|
-10,771
|
|
120,000
|
3,000
|
-9,977
|
-5,404
|
0,386
|
-11,995
|
|
135,000
|
-9,977
|
-6,032
|
0,386
|
-12,623
|
|
150,000
|
3,000
|
-9,977
|
-6,249
|
0,386
|
-12,840
|
|
165,000
|
3,000
|
-9,977
|
-6,268
|
0,386
|
-12,858
|
|
180,000
|
3,000
|
-9,977
|
-6,253
|
0,386
|
-12,844
|
|
180,000
|
3,000
|
-9,977
|
-6,253
|
-0,386
|
-13,616
|
|
195,000
|
3,000
|
-10,132
|
-6,268
|
-0,386
|
-13,786
|
|
210,000
|
3,000
|
-10,641
|
-6,249
|
-0,386
|
-14,276
|
|
225,000
|
3,000
|
-11,624
|
-6,032
|
-0,386
|
-15,042
|
|
240,000
|
3,000
|
-13,243
|
-5,404
|
-0,386
|
-16,034
|
|
255,000
|
3,000
|
-15,877
|
-4,181
|
-0,386
|
-17,443
|
|
270,000
|
3,000
|
-20,225
|
-2,278
|
-0,386
|
-19,889
|
|
285,000
|
3,000
|
-27,904
|
0,235
|
-0,386
|
-25,054
|
|
300,000
|
3,000
|
-37,872
|
3,127
|
-0,386
|
-32,131
|
|
315,000
|
3,000
|
-37,872
|
6,032
|
-0,386
|
-29,226
|
|
330,000
|
3,000
|
-37,872
|
8,527
|
-0,386
|
-26,731
|
|
345,000
|
3,000
|
-37,872
|
10,213
|
-0,386
|
-25,045
|
|
360,000
|
3,000
|
-37,872
|
10,809
|
-0,386
|
-24,449
|
Рис 3.9. Силовая диаграмма 2 ступени.
Таблица 3.5 Расчет сил Pш и N(кН)
|
φ
|
φ рад
|
β рад
|
sinβ
|
cosβ
|
N1
|
N2
|
Рш1
|
Рш2
|
|
0
|
0,00
|
0,00
|
0,000
|
1,000
|
0,000
|
0,000
|
-17,532
|
-23,677
|
|
15
|
0,26
|
0,07
|
0,065
|
0,998
|
-0,224
|
-0,803
|
-3,233
|
-11,573
|
|
30
|
0,52
|
0,13
|
0,125
|
0,991
|
1,182
|
0,004
|
8,706
|
0,032
|
|
45
|
0,79
|
0,19
|
0,177
|
0,982
|
1,335
|
-0,107
|
6,827
|
-0,548
|
|
60
|
1,05
|
0,23
|
0,217
|
0,973
|
0,960
|
-0,822
|
3,937
|
-3,370
|
|
75
|
1,31
|
0,26
|
0,241
|
0,966
|
0,308
|
-1,694
|
1,116
|
-6,141
|
|
90
|
1,57
|
0,27
|
0,250
|
0,964
|
-0,376
|
-2,454
|
-1,309
|
-8,547
|
|
105
|
1,83
|
0,26
|
0,241
|
0,966
|
-0,869
|
-2,871
|
-3,151
|
-10,408
|
|
120
|
2,09
|
0,23
|
0,217
|
0,973
|
-1,065
|
-2,847
|
-4,364
|
-11,671
|
|
135
|
2,36
|
0,19
|
0,177
|
0,982
|
-0,982
|
-2,424
|
-5,021
|
-12,397
|
|
150
|
2,62
|
0,13
|
0,125
|
0,991
|
-0,717
|
-1,727
|
-5,282
|
-12,725
|
|
165
|
2,88
|
0,07
|
0,065
|
0,998
|
-0,370
|
-0,890
|
-5,335
|
-12,828
|
|
180
|
3,14
|
0,00
|
0,000
|
1,000
|
0,000
|
0,000
|
-5,334
|
-12,844
|
|
195
|
3,40
|
-0,07
|
-0,065
|
0,998
|
0,434
|
0,954
|
-6,259
|
-13,753
|
|
210
|
3,67
|
-0,13
|
-0,125
|
0,991
|
0,912
|
1,921
|
-6,719
|
-14,148
|
|
225
|
3,93
|
-0,19
|
-0,177
|
0,982
|
1,454
|
2,888
|
-7,436
|
-14,773
|
|
240
|
4,19
|
-0,23
|
-0,217
|
0,973
|
2,039
|
3,806
|
-8,357
|
-15,600
|
|
255
|
4,45
|
-0,26
|
-0,241
|
0,966
|
2,743
|
4,650
|
-9,941
|
-16,855
|
|
270
|
4,71
|
-0,27
|
-0,250
|
0,964
|
3,496
|
5,503
|
-12,177
|
-19,169
|
|
285
|
4,97
|
-0,26
|
-0,241
|
0,966
|
4,801
|
6,679
|
-17,402
|
-24,209
|
|
300
|
5,24
|
-0,23
|
-0,217
|
0,973
|
6,166
|
7,627
|
-25,276
|
-31,263
|
|
315
|
5,50
|
-0,19
|
-0,177
|
0,982
|
4,430
|
5,611
|
-22,659
|
-28,701
|
|
330
|
5,76
|
-0,13
|
-0,125
|
0,991
|
2,768
|
3,596
|
-20,394
|
-26,492
|
|
345
|
6,02
|
-0,07
|
-0,065
|
0,998
|
1,307
|
1,733
|
-18,847
|
-24,985
|
|
360
|
6,28
|
0,00
|
0,000
|
1,000
|
0,000
|
0,000
|
-18,296
|
-24,449
|
Рис. 3.10. Диаграмма нормальных сил.
Таблица 3.6 Расчет сил сил Pr, Pt и Q
|
Рt1
|
Рt2
|
Pr1
|
Pr2
|
Iвр
|
Q1
|
Q2
|
φ
|
|
0,000
|
0,000
|
-23,677
|
-2,674
|
20,207
|
26,351
|
0
|
|
-1,050
|
-3,760
|
-3,058
|
-10,946
|
-2,674
|
5,827
|
14,129
|
15
|
|
5,319
|
0,020
|
6,892
|
0,025
|
-2,674
|
6,788
|
2,649
|
30
|
|
5,651
|
-0,454
|
3,831
|
-0,308
|
-2,674
|
5,768
|
3,016
|
45
|
|
3,772
|
-3,229
|
1,128
|
-0,966
|
-2,674
|
4,077
|
4,866
|
60
|
|
1,116
|
-6,141
|
0,001
|
-0,008
|
-2,674
|
2,896
|
6,701
|
75
|
|
-1,262
|
-8,238
|
0,349
|
2,279
|
-2,674
|
2,645
|
8,247
|
90
|
|
-2,731
|
-9,020
|
1,572
|
5,192
|
-2,674
|
2,945
|
9,365
|
105
|
|
-3,173
|
-8,486
|
2,996
|
8,012
|
-2,674
|
3,189
|
10,025
|
120
|
|
-2,817
|
-6,956
|
4,156
|
10,261
|
-2,674
|
3,183
|
10,293
|
135
|
|
-2,008
|
-4,836
|
4,886
|
11,770
|
-2,674
|
2,987
|
10,302
|
150
|
|
-1,022
|
-2,457
|
5,237
|
12,590
|
-2,674
|
2,759
|
10,216
|
165
|
|
0,000
|
0,000
|
5,334
|
12,844
|
-2,674
|
2,660
|
10,170
|
180
|
|
1,199
|
2,634
|
6,143
|
13,498
|
-2,674
|
3,670
|
11,140
|
195
|
|
2,554
|
5,377
|
6,215
|
13,087
|
-2,674
|
4,366
|
11,719
|
210
|
|
4,172
|
8,289
|
6,155
|
12,228
|
-2,674
|
5,434
|
12,648
|
225
|
|
6,077
|
11,344
|
5,737
|
10,709
|
-2,674
|
6,805
|
13,901
|
240
|
|
8,616
|
14,607
|
4,960
|
8,409
|
-2,674
|
8,914
|
15,693
|
255
|
|
11,736
|
18,475
|
3,247
|
5,112
|
-2,674
|
11,750
|
18,635
|
270
|
|
17,402
|
24,209
|
-0,022
|
-0,031
|
-2,674
|
17,610
|
24,360
|
285
|
|
24,217
|
29,952
|
-7,241
|
-8,956
|
-2,674
|
26,168
|
32,131
|
300
|
|
18,756
|
23,758
|
-12,714
|
-16,104
|
-2,674
|
24,260
|
30,283
|
315
|
|
12,461
|
16,187
|
-16,145
|
-20,972
|
-2,674
|
22,570
|
28,656
|
330
|
|
6,123
|
8,117
|
-17,825
|
-23,630
|
-2,674
|
21,394
|
27,528
|
345
|
|
0,000
|
0,000
|
-18,296
|
-24,449
|
-2,674
|
20,970
|
27,123
|
360
|
Рис. 3.11. Диаграммы радиальных сил.
3.2.3 Построение диаграммы суммарного противодействующего момента
В рабочих полостях компрессора происходит изменение давления газа и,
следовательно, сил, действующих на поршни со стороны газа, при вращении вала.
Переменным в этом случае будут также силы инерции и силы трения поршней о
стенки цилиндров, вызывая противодействующий момент на валу компрессора,
изменяя угловую скорость вращения вала.
Вследствие того, что приводом поршневого компрессора, как правило, служит
электродвигатель, то из-за неравномерности скорости вращения вала возникают
нежелательные пульсации потребляемого тока. Неравномерность вращения вала может
быть уменьшена с помощью маховика, накапливающего энергию при избытке
приложенного момента и возвращающего ее при его недостатке.
Расчет маховика выполняется по кривой противодействующего момента. Данная
кривая рассчитывается согласно следующей зависимости для каждого ряда отдельно:
После построения диаграмм моментов проводят их суммирование, смещая
диаграммы относительно друг друга в соответствии углами развала цилиндров (в
нашем случае он равен 270 градусов), и строим кривую суммарного момента путем
алгебраического сложения соответствующих ординат (см. рис. 3.12). Для
завершения построения кривой противодействующего момента учитывают момент сил
трения вращательного движения
Учет
момента 
производится смещением оси абсцисс вниз на
соответствующую величину.
Для
первой ступени:
Для
второй ступени:
Таблица 3.7 Расчет противодействующих моментов
|
угол
|
Рсум1
|
Рсум2
|
М1
|
М2
|
Мтр
|
Мсум
|
|
0
|
-17,53
|
-23,68
|
0
|
0
|
19,56
|
1571,551
|
|
15
|
-3,24
|
-11,60
|
-84,4287
|
-302,224
|
19,56
|
1970,362
|
|
30
|
8,78
|
0,03
|
433,243
|
1,602441
|
19,56
|
2944,87
|
|
45
|
6,95
|
-0,56
|
468,7754
|
-37,6413
|
19,56
|
2419,898
|
|
60
|
4,05
|
-3,46
|
318,7503
|
-272,88
|
19,56
|
1617,582
|
|
75
|
1,15
|
-6,36
|
95,62635
|
-526,175
|
19,56
|
728,5273
|
|
90
|
-1,36
|
-8,87
|
-108,655
|
-709,475
|
19,56
|
-128,214
|
|
105
|
-3,26
|
-10,77
|
-233,994
|
-772,888
|
19,56
|
-555,777
|
|
120
|
-4,48
|
-12,00
|
-268,138
|
-717,16
|
19,56
|
-286,096
|
|
135
|
-5,11
|
-12,62
|
-233,69
|
-576,962
|
19,56
|
-290,891
|
|
150
|
-5,33
|
-12,84
|
-163,509
|
-393,917
|
19,56
|
-455,948
|
|
165
|
-5,35
|
-12,86
|
-82,1447
|
-197,498
|
19,56
|
-627,879
|
|
180
|
-5,33
|
-12,84
|
0
|
0
|
19,56
|
-729,035
|
|
180
|
-6,10
|
-13,62
|
0
|
0
|
19,56
|
-729,035
|
|
195
|
-6,27
|
-13,79
|
96,35978
|
211,7447
|
19,56
|
-696,088
|
|
210
|
-6,78
|
-14,28
|
208,004
|
437,9723
|
19,56
|
-528,715
|
|
225
|
-7,57
|
-15,04
|
346,0857
|
687,5428
|
19,56
|
-250,435
|
|
240
|
-8,59
|
-16,03
|
513,5518
|
958,6305
|
19,56
|
100,0752
|
|
255
|
-10,29
|
-17,44
|
738,2368
|
19,56
|
521,1793
|
|
270
|
-12,63
|
-19,89
|
1010,774
|
1591,111
|
19,56
|
991,2146
|
|
285
|
-18,01
|
-25,05
|
1491,084
|
2074,35
|
19,56
|
1683,269
|
|
300
|
-25,98
|
-32,13
|
2046,487
|
2531,187
|
19,56
|
2464,9
|
|
315
|
-23,07
|
-29,23
|
1555,794
|
1970,682
|
19,56
|
2223,778
|
|
330
|
-20,58
|
-26,73
|
1014,927
|
1318,391
|
19,56
|
1953,998
|
|
345
|
-18,89
|
-25,04
|
492,1686
|
652,4605
|
19,56
|
1724,243
|
|
360
|
-18,30
|
-24,45
|
0
|
0
|
19,56
|
1571,551
|
Рис. 3.12. Диаграмма противодействующего момента.
Определим средний момент:
Рис. 3.13. Диаграмма суммарного противодействующего момента совместно с
векторной диаграммой противодействующего момента.
По
диаграмме суммарного противодействующего момента определяем значение среднего
момента (Мср) и наносим на диаграмму 
. Эта
величина пропорциональна потребляемой мощности компрессора:

где

-
погрешность измерения
Из
термодинамического расчета 
. Видно,
что графическое построение выполнено достаточно точно.
Требуемый
момент инерции маховика:
Видно, что функцию маховика может выполнять соединяющая упругая
втулочно-пальцевая муфта 500-45-1У3 ГОСТ 21424 - 93.
4. Расчет клапанов
Задачей данного раздела является расчет клапанов проектируемого
компрессора. Расчёт производится по программе, разработанной на кафедре КВиХТ.
Рис.
4.1. Схема исполнения комбинированных полосовых клапанов.
.1
Расчёт первой ступени компрессора
КОМПРЕССОР:
Ступень: 1
Диаметр поршня рассчитываемой рабочей камеры, мм: 370
Ход поршня, мм: 160
Длина шатуна, мм: 300
Скорость вращения вала, об/мин: 735
Мертвое пространство рассчитываемой рабочей камеры, %: 5
Объем камеры всасывания, литр: 8,602
Поверхность камеры всасывания, кв.дцм: 5,376
Объем камеры нагнетания, литр: 8,602
Поверхность камеры нагнетания, кв.дцм: 5,376
Площадь патрубка на входе в камеру всасывания, мм2: 12000
Коэффициент расхода всасывающего патрубка: 0,63
Площадь патрубка на выходе камеры нагнетания, мм2: 12000
Коэффициент расхода нагнетательного патрубка: 0,63
Экв. зазор поршень-цилиндр между камерами 3-6, мм: 0,02
Длина пути газа в зазоре между 3-6(толщина кольца), мм: 15
ГАЗ:
Газовая постоянная, Дж/кг*K: 287,2
Показатель адиабаты: 1,4
Динамическая вязкость газа, Н*с/м2: 1,8E-05
Давление всасывания, MПa: 0,1
Температура всасывания, K: 290
Давление нагнетания, MПa: 0,346
Давление в картере, MПa: 0,1
Температура газа в картере, K: 290
ВСАСЫВАЮЩИЙ КЛАПАН:
Приведенная масса движущихся частей, г: 2,5513
Жесткость упругих элементов, Н/м: 245
Предварительное поджатие, мм: 0
Максимальное проходное сечение, мм2: 15309
Максимальная высота хода клапана,мм: 4
Коэффициент расхода: 0,7
Площадь пластины, мм2: 828
Коэффициент давления: 1,2
Коэффициент демпфирования eta0: 18
Коэффициент демпфирования aeta0: 3,5
Коэффициент демпфирования xeta0: 1,5
Коэффициент отскока на ограничителе: 0,17
Коэффициент отскока на седле: 0,17
Уплотняемый периметр, мм: 254
Ширина уплотняемой кромки, мм: 2
Условный зазор, мм: 0,02
Количество клапанов: 1
НАГНЕТАТЕЛЬНЫЙ КЛАПАН:
Приведенная масса движущихся частей, г: 2,5513
Жесткость упругих элементов, Н/м: 245
Предварительное поджатие, мм: 0
Максимальное проходное сечение, мм2: 15309
Максимальная высота хода клапана, мм: 4
Коэффициент расхода: 0,7
Площадь пластины, мм2: 828
Коэффициент давления: 1,2
Коэффициент демпфирования eta0: 18
Коэффициент демпфирования aeta0: 3,5
Коэффициент демпфирования xeta0: 1,5
Коэффициент отскока на ограничителе: 0,17
Коэффициент отскока на седле: 0,17
Уплотняемый периметр, мм: 254
Ширина уплотняемой кромки, мм: 2
Условный зазор, мм: 0,02
Количество клапанов: 1
ТЕПЛООБМЕН:
Температура стенок камеры всасывания, С: 46
Температура стенок рабочей камеры, С: 72
Температура стенок камеры нагнетания, С: 99,10001
Коэффициент теплоотдачи в камере всасывания, Дж/м2/град: 200
Коэффициент теплоотдачи в рабочей камере, Дж/м2/град: 600
Коэффициент теплоотдачи в камере нагнетания, Дж/м2/град: 400
Результаты расчетов
ОСНОВНЫЕ ПОКАЗАТЕЛИ РАБОТЫ СТУПЕНИ КОМПРЕССОРА:
Индикаторная мощность, КВт: 29,988
Изотермический индикаторный КПД: 0,709
Производительность, м3/мин: 10,274
Производительность, Нм3/час: 634,893
Коэффициент производительности: 0,813
ПОКАЗАТЕЛИ ЭФФЕКТИВНОСТИ РАБОЧИХ ПРОЦЕССОВ В КАМЕРАХ:
Показатель политропы расширения (n расш): 1,384
Показатель политропы сжатия (n сж): 1,399
Максимальное давлениe в камере 2, МПа: 0,1
Максимальное давлениe в камере 3, МПа: 0,376
Максимальное давлениe в камере 4, МПа: 0,36
Минимальное давлениe в камере 2, МПа: 0,096
Минимальное давлениe в камере 3, МПа: 0,086
Минимальное давлениe в камере 4, МПа: 0,1
Максимальная температура в камере 2, С: 22
Максимальная температура в камере 3, С: 179,8
Максимальная температура в камере 4, С: 156,4
Минимальная температура в камере 2, С: 17,8
Минимальная температура в камере 3, С: 7,5
Минимальная температура в камере 4, С: 146,5емпература всасывания, С: 17
Температура нагнетания, С: 140,4
СКОРОСТИ ГАЗА:
Число Маха во всасывающем клапане: 0,1152
Число Маха в нагнетательном клапане: 0,0965
Средняя скорость во всасывающем клапане: 53,03
Средняя скорость в нагнетательном клапане: 52,4
Максимальная скорость во всасывающем клапане: 107,26
Максимальная скорость в нагнетательном клапане: 100,58
Средняя скорость в коммуникациях всасывания: 22,69
Средняя скорость в коммуникациях нагнетания: 11,38
Максимальная скорость в коммуникациях всасывания: 80,68
Максимальная скорость в коммуникациях нагнетания: 98,04
УГЛЫ В ГРАДУСАХ (ВМТ =0 град.):
открытие всасывающего клапана: 36
открытие нагнетательного клапана: 291
закрытие всасывающего клапана: 191
закрытие нагнетательного клапана: 16
угол закрытия на всасывание(Dp=0): 182
длительность работы всасывающего клапана: 155
длительность работы нагнетательного клапана: 85
ПОТЕРИ:
Общая теряемая мощность на всасывании, кВт: 0,92
Общая теряемая мощность на нагнетании, кВт: 0,91
Общая теряемая мощность на всасывании в процентах к индикаторной, %: 3,08
Общая теряемая мощность на нагнетании в процентах к индикаторной ,%: 3,03
Мощность, теряемая в клапане всасывания, кВт: 0,38
Мощность теряемая в клапане нагнетания, кВт: 0,35
Мощность, теряемая в клапане всасывания в процентах к общей мощности, %:
1,26
Мощность теряемая в клапане нагнетания в процентах к общей мощности, %:
1,16
Мощность, теряемая в коммуникациях всасывания, кВт: 0,55
Мощность теряемая в коммуникациях нагнетания, кВт: 0,56
Мощность, теряемая в коммуникациях всасывания в процентах к общей
мощности, %: 1,82
Мощность теряемая в коммуникациях нагнетания в процентах к общей
мощности, %: 1,87редние потери давления на всасывании, Па: 3799,53
Средние потери давления на нагнетании, Па: 6624,28
Относительные потери давления на всасывании, %: 3,8
Относительные потери давления на нагнетании, %: 1,91
ДИНАМИКА:
Сила пружины в открытом клапане всасывания, H: 0,98
Сила пружины в открытом клапане нагнетания, Н: 0,98
Сила пружины в закрытом клапане всасывания, H: 0
Сила пружины в закрытом клапане нагнетания, Н: 0
Приведенное усилие всасывающего клапана, Па: 1183,57
Приведенное усилие нагнетательного клапана, Па: 1183,57
Предварительное поджатие пружины клапана всасывания, мм: 0
Предварительное поджатие пружины клапана нагнетания, мм: 0
Относительная частота всасывающего клапана: 4,03
Относительная частота нагнетательного клапана: 4,03
Скорость к ограничителю всасывающего клапана, м/с: 5,37
Скорость к ограничителю нагнетательного клапана, м/с: 7,14
Скорость к седлу всасывающего клапана, м/с: -0,8
Скорость к седлу нагнетательного клапана, м/с: -1,16
ОТНОСИТЕЛЬНЫЕ ПРОТЕЧКИ:
Общие (V5-V1) (При зазорах=0, погрешность расчета), %: 0,1526
Относительные протечки во всасывающем клапане, %: 0,1767
Динамическая неплотность всасывающего клапана, %: 0,0511
Относительные протечки в нагнетательном клапане, %: 0,3898
Динамическая неплотность нагнетательного клапана, %: 4,3019
Относительные протечки в уплотнение 3-6, %: 0,1534
Рис. 4.2. Индикаторная диаграмма первой ступени.
Рис. 4.3. Диаграмма движения клапанов второй ступени.
.2 Расчёт второй ступени компрессора
КОМПРЕССОР:
Ступень: 2
Диаметр поршня рассчитываемой рабочей камеры, мм: 200
Ход поршня, мм: 160
Длина шатуна, мм: 300
Скорость вращения вала, об/мин: 735
Мертвое пространство рассчитываемой рабочей камеры, %: 6
Объем камеры всасывания, литр: 2,573
Поверхность камеры всасывания, кв.дцм: 1,57
Объем камеры нагнетания, литр: 2,573
Поверхность камеры нагнетания, кв.дцм: 1,57
Площадь патрубка на входе в камеру всасывания, мм2: 5500
Коэффициент расхода всасывающего патрубка: 0,63
Площадь патрубка на выходе камеры нагнетания, мм2: 5500
Коэффициент расхода нагнетательного патрубка: 0,63
Экв. зазор поршень-цилиндр между камерами 3-6, мм: 0,02
Длина пути газа в зазоре между 3-6(толщина кольца), мм: 15
ГАЗ:
Газовая постоянная, Дж/кг*K: 287,2
Показатель адиабаты: 1,4
Динамическая вязкость газа, Н*с/м2: 1,8E-05
Давление всасывания, MПa: 0,346
Температура всасывания, K: 308
Давление нагнетания, MПa: 1,2
Давление в картере, MПa: 0,1
Температура газа в картере, K: 290
ВСАСЫВАЮЩИЙ КЛАПАН:
Приведенная масса движущихся частей, г: 1,7663
Жесткость упругих элементов, Н/м: 450
Предварительное поджатие, мм: 0
Максимальное проходное сечение, мм2: 5529,3
Максимальная высота хода клапана,мм: 4
Коэффициент расхода: 0,7
Площадь пластины, мм2: 900
Коэффициент давления: 1,2
Коэффициент демпфирования eta0: 18
Коэффициент демпфирования aeta0: 3,5
Коэффициент демпфирования xeta0: 1,5
Коэффициент отскока на ограничителе: 0,17
Коэффициент отскока на седле: 0,17
Уплотняемый периметр, мм: 200
Ширина уплотняемой кромки, мм: 2
Условный зазор, мм: 0,02
Количество клапанов: 1
НАГНЕТАТЕЛЬНЫЙ КЛАПАН:
Приведенная масса движущихся частей, г: 1,7663
Жесткость упругих элементов, Н/м: 450
Предварительное поджатие, мм: 0
Максимальное проходное сечение, мм2: 5529,3
Максимальная высота хода клапана, мм: 4
Коэффициент расхода: 0,7
Площадь пластины, мм2: 900
Коэффициент давления: 1,2
Коэффициент демпфирования eta0: 18
Коэффициент демпфирования aeta0: 3,5
Коэффициент демпфирования xeta0: 1,5
Коэффициент отскока на ограничителе: 0,17
Коэффициент отскока на седле: 0,17
Уплотняемый периметр, мм: 200
Ширина уплотняемой кромки, мм: 2
Условный зазор, мм: 0,02
Количество клапанов: 1
ТЕПЛООБМЕН:
Температура стенок камеры всасывания, С: 65,79999
Температура стенок рабочей камеры, С: 94
Температура стенок камеры нагнетания, С: 72,20001
Коэффициент теплоотдачи в камере всасывания, Дж/м2/град: 200
Коэффициент теплоотдачи в рабочей камере, Дж/м2/град: 600
Коэффициент теплоотдачи в камере нагнетания, Дж/м2/град: 400
Результаты расчета
ОСНОВНЫЕ ПОКАЗАТЕЛИ РАБОТЫ СТУПЕНИ КОМПРЕССОРА:
Индикаторная мощность, КВт: 29,774
Изотермический индикаторный КПД: 0,744
Производительность, м3/мин: 3,088
Производительность, Нм3/час: 621,648
Коэффициент производительности: 0,836
ПОКАЗАТЕЛИ ЭФФЕКТИВНОСТИ РАБОЧИХ ПРОЦЕССОВ В КАМЕРАХ:
Показатель политропы расширения (n расш): 1,397
Показатель политропы сжатия (n сж): 1,409
Максимальное давлениe в камере 2, МПа: 0,346
Максимальное давлениe в камере 3, МПа: 1,259
Максимальное давлениe в камере 4, МПа: 1,223
Минимальное давлениe в камере 2, МПа: 0,34
Минимальное давлениe в камере 3, МПа: 0,318
Минимальное давлениe в камере 4, МПа: 0,346
Максимальная температура в камере 2, С: 38,8
Максимальная температура в камере 3, С: 192,1
Максимальная температура в камере 4, С: 173,5
Минимальная температура в камере 2, С: 36
Минимальная температура в камере 3, С: 31,3
Минимальная температура в камере 4, С: 163,8емпература всасывания, С: 35
Температура нагнетания, С: 166,4
СКОРОСТИ ГАЗА:
Число Маха во всасывающем клапане: 0,0904
Число Маха в нагнетательном клапане: 0,0757
Средняя скорость во всасывающем клапане: 37,13
Средняя скорость в нагнетательном клапане: 35,37
Максимальная скорость во всасывающем клапане: 84,3
Максимальная скорость в нагнетательном клапане: 78,07
Средняя скорость в коммуникациях всасывания: 15,05
Средняя скорость в коммуникациях нагнетания: 8,83
Максимальная скорость в коммуникациях всасывания: 55,59
Максимальная скорость в коммуникациях нагнетания: 69,64
УГЛЫ В ГРАДУСАХ (ВМТ =0 град.):
открытие всасывающего клапана: 34
открытие нагнетательного клапана: 292
закрытие всасывающего клапана: 186
закрытие нагнетательного клапана: 10
угол закрытия на всасывание(Dp=0): 176
длительность работы всасывающего клапана: 152
длительность работы нагнетательного клапана: 78
ПОТЕРИ:
Общая теряемая мощность на всасывании, кВт: 0,43
Общая теряемая мощность на нагнетании, кВт: 0,39
Общая теряемая мощность на всасывании в процентах к индикаторной, %: 1,44
Общая теряемая мощность на нагнетании в процентах к индикаторной ,%: 1,31
Мощность, теряемая в клапане всасывания, кВт: 0,2
Мощность теряемая в клапане нагнетания, кВт: 0,17
Мощность, теряемая в клапане всасывания в процентах к общей мощности, %:
0,67
Мощность теряемая в клапане нагнетания в процентах к общей мощности, %:
0,56
Мощность, теряемая в коммуникациях всасывания, кВт: 0,23
Мощность теряемая в коммуникациях нагнетания, кВт: 0,22
Мощность, теряемая в коммуникациях всасывания в процентах к общей
мощности, %: 0,78
Мощность теряемая в коммуникациях нагнетания в процентах к общей
мощности, %: 0,74редние потери давления на всасывании, Па: 6150,53
Средние потери давления на нагнетании, Па: 13363,53
Относительные потери давления на нагнетании, %: 1,11
ДИНАМИКА:
Сила пружины в открытом клапане всасывания, H: 1,8
Сила пружины в открытом клапане нагнетания, Н: 1,8
Сила пружины в закрытом клапане всасывания, H: 0
Сила пружины в закрытом клапане нагнетания, Н: 0
Приведенное усилие всасывающего клапана, Па: 2000
Приведенное усилие нагнетательного клапана, Па: 2000
Предварительное поджатие пружины клапана всасывания, мм: 0
Предварительное поджатие пружины клапана нагнетания, мм: 0
Относительная частота всасывающего клапана: 6,56
Относительная частота нагнетательного клапана: 6,56
Скорость к ограничителю всасывающего клапана, м/с: 8,09
Скорость к ограничителю нагнетательного клапана, м/с: 12,6
Скорость к седлу всасывающего клапана, м/с: -1,61
Скорость к седлу нагнетательного клапана, м/с: -0,48
ОТНОСИТЕЛЬНЫЕ ПРОТЕЧКИ:
Общие (V5-V1) (При зазорах=0, погрешность расчета), %: 1,1321
Относительные протечки во всасывающем клапане, %: 0,7375
Динамическая неплотность всасывающего клапана, %: 0,1468
Относительные протечки в нагнетательном клапане, %: 1,6388
Динамическая неплотность нагнетательного клапана, %: 1,514
Относительные протечки в уплотнение 3-6, %: 1,1344
Рис. 4.4. Индикаторная диаграмма второй ступени.
Рис. 4.5. Диаграмма движения клапанов второй ступени.
термодинамический компрессор поршень
5. Расчет теплообменного аппарата
Назначение охлаждающей камеры (межступенчатые и концевые) понижение
температуры газа перед подачей его в рабочую камеру. Необходимость применения
межступенчатого холодильника объясняется тем, что после сжатия газ может
обладать весьма высокой температурой, действие которой может выразится в
понижении производительности или даже во воспламенении смазочных материалов и,
следовательно, поломки энергетической машины. Применение концевых холодильников
можно объяснить требованиями по температуре заказчика проекта, а также тем, что
при закачке газа под давлением в некоторую полость при некоторой температуре
значение давления газа в процессе остывания будет уменьшаться согласно
основному закону термодинамики.
.1 Определение расхода охлаждающей жидкости
Расчёт охлаждающей воды W
(л/с) определяют, учитывая, что общий тепловой поток Q, отводимый от газа в охладителе, складывается из теплового
потока Q1 при охлаждении сухого газа и дополнительного
теплового потока Q2, обусловленного охлаждением и
частичной конденсацией водяного пара, содержащегося в газе:
При незначительных изменениях теплоёмкости газа при постоянном давлении,
тепловой поток при охлаждении сухого газа:
где

-
массовый расход газа через охладитель, кг/с; t1 и t2 -
температуры газа при входе в охладитель и при выходе из него, К; 
-
удельная теплоемкость охлаждаемого газа.
Для
дополнительного теплового потока делаем приближённый расчёт, при котором:
Необходимый
расход охлаждающей воды через газоохладитель:
где
Дж/(кг·К) - удельная теплоемкость охлаждающей среды (воды),
и 
-
температура воды на входе и выходе из газоохладителя, К.
Температура
охлаждающей воды равна: 
Таким
образом, получаем:
5.2 Определение площади поверхности теплообмена
Необходимую площадь поверхности теплообмена определяют из уравнения:
где k - коэффициент теплопередачи, Вт/(м2∙К);
F - площадь поверхности теплообмена, м2;

-
средний температурный напор.
По
экспериментальным данным для d2/d1≤1.2, предложенным кафедрой КВиХТ СПбГПУ,
принимаем k = 260 Вт/м2∙К.
Средний
температурный напор определяется по формуле Грасгофа:
где

-
поправочный коэффициент, зависящий от температур теплоносителей на входе в
охладитель и на выходе из него и взаимной ориентации направлений потоков
охлаждаемой и охлаждающей жидкостей газов. Он зависит от безразмерных
комплексов R и P:
По
графикам [1], стр. 252, рис.9.8 находим 
:
В
нашем случае имеем индекс противоточности 
и 
,
Тогда
площадь поверхности теплообмена равна:
5.3 Определение основных геометрических параметров газоохладителя
Количество трубок в пучке газоохладителя определяется по формуле:
где F - поверхность теплообмена, м2;
d1 - внутренний диаметр трубок, м; L - длина газоохладителя, м.
Принимаем длину газоохладителя исходя конструктивных соображений:
d1=0,012м, L=0,8 м.
Находим площадь загромождения трубками проточной части для газа по
формуле:
где
d2 -
наружный диаметр трубок, м. 
Площадь
для прохода газа между трубками вычисляется по формуле:
где

м/с -
допустимая скорость газа для поперечного обтекания трубок; Принимаем 
.

-
плотность газа на входе в газоохладитель и рассчитывается по формуле:
где
РХОЛ - давление газа на входе в газоохладитель
Тогда,
Площадь
внутренней поверхности кожуха газоохладителя:
Внутренний
диаметр кожуха:
Стенки кожуха газоохладителя при таких давлениях рекомендуется брать
равными 20 мм.
6. Выбор смазки
При выборе смазывающего материала необходимо предусмотреть ряд
требований: достаточная вязкость при рабочих температурах, стабильность
свойств, а так же учесть некоторые важные детали: температура воспламенения,
сжимаемый газ (при применении минерального масла в компрессоре, где сжимается
кислород или другие агрессивные газы может привести к взрыву), чем выше
скорость, тем меньше вязкость.
Выберем индустриальное масло 30 с вязкостью 27 - 33 сСт и температурой
вспышки 180 градусов Цельсия.
Система смазки комбинированная: циркуляционная и разбрызгиванием.
Циркуляционная построена таким образом, чтобы использовать вращение коленчатого
вала, т. е. масло под действием разности давлений создаваемая шестеренчатым
насосом подается во внутренний канал коленчатого вала, затем часть
разбрызгивается по корпусу посредством выходов из канала, а другая часть
поступает по каналу в шатуне наверх и смазывает поршень и цилиндр. А
разбрызгиванием осуществляется за счет крепления «лопаток» к противовесам,
которые в свою очередь создают масляный туман в картере компрессора.
Заключение
В процессе выполнения задания был спроектирован воздушный поршневой
компрессор 2ВУ-10/12 предназначенный для снабжения сжатым воздухом некоторого
пневматического устройства или оборудования в различных отраслях
промышленности. Компрессор представляет собой двухступенчатую бескрейцкопфную
энергетическую машину с угловым расположением цилиндров.
Машина сжимает воздух с атмосферного давления до 1,2 МПа, а промежутке
между ступенями воздух охлаждается в водяном промежуточном газоохладителе.
Литература
1.
Поршневые
компрессоры / Фотин Б.С., Пирумов И.Б., Прилуцкий И.К. - Л.: Машиностроение,
1987 г. - 372с.
2.
Поршневые
компрессоры 1 том / Пластинин П.И. - Москва «КолосС», 2006 г. - 456с.
3.
Поршневые
компрессоры 2 том / Пластинин П.И. - Москва «КолосС», 2008 г. - 711с.
4.
Теория, расчет и
конструирование поршневых компрессоров. Самодействующие клапаны / Хрусталев
Б.С. - СПбГПУ, 2006 г. - 106с.