Компрессор с цилиндрами простого действия и промежуточным газоохладителем
МИНИСТЕРСТВО
ОБРАЗОВАНИЯ РЕСПУБЛИКИ БЕЛАРУСЬ
БЕЛОРУССКИЙ
НАЦИОНАЛЬНЫЙ ТЕХНИЧЕСКИЙ УНИВЕРСИТЕТ
Кафедра
«Вакуумная и компрессорная техника»
Инженерно-педагогического
факультета
Курсовой
проект по дисциплине:
«КОМПРЕССОРНОЕ
ОБОРУДОВАНИЕ»
По
теме: «ПОРШНЕВОЙ ДВУХСТУПЕНЧАТЫЙ ВОЗДУШНЫЙ КОМПРЕССОР С ЦИЛИНДРАМИ ПРОСТОГО
ДЕЙСТВИЯ И ПРОМЕЖУТОЧНЫМ ГАЗООХЛАДИТЕЛЕМ»
Выполнил
студент группы 109359: Шевчик Д.С.
Руководитель проекта
старший преподаватель: Бабук В. В.
Минск 2013
СОДЕРЖАНИЕ
Введение
. Тепловой расчёт двухступенчатого поршневого
компрессора
.1 РАСПРЕДЕЛЕНЕЕ ПОВЫШЕНИЯ ДАВЛЕНИЯ ПО СТУПЕНЯМ
.2 ОПРЕДЕЛЕНИЕ ПОКАЗАТЕЛЕЙ ПОЛИТРОП СЖАТИЯ И
РАСШИРЕНИЯ
.3 ОПРЕДЕЛЕНИЕ КОЭФФИЦИЕНТА ПОДАЧИ
.4 ОПРЕДЕЛЕНИЕ ОСНОВНЫХ РАЗМЕРОВ И ПАРАМЕТРОВ
СТУПЕНЕЙ
.5 ОПРЕДЕЛЕНИЕ ТЕМПЕРАТУРЫ НАГНЕТАНИЯ
.6 ОПРЕДЕЛЕНИЕ МОЩНОСТИ ПРИВОДА КОМПРЕССОРА
. ПРОЕКТИРОВАНИЕ ПОРШНЕВОГО КОМПРЕССОРА
.1 ОПРЕДЕЛЕНИЕ ТОЛЩИНЫ СТЕНОК ЦИЛИНДРА
.2 ОПРЕДЕЛЕНИЕ РАЗМЕРОВ ОСНОВНЫХ ЭЛЕМЕНТОВ ПОРШНЕЙ И
ПОРШНЕВЫХ ПАЛЬЦЕВ. ВЫБОР ПОРШНЕВЫХ КОЛЕЦ
.3 ОПРЕДЕЛЕНИЕ ОСНОВНЫХ РАЗМЕРОВ ШАТУНА И ШАТУННЫХ
БОЛТОВ
.4 ВЫБОР КЛАПАНОВ ПО ПРОПУСКНОЙ СПОСОБНОСТИ. ПОДБОР
ПРУЖИН КЛАПАНОВ
.5 ПРОЕКТИРОВАНИЕ ГАЗООХЛАДИТЕЛЕЙ
.5.1 РАСЧЕТ РАСХОДА ОХЛАЖДАЮЩЕЙ ЖИДКОСТИ
.5.2 ОПРЕДЕЛЕНИЕ ПЛОЩАДИ ПОВЕРХНОСТИ ТЕПЛООБМЕНА
.5.3 ОПРЕДЕЛЕНИЕ ОСНОВНЫХ ГЕОМЕТРИЧЕСКИХ ПАРАМЕТРОВ
ГАЗООХЛАДИТЕЛЯ
. ДИНАМИЧЕСКИЙ РАСЧЕТ КОМПРЕССОРА
.1 РАСЧЕТ СИЛ ДЕЙСТВУЮЩИХ ПРИ ПОСТУПАТЕЛЬНОМ ДВИЖЕНИИ
.2 РАСЧЕТ СИЛ ДЕЙСТВУЮЩИХ ПРИ ВРАЩАТЕЛЬНОМ ДВИЖЕНИИ
.3 ОПРЕДЕЛЕНИЕ РАЗМЕРОВ МАХОВИКА ПО МАХОВОМУ МОМЕНТУ
. СМАЗКА КОМПРЕССОРА
ЗАКЛЮЧЕНИЕ
Список использованных источников
ПРИЛОЖЕНИЕ
Введение
Компрессором называется машина, осуществляющая
повышение давления или пара. Другими словами, компрессор-это машина-орудие для
подвода энергии извне к газу или пару и превращения ее в потенциальную энергию
давления газа или пара. Наиболее широкое применение компрессорные машины нашли
в холодильных установках.
Все компрессоры могут быть разделены на 3 группы
по способу их действия, то есть по тому, каким образом энергия передается газу,
и по тому, какие физические явления используются для повышения газа:
) объемные компрессоры;
) динамические компрессоры;
) тепловые компрессоры.
В некоторых типах компрессоров используют
сочетание нескольких способов повышения давления.
В данной курсовой работе рассматривается один из
видов объемных компрессоров (поршневой).
Объемные компрессоры повышают давление газа
путем уменьшения замкнутого объема (камеры), содержащего определенное
количество газа, то есть определенное число молекул газа. Уменьшение замкнутой
полости сопровождается увеличением концентрации молекул в единице объема.
Давление газовой среды на стенку согласно законам кинетической теории газов
пропорционально суммарной энергии соударений молекул газа со стенкой. При
увеличении числа молекул в единице объема увеличивается количество соударений
молекул, приходящихся на единицу площади стенки, то есть увеличивается давление
газа.
Отметим, что процесс сжатия в объемных
компрессорах происходит периодически. Необходимо, чтобы рабочая полость объемного
компрессора периодически то увеличивалась, то уменьшалась. Во время увеличения
объема рабочей полости газ заполняет последнюю, входя в нее. Во время
уменьшения этого объема газ сжимается, его давление повышается. и затем в
сжатом виде газ выталкивается из рабочей полости.
Наиболее типичным представителем объемных
компрессоров является поршневой.
Поршневые компрессоры имеют широкое
распространение. Они отличаются от компрессоров других типов высокой
экономичностью, простотой конструкции, обслуживания и ремонта, большой
надежностью. По численности поршневые компрессоры составляют более 80 % всего
компрессорного парка страны.
Поршневым компрессором называется компрессор
объемного действия, в котором изменение объема рабочей полости осуществляется
поршнем, совершающим прямолинейное возвратно-поступательной движение.
Превращение вращательного движения вала
приводного двигателя в прямолинейное возвратно-поступательное движения поршня
осуществляется кривошипно-шатунным, кулисным или кулачковым механизмом. Наибольшее
распространение в поршневых компрессорах получил кривошипно-шатунный механизм.
Целью данной курсовой работы является
проектирование и расчет поршневого двухступенчатого воздушного компрессора с
цилиндрами простого действия и промежуточным охладителем.
1. Тепловой расчёт двухступенчатого поршневого
компрессора
.1 РАСПРЕДЕЛЕНЕЕ
ПОВЫШЕНИЯ ДАВЛЕНИЯ ПО СТУПЕНЯМ
Общее номинальное относительное повышение
давления компрессором подсчитываем по уравнению

(1.1)
Выбираем число ступеней сжатия [1, § 4.7]:
z=2
Номинальное относительное повышение давления во
всех ступенях принимаем одинаковым [1, § 4.4 и уравнения (4.3) и (4.5)]:

(1.2)
Номинальное давление всасывания во
II ступень [1, уравнения (4.6) и (4.8)]
pm1 = pвс11=
pвс1
ε1∙
(1.3)
pm1 =
Мпа.
Относительные потери давления на всасывании I
ступени [1, уравнения (4.19) и (4.18а)]:
δ вс1=
(1.4)
δ вс1=
где А ‒ коэффициент,
учитывающий совершенство компрессора [1];
А=2,66.
Относительные потери давления во
всасывающих клапанах II ступени
δ вс2=
(1.5)
Относительные потери давления на
нагнетании (нагнетательных клапанах и межступенчатом охладителе воздуха) I
ступени [1, уравнения (4.19) и (4.18а)]:

(1.6)
Относительные потери давления на
нагнетании II ступени определяем без учета концевого охладителя в
предположении, что потери происходят только в нагнетательных клапанах.
Предполагая по аналогии со всасывающими клапанами, на которые приходится 0,3δі, [1,
уравнение (4.19)], что в нагнетательных клапанах относительные потери давления
равны 0,3δі, получим:

(1.7)
Усредненные давления р1 и р2 [1.
рисунок 3.5 и 3.6, а также уравнения (4 21) и (4.21а)]:

(1.8)

(1.9)

(1.10)

(1.11)
Таблица 1.1 ‒Усредненные
давления всасывания и нагнетания
|
Параметр
|
I
ступень
|
I
I ступень
|
|
Номинальное
давление, МПа:
|
|
всасывания
рвс1
|
0,1
|
0,283
|
|
нагнетания
pHi
|
0,283
|
0,8
|
|
Усредненное
давление в цилиндре, МПа:
|
|
всасывания
 0,09550,273
|
|
|
|
нагнетания
 0,3050,822
|
|
|
|
Относительное
повышение давления в цилиндре  3,193,01
|
|
|
.2 ОПРЕДЕЛЕНИЕ ПОКАЗАТЕЛЕЙ ПОЛИТРОП СЖАТИЯ И
РАСШИРЕНИЯ
Политропа сжатия рассчитывается по формуле:
Где k=1.4
- показатель адиабаты;
i - количество
ступеней.
Где 
.
Политропа расширения рассчитывается
по формуле:
Для 1-го цилиндра:
Для 2-го цилиндра :
1.3 ОПРЕДЕЛЕНИЕ КОЭФФИЦИЕНТА ПОДАЧИ
Составляющие коэффициента подачи
определяем следующим образом. Задаемся в соответствии с рекомендациями
коэффициентами: дросселирования 
дрі, [1, §3.7],
подогрева

і [1, §3.9], плотности 
nлi [1, §
3.10]. Объемный коэффициент 
0і -
подсчитываем по формуле [1, уравнение (3.16)]

(1.12)
Задаемся значением относительного
объема ам = 0,1 для
обеих ступеней [1, §3.6]. Значение показателя политропы n=1,28 [1,
уравнение (3.8) или табл. 3.1].
Коэффициенты подачи ступеней находим
по уравнению [1, уравнение (3.10)]:

=
0
др
nл (1.13)
Результаты расчетов сводим в таблицу
1.2
Таблица 1.2 ‒ Коэффициент
подачи и его состовляющи
|
Коэффициент подачи и его состовляющие
|
I
ступень
|
II
ступень
|
|
|
0,78
|
0,79
|
|
 00,8460,857
|
|
|
|
 др0,960,97
|
|
|
|
|
0,98
|
0,98
|
.4 ОПРЕДЕЛЕНИЕ ОСНОВНЫХ РАЗМЕРОВ И ПАРАМЕТРОВ
СТУПЕНЕЙ
Объем, описываемый поршнем I ступени:
Vh1=Ve/λІ
(1.14)
Vh1=216,67/0,78=272,78
л/c=0,278 м3/c.
Температуру всасывания II ступени [1, §4.1]:
TвсІІ=TвсІ+∆Т
(1.15)
TвсІІ=295+10=305 К.
Где ∆Т ‒ недоохлаждение перед II
ступенью, принимаем 10 К.
Объем, описываемый поршнем II ступени [1,
уравнение (4.28)]:
VhІІ= Ve
pвс1
TвсІІ/ λІІ
pвсІІ
TвсІ (1.16)
VhІІ= 216,67
305/0,79
0,283
295=100,2 л/с= 0,1002 м3/c.
Предполагаем, что привод компрессора
осуществляется от асинхронного электродвигателя через ременную передачу. По
условию курсовой работы частотой вращения вала электродвигателя 
= 750 мин-1 = 12,5 1/с.
Для бескрейцкопфного компрессора
задаемся средней скоростью поршня Cm = 4,0 м/с
[1].
Средняя скорость поршня [1,
уравнение (3.60)]:
Cm =2Snn0
(1.17)
Описанный объем компрессора простого действия
[1, уравнение (1.2)].:
Vh=(π/4)D2Snn0
(1.18)
Тогда получим:
D=1,596
(1.19)
Vh=(π
/8)D2Cm
(1.20)
Диаметр I ступени:
DІ=1,596
=0,42 м.
Значение D1 округляем
до ближайшего стандартного размера диаметра цилиндра по ГОСТ 9515-81 [см.
§3.18]
D1=0,42 м
Рассчитываем полный ход поршня [1,
уравнение (1.2)]:
Sп=4VhІ/π DІ2 n0 (1.20)
Sп=4
0,278/3,14
12,5=0,1606 м.
Округляем ход поршня:
Sп=0,16 м.
После округления значения хода
поршня уточняем среднюю скорость поршня [1, уравнение (3.60)]:
Cm=2Snn0
(1.21)
Cm=2
0,16
12,5=4 м/c.
Диаметр цилиндра ІІ ступени
DІІ=1,596
(1.22)
DІІ=1,596
=0,252 м
Округляем DІІ до
стандартного размера по ГОСТ 9515-81 [1, § 3.18]:
DІІ=0,25 м
Проверим значение Sп/DІ и Sп n02:
Sп/DІ=0,16/0,42=0,382;
(1.23)
Sп n02=0,16
12,52=25 м/c2. (1.24)
Эти значения Sп/DІ
и Sп n02
соответствуют современным тенденциям [1, §3.17 и 3.18].
Уточняем описанные поршнями объемы после
округления диаметров цилиндров и хода поршня:
VhІ= πDІ2/4
Sп n0 (1.25)
VhІ= 3,14
0,422/4
0,16
12,5=0,278 м3/c,
VhІІ= πDІІ2/4
Sп n0 (1.26)
VhІІ= 3,14
0,252/4
0,16
12,5=0,099 м3/c.
Проверяем производительность
компрессора с учетом округления основных размеров цилиндра:
Ve=λІVhІ (1.27)
Ve=0,78
0,278=0,217 м3/c=217 л/c.
Согласно ГОСТ 23680-79
производительность компрессора не должна отличаться от номинальной более чем на
±5 %. В нашем случае отклонение составляет 0,3%.
Основные размеры и параметры
ступеней компрессора сводим в таблицe 1.3.
Таблица 1.3 ‒ Основные размеры
и параметры ступеней компрессора
|
Параметр
|
I
ступень
|
II
ступень
|
|
Число
цилиндров
|
1
|
1
|
|
Диаметр
цилиндра D,
м
|
0,42
|
0,25
|
|
Площадь
поршня Fп,
м2
|
0,14
|
0,05
|
|
Ход
поршня Sп,
м
|
0,16
|
0,16
|
|
Частота
вращения вала п0, 1/с
|
12,5
|
12,5
|
|
Объем,
описываемый поршнем, Vh:
|
|
м3/с
|
0,278
|
0,099
|
|
л/с
|
278
|
99
|
.5 ОПРЕДЕЛЕНИЕ ТЕМПЕРАТУРЫ НАГНЕТАНИЯ
Принимая, что сжатие воздуха
происходит по адиабате (
), находим температуру нагнетания
[1, уравнение (2.14)]:
Тн=Твсε (k-1)/k (1.28)
Расчет сведен в таблицe 1.4.
Таблица 1.4 ‒ К определению
температуры нагнетания:
|
Параметр
|
I
ступень
|
II
ступень
|
|
Твс,
к
|
295
|
305
|
|
εц
|
3,193
|
3,01
|
|
εц
(k-1)/k
|
1,39
|
1,31
|
|
Тн,к
|
411
|
418
|
Допустимой является температура нагнетания до
454 К.
.6 ОПРЕДЕЛЕНИЕ МОЩНОСТИ ПРИВОДА КОМПРЕССОРА
Определяем индикаторную мощность ступени
компрессора, используя упрощенную схематизированную диаграмму [см. рис. 3.6 и
уравнение (3.40)]:
Nинд.ст=p1VhΘ
(εц (n-1)/n-1), (1.29)
Где Θ ‒
коэффициент, учитывающий возвращение энергии в процессе обратного расширения
Θ =1-ам(εц 1/n -1) (1.30)
ΘІ
=1-0,1(3,193 1/1,4 -1)=0,871
Θ II
=1-0,1(3,01 1/1,4 -1)=0,88
Тогда индикаторные мощности по
ступеням:
NиндІ=0,0955
0,278
0,871
(3,3,193 (1,4-1)/1,4-1)106=31,564
кВт,
NиндІІ=0,273
0,099
0,888
(3,01 (1,4-1)/1,4-1)106 =25,805 кВт.
Индикаторная мощность компрессора
равна сумме индикаторных мощностей ступеней:
Nинд.к.= NиндІ+ NиндІІ (1.31)
Nинд.к.=31,6+25,8=57,4
кВт.
Задаемся значением механического
КПД[1, § 3.15]:
ήмех=0,85.
Эффективную мощность (мощность на
валу компрессора) определяем по Nинд.к и ήмех [1,
уравнение (3.52)]:
Ne= Nинд.к/ ήмех (1.32)
Ne=57,4/0,85=67,53
кВт.
Используя значение Ne, подбираем
электродвигатель и проверяем правильность задания п0 при определении основных
размеров ступеней. В случае значительного расхождения уточняем основные размеры
ступеней.
2. ПРОЕКТИРОВАНИЕ ПОРШНЕВОГО КОМПРЕССОРА
.1 ОПРЕДЕЛЕНИЕ ТОЛЩИНЫ СТЕНОК ЦИЛИНДРА
При давлении до 6 Мпа толщину стенки цилиндра S
можно определить исходя из представления цилиндра как тонкостенного сосуда.
Принимаем толщину стенки равную 10 мм.
.2 ОПРЕДЕЛЕНИЕ РАЗМЕРОВ ОСНОВНЫХ ЭЛЕМЕНТОВ
ПОРШНЕЙ И ПОРШНЕВЫХ ПАЛЬЦЕВ. ВЫБОР ПОРШНЕВЫХ КОЛЕЦ
Для І ступени:
Общая высота поршня:
H=(0,6...1,65)Дп
(2.1)
H=1,0
0,42=420 мм
Толщина днища поршня:
δ=(0,1...0,2) Дп (2.2)
δ=0,1
0,42=42 мм.
Толщина юбки поршня S1=8...12 мм
если Дп не превышает 300 мм, если превышает, тогда S1=15 мм
Принимаем S1=15 мм.
Расстояние от днища поршня до 1-ого
поршневого кольца:
е=10...15 мм
Принимаем е=12 мм.
Высота поршневого кольца[2]:
h=8
Высота перемычки b1 между
канавками:
b1≥h
b1=9 мм
Расстояние от днища поршня до оси поршневого
пальца:
h1=(0,6...0,8) Дп
(2.3)
h1=294 мм
Внутренний диаметр канавки в чугунном поршне под
поршневые кольца
Где t=10,5
- ширина поршневого кольца.
Диаметр бобышки:
dб=(1,3...1,4) dп
(2.4)
dб=1,3
126=164 мм
Количество поршневых колец (компрессионных)
определяется в зависимости от разности давлений нагнетания и всасывания
∆Р=РНі-РвсІ (2.5)
∆Р=0,283-0,1=0,183 мПа
Если ∆Р < 0,4 мПа - 2 компрессионных
кольца. В результате имеем: 1 маслосъёмное, 2 компрессионных.
Определяем монтажный зазор между поршнем и
цилиндром в холодном и нагретом состоянии: ∆М - в холодном, ∆Р - в
нагретом:
∆М=(0,003...0,008)Дп (2.6)
∆М=0,007
420=3 мм
∆Р=ε
Дп=(0,002...0,003) Дп (2.7)
∆Р = 0,003
420=0,00126 мм
По [2] ε=0,002...0,003 мм.
Для ІІ ступени:
Общая высота поршня:
H=(0,6...1,65)Дп
(2.8)
H=1
250=250 мм
Толщина днища поршня:
δ=(0,1...0,2) Дп (2.9)
δ=0,1
250 =25 мм
Толщина юбки поршня если Дп не
превышает 300 мм, если превышает, тогда S2=15 мм
Принимаем S1=12мм
Расстояние от днища поршня до 1-ого
поршневого кольца [2] е=10...15 мм:
Принимаем е=12 мм.
Высота поршневого кольца [2]:
Принимаем h=3,5
Высота перемычки b1 между
канавками:
b1=5,5 мм
Расстояние от днища поршня до оси поршневого
пальца:
h1=(0,6...0,8) Дп
(2.10)
h1=175 мм
Внутренний диаметр канавки в чугунном поршне под
поршневые кольца
Диаметр бобышки:
dб=(1,3...1,4) dп
(2.11)
dб=1,4
75=98 мм
Количество поршневых колец
(компрессионных) определяется в зависимости от разности давлений нагнетания и
всасывания. Если ∆Р = 0,4 - 0,7 мПа - 2 или 3 компрессионных кольца:
∆Р=РнІІ-РвсІІ (2.12)
∆Р=0,822-0,283=0,539 мПа
Принимаем 3 компрессионных кольца.
В результате имеем: 1 маслосъёмное,
3 компрессионных.
Определяем монтажный зазор между поршнем
и цилиндром в холодном и нагретом состоянии ∆М - в холодном, ∆Р - в
нагретом:
∆М=(0,003...0,008) Дп (2.13)
∆М=0,0007
250=1,75мм,
∆Р=ε
Дп=(0,002...0,003) Дп (2.14)
∆Р=0,003
250=0,75 мм
По [2] ε=0,002...0,003
мм
Рисунок 2.1
‒
Поршень в разрезе
Определение основных размеров поршневого пальца
Для І ступени:
Диаметр поршневого пальца:
dп=(0,25...0,3) Дп
(2.15)
dп=0,3
420=126 мм
Внутренний диаметр пальца:
dвн=(0,65...0,75)
dп (2.16)
dвн=0,7
126=88 мм
Длина пальца:
Lп=(0,78...0,88)
Дп (2.17)
Lп=0,8
420=336 мм
Для ІІ ступени:
Диаметр поршневого пальца:
dп=(0,25...0,3) Дп
(2.18)
dп=0,3
250=75 мм
Внутренний диаметр пальца:
dвн=(0,65...0,75)
dп (2.19)
dвн=0,7
75=52 мм
Длина пальца:
Lп=(0,78...0,88)
Дп (2.20)
Lп=0,8
250=200 мм.
Выбор поршневых колец
Для І ступени:
кольца УП440˟10 ГОСТ 9515-81
кольцо М
кольца УП280˟6 ГОСТ 9515-81
кольцо М
Рисунок 2.2
‒
Поршневой палец в разрезе
.3 ОПРЕДЕЛЕНИЕ ОСНОВНЫХ РАЗМЕРОВ ШАТУНА И
ШАТУННЫХ БОЛТОВ
Для І ступени:
Расстояние между осями шатуна
Lш=R/λR
(2.21)
где R
- радиус кривошипа;
λR=1/4...1/5
Lш=400
Конструктивно увеличиваем до 600 мм.
Диаметр головки шатуна:
dг =(1,5...1,7) dп
(2.22)
dг =1,6
126=202 мм
Длина поршневой головки для
закреплённого пальца
lш=(0,28...0,32)Дп
(2.23)
lш=0,3
=134 мм.
Плавающий палец имеет относительное
осевое перемещение в головке шатуна и в бобышке поршня и требует установки в
поршень ограничительных элементов (стопорных колец).Закреплённый палец
устанавливается по посадке с натягом в головку шатуна или в бобышки поршня.
Толщина стенки головки
hг>0,3dп (2.24)
hг>0,3
126=38 мм
где 1,5 - коэффициент запаса
принимаем 40 мм
Толщина запресованной втулки
Sп=0,09 dп (2.25)
Sп=0,09
126=11 мм
Ширина стержня шатуна
hшmin=(0,5...0,6)
(2.26)
hшmin=0,5
202=101 мм
hшmax=(1,2...1,4)
hшmin (2.27)
hшmax=1,3
=131 мм
Размер полок двутавра стержня
шатуна:
bш=(0,55-0,8)
Lш (2.28)
bш=0,55
134=74 мм
Длина кривошипной головки
Lк.г.=(0,45...0,95)dш.ш. (2.29)
Lк.г=0,45
=108мм
Диаметр шатунной шейки
dш.ш
0,68 Дп (2.30)
dш.ш
0,68
420=247 мм
Принимаем dш.ш=240 мм
Диаметр коренной шейки
dк.ш
dш.ш на
10…15% (2.31)
dк.ш =264 мм
Высота обоймы шатуна
h1=(0,55...0,65)
dш.ш (2.32)
h1=0,6
240=172 мм
Высота крышки головки
h2=(0,5...0,65)
dш.ш (2.33)
h2=0,6
240=172 мм
Диаметр шатунного болта
dш.б=(0,18...0,25)
dш.ш (2.34)
dш.б=0,2
240=48 мм
Расстояние между шатунными болтами
Сб=(1,2...1,3) dш.ш (2.35)
Сб=1,25∙240=350 мм
Для ІІ ступени:
Расстояние между осями шатуна
Lш=R/λR (2.36)
Lш=400
Конструктивно увеличиваем до 600 мм.
где R - радиус
кривошипа
λR=1/4...1/5
Длина поршневой головки для
закреплённого пальца
lш=(0,28...0,32)
Дп (2.37)
lш=0,32∙250=80
мм
Толщина стенки головки
hг>0,3∙dп (2.38)
hг>0,3∙75=22
мм
Толщина запресованной втулки:
Sп=0,09∙
dп (2.39)
Sп=0,09∙75=8
мм
Ширина стержня шатуна
hшmin=(0,5...0,6)
dг (2.40)
hшmin=0,5∙120=60
мм
hшmax=(1,2...1,4)
hшmin (2.41)
hшmax=1,3∙60=78
мм
Размер полок двутавра стержня
шатуна:
bш=(0,55-0,8)
lши (2.42)
bш=0,55∙80=44
мм
Длина кривошипной головки
Lк.г.=(0,45...0,95)dш.ш. (2.43)
Lк.г.=0,54∙170=76
мм
Диаметр шатунной шейки
dш.ш≤0,68
Дп (2.44)
dш.ш=0,68∙250=170
мм
Диаметр коренной шейки
dш.ш =170 мм
(2.45)
dк.ш =188 мм
Высота обоймы шатуна
h1=(0,55...0,65)
dш.ш (2.46)
h1=0,6∙170=102
мм
Высота крышки головки
h2=(0,5...0,65)
dш.ш (2.47)
h2=0,6∙170=102
мм
Диаметр шатунного болта
dш.б=(0,18...0,25)
dш.ш (2.48)
dш.б=0,2∙170=34
мм
Расстояние между шатунными болтами
Сб=(1,2...1,3) dш.ш (2.49)
Сб=1,2∙170=204 мм
В связи с тем, что шатуны первой и
второй ступени размещаются на одной шатунной шейке, размеры шатуна второй
ступени, конструктивно принимаем равными размерам шатуна первой ступени.
Рисунок 2.3 ‒
Шатун
2.4 ВЫБОР КЛАПАНОВ ПО ПРОПУСКНОЙ СПОСОБНОСТИ.
ПОДБОР ПРУЖИН КЛАПАНОВ
Допустимую относительную потерю мощности в
клапанахDNкл/Nинд
выбираем из таблицы 2.1
Таблица 2.1 - Относительные потери мощности и
критерий скорости для всасывающего клапана:
|
Параметр
клапана
|
Давление
всасывания, Па
|
|
0,1…0,5
|
0,5…1,5
|
1,5…5
|
5…15
|
15…50
|
|
( Nкл/Nном)max,%11,29,27,45,84,4
|
|
|
|
|
|
|
Fвс max
|
0,22
|
0,2
|
0,18
|
0,16
|
0,14
|
По выбранному допустимому значению находим
соответствующие значения критерия скорости F
из графика 2.5
Рисунок 2.4 - Суммарная потеря мощности во
всасывающем и нагнетательных клапанах ступеней в зависимости от F
Скорость звука при условиях в клапане:
aзв = 
(2.58)
Где R ‒
газовая постоянная воздуха; R=287.2 Дж/(кгК) [1]
Рассчитываем допустимую условную
скорость газа в клапане [1].
vф,вс1
= Faзв
(2.59)
Определяем необходимое значение
эквивалентной площади клапана [1].
Ф = 
(2.60)
В 1 ступени выбираем число клапанов:Zвс.кл=2;Zн.кл=2; во 2
ступени: Zвс.кл=1;Zн.кл=1.
Расчет сводим в таблицу 2.2
Таблица 2.2 ‒ К расчету
эквивалентной площади клапана
|
Параметр
|
1
ступень
|
2
ступень
|
|
Всасывание
|
Нагнетание
|
Всасывание
|
Нагнетание
|
|
F
|
0.22
|
0.22
|
0.22
|
0.22
|
|
aзв,
м/с
|
344,4
|
407
|
350,2
|
410
|
|
vф,м/с
|
76
|
89,5
|
77
|
90,2
|
|
Ф,
см2
|
36,9
|
31,9
|
26
|
22,2
|
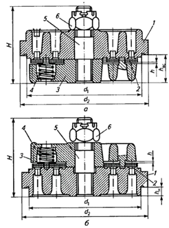
Рисунок 2.5 ‒ Кольцевые клапаны с
точечными пружинами (типа КТ):
а‒всасывающий; б‒нагнетательный; 1‒седло;
2‒ограничитель; 3‒пластина; 4‒пружина; 5‒шпилька; 6‒гайка
По необходимым значениям эквивалентной площади
клапанов подбираем стандартизованные клапаны типа КТ по ГОСТ 26-12-2030 81,
[1]: всасывающие клапаны I ступени ВКТ 160-2,0-1,0 с эквивалентной площадью
23.1 см2; нагнетательные клапаны I ступени НКТ 140-2,5-1,0 с эквивалентной
площадью 20.3 см2; всасывающий клапан II ступени ВКТ 125-2,5-1,0 с
эквивалентной площадью 14.7 см2; нагнетательный клапан II ступени НКТ
110-2,5-1,0 с эквивалентной площадью 11.8 см2.
Проверка компоновки клапанов на крышке цилиндров
показывает, что выбранные клапаны могут быть расположены в крышке цилиндра при
выполнении в цилиндре карманов ‒ каналов, лобовая площадь которых не
превышает 40 % площади посадочных гнезд клапанов, что допустимо.
Подбор пружин клапанов.
Из уравнения неразрывности [1] найдем
скорректированное значение эквивалентной скорости газа в клапане.

= 
(2.61)
Скорректированное значение критерии
скорости газа в клапане [1].
F =
(2.62)
По известному скорректированному
значению критерия скорости F находим максимальное значение
относительной потери давления в клапанеÀmax в теоретическом случае.
Задаемся отношением q =Àп.о/Àmax.т [1
уравнение (6.46)].
По известным значениямÀmax.тиq найдем минимальное значение
относительного перепала давления в клапане, необходимого для преодоления силы
упругости пружины в полностью открытом клапане
Àи.о = qÀmax.т (2.63)
Минимальный перепад давления,
необходимый для полного открытия клапана [1, уравнение (6.47)]
DPп.о = Àп.оР (2.64)
Находим отношение полной высоты
подъема пластины к ширине прохода в щели h/b.[1].
На основании полученного значения
отношении h/b из рисунка
2.8 находим коэффициент давления потока Рp.
Рисунок 2.6 - Коэффициент давления потока для
кольцевых и дисковых клапанов
Рассчитываем приведенную силу упругости пружины
[1, уравнение(6.48)]
Впр= DPп.о
Рp (2.65)
Впр,вс1 = 1400∙1.2 = 1680 Н/м2
Впр,н1 = 6120∙1.28 = 7833,6 Н/м2
Округляем значение приведенной силы упругости
пружины до ближайшего номинального значения Впр.ном .
Впр.ном,вс1 = 2000 Н/м2
Впр.ном,н1 = 8000 Н/м2
Определяем силу давления пружины на пластину
клапана [1, уравнение (6.48)]
Рпр.ном = Впр.номfc
(2.66)
Рпр.ном,вс1 = 2000∙0.005 =10
Рпр.ном,н1 = 8000∙0.0045 = 40
Расчет сводим в таблицу 2.3.
Таблица 2.3 ‒ Расчёт пружин клапанов
|
Параметр
|
1
ступень
|
2
ступень
|
|
Всасывание
|
Нагнетание
|
Всасывание
|
Нагнетание
|
|
 , м/с7689,57790
|
|
|
|
|
|
aзв,
м/с
|
344
|
407
|
350
|
410
|
|
F
|
0,214
|
0,201
|
0,194
|
0,208
|
|
Àmax.т
|
0,07
|
0,09
|
0,068
|
0,092
|
|
q
|
0,2
|
0,2
|
0,2
|
0,2
|
|
Àп.о
|
0,014
|
0,018
|
0,0136
|
0,0184
|
|
DPп.о, Н/м2
|
1400
|
6120
|
4624
|
21160
|
|
h/b
|
0,25
|
0,417
|
0,3125
|
0,357
|
|
Pp
|
1.2
|
1,28
|
1,24
|
1.26
|
|
Впр,
Н/м2
|
1680
|
7833.6
|
5733.76
|
26661.6
|
|
Впр.ном,
Н/м2
|
2000
|
8000
|
6000
|
30000
|
|
Рпр.ном,
Н
|
10
|
36
|
27
|
90
|
.5 ПРОЕКТИРОВАНИЕ ГАЗООХЛАДИТЕЛЕЙ
.5.1 РАСЧЕТ РАСХОДА ОХЛАЖДАЮЩЕЙ ЖИДКОСТИ
Межступенчатые газоохладители используют для
охлаждения газа между ступенями сжатия. Газоохладители выпускают в различных
конструктивных исполнениях: кожухотрубными, в виде элементов типа «труба в
трубе», U-образными,
змеевиковыми, секционными и радиаторными. Для низких давлений (до 3...3,5 МПа)
используют преимущественно кожухогрубные, элементные, пластинчатые и
пластинчато - ребристые, а для более высоких давлений ‒ кожухотрубные,
«труба в трубе» и U-образные.
Так как в нашем случае Pн1
= 0,339 МПа, то выбирем кожухотрубный промежуточный охладитель газа.
Конструктивно кожухотрубный охладитель
представляет собой пучок труб, закрепленных в трубных дисках и заключенных в
общий кожух (рисунок 2.7). Охлаждаемый газ направляют сверху вниз, а поток
воды, температура которой в охладителе повышается, - снизу вверх, чтобы
избежать свободных токов во встречном направлении. Кожухотрубные газоохладители
могут изготавливаться из труб с продольными ребрами. В таких конструкциях
необходимо обеспечить хорошее равномерное омывание трубок газом. Для этого,
например, вокруг каждой трубки устанавливают кожух, направляющий поток газа
вдоль трубки. Такие трубки называются трубками Фильда.
Рисунок 2.7 - Кожухотрубный газоохладитель
компрессор
газоохладитель поршневой
Расход охлаждающей воды W
(л/с) определяют, учитывая, что общий тепловой поток Q,
отводимый от газа в охладителе, складывается из теплового потока Q1
при охлаждении сухого газа и дополнительного теплового потока Q2,
обусловленного охлаждением и частичной конденсацией водяного пара,
содержащегося в газе:
Q=Q1
+ Q2. (2.67)
Q=9611,6+96115,8=105727
Дж
При незначительных изменениях теплоемкости газа
при постоянном давлении тепловой поток при охлаждении сухого газа:
Q1 = mcp(tl-t2),
(2.68)

Дж
где m ‒
массовый расход газа через охладитель, кг/с;
t1 и t2 ‒
температуры газа при входе в охладитель и при выходе из него, К;
cp= 1.005
103 Дж/(кг
К) - средняя удельная теплоемкость
водяного пара при постоянном давлении.
В приближенных расчетах газоохладителей
поршневых компрессоров можно принять:
Q2 = (0,1...0,12)Q1
(2.69)
Q2=0,1
=9611,6 Дж
Необходимый расход охлаждающей воды
через газоохладитель:

(2.70)
где 
и 
- температура воды на входе и выходе
из газоохладителя, К;
Cрв =4,174
103 Дж/(кг
К) - удельная теплоемкость
окружающей среды.
2.5.2 ОПРЕДЕЛЕНИЕ ПЛОЩАДИ ПОВЕРХНОСТИ
ТЕПЛООБМЕНА
Площадь необходимой поверхности теплообмена
может быть найдена для тонкостенных гладких труб по формуле

(2.71)
Где К =250 Вт/(м2К) - коэффициент
теплопередачи

- средний температурный напор

(2.72)
где 
‒ поправочный коэффициент,
зависящий от температур теплоносителей на входе в охладитель и на выходе из
него и взаимной ориентации направлений потоков охлаждаемой и охлаждающей
жидкостей (газов).
Физический смысл поправки 
, заключается в том, что она
показывает, во сколько раз количество теплоты, перешедшей от одного
теплоносителя к другому в рассматриваемом теплообменнике, отличается от
количества теплоты, прошедшей через стенки отдельной трубы при противоточном
движении теплоносителей, при одинаковых теплообменных поверхностях в
коэффициентах теплопередачи. Значения поправочных коэффициентов 
, представляют графически в
зависимости от безразмерных комплексов

и 
(2.73 и 2.74)
R=5,4
P=0,184
Так как R>4, то
принимаем 
=1
2.5.3 ОПРЕДЕЛЕНИЕ ОСНОВНЫХ ГЕОМЕТРИЧЕСКИХ
ПАРАМЕТРОВ ГАЗООХЛАДИТЕЛЯ
Количество трубок в пучке газоохлодителя
определяется по формуле:

(2.75)
Где 
- внутренний диаметр трубок[1, с.
341]
L=1,3м -
длина газоохлодителя
Площадь загромождения трубками
проточной части для прохода газа рассчитывается по формуле

(2.76)
Где d2 - наружный
диаметр трубок[ ]
Площадь для прохода газа между
трубками:

(2.77)
Площадь внутренней поверхности
кожуха:

(2.78)
Внутренний диаметр кожуха
газоохладителя:

(2.79)
Толщину стенки кожуха газоохладителя
принимаем 10 мм. Следовательно наружный диаметр кожуха:
3. ДИНАМИЧЕСКИЙ РАСЧЕТ КОМПРЕССОРА
.1 РАСЧЕТ СИЛ ДЕЙСТВУЮЩИХ ПРИ ПОСТУПАТЕЛЬНОМ
ДВИЖЕНИИ
1. При движении поршня изменяется объем рабочей
полости цилиндра, изменяется и давление газа в этой полости. Изменение давления
газа в рабочей полости можно изобразить графически в виде зависимости от
положения поршня, т.е. от объема рабочей полости цилиндра. Таким образом,
графическая зависимость давления газа в рабочей полости от положения поршня или
от объема рабочей полости называется индикаторной диаграммой.
Для изучения особенностей работы и для расчета
действительного компрессора вес процессы (всасывание, сжатие, нагнетание и
обратное расширение) представляют упрощенно, условно, так, чтобы для расчета
компрессора можно было применить простые термодинамические зависимости. Этому
требованию соответствует схематизированная индикаторная диаграмма, которая
состоит из простых термодинамических процессов, условно протекающих таким
образом, что при расчетах получаются результаты, справедливые(с некоторым
приближением) для действительного компрессора.
Для нахождения сил давления газа на поршень
целесообразно откладывать по оси ординат произведение Р ·F , где F- площадь
поршня. По горизонтальной оси ординат откладываем перемещение поршня от верхней
мертвой точки. Эта рекомендация удобна тем, что при построении индикаторных
диаграмм многоступенчатого компрессора можно пользоваться одинаковыми
масштабами для всех ступеней. Произведение Р ·F для различных ступеней
получается близким, так как с увеличением порядкового номера ступени давления Р
растут, а величина F уменьшается.
Для построения диаграммы необходимы следующие
значения:
Для І ступени:
1. Номинальное давление
всасывания Рвс
=0,1 МПа;
. Номинальное давление
нагнетания Рн
=0,305 МПа;
. Показатель политропы n=1,339
Находим коэффициент ам:
амІ=
(3.1)
Мертвый объем вычисляем по формуле:
VмІ =hІSІ=h
(3.2)
Где h-высота
мертвого пространства,
h=0,005SnІ+0,5 (3.3)
hІ=0,005
160+0,5=1,3 мм
VмІ=1,3
.
Объем хода поршня:
І =FnІSnІ (3.4)І
=0,14
0,16=0,02248 м3

.
Получим значения объема для
построения кривой сжатия по формуле:

= 
(3.5)
Где n=1,339-
показатель политропы
Результаты расчета сведем в таблицу
3.1
Таблица 3.1-Изменение объема в
процессе сжатия
|
Py, МПа
|
Vy, см3
|
|
0.1
|
22663,87
|
|
0.129
|
18877,5
|
|
0.158
|
16320,11
|
14460,58
|
|
0.216
|
13038,81
|
|
0.245
|
11911,36
|
|
0.274
|
10992,18
|
|
0.305
|
10178,11
|
Перемещение поршня также связано с углом
поворота коленчатого вала, поэтому индикаторную диаграмму также построим в
координатах PF-φ,
где φ
- угол поворота коленчатого вала (кривошипа). За начальный момент отсчета угла
поворота коленчатого вала принимаем положение кривошипа, соответствующее
положению поршня в верхней мертвой точке. Вычислим значения для построения
кривой нагнетания по формуле:

= a
(3.6)
Результаты расчета сведем в таблицу
3.2
Таблица 3.2 Изменение объема в
процессе сжатия
|
Рx,
МПа
|
 , см3
|
|
0,305
|
347,992
|
|
0,274
|
387,3633
|
|
0,245
|
433,2145
|
|
0,216
|
491,3776
|
|
0,187
|
567,5805
|
|
0,158
|
671,7567
|
|
0,129
|
822,7718
|
|
0,1
|
1061,376
|
Для ІІ ступени:
4. Номинальное давление
всасывания Рвс
=0,305 МПа;
. Номинальное давление
нагнетания Рн
=0,822 МПа;
. Показатель политропы n=1,339
Находим коэффициент ам:
амІІ=
(3.7)
Мертвый объем вычисляем по формуле:
VмІІ =hІІSІІ=h
(3.8)
Где h-высота
мертвого пространства,
h=0,005SnІ+0,5 (3.9)
hІ=0,005
160+0,5=1,3 мм
VмІІ=1,3
.ІІ =FnІІSnІІ (3.10)ІІ
=0,05
0,16=0,00803 м3=8030 см3

.
Получим значения объема для
построения кривой сжатия по формуле:

= 
(3.11)
Где n=1,366-
показатель политропы
Результаты расчета сведем в таблицу
3.3
Таблица 3.3‒Изменение объема в
процессе сжатия.
|
Py,
Мпа
|
Vy,
см3
|
|
0,305
|
8093,44
|
|
0,379
|
6924,945
|
|
0,453
|
6092,791
|
|
0,527
|
5465,727
|
|
0,601
|
4973,79
|
|
0,675
|
4576,035
|
|
0,749
|
4246,787
|
|
0,822
|
3972,543
|

= a
(3.12)
Результаты расчета сведем в таблицу
3.4
Таблица 3.4 ‒ Изменение объема
в процессе сжатия
|
Рx,
МПа
|
 , см3
|
|
0,822
|
45,5
|
|
0.749
|
50,0
|
|
0.657
|
55,5
|
|
0.601
|
62,3
|
|
0.527
|
71,0
|
|
0.453
|
82,6
|
|
0.379
|
98,8
|
|
0.305
|
122,7
|
Таким образом, существует два вида диаграмм
поршневого компрессора: свернутая и развернутая. Первая - это графическое
изображение изменения давления внутри цилиндра в зависимости от положения
поршня, т.е. от текущего объема рабочей полости; вторая - графическое
изображение изменения давления газа в рабочей полости цилиндра в зависимости от
угла поворота коленчатого вала, т. е. от времени.
. Для определений сил инерции подвижных
элементов механизма движения компрессора необходимо знать характер изменения их
ускорения и массы движущихся частей. Массы поршня или поршневой группы, штока,
крейцкопфа совершенной возвратно- поступательное движение. Шатун совершает сложное
плоско-параллельное движение, которое можно рассматривать как результат
сложения двух движений:
.Возвратно-поступательного движения шатуна
вместе с поршневой группой.
.Вращательного движения шатуна вокруг оси
кривошипной шейки коленвала.
Считают, что массы, движущиеся возвратно
поступательно, сосредоточены в центре поршневого (крейцкопфного) пальца.
Общая сумма этих масс
∑ms=mпор+mшт+mкр+mмг, (3.13)
Где mпор,mшт,mкр - масса комплекта поршня или
поршневой группы, штока, крейцкопфа соответственно.
Мгновенное ускорение поршня

(3.14)
Где 
- угловая скорость; 
- радиус кривошипа; 
- длина шатуна
Сила инерции вычисляется по формуле
Js=ms
(3.15)
Результаты расчета для 1 и 2
ступеней сведем в таблицы 3.5 и 3.6
Таблица 3.5- Расчет сил инерции 1
ступени.
|
ω
|
f
|
R
|
|
|
ms
|
Js
|
|
78,5
|
0
|
0.08
|
0.78
|
877,51
|
140
|
122850,8
|
|
15
|
|
|
809,19
|
|
113286,8
|
|
30
|
|
|
619,20
|
|
86687,5
|
|
45
|
|
|
348,59
|
|
48802,61
|
|
60
|
|
|
54,23
|
|
7591,904
|
|
75
|
|
|
-205,42
|
|
-28758,2
|
|
90
|
|
|
-384,53
|
|
-53833,5
|
|
105
|
|
|
-460,60
|
|
-64484,2
|
|
120
|
|
|
-438,75
|
|
-61425,4
|
|
135
|
|
|
-348,59
|
|
-48802,6
|
|
150
|
|
|
-234,67
|
|
-32854
|
|
165
|
|
|
-143,17
|
|
-20044,4
|
|
180
|
|
|
-108,46
|
|
-15183,8
|
|
195
|
|
|
-143,17
|
|
-20044,4
|
|
210
|
|
|
-234,67
|
|
-32854
|
|
225
|
|
|
-348,59
|
|
-48802,6
|
|
240
|
|
|
-438,75
|
|
-61425,4
|
|
255
|
|
|
-460,60
|
|
-64484,2
|
|
270
|
|
|
-384,53
|
|
-53833,5
|
|
285
|
|
|
-205,42
|
|
-28758,2
|
|
300
|
|
|
54,23
|
|
7591,904
|
|
315
|
|
|
348,59
|
|
48802,61
|
|
330
|
|
|
619,20
|
|
86687,5
|
|
345
|
|
|
809,19
|
|
113286,8
|
|
360
|
|
|
877,51
|
|
122850,8
|
Таблица 3.6- Расчет сил инерции 2 ступени.
|
ω
|
f
|
R
|
|
|
ms
|
Js
|
|
78,5
|
0
|
0,08
|
0,79
|
882,44
|
110
|
97067,92
|
|
15
|
|
|
813,46
|
|
89480,67
|
|
30
|
|
|
621,66
|
|
68382,74
|
|
45
|
|
|
348,59
|
|
38344,91
|
|
60
|
|
|
51,76
|
|
5693,928
|
|
75
|
|
|
-209,68
|
|
-23065,3
|
|
90
|
|
|
-389,45
|
|
-42840
|
|
105
|
|
|
-464,87
|
|
-51135,8
|
|
120
|
|
|
-441,22
|
|
-48534
|
|
135
|
|
|
-348,59
|
|
-38344,9
|
|
150
|
|
|
-232,21
|
|
-25542,7
|
|
165
|
|
|
-138,91
|
|
-15279,6
|
|
180
|
|
|
-103,53
|
|
-11387,9
|
|
195
|
|
|
-138,91
|
|
-15279,6
|
|
210
|
|
|
-232,21
|
|
-25542,7
|
|
225
|
|
|
-348,59
|
|
-38344,9
|
|
240
|
|
|
-441,22
|
|
-48534
|
|
255
|
|
|
-464,87
|
|
-51135,8
|
|
270
|
|
|
-389,45
|
|
-42840
|
|
285
|
|
|
-209,68
|
|
-23065,3
|
|
300
|
|
|
51,76
|
|
5693,928
|
|
315
|
|
|
348,59
|
|
38344,91
|
|
330
|
|
|
621,66
|
|
68382,74
|
|
345
|
|
|
813,46
|
|
89480,67
|
|
360
|
|
|
882,44
|
|
97067,92
|
3.2 РАСЧЕТ СИЛ ДЕЙСТВУЮЩИХ ПРИ ВРАЩАТЕЛЬНОМ
ДВИЖЕНИИ
Силы действующие при вращательном движении
(рисунок 3.1)
Сила действующая по шатуну:

(3.16)
Нормальная сила N, с которой
поршень прижимается к цилиндру:

(3.17)
Тангенциальная сила:

(3.18)
Радиальная сила:

(3.19)
Рисунок 3.1 - Силы действующие при
вращательном движении
Результаты расчета для 1 и 2 ступеней сведем в
таблицы 3.7 и 3.8
Таблица 3.6 ‒ Расчет сил для 1 ступени
|
|
Pn
|
|
Рш
|
Nв
|
Pt
|
Nc
|
|
0
|
0,275
|
0
|
0,275
|
0
|
0
|
0,275
|
|
15
|
0,1
|
1,59
|
0,100038518
|
0,002775786
|
0,028563
|
0,095874
|
|
30
|
0,1
|
3,49
|
0,100185801
|
0,006098744
|
0,055281
|
0,083553
|
|
45
|
0,1
|
5,25
|
0,100421275
|
0,009188709
|
0,077208
|
0,06421
|
|
60
|
0,1
|
6,38
|
0,100623183
|
0,011181453
|
0,092193
|
0,040316
|
|
75
|
0,1
|
7,24
|
0,100803712
|
0,012703871
|
0,099880
|
0,013610
|
|
90
|
0,1
|
7,40
|
0,100839879
|
0,012987732
|
0,1
|
-0,012987
|
|
105
|
0,1
|
7,24
|
0,100803712
|
0,093304
|
-0,038152
|
|
120
|
0,1
|
6,38
|
0,100623183
|
0,011181453
|
0,081011
|
-0,059683
|
|
135
|
0,1
|
5,25
|
0,100421275
|
0,009188709
|
0,064213
|
-0,077208
|
|
150
|
0,1
|
3,49
|
0,100185801
|
0,006098744
|
0,044718
|
-0,089651
|
|
165
|
0,1
|
1,59
|
0,100038518
|
0,002775786
|
0,023200
|
-0,097311
|
|
180
|
0,1
|
0
|
0,1
|
0
|
0
|
-0,1
|
|
195
|
0,102
|
-1.59
|
0,102039288
|
-0,002831302
|
-0,023664
|
-0,099257
|
|
210
|
0,111
|
-3,49
|
0,111206239
|
-0,006769605
|
-0,049637
|
-0,099513
|
|
225
|
0,126
|
-5,25
|
0,126530806
|
-0,011577774
|
-0,080908
|
-0,097282
|
|
240
|
0,149
|
-6,38
|
0,149928542
|
-0,016660365
|
-0,120707
|
-0,088928
|
|
255
|
0.189
|
-7,24
|
0,190519016
|
-0,024010317
|
-0,176345
|
-0,072108
|
|
270
|
0,263
|
-7,40
|
0,265208882
|
-0,034157736
|
-0,263
|
-0,034157
|
|
285
|
0,305
|
-7,24
|
0,307451322
|
-0,038746808
|
-0,304635
|
0,041513
|
|
300
|
0,305
|
-6,38
|
0,306900707
|
-0,034103431
|
-0,281189
|
0,122965
|
|
315
|
0,305
|
-5,25
|
0,306284887
|
-0,028025563
|
-0,235484
|
0,195850
|
|
330
|
0,305
|
-3,49
|
0,305566692
|
-0,018601168
|
-0,168609
|
0,254837
|
|
345
|
0,305
|
-1,59
|
0,305117478
|
-0,008466148
|
-0,087117
|
0,292416
|
|
360
|
0,305
|
0
|
0,305
|
0
|
0
|
0,305
|
Таблица 3.7- Расчет сил для 2 ступени
|
|
Pn
|
|
Рш
|
Nв
|
Pt
|
Nc
|
|
0
|
0,305
|
0
|
0,305
|
0
|
0
|
0,305
|
|
15
|
0,305
|
1,59
|
0,305117478
|
0,008466148
|
0,087117
|
0,2924161
|
|
30
|
0,305
|
3.49
|
0,305566692
|
0,018601168
|
0,168609
|
0,2548371
|
|
45
|
0,305
|
5,25
|
0,306284887
|
0,028025563
|
0,235485
|
0,1958505
|
|
60
|
0,305
|
6,38
|
0,306900707
|
0,034103431
|
0,281189
|
0,1229655
|
|
75
|
0,305
|
7,24
|
0,307451322
|
0,038746808
|
0,304636
|
0,0415132
|
|
90
|
0,305
|
7,40
|
0,307561631
|
0,039612584
|
0,305000
|
-0,0396125
|
|
105
|
0,305
|
7,24
|
0,307451322
|
0,038746808
|
0,284579
|
-0,1163663
|
|
120
|
0,305
|
6,38
|
0,306900707
|
0,034103431
|
0,247086
|
-0,1820344
|
|
135
|
0,305
|
5,25
|
0,306284887
|
0,028025563
|
0,195851
|
-0,2354846
|
|
150
|
0,305
|
3,49
|
0,305566692
|
0,018601168
|
0,136391
|
-0,2734383
|
|
165
|
0,305
|
1,59
|
0,305117478
|
0,008466148
|
0,070762
|
-0,2967985
|
|
180
|
0,305
|
0
|
0,305
|
0
|
0
|
-0,305
|
|
195
|
0,312
|
-1.59
|
0,312120175
|
-0,0086604
|
-0,072386
|
-0,3036103
|
|
210
|
0,335
|
-3.49
|
0,335622433
|
-0,0204307
|
-0,149806
|
-0,3003339
|
|
225
|
0,379
|
-5,25
|
0,38059663
|
-0,0348252
|
-0,243368
|
-0,2926186
|
|
240
|
0,454
|
-6,38
|
0,456829249
|
-0,0507637
|
-0,367794
|
-0,2709627
|
|
255
|
0,580
|
-7,24
|
0,58466153
|
-0,0736824
|
-0,541167
|
-0,2212868
|
|
270
|
0,796
|
-7,40
|
0,802685437
|
-0,103382
|
-0,796000
|
-0,103382
|
|
285
|
0,822
|
-7,24
|
0,828606512
|
-0,1044258
|
-0,821018
|
0,1118816
|
|
300
|
0,822
|
-6,38
|
0,827122561
|
-0,0919115
|
-0,757829
|
0,331402
|
|
315
|
0,822
|
-5,25
|
0,825462877
|
-0,0755311
|
-0,634650
|
0,5278331
|
|
330
|
0,822
|
-3.49
|
0,823527282
|
-0,0501316
|
-0,454415
|
0,6868070
|
|
345
|
0,822
|
-1.59
|
0,822316614
|
-0,0228169
|
-0,234789
|
0,7880855
|
|
360
|
0,822
|
0
|
0,822
|
0
|
0
|
0,822
|
.3 ОПРЕДЕЛЕНИЕ РАЗМЕРОВ МАХОВИКА ПО МАХОВОМУ
МОМЕНТУ
Масса маховика:

(3.20)
Где V - объём
обода маховика (V=0.0299 м3);
Максимально допустимый диаметр
окружности, проходящей через центр тяжести сечения обода маховика, определяют
из условия допустимой (из соображения прочности) окружной скорости 
, которая составляет для чугунных
литых маховиков С=30…40 м/с.
Откуда D:

(3.21)
Принимаем D=0.81 м
rв =0,405 м
n0 - частота
вращения компрессора
Момент инерции маховика:

(3.22)
Где 
- удельный вес материала
маховика(7,85г/см3);

- ускорение свободного падения;
S - площадь
сечения маховика (принимаем 0.0072 м2);
rср -
принимаем 0,385 м
Степень неравномерности угловой
скорости маховика не должна превышать заданной. Она выбирается в зависимости от
привода компрессора. Для клиноременной и ременной передачах δ=

(3.23)
Что соответствует интервалу δ=
.
4. СМАЗКА КОМПРЕССОРА
Для нормальной работы поршневого компрессора его
узлы трения должны смазываться маслом.
Смазка внутренних узлов компрессора
может производиться различными способами в зависимости от мощности
рассматриваемого компрессора <#"698613.files/image145.gif">
.
Был произведен термодинамический
расчёт: номинальное давление Рвс(І)=0,1МПа, Рвс(ІІ)=0,283МПа, Рн(І)=0,283МПа,
Рн(ІІ)=0,822МПа; коэффициенты подачи λІ=0,78, λІІ=0,79;
диаметры ступеней D1=0,42 м, DІІ=0,25 м.
Также были определены основные размеры элементов поршней и поршневых пальцев,
рассчитаны и подобраны клапана. Был спроектирован промежуточный охладитель
трубчатый, цилиндрической формы диаметром 300 мм, длинной 1300 мм, количество
трубок 100 штуки. Был выполнен расчёт параметров маховика, и произведен общий
анализ смазки поршневых компрессоров.
Список использованных источников
1 Пластинин, П.И. Поршневые компрессоры.
Том 1. Теория и расчёт. - 3-е изд., доп. - М.: КолосС, 2006. - 456 с.: ил. -
(Учебники и учеб. пособия для студентов высш. учеб. заведений).
Пластинин, П.И. Поршневые
компрессоры. Том 2. Основы проектирования. Конструкции. - 3-е изд., перераб. и
доп. - М.: КолосС, 2008. - 711 с.: ил. - (Учебники и учеб. пособия для
студентов высш. учеб. заведений).
3 Гузенков, П.В. Детали машин - М.:
Машиностроение, 1987. - 158с.: ил.
Курмаз, Л.В., Скойбеда, А.Т. Детали
машин. Проектирование: Учеб. Пособие - Мн.: УП «Технопринт», 2001. - 290 с ISBN
985-464-029-9
ПРИЛОЖЕНИЕ