Поверка средств измерений

  • Вид работы:
    Курсовая работа (т)
  • Предмет:
    Другое
  • Язык:
    Русский
    ,
    Формат файла:
    MS Word
    687,04 Кб
  • Опубликовано:
    2013-11-14
Вы можете узнать стоимость помощи в написании студенческой работы.
Помощь в написании работы, которую точно примут!

Поверка средств измерений

Введение

Технический прогресс, совершенствование технологических процессов, производство точных, надежных и долговечных машин и приборов, повышение качества продукции, обеспечение взаимозаменяемости и кооперирования производства невозможны без развития метрологии и постоянного совершенствования техники измерений.

Метрология - это наука об измерениях и средствах обеспечения их единства и способах достижения требуемой точности. Роль метрологии, находящейся в авангарде научно-технического прогресса трудно переоценить.

На рубеже веков, когда информационные технологии с каждым годом расширяют сферу свой деятельности в общественных и производственных отношений, точные и достоверные измерения, являющиеся достоверным источником любой информации, становятся еще более значимыми.

Основные проблемы метрологии: развитие общей теории измерений; установление единиц физических величин и их системы; разработка методов и средств измерений, а также методов определения точности измерений; обеспечение единства измерений, единообразия средств и требуемой точности измерения; установление эталонов и образцовых средств измерений; разработка методов передачи размеров единиц от эталонов или образцовых средств измерений рабочим средствам измерений и др. Важнейшая роль в решении указанных проблем отводится государственной метрологической службе, имеющей научно-исследовательские институты и разветвленную сеть лаборатории государственного надзора и других организаций.

Под измерением понимают нахождение значений физической величины опытным путем с помощью специально для этого предназначенных технических средств.

Единица физической величины - это величина фиксированного размера, принятая по согласованию в качестве для количественного оценивания физических величин той же природы.

Измерения производят с целью установления действительных размеров изделий и соответствия их требованиям чертежа, так и для проверки точности технологической системы и подналадки ее для предупреждения появления брака.

Вместо определения числового значения величины для упрощения часто проверяют, находится ли действительное значение этой величины (например, размер детали) в установленных пределах. Процесс получения и обработки информации об объекте (параметрах детали, механизма, процесса и т.д.) с целью определения его годности или необходимости введения управляющих воздействий на факторы, влияющие на объект, называется контролем. При контроле деталей проверяют соответствие действительных значений геометрических, механических, электрических и других параметров допустимым значениям этих параметров. Для унификации единиц физических величин в международном масштабе создана Международная система единиц СИ.

Повышение роли метрологии обусловило введение в учебные планы высших учебных заведений Республики Казахстан ряда специальности курса «Метрология». В соответствии с типовой учебной программой специальности «Стандартизация и сертификация», в результате изучения дисциплины «Метрология», студенты должны:

·  знать и уметь использовать основные метрологические понятия и термины, международную систему единиц СИ, виды и методы измерений, разновидности погрешностей и законы их распределений, методы обработки результатов измерений, основные типы средств измерений, методы контроля и испытаний;

·        приобрести практические навыки работы с контрольно-измерительной и испытательной техникой, определения требований к составу и характеристикам операций измерений, применение методов обработки результатов измерения и анализа их достоверности, использования средств измерений, испытаний, контроля.

Данный курсовой проект содержит большую часть положений и сведений, составляющих основу метрологии.

Целью данной работы является:

·  закрепление теоретических знаний и практических навыков по данной дисциплине - « Метрология»;

·        систематизирование и закрепление теоретических знаний по методике измерений «Мощности, потребляемой токарным станком» и обработка результатов измерений исходных данных на основе выбранного метода;

·        изучение сущности ее определения различными методами.

Основные задачи курсового проекта:

·  получить навыки системного анализа базовой и справочной информации, необходимой для разработки методик измерений твердости металла;

·        теоретически и практически ознакомиться с выбранным прибором измерений;

·        получить практические навыки самостоятельного решения задач данного нам типа;

·        закрепить теоретические знания и практические навыки по данной дисциплине;

·        реализовать знание действующих нормативно-технических документов при оформлении курсового проекта по данной дисциплине.

Глоссарий

Ваттметр - измерительный прибор, предназначенный для определения мощности электрического тока или электромагнитного сигнала.

Вид средств измерений - совокупность средств измерений, предназначенных для измерений одного вида физической величины. Вид средств измерений может включать несколько типов средств измерений.
Вспомогательное средство измерений - средство измерений физической величины, влияние которой на основное средство измерений или объект измерений необходимо учесть для получения результатов измерений требуемой точности.
Единство измерений - состояние измерений, при котором их результаты выражены в узаконенных единицах величин и погрешности измерений не выходят за установленные границы с заданной вероятностью.
Измерение - нахождение значения физической величины опытным путем с помощью специальных технических средств, имеющих нормированные метрологические свойства.
Измерительная система - совокупность функционально объединенных мер, измерительных приборов, измерительных преобразователей, ЭВМ и других технических средств, размещенных в разных точках контролируемого пространства с целью измерений одной или нескольких физических величин, свойственных этому пространству.
Измерительный прибор - средство измерений, предназначенное для получения значений измеряемой физической величины в установленном диапазоне. Обычно измерительный прибор содержит устройство индикации для преобразования измеряемой величины в форму, доступную для непосредственного восприятия наблюдателем. Измерительные приборы различаются:
показывающие и регистрирующие;
интегрирующие и суммирующие;
приборы прямого действия и приборы сравнения.
Метод измерения - сочетание принципов и средств измерений, соответствующих выбранному принципу.
Метрологическая характеристика средства измерений - характеристика одного из свойств средства измерений, влияющих на результат измерений или его погрешность. Основными метрологическими характеристиками являются диапазон измерений и различные составляющие погрешности средства измерений.

Метрология - наука об измерениях, методах и средствах обеспечения их единства и способах достижения требуемой точности.

Мощность - физическая величина, равная в общем случае скорости изменения, преобразования, передачи или потребления энергии системы. В более узком смысле мощность равна отношению работы, выполняемой за некоторый промежуток времени, к этому промежутку времени.

Поверка средств измерений - установление пригодности средства измерений к применению на основании экспериментально определяемых метрологических характеристик и контроля их соответствия установленным требованиям.
Принцип измерений - использование определенной физической величины (явления) для получения результата измерения. Например, измерение температуры с использованием термоэлектрического эффекта.
Размер физической величины - количественная определенность физической величины, присущая конкретному материальному объекту (явлению, процессу). Истинный размер есть объективная реальность, не зависящая от измерений.
Средство измерений - техническое средство, используемое при измерениях и имеющее нормированные метрологические свойства. Средства измерений различаются:
по метрологическому назначению - рабочие и метрологические;
по конструктивному исполнению - меры, измерительные приборы, измерительные установки, измерительные системы и измерительные комплексы;
по уровню автоматизации - автоматические, автоматизированные и неавтоматические;
по уровню стандартизации - стандартные и нестандартные;
по отношению к измеряемой величине - основные и вспомогательные.
Телевизор (телевизионный приёмник) - электронное устройство для приёма и отображения изображения и звука, передаваемых по беспроводным каналам или по кабелю (в том числе телевизионных программ или сигналов от устройств воспроизведения видеосигнала - например, видеомагнитофонов).
Эталон единицы величины - средство измерений, предназначенное для воспроизведения и хранения единицы величины (кратных либо дольных ее значений) с целью передачи ее размера другим средствам измерений данной величины.
 

Задание

Объектом измерения данной курсовой работы является мощность, потребляемая токарным станком (см. Таблица 1).

Таблица 1

Объект измерения , условия измерения.

Предельное значение измеряемой величины.

Относительная погрешность измерений.

Мощность, потребляемая телевизором

80 Вт

5,0%


Исходные данные приведены в таблице 2.

Таблица 2

Xi

Xi

1

80,125

11

80,409

2

80,231

12

80,271

3

80,522

13

75,998

4

80,811

14

61,375

5

80,641

15

80,643

6

80,099

16

80,297

7

130,107

17

80,621

8

80,543

18

80,48

9

80,732

19

55,3

10

80,581

20

80,562



1. Телевизор

Телевизор (телевизионный приёмник) - электронное устройство для приёма и отображения изображения и звука, передаваемых по беспроводным каналам или по кабелю (в том числе телевизионных программ или сигналов от устройств воспроизведения видеосигнала - например, видеомагнитофонов).

.1 Классификация

По типу экрана:

·        Механический - разновидность телевидения, использующая для разложения изображения на элементы и последующего синтеза электромеханические устройства вместо электронно-лучевых трубок или полупроводниковых приборов. Самые первые телевизионные системы были механическими и чаще всего не предусматривали звукового сопровождения. В отличие от современного, полностью электронного телевидения, механическое предполагает наличие в передающем и приемном устройствах специального механизма для сканирования изображения и его воспроизведения. Как правило, это диск Нипкова. Первая работоспособная система подобного типа была создана Джоном Бэрдом (англ. John Logie Baird) в 1920-е годы. Из-за небольшого количества передаваемых элементов изображения, механическое телевидение иногда называют малострочным.

·    Кинескопный (ЭЛТ) - электронно-лучевой прибор, преобразующий электрические сигналы в световые. Широко применяется в устройстве телевизоров, до 1990-х годов использовались телевизоры исключительно на основе кинескопа. В названии прибора отразилось слово «кинетика», что связано с движущимися фигурами на экране

·        Жидкокристаллический (ЖКИ) - плоский дисплей на основе жидких кристаллов, а также устройство (монитор, телевизор) на основе такого дисплея.

Простые приборы с дисплеем (электронные часы, телефоны, плееры, термометры и пр.) могут иметь монохромный или 2-5-цветный дисплей. Многоцветное изображение формируется с помощью RGB-триад.

Дисплей на жидких кристаллах используется для отображения графической или текстовой информации в компьютерных мониторах (также и в ноутбуках), телевизорах, телефонах, цифровых фотоаппаратах, электронных книгах, навигаторах, планшетах, электронных переводчиках, калькуляторах, часах и т. п., а также во многих других электронных устройствах.

·    Плазменный - устройство отображения информации, монитор, основанный на явлении свечения люминофора под воздействием ультрафиолетовых лучей, возникающих при электрическом разряде в ионизированном газе, иначе говоря в плазме.

·        Лазерный - телевизор, созданный на основе технологии цветных лазеров. Первая в мире модель коммерческого лазерного телевизора, Mitsubishi LaserVue L65-A90, поступила в продажу 28 октября 2008 года.

·        Светодиодный - устройство отображения и передачи визуальной информации, в котором каждой точкой, пикселем (pix <https://ru.wikipedia.org/wiki/%D0%9F%D0%B8%D0%BA%D1%81%D0%B5%D0%BB%D1%8C>) является один или несколько полупроводниковых светодиодов. Аббревиатура LED означает «светодиод <https://ru.wikipedia.org/wiki/%D0%A1%D0%B2%D0%B5%D1%82%D0%BE%D0%B4%D0%B8%D0%BE%D0%B4>» (Light Emitting Diode).

·        Проекционный телевизор - телевизор <https://ru.wikipedia.org/wiki/%D0%A2%D0%B5%D0%BB%D0%B5%D0%B2%D0%B8%D0%B7%D0%BE%D1%80>, изображение на котором выводится на просветном (для проекционных ТВ), или отражающем (для проекторов) экране, предельный размер которого для проекционных ТВ составляет около 110 дюймов (2,5-2,82 m и менее), и до нескольких метров <https://ru.wikipedia.org/wiki/%D0%9C%D0%B5%D1%82%D1%80> (и более) для проекторов <https://ru.wikipedia.org/wiki/%D0%9F%D1%80%D0%BE%D0%B5%D0%BA%D1%82%D0%BE%D1%80>.

По принципу действия среди видеопроекторов и проекционных телевизоров выделяют следующие разновидности: накинескопах <https://ru.wikipedia.org/wiki/%D0%9A%D0%B8%D0%BD%D0%B5%D1%81%D0%BA%D0%BE%D0%BF> (CRT <https://ru.wikipedia.org/wiki/CRT_%D0%BF%D1%80%D0%BE%D0%B5%D0%BA%D1%82%D0%BE%D1%80>), на ЖК (LCD <https://ru.wikipedia.org/wiki/%D0%96%D0%B8%D0%B4%D0%BA%D0%BE%D0%BA%D1%80%D0%B8%D1%81%D1%82%D0%B0%D0%BB%D0%BB%D0%B8%D1%87%D0%B5%D1%81%D0%BA%D0%B8%D0%B9_%D0%BF%D1%80%D0%BE%D0%B5%D0%BA%D1%82%D0%BE%D1%80>) матрицах, на ЖК матрицах на кремниевой подложке (LCOS <https://ru.wikipedia.org/wiki/LCOS-%D0%BF%D1%80%D0%BE%D0%B5%D0%BA%D1%82%D0%BE%D1%80>) и с микрозеркальным устройством (DLP <https://ru.wikipedia.org/wiki/DLP> или, они же, DMD <https://ru.wikipedia.org/wiki/DMD>). Исторически важным является также проекционный светоклапанный телевизор на масляной плёнке, модулируемой электронным лучом (система «Эйдофор»)

В проекционных телевизорах и проекторах на кинескопах используются 3 очень ярких небольших кинескопа основных цветов, изображение с которых через оптическую систему и зеркало попадает на экран <https://ru.wikipedia.org/wiki/%D0%AD%D0%BA%D1%80%D0%B0%D0%BD>.

По мобильности:

·    Стационарный;

·        Переносной.

По количеству поддерживаемых стандартов:

·    Одностандартный;

·        Мультистандартный.

По виду звукового сопровождения:

·        Монофонический <https://ru.wikipedia.org/wiki/%D0%9C%D0%BE%D0%BD%D0%BE%D1%84%D0%BE%D0%BD%D0%B8%D1%8F> - термин, относящийся к записи и воспроизведению звука <https://ru.wikipedia.org/wiki/%D0%97%D0%B2%D1%83%D0%BA> и означающий одноканальную запись звука. Монофония предполагает либо один динамик <https://ru.wikipedia.org/wiki/%D0%93%D1%80%D0%BE%D0%BC%D0%BA%D0%BE%D0%B3%D0%BE%D0%B2%D0%BE%D1%80%D0%B8%D1%82%D0%B5%D0%BB%D1%8C>, либо несколько динамиков, подсоединённых к общему источнику сигнала.

Ранее, до внедрения стереосистем <https://ru.wikipedia.org/wiki/%D0%A1%D1%82%D0%B5%D1%80%D0%B5%D0%BE>, монофония использовалась в звукозаписи, теле <https://ru.wikipedia.org/wiki/%D0%A2%D0%B5%D0%BB%D0%B5%D0%B2%D0%B8%D0%B4%D0%B5%D0%BD%D0%B8%D0%B5>- и радиовещании <https://ru.wikipedia.org/wiki/%D0%A0%D0%B0%D0%B4%D0%B8%D0%BE%D0%B2%D0%B5%D1%89%D0%B0%D0%BD%D0%B8%D0%B5>. Была единственным способом передачи и воспроизведения звука, т. н. моновещание <https://ru.wikipedia.org/wiki/%D0%A0%D0%B0%D0%B4%D0%B8%D0%BE%D0%B2%D0%B5%D1%89%D0%B0%D0%BD%D0%B8%D0%B5>, монограмзапись <https://ru.wikipedia.org/wiki/%D0%93%D1%80%D0%B0%D0%BC%D0%B7%D0%B0%D0%BF%D0%B8%D1%81%D1%8C>, где все голоса и инструменты звучали вместе, без разделения на два отдельных канала с разбросом источников звука в т. н. панорамном звучании.

С середины 1960-х годов началось интенсивное внедрение стереосистем <https://ru.wikipedia.org/wiki/%D0%A1%D1%82%D0%B5%D1%80%D0%B5%D0%BE>, а с середины 1970-х годов - квадросистем <https://ru.wikipedia.org/wiki/%D0%9A%D0%B2%D0%B0%D0%B4%D1%80%D0%BE%D1%84%D0%BE%D0%BD%D0%B8%D1%8F>. С начала 1990-х началось интенсивное внедрение Surround <https://ru.wikipedia.org/wiki/Surround_Sound>-систем звуковой записи и воспроизведения, применяемой в основном в киноиндустрии, реже для записей музыкальных альбомов.

·        Стереофонический <https://ru.wikipedia.org/wiki/%D0%A1%D1%82%D0%B5%D1%80%D0%B5%D0%BE%D1%84%D0%BE%D0%BD%D0%B8%D1%8F> - запись <https://ru.wikipedia.org/wiki/%D0%97%D0%B2%D1%83%D0%BA%D0%BE%D0%B7%D0%B0%D0%BF%D0%B8%D1%81%D1%8C>, передача или воспроизведение звука <https://ru.wikipedia.org/wiki/%D0%97%D0%B2%D1%83%D0%BA>, при которых сохраняется аудиальная информация о расположении его источника посредством раскладки звука через два (и более) независимых аудиоканала. В монозвучании <https://ru.wikipedia.org/wiki/%D0%9C%D0%BE%D0%BD%D0%BE%D1%84%D0%BE%D0%BD%D0%B8%D1%8F> аудиосигнал поступает из одного канала.

В основе стереофонии лежит способность человека <https://ru.wikipedia.org/wiki/%D0%A7%D0%B5%D0%BB%D0%BE%D0%B2%D0%B5%D0%BA> определять расположение источника по разнице фаз <https://ru.wikipedia.org/wiki/%D0%A4%D0%B0%D0%B7%D0%B0_%D0%BA%D0%BE%D0%BB%D0%B5%D0%B1%D0%B0%D0%BD%D0%B8%D0%B9> звуковых колебаний между ушами <https://ru.wikipedia.org/wiki/%D0%A3%D1%85%D0%BE>, достигаемой из-за конечности скорости звука <https://ru.wikipedia.org/wiki/%D0%A1%D0%BA%D0%BE%D1%80%D0%BE%D1%81%D1%82%D1%8C_%D0%B7%D0%B2%D1%83%D0%BA%D0%B0>. При стереофонической записи <https://ru.wikipedia.org/wiki/%D0%97%D0%B2%D1%83%D0%BA%D0%BE%D0%B7%D0%B0%D0%BF%D0%B8%D1%81%D1%8C> запись ведется с двух разнесённых на некоторое расстояние микрофонов <https://ru.wikipedia.org/wiki/%D0%9C%D0%B8%D0%BA%D1%80%D0%BE%D1%84%D0%BE%D0%BD>, для каждого используется отдельный (правый или левый) канал <https://ru.wikipedia.org/wiki/%D0%9A%D0%B0%D0%BD%D0%B0%D0%BB>. В результате получается т. н. «панорамное звучание». Существуют также системы с использованием большего числа каналов. Системы с четырьмя каналами называются квадрофоническими.

·        Псевдостереофонический <https://ru.wikipedia.org/wiki/%D0%9F%D1%81%D0%B5%D0%B2%D0%B4%D0%BE%D1%81%D1%82%D0%B5%D1%80%D0%B5%D0%BE>. В 1960-е гг. в США практиковался выпуск так называемых «дуофонических» грампластинок, в которых изначально монофоническим записям придавался эффект стерео. Псевдостереофония достигалась с помощью манипуляций с частотами и эхом. Монозапись разбивалась на два канала, затем в первом канале через фильтры заглушались низкие частоты, и на передний план выводились высокие; во втором канале процедура осуществлялась противоположным образом, то есть с усилением баса и подавлением высоких частот. После этого звук подвергался задержке на долю секунды, создавая, таким образом, эффект ложного эха, который усиливался на одном из каналов. Звукозаписывающие компании поступали так с записями, сделанными либо перед внедрением стереотехнологии (пластинки Элвиса Пресли <https://ru.wikipedia.org/wiki/%D0%AD%D0%BB%D0%B2%D0%B8%D1%81_%D0%9F%D1%80%D0%B5%D1%81%D0%BB%D0%B8>, Фрэнка Синатры <https://ru.wikipedia.org/wiki/%D0%A4%D1%80%D1%8D%D0%BD%D0%BA_%D0%A1%D0%B8%D0%BD%D0%B0%D1%82%D1%80%D0%B0>), либо в силу каких-либо технических причин записанных в моно, несмотря на возможность стереофонии (The Beatles <https://ru.wikipedia.org/wiki/The_Beatles>, The Beach Boys <https://ru.wikipedia.org/wiki/The_Beach_Boys>).

.2 Характеристики современных телевизоров

·  диагональ экрана

·        яркость экрана

·        чувствительность <https://ru.wikipedia.org/wiki/%D0%A7%D1%83%D0%B2%D1%81%D1%82%D0%B2%D0%B8%D1%82%D0%B5%D0%BB%D1%8C%D0%BD%D0%BE%D1%81%D1%82%D1%8C_(%D1%82%D0%B5%D1%85%D0%BD%D0%B8%D0%BA%D0%B0)> приёмника (тюнера)

·        возможность работы в нескольких стандартах <https://ru.wikipedia.org/wiki/%D0%A1%D1%82%D0%B0%D0%BD%D0%B4%D0%B0%D1%80%D1%82%D1%8B_%D1%82%D0%B5%D0%BB%D0%B5%D0%B2%D0%B8%D0%B7%D0%B8%D0%BE%D0%BD%D0%BD%D0%BE%D0%B3%D0%BE_%D0%B2%D0%B5%D1%89%D0%B0%D0%BD%D0%B8%D1%8F> (многостандартность)

·        количество звуковых каналов (моно <https://ru.wikipedia.org/wiki/%D0%9C%D0%BE%D0%BD%D0%BE%D1%84%D0%BE%D0%BD%D0%B8%D1%8F>, стерео <https://ru.wikipedia.org/wiki/%D0%A1%D1%82%D0%B5%D1%80%D0%B5%D0%BE%D1%84%D0%BE%D0%BD%D0%B8%D1%8F> NICAM <https://ru.wikipedia.org/wiki/NICAM>)

·        количество запоминаемых программ (каналов) в памяти

·        наличие дистанционного управления <https://ru.wikipedia.org/wiki/%D0%9F%D1%83%D0%BB%D1%8C%D1%82_%D0%B4%D0%B8%D1%81%D1%82%D0%B0%D0%BD%D1%86%D0%B8%D0%BE%D0%BD%D0%BD%D0%BE%D0%B3%D0%BE_%D1%83%D0%BF%D1%80%D0%B0%D0%B2%D0%BB%D0%B5%D0%BD%D0%B8%D1%8F>

·        возможность работы в качестве монитора <https://ru.wikipedia.org/wiki/%D0%9C%D0%BE%D0%BD%D0%B8%D1%82%D0%BE%D1%80_(%D1%83%D1%81%D1%82%D1%80%D0%BE%D0%B9%D1%81%D1%82%D0%B2%D0%BE)>

·        наличие доп. цифровых функций: PIP <https://ru.wikipedia.org/wiki/PiP>, телетекст <https://ru.wikipedia.org/wiki/%D0%A2%D0%B5%D0%BB%D0%B5%D1%82%D0%B5%D0%BA%D1%81%D1%82>, электронный телегид (EPG) <https://ru.wikipedia.org/wiki/Electronic_Program_Guide>

·        наличие встроенного тюнера (декодера <https://ru.wikipedia.org/wiki/%D0%94%D0%B5%D0%BA%D0%BE%D0%B4%D0%B5%D1%80>) цифрового телевидения <https://ru.wikipedia.org/wiki/%D0%A6%D0%B8%D1%84%D1%80%D0%BE%D0%B2%D0%BE%D0%B5_%D1%82%D0%B5%D0%BB%D0%B5%D0%B2%D0%B8%D0%B4%D0%B5%D0%BD%D0%B8%D0%B5> DVB <https://ru.wikipedia.org/wiki/DVB>-(T/C/S), в большинстве случаев DVB <https://ru.wikipedia.org/wiki/DVB>-(<https://ru.wikipedia.org/wiki/DVB-T>/T2 <https://ru.wikipedia.org/wiki/DVB-T2>/C/C2)

·        возможность приема сигнала HDTV <https://ru.wikipedia.org/wiki/%D0%A2%D0%B5%D0%BB%D0%B5%D0%B2%D0%B8%D0%B4%D0%B5%D0%BD%D0%B8%D0%B5_%D0%B2%D1%8B%D1%81%D0%BE%D0%BA%D0%BE%D0%B9_%D1%87%D1%91%D1%82%D0%BA%D0%BE%D1%81%D1%82%D0%B8>

·        технология Smart TV <https://ru.wikipedia.org/wiki/Smart_TV>

·        долговечность и надёжность

1.3 Стандарты телевизионного вещания

Стандарт телевизионного вещания - система кодирования видеосигнала для его эфирной передачи. Уже в эпоху чёрно-белого телевидения возникло несколько разных стандартов разложения <https://ru.wikipedia.org/wiki/%D0%A1%D1%82%D0%B0%D0%BD%D0%B4%D0%B0%D1%80%D1%82_%D1%80%D0%B0%D0%B7%D0%BB%D0%BE%D0%B6%D0%B5%D0%BD%D0%B8%D1%8F_(%D1%82%D0%B5%D0%BB%D0%B5%D0%B2%D0%B8%D0%B4%D0%B5%D0%BD%D0%B8%D0%B5)> изображения, отличавшихся числом строк, частотой кадров и другими параметрами. Переход к цветному телевидению умножил число систем, так как на разные стандарты разложения накладывались стандарты кодирования цвета (NTSC <https://ru.wikipedia.org/wiki/NTSC>,PAL <https://ru.wikipedia.org/wiki/PAL>, SECAM <https://ru.wikipedia.org/wiki/SECAM>).

Впоследствии часть систем «вымерла»; с другой стороны, распространились многосистемные телевизионные приёмники, так что сейчас разнообразие систем не создаёт проблем для телезрителей.

1)      Число строк

Чем выше число строк, тем качественнее, чётче <https://ru.wikipedia.org/wiki/%D0%A7%D1%91%D1%82%D0%BA%D0%BE%D1%81%D1%82%D1%8C> изображение и тем больше информации на экране. В то же время чем выше число строк, тем шире должна быть используемая полоса частот (соответственно тем меньше можно создать телеканалов). Считается, что обычному кинокадру на 35 мм плёнке соответствовало бы телевизионное изображение с 900 строками. В телевидении стандартной четкости <https://ru.wikipedia.org/wiki/%D0%A2%D0%B5%D0%BB%D0%B5%D0%B2%D0%B8%D0%B4%D0%B5%D0%BD%D0%B8%D0%B5_%D1%81%D1%82%D0%B0%D0%BD%D0%B4%D0%B0%D1%80%D1%82%D0%BD%D0%BE%D0%B9_%D1%87%D1%91%D1%82%D0%BA%D0%BE%D1%81%D1%82%D0%B8> такое качество не достигается. Европейский стандарт разложения для передачи использует 625 строк, из которых активных, то есть, видимых на экране - 576 <https://ru.wikipedia.org/wiki/576i>. Американский стандарт использует 525 строк из которых активных - 480 <https://ru.wikipedia.org/wiki/480i> (стандарт VGA <https://ru.wikipedia.org/wiki/VGA>). Во Франции существовала система с 819 строками, но сейчас она уже вымерла (такой канал занимал полосу 14 МГц). Современные стандарты телевидения высокой четкости <https://ru.wikipedia.org/wiki/%D0%A2%D0%B5%D0%BB%D0%B5%D0%B2%D0%B8%D0%B4%D0%B5%D0%BD%D0%B8%D0%B5_%D0%B2%D1%8B%D1%81%D0%BE%D0%BA%D0%BE%D0%B9_%D1%87%D1%91%D1%82%D0%BA%D0%BE%D1%81%D1%82%D0%B8> предусматривают количество строк 720 и 1080, что обеспечивает высокое качество изображения. Использование для передачи цифрового сжатия потока видеоданных позволяет передавать такое изображение по относительно узкому каналу.

2)      Частота кадров

В большинстве телевизоров кадры показываются с той же частотой, с какой они передаются (поскольку раньше было сложно реализовать что-либо другое). При этом частота кадровой развёртки вдвое выше частоты кадров из-за использования чересстрочной развёртки <https://ru.wikipedia.org/wiki/%D0%A7%D0%B5%D1%80%D0%B5%D1%81%D1%81%D1%82%D1%80%D0%BE%D1%87%D0%BD%D0%B0%D1%8F_%D1%80%D0%B0%D0%B7%D0%B2%D1%91%D1%80%D1%82%D0%BA%D0%B0>. На ранних стадиях развития телевидения инженеры боялись, что переменный ток в сети питания будет создавать помехи на экране, поэтому частота кадровой развёртки была выбрана в точности равной стандартной частоте переменного тока (50 Гц в Европе, 60 Гц в Америке) - чтобы возможные помехи были статическими, а не имели вид дрожания. Эти опасения, впрочем, оказались необоснованными, но после начала массового внедрения телевещания было уже поздно что-то менять.

То, что частота кадров на телевидении (25 или 30 кадров в секунду) отличается от частоты кадров в кино (24 кадра в секунду), создаёт определённые неудобства. В Европе на телевидении фильмы прокручивают чуть быстрее (на 4 %; соответственно и звук становится более высоким); в Америке при телекинопроекции применяется сложная интерполяция, обеспечивающая плавный перевод кадровой частоты кинематографа в кадровую частоту телевидения. Первые такие технологии вызывали неизбежную прерывистость движения на экране при переводе кинофильмов на телеэкран. Современные технологии делают изображение плавным, за счет более сложных алгоритмов интерполяции. Дешевизна и совершенство современных технологий кадровой интерполяции позволяют делать ее даже при телекинопроекции в европейском стандарте разложения, поэтому на современном телевидении кинофильмы показываются с истинной частотой киносъемки в 24 кадра в секунду, чтобы предотвратить ускорение темпа движения и повышение тональности фонограммы.

3)      Соотношение сторон кадра

Во всех системах телевидения стандартной четкости соотношение сторон кадра составляет 4:3 - это соответствует «Академическому» и наилучшим образом вписывается в обычный формат <https://ru.wikipedia.org/wiki/%D0%9E%D0%B1%D1%8B%D1%87%D0%BD%D1%8B%D0%B9_%D1%84%D0%BE%D1%80%D0%BC%D0%B0%D1%82_%D1%84%D0%B8%D0%BB%D1%8C%D0%BC%D0%B0> кинематографа 1,37:1. В странах Центральной и Западной Европы (Голландия, Германия, Британия и т. д.) в аналоговом и цифровом наземном вещании с конца 90-х годов наряду с обычным стандартом PAL также используется стандарт PalPlus. Это модификация PAL с соотношением сторон телевизионного кадра 16:9 и увеличенным количеством элементов в строке - 1024 вместо стандартных 720. Все стандарты телевидения высокой четкости изначально разрабатывались с соотношением сторон кадра 16:9, что позволяет наилучшим образом вписать в экран большинство форматов телевизионного и кинематографического изображения.

2. Выбор средств измерений

Технические средства, имеющие нормированные метрологические свойства, называются средствами измерения. К ним относятся следующие:

·        Эталоны единиц физических величин - средства измерений или комплексы средств измерений, официально утвержденные эталонами для воспроизведения единиц физических величин с наивысшей достижимой точностью, и их хранения (например, комплекс средств измерений для воспроизведения метра через длину световой волны). Примером точности эталонов может служить государственный эталон времени, погрешность которого за 30 тысяч лет не будет превышать 1с.

·        Меры - средства измерений, предназначены для воспроизведения физической величины заданного размера. К мерам относятся плоскопараллельные концевые меры длины, гири, конденсаторы постоянной емкости и т.п.

·        Образцовые средства измерений - это меры, измерительные приборы или преобразователи, утвержденные в качестве образцовых. Они служат для контроля нижестоящих по поверочной схеме измерительных средств, в то же время их периодически поверяют по эталонам. Точность образцовых средств измерения имеет большое значение для обеспечения единства измерений.

·        Рабочие средства измерений - это меры, устройства или приборы, применяемые для измерений, не связанных с передачей единицы физической величины (например, концевая мера длины, используемая для контроля размеров изделий или для наладки станков).

Передача размеров единицы физической величины от эталона к рабочим средствам измерения проводится в соответствии с поверочной схемой, устанавливающей средства, методы и точность передачи единицы размера.

Точность указанных измерительных средств понижается в 1,6-3 раза с переходом на одну ступень от более точных средств к менее точным по поверочной схеме.

.1 Ваттметр

Мощность - физическая величина, равная в общем случае скорости изменения, преобразования, передачи или потребления энергии системы.

В более узком смысле мощность равна отношению работы, выполняемой за некоторый промежуток времени, к этому промежутку времени.

В Международной системе единиц (СИ) единицей измерения мощности является ватт [Вт], равный одному джоулю, делённому на секунду.

Другой распространённой, но ныне устаревшей единицей измерения мощности, является лошадиная сила.

В своих рекомендациях Международная организация законодательной метрологии (МОЗМ) относит лошадиную силу к числу единиц измерения, «которые должны быть изъяты из обращения как можно скорее там, где они используются в настоящее время, и которые не должны вводиться, если они не используются».

Измерительный прибор, предназначенный для определения мощности электрического тока или электромагнитного сигнала, называется ваттметр.

По назначению и диапазону частот ваттметры можно разделить на три категории - низкочастотные (и постоянного тока), радиочастотные и оптические.

Ваттметры радиодиапазона по назначению делятся на два вида: проходящей мощности, включаемые в разрыв линии передачи, и поглощаемой мощности, подключаемые к концу линии в качестве согласованной нагрузки.

В зависимости от способа функционального преобразования измерительной информации и вывода оператору ваттметры бывают аналоговые (показывающие и самопишущие) и цифровые.

.2 Ваттметр поглощаемой мощности М3-108

М3-108 - Ваттметр поглощаемой мощности предназначен для измерения малых, средних и больших уровней мощности непрерывных и импульсных колебаний в коаксиальных трактах.

Применяются при разработке и производстве генераторов, усилителей и передающих устройств СВЧ проходящей мощности, систем радиолокации, телевидения, а так же в поверочных и ремонтных органах.

Могут использоваться автономно или в составе АИС.

Технические характеристики:

·  Диапазон рабочих частот от 0 до 17,85 ГГц

·        Измерение мощности от 0,1 мкВт (ед. счета) до 100 Вт (перекрывается четырьмя типами приемных коаксиальных преобразователей ППК)

·        Диапазоны измерений средних значений мощности для всех четырех типов преобразователей: ППК1: 1 мкВт - 10мВт; ППК2: 0,8 мВт - 1000 мВт; ППК3: 8 мВт - 10 Вт; ППК4: 80 мВт - 100 Вт

·        Измерение мощности в Дбм

·        Измерение мощности в Дб относительно задаваемого уровня мощности

·        Измерение мощности в % относительно задаваемого уровня мощности

·        Автоматическая идентификация подключенного типа преобразователя

·        Автоматическая установка времени подготовки к измерениям ( время прогрева )

·        Автоматическая коррекция нуля

·        Ручной и автоматический выбор пределов измерений

·        Автоматическое и ручное введение частотного коэффициента поправки

·        Встроенный калибратор мощности (4-е уровня мощности калибровки)

·        Автокалибровка без отсоединения от тракта СВЧ

·        Допусковый контроль по нижнему и верхнему уровню мощности

·        Накопление результатов измерений через задаваемый интервал времени

·        Основная погрешность ваттметра без учета погрешности рассогласования в диапазоне частот 12 - 17,85 ГГц и динамическом диапазоне до 10 Вт -4-6 %

·        Основная погрешность ваттметра без учета погрешности рассогласования в диапазоне частот 0-12,05 ГГц при использовании преобразователя большого уровня (до 100 Вт) - 6-7%

·        КСВН ваттметра в диапазоне частот 0,02 - 12,0 ГГц; не более 1,3 КСВН ваттметра в диапазоне частот 12,0 - 17,85ГГц не более 1,4.

·        Наличие самодиагностики

·        Возможность сравнения текущих результатов измерений с их средним значением за устанавливаемый интервал времени

·        Возможность индикации максимальных положительных и отрицательных значений отклонений измеряемой мощности от среднего значения за заданный интервал времени

·        Возможность тестирования ваттметра в процессе измерений мощности без ее отключения. Выбор 4-х видов режимов обработки результатов измерений

·        Ваттметр обеспечивает введение и автоматический учет поправки на неравномерность частотной характеристики приемных преобразователей.

·        Прибор дает возможность сравнивать текущее значение измеряемой мощности с нижним и/или верхним заранее установленным значением мощности, при достижении которых формируется информация в виде символов (на дисплее) и электрических сигналов о превышении (занижении) измеряемой мощности заданных значений.

·        Имеется 4-е режима усреднения (сглаживания) результатов измерения по алгоритмам, реализуемым различными видами программ.

·        Инициирование команд управления прибором, а также выдача измерительной и служебной информации в персональный компьютер могут осуществляться через интерфейс RS -232.

·        Калибровка ваттметров предусматривает подачу калибровочного сигнала непосредственно в узел преобразования мощности СВЧ, что исключает необходимость отсоединения преобразователя от источника сигнала. При этом только необходимо обеспечить отсутствие мощности СВЧ на входе приемного преобразователя.

·        Ваттметр состоит из унифицированного измерительного блока и 4-х типов приемных преобразователей мощности СВЧ с разъемными соединительными кабелями.

·        Потребитель может приобрести ваттметр МЗ-108 как с полным комплектом приемных преобразователей, так и с одним или несколькими преобразователями, необходимыми для решения его конкретных технических задач.

.3 Нормативные ссылки

ГОСТ Р51350-99 Безопасность электрических контрольно-измерительных приборов и лабораторного оборудования.

ПР50.006-94 ГСИ. Порядок проведения поверки средств измерений.

ГОСТ В 25803-91

ГОСТ РВ 8.576-2000

ГОСТ РВ 20.39.301-98

ГОСТ РВ 20.39.302-98

ГОСТ РВ 20.39.303-98

ГОСТ РВ 20.39.304-98

ГОСТ РВ 20.39.305-98

ГОСТ РВ 20.39.309-98

ГОСТ РВ 51914-2002

ГОСТ 13605-91 Ваттметры СВЧ. Основные технические требования и методы испытаний.

ГОСТ 8.569-2000 ГСИ Ваттметры СВЧ малой мощности диапазона частот 0,02-178,6 ГГЦ. Методы и средства поверки.

.4 Поверка ваттметра М3-108

При проведении операций поверки должны соблюдаться следующие условия:

·  температура окружающего воздуха, оС 20±5;

·        относительная влажность окружающего воздуха, % от 30 до 80;

·        атмосферное давление, кПа (мм рт.ст)   от 84 до 106 (от 630 до 795);

·        напряжение питающей сети переменного тока, В     240±4,4;

·        частота питающей сети, Гц 50±0,5;

При внешнем осмотре следует проверить:

¾      комплектность (должна соответствовать таблице 4.1);

¾      сохранность пломб;

¾      отсутствие видимых повреждений;

¾      состояние кабелей и их соединителей;

¾      чистота разъемов;

¾      наличие и целостность крепления органов управления, четкость фиксации их положений.

Проверка присоединительных размеров СВЧ разъемов осуществляется комплектом средств для контроля присоединительных размеров КИСК-7.

Результаты проверки считаются удовлетворительными, если размеры СВЧ разъемов соответствуют ГОСТ РВ 51914-2002.

Опробование ваттметра проводится в соответствии с требованиями п. 7.3.

Результаты считаются удовлетворительными, если после включения ваттметр проходит режимы самопрогрева, самодиагностики и подготовки к измерениям с положительными результатами.

Неисправные ваттметры бракуются и направляются в ремонт.

Определение основной погрешности ваттметра без учета погрешности рассогласования проводится по формуле:

 

где  - погрешность определения калибровочного коэффициента Кк (или Кэ) на частотах 12 и 17,85 ГГц;

 - погрешность, вызванная отклонением коэффициента преобразования в диапазоне измеряемых мощностей.

Определение погрешности  ваттметра с ППК1 на частоте 12 ГГц проводится по схеме соединения приборов, приведенной на рисунке 8.1.

Приборы подготовить к работе в соответствии с руководствами по эксплуатации или техническими описаниями и инструкциями по эксплуатации на них.

Частоту выходного сигнала генератора Г4-111 установить с погрешностью не более ± 0,1 % по частотомеру Ч3-86. Ваттметр установить в режиме ручного управления на четвертый поддиапазон измерения.

Провести коррекцию «нуля» ваттметра.

На табло БИ ваттметра М3-108 с помощью кнопки «Кr» установить значение коэффициента Кк на частоте 12 Гц (из паспорта ППК1).

Если ППК1 входит в комплект первичной поставки и не подвергался ремонту, эту операцию можно заменить на установку частоты 12 ГГц кнопкой «Eраб».

Регулировкой выходной мощности генератора Г4-111 установить на табло БИ ваттметра М3-108 показание (5-6) мВт и через (20-30) с зафиксировать показания ваттметра М3-108 и ваттметра М1-9Б.

Погрешность  ваттметра на частоте 12 ГГц рассчитать по формуле:

 

Где  - показания ваттметра М1-9Б;

 - показания ваттметра М3-108;

 - коэффициент передачи ваттметра М1-9Б.

Измерения провести три раза, каждый раз перестыковывая ППК1 с поворотом на 120о относительно первоначального положения.

Перестыковку производить при отсутствии сигнала на входе ваттметра.

После перестыковки выжидать (30-60) с до установления показаний БИ не более 3 единиц младшего разряда. Если показания превышают 3 единицы младшего разряда - провести коррекцию «нуля».

За результат проверки погрешности  ваттметра с ППК01 на частоте 12 ГГц принимается среднее арифметическое значений.

Определение погрешности  ваттметра с ППК1 на частоте 18,85 ГГц проводят по схеме соединения приборов, приведенной на рисунке 8.2.

Частоту выходного сигнала генератора Г3,044 установить с погрешностью не более ± 0,1 % и контролировать по частотомеру Ч3-86.

Методика определения погрешности  ваттметра на частоте 17,85 ГГц аналогична методике определения на частоте 12 ГГц.

Значение α для частоты 18,85 ГГц берется из свидетельства о поверке ваттметра М1-9Б.




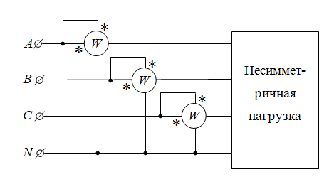
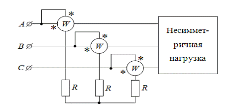
2.5 Метод трех ваттметров

В четырехпроводной системе, т.е. при наличии нулевого провода, используется схема, показанная на рис. 4.31.

Его также можно применять и в трехпроводной несимметричной системе при условии создания искусственной нулевой точки (рис. 4.3.2). При этом в случае одинаковых ваттметров, сопротивления R должны быть одинаковыми. Общая мощность цепи будет равна сумме мощностей, измеряемых каждым прибором.

Рис. Измерение мощности тремя ваттметрами в четырехпроводной цепи

Рис. Измерение мощности тремя ваттметрами в трехпроводной цепи

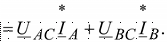
2.6 Метод двух ваттметров

Этот метод используется в трехпроводных цепях. Вывод о возможности использования двух ваттметров можно получить из следующих соображений: полная мощность определяется равенством:

.

Из выражения первого закона Кирхгофа, составленного для узла n, можно выразить любой ток через два других. Для схемы, представленной на рис., целесообразно выразить ток фазы С

.

Подставив его в исходное равенство, получим


Рис. Измерение мощности двух ваттметрами

В частном случае, возможно, что показания одного ваттметра могут быть отрицательными. Поэтому можно говорить об алгебраической сумме показаний ваттметров.

3. Обработка результатов измерений

.1 Прямые измерения с многократными наблюдениями. Методы обработки результатов наблюдений. ГОСТ 8.207

Общие положения

При статистической обработке группы результатов наблюдений следует выполнить следующие операции:

•      исключить известные систематические погрешности из результатов наблюдений;

•          вычислить среднее арифметическое исправленных результатов наблюдений, принимаемое за результат измерения;

•          вычислить оценку среднего квадратического отклонения результата измерения;

•          проверить гипотезу о том, что результаты наблюдений принадлежат нормальному распределению (сравниваем с rкр);

•          вычислить доверительные границы случайной погрешности (случайной составляющей погрешности) результата измерения;

•      вычислить границы неисключенной систематической погрешности (несиключенных остатков систематической погрешности) результата измерения;

•          вычислить доверительные границы погрешности результата измерения.

Для определения доверительных границ погрешности результата измерения доверительную вероятность Р принимают равной 0,95.

Результат измерения и оценка его среднего квадратического отклонения.

Способы обнаружения грубых погрешностей должны быть указаны в методике выполнения измерений.

Если результаты наблюдений можно считать принадлежащими к нормальному распределению, грубые погрешности исключают.

За результат измерения принимают среднее арифметическое результатов измерения, в которые предварительно введены поправки для исключения систематических погрешностей.

Примечание. Если во всех результатах наблюдений содержится постоянная систематическая погрешность, допускается исключать ее после вычисления среднего арифметического неисправленных результатов наблюдений.

Среднее квадратическое отклонение S () результата измерения оценивают по формуле


где хi - i-й результат наблюдения;

 - результат измерения (среднее арифметическое исправленных результатов наблюдений);

n - число результатов наблюдений;() - оценка среднего квадратического отклонения результата измерения.

Доверительные границы случайной погрешности результата измерения

Доверительные границы случайной погрешности результата измерения в соответствии с настоящим стандартом устанавливают для результатов наблюдений, принадлежащих нормальному распределению.

Если это условие не выполняется, методы вычисления доверительных границ случайной погрешности должны быть указаны в методике выполнения конкретных измерений.

При числе результатов на6людений 50>n>15 для проверки принадлежности их к нормальному распределению предпочтительным является составной критерий, приведенный в справочном приложении 1.

Доверительные границы  (без учета знака) случайной погрешности результата измерения находят по формуле


где t - коэффициент Стьюдента, который в зависимости от доверительной вероятности Р и числа результатов наблюдений n.

3.2 Алгоритм обработки результатов измерений

Исходные данные xi (x1, x2, x3,……………xn); n=; Р=%, α=0,05











                                да                    нет











3.3 Обработка результатов измерений

№Xi№Xi




1

80,125

11

80,409

2

80,231

12

80,271

3

80,522

13

75,998

4

80,811

14

61,375

5

80,641

15

80,643

6

80,099

16

80,297

7

130,107

17

80,621

8

80,543

18

80,48

9

80,732

19

55,3

10

80,581

20

80,562


 

=

=

==80,5174

 

80,125-80,5174= (0,3924)2 = 0,154

,231-80,5174= (0,2864)2 = 0,082

,522-80,5174= (0,0046)2 = 0,00002

,811-80,5174= (0,2936)2 = 0,0862

,641-80,5174= (0,1236)2 = 0,0153

,099-80,5174= (0,4184)2 = 0,175

,107-80,5174= (49,5896)2 = 2459,1284

,732-80,5174= (0,2146)2 = 0,046

,581-80,5174= (0,0636)2 = 0,004

,409-80,5174= (0,1084)2 = 0,0118

,271-80,5174= (0,2464)2 = 0,0607

,998-80,5174= (4,5194)2 = 20,425

,375-80,5174= (19,1424)2 = 366,4315

,643-80,5174= (0,1256)2 = 0,0158

,297-80,5174= (0,2204)2 = 0,0486

,621-80,5174= (0,1036)2 = 0,0107

,48-80,5174= (0,0374)2 = 0,0014

,3-80,5174= (25,2174)2 = 635,9173

,562-80,5174= (0,0446)2 = 0,002

Sx=

=

==13,5387

 

rкр>r , rкр=2,78

xпод=130,107

 

3,7579>2,78 → x7=130,107 исключаем, т.к. содержит грубую погрешность.

X под=75,998

 

0,3425<2,78 → x13=75,998 не исключаем, т.к. не содержит грубую погрешность.

xпод=61,375

 

1,45<2,78 → x14=61,375 не исключаем, т.к. не содержит грубую погрешность.

xпод=55,3

 

1,91<2,78 → x19=55,3 не исключаем, т.к. не содержит грубую погрешность.

Изымаем Xпод= 130,107 и оставшиеся данные рассчитываем по тому же алгоритму.

 

=

=

=77,9074

 

80,125-77,9074= (2,2176)2 = 4,9177

,231-77,9074= (2,3236)2 = 5,3991

,522-77,9074= (2,6146)2 = 6,8361

,811-77,9074= (2,9036)2 = 8,4309

,641-77,9074= (2,7336)2 = 7,4726

,099-77,9074= (2,1916)2 = 4,8031

,543-77,9074= (2,6356)2 = 6,9464

,732-77,9074= (2,8246)2 = 7,9784

,581-77,9074= (2,6736)2 = 7,1481

,409-77,9074= (2,5016)2 = 6,258

,271-77,9074= (2,3636)2 = 5,5866

,998-77,9074= (1,9094)2 = 3,6458

,375-77,9074= (16,5324)2 = 273,3202

,643-77,9074= (2,7356)2 = 7,4835

,297-77,9074= (2,3896)2 = 5,7102

,621-77,9074= (2,7136)2 = 7,3636

,48-77,9074= (2,5726)2 = 6,6183

,3-77,9074= (22,6074)2 = 511,0945

,562-77,9074= (2,6546)2 = 7,0469

Sx=

==

==7,0477

 

rкр>r , rкр=2,78

xпод=75,998

 

0,2784<2,78 → x13=75,998 не исключаем, т.к. не содержит грубую погрешность.

xпод=61,375

 

2,4101<2,78 → x14=61,375 не исключаем, т.к. не содержит грубую погрешность.

xпод=55,3

 

3,2958>2,78 → x19=55,3 исключаем, т.к. содержит грубую погрешность.

Изымаем Xпод= 55,3 и оставшиеся данные рассчитываем по тому же алгоритму.

 

==

==79,1634

 

80,125-79,1634= (0,9616)2 = 0,9247

,231-79,1634= (1,0676)2 = 1,1398

,522-79,1634= (1,3586)2 = 1,8458

,811-79,1634= (1,6476)2 = 2,7146

,641-79,1634= (1,4776)2 = 2,1833

,099-79,1634= (0,9356)2 = 0,8753

,543-79,1634= (1,3796)2 = 1,9033

,732-79,1634= (1,5686)2 = 2,4605

,581-79,1634= (1,4176)2 = 2,0096

,409-79,1634= (1,2456)2 = 1,5515

,271-79,1634= (1,1076)2 = 1,2268

,998-79,1634= (3,1654)2 = 10,0198

,375-79,1634= (17,7884)2 = 316,4272

,643-79,1634= (1,4796)2 = 2,1892

,297-79,1634= (1,1336)2 = 1,285

,621-79,1634= (1,4576)2 = 2,1246

,48-79,1634= (1,3166)2 = 1,7334

,562-79,1634= (1,3986)2 = 1,956

Sx=

==4,567

 

rкр>r , rкр=2,78

xпод=75,998

 

0,7132<2,78 → x13=75,998 не исключаем, т.к. не содержит грубую погрешность.

xпод=61,375

 

4,008>2,78 → x14=61,375 исключаем, т.к. содержит грубую погрешность.

Изымаем Xпод= 61,375 и оставшиеся данные рассчитываем по тому же алгоритму.

 

=

==80,2098

 

80,125-80,2098= (0,0848)2 = 0,0072

,231-80,2098= (0,0212)2 = 0,0004

,522-80,2098= (0,3122)2 = 0,0975

,811-80,2098= (0,6012)2 = 0,3614

,641-80,2098= (0,4312)2 = 0,186

,099-80,2098= (0,1108)2 = 0,0122

,543-80,2098= (0,3332)2 = 0,111

,732-80,2098= (0,5222)2 = 0,2727

,581-80,2098= (0,3712)2 = 0,1378

,409-80,2098= (0,1992)2 = 0,0397

,271-80,2098= (0,0612)2 = 0,0037

,998-80,2098= (4,2118)2 = 17,7393

,643-80,2098= (0,4332)2 = 0,1877

,297-80,2098= (0,0872)2 = 0,0076

,621-80,2098= (0,4112)2 = 0,169

,48-80,2098= (0,2702)2 = 0,73

,562-80,2098= (0,3522)2 = 0,124

Sx=

==1,1048

 

rкр>r , rкр=2,78

xпод=75,998

 

3,9296>2,78 → x13=75,998 исключаем, т.к. содержит грубую погрешность.

Изымаем Xпод= 75,998 и оставшиеся данные рассчитываем по тому же алгоритму.

 

==

==80,473

 

80,125-80,473= (0,348)2 = 0,1211

,231-80,473= (0,242)2 = 0,0586

,522-80,473= (0,049)2 = 0,0024

,811-80,473= (0,338)2 = 0,1142

,641-80,473= (0,168)2 = 0,0282

,099-80,473= (0,374)2 = 0,1399

,543-80,473= (0,07)2 = 0,0049

,732-80,473= (0,259)2 = 0,067

,581-80,473= (0,108)2 = 0,0117

,409-80,473= (0,064)2 = 0,004

,271-80,473= (0,202)2 = 0,0408

,643-80,473= (0,17)2 = 0,0289

,297-80,473= (0,176)2 = 0,0309

,621-80,473= (0,148)2 = 0,0219

,48-80,473= (0,007)2 = 0,000049

,562-80,473= (0,089)2 = 0,0079

Sx=

==0,2133

 

rкр>r , rкр=2,78

xпод=80,811

 

1,6363<2,78 → x4= 80,811 не исключаем, т.к. не содержит грубую погрешность.

tp=2,093

 

 

 

 

 

P=95%

Заключение

Основная цель данного курсового проекта было закрепление теоретических знаний и практических навыков по дисциплине метрология. При написании и выполнении данной курсовой работы я получил много очень интересной и необходимой информации по метрологии.

Кроме того мы систематизировали и закрепили теоретические знания по методики измерения «Мощности, потребляемой телевизором» и также обработки результатов измерений исходных данных на основе выбранного прибора измерения.

Так же мы получили навыки системного анализа базовой и справочной информации, необходимой для разработки методик измерений твердости металла. Получили практические навыки самостоятельного решения задач данного нам типа. Реализовали знание действующих нормативно-технических документов при оформлении курсового проекта по данной дисциплине.

Оформляя данную курсовую работу, мы научились работать с нормативными документами.

Каждый метод измерения мощности ваттметром имеет свои преимущества и недостатки. Выбор метода измерения зависит от ряда причин, таких как: необходимая точность измерения, сложность конструкции измерителя, стоимостью прибора и т.д.

телевизор погрешность стандарт многократный

Список используемых источников

1.     Ким К.К., Анисимов Г.Н., Барбарович В.Ю., Литвинов Б.Я. Метрология, стандартизация, сертификация и электроизмерительная техника. - Санкт-Петербург: издательство «Питер», 2006. - 423 с.

2.      Кошевая М.П. Метрология, стандартизация, сертификация: учебник для студентов учреждений СПО. - М.: ФОРУМ-ИНФРА, 2007. - 416 с.

.        Кравцов А.В. Метрология и электрические измерения. - М.: Колос, 1999. - 300 с.

.        Крылова Г.Д. Основы стандартизации, сертификации и метрологии: учебник для вузов. - М.: ЮНИТИ-ДАНА, 2003. - 671 с.

.        Лифиц И.М. Стандартизация, метрология и сертификация: учебник. - М.: Юрайт-Издат, 2004. - 330 с.

.        Метрология, стандартизация и сертификация: учебник для студентов вузов. / А.И. Аристов, А.И. Карпов и др. - М.: Академия, 2007. - 384 с.

.        Попов В.С. Электрические измерения. - М.: Энергия, 1974. - 215 с.

.        Сергеев А.Г., Латышев М.В., Терегеря В.В. Метрология, стандартизация, сертификация: учебное пособие. - М.: Логос, 2003. - 536 с.

.        Тартаковский Д.Ф., Ястребов А.С. Метрология, стандартизация и технические средства измерений: учебник для вузов. - М.: Высш. шк., 2002. - 250 с.

10.   1 Рейх Н.Н., Тупиченков А.А., Цейтлих В.Г. Метрологическое обеспечение производства: Учеб. пособие для ВИСМ / Под ред. канд. техн. наук Л.К. Исаева - М.: Изд-во стандартов, 1987.-248с., ил

11.    2 ГОСТ Р 5.568-97 - ГСИ Аттестация испытательного оборудования. Основные положения.

.        Аксенова Е.Н. Курс метрологии в производстве ЭС. -М.: Энергоиздат, 1982. …-…320 с.

.        2. Бесекерский В. В., Сорокин В. С. Метрология, стандартизация и сертификация. -М.: …Высшая школа, 1986. -367 с

.        Межгосударственный стандарт ГОСТ ИСО 230-5-2002 «Испытание станков (часть 5)»

.        Руководство по эксплуатации АУЮВ.411151.03РЭ6 «Ваттметры цифровые Ц301МЦ»

16.    Измерение мощности - <http://www.radioforall.ru/2010-01-16-19-02-14/448-2010-01-16-19-35-50>

.        Тартаковский Д.Ф. Ястребов А.С. Метрология, стандартизация и технические средства измерений: Учебник для вузов -.М.:Высш.шк., 2001

.        Сергеев А.Г., Латышев М.В., Терегеря В.В. Метрология, стандартизация и сертификация. Учеб. пособие. - Изд. 2-е, перераб. и доп. - М.: Логос, 2005. 560 с. ил.

.        Кузнецов В.А., Ялунина Г.В. Основы метрологии: Учебное пособие - М.: Изд-во стандартов, 1995, - 280 с.

.        Димов Ю.В. Метрология, стандартизация и сертификация. Учебник для вузов. 2-е изд. - СПб.: Питер, 2004. - 432 с.

.        ГОСТ 8.513. «ГСИ. Поверка средств измерений. Организация и порядок проведения.» - М.: Изд-во стандартов.

Похожие работы на - Поверка средств измерений

 

Не нашли материал для своей работы?
Поможем написать уникальную работу
Без плагиата!
Без нейросетей!