Фасонный резец
Введение
Фасонные резцы применяются для
обработки поверхностей сложного профиля на станках токарной группы и реже на
строгальных (долбёжных) станках в условиях серийного и массового производства.
Как правило, они являются специальными инструментами, предназначенными для
обработки одной детали. Преимущества фасонных резцов - строгая идентичность
обработанных деталей, большой срок службы, высокая общая и размерная стойкость,
совмещение предварительной и окончательной обработки, простота установки и
наладки на станке - делают их незаменимыми в автоматизированном производстве,
особенно на токарных автоматах.
Фасонные резцы классифицируют по
нескольким признакам:
. По типу станка - токарные,
автоматные, строгальные (долбёжные)
. По форме тела резца - круглые (дисковые),
призматические, стержневые. Реже примеются винтовые и улиточные резцы.
. По положению передней плоскости
резца - с обычной заточкой (
) и с
боковой заточкой (
).
. По положению базовой поверхности
резца (оси посадочного отверстия у круглых или опорной плоскости у
призматических) относительно оси детали - резцы обычной установки и резцы
особой установки. Последние, в свою очередь, могут быть с базой, развёрнутой в
горизонтальной плоскости на угол
, и с боковым наклоном корпуса (обычно призматические резцы).
. По виду обрабатываемой поверхности
- наружные, внутренние, торцовые. Последние могут быть как наружные с базой,
развёрнутой на угол
.
. По направлению подачи - с
радиальной и тангенциальной подачей (соответственно радиальные и тангенциальные
резцы).
. По конструкции, способу соединения
режущей части и корпуса, материалу режущей части: насадные и хвостовые (круглые);
цельные, сварные, паяные; быстрорежущие и твердосплавные.
Этапы проектирования
фасонных резцов
Проектирование фасонных резцов
состоит из следующих основных этапов:
. Подготовка чертежа детали к
расчету фасонного резца;
. Выбор типа резца;
. Определение углов режущей части и
углов установки резца;
. Определение габаритных и
присоединительных размеров резца;
. Расчет размеров профиля резца в
технологическом сечении (коррекционный расчет резца);
. Расчет допусков на размеры
профиля, углы заточки и установки резца;
. Оформление рабочего чертежа резца;
. Проектирование шаблона для
контроля профиля резца при его изготовлении и контршаблоны для проверки
шаблона;
. Проектирование державки для
крепления резца на станке. Все эти этапы проектирования отражаются в
расчетно-пояснительной записке в изложенной выше последовательности. В
графической части проекта приводятся: графическое построение и определение
размеров прифиля резца, рабочий чертёж резцы, сборочные чертёж державки резца
со спецификацией на отдельном листе.
Задание: (вар. 44) сконструировать фасонный резец для обработки выделенной части
контура детали, изображенной на следующем эскизе:
Неуказанные предельные отклонения
размеров: H14; h14; остальных
.
Поверхности, отмеченные знаком *, предварительно обработаны. Сталь 45,
проектирование режущего инструмента.
Вариант 44:





Материал:
1. Расчет фасонного
резца
Подготовка чертежа
детали к расчету фасонного резца
- Определение расчётных
(теоретических) размеров детали.
Вычерчивание профиля детали по
найденным размерам в увеличенном масштабе (5:1), который используется в
дальнейшем для графического определения размеров профиля резца.
Задаём промежуточные точки профиля,
которые необходимы при наличии на профиле криволинейных участков, а также для
повышения точности обработки конических, а в ряде случаев (при
и
) и
цилиндрических участков.
. Выбор типа фасонного
резца
Для данной детали выберем призматический
резец, т. к. такие резцы имеют бо́льшую жесткость корпуса, жестче крепятся в державке, поэтому при
обработке деталей с бо́льшими размерами фасонного профиля, особенно при его значительной
длине. Кроме того они имеют меньшие органические погрешности, поэтому
применяются при повышенных требованиях к точности профиля детали.
Спрофилировать призматический
фасонный резец - это значит по известному профилю детали определить профиль его
режущей кромки в двух плоскостях: в плоскости передней грани для точного
контроля профиля на оптических приборах (микроскопе, проекторе) и в плоскости,
перпендикулярной к задней поверхности (в нормальной плоскости) для изготовления
профиля резца и контроля его с помощью шаблона (шаблонов). Профилирование
производится графическим и аналитическим путем.
Графическое профилирование позволяет
получить графическую схему для аналитического профилирования (получить
расчетные формулы). Графическое профилирование позволяет выявить грубые ошибки
аналитического профилирования.
. Определение углов
режущей части
Из рекомендаций выбора углов из ряда
значений (методичка, стр. 11), а также из рекомендуемых значений углов для
призматических резцов:
Передний угол:
Задний угол:
Примем для расчётов следующие углы:
Передний угол: g = 20°
Задний угол: a=10°
. Расчет средних
значений радиусов и линейных размеров
Расчет средних значений радиусов
.
2.
.
.
Расчет линейных размеров
.
.
.
.
.
5. Определение
габаритных и присоединительных размеров резца
Обычно габаритные и конструктивные
размеры резцов определяются из конструктивных соображений в зависимости от
глубины фасонного профиля изделия
и длины профиля
, так
как от них зависит количество получающейся стружки и нагрузка на резец при его
работе. При выборе габаритных и присоединительных размеров следует пользоваться
таблицей № 3.
Высотный размер (глубина) профиля:
По заданным теоретическим размерам:
находим максимальный и минимальный
радиусы профиля детали:
Из раннее вычисленного высотного размера (глубины) профиля (
), по таблице № 3 определям:
Размеры призматического
фасонного резца:





Размер
, поэтому принимаем
Размер
при различных диаметрах роликов:
Схема аналитического расчета профиля
призматического фасонного резца
Коррекционный расчет
профиля резца
Определение величины А
.
.
3.
4.
|
Dmin, мм
|
Dmax, мм
|
откл, мм
|
Rср, мм
|
угол, град
|
А, мм
|
|
29,875
|
30
|
0,25
|
14,97
|
|
г1
|
A1
|
|
|
31,875
|
33
|
0,25
|
16,22
|
|
г2
|
A2
|
|
|
33,875
|
34
|
0,25
|
16,97
|
|
г3
|
A3
|
|
|
34,875
|
35
|
0,25
|
17,47
|
|
г4
|
A4
|
|
Определение величины C
Определение величины P
Определение высотных
размеров детали и резца
Схема расчета высотных размеров
профиля обрабатываемой детали и резца
Определение высотных
размеров резца
Определение высотных
размеров детали
Определение заменяющего
радиуса профиля фасонного резца
6. Проектирование
шаблона и контршаблона
Шаблон имеет те же номинальные
размеры профиля, что и фасонный резец, однако допуски на размеры профиля
шаблона должны быть в 1,5..2 раза жестче, чем допуски на соответствующие
размеры профиля фасонного резца.
Для контроля шаблона в процессе его
эксплуатации, если он работает длительное время, применяют контршаблон. Его
профиль одинаков с профилем резца, но допуски на размеры профиля в 1,5..2 раза
жестче, чем допуски на размеры шаблона.
Шаблон и контршаблон изготавливают
из листового материала толщиной 1..3 мм в зависимости от размеров. Для
увеличения износостойкости их закаливают до твердости HRC = 56..64.
7. Крепление
призматического резца
Призматические резцы с фасонным
профилем рабочей кромки могут быть закреплены в жестких консольных державках.
Посадочные хвостовики выполняют в виде ласточкина хвоста и крепят сбоку
Г-образной губкой зажимаемой гайкой.
Регулировку резца по высоте в
процессе наладки производят винтом с мелким шагом резьбы снабженным головкой со
шкалой. Хвостовая часть резца имеет радиусные канавки с шагом S в которые всавляют язычок
регулировочного винта предназначенные для предварительной установки
призматического резца после заточек. Державки могут быть правыми или левыми а
также выполнятся с пазами для установки и крепления резцов под углом к опорной
поверхности державки.
Величину углового расположения паза
в державке назначают в соответствии с углом наклона режущей грани призматического
резца.
8. Расчет червячной
модульной фрезы (вар. 1)
Исходные данные:
Угол зацепления
Модуль нормальный
Коэффициент высоты головки и ножки
зуба
Коэффициент радиального зазора
Число зубьев
Угол наклона зубьев
Направление зубьев
Коэффициент коррекции нормальный
Степень точности
Материал
Вид фрезерования червячной фрезой
Вид окончательной обработки
зубчатого
венца
Припуск на окончательную обработку
по
делительной окружности в нормальном
сечении на сторону
Так как фреза имеет высокий класс
точности - АА, затылование происходит на основе Архимедова червяка.
Расчет основных
конструктивных элементов
1. Число заходов
2. Угол подъема винтовой линии по
делительному цилиндру
. Наружный диаметр
. Ориентировочное число зубьев фрезы
в торцевом сечении
Коэффициент, учитывающий форму
зубьев для а) 1.0, б) 0.8
. Величина спада задней поверхности
зубьев фрезы
и
поправочный коэффициент:
. Радиус впадины стружечной канавки
7. Глубина профиля
8. Глубина стружечной канавки
9. Угол впадины стружечной канавки
10. Диаметр отверстия
. Длина рабочей части фрезы
. Общая длина фрезы
- длина цилиндрических буртиков (3-5 мм)
13. Диаметр буртиков
. Расчетный диаметр делительного цилиндра
15. Расчетный угол подъема винтовой
линии по делительному цилиндру
Направление стружечных канавок:
. Шаг в осевом сечении
Шаг стружечных канавок
. Расчет размеров зубьев в
нормальном сечении
Толщина по делительному цилиндру:
Высота головки зуба:
Высота ножки:
Радиус галтели на головке зуба:
Радиус галтели у ножки зуба:
18.
9. Расчет шлицевой
протяжки (вар. 21)
фасонный резец фреза
шлицевый
Рассчитать и сконструировать
шлицевую протяжку. Допуски на изготовления принять по ГОСТ 7943-78.
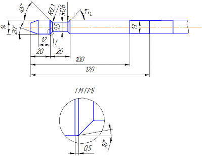
Эскиз
Исходные данные:
Станок: 7Б56
1. По табл. 10-11, стр.
55 [1]:
Группа обрабатываемости: I;
2. По табл. 10-11, стр.
55 [1]:
Группа качества поверхностей: 2;
Боковых поверхностей: 3.
3. Материал рабочей
части: быстрорежущая сталь Р6АМ5. (табл.
П3 [9]).
. Конструкция: с приваренным хвостовиком, материал 20ХН по ГОСТ 4044-70. Тип2
Из таблицы 2 ГОСТ 4044-70:
Сила, допустимая прочностью
хвостовика:
-
допустимое напряжение при растяжении
-
площадь опасного сечения хвостовика.
Геометрические параметры
режущей части протяжек (табл. П5 [9], ГОСТ 9126-76)
Черновые и переходные:
Чистовые и калибрующие:
Для протяжек диаметром до 20 мм
допустим передний угол
Форма А
для
черновых и переходных
для
чистовых
для
калибрующих
Скорость резания: (табл.
П6 [9]).
вязкая
то
Подача
Чистовая
Черновая
С поправочными коэффициентами
По
(табл. П17 [9]) подача черновых зубьев ограничивается для
и 2-ой
группы качества
Определяем глубину
стружечной канавки
К=3-коэффициент помещаемости
Для фасочных и круглых зубьев
дну
Для шлицевых
Принимаем
Так как глубина стружечной канавки
для фасочных и шлицевых зубьев принята из условий жесткости протяжки, то для
размещения стружки в стружечной канавке уменьшаем подачу по формуле:
Шаг черновых зубьев и
число одновременно работающих зубьев (табл. П19 [9]

Максимально допустимая
сила резания
-
паспортная тяговая сила станка
Определяем число зубьев
в группе для каждой части протяжки отдельно
Для
Для
СОЖ-Сульфофрезол В
Распределение припуска
между разными частями и зубьями протяжки
Число групп черновых
зубьев, остаточный припуск и распределение его
Общее число зубьев,
число фасочных, круглых и шлицевых
Черновые
круглые
шлицевые
круглые
шлицевые
Длина режущей части,
шаги и профиль чистовых круглых и шлицевых зубьев
Сила протягивания на
каждой части протяжки
Рассчитываем
дополнительные варианты, увеличивая число одновременно работающих зубьев(за
счет уменьшения подачи на 0,01 мм)
|
Искомый параметр
|
Вариант
|
|
I
|
II
|
III
|
IV
|
|
|
7
|
8
|
9
|
10
|
|
t0, мм
|
7
|
6
|
5,5
|
5
|
|
h0, мм
|
3
|
2,5
|
2
|
2
|
|
b0,мм
|
2,3
|
2
|
2,5
|
2
|
|
Sz0,мм
|
0,06
|
0,04
|
0,025
|
0,025
|
|
zсф, zck,zcш
|
2;3;1
|
2;3;1
|
2;3;1
|
2;4;2
|
|
Aф, мм
|
1,617
|
1,617
|
1,617
|
1,617
|
|
Aк, мм
|
0,92
|
0,92
|
0,92
|
0,92
|
|
Aкп, мм
|
0,16
|
0,16
|
0,16
|
0,16
|
|
Aкч,мм
|
0,8
|
0,8
|
0,8
|
0,8
|
|
Ак0, мм
|
0,64
|
0,64
|
0,64
|
0,64
|
|
Dш1, мм
|
16,537
|
16,497
|
16,467
|
16,467
|
|
Аш, мм
|
3,481
|
3,521
|
3,551
|
3,551
|
|
Ашп,мм
|
0,24
|
0,24
|
0,18
|
0,06
|
|
Ашч, мм
|
0,08
|
0,08
|
0,08
|
0,08
|
|
Аш0,
мм
|
3,161
|
3,201
|
3,291
|
3,411
|
|
iф пр
|
14
|
20
|
32
|
32
|
|
iко пр
|
2
|
2
|
2
|
2
|
|
iшо пр
|
26
|
40
|
65
|
65
|
|
Aостф, мм
|
0
|
0,017
|
0,017
|
0,017
|
|
Aостк, мм
|
0,26
|
0,26
|
0,26
|
0,26
|
|
Aостш, мм
|
0,041
|
0,016
|
0,01
|
0,01
|
|
iф
|
14
|
21
|
33
|
33
|
|
iко
|
2
|
3
|
3
|
3
|
|
iшо
|
26
|
40
|
65
|
65
|
|
zф
|
28
|
42
|
66
|
66
|
|
zк0
|
6
|
9
|
9
|
12
|
|
zш0
|
27
|
41
|
66
|
66
|
|
zкп
|
2
|
2
|
2
|
2
|
|
zкч
|
4
|
4
|
4
|
4
|
|
zкк
|
4
|
4
|
4
|
4
|
|
zк
|
16
|
19
|
19
|
21
|
|
zшп
|
4
|
4
|
4
|
4
|
|
zшч
|
2
|
2
|
2
|
2
|
|
zшк
|
3
|
3
|
3
|
3
|
|
zш
|
36
|
50
|
75
|
75
|
|
∑z
|
80
|
111
|
160
|
160
|
|
lф,мм
|
196
|
252
|
363
|
330
|
|
tч,tk, мм
|
6
|
5
|
4,5
|
4,5
|
|
hч,мм
|
2,5
|
2
|
2
|
2
|
|
bч,мм
|
2
|
2
|
1,5
|
1,5
|
|
lk,мм
|
98
|
101
|
92
|
101,5
|
|
lш.мм
|
248
|
290
|
403
|
368
|
Выбираем 1 вариант-оптимальный.
Самая малая длина режущей части протяжки, и число зубьев.
Так как длина круглой части >1,5l то черновые переходные зубья
выполняем по групповой схеме(zck=4) пересчитываем их число и помещаем перед фасочными зубьями.
Схема КопФКчкШ
Пересчет силы
протягивания на каждой части протяжки по формулам
Диаметры калибрующих
зубьев
|
№ зуба
|
Диаметр зуба
|
допуск
|
б
|
Вид зубьев
|
№ зуба
|
Диаметр зуба
|
допуск
|
б
|
Вид зубьев
|
12,32 12,32 12,28 12,44 12,44 12,40 12,56 12,56 12,52 12,68 12,68 12,64 12,80 12,80 13,76 13,92
|
-0.016
|
|
Черновые и переходные круглые
|
45 46 47 48 49 50 51 52
|
13,1 13,06 13,06 13,12 13,12 13,12 13,12 13,12
|
-0,007
|
|
Чистовые и калибрующие круглые
|
|
|
|
|
|
53 54 55 56 57 58 59 60 61 62 63 64 65 66 67 68 69 70 71 72 73
74 75 76 77 78 79
|
13,51 13,63 13,75 13,87 14,99 17,11 17,23 17,35 17,47 17,59 17,71 17,83 17,95 14,07 14,19 14,31 14,43 14,55 14,67 14,79 14,91 14,03 15,15 15,27 15,39 19,51 19,63
|
-0,016
|
|
Шлицевые черновые
|
|
17 18 19 20 21 22 23 24 25 26 27 28 29 30 31 32 33 34 35 36 37
38 39 40 41 42 43 44
|
13,09 13,25 13.21 13,37 13,33 13,49 13,45 13,61 13,57 13,73 13,69 13,85 13,81 13,97 13,93 13,09 13,05 13,21 13,17 13,33 13,29 13,45 16,41 16,57
16,53 16,69 16,75 16,81
|
|
|
Фасочные
|
|
|
|
|
|
|
|
|
|
|
80 81 82 83
|
19,75 19,75 19,87 19,87
|
|
|
переходные
|
|
|
|
|
|
84 85
|
19,97 19,97
|
-0,007
|
|
чистовые
|
|
|
|
|
|
86 87 88
|
20,10 20,10 20,10
|
|
|
калибрующие
|
Для схемы КопФКчкШ
согласно рекомендациям п. 10 методики принимаем диаметр впадин фасочных зубьев
равным диаметру последнего переходного зуба
Число выкрушек на
круглых черновых и переходных зубьях
Nk=6; ak=4
Rk=25;RB=30.
Чистовые круглые зубья выполняются
без выкрушек
Число выкрушек на шлицевых зубьях
Nk=6
fп=1 мм
Бш=b-2f=4-2=2 мм
Rk=25;RB=30.
Диаметр передней
направляющей
т. к.
Длина переходного конуса
Расстояние от переднего
торца протяжки до первого зуба
Для станка 7Б56
Диаметр задней направляющей
Протяжку делаем без заднего хвостовика
Общая длина протяжки
т. к.
то проектируем комплект протяжек из 2-х. Делаем чертеж только
протяжки второго рабочего хода.
Для комплекта шлицевых протяжек
формулы приобретают вид:
Следовательно, изменяются диаметры
зубьев в таблице. Представляем пересчитанную часть таблицы для второго рабочего
перехода.
|
№ зуба
|
Диаметр зуба
|
допуск
|
б
|
Вид зубьев
|
|
53 54 55 56 57 58 59 60 61 62 63 64 65 66 67 68 69 70 71 72 73
74 75 76 77 78 79
|
16,517 16,637
16,757 16,877 16,997 17,117 17,237 17,357 17,477 17,597 17,717 17,837 17,957
18,077 18,197 18,317 18,437 18,557 18,677 18,797 18,917 19,037 19,157 19,277
19,397 19,517 19,637
|
-0,016
|
|
Шлицевые черновые
|
|
|
|
|
|
|
80 81 82 83
|
19,757 19,757 19,877 19,877
|
|
|
переходные
|
|
84 85
|
19,977 19,977
|
-0,007
|
|
чистовые
|
|
86 87 88
|
20,018 20,018 20,018
|
|
|
калибрующие
|
Расчет коррегированного профиля
фасочных и шлицевых прямобочных зубьев.
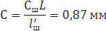
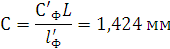
Подъем заднего центра С на длине
протяжки L и половину угла коррегированного бокового профиля зубьев и
шлифовального круга
считаем.
Для расчета подъема заднего центра
С, размеров для контроля бокового профиля фасочных зубьев НА, НВ
назначаем номера 17 и 44
При шлифовании боковой поверхности
фасочных зубьев с 17 по 44 задний хвостовик необходимо поднять в направлении
стрелки Е подъем равен 1,424 на длине 860 мм.
При шлифовании боковой поверхности
шлицевых зубьев с 54 по 78 задний хвостовик необходимо поднять в направлении
стрелки F подъем равен 0,87 на длине 860 мм.
Для черновых зубьев:
фасочных круглых и шлицевых
t=7 мм
h=3 мм
b=2,3 мм
R=5 мм
r=1,5 мм
Для чистовых зубьев:
t=6 мм
h=2,5 мм
b=2 мм
R=4 мм
r=1,3 мм
Материал рабочей части Р6АМ5,
хвостовик 45ХН, HRC 62-66 рабочей части и задней направляющей HRC 61-66.
. Выбор патрона для
протяжки
Наибольшее распространение получили
круглые с кольцевой выточкой хвостовики протяжек. Поэтому принимаем конструкцию
патрона по ГОСТ 16158-70. Основными деталями патрона являются корпус, гильза,
для открывания и закрывания кулачков, пружина, перемещающая гильзу в положение
закрытия кулачков и гайка, на которую опирается пружина. При протягивании отверстий,
когда требуется фиксация углового положения протяжки (шлицевые фасонные), во
втулку устанавливается фиксирующий сегмент обеспечивающий постоянство углового
положения хвостовика протяжки.
11. Конструирование
набора инструментов для обработки отверстия, изображенного на эскизе (вар. 52)
Исходные данные:
Материал обрабатываемой детали и его
свойства:
Вид
заготовки и состояние поверхности до обработки: пруток горячекатаный, торец
обработан.
Сверло
1. Сверло спиральное с коническим
хвостовиком повышенной точности класса А с нормальным хвостовиком из ГОСТ
10903-77 (2301-3627 ГОСТ 10903-77)
. Основные размеры сверла (из табл.
ГОСТ 10903-77):
Зенкер
1. Зенкер цельный для обработки
сквозных отверстий из ГОСТ 12489-71 (2320-2581 h8 ГОСТ 12489-71)
. Тип зенкера: 1-ый (с коническим
хвостовиком)
. Основные размеры зенкера (из табл.
1 ГОСТ 12489-71):
4. Элементы конструкции и
геометрические параметры (из приложения 1, табл. 1 ГОСТ 12489-71):
Развёртка машинная
цельная
1. Машинная чистовая цельная
развертка для обработки отверстий из ГОСТ 1672-80 (2363-0378 H7 ГОСТ 1672-80).
. Тип развёртки: 2-ий (с коническим
хвостовиком)
. Основные размеры развертки (из
табл. 2 ГОСТ 1672-80):
4. Этапы конструкции и
геометрические параметры развёрток
Геометрические параметры режущей
части развёрти с углом в плане
(из
табл. 1 ГОСТ 1672-80):
для
:
5. Элементы конструкции развёрток
(из табл. 2 ГОСТ 1672-80):
Список литературы
1. Ашихмин В.Н.
Протягивание. М.: Машиностроение, 1981. - 144 с.: ил. - серия "Библиотека
станочника"
. Г.И. Грановский,
«Фасонные резцы» М., Машгиэ, 1947.
. И.А. Фрайфельд «Расчет
и проектирование специального металлорежущего инструмента Л.,Машгиэ, 1959.
. С.К. Дарманчев
«Фасонные резцы» Машиностроение, 1968.
. В.П. Шатин и П.С.
Денисов «Режущий и вспомогательный инструмент»
. Конспект лекций по
курсу Р И К И.
. К.П. Панченко «Расчет
и конструирование фасонных резцов» Методическое пособие для студентов по курсу
РИКИ. Москвка, 1970.
. Г.И. Грановский, К.П.
Панченко «Фасонные резцы» Машиностроение, 1975.
. Д.К. Маргулис
«Протяжки для обработки отверстий» Машиностроение, 1986.