Технология производства детали 'Винт нажимной'

  • Вид работы:
    Дипломная (ВКР)
  • Предмет:
    Другое
  • Язык:
    Русский
    ,
    Формат файла:
    MS Word
    1,59 Мб
  • Опубликовано:
    2013-09-23
Вы можете узнать стоимость помощи в написании студенческой работы.
Помощь в написании работы, которую точно примут!

Технология производства детали 'Винт нажимной'

Содержание

Введение

. Характеристика объекта производства

. Расчетно-технологическая часть

.1 Характеристика материала объекта производства

.2 Технологический процесс

.3 Выбор и характеристика оборудования

.4 Выбор и описание приспособлений

.5 Выбор и описание режущих инструментов

.6 Выбор и описание измерительных инструментов

2.7 Возможные виды брака

. Технология обработки резьбы

. Организация рабочего места

5. Правила безопасности труда и экология на производстве

6. Высокие технологии обработки в машиностроении

Литература

Введение

Машиностроение как материальная основа технического перевооружения производства, в свою очередь, включает в себя такие крупные подотрасли, как энергетическое машиностроение, электротехническая, станкостроительная и инструментальная промышленности, приборостроение, тракторное и сельскохозяйственное машиностроение и т.д.

Станочник - одна из самых востребованных профессий в металлообрабатывающей промышленности. Предприятия и объединения металлообрабатывающей промышленности входят в различные отрасли экономики - от металлоремонтной (авто-, судоремонтной и т.п.), лесной, деревообрабатывающей, медицинской промышленности до многообразных отраслей машиностроения.

Специалисты, работающие в любой из этих отраслей производства, должны представлять себе производственный процесс, основные стадии производства: заготовительную, обрабатывающую и обслуживающую, помнить, что основными задачами, которые решает рабочий в процессе производства, является повышение качества изготовления изделий, снижение себестоимости продукции, повышение производительности труда. Для решения этих задач нужны теоретические знания и практические навыки работы, которые будущие станочники приобретают при обучении.

Современные рабочие должны уметь переналаживать оборудование, на котором производиться обработка изделий, выбирать рациональные режимы резания, контролировать качество обработки с помощью контрольно-измерительных инструментов, диагностировать оборудование и устранять возникшие неполадки.

В настоящее время станочный парк оснащен станками с программным управлением (ПУ), роботизированными комплексами, гибкими производительными системами, автоматическими линиями, которые не только повышают качество обработки изделий, но и позволяют стабилизировать точностные показатели.

Оборудование с программным управлением обеспечивает автоматический процесс обработки, сокращение времени наладки, возможность многочастотного обслуживания, повышения качества

производство винт нажимной резьба

1. Характеристика объекта производства

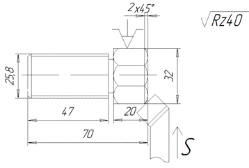
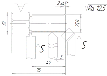
Объектом письменной экзаменационной работы является деталь «Винт нажимной» с габаритными размерами Ø 26х70 мм Шероховатость поверхности детали Rz 40 , не указанны предельные размеры h 14,отверстий H14.

Деталь выполняется из материала Сталь 45 ГОСТ 1050―88.

Изделие “Винт нажимной “ Выполнен в виде рабочего чертежа.

Рабочим чертежом называется изображение детали, на котором нанесены все размеры, необходимые для её изготовления и контроля, указаны материал, шероховатость поверхностей и приведены технические требования.

Заготовка-шестигранник диаметром 32, длиной 75 - прокат.

Винты нажимные с шестигранной головкой и концом под пяту для станочных приспособлений - ГОСТ 1050―88 1. Конструкция и размеры нажимных винтов с шестигранной головкой и концом под пяту должны соответствовать указанным на чертеже и в таблице.

.Материал - сталь марки 45 по ГОСТ 1050-88.Допускается замена на сталь других марок с механическими свойствами не ниже, чем у стали45.

.Твердость - НRC 33…38.

.Некуказанны предельные отклонения размеров: отверстий - Н14,валов - h14,остальных ― ± П-14 ÷ 2.

5.Резьба метрическая ― по ГОСТ 1050―88.

.Размеры недорезов для резьбы ― по ГОСТ 1050―88.

.Покрытие -Химическое по ГОСТ 1050―88 По соглашению сторон допускается применение других видов защитных покрытий.

.Остальные техничские требовния ― по ГОСТ 1050-88.

. Маркировать по ГОСТ 1050―88.

2. Расчетно-технологическая часть

Существует три вида производства:

1. Единичное от 1 до 10 штук

. Серийное, которое делится на:

а) мелкосерийное от 30 до 50 штук

б) среднесерийное от 50 до 100 штук

в) крупносерийное от 500 до 1000 штук

.Массовое

Производственный процесс - это комплекс действий, в результате которых получают готовую деталь. Он состоит как из основных, так и вспомогательных действий.

Технологический процесс - это часть производственного процесса. Он представляет собой последовательное выполнение различных видов обработки, направленных на превращение заготовки в готовую деталь.

Технологический процесс состоит из:

Операция - законченная часть технологического процесса, выполняемая на одном рабочем месте.

Установка - часть технологической операции, выполняемая при неизменном закреплении обрабатываемой заготовки. Обозначается заглавными буквами русского алфавита.

Переход - конкретное действие резца.

Технологический переход - законченная часть технологической операции, связанная с постоянством применения инструмента и поверхности обрабатываемой заготовки.

Рабочий ход - однократное применение резца. Рабочий прием - законченное действие рабочего хода.

Используемые обозначения:- глубина резания, мм;- число проходов;- подача, мм/об;

υ - скорость резания, м/мин;- частота вращения шпинделя

Используемые формулы:

t = (при обтачивании и растачивании); (1)= (при сверлении); (2)

υ =; (3)=. (4)

.1 Характеристика материала объекта производства

Материалом для изготовления детали «Винт нажимной» служит материал сталь 45 ГОСТ 1050-88. Это углеродистая конструкционная качественная сталь со средним содержанием углерода 0,45 %.

Для определения обрабатываемости данного материала и его механических свойств необходимо знать химический состав стали и влияния компонентов химического состава на её свойства.

Таблица2.1.1 Массовая доля элементов, %

Марка

C

Mn

Cr

Cu

Ni

P

S

Fe

Сталь 45

0,42- 0,50

0,50- 0,80

0,25

не более

остальное





≤ 0,3

≤ 0,3

≤ 0,17-0,37

≤ 0,035

≤ 0,04



C - углерод, главный компонент стали; с его увеличением повышается прочность и твердость, но ухудшается пластичность, вязкость, обрабатываемость резанием. В зависимости от содержания углерода сталь 45 относится к среднеуглеродистым.

Mn - марганец, способствует удалению серы, заметно повышает предел текучести стали, но делает её чувствительной к перегреву.

Cr - хром, заметно улучшает механические свойства стали (твердость, прочность, пластичность, сохраняет вязкость, увеличивает сопротивление коррозии).

Cu - медь, увеличивает пластичность, жидкотекучесть, сопротивление коррозии, но ухудшает режущие свойства.

Ni - никель, повышает прочность, вязкость, коррозионную стойкость, увеличивает плотность стали.

Si - кремний, увеличивает жидкотекучесть, мягкость и пластичность.

P - фосфор, вызывает хлодноломкость и ухудшает механические свойства.

S - сера, вызывает красноломкость, ухудшает жидкотекучесть и ухудшает механические свойства.

Fe - железо, основной компонент стали.

Для выбора рациональных режимов резания и расчета его элементов при обработке заготовки необходимо знать механические свойства материала.

Таблица 2.1.2. Механические свойства материла

Марка

σвр, МПа

σт, МПа

δ, %

ψ, %

НВ

a n Дж/см2

Сталь 45

600

350

16

40

197

49


σвр - предел прочности при растяжении

σвр =  , МПа (кгс/мм2 )

σт - предел текучести

σвр = , МПа (кгс/ мм2 )

δ - относительное удлинение

δ = ×100%

ψ - предел текучести

ψ = × 100%

a n - ударная вязкостьn = , (Дж/см2)

.2 Технологический процесс

Операция 010. Установ А. Переход 1.


Подрезать торец «как чисто»

Резец проходной отогнутый, Т15К6

. t = 1 мм.

. i = 1проход.

. S = 0,4 мм/об.

. n = 630 об/мин.

.

Операция 010. Установ А. Переход 2.


Точить Ø 28 на L= 75

. t =4 мм.

. i = 1 проход

. S = 0,3 мм/об. (ручная)

. n = 660 об/мин.

5. 64 м/мин

Операция 010. Установ А. Переход 3.


Точить Ø 25,8 на L= 75

. t =3 мм.

. S = 0,3 мм/об. (ручная)

. n = 825 об/мин.

5

Операция 010 Установ А. Переход 4 - 5


Проточить канавку шириной 3 мм Ø 25 на L=47мм от торца

Снять фаску под резьбу 2х45°

Нарезать резьбу М-26 на L=47 мм

. t =3 мм.

. i = 1 проход

. S = 0,15 мм/об. (ручная)

. n = 200 об/мин

Операция. 010. Установ А. Переход 6.


Обрезать деталь на L=70,5 мм. . 1. t = 5 мм.

. i = 1 проход

. S = 0,15 мм/об. (ручная)

. n = 398 об/мин

. v = 40м/мин


Операция 010. Установ Б. Переход 1.

Подрезать торец, Снять фаску 2х45°

1. t =1,5 мм.

. i = 1 проход

. S = 0,4 мм/об. (ручная)

. n = 660 об/мин

5. v = =64м/мин

.3 Выбор и характеристика оборудования

Металлорежущие станки обеспечивают изготовление деталей разнообразной формы, с высокой точностью размеров и заданной шероховатостью поверхности.

Станки токарной группы наиболее распространены в машиностроении и таллообработки по сравнению с металлорежущими станками других групп. В составе этой группы входят токарно-винторезные, токарно- револьверные, токарно-карусельные, токарные автоматы и полуавтоматы и другие станки.

Токарно-винторезные станки предназначены для наружной и внутренней обработки, включая нарезание резьбы, единичных и малых групп деталей.

Металлорежущие станки отечественного производства имеют цифровое обозначение моделей. Первая цифра в обозначении модели показывает к какой технологической группе относится станок: 1- токарные станки, 2- сверлильные станки, 3- шлифовальные станки и т.д.

Вторая цифра указывает на тип станка в группе: 1- одношпиндельные и 2- многошпиндельные автоматы, 3- токарно-револьверные станки, 5- карусельные и т.д.

Для обработки детали «Винт нажимной» в условиях единичного производства предлагаю использовать токарно-винторезный станок 16К20. Этот станок предназначен для выполнения различных токарных работ, скоростного резания «сырых», закаленных, а также труднообрабатываемых материалов в условиях единичного и серийного производства. Техническая характеристика токарно-винторезного станка 16К20

Наибольший диаметр обрабатываемой заготовки, мм:

над станиной - 400,

над суппортом - 200

Расстояние между центрами (РМЦ), мм - 710, 1000, 1400, 2000

Число частот вращения шпинделя -24

Пределы частот вращения шпинделя, об/мин - 12,5- 1600

Пределы подач, мм/об:

продольных - 0,05-2,8

поперечных - 0,025-1,4

Шаги нарезаемых резьб:

метрической, мм - 0,5-112

дюймовой, число ниток на 1״ -0

Мощность электродвигателя главного привода,кВт-7,5;10 Масса станка (РМЦ),кг - 3000

Токарно-винторезные станки предназначены для обработки, включая нарезание резьбы, единичных деталей и малых групп деталей. Однако бывают станки без ходового винта.

На таких станках можно выполнять все виды токарных работ, кроме нарезания резьбы резцом. Техническими параметрами, по которым классифицирую токарно-винторезные станки, являются наибольший диаметр D обрабатываемой заготовки (детали) или высота Центров над станиной (равная 0,5 D), наибольшая длина L обрабатываемой заготовки (детали) и масса станка.

Общий вид и расположение основных органов управления.

Рукоятки управления: 2 - сблокированная управление, 3,5,6 - установки подачи или шага нарезаемой резьбы, 7, 12 - управления частотой вращения шпинделя, 10 - установки нормального и увеличенного шага резьбы и для нарезания многозаходных резьб, 11 - изменения направления нарезания резьбы (лево- или правозаходной), 17 - перемещения верхних салазок, 18 - фиксации пиноли, 20 - фиксации задней бабки, 21 - штурвал перемещения пиноли, 23 - включения ускоренных перемещений суппорта, 24 - включения и выключения гайки ходового винта, 25 - управления изменением направления вращения шпинделя и его остановкой, 26 - включения и выключения подачи, 28 - поперечного перемещения салазок, 29 - включения продольной автоматической подачи, 27 - кнопка включения и выключения главного электродвигателя, 30 - фартук, 33- ходовой винт, 33 - направляющие станины.

Ряд наибольших диаметром обработки для токарно-винторезных имеет вид: D = 100, 125, 160, 200, 250, 320, 400, 500, 630, 800, 1000, 1250, 1600, 2000 и далее до 4000 мм.

Наибольшая длина L обрабатываемой детали определяется расстоянием между центрами станка. Выпускаемые станки при одном и том же значении D могут иметь различные значения L. По массе токарные станки делятся на легкиекг (D = 100 - 200 мм), средние - до 4 т (D = 250 - 500 мм), крупные - до 15 т (D = 630 - 1250 мм) и тяжелые - до 400 т (D = 1600 - 4000 мм). Легкие токарные станки применяются в инструментальном производстве, приборостроении, часовой промышленности, в экспериментальных и опытных цехах предприятий. Эти станки выпускаются как с механической подачей, так и без нее.

На средних станках производится 70 - 80% общего объема токарных работ. Эти станки предназначены для чистовой и получистовой обработки, а также для нарезания резьб разных типов и характеризуются высокой жесткостью, достаточной мощностью и широким диапазоном частот вращения шпинделя и подач инструмента, что позволяет обрабатывать детали на экономичных режимах с применением современных прогрессивных инструментов из твердых сплавов и сверхтвердых материалов.

Средние станки оснащаются различными приспособлениями, расширяющими их технологические возможности, облегчающими труд рабочего и позволяющими повысить качество обработки, и имеют достаточно высокий уровень автоматизации.

Крупные и тяжелые токарные станки применяются в основном в тяжелом и энергетическом машиностроении, а также в других отраслях для обработки валков прокатных станов, железнодорожных колесных пар, роторов турбин и др. Все сборочные единицы (узлы) и механизмы токарно-винторезных станков имеют одинаковое название, назначение и расположение.

.4 Выбор и описание приспособлений

Приспособления к токарным станкам предназначены для закрепления заготовок при их обработке и подразделяются на 3 основные группы:

1. для закрепления заготовок при обработке деталей в центрах: центры жесткие, вращающиеся, с рифленой поверхностью, поводковые устройства;

2.      для закрепления заготовок за наружную поверхность: двух-, трех и четырехкулачковые патроны, цанговые патроны;

.        для закрепления заготовок за отверстия: цельные и разжимные оправки.

При изготовлении детали «Винт нажимной» в условиях единичного производства предлагаю использовать трехкулачковый самоцентрирующий патрон. Этот патрон имеет три кулачка, которые одновременно сходятся к центру или расходятся от него. Кулачки обеспечивают точное центрирование заготовки ( совпадение оси заготовки с осью вращения шпинделя). Рис.2.4.1.

Трехкулачковый самоцентрирующий патрон: а-обший вид; б- детали патрона 1 -коническое зубчатое колесо;2 кулачки;3 -корпус;4 -диск

Кулачки 2 движутся в радиальных пазах корпуса 3 патрона.

В корпусе располагается диск, с одной стороны которого имеется спиральная резьба, а с другой - нарезаны зубья. Кулачки своими выступами на подошве входят в канавки спиральной резьбы. Диск 4 приводится во вращение ключом, вводимым в гнездо одного из сопряженных с ним малых зубчатых колес 1. Кулачки патрона движутся к центру или от центра, закрепляя или освобождая заготовку.

2.5 Выбор и описание режущих инструментов

Рабочее место станочника оснащается комплектом технологической оснастки, в который входят:

измерительный инструмент;

вспомогательный инструмент.

При изготовлении детали «Винт нажимной» в условиях единичного производства в качестве режущего инструмента использовались:

. Резец проходной упорный -которым удобно обрабатывать наружные цилиндрические поверхности и подрезать уступы . 2.проходной отогнутый резец которым можно легко подрезать торец, снимать фаски.

.отрезной резец -служащий для отрезания готовой детали от заготовки

. резьбовой резец - подходящий для нарезания как наружной ,так и внутренней резьбы .

. канавочный резец - для прорезки канавок в легко и сложно доступных местах заготовки.

Для измерительных инструментов:

1. Штангенциркуль ШЦ-1-Электронный- Основная особенность штангенциркуля - способность делать абсолютные измерения заготовок.

. резьбовые кольца и каллибы - служащие для комплексного контроля наружной о также внутренней резьбы проходной упорный (Рис 2.5.2.) - удобно обрабатывать наружные цилиндрические поверхности и подрезать уступы, он вызывает меньший прогиб заготовки

Резец проходной упорный

Проходной отогнутый резец

Отрезной резец

Резьбовой резец



Канавочный резец

.6 Выбор и описание измерительных инструментов

Основная особенность штангенциркуля - способность делать абсолютные измерения.Радиус измерения по нониусу В зависимости от конструкции (формы корпуса или скобы, в которую встраивается шц.

Существуют следующие типы штангенциркулей: гладкие, рычажные, листовые, трубные, проволочные, призматический, канавочные, резьбомерные, зубомерные и универсальные. Тип штангенциркуля определяется конструкцией и применением (измерение толщины труб, листов, зубьев колес и т.д.).

Оптические штангенциркули предназначены для бесконтактного измерения и контроля положения, размеров (диаметр, толщина, ширина, зазоры) технологических объектов; измерения уровня жидкостей и сыпучих материалов В основу работы прибора оптического штангенциркуля положен теневой метод.

ШЦ-1 электронный

Штангенциркуль состоит из двух модулей: излучателя и приемника. Излучение полупроводникового лазера коллимируется объективом. При размещении объекта в области коллимированного пучка формируемое теневое изображение сканируется линейкой ПЗС-фотоприемников. По положению теневой границы (границ) процессор рассчитывает положение (размер) объекта.

 

Резьбовые кольца: проходное и не проходное - служат для комплексного контроля наружной резьбы.

2.7 Возможные виды брака

При обтачивании цилиндрических поверхностей возможны следующие 1. часть поверхности детали осталась необработанной; виды брака:

. размеры обточенной поверхности неправильны;

3. обточенная поверхность получилась конической;

. обточенная поверхность получилась овальной;

. шероховатость обработанной поверхности не соответствует указаниям в чертеже.

2. Неправильные размеры обточенной поверхности возможны при неточной установке резца на глубину резания или при неправильном измерении детали при снятии пробкой стружки. Исправить этот брак можно повторным обтачиванием только в том случае, если размер диаметра детали получился больше требуемого. При получении диаметра детали меньше требуемого брак неисправим. Устранить причины этого вида брака можно и должно повышением внимания токаря к выполняемой работе.

3. Конусность обточенной поверхности получается обычно в результате смещения заднего центра относительно переднего. Для устранения причины этого вида брака необходимо правильно установить задний центр (см. рис. 40). Обычной причиной смещения заднего центра является попадание грязи или мелкой стружки в коническое отверстие пиноли. Очисткой центра и конического отверстия пиноли можно устранить и эту причину брака. Если после очистки вершины конусов переднего и заднего центров не совпадают, надо соответственно переместить корпус задней бабки на ее плите.

Исправить этот вид брака повторным обтачиванием можно только в том случае, если меньший диаметр конуса равен или больше требуемого размера.

.Овальность обточенной детали получается при биении шпинделя

. вследствие неравномерной выработки его подшипников или неравномерного износа его шеек. Предупредить брак по этой причине можно своевременной проверкой и ремонтом станка. Указанный вид брака получается также при биении переднего центра вследствие попадания грязи или мелкой стружки в коническое отверстие шпинделя. Очисткой переднего центра и конического отверстия шпинделя можно устранить брак по этой причине.5. Недостаточная чистота поверхности при обтачивании может быть по ряду причин: большая подача резца, применение резца с неправильными углами, плохая заточка резца, малый радиус закругления вершины резца, большая вязкость материала детали, вибрации резца из-за большого вылета из резцовой головки, недостаточно прочное крепление резца, увеличение зазора между отдельными частями суппорта, дрожание детали из-за слабого крепления ее или вследствие износа подшипников и шеек шпинделя. Перечисленные в п. 5 причины брака могут быть своевременно устранены. Исправить этот брак иногда удается снятием тонкой отделочной стружки.

3. Технология обработки резьбы

О дной из основных задач машиностроения на современном этапе, наряду с обеспечением высокого технического уровня, является повышение качества машин и механизмов, что в свою очередь определяет рентабельность их эксплуатации, затраты материальных и трудовых ресурсов на выпуск новых изделий, а во многих случаях и безопасность их эксплуатации. Надежную работу изделия в целом во многом определяет качество резьбовых соединений, которые имеют чрезвычайно широкое применение в различных изделиях машиностроения и составляют 15-20% от общего количества соединений в современных машинах, а в некоторых отраслях промышленности их доля доходит до 70% всех механических соединений.

С помощью резьбы получают неподвижные соединения, обеспечивающие точную фиксацию относительного положения деталей, и подвижные, предназначенные для преобразования вращательного движения в поступательное или для создания значительных осевых усилий. К показателям качества резьбовых соединений относятся: статическая прочность, усталостная прочность, стопорящие свойства и их стабильность - для неподвижных резьбовых соединений; износостойкость - для подвижных резьбовых соединений.

Обеспечение вышеуказанных показателей качества в настоящее время осуществляется в большинстве случаев посредством конструкторских методов. Это в свою очередь приводит, как правило, к усложнению конструкции соединения; повышению себестоимости, размеров и массы соединения. В некоторых случаях конструктивными методами решить задачу повышения качества невозможно. Вышеуказанные качественные показатели неподвижных и подвижных резьбовых соединений в значительной степени определяются точностью соединения, параметрами качества поверхностных слоев сопрягаемых резьбовых деталей (характеристики отклонений формы, шероховатости, физико-механические свойства), формируемые на стадии изготовления резьбы и ее сборки.

Обеспечение этих параметров при изготовлении зависит как от свойств материала, так и от ряда технологических факторов, таких как метод и схема формообразования и сборки, конструкция и геометрия инструмента, режимы обработки.

Таким образом, возникает необходимость в разработке технологии получения резьбовых деталей, позволяющей стабильно обеспечивать комплекс параметров качества поверхностного слоя витков резьбы, исходя из функционального назначения резьбового соединения.

Улучшение качественных показателей неподвижных и подвижных резьбовых соединений сдерживается в настоящее время отсутствием научно-обоснованных методик расчета их эксплуатационных свойств, выбора и нормирования параметров качества рабочих поверхностей резьб, а также методов и режимов обработки и сборки резьбовых соединений. В этой связи, безусловно, актуальными являются исследования, направленные на решение задач по технологическому обеспечению качества резьбовых соединений на основе выбора рациональных способов обработки (в большей степени это касается внутренних резьбовых поверхностей) и сборки резьбовых соединений исходя из их функционального назначения. Рис 2.5.8.

Кольцо с внешней резьбой

4. Организация рабочего места

Научная организация труда - это комплекс мероприятий, направленных на повышение производительности труда, качество обработанных изделий, улучшение условий труда рабочего.

Производительность труда - это количество изделий, выпускаемых в единицу времени на одного рабочего. Повышение производительности труда осуществляются следующими способами:

сокращением машинного времени;

сокращением вспомогательного времени

функциональным расчленением выполняемой работы;

разделением труда в зависимости от уровня квалификации.

Научная организация труда предусматривает: рациональную планировку рабочего места, своевременную подачу необходимого количества заготовок и вывоз готовых деталей, своевременный контроль деталей контролером ОТК, четкую организацию получения и сдачи инструментов, их своевременную заточку, использование рациональных режимов резания.

Одним из способов сокращением вспомогательного времени является рациональная организация рабочего места. Рабочим местом называется часть производственной площади цеха, оснащенная оборудованием, инструментом и приспособлениями, необходимыми для выполнения производственного задания.

Рабочее место станочника оснащается одним или несколькими станками с комплектом принадлежностей: комплекта технологической оснастки, состоящим из приспособлений, измерительного и вспомогательного инструмента; комплекта технологической документации, постоянно находящимся на рабочем месте (инструкции, справочники, вспомогательные таблицы и т.д.); комплекта вспомогательного оборудования (инструментальные тумбы, шкафы, подножные решётки, сигнализация).

Планировка рабочего места, как и его оснащение зависит от многих факторов, в том числе от типа станка и его габаритных размеров, размеров и формы заготовок, типа и организации производства.

При обработке заготовок в центрах левой рукой планировка рабочего места соответствует схеме, изображенной на рис.4.1. Если токарь устанавливает заготовку правой рукой, то инструментальный шкаф располагается с левой стороны от рабочего, а стеллаж - с правой. Перед началом работы все предметы, которые берут правой рукой, располагают справа от рабочего; а предметы, которые берут левой рукой, - слева; предметы, которыми пользуются чаще, кладут ближе к рабочему месту.

Большое значение имеет расположение предметов на рабочем месте: все, что рабочий берет правой рукой, должно находиться справа, а что левой - слева; то, что чаще требуется, следует класть ближе.

Каждый используемый при работе предмет должен иметь свое постоянное место. Это создает привычные движения и автоматизм в работе, исключает потерю времени на поиски.

Рабочее место токаря  1 - решетка; 2 - инструментальный шкафчик; 3 - планшет для чертежей; 4 - лоток инструментов и ключей; 5 - стеллаж; 6 - ящик деталей и заготовок 7 - ножки шкафчика.

Организация рабочего места зависит от характера выполняемых работ, однако можно рекомендовать типовую планировку (рис 2.4.2.), которая в большинстве случаев наиболее удобна для универсальных токарных работ.

Слева от рабочего примерно на расстоянии вытянутой руки и 300 мм от станка располагается инструментальная тумбочка 2 с планшеткой 8 для рабочего чертежа.


5. Правила безпасного труда и экология на производстве

В процессе труда человек вступает во взаимодействие с предметами, орудиями труда и другими людьми. Для целенаправленной деятельности по улучшению условий труда факторы, воздействующие на их формирование, объедены в три группы.

Первая группа обусловлена господствующими в обществе производственными отношениями (законы о труде, правила, нормы, стандарты) и практика государственного и общественного контроля за их соблюдением.

Вторая группа факторов оказывает воздействие на формирование материально-вещественных элементов труда.

Третья группа характеризует воздействие на работников климатических особенностей местности, где протекает работа.

Охрана труда -это система технических, санитарно-гигиенических, организационных и правовых мероприятий непосредственно направленных на обеспечение безопасных условий для жизни и здоровья человека труда. Под безопасность труда понимается комплекс организационных мероприятий и технических средств, направленных на создание безопасных условий труда.

Требования к безопасности труда стандартизуются государством в двух направлениях:

1. разработка специальных стандартов, отражающих требование по созданию безопасных и здоровых условий труда;

2. включение в стандарты и технические условия специального раздела «Требования безопасности».

При работе на станке необходимо соблюдать требования по технике безопасности:

Перед началом работы:

. привести в порядок рабочую одежду;

. убедиться в исправности станка;

. привести в порядок рабочее место.

Во время работы:

. при установке и съеме заготовок массой более 20 кг пользоваться подъемными устройствами;

. прочно закреплять заготовки на станке;

. правильно и надежно закреплять инструмент;

. работать на режимах резания, указанных в справочниках или операционных картах;

. не облокачиваться на станок во время работы;

После окончания работы:

. выключить станок. 2. привести в порядок рабочее место;

2. привести в порядок рабочее место.3. аккуратно сложить заготовки.

Экология - это наука, которая изучает связь живых существ между собой и их отношения с окружающей средой.

На всех стадиях своего развития человек был тесно связан с окружающим миром. Но с тех пор, как появилось высоко индустриальное общество, опасное вмешательство человека в природу резко усилилось и грозит стать глобальной проблемой для его существования: ядовитые вредные вещества, отбросы, выхлопные газы, радиоактивные вещества не исчезают бесследно.

Металлообработка сопровождается выделением в окружающую среду материальных и энергетических загрязнителей.

К энергетическим загрязнителям относятся:

высокий уровень шума;

вибрации;

тепловые загрязнения;

высокий уровень звукового давления.

К материальным загрязнителям относятся:

металлические отходы (стружка);

пыли металлические и абразивные;

газы;

смазочно-охлаждающие жидкости.

Эти загрязнения приводят к отравлениям, вызывают аллергические соматические заболевания, нарушают функции кожного покрова, органов слуха, зренья и нервной системы.

Природоохранная деятельность на металлообрабатывающих предприятиях включает активные и пассивные методы.

Активные методы охраны среды состоит в совершенствовании существующих и разработке новых технологических процессов, препятствующих попаданию загрязнений в окружающую среду. Среди которых наилучшим является разработка безотходных предприятий.

Пассивные методы охраны среды состоит в рациональном размещении источников загрязнений и выбросов.

После окончания работы: 1. выключить станок;

. привести в порядок рабочее место;

. аккуратно сложить заготовки и детали.

6. Высокие технологии обработки в машиностроении

Комплексная технология производства

Такая технология, как метод решения комплекса производственных проблем при освоении новых изделий, охватывает следующие пути и способы достижения цели:

системный анализ разрабатываемой системы и ее базового изделия с оценкой заводских возможностей и специфики технологического оснащения;

параллельная разработка изделий и средств технологического оснащения

привлечение собственных производственных мощностей для изготовления средств технологического оснащения;

введение должности главного технолога изделия;

переход от отдельных технологических операций и процессов в целях обеспечения непрерывности, преемственности и взаимосвязанности технологий на протяжении всего жизненного цикла изделия.

Выбор конструкционных материалов и их характеристики.

При выборе наиболее технологичных материалов учитывают следующие свойства: хорошая обрабатываемость, деформируемость в холодном и горячем состоянии, свариваемость, ремонтоспособность, т. е. возможность исправлять дефекты сварки, а также степень освоения металлургической и химической промышленностью.

Основные технологические процессы.

Комплексная система создания изделий охватывает все переделы и виды машиностроительного производства: листоштамповочное; кузнечное; механическую обработку; сварку; и пайку; сборку; контроль; испытания изделия и отдельных агрегатов.

Конструкторско-технологические решения.

В свое время была создана система технологического обеспечения проектирования (ТОПР) - подсистема интегрированной системы технологического обеспечения создания и производства изделий. Цель системы - создание условий для ускоренного проектирования и подготовки производства технологических изделий с требуемыми функциональными свойствами при оптимальных затратах.

Базовый элемент ТОПР - конструкторско-технологическое решение (КТР) определяет производственную технологичность изделия.

По существу, решается задача обеспечения максимального применения при проектировании изделий отработанных КТР и разработки на их основе конструкций деталей и сборочных единиц изделий , ориентированных на конкретные отработанные прогрессивные технологические методы и средства.

Качество технологического процесса.

Технологические процессы (ТП) относят к категории систем. Основанием для этого служит наличие у ТП многих свойств, находящихся в тесном и динамическом единстве и взаимодействии. Наличие совокупности свойств позволяет ввести понятие о качестве технологического процесса.

Под качеством технологического процесса следует понимать совокупность свойств ,определяющих степень его пригодности для достижения заданных требований по качеству продукции для достижения заданных требований по качеству продукции, производительности труда, себестоимости и другим показателям. Высокое качество ТП является материальной основой выпуска продукции высокого качества

При оценке качества технологических процессов необходимо исходить из чрезвычайной сложности их природы, обьединяющей в себе технологические, организационные и экономические аспекты проблемы , поэтому возникает необходимость классификации свойств технологических процессов , установления критериев и показателей качества процессов. В машиностроении проведена классификация свойств технологического процесса (табл.1.1).


Понятие - стабильность технологического процесса Охватывает ряд свойств: стабильность точности, производительности, расхода ,материалов и энергии, стабильность выхода годной продукции, стабильность различных показателей качества продукции.

Стабильностью точности тех. процесса называют свойство процесса сохранять без дополнительных регулировок заданную точность за время обработки партии деталей с одной настройки станка. Различают детерминированную и стохастическую стабильности технологического процесса характеризуется расположением параметров всех обработанных деталей партии в пределах поля допуска; статистическая стабильность - постоянством значений статистических параметров рассеивания отклонений размеров за время обработки партии деталей с дисперсией D и среднеквадратичным отклонением σ.

Надежность технологического процесса - свойство процесса сохранять в заданных пределах в течение определенного времени значения основных характеристик процесса. Это свойство мажет быть выражено коэффициентом надежности процесса, характеризующим вероятность сохранения указанных значений в заданном интервале времени.

Уровень автоматизации технологического процесса - одно из важных его свойств , характеризующее научно - технический уровень процесса , его производительность, а также стабильность качества изделий, так как автоматизация существенно уменьшает степень воздействия обслуживающего персонала на процесс, его вмешательство в ход процесса.

Материалоемкость и металлоемкость - свойства, характеризующие техническое совершенство и экономичность процесса, определяемые расходом материалов или металла на единицу продукции.

Производительность технологического процесса - определяется количеством или стоимостью изделий, приходящихся на единицу трудозатрат.

Технологическая себестоимость процесса - характеризуется себестоимостью изготовления изделия .

Экономичность процесса - дел характеризует экономическую эффективность для предприятия и является обобщающим свойством, включающих ряд перечисленных выше. Количественная оценка свойств тех.процесса должна производиться с помощью показателей качества. Установление этих показателей позволяет проводить оценку уровня качества различных технологических процессов или различных вариантов процесса путем сопоставления значений показателей и оптимизацию технологических процессов.

Список литературы

1. А.Г. Холодкова "Общая технология машиностроения" Москва "Академия"

2.      "Основы металловедения": Лахтин Ю. М. - М.: Металлургия, 1988.

.        "Краткий справочник металлиста" Под общ. ред. Древаля А.Е., Скороходова Е.А. Издательство: "Машиностроение", 2005 год.

.        Л.И. Вереина "Справочник токаря" Москва "Академия" 2004.

.        Т.А. Багдасарова "Токарь-универсал" Москва "Академия" 2005.

.        "Справочник станочника" Л.И. Вереина, Краснова Москва "Академия" 2006.

.        "Материаловедение (металлообработка)" А.М. Адаскин, В.М. Зуев Москва 2001.

.        "Допуски, посадки и технические измерения в машиностроении" С.А. Зайцев, А.Д. Куранов, А.Н. Толстой Москва, "Академия", 2009.

Похожие работы на - Технология производства детали 'Винт нажимной'

 

Не нашли материал для своей работы?
Поможем написать уникальную работу
Без плагиата!
Без нейросетей!