Процессы открытых горных работ
Министерство образования
российской федерации
Государственное
образовательное учреждение высшего профессионального образования
«Кузбасский
государственный технический университет»
Кафедра открытых горных
работ
Курсовой проект
(Геология и технология горных
работ)
Пояснительная записка
Процессы открытых горных
работ
Выполнил: студент ГО-072
Свороб Н.С.
Руководитель: доц., к.т.н.
Воронков В.Ф.
Кемерово 2010
Введение
Горная промышленность - основная сырьевая и топливная база
современной индустрии, главный источник топлива для энергетики и других
отраслей народного хозяйства, от черной и цветной металлургии, химической
промышленности для производства удобрении, строительных материалов, применяемых
при сооружении промышленных объектов и жилых здании, дорог. Около 70 % общего
объема природных ресурсов, используемых в народном хозяйстве, приходится на
минеральное сырьё.
Для обеспечения современного уровня жизни в индустриально
развитых странах необходимо добывать из недр ежегодно на одного человека около
18 тонн минерального сырья, в том числе 8 - 10 тонн нерудных пород для
производства стройматериалов, 2,5 тонны угля, 0,5 тонн металлов не смотря на
бурное развитие новых отраслей народного хозяйства. Значение горной
промышленности в современном обществе не только не снижается, а даже
возрастает.
Во всех горнодобывающих отраслях ведутся, и все больше
интенсифицируются работы по рекультивации отвалов, по предупреждению
загрязнения атмосферы от поверхности отвалов и предусмотренные массовых
взрывов, по сокращению занимаемых земельных площадей по строительству очистных
сооружений.
Работы по охране окружающей среды в производственном процессе
открытых горных работ входят в место основных. Для этой цели на карьерах
выделяются значительные средства, создаются специальные службы и развертываются
исследовательские бюро.
Развитие открытых разработок в ближайшие 10 - 15 лет
определяется не только всё возрастающими потребностями общества в минеральном
сырье и конструктивностью с подземным способом разработки, но также всё
увеличивающимися экологическими отношениями. Поэтому в число важнейших
переопределённых задач совершенствования технологии открытых разработок на
первое место выходят кардинальное снижение негативного воздействия горных работ
на окружающую среду и одновременно значительное повышение доли всех звеньев
производственных процессов.
Повышение эффективности открытых разработок обеспечивающие их
конкурентоспособность с подземным способом достигнуто в том случае, если не
смотря на всё увеличивающиеся затраты на охрану окружающей среды, приобретут
формы устойчивых тенденций повышения производительности труда и снижение затрат
на единицу горной массы, а ежегодно типы роста производительности труда будут
превышать 6 - 8 %.
Реализация этих технических направлений внедрение новой
техники и технологий позволяет ещё больше повысить эффективность открытого
способа разработки и высвободить средства для решения экологических задач и
повышение жизненного уровня трудящихся горных индустрий.
1. Краткая горно-геологическая и горнотехническая
характеристика месторождения
Поверхность поля разреза представлена равниной. Мощность
рыхлых отложений, перекрывающих продуктивные отложения, составляет 14 м. Угол
падения залежи 25 градусов. Мощность отрабатываемых пластов не превышает 17 м,
плотность которых 1,31 т/м3.
Плотность вскрышных пород:
наносов 2,21 т/м3;
коренных пород 2,51 т/м3.
Высота столба воды в скважине 5,1 м. Горные породы имеют
прочность 98 МПа. Прочность полезного ископаемого 17 МПа. Плотность забойки
2,14 т/м3. Дальность транспортирования 2,1 км. Горные работы на
карьере заключаются в подготовке пород к выемке, выемке горных пород,
перемещении и складировании горной массы. Весь этот комплекс горных работ можно
разделить на взаимосвязанные между собой производственные процессы.
выемочно-погрузочные работы,
перемещение горной массы,
складирование полезного ископаемого и отвалообразование
вскрышных пород.
Режим работы предприятия непрерывный, 3 смены по 8 часов в
течение 252 дней. Технико-экономические показатели по предприятию:
Годовой объем добычи 2,45 млн. т.
Годовой объем вскрышных пород, млн. м3:
наносов 2,51;
коренных пород 12,4;
Вид транспорта - автомобильный.
Выемочно-погрузочное оборудование ЭКГ-10.
2. Подготовка горных пород к выемке
.1 Выбор типа бурового станка
Выбор бурового станка определяется на основании среднего
диаметра отдельности и прочности сжимающих пород по формуле:
|
[2.1]
|
|
где de - средний диаметр естественной отдельности,
м;
- прочность сжимающих пород (
=73), МПа.
м
На основании de отношу породы к IV-й категории по
блочности.
С учетом категории пород по блочности и вместимости ковша
экскаватора Е=10 м3, принимаю рациональный диаметр скважин по
таблице 2.1 [1]. По таблице 2.2 [1] выбираю тип бурового станка.
Таблица 2.1
Рациональные значения диаметров скважин
|
Вместимость
ковша, м3
|
Диаметр
скважин, м
|
|
Категория пород
по блочности
|
|
IV
|
|
10
|
0,216-0,269
|
Принимаю скважину диаметром d=0,245 м, буровой станок
СБШ-250-55.
Таблица 2.2
Технологическая характеристика бурового станка
|
Тип бурового
станка
|
Предел
прочности буримых пород на сжатие, МПа
|
Диаметр
скважин, м
|
Глубина
бурения, м
|
Угол наклона
скважины к горизонту, град
|
|
СБШ-250-55
|
60-180
|
245; 270
|
до 55
|
60;75;90
|
.2 Выбор взрывчатых материалов
По таблице 2.3 [1] исходя из технологических свойств
взрываемых пород и их обводненности принимаю Гранулит АС-4.
Таблица 2.3
Переводной коэффициент и плотность ВВ
|
Тип ВВ
|
Переводной
коэффициент Квв
|
Плотность
взрывчатых веществ qвв
|
|
АС - 8
|
0,89
|
950
|
По таблице 2.5 [1] выбираю средства инициирования ВВ.
Таблица 2.4
Средства инициирования ВВ
|
Наименование
изделия
|
Номер, дата,
разрешения
|
Группа
совместимости
|
Условия
применения, назначение
|
|
Огнепроводный
шнур ОША
|
302/84,
12.01.84
|
D
|
В сухих и
обводненных скважинах для инициирования КД
|
|
Капсюль-детонатор
8УТБ
|
307/84,
30.03.84
|
B
|
Для
инициирования боевиков (ПД)
|
|
Пиротехнические
реле-замедлители РП-8
|
376/87,
23.09.87
|
B
|
Для
миллисекундного замедления при использовании ДШ
|
|
Детонирующий
шнур ДША
|
88/71, 28.04.71
|
D
|
В сухих и
обводненных скважинах для инициирования боевиков (ПД)
|
|
Промежуточные
детонаторы ТГ-500
|
13/66, 31.12.66
|
D
|
Обводненные и
сухие скважины для инициирования ВВ
|
.3 Обоснование проектной величины удельного расхода ВВ
Рациональную степень взрывного дробления при транспортной
технологии определяю по формуле:
|
[2.2]
|
|
где Zр - рациональная степень взрывного дробления
пород;
Пвв - показатель относительной эффективности ВВ
|
[2.3]
|
|
где сэт, свв - стоимость
соответственного эталонного и рассматриваемого ВВ, р (сэт/свв=1)
Удельный расход ВВ обеспечивающий Zp определяю по
формуле:
|
[2.4]
|
|
где q - удельный
расход ВВ, кг/м3;- диаметр скважин (d=0,245), м.
кг/м3
Высоту уступа определяю из выражения:
|
[2.5]
|
|
где Нчтах - максимальная высота черпания (Н
=13,5), м.
Принимаю Н=18м
Проектный удельный расход ВВ с учетом обводненности пород:
где hв - высота столба воды в скважине, м;
кг/м3
.4 Расчет параметров расположения скважинных зарядов ВВ
Длину скважины определяю по формуле:
|
[2.6]
|
|
где L - длина скважины, м;
- угол наклона скважины к горизонту (
=750), град;
LП - длина перебура, м.
|
[2.7]
|
|
м
м
Минимальную длину забойки при ведении взрывных работ с перебуром
определяю по формуле:
|
[2.8]
|
|
где Lзаб - длина забойки, м;
м
Длину колонки заряда ВВ определяю по формуле:
|
[2.9]
|
|
м
Для зарядов ВВ, рассредоточенных воздушными промежутками,
суммарная длина интервалов рассредоточенная составляет:
|
[2.10]
|
|
м
Длину отдельного воздушного промежутка определяю по формуле:
|
[2.11]
|
|
м
Количество интервалов рассредоточения определяю как целую часть
отношения:
=
Принимаю
Для рассредоточенных зарядов длины забойки и колонки ВВ определяю
по формуле:
|
[2.12]
|
|
|
[2.13]
|
|
где Lзаб.р - длина забойки, м;вв.р -
длина колонки заряда ВВ, м.
м
м
Длины верхней и нижней части колонки заряда ВВ определяю по
формуле:
|
,
|
[2.14]
|
|
где Lвв.р.в, Lвв.р.н - длина
соответственно верхней и нижней части колонки заряда ВВ, м;
м;
м
Масса скважинного заряда определяю по формуле:
|
[2.15]
|
|
|
[2.16]
|
|
кг/ м
кг
Линию сопротивления по подошве уступа при наклонном расположении
скважин определяю из соотношения:
|
[2.17]
|
|
где W - линия сопротивления по подошве уступа, м;
в - расстояние между рядами скважин, м.
Параметры сетки скважин при их наклонном расположении
определяю по формуле:
где п - число рядов скважин;
в - коэффициент сближения скважин;
АБВР - ширина буровзрывной заходки, м;
а - расстояние между скважинами, м;- коэффициент сближения
скважин.
|
[2.20]
|
|
где hп - высота перебура, м;
|
[2.21]
|
|
где Rчу - радиус черпания на уровне стояния(Rчу
=12,6 м), м;
м
м
м
м
= 4,59 Принимаем 5
Уточняем ширину буровзрывной заходки:
По формуле (2.17) принимаю W=5 м. Принимаю шахматную сетку
скважин, так как угол между направлением максимальной скорости упругой волны в
массиве и линией откоса уступа равен 61 градусов (из задания).
.5 Качество подготовки пород взрывом
Качество взрывной подготовки вскрышных пород оценивают двумя
показателями: кусковатостью взорванной горной массы (средним диаметром куска
взорванной горной массы или степенью дробления и выходом негабарита) и параметрами
развала, включающими его размеры, форму и коэффициент разрыхления породы.
Проектную ширину развала взорванной горной породы определяю по
формуле:
|
[2.22]
|
|
где Вр - ширина развала взорванной породы, м;
- дальность взрывного перемещения породы, м;o - высота
отдельной зоны над подошвой уступа, м.
|
[2.23]
|
|
|
|
|
[2.24]
|
|
где
- дальность взрывного перемещения породы
при порядной схеме КЗВ (короткозамедленное взрывание), м;
- угол наклона плоскости, на которой формируется развал (
=0)град;- ускорение свободного падения
(q=9,81), м/с;o - начальная скорость полета кусков горной массы при
массовом перемещении породы, м/с.
|
[2.25]
|
|
где hз - высота колонки заряда, м;
М - мощность нижележащей толщи (М=0)м.
|
[2.26]
|
|
, м
|
[2.27]
|
|
где Vc - скорость смещения частиц на стенке
зарядной полости, м/с;1 - удельный расход ВВ для скважин первого
ряда, кг/м3;
п1 - показатель степени.
где
- коэффициент, учитывающий фактическое
состояние откоса уступа (
т.к. Н=16 м);
м/с;
;
кг/м3
м/с
м
м
м
Дальность взрывного перемещения породы при диагональной схеме КЗВ
определяю по формуле:
|
[2.30]
|
|
м
Проектную ширину развала определяю по формуле:
- при диагональной схеме КЗВ
Дальность взрывного перемещения породы при поперечной схеме КЗВ
определяю по формуле:
|
[2.30]
|
|
м
Проектную ширину развала определяю по формуле:
- при поперечной схеме КЗВ
Принимаю поперечную схему КЗВ.
Форму развала при М=0 и Рс=0 описываю следующим образом:
высота развала по линии последнего ряда скважин определяется по
формуле:
|
[2.32]
|
|
|
[2.33]
|
|
м
высота развала в произвольной точке Х по ширине развала
определяется по формуле:
|
[2.34]
|
|
где х - относительное расстояние от нижней бровки массива
горных пород до произвольной точки, в долях единиц.
|
x
|
0,1
|
0,2
|
0,3
|
0,4
|
0,5
|
0,6
|
0,7
|
0,8
|
0,9
|
|
hp
|
14,96
|
14,56
|
14,07
|
13,53
|
12,92
|
12,2
|
11,34
|
10,23
|
8,58
|
Среднее значение коэффициента разрыхления Кр
определяю по формулам:
в профиле развала:
|
[2.35]
|
|
в полном зажиме:
Качество дробления определяю по формулам:
средний диаметр dср куска взорванной горной породы:
|
[2.38]
|
|
м
выход негабаритной массы по ковшу экскаватора (в долях единицы):
|
[2.39]
|
|
где хн - линейный размер негабарита, м
|
[2.40]
|
|
м
Так как при взрыве выход негабарита отсутствует, вторичное
дробление не требуется.
открытый горный выемка
2.6 Определение размеров опасных зон
Расчет радиуса сейсмически опасной зоны произвожу по формуле:
|
[2.41]
|
|
где
- безопасное расстояние до охраняемого
объекта, м;
-безопасное допустимое расстояние до охраняемого объекта (
=1200), м;
-коэффициент, зависящий от свойств грунта в основании охраняемого
объекта (
=8);
Кс - коэффициент, зависящий от типа здания и характера
стройки (Кс=1,5);- число одновременно взрываемых скважин;c
- масса одновременно взрываемого заряда ВВ
м
Радиус опасной зоны по действию УВВ:
|
[2.42]
|
|
м
tс<[tc], tв<[tc]
Принимаю 2 одновременно взрываемых скважин в серии.
Радиус опасной зоны по разлету отдельных кусков:
|
[2.43]
|
|
м
Принимаю радиус опасной зоны по разлету отдельных кусков равный tраз=450 м, так как минимально допустимый радиус опасной зоны
для людей в соответствии с требованиями ''ЕПБ при ВР'' составляет 200 м.
.7 Паспорт БВР
Массовые взрывы зарядов ВВ на карьерах необходимо производить в
соответствии с требованиями «ЕПБ при ВР» и «Типовой инструкцией по безопасному
проведению массовых взрывов на земной поверхности».
Массовые взрывы выполняют по проектам, состоящим из технического
расчета и графического материала (рис. 2.1); таблицы параметров буровзрывных
работ (табл.2.5); распорядка проведения массового взрыва.
Распорядок проведения массового взрыва составляют для
конкретного блока с указанием даты и времени его проведения.
Проект массового взрыва утверждается техническим
руководителем горного предприятия и хранится в делах взрывного участка до
полной отработки взорванного блока.
Таблица 2.6
Таблица параметров буровзрывных работ
|
№ п/п
|
Параметры БВР
|
ед. изм.
|
величина
|
|
1
|
Тип ВВ
|
|
Гранулит АС-8
|
|
2
|
Удельный расход
ВВ
|
кг/м 0,93
|
|
|
3
|
Тип бурового
станка
|
|
СБШ - 250-55
|
|
4
|
Рациональная
степень взрывного дроблен.
|
|
2,44
|
|
5
|
Масса
скважинного заряда
|
636,86
|
|
|
6
|
Вместимость 1 м
скважины
|
44,76
|
|
|
7
|
Радиус
сейсмически опасной зоны
|
1092,75
|
|
|
8
|
Радиус опасной
зоны по действию УВВ
|
1091,05
|
|
|
9
|
Радиус опасной
зоны по разлету отдельных кусков породы
|
445,62
|
|
Конструкция скважинных зарядов
Рис. 2.1 Технологическая схема взрывных работ
2.8 Организация проведения массового взрыва
Взрывчатые материалы на массовый взрыв выписывают по наряд
путевке на старшего взрывника и доставляют в соответствии с «ЕПБ при ВР».
Доставленные ВВ размещают по скважинам в количестве и
ассортименте согласно проекту массового взрыва.
Находящиеся на блоке ВМ и заряженные скважины необходимо
охранять вооруженной охраной или проинструктированными рабочими при
обязательном искусственном освещении в темное время суток.
После начала монтажа, перед осуществлением массового взрыва
осуществляют вывод людей за пределы опасной зоны и выставление постов охраны
этой зоны.
Ответственный руководитель взрыва, получив письменные
донесения лиц, ответственных за выполнение отдельных операций и убедившись в
выполнении мероприятий, перечисленных в распорядке проведения массового взрыва,
дает указание на взрыв.
При производстве массового взрыва обязательно применение
звуковых сигналов, которые должны быть хорошо слышны на границах опасной зоны.
После выполнения взрыва ответственный руководитель организует
осмотр взорванного блока с принятием мер, предотвращающих отравление газами
проверяющего персонала.
Допуск людей в карьер и к месту взрыва производят согласно
порядку принятому на предприятии утвержденному техническим руководителем
карьера, но после рассеивания пылевого облака и полного восстановления
видимости. Контроль за наличием отказов после массового взрыва, их регистрацию
и ликвидацию необходимо осуществлять в соответствии с требованиями «ЕПБ при
ВР». После уборки породы из взорванного блока все технико-экономические
показатели по взрыву подлежат систематическому анализу.
Сменную производительность бурового станка определяю по формуле:
|
[2.44]
|
|
где Псм.б - производительность бурового станка,
м/см
м/см
Суточная производительность бурового станка, м/сут.
|
[2.45]
|
|
где: Псм - число смен в сутках (Псм= 3)
м/сут
Годовая производительность бурового станка, м/год
|
[2.46]
|
|
где: Пгод - число рабочих дней в году (Пгод=252)
м/год
2.10 Определение годового расхода ВВ, расчет забоечных и
зарядных машин и определение инвентарного парка буровых станков
Годовой расход ВВ, кг/год определяю по формуле:
|
[2.47]
|
|
где: Vк - годовой объем коренных пород, м3/год
кг/год
Производительность зарядных и забоечных машин определяется по
формуле:
|
[2.48]
|
|
где Qзар(з) год - годовая производительность
зарядных машин, кг/год;з. год - годовая производительность забоечных
машин, кг/год;кг/мин - производительность при непрерывной работе,
кг/мин;
Тсм - продолжительность смены (Тсм=8),ч;
Псм - число смен в сутках для зарядных и забоечных
машин (Псм=1)
Ки - коэффициент использования зарядных и
забоечных машин (Ки=0,65)
Для транспортирования и зарядки скважин взрывчатыми
веществами заводского изготовления принимаю зарядную машинку М3-12 (Qкг/мин=650
кг/мин)
кг/год
Принимаю забоечную машину 3С-2М (Qкг/мин =1700 кг/мин)
кг/год
Годовой объем забойки, кг/год
|
[2.49]
|
|
где Nскв - число скважин за год;заб.скв -
масса забойки в скважине, кг
|
[2.50]
|
|
|
[2.51]
|
|
где:
- вместимость 1м скважин, кг.
|
[2.52]
|
|
где
- плотность забойки (
=2140), кг/м
кг/м
кг
кг/год
Рабочий парк:
зарядных машин:
|
[2.53]
|
|
Принимаем кол-во зарядных машин 1
забоечных машин:
|
[2.54]
|
|
Принимаем кол-во забоечных машин 1
буровых станков:
|
[2.55]
|
|
где: Vб - годовой объем бурения, м/год
|
[2.56]
|
|
где:
- выход горной массы с одного метра
скважины, м/год
|
[2.57]
|
|
м3/м
м/год
Инвентарный парк:
зарядных машин
|
[2.58]
|
|
где f - коэффициент резерва (f=1,2)
забоечных машин
|
[2.59]
|
|
буровых станков
|
[2.60]
|
|
Принимаю восемь буровых станков, одну зарядную машину и одну
забоечную машину
Для транспортирования и зарядки скважин взрывчатыми веществами
заводского изготовления принимаю зарядную машинку М3-12
Таблица 2.7
|
Показатели
|
Значения
|
|
Производительность
при непрерывной работе, кг/мин
|
650
|
|
Грузоподъемность,
т
|
12,0
|
|
Вместимость
бункера, м3
|
14,0
|
|
Масса с ВВ, т
|
28,5
|
Технологическая характеристика гравитационной
зарядной машины МЗ-12 Принимаю забоечную машину 3С-2М
Таблица 2.8
Технологическая характеристика забоечной машины ЗС-2М
|
Показатели
|
Значения
|
|
Диаметр
заряжаемых скважин, м
|
0,19 и более
|
|
Грузоподъемность,
т
|
11,0
|
|
Производительность,
кг/мин
|
1700
|
|
Вместимость
бункера, м3
|
8,4
|
|
Масса машины с
забойкой, т
|
23,5
|
.11 Механизация вспомогательных работ
К вспомогательным работам при бурении и взрывании скважин
относятся планировка площадок, уступов для передвижения и установки буровых
станков, доставка к месту работ бурового инструмента и материалов, перемещения
бурового оборудования с уступа на уступ, погрузочно-разгрузочные работы на
складах взрывчатых материалов (ВМ); транспортирование ВВ к месту заряжения и
забойка скважин.
Для планировки площадок уступов используются бульдозеры. При
взрывании площадок уступов, сложенных крепкими породами, иногда применяют
небольшие буровые установки для обуривания неровностей.
Доставка бурового инструмента, запасных частей и материалов
осуществляется на специальных автомашинах или железнодорожных платформах,
оборудованных погрузочно-разгрузочными средствами.
Погрузочно-разгрузочные работы на складах ВМ (выгрузка мешков
и ящиков ВВ из вагонов), транспортирование их на склад и укладка на стеллажи и
в штабели, снятие мешков и ящиков с ВВ со стеллажей и транспортирование их к
узлам растаривания или разгрузки на средства транспорта для доставки к месту взрыва
осуществляется с использованием самоходных аккумуляторных тележек и
малогабаритных аккумуляторных погрузчиков.
Для заряжения скважин применяю зарядную машину М3-12. Для
забойки скважин применяю забоечную машину 3С-2М. В качестве забойки использую
песок, отходы обогатительных фабрик, мелкий щебень.
3. Выемочно-погрузочные работы
.1 Виды выемочно-погрузочных работ
В процессе эксплуатации месторождения полезного ископаемого
выполняют следующие виды выемочно-погрузочных работ согласно заданию (рис.3.1)
Рис. 3.1 Последовательность выполнения вскрышных работ в
карьере
В начале разработки предстоит проведение разрезной траншеи по
наносам тупиковым забоем 1 (рис.3.1, а). Затем осуществляют отгон борта по
наносам боковым забоем 2. При создании достаточного опережения этих работ
начинают работы по проведению разрезной траншеи 3 по коренным породам, с этой
целью осуществляют их предварительное рыхление буровзрывным способом. При
применении железнодорожного транспорта экскаватор в разрезной траншее работает,
как правило, с верхней погрузкой.
В результате подготавливают к выемке пласт полезного
ископаемого, отработку которого осуществляют боковым забоем 4. Одновременно
начинают работы (рис.3.1, б) по отгону борта по коренным породам 5. При этом в
результате обуривания и взрывания буровзрывной заходки шириной Абвр
формируется развал взорванной горной массы шириной Вр, который
отрабатывают экскаватором боковым забоем 6. При достаточном опережении работ по
очередному уступу вновь начинают работы по проведению разрезной траншеи 3 на
нижележащем горизонте и т.д.
.2 Технологические схемы работы мехлопаты в торцевом забое
.2.1 Схема работы мехлопаты с погрузкой горной массы в
средства транспорта при погрузке мягких пород
Мощность наносов составляет 14 м.
Принимаю экскаватор ЭКГ-6,3ус, так как высота уступа меньше
максимальной высоты черпания экскаватора:
|
[3.1]
|
|
=17,1 м
Принимаю высоту уступа hу.н.=14 м.
Ширину заходки экскаватора определяю по формуле:
|
[3.2]
|
|
где: Аэ - ширина экскаваторной заходки, м;ч.у.
- радиус черпания на уровне стояния экскаватора (Rч.у.=13,5),
м.
м
Угол откоса уступа, град:
устойчивый
рабочий
|
[3.3]
|
|
|
[3.4]
|
|
где Rч - радиус черпания экскаватора, м;чтах
- максимальный радиус черпания экскаватора (Rчтах=19,8),
м.
м
,72м < 19,8 м
|
[3.5]
|
|
|
[3.6]
|
|
где Rр - радиус разгрузки экскаватора, м;
с- расстояние от нижней бровки уступа (развала) до
транспортной полосы (с=1), м;
Т - ширина транспортной полосы (при автотранспорте Т=7), м;ртах
- максимальный радиус разгрузки экскаватора (Rртах=17,9),
м
м
,25 м < 17,9м
.2.2 Схема работы мехлопаты с погрузкой горной породы в
средства транспорта при разработке взорванных пород
Принимаю экскаватор ЭКГ-10.
Высоту уступа, м:
в массиве коренных пород определяю из условий:
|
[3.7]
|
|
м
Принимаю h=18м
- в развале определяю из условий:
|
[3.8]
|
|
Принимаю h=15,41 м;
Ширину заходки экскаватора определяю по формуле:
|
[3.9]
|
|
,м
Принимаю ширину экскаваторной заходки Аэ=20,78 м, так
как ширина развала взорванной породы составляет Вр=41,56 м, и отрабатывается за
два прохода экскаватора.
Углы откоса уступа составляют, град:
- в массиве коренных пород
устойчивый
рабочий
- в развале:
устойчивый
рабочий
|
[3.10]
|
|
|
[3.11]
|
|
м
,42 м < 18,4 м
|
[3.12]
|
|
|
[3.13]
|
|
м.
,1 м < 16,3 м
.3 Параметры рабочей площадки
Ширину рабочей площадки определяю в зависимости от типа
разрабатываемых пород по формуле:
по наносам (рис. 3.4а)
|
[3.14]
|
|
по взорванным скальным породам (рис. 3.4б)
|
[3.15]
|
|
где Zн, Z - берма безопасности
соответственно по наносам и скальным (взорванным) породам, м;
П - ширина рабочей площадки для размещения дополнительного
оборудования (П=5-6), м
Берму безопасности определяю в зависимости от типа
разрабатываемых пород по формуле:
по наносам
|
[3.16]
|
|
м
по взорванным скальным породам
|
[3.17]
|
|
м
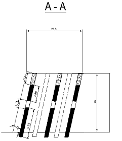
5,7+5+7+1+20,25=38,9м
5,7+5+7+1+41,56=60,26 м
Рис.7 Схема выемки взорванных горных пород экскаватором
ЭКГ-10
.4 Технологические схемы выемки пород мехлопатами в
траншейном забое
.4.1 Схемы работы мехлопаты с нижней погрузкой горной массы в
средства транспорта при разработке мягких пород
Исходя из высоты уступа (h = 14м), принимаю
экскаватор ЭКГ-6,3ус.
Ширина траншеи понизу:
· по возможностям экскаватора:
|
[3.19]
|
|
где ВT.min - ширина траншеи понизу, м;
Rк - радиус вращения кузова экскаватора, (Rк=7,78
м) м;- безопасный зазор между кузовом экскаватора и нижней бровкой уступа
(m=1,0), м;
м
|
[3.20]
|
|
м
Для ЭКГ-6,3ус принимаем БелАЗ-7509, технические
характеристики которого приведены в табл.3.1.
Таблица 3.1
Технические характеристики БелАЗ - 7509
|
Минимальный
радиус поворота,м
|
10,5
|
|
|
Длина, м
|
10,25
|
|
Ширина, м
|
5,36
|
|
Грузоподъемность,
т
|
75
|
|
Вместимость
кузова, 35
|
|
|
|
|
|
·по требованию автотранспорта:
при петлевой схеме
где Ra - радиус поворота автосамосвала, м;- ширина
автосамосвала, м.
при тупиковой схеме
ВТ.туп = Ra + 0,5ba + 0,5la
+ 2m,
где La - длина автосамосвала, м.
ВТ.туп = 10,5 +0,5
5,36 + 0,5
10,25 + 2=20,3м
Ширину траншеи по низу принимаю равной
м, что соответствует минимальным
требованиям для подъезда автотранспорта под погрузку при тупиковой схеме.
Углы откоса уступа
рабочий
устойчивый
Рис. 3.6. Схема работы мехлопаты с погрузкой горной массы в
средства транспорта при разработке мягких пород
.4.2 Схемы работы мехлопаты с нижней погрузкой горной массы в
средства транспорта при разработке коренных пород
Принимаем экскаватор ЭШ-10/70у. Технологическая
характеристика экскаватора приведена в таблице 3.4.
Таблица 3.2. Характеристика экскаватора
|
Наименование
|
Тип экскаватора
|
|
ЭШ-10/70у
|
|
Вместимость
ковша, 10
|
|
|
Радиус черпания
Rчmax, м
|
66,5
|
|
Радиус
разгрузки Rрmax, м
|
66,5
|
|
Высота
разгрузки Нрmax, м
|
27,5
|
|
Радиус вращения
кузова Rк, м
|
15
|
|
Паспортная
продолжительность рабочего цикла tцп, с
|
52
|
Принимаем автосамосвал типа БелАЗ-7512.
Технологическая характеристика автосамосвала типа БелАЗ-7512
приведены в таблице 3.3.
Таблица 3.3
Технологические параметры карьерного автосамосвала
|
Показатели
|
БелАЗ-7512
|
|
Грузоподъемность,
т
|
120
|
|
Вместимость
кузова, м3
|
47
|
|
длина
|
11,25
|
|
ширина
|
6,1
|
|
Минимальный
радиус поворота, м
|
16
|
Ширина траншеи по низу, м:
Принимаем ширину траншеи по низу минимально возможную равную
ширине ковша экскаватора Bт=2м.
Схема работы мехлопаты с нижней погрузкой горной массы в
автотранспорт при разработке коренных пород в траншейном забое представлена на
рисунке 3.7.
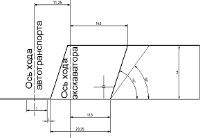
Рис. 3.7. Схема работы мехлопаты с погрузкой на уровне
стояния в автотранспорт при разработке коренных пород в траншейном забое
3.5 Технологическая схема выемки полезных ископаемых в
торцевом забое
Полезные ископаемые отрабатываются с высотой уступа h=18 м,
принимаю экскаватор ЭШ -10/70у.
Мощность полезного ископаемого составляет 18 м, угол падения
залежи 250.
Ширину заходки принимаю исходя из горизонтальной мощности
пласта:
|
[3.23]
|
|
где Мr - горизонтальная мощность пласта, м;
М - нормальная мощность пласта, м;
a - угол падения залежи (a=25) град.
м
Пласт будем отрабатывать экскаватором ЭШ -10/70у.
Расстояние между осью хода экскаватора и осью автотранспорта
составляет 20-35м. Принимаю расстояние в 30м.
Схема выемки полезного ископаемого в автотранспорт в торцевом
забое представлена на рисунке 3.8.
Рисунок 3.8
Схема выемки полезного ископаемого в автотранспорт в торцевом
забое
3.6 Производительность экскаваторов
В работу приняты экскаваторы:
в боковом забое:
по насосам ЭКГ -6,3ус,
- по коренным породам ЭКГ - 10,
- по полезным ископаемым ЭШ- 10/70у;
в тупиковом забое:
по насосам ЭКГ - 6,3ус,
по коренным породам ЭШ- 10/70у.
Паспортная производительность
|
[3.24]
|
|
где Qэп- паспортная производительность
экскаватора, м3/ч;цп - паспортная продолжительность
цикла, с.
ЭКГ - 6,3ус:
м3/ч;
ЭШ-10:
м3/ч;
ЭКГ - 10/70у:
м3/ч;
Техническая производительность:
|
[3.25]
|
|
где Qэч - техническая производительность
экскаватора, м3/ч
Кэ - коэффициент экскавацииц - время цикла
экскаватора в конкретных горно- геологических условиях, с
Кз - коэффициент влияния параметров забоя (для
торцевого забоя Кз=0,9; для тупикового Кз=0,8)
|
[3.26]
|
|
ЭКГ - 10:
с;
ЭШ- 10/70у:
с;
ЭКГ - 6,3ус:
с;
|
[3.27]
|
|
где Кнк - коэффициент наполнения ковша (для
наносов Кнк=0,95-1,1; для взорванных пород Кнк=0,7-0,95);
Крк - коэффициент разрыхления породы в ковше (для
наносов Крк=1,1-1,2; для взорванных пород Крк=1,3-1,45)
в торцевом забое:
м3/ч
м3/ч
м3/ч
в тупиковом забое:
м3/ч
м3/ч
Сменная производительность:
|
[3.28]
|
|
где Тсм - продолжительность смены, ч (Тсм=8
ч);
Киэ - коэффициент использования экскаватора.
в боковом забое:
м3/см
м3/см
м3/см
в тупиковом забое:
м3/сут
м3/сут
Годовая производительность:
|
[3.30]
|
|
где nгод- число рабочих дней в году (nгод=252)
в боковом забое:
м3/год
м3/год
м3/год
в тупиковом забое:
м3/год
м3/год
3.7 Инвентарный парк экскаваторов
Объем траншей, проводимых по наносам определяем по формуле:
|
 [3.31]
|
|
где L к- длина карьера, м (L=3500 м).

м3,
Рабочий парк экскаваторов по наносам определяем по формуле:
|
[3.33]
|
|
в торцевом забое:
в тупиковом забое:
· по взорванной породе:
м3.
м3,
Рабочий парк:
в торцевом забое:
в тупиковом забое:
Рабочий парк экскаваторов по полезном ископаемому определяю
по формуле:
[3.34]
Инвентарный парк экскаваторов рассчитываю по формуле:
|
[3.35]
|
|
где fэ - коэффициент запаса экскаваторов (fэ=1,25).
Таблица 3.4
Технологические показатели экскаваторов
|
Вид забоя
|
Марка экскаватора
|
Производительность,
м3/год
|
Рабочий парк
|
Инвентарный
парк
|
|
Тупиковый (по
наносам)
|
ЭКГ-6,3ус
|
0,912
|
|
|
|
Боковой (по
наносам)
|
ЭКГ-6,3ус
|
0,541
|
|
|
|
Тупиковый (по
коренным породам)
|
ЭШ-10/70у
|
0,51
|
|
|
|
Боковой (по
коренным породам)
|
ЭКГ-10
|
0,211
|
|
|
|
Боковой (по
полезному ископаемому)
|
ЭШ-10/70у
|
0,721
|
|
|
.8 Вспомогательные работы при использовании одноковшовых
экскаваторов
К вспомогательным работам при выемке одноковшовыми
экскаваторами относятся: планировка трассы экскаватора и выравнивание подошвы
уступов, очистка ковшей и ходовой части экскаваторов от налипшей и намерзшей
породы, зачистка кровли залежи от просыпей и недобора вскрыши, оборка уступа,
перемещение кабеля вслед за движущимся экскаватором, доставка запасных частей,
мелкий ремонт и смазка машин.
Очистка ковшей производится в основном механическим способом
с помощью специальных скребков, отбойных молотков и т.п. Для очистки
используется и местный нагрев пламенем, а также электрообогрев наружных стенок
ковша.
Для обеспечения проходимости экскаватора при выемке мягких
пород с недостаточной несущей способностью обычно устраивают деревянные настилы
или используют металлические щиты. Щиты перекрывают всю ширину хода или только
ширину одной гусеницы. В сильнообводненных породах применение щитов оказывается
недостаточным и на рабочую площадку подсыпают взорванную породу.
Зачистка кровли залежи производится бульдозерами, скреперами,
обратными лопатами.
Планировка трассы экскаватора и выравнивание подошвы уступов
осуществляется бульдозерами, иногда колесными скреперами. ''Пороги'' скальных и
полускальных пород предварительно обуривают и взрывают.
Ликвидация нависей и заколов осуществляется с помощью
лопат-скребков различных конструкций или навесных установок к тракторам с
различными рабочими органами.
Перемещение отключенного кабеля производится на металлических
санях или тележках бульдозерами, а на небольшое расстояние - самим
экскаватором.
Экскаваторы на ремонтную базу доставляются в разобранном или
собранном виде.
4. Расчет автотранспорта
Технологический расчет автомобильного транспорта состоит в
обосновании типа автосамосвалов, определении их производительности и
необходимого количества, а также пропускной и провозной способности автодорог,
организации движения автотранспорта.
Тип автосамосвала рекомендуется выбирать исходя из дальности
транспортирования горной массы из забоя к месту ее отвалообразования или
складирования и рационального соотношения вместимостей кузова автосамосвала и
ковша экскаватора, применяемого на погрузке (табл.4.1)
.1 Расчет автотранспорта в боковом забое
Таблица 4.1
Условия применения автосамосвалов
|
Вместимость
ковша экскаватора, м3
|
Рациональное
соотношение Va/E при расстояниях транспортирования, км
|
|
1-2
|
3-4
|
5-6
|
|
3-4
|
5,2
|
6,5
|
8,0
|
|
5-6
|
5,0
|
6,0
|
7,5
|
|
8-10
|
4,5
|
5,5
|
7,0
|
|
12,5-16
|
4,2
|
5,0
|
6,5
|
|
20-25
|
4,0
|
4,8
|
6,0
|
- длина отвальных автодорог, (
км);
- длина забойных автодорог, (
км);
- длина магистральных автодорог на поверхности, (
км);
- длина магистральных автодорог в траншее, (
=0,625км);
- длина заезда на отвал,(
=0,625 км).
Отработку наносов траншейном забое производит экскаватор ЭКГ -
6,3ус. Для транспортирования этих пород в отвал принимаю автосамосвалы БелАЗ -
7509. (дальность транспортирования 2,1км)
Отработку наносов боковом забое производит экскаватор ЭКГ - 6,3ус.
Для транспортирования этих пород в отвал принимаю автосамосвалы БелАЗ - 7512.
(дальность транспортирования 5,97км)
Отработку коренных пород в траншейном забое производит экскаватор
ЭШ-10/70у. Для транспортирования этих пород в отвал принимаю автосамосвалы
БелАЗ - 7512.
Отработку коренных пород в боковом забое производит экскаватор ЭКГ
- 10. Для транспортирования этих пород в отвал принимаю автосамосвалы БелАЗ -
7512.
Отгрузку полезного ископаемого и коренных пород в тупиковом забое
произвожу экскаватором ЭШ-10/70у в автосамосвалы БелАЗ - 7512.
Число автосамосвалов, которое может эффективно использоваться в
комплексе с одним экскаватором:
[4.3]
где Tр - продолжительность рейса, мин;пог -
продолжительность погрузки автосамосвала, мин.
[4.4]
где tгр, tпор - время движения в грузовом и
порожнем направлении, мин;р - время разгрузки автосамосвала, мин;м
- продолжительность маневрирования автосамосвала в забое и при погрузке, мин.
Продолжительность погрузки автосамосвала определяем по формуле:
tпог=60 Va Кш/0,9 Qчэ
[4.5]
где Кш - коэффициент, учитывающий разгрузку (погрузку)
автосамосвала с шапкой
Время движения автосамосвалов в груженном и порожнем
направлении:
[4.6]
[4.7]
где Lзаб,Lот,Lзо,Lтр,Lп - соответственно средневзвешанная длина
временных и отвальных дорог, заезда на отвал, магивтральных дорог в траншее и
на поверхности, км;
Крт - коэффициент, учитывающий разгон и торможение
автосамосвала(Крт=1,1);зг,Vог,Vзаг,Vтрг,Vпг и Vзп,Vоп,Vзоп,Vпп - соответственно
скорости движения
автосамосвалв гружёном и порожнем направлениях по временным
забойным, отвальным дорогам, заезду на отвал, магистральным дорогам в траншее и
на поверхности.
Торцевой забой по наносам:
мин,
мин;
мин,
Тр=5,46+22,9+1,5+16,83+0,9+0,7 = 48,29 мин,
Число рейсов автосамосвала в час:р = 60 / Тр.
р = 60 / 48,29=1,24
Определяем число автосамосвалов, которое может эффективно
использоваться в комплексе с одним экскаватором:а = Тр/tпог,а
= 48,29/5,46=8,8
Траншейный забой по наносам:
мин,
мин;
мин,
Тр=4,1+22,9+1,5+16,83+0,9+0,7 = 46,93мин,
Число рейсов автосамосвала в час:р = 60 / Тр.
р = 60 / 46,93=1,27
Определяем число автосамосвалов, которое может эффективно
использоваться в комплексе с одним экскаватором:а = Тр/tпог,а
= 46,93/4,1=11,4
Торцевой забой по коренным породам:
мин,
мин;
мин,
Тр=4,3+22,9+1,5+16,83+0,9+0,7 = 47,13мин,
Число рейсов автосамосвала в час:р = 60 / Тр.
р = 60 / 47,13=1,27
Определяем число автосамосвалов, которое может эффективно
использоваться в комплексе с одним экскаватором:а = Тр/tпог,а
= 47,13/4,3=10,9
Траншейный забой по коренным породам:
мин,
мин;
мин,
Тр=9,78+22,9+1,5+16,83+0,9+0,7 = 52,61мин,
Число рейсов автосамосвала в час:р = 60 / Тр.
р = 60 / 52,61=1,1
Определяем число автосамосвалов, которое может эффективно
использоваться в комплексе с одним экскаватором:а = Тр/tпог,а
= 52,61/9,78=5,37
Торцевой забой по ПИ:
мин,
мин;
мин,
Тр=6,1+22,9+1,5+16,83+0,9+0,7 = 48,93мин,
Число рейсов автосамосвала в час:р = 60 / 48,93=1,2
Определяем число автосамосвалов, которое может эффективно
использоваться в комплексе с одним экскаватором:а = Тр/tпог,а
= 48,93/6,1=8
Производительность автосамосвалов:
Техническая:
[4.9]
Эксплуатационная:
сменная:
[4.10]
суточная:
[4.11]
годовая:
[4.12]
где Кг - коэффициент использования грузоподъёмности автосамосвала;
Кра - коэффициент разрыхления пород в кузове автосамосвала;
- плотность перевозимой породы в целике,
;
Тсм - продолжительность смены(Тсм=8ч);
- число смен в сутках(
=3);
- число рабачих дней в году(
=252);
Киа - коэффициент использования автосамосвала в
смену(Киа=0,8
);
Техническая производительность:
по наносам БелАЗ - 7512 и БелАЗ - 7509:
по коренным породам БелАЗ - 7512:
по полезному ископаемому БелАЗ - 7512:
Эксплуатационная сменная производительность:
по наносам БелАЗ - 7512 и БелАЗ - 7509:
по коренным породам БелАЗ - 7512:
по полезному ископаемому БелАЗ - 7512:
Суточная производительность:
по наносам БелАЗ - 7512 и БелАЗ - 7509:
по коренным породам БелАЗ - 7512:
по полезному ископаемому БелАЗ - 7512:
Годовая производительность:
по наносам БелАЗ - 7512 и БелАЗ - 7509:
по коренным породам БелАЗ - 7512:
по полезному ископаемому БелАЗ - 7512:
Пропускная способность автодороги - Это максимальное количество
автосамосвалов, которые могут пройти через определённый участок в единицу
времени (за 1 час) в одном направлении, определяется по формуле:
[4.13]
где Кнд - коэффициент неравномерности движения;- скорость движения
по ограниченному перегону, км/ч;- число полос движения.
[4.14]
где V - коэффициент, учитывающий инерцию вращающихся масс
автомобиля;р - время реакции водителя и время приведения тормозов в действие,
с;
- коэффициент сцепления колес с дорогой при торможении;
- основное удельное сопротивление движению автомобиля;
- длина автосамосвала, м;
- уклон автодороги
.
принимаем
м,
Провозная способность автодороги - Это максимальное количество
груза, провозимое через определённый участок в единицу времени (за 1 час) в
одном направлении, определяется по формуле:
[4.15]
где f - коэффициент резерва пропускной способности автодороги;гм -
объем отгружаемой горной массы в час,
.
т.
т/
.

,
ƒ =1,75 - коэффициент резерва пропускной
способности автодороги.
Принимаем однопутный перегон.
Производительность автотранспорта в значительной мере зависит от
схемы подъезда автосамосвала к забою и установки его у экскаватора.
Результаты расчетов приведены в таблице 4.2.
Таблица 4.2
Основные технологические показатели автосамосвалов
|
Вид забоя
|
БелАЗ
|
Производительность,
м3/год
|
Рабочий парк
(БелАЗ)
|
Инвентарный
парк (БелАЗ)
|
|
Наносы
(бо-ковой забой)
|
БелАЗ-7512
|
322207,2
|
8,8
|
11
|
|
Наносы
(ту-пиковый забой)
|
БелАЗ-7509
|
183330
|
11,4
|
14
|
|
Коренные породы
(бо-ковой забой)
|
БелАЗ-7512
|
346021,2
|
10,9
|
13
|
|
Коренные породы
(ту-пиковый забой)
|
БелАЗ-7512
|
251596,8
|
5,37
|
7
|
|
ПИ (боковой
забой)
|
БелАЗ-7512
|
678343,68
|
8
|
10
|
5. Отвалообразование
Искусственная насыпь, образуемая в результате складирования
пустых пород, называется отвалом, а совокупность производственных операций по
приему и размещению вскрышных пород на отвале - отвальными работами. По месту
расположения отвалов относительно конечных контуров карьера различают
внутренние (в контурах отвала) и внешние (вне контуров карьера) отвалы, по
конструкции - одно- и многоярусные. Отвал вскрышных пород, как правило, представляет
собой геометрическое тело в виде неправильной усеченной пирамиды или конуса и
характеризуется следующими параметрами: высотой и числом уступов, углом откоса
отвала и уступа, числом, приемной способностью и длиной отвальных участков.
При транспортировании вскрышной породы на отвал автомобильным
транспортом применяют бульдозерное отвалообразование, которое включает
разгрузку автосамосвала на верхней площадке отвала, перемещение породы под
откос отвала, ремонт и сооружение автодорог.
Существуют два способа бульдозерного отвалообразования -
площадной и периферийный.
При площадном способе автосамосвалы разгружаются по всей
площадке отвала, затем площадь отвала планируют и уплотняют катками.
Аналогичным образом отсыпают последующие вышележащие слои. Бульдозерный отвал в
этом случае развивается по вертикали. Из-за большого объема планировочных работ
этот способ является более дорогостоящим, чем периферийный, поэтому он
применяется редко, в основном при укладке мягких малоустойчивых пород.
При периферийном способе на устойчивых отвалах автосамосвалы
грузоподъемностью до 75 т разгружаются прямо под откос, а большей
грузоподъемности - на расстоянии 3-5 м от верхней бровки откоса отвала. Затем
эту породу бульдозером перемещают под откос, т.е. в этом случае отвал развивается
в плане. В целях безопасности, чтобы исключить возможность падения
автосамосвала с отвала при непосредственной разгрузке под откос, у верхней
бровки отвала устанавливают металлические упоры для задних колес автосамосвала
или отсыпают породный вал высотой не менее половины диаметра колеса наибольшего
из разгружаемых автосамосвалов и шириной 2-3,5 м. Кроме этого, в этих же целях,
поверхность бульдозерного отвала должна иметь уклон 3-5 град. В сторонуцентра
отвала.
Среднее число автосамосвалов, разгружающихся на отвале в
течение одного часа, определяю по формуле:
|
[5.1]
|
|
где VВЧ - производительность карьера по вскрыше,
;
КНЕР - коэффициент неравномерности работы карьера (КНЕР=1,25)
;
Число автосамосвалов, одновременно разгружающихся на отвале
определяю по формуле:
|
[5.2]
|
|
где tp - продолжительность разгрузки и
маневрирования автосамосвала, мин (tp=1,5 мин)
шт.
Длина фронта разгрузки на отвале определяется по формуле:
|
[5.3]
|
|
где ln - ширина полосы по фронту отвала,
занимаемая одним автосамосвалом при маневрировании (ln=20 м)
м
Число разгрузочных участков отвала, находящихся в одновременной
работе по формуле:
|
[5.4
|
|
где Li - длина одного участка, м (Li=60
м)
шт.
Число планировочных участков в работе по формуле:
|
[5.5]
|
|
шт.
Число резервных участков:
|
[5.6]
|
|
шт.
Общее количество участков:
|
[5.7]
|
|
шт.
Общая длина отвального фронта работ:
|
[5.8]
|
|
м.
Для проведения планировочных работ принимаю бульдозер ДЗ-158.
Его техническая характеристика приведена в таблице 5.1.
Таблица 5.1 Техническая характеристика бульдозера ДЗ-158
|
Параметры
|
Значения
|
|
Базовый трактор
|
Т-25.01
|
|
Мощность
двигателя, кВт.
|
272
|
|
Тяговый класс
|
(250)
|
|
Параметры
отвала, мм.:
|
|
|
длина
|
4530
|
|
высота
|
1740
|
|
подъем
|
1300
|
|
опускание
|
600
|
|
Масса
бульдозерного оборудования, т
|
8
|
|
Масса общая с
трактором, т
|
46
|
Годовую производительность бульдозера при планировочных
работах определяю по формуле:
|
[5.9
|
|
где QБЧ - часовая производительность бульдозера, м3/ч(QБЧ=400
м3/ч);
КИ - коэффициент использования бульдозера в
течение смены (КИ=0,9).
м3/год
Количество рабочих бульдозеров на отвале определяю как по формуле:
|
[5.10]
|
|
где
- коэффициент заваленности отвала породой
(
=0,6).
шт.
Принимаю 5 рабочих бульдозеров на отвале.
Инвентарный парк бульдозеров по формуле:
|
[5.11]
|
|
где fБО - коэффициент резерва бульдозеров (fБО=1,3).
шт.
Инвентарный парк бульдозеров составил 7 шт.
Список используемой литературы
1. В.М.
Мазаев и др. - Процессы ОГР: учебное пособие / КузГТУ. - Кемерово, 2000. -
110с.
2. В.Ф.
Воронков и др. - Процессы ОГР: методические указания по выполнению курсового
проекта / КузГТУ. - Кемерово 2002. - 33с.
. А.М.
Прохоров и др. - Горная энциклопедия. - М.: « Советская энциклопедия », 1989. -
623с.
4.
Процессы открытых горных работ: Практикум по дисциплине «Процессы горного
производства» для студентов, обучающихся по направлению 550600 «Горное дело»
/сост. В.М. Мазаев, С.И. Протасов, П.А. Самусев: Кузбасский Государственный
Технический Университет.-Кемерово, 2000.-109с.