|
Наименование параметров
|
Обозначение
|
Единица измерения
|
Номинальное значение параметра
|
Допустимые отклонения от номинала
|
|
|
|
|
Длительные (t→∞)
|
Кратковременные (0<t<<∞)
|
|
|
|
|
величина
|
величина
|
время, ч.
|
|
Температура воздуха в камере
|
|
˚С
|
F1 (П)
|
±1
|
±3
|
1,5
|
|
Температура испарителя
|
Ти
|
˚С
|
F2
(П)
|
±1
|
±3
|
1,5
|
где:
П - период года, может принимать
значения П=т - теплый период года и П=х - холодный период года.
при П = «х»
F1 = -10 при П = «т»
при П = «х»
F2 = -11 при П = «т»
Выявление параметров,
характеризующих условия ведения технологического процесса и эксплуатации
технологического агрегата.
Условия, в которых ведется
технологический процесс, характеризуются определенными параметрами, которые
могут изменяться с течением времени и влиять на изменение выходных нормативных
параметров, выводя их за пределы допусков. Для удобства сгруппируем такие
параметры по некоторым признакам:
Сырьевые параметры - характеризуют
свойства продукта, идущего на переработку: в нашем случае продукт, идущий на
переработку - это воздух, забираемый из камеры, его параметры:
- 
- температура
наружного воздуха, ˚С;

- температура
воздуха в камере, ˚С;
- Энергетические параметры -
характеризуют энергию, которая подводится к технологическому оборудованию извне
и расходуется на изменение свойств продукта:
P х.а. - давление хладагента, Па.
Т х.а. - температура хладагента, ˚С.
M х.а. - расход хладагента, м3/ч.
Q к - производительность
компрессора
V - скорость продувки исарителя
Т п - температура перегрева на
выходе испарителя.
Механические (либо другие
специфические) параметры - это параметры, характеризующие технологическое
оборудование:
лм - параметр, характеризующий
механические потри в агрегате (например трение в подшипниках), %;
жв - параметр, характеризующий
проникновение воздуха из окружающей среды в камеру (зависит от наличия щелей в
дверях, частоты открытия дверей и т.п.), %.
Формализация параметризованной схемы
технологического процесса и получение его параметрической схемы.
Формализация описания взаимосвязей
между параметрами ТП достигается за счет перехода к формализованной
параметрической схеме ТП. Осуществим такой переход, при этом параметры, которые
отражают цели функционирования объекта и дополнительные требования к нему, т.е.
параметры, которые регламентированы, будут являться выходными, а параметры,
отражающие условия функционирования объекта - входными. Связь между входными и
выходными параметрами - причинно-следственная.
Параметрическая схема
технологического процесса:
1.3 Разработка
структурной (координатной) схемы объекта управления
Конкретизация целей и задач
управления объектом, выявление регулируемых и оптимизируемых переменных.
Целью ведения технологического
процесса производства холода в холодильной камере является обеспечение
оптимальных параметров среды в данном помещении.
Параметры, значения которых
регламентированы строительными нормами и правилами (СНиП), а именно:
- температура воздуха в
камере 
будут являться
регулируемыми переменными.
Выбор управляющих
переменных (координат) объекта управления.
В качестве управляющих
переменных (координат), т.е. переменных, изменяя которые целенаправленно, мы
сможем влиять на изменение регулируемых переменных, изменяя расходы
материальных энергетических потоков, учитывая конструктивные особенности
агрегата (центрального кондиционера), выбираем:
u1 (t) - управляющее воздействие открытия клапана подачи хладагента, %
х.р.о
Выделение и классификация
возмущающих переменных (координат) объекта управления.
После выделения управляющих
воздействий (см. п. 1.3.2), все остальные входные переменные отнесем к разряду
возмущений. При этом все возмущения формально объединим в группы
неконтролируемых возмущений (по числу управляющих воздействий), они имеют общие
(контролируемые) последствия - заставляют изменяться управляемые переменные, и
будем считать их действующими аддитивно управляемым переменным.
Выделять контролируемые возмущения в
нашем случае не целесообразно т.к. они усложняют математическую модель, а также
изменяются медленно их изменение не существенно, а также не сильно влияет на
технологический процесс.
Составление структурной
(координатной) схемы объекта регулирования.
Структурная (координатная) схема
объекта управления является очередным и последним этапом формализации
представления ТП как ОУ. При переходе к такой схеме, осуществляется переход к
использованию другого понятийного аппарата, общего с ТАУ. Понятие «параметр»
заменяется на понятие «переменная (координата)».
Структурная (координатная) схема ОР
2. Идентификация моделей
каналов преобразования координатных воздействий объекта управления
.1 Априорный анализ
статических и динамических свойств объекта управления
Априорный анализ и выбор структуры
моделей динамических свойств каналов управления и контролируемых возмущений на
основе знания физических закономерностей технологического процесса.
Перед началом экспериментов, исходя
из физической сущности объекта, предварительно оценим свойства каналов, модели
которых подлежат идентификации т.е. проведем предварительную структурную
идентификацию.
В нашем случае, в технологическом
объекте (холодильной машине) между «притоками» и «оттоками» температуры
устанавливаются динамические равновесия, которые восстанавливаются после
всякого их нарушения без управляющих воздействий. Следовательно, свойства
объекта управления по каналу u1 (t) -
-
статические.
Априорный анализ и принятие решения
о допустимости линеаризации статических свойств каналов управления.
Исходя из того, что диапазоны
изменения переменных функций, в статических характеристиках каналов объекта
управления, ограничены, а также то что эти функции являются гладкими (без
разрывов) и монотонными (возрастающими или убывающими), можно сделать вывод о
допустимости линеаризации статических свойств каналов управления.
2.2 Идентификация
линеаризованных моделей динамики каналов управления объекта регулирования в
окрестности его рабочих режимов
Краткий сравнительный анализ и выбор
целесообразных входных воздействий для экспериментального исследования с целью
получения необходимой информации о свойствах каналов объекта для случая, когда
входные переменные каналов доступны для целенаправленного изменения.
В нашем случае, управляющее
воздействие u1 (t), доступно для целенаправленного изменения, поэтому именно его
целесообразно выбрать в качестве входного воздействия для экспериментального
исследования с целью получения необходимой информации о свойствах каналов
объекта.
Планирование активного эксперимента
на объекте для выбранных входных воздействий и получение реакций на них в ходе
натурного и (или) мысленного эксперимента.
План проведения активного
эксперимента на объекте:
Изменением управляющего воздействия u1 (t), выведем объект в зону рабочего
режима (добьемся таких значений управляемых переменных, которые находились бы в
окрестности их номинальных значений):
= -12 ˚С, и дождемся наступления установившихся режимов.
Осуществим ступенчатые воздействия
на объект путем приращения u1 (t), на 10 единиц (при этом
будет находиться в допустимом диапазоне)
Зарегистрируем изменения выходных
переменных до наступления новых установившихся режимов.
Ниже приведем экспериментальные
переходные и статические характеристики всех каналов объекта управления.
Канал «u1 -
»
Статическая характеристика
Переходная характеристика
Изменение температуры испарителя
Изменение температуры в камере
Анализ полученной в ходе
эксперимента информации, обоснование и выбор структуры моделей каналов
(структурная идентификация моделей).
Практика разработки САУ сама выявила
наиболее конструктивный путь - использование малопараметровых моделей невысокого
порядка с запаздыванием. Он согласуется и с подходами к отражению
неопределенностей в моделях т.к. введение запаздывания учитывает структурную
неопределенность моделей. Наличие запаздывания в моделях предопределяет, в
результате синтеза, получение грубых САУ.
Так, в данной курсовой работе
целесообразно описывать свойства каналов управления при помощи моделей первого
и второго порядков с запаздыванием. При этом структура таких моделей будет
следующей:
Для статического канала (u1 (t) -
):
-й порядок:
-й порядок:
Выбор методик и
проведение параметрической идентификации моделей первого и второго порядков.
Для параметрической
идентификации моделей каналов объекта управления первого и второго порядков
будем использовать методику «2-х общих точек» (Мининой).
Расчет параметров для
каналов ОУ со статическими свойствами будем производить по следующим формулам:
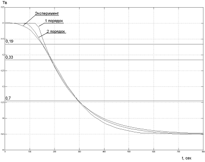
В результате графических
построений получаем:
Для испарителя
0.19h = -11,665 ˚С t0.19
= 151.3 c
.33h = -12,155 ˚С t0.33
= 189.4 c
.7h = -13,4 ˚С t0.7
= 294.77 c
y1
= -11 u1 = 50
y0
= -14,5 u0 = 40
Рассчитываем параметры
объекта:
Модель первого порядка
Модель второго порядка
Общая модель (Uзад
- Тв)
0.19h = -10,608 ˚С t0.19
= 179,67 c
.33h = -11,05 ˚С t0.33
= 231,19 c
.7h = -12,24˚С t0.7
= 381,31 c
y1
= -10 u1
= 50
y0
= -13,2 u0
= 40
Рассчитываем параметры
объекта:
Модель первого порядка
Модель второго порядка
Теперь на основании
общей модели и модели испарителя будет получена модель камеры, для
моделирования каскадной САР
Постоянную времени
получим при помощи следующих схем:
Для 1 порядка:

Для 2 порядка:

Таким образом, получаем:
Т1п = 136,84 с
Т2п = 91,32 с
Результаты
параметрической идентификации заносим в таблицу:
|
Канал
|
Порядок
|
Параметры объекта
|
Передаточная функция канала
|
|
|
Ko
|
To
|
фo
|
|
|
u1 (t) -
|
I
|
-0,35
|
131,7
|
136,72
|
|
|
II
|
-0,35
|
89,67
|
79,56
|
|
|
u1
(t) - Тк
|
I
|
-0,32
|
187,65
|
156,13
|
|
|
II
|
-0,32
|
126,025
|
78,85
|
|
|
Тв-Тк
|
I
|
0,914
|
136,84
|
179,69
|
|
|
II
|
0,914
|
91,32
|
122,69
|
|
3. Реализация моделей на
ЦВМ и подтверждение их адекватности
3.1 Реализация на ЦВМ
моделей каналов преобразования воздействий и подтверждение их адекватности
Разработка структурных схем и
программ моделирования динамики каналов преобразования воздействий, получение
переходных характеристик моделей и их сравнение с экспериментальными
переходными характеристиками либо их оценками.
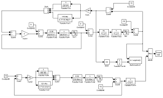
Моделирование моделей каналов
объекта управления будем производить совместно с моделированием
экспериментальных переходных характеристик, с целью их сравнения, будем
проводить по следующей схеме:
Канал «u1 (t) -
»
Переходная характеристика
Uзад - Ти (Температура испарителя)
По аналогичной схеме проверяем общую
модель (Uзад - Тв)
По полученным характеристикам можно
сделать вывод, что реализованные на ЦВМ модели испарителя являются адекватными,
т.к. совпадают с характеристикой полученной экспериментально.
3.2 Реализация на ЦВМ
полной модели объекта управления и подтверждение ее адекватности
Разработка полной структурной схемы
и программы моделирования объекта управления.
Реализацию полной модели объекта
управления будем производить в программе MathLab.
Схема моделирования
Результаты моделирования полных
моделей каналов объекта управления:
Проведя предварительный
сравнительный анализ экспериментальных переходных характеристик каналов объекта
управления и моделей каналов, визуально, можно установить их схожесть и сделать
вывод об адекватности моделей объекту управления. Окончательно сделать выводы
об адекватности моделей можно после применения их на практике.
4. Формулирование задач
управления, требований к их решению и выбор основных принципов построения
автоматических систем
.1 Формулирование задач
управления технологическим агрегатом
Декомпозиция общей задачи управления
агрегатом и формулирование частных задач.
Общая задача управления заключается
в обеспечении желаемых характеристик объекта функционирования, в нашем случае
испарителя холодильной машины. Из общей задачи управления можно выделить
частные задачи:
а) поддержание выходных
переменных объекта управления 
, Ти на их
заданных значениях, а именно 
=-10˚C, Ти=-11˚C
- это задача регулирования;
б) приспособление в
процессе управления системой к её изменяющимся свойствам - это задача
адаптации;
в) обеспечение наилучших
в определённом смысле режимов работы системы - это задача оптимизации;
г) изменение общего
состояния оборудования при пусках, остановах, в частности, при возникновении
аварийных ситуаций - логическое управление.
Обоснование
необходимости и целесообразности (для рассматриваемой ситуации) автоматизации
каждой из частных задач управления.
Целью ведения
технологического процесса создания микроклимата в помещении является
обеспечение оптимальных параметров среды в данном помещении.
Параметры, значения
которых регламентированы строительными нормами и правилами (СНиП), а именно:
температура воздуха в
камере 
температура испарителя
Ти
будут являться регулируемыми
переменными.
Целесообразность решения задачи адаптации
обусловлена изменяющимися параметрами объекта регулирования, а именно
вследствие увеличения количества находящихся в помещении людей, параметры
помещения изменяются.
Задача оптимизации позволяет
оптимально управлять холодильной машиной. Поддержание параметров на уровне
заданных значений имеет смысл лишь тогда, когда в камере находится продукция. В
момент отсутствия продукции в камере параметры, с целью экономии
энергоресурсов, необходимо поддерживать в пределах таких значений, чтобы решить
задачу компромисса между энергосбережением с одной стороны и возможностью
обеспечить оптимальные параметры в момент планируемого времени загрузки
продукции в камеру, и при этом затратить как можно меньше энергии.
Логическое управление включением /
отключением определенного набора секций испарителя является неотъемлемой частью
задачи оптимального управления.
4.2 Формализация
требований к решению задачи регулирования и выбор принципа построения системы
автоматического регулирования
Формализация требований к предельно-допустимым
статическим и динамическим отклонениям регулируемых переменных от
соответствующих заданных значений в переходных и динамически установившихся
процессах и представление их в форме регламентных зон регулируемых переменных
Исходя из требований технологии
процесса и эксплуатации технологических машин, могут быть заданы определенные
требования к отклонениям(ошибкам) регулируемых переменных:
1. К
предельно-допустимым динамическим отклонениям 
. К отклонениям,
которыми можно пренебречь, т.е. к 
. К времени
существования допустимых динамических отклонений за пределами ЗНО 
Отразив эти предельные условия
графически, можно задать регламентную зону переходного процесса.
Для рассматриваемого нами ТП
вышеописанные требования можем представить в таблице регламентов, полученной в
предыдущих разделах:
Таблица регламентов
|
Наименование параметров
|
Обозначение
|
Единица измерения
|
Номинальное значение параметра
|
Допустимые отклонения от номинала
|
|
|
|
|
Длительные (t→∞)
|
Кратковременные (0<t<<∞)
|
|
|
|
|
величина
|
величина
|
время, ч.
|
|
Температура воздуха в камере
|
|
˚С
|
F1 (П)
|
±1
|
±3
|
1,5
|
|
Температура испарителя
|
Ти
|
˚С
|
F2
(П)
|
±1
|
±3
|
1,5
|
Регламентные зоны
переходных процессов:
Температура
испарителя
Температура в
камере
Формализация
интегральных требований к переходным и динамически установившимся процессам
регулирования в форме интегрального критерия оптимальности САР
На этапах разработки САУ, в качестве
одного из главных критериев, характеризующих целесообразность её создания и
эффективность её применения, является оценка качества выполнения поставленной
перед САУ задачи, в частности, для задач регулирования, поддержание параметров
технологического процесса на заданных значениях (в заданных диапазонах
изменения). На практике, в качестве показателя качества САР, наиболее часто
используют интегральный критерии; при чем, чем меньше будет отклонение текущего
значения регулируемой переменной от заданного (предусмотренного регламента),
тем показатель качества будет лучше.
Существует несколько интегральных
критериев.
Существует три вида переходных
процессов, которые соответствуют следующим криериям:
. Апериодический переходный
процесс(ПП) соответствует линейному критерию оптимальности.
2. Колебательный ПП
с 
= 20% соответствует
модульному критерию оптимальности.
. Колебательный
ПП с 
= 40% соответствует
квадратичному критерию оптимальности.
C целью обеспечения малого времени переходного процесса и
воизбежание излишней колебательности выбираем интегральный модульный критерий:
Выбор, обоснование и
представление в виде обобщённой структурной схемы принципа построения системы
автоматического регулирования
Классификацию САУ по
принципам их построения можно произвести в зависимости от вида информации,
используемой управляющим устройством (УУ). В общем случае УУ использует 2 вида
информации: 
и tк. В частных случаях используются не все виды информации, а только
некоторые из приведенных. Рассмотрим эти частные случаи, а, следовательно, и
принципы построения САУ:
) Принцип жесткого
(программного) управления - используется информация только о 
.
Данный принцип
применяется в тех случаях, когда свойства объекта достаточно хорошо известны.
Достоинством является максимальная простота системы. Недостатком является
низкая и неконтролируемая степень соответствия между у и 
.
) Принцип управления
по возмущениям - УУ использует информацию об 
и 
, применим в тех
случаях, когда влиянием fн
на ОУ можно пренебречь, когда размерность 
относительно небольшая,
свойства ОУ по каналам 
- y и u - y достаточно хорошо известны.
Достоинство данного принципа:
такая система даёт возможность полностью скомпенсировать влияние 
на
у, т.е. сделать у инвариантным относительно 
.
Недостатки данного
принципа: аналогичны первому. Для повышения точности соответствия у для 
требуется увеличение
размерности 
, уточнять свойства по
каналам управления и контролируемых возмущений, что приведёт к усложнению и
удорожанию, как самой системы, так этапа её разработки.
Оба из рассмотренных
принципов построения систем, относятся к принципам разомкнутого управления,
т.к. они не используют информацию о текущем состоянии объекта.
) принцип замкнутого
управления (управление с обратной связью) - применим в том случае, когда
допустимы достаточно большие динамические изменения (колебания) y от 
.
Достоинства данного
принципа: можно обеспечить высокую точность у и 
.
Свойства объекта
необходимо знать только по каналу у - u,
и также не требуется высокой точности.
Недостатки данного
принципа: введение обратной связи приводит в собственной составляющей к
движению в замкнутом контуре. Наличие обратной связи провоцирует появление
неустойчивости САУ, т.е. её неработоспособности.
) комбинированный
принцип управления - целесообразно использовать, когда необходимо получать
высокие статистические и мало динамические отклонения САУ.
Достоинства данного
принципа: сочетание разомкнутого и замкнутого принципов управления.
Недостатки данного
принципа: высокая стоимость и сложность разработки.
Исходя из рассмотренных выше
принципов построения САУ выберем принцип замкнутого управления, т.к. он
содержит информацию о текущем состоянии объекта.
Составим обобщенную структурную
схему построения САР:
Обобщённая структурная схема
принципа построения САР
5. Синтез и анализ системы
автоматического регулирования простейшей структуры
5.1 Конкретизация
структуры САР и алгоритмов регулирования
Разработка на основе
выбранного в п. 1.2.3. общего принципа построения САР, ее простейшей конкретной
структуры
В п 1.2.3 из нескольких альтернатив
общего принципа построения САР нами был выбран принцип замкнутого управления.
Исходя из полученной в результате исследований в предыдущих разделах полной
модели объекта управления, и добавив для каждого канала управления регулятор,
получим систему автоматического регулирования.
Выбор нескольких
альтернативных вариантов типовых алгоритмов регулирования, запись их уравнений
и передаточных функций
Существует 5 вариантов типовых
алгоритмов регулирвоания:
. Пропорциональный алгоритм
регулирования (П-регулятор);
. Интегрирующий
(интегральный) алгоритм регулирования (И-регулятор);
. Пропорционально-интегральный
алгоритм регулирования (ПИ-регулято);
. Пропорционально-дифференцирующий
алгоритм регулирования (ПД-регулятор);
Наиболее целесообразным является
рассмотрение и сравнительный анализ ПИ и ПИД - алгоритмов регулирования, так
как из предыдущих исследований, синтеза САР известно, что наиболее эффективными
являются именно эти алгоритмы регулирования.
Запишем уравнения и передаточные
функции ПИ и ПИД - законов регулирвоания:
) ПИ-регулятор:
Уравнение 
Передаточная функция 
2) ПИД-регулятор:
Уравнение 
Передаточная функция (с
реальным дифференциатором)
Передаточная функция 
Разработка структурной
схемы и программы цифрового имитационного моделирования САР при
детерминированных и стохастических входных воздействиях
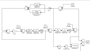
Разработаем в программе Matlab схему моделирования
нашей САР простейшей структуры для ПИД и ПИ закона регулирования.
Схема моделирования САР при
детерминированном входном воздействии
5.2 Параметрический
синтез САР с различными вариантами типовых алгоритмов регулирования и их
сравнительный анализ для детерминированных входных воздействий
Выбор начальных
приближений настроечных параметров алгоритмов регулирования на основе
инженерных методик параметрического (неоптимального) синтеза
Под инженерными методиками
параметрического синтеза САР понимают методики расчета настроечных параметров
регуляторов по заданным свойствам объекта регулирования и по сформулированным
требованиям к качеству переходных процессов, точнее к переходным
характеристикам. Инженерные методики несут в себе компромисс между простотой и
удобством их использования с одной стороны и качеством настройки регулятора с
другой.
Расчет параметров регулятора по
инженерным методикам предполагает, что при расчете будут использоваться
параметры объекта первого порядка с запаздыванием, возмущение при этом
считается приведенным к каналу регулирования и является ступенчатым. Для этого
мы приведем значения параметров объекта из курсовой работы по дисциплине
«ИиМОА, полученные при идентификации модели нашего объекта, как объекта первого
порядка с запаздыванием:
|
Канал управления
|
Параметры канала
|
|
Ко
|
Т о
|
ф о
|
|
u1
- Тв
|
-0,32
|
262
|
316,41
|
Воспользуемся методикой расчёта
настроечных параметров регулятора Копеловича А.П. Выбираем колебательный
переходный процесс с Rп = 20%, настроечные
параметры ПИД-регуляторов будем находить по следующим формулам:
Формулы расчёта
ПИ-регулятора:
Параметрический
оптимальный синтез САР с альтернативными алгоритмами регулирования для
детерминированных (ступенчатых) входных воздействий
ПИ-регулятор
Схема оптимизации САР с
ПИ-регулятором
Оптимизация настроечных параметров
ПИ-регуляторов каналам u1-Тв и u3-M
Результат оптимизации настроечных
параметров ПИ-регулятора
ПИД-регулятор (оптимизируем по
аналогичной схеме)
Оптимизация настроечных параметров
ПИД-регулятора
Сравнительный анализ
переходных процессов в параметрически оптимальных системах по значению критерия
оптимальности и показателям, для которых установлены предельно-допустимые
значения
Схема для сравнения ПИ и ПИД
регуляторов
Результаты моделирования САР с
оптимальными настройками ПИ- и ПИД-регуляторов по каналу u1 - Тв
Сведём интегральные и прямые
показатели качества в таблицы:
Канал u1 - Тв
|
Регулятор
|
Dymax,
˚С
|
Rп,
%
|
I
|
tрег,
сек.
|
|
ПИ
|
1,5
|
40
|
1700
|
4500
|
|
ПИД
|
1
|
30
|
1115
|
4000
|
Проанализировав полученные
результаты, можем сделать вывод, что САР с ПИД - регуляторами более
работоспособна, чем САР с ПИ-регуляторами, так как она обладает более хорошими
показателями качества.
5.3 Анализ грубости САР
к вариации параметров объекта управления
Выбор
параметров объекта управления, по которым целесообразно оценить грубость САР,
значения их вариаций и планирование активного эксперимента по оценке грубости
Система называется грубой в том
случае, если при малых вариациях её параметров свойства системы, в частности,
показатели качества, также изменяются мало. Для практики промышленных систем
управления грубость системы фактически означает её работоспособность.
Зная физические свойства объекта,
можем предположить, что свойства ОУ не изменяются в больших диапазонах, поэтому
целесообразно проверять грубость системы при вариации параметров объекта ±20%.
Варьируемыми параметрами будут коэффициент передачи и время запаздывания ОУ.
Активный эксперимент по оценке грубости будем проводить на ЭВМ при помощи блока
оптимального параметрического синтеза САР и анализа её грубости.
Сравнительный анализ
переходных процессов по критерию оптимальности и показателям, для которых
установлены предельно - допустимые значения
Представим результаты машинного
эксперимента проверки на грубость САР с ПИ - алгоритмом управления:
Результаты проверки САР на грубость
с ПИ-регулятором
Аналогичную проверку проводим для САР
с ПИД-регулятором.
Результаты проверки САР на грубость
с ПИД-регулятором
Исходя из результатов проверки
системы на грубость, можно сделать вывод о робастности рассматриваемой системы
автоматического регулирования. Хотя система с ПИД-регулятором работает на
границе устойчивости.
6. Синтез и анализ
системы автоматического регулирования повышенной динамической точности
.1
Структурный синтез САР повышенной динамической точности
Анализ
особенностей объекта регулирования, снижающих динамическую точность и выбор
способов ее повышения за счет введения в структуру САР дополнительных связей
На динамическую
точность системы может влиять множество факторов, например:
. контролируемые
возмущения;
. неконтролируемые
возмущения;
. большое
запаздывание в объекте;
. сильное
взаимовоздействие между каналами посредством перекрёстных связей.
Для устранения
вышеприведенных неблагоприятных факторов создаются системы повышенной
динамической точности, соответственно:
. САР,
инвариантная к контролируемым возмущениям;
. САР с
косвенным измерением возмущений;
. САР с
компенсацией запаздывания в контуре регулирования;
4. САР, обеспечивающая
автономность относительно собственных движений
. Каскадные САР
Разработка
на основе выбранных способов повышения динамической точности САР, её
структурной схемы и формулирование (в аналитической форме) условий,
обеспечивающих необходимые свойства САР
Для повышения
динамической точности системы я буду использовать каскадную САР.
Структурная схема к САР с
межрегуляторными корректирующими связями
Выбор
начальных приближений параметров упрощённых корректирующих связей из условия
близости переходных характеристик корректирующих связей до и после их упрощения
(возможно применение любых методик - как оптимизизационных, так и обычных)
Расчет внутреннего
регулятора
Внутренний регулятор будет
П-структуры. Его настройки считаем по методике Копеловича для П-регулятора:
Получив настройки
внутреннего регулятора можно получить переходную характеристику всей системы,
для расчета параметров главного регулятора.
Переходная
характеристика системы
Параметры объекта
определяю по методике двух общих точек:
K=0.376
Определяем настройки
главного ПИД-регулятора
.2
Разработка структурной схемы и программы цифрового имитационного моделирования
и оптимальный параметрический синтез САР повышенной динамической точности для
детерминированных (ступенчатых) входных воздействий
Рассмотрим каскадную
САР без воздействия на неё возмущений случайного характера:
Схема моделирования САР повышенной
динамической точности
Оптимизация регулятора
6.3
Анализ грубости САР повышенной динамической точности к вариации параметров
объекта регулирования
Выбор
параметров объекта управления, по которым целесообразно оценить грубость САР,
значения их вариаций и планирование активного эксперимента по оценке грубости
Система является
грубой, если при малых вариациях параметров ОУ показатели качества САР также
изменяются мало.
На практике грубая
система автоматического регулирования - это работоспособная система.
Зная физические
свойства ОУ, можно сделать вывод о том, что в реальных условиях вариация его
параметров будет не большой, поэтому оценку грубости САР будем проводить с
вариацией параметров ±20%.
Активный
эксперимент по оценке грубости будет осуществлён с помощью ЭВМ, а конкретно с
помощью специальных программных средств, предназначенных для имитационного
моделирования САР с вариацией параметров объекта управления.
Результаты проверки САР повышенной
динамической точности на грубость
Исходя из
результатов проверки системы на грубость, можно сделать вывод о робастности
рассматриваемой системы автоматического регулирования повышенной динамической
точности.
6.4 Сравнительный анализ
САР простейшей структуры (ПС) и повышенной динамической точности (ПДТ)
Сравнительный анализ переходных
процессов в параметрически оптимальных САР по величинам критериев и
показателей, на которые установлены предельно-допустимые значения
Схема моделирования САР простейшей
структуры и повышенной динамической точности по каналу u1 - Tв
Результаты моделирования САР
простейшей структуры и повышенной динамической точности по каналу Канал u3- M
|
Параметры\ Каналы
|
САР повышенной динамической точности
|
САР простейшей структуры
|
|
u1
- Tв
|
u1
- Tв
|
|
Ду 0,51,5
|
|
|
|
Трег
|
1500
|
2500
|
|
I
|
1115
|
1379
|
Список литературы
1. Конспект курса лекций
по дисциплине «Теория автоматического управления» (часть I) - Хобин В.А. ОГАПТ. Одесса - 2008
г.
2. Конспект курса
лекций по дисциплине «Теория автоматического управления» (часть II) - Хобин В.А. ОГАПТ.
Одесса - 2008 г.
3. Методические указания
к выполнению и оформлению курсовой работы по дисциплине «Теория автоматического
управления» для студентов специальностей 7.092501 дневной и заочной форм
обучения / Сост. В.А. Хобин, - Одесса: ОГАПТ, 2000 г.