Электрические сети

  • Вид работы:
    Книга / Учебник
  • Предмет:
    Физика
  • Язык:
    Русский
    ,
    Формат файла:
    MS Word
    1,29 Мб
  • Опубликовано:
    2013-02-01
Вы можете узнать стоимость помощи в написании студенческой работы.
Помощь в написании работы, которую точно примут!

Электрические сети

1. Схемы сельских электрических сетей. Нормативные уровни надежности электроснабжения сельскохозяйственных потребителей. Объекты и объем автоматизации

 

.1 Схемы сельских электрических сетей


Электрической сетью называют совокупность электроустановок для передачи и распределения электроэнергии, состоящую из подстанций, распределительных устройств, токопроводов, воздушных и кабельных линий электропередачи, работающих на определенной территории.

Сельские электрические сети состоят из линий электропередачи напряжением 35 или ПО кВ, трансформаторных подстанций с напряжениями 110/35, 110/20, 110/10 или 35/6, линий электропередачи напряжением 35, 20, 10 и 6 кВ потребительских трансформаторных подстанций 35/0,4, 20/0,4, 10/0,4 и 6/0,4 кВ и линий напряжением 0,38/0,22 кВ.

Основной системой напряжений в электрических сетях сельскохозяйственного назначения является система 110/35/ 10/0,38 кВ с подсистемами напряжений 110/10/0,38 кВ и 35/10/0,38 кВ.

Надежность работы сельской электрической сети в большой степени зависит от ее схемы, так как именно она определяет возможности резервирования, а также эффективность устанавливаемых в сети коммутационных аппаратов, средств автоматики, сбора, фиксации и передачи информации о месте повреждения. Основное требование к схеме - обеспечение максимальной степени резервирования при минимальной общей длине линий и при минимальном количестве резервных связей и оборудования.

Дополнительное требование к схеме сети 35-110 кВ, получающей все большее развитие в связи с приближением этого напряжения к сельскохозяйственным потребителям - создание (осуществление) резервирования любого потребителя (трансформаторная подстанция 10/0,4 кВ) от независимого источника питания.

В некоторых районах нашей страны применяют двухступенчатую систему распределения 110/35/0,38, 110/20/0,38 и 110/10/0,38 кВ. При такой трансформации на 30% снижается потребность в трансформаторной мощности, значительно сокращаются потери энергии и улучшается качество напряжения у потребителя. Из расчетов следует, что более половины общих затрат на электроснабжение сельскохозяйственных потребителей составляют затраты на распределительные линии 6-10 (20) и 0,38 кВ. Поэтому по экономическим соображениям эти линии, как правило, сооружают воздушными, у которых 70-80% стоимости составляет стоимость строительной части. Эффективными путями снижения затрат на электроснабжение являются сокращение протяженности распределительных линий, усовершенствование методов механического расчета проводов и опор, применение новых проводниковых и стройматериалов.

Основным направлением развития электрических сетей сельскохозяйственного назначения должно быть преимущественное развитие сетей напряжением 35…110 кВ.

Сокращение протяженности распределительных сетей обусловило формирование их, как разветвленных радиальных.

Одним из эффективнейших способов повышения надежности работы радиальных линий напряжением 6-10 кВ, является автоматическое секционирование, состоящее в делении линии на несколько участков с помощью коммутационных аппаратов, работающих автоматически. Пункты секционирования устанавливаются как на магистрали (последовательное секционирование), так и в начале ответвлений (параллельное секционирование). Эффект от автоматического секционирования получается за счет того, что при коротком замыкании (к. з.) за пунктом секционирования сохраняется питание остальных потребителей, присоединенных до секционирующего пункта. Особенно эффективным оказывается секционирование с сетевым резервированием, когда участок линии, лишившийся основного питания, получает электроснабжение от другой неповрежденной линии. При этом более чем в 2 раза сокращаются перерывы в электроснабжении потребителей.

В связи с возрастающими требованиями по надежности электроснабжения в последние годы широко применяются кольцевание сетей 10 кВ и двухстороннее питание подстанций 35 и 40 кВ.

Как известно, одной из главных задач сельской электрификации является обеспечение надежного электроснабжения потребителей при минимальных расходах на сооружение и обслуживание сетей (при максимальной экономичности их работы).

Одним из показателей надежности является недоотпуск электроэнергии

ΔW = N*T*P,

где N - количество повреждений; Т - длительность отключения; Р - величина отключенной нагрузки.

Соответственно и повышение надежности осуществляется путем снижения величины N (повышение надежности элементов, проведение предупредительного обслуживания и т.п.), снижения величины Р (резервирование) и снижения Т (противоаварийная автоматика, средства определения мест повреждений и т.п.).

Повышение надежности по этим направлениям осуществляется проведением многочисленных мероприятий, как технических (например, автоматизация), так и организационных (например, оптимизация сроков проведения капремонтов). Мероприятия отличаются по значимости, затратам, величине и виду эффекта. Кроме того, они существенно взаимовлияют по эффекту: проведение одного мероприятия может снижать или усиливать эффект другого.

Необходимость учета указанных взаимосвязей и взаимовлияния мероприятий по эффекту выдвигает в качестве первоочередной задачи выбор наиболее целесообразного комплекса мероприятий и очередности их проведения, обеспечивающих максимальный эффект от затрат, выделяемых для повышения надежности.

1.2 Категорийность потребителей и нормативные уровни надежности электроснабжения


Сельскохозяйственные потребители и их электроприемники в отношении требований к надежности электроснабжения разделяются на три категории.

Электроприемники и потребители I категории должны обеспечиваться электроэнергией от двух независимых источников питания и перерыв их электроснабжения при исчезновении напряжения от одного из источников питания может быть допущен лишь на время автоматического восстановления питания.

Вторым источником питания должна быть подстанция 35… 110/10 кВ или другая секция шин 10 кВ той же двухтрансформаторной подстанции с двусторонним питанием по сети 35…110 кВ, от которой осуществляется основное питание. Для удаленных потребителей при технико-экономическом обоснований вторым источником питания может быть автономный источник резервного электропитания (дизельная электростанция).

Устройство АВР предусматривается непосредственно на вводе к электроприемнику или потребителю.

Электроприемники и потребители второй категории рекомендуется обеспечивать электроэнергией от двух независимых источников питания.

Для электроприемников II категории, не допускающих перерывов в электроснабжении длительностью более 0,5 часа, установлен следующий нормативный показатель надежности:

,                                               (1.1)

где wII (0,5) - допустимая частота отказов в электроснабжении с длительностью перерыва не более 0,5 часа.

Для остальных электроприемников и потребителей II категории устанавливаются два нормативных показателя надежности (для каждого электроприемника и потребителя):

допустимая частота отказов в электроснабжении с длительностью перерыва не более четырех часов

,                                                 (1.2)

допустимая частота отказов в электроснабжении с длительностью перерыва более четырех, но не более 10 часов

,                                               (1.3)

для потребителей с расчетной нагрузкой 120 кВт и более

,                                              (1.4)

для потребителей с расчетной нагрузкой менее 120 кВт.

И для электроприемников и потребителей III категории установлен следующий нормативный показатель надежности:

допустимая частота отказов в электроснабжении с длительностью перерыва не более 24 часов

,                                                  (1.5)

Методика принятия решений основана на сопоставлении нормативных показателей надежности электроснабжения потребителей соответствующей категории с расчетными показателями.

Выбор состава, объема и мест установки средств повышения надежности (СПН) выполняется по разработанным правилам /3/.

С целью уменьшения последствий массовых отказов в электросетях, вызванных появлением разрушающих гололедно-ветровых нагрузок, электроснабжение электроприемников сельскохозяйственных потребителей резервируется автономными источниками резервного электропитания.

Крупные ответственные потребители (животноводческие комплексы, птицефабрики) с нагрузкой 1 мВт и выше, как правило, должны питаться от своей подстанции 35 (110)/ 10 кВ.

1.3 Основные технические решения по обеспечению нормированных уровней надежности в сетях 10 и 0,38 кВ


Основным элементом сельских электрических сетей 10 кВ является распределительная линия, которую рекомендуется выполнять по магистральному принципу.

К магистральным линиям 10 кВ, по которым осуществляется взаимное резервирование линий, присоединяют опорные трансформаторные подстанции 10/0,4 кВ (ОТП). ОТП представляют собой ТП 10/0,4 кВ с развитым распределительным устройством 10 кВ (к которому присоединяются радиальные линии 10 кВ), предназначенным для автоматического секционирования и резервирования магистрали, размещения автоматики и телемеханики, и (или) распределительные пункты (РП). Магистральный участок вновь сооружаемых или реконструируемых линий 10 кВ рекомендуется выполнять сталеалюминевым проводом одного сечения не менее 70 мм2, обеспечивающим возможность питания по одной линии в послеаварийных и ремонтных режимах нагрузок обеих взаиморезервируемых линий. В этих случаях линия 10 кВ, как правило, имеет только один сетевой резерв от независимого источника питания.

Линейные разъединители 10 кВ устанавливаются на магистрали ВЛ 10 кВ для ограничения длины участка линии, включая ответвления до 3,5 км; на ответвлении от ВЛ 10 кВ, при его длине более 2,5 км.

Минимальные Допустимые сечения сталеалюминевых проводов на воздушных линиях 10 кВ по условиям механической прочности должны быть: в районах с нормативной толщиной стенки гололеда до 10 мм - 35 мм2; 15… 20 - 50 мм2; более 20 мм - 70 мм2; алюминиевых проводов - 70 мм2 /5/.

Минимальное допустимое сечение алюминиевых проводов на воздушных линиях 0,38 кВ по условиям механической прочности должно быть: в районах с нормативной толщиной стенки гололеда 5 мм - 25 мм2; 10 мм и более - 35 мм2; сталеалюминевых и из алюминиевого сплава - 25 мм2 во всех климатических районах /5/.

На воздушных линиях, отходящих от одной трансформаторной подстанции 10/0,4 кВ, следует предусмотреть не более двух-трех сечений проводов.

Проводимость нулевого провода линий 0,38 кВ, питающих преимущественно (более 50% по мощности) однофазные электроприемники, а также электроприемники животноводческих и птицеводческих ферм должна быть не менее проводимости фазного провода. Во всех остальных случаях проводимость нулевого провода следует принимать не менее 50% проводимости фазных проводов.

ОТП устанавливаются у потребителей I категории, на хозяйственных дворах центральных усадеб колхозов и совхозов.

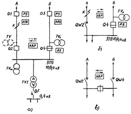
Схема ОТП представлена на рис. 1.1. В узлах сети 10 кВ рекомендуется сооружать распределительный пункт (РП), если в перспективе здесь намечается сооружение подстанции 35-110/10 кВ. Трансформаторные подстанции 10/0,4 кВ рекомендуется переводить на питание от шин 10 кВ ОТП (РП), если они присоединены к магистральному участку линии ответвлением.

На воздушных линиях 0,38 кВ следует применять железобетонные опоры повышенной прочности.

Рис. 1.1. Схема ОТП: ИП - источник питания; ГВ, СВ, В-головной, секционирующий и выключатели в линии 10 кВ; Р - разъединитель 10 кВ; ТП - трансформаторная подстанция; Т-трансформатор 10/0,4 кВ; АВРс, АВРМ - устройства сетевое и местное автоматического включения резерва

1.4 Основные технические решения по обеспечению автономным резервным питанием наиболее ответственных электроприемников у сельскохозяйственных потребителей


Независимо от наличия резервного питания по электрическим сетям электроприемники I категории, а также электроприемники II категории, не допускающие перерыва в электроснабжении длительностью более 0,5 часа должны иметь резервное питание в виде автономных источников резервного электропитания (АИР) /3/.

В качестве АИР могут быть использованы стационарные или передвижные дизельные электростанции, а также резерв с приводом от трактора (РИТП). В соответствии с расчетной нагрузкой электроприемников I и электроприемников II категории, не допускающих перерыва длительностью более 0,5 часа и с учетом режима их работы производится выбор количества и мощность АИР.

Нагрузка электроприемников сельскохозяйственных предприятий, подлежащая резервированию от автономных источников приведена в /3/.

1.5 Объекты и объем автоматизации сельских электрических сетей


Объектами автоматизации сельских электрических сетей являются: распредустройства 10,35 и 110 кВ трансформаторных подстанций 35-110 кВ; линии сетей напряжением 10 - 35 кВ с пунктами секционирования и резервирования; закрытые трансформаторные подстанции (ЗТП) 10/0,4 кВ и распределительные пункты 10 кВ; распределительные устройства напряжением 0,4 кВ ЗТП, комплектных трансформаторных подстанций; вводные распределительные устройства потребителей, диспетчерские пункты района электрических сетей (РЭС).

В настоящее время опытными заводами ПО «Союзэнерго-автоматика», центральными лабораториями энергосистем и другими организациями выпускается значительное число различных технических средств для осуществления комплексной автоматизации сельских электрических сетей.

Для создания современной автоматизированной распределительной электрической сети необходимо внедрение совершенных схем электроснабжения, усовершенствованной коммутационной аппаратуры (в том числе автоматической), устройств релейной защиты и автоматики, телемеханики, средств определения и ликвидации повреждений.

С помощью указанного объема автоматизации можно достичь следующего:

1.       Предотвратить около 70% отключений потребителей с помощью автоматического повторного включения (АПВ) выключателей.

2.      Локализовать поврежденные участки, благодаря использованию устройства релейной защиты и автоматической коммутационной аппаратуры (секционирование).

.        Восстановить электроснабжение на неповрежденных участках сети в результате применения устройств автоматического включения резервного питания и делительной автоматики.

.        Обнаружить и отыскать места повреждений (к. з. и замыкание на землю) с помощью устройств дистанционного измерения расстояния до мест повреждений, сетевых визуальных указателей направления поиска к. з., защит от однофазных замыканий на землю.

.        Предотвратить повреждения линий, вызванные гололедообразованием при помощи устройств предупредительной сигнализации о гололедообразовании в сети.

.        Сократить время перерывов электроснабжения путем использования систем телесигнализации, телеуправления и телеизмерения.

Таким образом, выполнение работ по автоматизации и телемеханизации позволяет значительно повысить надежность функционирования электрических сетей и соответственно надежность электроснабжения потребителей, а также решить проблему повышения производительности труда эксплуатационного персонала. Из опыта эксплуатации известно, что внедрение средств автоматизации дает значительный экономический эффект.

2. Релейная защита сельских электрических сетей

 

2.1. Основные требования и особенности выполнения защит в сельских электросетях


Как известно к релейной защите предъявляются следующие основные требования: селективность, быстродействие; чувствительность и надежность. Кроме этих требований устройства релейной защиты, применяемые в сельских электрических сетях, должны быть максимально просты, экономичны и удобны в эксплуатации.

Несмотря на то, что в настоящее время начинают широко применяться полупроводниковые реле и устройства защиты для увеличения ее чувствительности, снижения времени действия, обеспечения селективности и надежности защиты, например, в секционированных сетях с сетевым резервированием, следует также использовать традиционные устройства релейной защиты с электромеханическими реле.

Необходимо учитывать и то, что эти защиты пока дешевле полупроводниковых устройств, имеется большой опыт их обслуживания и т.п. Поэтому в электрических сетях сельскохозяйственного назначения в ближайшие годы будут применяться как электромеханические, так и полупроводниковые устройства защиты.

Основными особенностями сельских электрических сетей, с точки зрения обеспечения их защитой, являются: низкий уровень токов к. з., которые очень часто соизмеримы с максимальными рабочими токами, трудности согласования характеристик устройств релейной защиты отходящих от подстанции линий и характеристик предохранителей, защищающих силовые трансформаторы. В электрических сетях напряжением 0,38 кВ, которые осуществляют питание большого числа однофазных токоприемников, что как известно приводит к несимметрии нагрузки по фазам, а это обусловливает прохождение значительного тока в нулевом проводе до 40% фазного тока. Распределение тока однофазного к. з. при наличии повторных заземлений нулевого провода зависит от вида однофазного к. з., то есть на нулевой провод или на оборудование произошло замыкание фазного провода.

Защита с помощью автоматических выключателей может быть выполнена со встроенными тепловыми электромагнитными расцепителями, и расцепителями в нулевом проводе, а также с выключателями, имеющими, кроме электромагнитного расцепителя тока, еще и независимый расцепитель. Защита от однофазных замыканий осуществляется с помощью токового реле РЭ-571Т в нулевом проводе, которое действует на независимый расцепитель автомата.

Для согласования действия защит, выполненных автоматами и предохранителями используются совмещенные защитные характеристики времени их срабатывания.

Опыт эксплуатации показывает, что предохранитель работает селективно с автоматом при соблюдении условия

Iв ³ 1,2 · Iн.р.                                                          (2.1)

Для защиты силовых трансформаторов со стороны 10 кВ в сельских электрических сетях часто применяют предохранители типа ПК - Ток плавной вставки определяют по выражению

Iв = (1,5¸ 2) · Iном. тр.                                              (2.2)

Устройство защиты воздушных линий 0,38 кВ типа ЗТИ - 0,4

С целью повышения чувствительности защит от к. з. в настоящее время Пятигорский опытный завод ПО «Союзэнергоавтоматика» выпускает серийно защиту ЗТИ - 0,4 для распределительных сетей 0,4 кВ. Устройство предназначено для установки в КТП 10/0,4 кВ мощностью 63,100 и 160 кВА вместо защиты ЗТ - 0,4. По сравнению с устройством ЗТ - 0,4 защита ЗТИ - 0,4 обладает более высокой точностью по току и времени срабатывания от междуфазных и однофазных на нулевой провод к.з., действует при замыкании на землю, что естественно позволяет повысить уровень надежности и электробезопасности линий 0,38 кВ. По данным ВНИИЭ в среднем на одной воздушной линии 0,38 кВ происходит два повреждения в год.

Принцип выполнения защиты ЗТИ - 0,4 от замыкания на землю основан на контроле величины тока замыкания на землю или тока коммутации и его составляющей в нулевом проводе и сравнении этих величин через коэффициент пропорциональности, так как установлено, что при коммутации однофазной нагрузки и при замыкании на землю отношение между полным током коммутации или замыкания на землю и его составляющей в нулевом проводе различно при коммутации нагрузки и при замыкании на землю.

Ток замыкания на землю I3 или ток коммутации Iн, при работе линий 0,38 кВ под нагрузкой выделяются как разность двух значений тока небаланса трех фаз до и после возникновения замыкания на землю (или коммутации однофазной нагрузки), то есть как приращение фазного тока небаланса трех фаз:

Iз(Iн) = Iф1 - Iф2 = DIф                                              (2.3)

где Iф1 = IA + IB + IC - ток небаланса трех фаз до замыкания на землю (з. н. з.);

Iф2 = IA + IB + IC + Iз - ток небаланса трех фаз после з. н. з. (коммутация однофазной нагрузки).

Составляющая этих токов в нулевом проводе при з. н. з. (коммутация однофазной нагрузки):

Iоз(Iон) = Iо1 - Iо2 = DIо                                             (2.4)

где Iо1 - ток нулевого провода до з. н. з. (коммутация однофазной нагрузки);

Iо2 - ток нулевого провода после з. н. з. (коммутация однофазной нагрузки).

Рис. 2.1. а - структурная схема защиты ЗТИ - 0,4: Т - трансформатор напряжения; ТА - трансформатор тока; б - схема подключения защиты ЗТИ - 0,4: QF - автоматический выключатель; АК - устройство ЗТИ - 0,4; HP - выводы катушки независимого расцепителя автомата QF

Принцип защиты от з. н. з. можно понять из следующего выражения:

Iф - mн´DI0 > Uп                                                     (2.5)

при этом выход схемы осуществляет необходимую коммутацию при

DIф - mн´DI0 < Uп.

где

DIф - приращение тока небаланса трех фаз;

DI0 - приращение тока в нулевом проводе;

Uп - постоянная величина;

mн - коэффициент пропорциональности.

Выход схемы не изменяет своего состояния, рис. 2.1, а.

Основным достоинством устройства ЗТИ - 0,4 является ее нереагирование на токи утечки в нормальном режиме при коммутации однофазной нагрузки, что значительно повышает ее чувствительность.

Устройство ЗТИ - 0,4 предназначено для защиты трехфазных четырехпроводных воздушных линий 0,38 кВ с глухозаземленной нейтралью и повторными заземлениями нулевого провода от однофазных на нулевой провод и междуфазных замыканий и от замыканий фаз на землю. Защита ЗТИ - 0,4 рассчитана для одной линии напряжением 0,38 кВ и рабочим током до 160 А. Устройство ЗТИ - 0,4 имеет четыре токовых входа для подключения к линии, через которые проходят три фазных и нулевой провода, рис. 2.1. б. ЗТИ - 0,4 имеет зажимы для подключения независимого расцепителя автомата с номинальным напряжением срабатывания ПО В постоянного тока, с номинальным током 2А.

Выносные релейные защиты от однофазных к. з. в сетях 0,38 кВ

В большинстве случаев с помощью расцепителей автоматических выключателей или пускателей (контактов) не удается. обеспечить необходимое 'быстродействие три отключении однофазных к. з. в электроустановках напряжением до 1000 В с глухозаземленной нейтралью, целесообразно применять выносные релейные защиты (РЗ). Опыт эксплуатации показал высокую надежность РЗ от однофазных к. з. с действием на отключение пускателя, которая реагирует на токи нулевой последовательности. Токовое реле подключается к трансформатору тока нулевой последовательности (ТТНП), который охватывает силовой кабель.

Выносные РЗ должны действовать с помощью расцепителя нулевого напряжения или независимого расцепителя. Если автомат не имеет расцепителя, следует применять схему с действием на отключение пускателя. На отходящих линиях, защищенных предохранителями, при необходимости выполнения РЗ в цепи предохранителя устанавливают пускатель.

Схема защиты от однофазных к. з. с использованием расцепителя нулевого напряжения приведена на рис. 2.2.

Рис. 2.2. Схема защиты от однофазных к. з.: КК1-реле электротепловое; ТА - трансформатор тока; КМ1-магнитный пускатель; QF1, QF2 - автоматические выключатели; FU1 - предохранитель

При однофазном к. з. срабатывает реле КА1 типа РТ-40, которое своим контактом КА11 размыкает цепь питания реле K.L1 типа РПУ2, реле KL1 своим контактом размыкает цепь питания расцепителя нулевого напряжения. Этот расщепитель отключает выключатель тока QF1 при снижении напряжения на выводах его катушки до 0,3 Uном независимо от действия защиты от однофазных к. з. Приведенную схему рекомендуется применять на отходящих линиях электропередачи, для которых допустимо отключение при внешних к. з.

Специальная токовая защита нулевой последовательности от однофазных к. з. на землю в сети 0,38 кВ

Электрические сети 0,38 кВ работают с глухо заземленной нейтралью трансформаторов со схемой соединения обмоток D/g и g/g. На закрытых трансформаторных подстанциях (ЗТП) 10/0,4 кВ трансформаторы мощностью более 400 кВА применяются со схемой соединения обмоток D/g. При однофазном к. з. на землю на стороне 0,4 кВ значение тока к. з. оказывается примерно в три раза выше, чем при таком же к. з. за таким же трансформатором, но со схемой соединения обмоток g/g. Это обеспечивает более высокую чувствительность как специальной токовой защиты нулевой последовательности 0,38 кВ, так и максимальной токовой защиты 10 кВ трансформаторов со схемой соединения обмотокD/g.

Специальная токовая защита нулевой последовательности может выполняться, например, включением в нулевой провод (нейтраль) защищаемого трансформатора тока, к вторичной обмотке которого подключается максимальное реле тока типа РТ-40 или РТ-85. При однофазном к. з. на стороне 0,4 кВ ток к. з. проходит по повредившейся фазе и нейтрали трансформатора, трансформируется через трансформатор тока в реле тока типа РТ-40 (РТ-85) и вызывает срабатывание специальной токовой защиты нулевой последовательности на отключение выключателя 10 кВ и автоматического выключателя 0,4 кВ. Эта защита обладает высокой чувствительностью к любым однофазным к. з. за трансформатором как с металлическим, так и с переходным сопротивлением в месте повреждения. Схема специальной токовой защиты нулевой последовательности от однофазных к. з. на землю в сети 0,38 кВ представлена на рисунке 2.3.

Эту защиту рекомендуется устанавливать и на трансформаторах 10/0,4 кВ, защищаемых со стороны 10 кВ плавкими предохранителями. При этом она действует только на отключение автоматического выключателя на стороне 0,4 кВ.

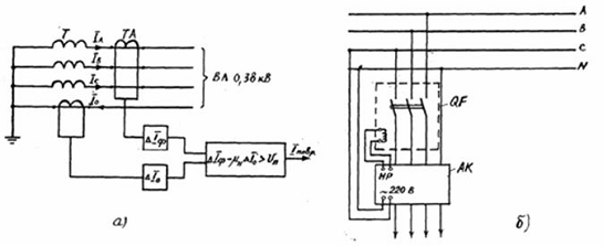
Рис. 2.3. Схема специальной токовой защиты нулевой последовательности от однофазных к. з. на землю в сети 0,38 кВ: 1ТА, 2ТА - трансформаторы тока; АК - максимальная токовая защита; К.А - максимальное реле тока типа РТ-40 (РТ-85) специальной токовой защиты; OF1, QF2 - автоматического выключателя; Л «-ток однофазного к. з. к1-точка однофазного к.з.

Защита пятипроводных ВЛ - 0,38 кВ от обрыва проводов

В Московском институте инженеров сельскохозяйственного производства разработано устройство защиты линий 0,38 кВ от обрыва проводов /6/. В нем используется контроль в начале линии с помощью трансформатора тока нулевой последовательности типа ТЗЛМ или ТЗР симметрии токов на промышленной частоте. Для этого они включаются в конечных точках линии между фазным проводом, проводом уличного освещения и землей. В нормальном режиме источники образуют на непромышленной частоте по отношению к ТТНП симметричную систему токов, если на подстанции присоединить к отсутствующим фазам аналогичные источники тока. Устройство применяется в линиях, выполненных вначале пятипроводными, затем четырех-, трех- и в конце двухпроводными. Возможность контроля исправности таких линий обеспечивается путем индивидуального подключения источника тока в требуемой точке.

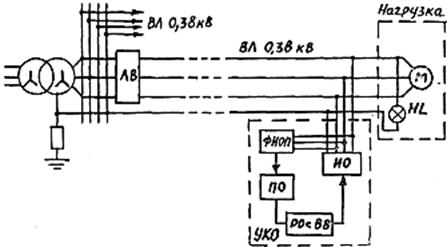
Устройство контроля обрыва провода в сети 0,38 кВ типа УКО

Устройство предназначено для защиты сетей 0,38 кВ от неполнофазных режимов, обусловленных обрывом проводов, а также повышения уровня электробезопасности. Устройство УКО фиксирует составляющую напряжения обратной последовательности в конце линии при обрыве фазного провода с действием на короткозамыкатель, создает искусственное к. з., которое отключается защитой линии (автоматом), установленной на головном участке. Устройство представляет собой блок, содержащий фильтр напряжения обратной последовательности, пороговый орган, реагирующий орган с элементом выдержки времени и исполнительный орган.

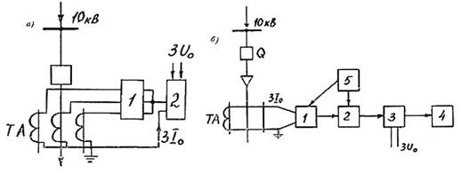
Устройство типа УКО подключается к нулевому и линейным проводам в конце защищаемого участка линии (рис. 2.4).

Рис. 2.4. Структурная схема присоединения УКО к сети 0,38 кВ

При нормальных условиях работы воздушной линии 0,38 кВ на выходе фильтра напряжения обратной последовательности ФНОП имеется напряжение небаланса, обусловленное параметрами фильтра и контролируемой сети, которого недостаточно для срабатывания порогового органа ПО.

При обрыве провода в линии 0,38 кВ на выходе ФНОП резко увеличивается напряжение, которое превышает установку срабатывания ПО и он срабатывает, приводя также к срабатыванию регулирующего органа РО с регулируемой выдержкой времени ВВ. Через заданное время сигнал с РО поступает на вход исполнительного органа ИО - короткозамыкателя. который срабатывая создает искусственное устойчивое двухфазное к. з. на землю. Автоматический выключатель АВ, установленный в начале контролируемой линии, отключает это к.з. Короткозамыкатель имеет дополнительную токовую обмотку, использующую энергию тока к. з., для более надежного срабатывания. После отключения линии и устранения обрыва провода устройство автоматически возвращается в исходное состояние.

Устройство позволяет значительно сократить ущерб, от выхода из строя электродвигателей из-за возникновения неполнофазного режима и практически устранить электротравматизм, связанный с обрывом проводов в сетях 0,38 кВ, тем самым повысив электробезопасность.

2.3 Защита сельских распределительных сетей 10 кВ


Согласно требованиям [1] первая ступень защиты выполняется в виде токовой отсечки, а вторая в виде максимальной токовой защиты (МТЗ) с зависимой от тока характеристикой выдержки времени. Токовую отсечку выполняют на реле типа РТМ, а максимальную токовую защиту на реле РТВ. Реле РТМ и РТВ относятся к реле прямого действия, которые одновременно являются измерительными и исполнительными органами, действующими непосредственно на привод выключателя.

МТЗ на реле типа РТВ пока широко применяется на воздушных линиях 10 кВ.

Из электромеханических реле наиболее точными являются индукционное реле типа РТ-85 с ограниченно-зависимой характеристикой времени срабатывания. Эти реле состоят из трех элементов: индукционного, электромагнитного мгновенного действия (токовая отсечка) и указательного. Схема максимальной токовой защиты на реле типа РТ-85 показана на рис. 2.5.

Рис. 2.5. Схема максимальной токовой защиты на реле типа РТ-85: К.1, К.2 - реле тока типа РТ-85; Q - выключатель в линии 10 кВ; ТА - трансформатор тока

Реле РТ-85 имеет специальные усиленные контакты, выполненные переключающими. В нормальном рабочем состоянии размыкающие контакты 1 реле КА1 и КА2 замкнуты и шунтируют электромагниты отключения УАТ1 и УАТ2, а замыкающие контакты 2 этих реле разомкнуты, поэтому ток через электромагниты отключения не проходит. При к. з. на линии реле с выдержкой времени срабатывает, его контакты переключаются, т.е. сначала замыкается контакт 2, а затем размыкается контакт 1. Электромагнит отключения-УАТ обтекается полным током вторичной обмотки трансформатора тока и при достаточном значении тока срабатывает, воздействуя на механизм отключения привода выключателя и выключатель отключается. Эти схемы называются схемами с дешунтированием электромагнита отключения.

В целях повышения чувствительности защиты при двухфазных к. з. за трансформатором 10 кВ со схемой соединения обмоток A/ Y устанавливают дополнительно третье реле РТ-85.

Максимальная токовая защита типа ТЗВР

Полупроводниковая максимальная (токовая защита типа ТЗВР предназначена для защиты распределительных линий 6-10 кВ от всех видов коротких замыканий. Устройство ТЗВР может быть использовано при схеме сети с секционированием, сетевым резервированием и устанавливается в ячейках КРУ и КРУН отходящих линий 10 кВ подстанций 110/35/10 кВ всех типов, в шкафах распределительных пунктов секционирования и резервирования, где при изменении режима работы линии не требуется производить выбор уставок срабатывания защиты по току и времени /8/.

Защита ТЗВР дает возможность согласовать большое число последовательно установленных комплектов защит и, что самое ценное, практически без накопления выдержки времени.

Рис. 2.6. Ампер-секундная характеристика защиты типа ТЗВР

Устройство ТЗВР состоит из односистемной максимальной токовой защиты с ограниченно-зависимой регулируемой в широких пределах ампер-секундной характеристикой (рис. 2.6), у которой время действия в зависимой части линейно зависит от тока к. з. и токовой отсечки, а также содержит указательное реле, электромагнит отключения выключателя, токовый блок для электромагнита и элементы оперативного опробования работоспособности всего устройства.

В независимой части характеристики время действия защиты может плавно регулироваться от 0,1-0,2 до 0,4 с. За счет возможности изменения в широких пределах времятоковой характеристики устройства ТЗВР согласование комплектов защит, последовательно установленных вдоль линии, происходит без накопления выдержки времени на головном участке линии.

Защита имеет одинаковую чувствительность к трехфазным и двухфазным к. з. в одной точке, то есть чувствительность ее в 2/√3 раза выше, чем у МТЗ с реле типа РТВ и РТ-85, включенных на фазные токи.

Ток срабатывания устройства ТЗВР плавно регулируется в диапазоне от 2,5 до 40А. Ток срабатывания отсечки можно регулировать от двукратного максимального тока срабатывания защиты до полного вывода токовой отсечки из работы.

К основным достоинствам защиты ТЗВР можно отнести:возможность согласования большого числа смежных защит без накопления выдержки времени;

обеспечивает одинаковую чувствительность при трехфазном и двухфазных к. з. на защищаемой линии;

содержит кроме МТЗ и токовую отсечку;

имеется автономный источник оперативного тока - блок питания, обеспечивающий работу защиты и электромагнита отключения выключателя.

Устройство подключается к присоединениям, оборудованным двумя трансформаторами тока.

Применяемые НМТЗ, состоящие из токовых реле, в качестве пусковых органов, реле времени и реле направления мощности имеют следующие недостатки: наличие «мертвой зоны», в которой реле направления мощности отказывает в работе из-за уменьшения напряжения, измеряемого трансформатором напряжения, вследствие к. з. на этом участке (так как реле направления мощности срабатывает от величины произведения тока и напряжения); необходимость в квалифицированном персонале, обслуживающем эти устройства; можно отметить также в качестве недостатка и большие габариты реле РТ-85, реле направления мощности типа РБМ-171 и других, которые сложно разместить в релейном отсеке распределительного устройства КРУН.

Устройство УПЗС представляет собой два полупроводниковых реле времени с пределами регулирования выдержки времени от 8 до 80 с и срабатывающих при исчезновении или снижении значения контролируемого напряжения ниже 20% номинального /8/.

Устройство типа УПЗС предназначено для переключения комплектов МТЗ на пунктах секционирования линий 10 кВ с сетевым резервированием, а также в качестве местного АВР на трансформаторных подстанциях 10/0,4 кВ и сетевого АВР на пунктах сетевого резервирования линий 10 кВ.

Устройство может найти применение в схемах автоматики в качестве реле времени, например, с его помощью можно дистанционно управлять выключателями, установленными в распределительных сетях, отключая на определенное время головной выключатель и фиксируя длительность паузы в напряжении питания линии 10 кВ, выполнять схемы автоматического управления выключателями плавки гололеда и т.п.

С помощью устройства УПЗС может быть выполнено, например, местное АВР на ЗТП 10/0,4 кВ с камерой КСО-272 резервного ввода, где на рабочем вводе применен выключатель нагрузки, а на резервном - масляный выключатель в камере КСО-272 (рис. 2.7).

Контроль напряжения осуществляется со стороны шин низшего напряжения трансформатора 10/0,4 кВ.

В случае исчезновения напряжения на шинах 0,4 кВ устройство АВР дает команду на отключение рабочего ввода и включения резервного.

Для выполнения сетевого АВР ЗТП оборудуются двумя камерами КСО-272 с масляными выключателями и одним комплектом защиты типа КРЗА-С.

Рис. 2.7. Схема ЗТП-10/0,4 кВ: TV - трансформатор напряжения ТА - трансформатор тока; Q - выключатель 10 кВ; QW - выключатель

При выборе уставок срабатывания устройства УПЗС в режиме переключения защит выдержка времени должна быть больше времени бестоковой паузы АПВ головного выключателя линии 10 кВ 1И меньше времени действия сетевого АВР.

Устройство максимальной направленной токовой защиты двухстороннего действия типа ЛТЗ

Защита предназначена для секционированных линий 6 - 20 кВ с сетевым резервированием и двухсторонним питанием. Это устройство можно также использовать для защиты линий с односторонним питанием при междуфазных коротких замыканиях и силовых трансформаторов напряжением 6-35 кВ. Защита ЛТЗ может монтировать в КРУН, на шинах и на панелях релейной защиты подстанций, в пунктах секционирования и резервирования секционированных линий.

Особенность устройства ЛТЗ заключается в том, что в зависимости от направления мощности, передаваемой по линии, происходит автоматическое переключение на заданные уставки срабатывания второй ступени по току и времени.

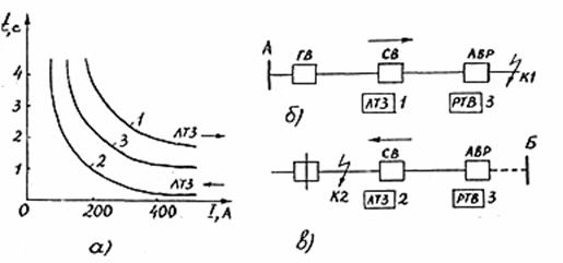
Рис. 2.8. Кривые селективности (а) защиты ЛТЗ в зависимости от направления мощности (тока) при питании сети 10 кВ от источника А (б) или Б (в): ГВ, СВ, АВР - головной, секционирующий и пункта АВР выключатели 10 кВ; РТВ - реле токовое с выдержкой времени

Орган направления мощности защиты находится в сработавшем положении при питании линии от подстанции А (рис. 2.8, б). Устройство ЛТЗ в этом случае имеет более высокие уставки по току и по времени срабатывания, чем у защиты на пункте АВР (характеристики 1, и 3 на рис. 2.8, а). Такая настройка. соответствует селективной работе защит при к. з. в точке К.

Устройство ЛТЗ автоматически переключается на меньшие уставки по току и по времени срабатывания (характеристика 2 на рис. 2.8, а) при изменении режима работы линии и при питании от подстанции Б (рис. 2.8, в). Орган направления мощности в этом случае не срабатывает. Защита ЛТЗ при к. з. в точке К.2 сработает раньше, чем защита на пункте АВР (характеристика 3).

К достоинствам устройства ЛТЗ, выполненного на элементах радиоэлектроники, можно отнести отсутствие «мертвой зоны», зависимые от тока характеристики, возможность ускорения действия защиты при неудаленных к. з., так как напряжение снижается настолько, что орган направления мощности не может оставаться в сработавшем состоянии.

Полупроводниковое комплектное устройство релейной защиты и автоматики пунктов секционирования линий 10 кВ типа КРЗА-С

Устройство КРЗА-С представляет собой полупроводниковую дистанционную защиту с линейно зависимой от значения сопротивления на зажимах устройства характеристику времени срабатывания, тем самым обеспечивая селективность защиты на пунктах секционирования линий 10 кВ с двухсторонним питанием.

Комплект КРЗА-С предназначен для защиты секционированных распределительных линий 10 кВ с сетевым резервированием от всех видов междуфазных к. з. и для осуществления АПВ линий 10 кВ. Устройство может применяться на любых имеющихся пунктах секционирования как на линиях с сетевым резервированием, так и на радиальных линиях в случае неудовлетворения МТЗ требованиям чувствительности и селективности.

3. Противоаварийная сетевая автоматика


Число и продолжительность аварийных отключений в сельских распределительных сетях, особенно напряжением 0,38 и 10 кВ, остаются пока высокими. Быстрое отыскание и устранение повреждений в сети, предаварийная диагностика и контроль оборудования подстанций позволяют значительно сократить перерывы в электроснабжении, а при условиях сетевого и местного резервирования свести их к минимуму. Для предотвращения развития электрических процессов при нарушении нормального режима работы сетей целесообразно и необходимо использовать устройства противоаварийной сетевой автоматики.

В сельских электрических сетях основными видами противоаварийной автоматики являются: автоматическое повторное включение (АПВ) линий и автоматическое включение резервного питания (ABP). В настоящее время уже применяются устройства автоматики для отключения и выделения с определенной выдержкой времени поврежденного участка секционированной линии и для ограничения зоны действия АВР (устройства делительной автоматики - делительная защита). Используются также автоматические устройства типа УПЗС для переключения и настройки комплектов релейных защит при изменении режима питания линии.

3.1 Автоматическое повторное включение линий


Возникающие в элементах системы электроснабжения к. з. могут быть как устойчивые, так и неустойчивые. В любом случае такой элемент отключается релейной защитой и электроснабжение потребителей прерывается на время, необходимое для его восстановления. АПВ предназначено быстро восстанавливать питание потребителей при неустойчивых к. з., а значит уменьшать или не допускать ущерб, наносимый потребителям.

Причинами неустойчивых к. з. на сельских воздушных линиях могут быть гроза, ветер, вызывающий схлестывание проводов, замыкания ветвями, птицами и др. случайные причины. Число неустойчивых к. з. составляет 60-90% от общего числа отключений защитой, а вызванных грозой - около 60% Всех неустойчивых к. з.

После отключения поврежденного элемента релейной защитой причина неустойчивого к. з. самоликвидируется. Поэтому включение линии или трансформатора устройством АПВ восстанавливает нормальную работу схемы электроснабжения. Особенно велика эффективность АПВ сельских линий 10 кВ, так как они очень протяженные, проходят по открыток местности и в результате этого часто подвергаются атмосферным воздействиям. Статистика показывает, что устройства АПВ воздушных линий всех напряжений ежегодно имеют в среднем 60-75% успешных действий. В связи с высокой эффективностью устройств АПВ ПУЭ требуют выполнения АПВ для всех воздушных и смешанных (кабельно-воздушных) линий всех типов напряжением свыше 1000 В. Применяются устройства АПВ однократного двукратного действия, особенно важно их устанавливать на подстанциях без дежурного персонала, на пунктах секционирования. Выдержка времени (бестоковая пауза) на включение отключившегося выключателя должна быть не менее 2 с в первом цикле и не менее 15-20 с во втором цикле Исследования, проведенные в МИИСПе [22], показали эффективность применения однократного АПВ для сетей 10 кВ с выдержкой времени 15… 20 с. Однократные устройства АПВ имеют 40-50% успешных действий, двукратные - 50-60%, последние рекомендуется устанавливать на нерезервируемых линиях.

Основные требования к устройствам АПВ:

АПВ должно происходить при отключении выключателя релейной защитой, за исключением срабатывания релейной защиты сразу после оперативного включения выключателя;

АПВ не должно происходить при оперативном отключении выключателя дистанционно или телеуправлением;

АПВ должно происходить с заранее выбранной выдержкой времени;

АПВ должно происходить с заданной кратностью;

устройство АПВ должно иметь автоматический возврат для готовности к новому действию.

В настоящее время еще очень широко применяется типовая схема /9/ устройства АПВ однократного действия на переменном оперативном токе, где используется принцип срабатывания АПВ от несоответствия положения выключателя, когда он отключен защитой «отключено» и положения ключа управления «включено».

Для АПВ линий электропередач 10 кВ промышленностью выпускаются реле повторного включения однократного действия типа РПВ-58, двукратного - РПВ-258 и для подстанций с оперативным переменным током с использованием блоков питания типа РПВ-358.

Полупроводниковое устройство автоматического повторного включения АПВ-2П

Полупроводниковое устройство автоматического повторного включения АПВ-2П (или реле) предназначено для двукратного автоматического повторного включения выключателей 6-35 кВ, работающих совместно с приводами прямого и косвенного действия, и может устанавливаться на релейной панели шкафов комплектных распределительных устройств наружной установки (|КРУН) и внутренней установки (КРУ).

Реле выполнено в виде одного блока, питание осуществляется от однофазного источника напряжения переменного тока частоты 50 Гц, номинальным значением 100 и 220 В с отклонением от 0,85 до 1,1 от номинального значения.

Устройство обеспечивает регулировку выдержки времени от 0,6-1 до 5-7 с для первого цикла АПВ и от 1,2-2 до 20-28 с для второго цикла АПВ без учета времени подготовки привода к операции «включение». Предусмотрена возможность увеличения выдержки времени второго цикла АПВ до 40 с.

Время подготовки реле АПВ-2П к повторной работе не менее 10 и не более 60 с.

Устройство не срабатывает при оперативном отключении выключателя персоналом, содержит элементы работоспособности без его отключения, а также предусмотрена возможность вывода из действия первого и второго цикла АПВ и реле в целом.

Элементы настройки реле выведены на лицевую панель.

Схема электрическая функциональная реле с выключателем приведена на рис. 3.1., которая содержит два элемента времени КТ1 и КТ2, логический элемент «ИЛИ» DD, пороговый элемент KV, усилитель А, исполнительный орган KL. Входом и выходом реле подключено к блок-контактам выключателя Q (выключатель с приводом).

В исходном состоянии, то есть когда выключатель Q включен, на входные элементы КТ1 и КТ2 реле, сигнал не поступает и на выходе реле (элемент KL) сигнал также отсутствует.

При отключении выключателя Q линии электропередачи, например, при срабатывании релейной защиты, замыкается его контакт и два элемента времени КТ1 и КТ2 реле запускаются, то есть начинается отсчет времени их срабатывания.

Рис. 3.1. Электрическая функциональная схема устройства АПВ-2П

По истечении установленного времени первого цикла АПВ срабатывает элемент времени КТ1. Выходной сигнал элемента времени КТ1 через логический элемент «ИЛИ» DD, пороговый элемент KV подается на усилитель А. Усиленный сигнал с выхода элемента А подается на исполнительный орган (выходное реле) KL, при срабатывании которого сигнал подается на катушку (электромагнит) включения выключателя. Последний включает линию электропередачи повторно, так как происходит АПВ выключателя по истечении времени первого цикла.

В случае повторного отключения линии электропередачи выключателем Q, то есть неуспешного первого цикла АПВ. после подготовки привода к операции «включение» начинается отсчет времени второго цикла АПВ, при этом запускается только элемент времени КТ2, поскольку элемент времени КТ1 не успел подготовиться к повторному запуску. По истечений установленного времени второго цикла АПВ элемент времени КТ2 срабатывает и обеспечивает срабатывание выходного органа KL, который снова действует на электромагнит включения выключателя Q.

При неуспешном вторам цикле АПВ выключателя Q, выключается, но запуска элементов времени КТ1 и КТ2 не происходит, поскольку выключатель Q находится во включенном состоянии недостаточное время для подготовки их к запуску.

При успешном первом или втором циклах АПВ и истечении времени подготовки элементов времени КТ1 и КТ2 к запуску, реле снова готово к действию на выключатель для его включения.

Устройство А1ПВ-2П серийно выпускается Рижским опытным заводам «Энергоавтоматика».

Устройство однократного автоматического повторного включения АПВ - 0,38

Устройство автоматического повторного включения линий 0,38 кB предназначено для установки в КТП 10/0,4 кВ, оборудованных автоматическими воздушными выключателями серии А3700 с электромагнитным приводом.

Проведенные исследования аварийных отключений линий 0,38 кВ в сельской местности показали, что неустойчивые повреждения возникают в этих сетях из-за грозовых перенапряжений, перехлестывания проводов при сильном ветре, касания их ветвями деревьев при вводе в здания. Необходимо отметить, что отключение линий 0,38 кВ происходит также из-за перегрузки при неправильной эксплуатации защитных устройств у электроприемников. В этих случаях при повторном включении линии электроснабжение потребителей будет восстановлено.

Установлено, что при повторном оперативном включении автоматического выключателя или замене предохранителя на трансформаторной подстанции 10/0,4 кВ в 50-60% всех отключений восстанавливается питание потребителей.

Устройство АПВ - 0,38 воздействует на автомат (типа А3700), который срабатывает при больших аварийных токах (междуфазных и однофазных к.з., перегрузках), что не снижает существующего уровня злектробезопасности.

Таким образом, устройство АП|В - 0,38 предназначено для повышения надежности электроснабжения потребителей в сельской местности и снижения соответственно ущерба из-за недоотпуска электроэнергии. Оно выполнено в виде приставки к автоматическому выключателю на полупроводниковых элементах и электромеханического реле и может найти применение во всех отраслях с протяженными распределительными воздушными линиями 0,38 кВ.

Срабатывание устройства происходит при всех аварийных отключениях автоматического выключателя, при оперативных отключениях устройство не срабатывает.

Функциональная схема устройства АПВ - 0,38 приведена на рисунке 3.2.

Рис. 3.2. Функциональная схема устройства АПВ - 0,38. ПО - пусковой орган; КТ - орган выдержки времени; ИО - исполнительный орган; QF - автоматический выключатель

В настоящее время внесены некоторые усовершенствования в данное устройство АПВ, позволяющие избежать зависимость работы АПВ от температуры окружающей среды и уровня напряжения и других факторов.

3.2 Автоматическое включение резервного питания


В случае устойчивого повреждения на линиях и других элементах сети, такой элемент отключается и для восстановления электроснабжения потребителей необходимо включение резервного питания - трансформатора или генератора, резервной питающей линии или какого-то другого резерва. Такой резерв вводится автоматическими устройствами АВР.

Устройства АВР классифицируются: по назначению - АВР линий, трансформаторов, двигателей; по контролю напряжения на резервном источнике - без контроля и с контролем; по направлению действия-одностороннего и двустороннего действия; по характеру (взаимодействия - местные и сетевые. К местным АВР относятся устройства, пусковой орган которых действует на отключение рабочего ввода, а затем на включение резервного ввода, например, на подстанции (в одном месте). К сетевым относятся АВР, действующие на включение сетевого резервного выключателя.

К устройствам АВР предъявляются следующие основные требования: АВР должно действовать при исчезновении напряжения на шинах резервируемого элемента по любым причинам; резервное питание должно включаться только после отключения основного, рабочего; при глубоком снижении напряжения на подстанции пусковой орган АВР должен иметь выдержку времени; при включении на к. з. должна обеспечиваться однократность действия АВР.

На подстанциях 10/0,4 кВ сельскохозяйственного назначения электроснабжение, как правило, осуществляется от двух источников раздельно (рис. 3.3, а).

Рис. 3.3. Схемы подстанций ЗТП-10/0,4 кВ с устройствами АВР одностороннего (а, б) и двустороннего действия (в): Q1… Q4 - выключатели 10 кВ; РЗ - релейная защита; АПВ - устройство автоматического повторного включения; TV-трансформатор напряжения (л - линейный, ш - шинный); TVI-силовой трансформатор напряжения 10/0,4 кВ; QW - выключатель нагрузки, Q - автоматический выключатель

Преимущество раздельного питания потребителей заключаются в применении более дешевой аппаратуры (выключатели нагрузки, разъединители), упрощенной релейной защиты, в снижении потерь электроэнергии в сетях 10 кВ, позволяет снизить значение токов к. з.

При исчезновении напряжения на шинах подстанции АВР действует сначала на отключение выключателя рабочего ввода (Q2, или QW2 на рис. 3.3, б), а потом на включение выключателя резервного ввода Q4 или QW4 на схеме 3.3, в.

Схемы устройств АВР одностороннего и двустороннего действия для ЗТП-10 на (включателях с пружинными приводами разработаны институтом Сельэнергопроект и другими организациями.

Устройство АВР двустороннего действия для ЗТП 10/0,4 кВ на выключателях с пружинными приводами

Схему устройства АВР используют для сетевого резервирования (рис. 3.4 а, б). В нормальном режиме электроснабжения выключатель QW3 включен, выключатель Q4 пункта АВР, находящегося в режиме двустороннего АВР отключен, на шинах управления схемы напряжение есть со стороны подстанции А.

Напряжение на ЗТП исчезает в случае отключения выключателей Q1 или.Q2 (см. рис. 3.4, а), срабатывает устройство делительной защиты ДМЗ, реле KV2 ('рис. 3.4, б) переключает шины управления схемы на питание от трансформатора ТVЛ резервной линии от подстанции Б. Замыкается контакт KV2: 5 в цепи реле времени КТ, контакты реле KV3 и КV4 замкнуты при наличии напряжения на резервной линии. Через заданное время срабатывает делительная защита и отключает выключатель нагрузки QW3 в бестоковую паузу, потом срабатывает реле времени КТ, подключая электромагнит включения УАС 4 выключателя Q4.


Рис. 3.4. Схема устройства АВР двустороннего действия: а) схема сети 10 кВ; б) схема устройства АВР

4. Определение мест повреждений в сельских распределительных сетях


Весьма распространенными повреждениями в сельских электрических сетях являются короткие замыкания (к. з.), обрывы проводов и замыкания на землю.

Причины возникновения повреждений очень разнообразны, основными из лих являются: неправильная эксплуатация электрических установок, естественный износ и механические повреждения изоляции, коммутационные и атмосферные перенапряжения, перекрытие неизолированных токоведущих частей птицами, животными и прочее.

Наиболее часто отключения электрических сетей происходят из-за схлестывания проводов, наезда сельскохозяйственной техники, падения опор, нарушение изоляции и т.п.

Для восстановления нормальной работы линий электропередачи после таких повреждений требуется много времени, поэтому и ущерб от этого всегда больше.

4.1 Приборы обнаружения и поиска мест короткого замыкания


В комплекс устройств для обнаружения и поиска мест повреждений в электрических сетях сельскохозяйственного назначения входят устройства релейной защиты для отключения поврежденного участка, устройства дистанционного определения расстояния до места повреждения для: локализации зоны поиска в пределах выделенного участка, сетевые визуальные указатели направления поиска к. з. и системы телесигнализации положения секционирующего выключателя, выделяющая поврежденный участок.

Устройства определения повреждений в электрических сетях 6-10 кВ можно разделить на две группы: топографические, к которым относятся указатели направления поиска к. з. (указатели поврежденного участка) и дистанционные, к которым относятся фиксирующие приборы.

Топографические устройства устанавливаются на опорах ответвлений сети, фиксирующие приборы или устройства дистанционного определения расстояния до места повреждения размещаются на подстанциях.

В этих устройствах используются методы, основанные на измерении параметров аварийного режима, которые измеряются в период прохождения токов к. з. в электрической сети. Стратегия поиска мест повреждений заключается в следующем. При к. з. на линии электропередачи срабатывают как указатели поврежденных участков, - установленные на опорах воздушных линий, так и фиксирующие приборы, установленные на подстанции, например, 35/10 кВ по одному на секцию шин 10 кВ. Сняв показания фиксирующего прибора оперативно-выездная бригада выезжает к месту повреждения, зная уже расстояние до места повреждения. Делая объезд линии, бригада проверяет поочередно установленные на опорах у линейных разъединителей (обычно) показания устройств определения поврежденных участков, начиная с ближайшего от подстанции. В случае срабатывания какого-либо из указателей определяется место и причина повреждения.

4.1.1 Указатели поврежденных участков

Широкое распространение в распределительных сетях 6-10 кВ получили указатели поврежденных участков типа УПУ, срабатывающие при появлении тока к. з. в линии и имеющие выход, по которому определяют их срабатывание. Устройства имеют автоматический возврат в исходное состояние восстановления нормального режима питания линии.

Указатель короткого замыкания типа УКЗ

Указатель короткого замыкания служит для определения правильности направления поиска места междуфазного короткого замыкания в распределительных разветвленных линиях 6-35 кВ, который срабатывает благодаря скачкообразному увеличению тока в поврежденных фазах.

Возможны следующие варианты установки указателей в зависимости от характера линии:

на линии с короткими отпайками указатели, как правило, устанавливаются по стволу (по магистрали) за местом разветвления;

на линии с коротким стволом и длинными ответвлениями указатели устанавливаются на ответвлениях вблизи мест разветвления;

на линии с длинным стволом и длинными ответвлениями указатели устанавливаются в начале контролируемых ответвлений и на линии за местом разветвления.

Определение поврежденного участка при отключении линии от короткого замыкания осуществляется визуальной проверкой состояния указателей, начиная с ближайшего от подстанции. Если указатель сработал, то место повреждения находится за ним в сторону от питающей подстанции. Если указатель не сработал, то за местом его установки повреждения нет. Функциональная схема УКЗ представлена на рис. 4.1.

Рис. 4.1. Структурная схема указателя к. з. типа УКЗ

Она содержит индукционный преобразователь тока ИПТ, установленный внутри исполнительного блока ИБ и антенный преобразователь напряжения АОН. (В качестве АПН используются два специальных подвесных изолятора, через которые осуществляется емкостный отбор напряжения от двух фаз контролируемой линии для питания указателя.

При к. з. на линии сигнал на выходе ИЛТ скачкообразно возрастает, в результате чего срабатывает ИБ, т.е. флажок индикатора перебрасывается в положение соответствующее к. з. на контролируемом участке линии.

При восстановлении напряжения на линии УКЗ автоматически возвращается в «сходное состояние. Время подготовки указателя к повторному срабатыванию не более 5 мин.

Имеются и другие разработки таких устройств, например, создан опытный образец УКЗ.

4.1.2 Фиксирующие приборы

К устройствам дистанционного определения расстояния до места к. з. предъявляются следующие основные требования /14/: обеспечение автоматического измерения и фиксации электрических величин при к. з. в электрической сети; определение расстояния до места к. з. с минимальной погрешностью; фиксировать контролируемую величину только при отключении линии в аварийном режиме; сохранять зафиксированную контролируемую величину до приезда оперативно-выездной бригады для снятия показания; простота и удобство в обслуживании.

Б настоящее время нашли широкое распространение устройства с электрической памятью (электронные запоминающие элементы).

Рижский опытный завод «Энергоавтоматика» выпускает серийно фиксирующие приборы типа ФИП с фильтрами обратной. последовательности (ФПТ и ФПН).

ФПТ предназначен для определения места повреждения на линиях электропередачи напряжением 6-35 кВ путем фиксации тока обратной. последовательности аварийного режима. Индикатор ФПТ конструктивно состоит из блока входного БВ, блока аналого-цифрового преобразования АЦП, блока индикатора БИ и блока литания БП.

ФПН предназначен для определения места повреждения на линиях электропередачи путем фиксации напряжения обратной последовательности.

Фиксатор расстояний до мест междуфазных замыканий на линиях 6-10 кВ типа ФМК-10

Устройство ФМК-10 предназначено специально для сельских распределительных сетей 6-10 кВ. Работа основана на фиксации величины реактивного сопротивления петли к. з. поврежденного участка линии /8/. Расстояние до мест двухфазного и трехфазного к. з. определяется непосредственно в километрах для алюминиевых и сталеалюминевых проводов различных сечений. Расстояния до мест к. з. на каждой из отходящих линий определяются после ее аварийного отключения после срабатывания первого и второго циклов АПВ. Ток нагрузки линии я активное сопротивление поврежденной линии и дуги в месте к. з. практически не влияют на показания прибора. Время отстройки от действия АПВ от 50 до 70 с.

Устройство подключается к присоединениям, оборудованным двумя трансформаторами тока и одним трехфазным или двумя однофазными трансформаторами напряжения и устанавливается в шкафу ввода КРУ, КРУН 6-10 кВ подстанций 35-110/10 кВ (одно на секцию шин 10 кВ).

Функциональная схема фиксатора междуфазных замыканий на линиях 6-10 кВ типа ФМК-Ю представлена на рис. 4.2. В состав устройства входят блок токовый БТ, блок измерения БИ, электросекундомер, используемый в качестве блока отсчета БС и кнопка опробования.

Схема работает (упрощенно) следующим образом. При возникновении к. з. в сети (появление броска тока) между фазами А и В срабатывают пусковые реле фазы А (КП-А), токового блока между фазами В и С - пусковые реле фазы С (КП-С), а при к. з..между фазами А и С, как, и при трехфазном к. з., срабатывают оба пусковых реле КП-А и КП-С.

Рис. 4.2. Функциональная схема устройства типа ФМК-10

Далее происходит срабатывание с выдержкой времени, большей выдержки времени АПВ, выходного элемента блока измерения, который запускает электросекундомер блока считывания. Блок считывания обеспечивает замер времени, пропорционального реактивному сопротивлению линии до места к. з.

При успешном АПВ электросекундомер не запускается, а устройство подготавливается к последующей работе.

Параметры устройства выбраны таким образом, что реактивному сопротивлению линии 6-10 кВ, равному 12 Ом (первичное значение), соответствует фиксируемое электросекундомером время 1 с.

Оброс показаний злектросекундамера производится вручную.

Устройство имеет элементы оперативной проверки его работоспособности.

В настоящее время ведется разработка микропроцессорного фиксирующего Индикатора типа МФИ Рижским опытным заводом «Энергоавтоматика». Он предназначен для фиксации параметров аварийного режима на линиях электропередачи напряжением 6-750 кВ с целью определения расстояния до места к. з. 48.

4.2 Устройства контроля, защиты и поиска при однофазных замыканиях на землю


В сетях напряжением 6-20 кВ, работающих с изолированной нейтралью или в режиме компенсации емкостного тока, однофазные замыкания на землю составляют от 60 до 92% всех повреждений и отыскание этих повреждений без специальных устройств весьма затруднительно, связано с большими затратами, а также невозможностью практически визуально обнаружить повреждение, например, поврежденный изолятор. С помощью стационарных устройств эту задачу трудно решить из-за большой разветвленности этих сетей, поэтому в настоящее время широко стали использовать переносные приборы.

Однофазным замыканием на землю в сети с изолированной нейтралью называется повреждение, вызванное пробоем изоляции одной из фаз сети по отношению ж земле и сопровождающееся протеканием токов, обусловленных наличием распределенной емкостной утечки с двух неповрежденных фаз на землю.

В соответствии с ПУЭ сети от 3 до 35 кВ включительно относятся к сетям с изолированной или компенсированной нейтралью, т.е. к сетям с малыми токами замыкания на землю.

Для сетей 10 кВ ток однофазного замыкания на землю не должен превышать 20 А. Электроснабжение при однофазном замыкании на землю может продолжать осуществляться до его отыскания и подключения потребителей к другому источнику питания. При этом оперативный персонал должен немедленно приступить к поиску места повреждения и устранить его в кратчайшие сроки. Для определения поврежденной линии (направления) используются специальные устройства защиты, которые устанавливаются на подстанциях 35-110/10 кВ и действуют, как правило, на сигнал, на отключение защиты действуют только в том случае, когда это требуется по условиям техники безопасности (на линиях, питающих передвижные подстанции и механизмы торфопредприятий и шахт и т.п.). Эти защиты должны быть селективными, то есть определять именно поврежденную линию (или направление). В связи с тем, что томи однофазного замыкания на землю в воздушных сетях 10 кВ очень малы, эти замыкания часто происходят через переходное сопротивление, снижающее значение токов нулевой последовательности, по сравнению с металлическим замыканием (переходное сопротивление, в месте замыкания равно нулю) выполнить такую защиту сложно.

Нарушения изоляции в трехфазных электрических сетях с изолированной нейтралью, приводящие к однофазным замыканиям на землю, представляют повышенную опасность для людей и животных, а также вызывают перенапряжения в сети. Величины перенапряжений в сетях 6-10 кВ могут достигать 3,5 Uном, поэтому поврежденную фазу необходимо контролировать.

В настоящее время в сельских воздушных электрических сетях 10 кВ из серийно выпускаемых промышленностью применяются защиты типа ИЗС 33П-1М и [16]. - Кроме того, наряду с этими или другими селективными защитами для контроля изоляции используется устройство, включенное на напряжение нулевой последовательности пятистержневого трансформатора напряжения типа НТМИ к третьей обмотке трансформатора, соединенной по схеме разомкнутого треугольника. Это устройство контроля изоляции фиксирует появление замыкания на землю в любой сети и действует на сигнал. Допускается производить поочередное отключение отходящих от подстанций линий в случае отсутствия на линиях 10 кВ селективных защит от однофазных замыканий на землю, при этом устройство контроля изоляции не действует на сигнал.

Защита направленная импульсная от замыканий на землю типа ИЗС

Устройство предназначено для селективной сигнализации устойчивых и неустойчивых однофазных замыканий на землю в электрических сетях напряжением 3-35 кВ любой длины, сложности и конфигурации. Защита контролирует направление распространения электромагнитных волн, которые возникают в переходном процессе при замыкании фазы на землю. Волны распространяются от места повреждения и по обоим концам поврежденной линии имеют одинаковое направление к шинам подстанции. Сравнение направлений распространения волн по концам линий позволяет однозначно определить поврежденную линию в сети любой конфигурации, так как только на поврежденной линии защита ИЗС срабатывает на обоих концах. В радиальной сети неповрежденных линиях защиты ИЗС блокируются и срабатывает защита ИЗС на поврежденной линии. Контроль направления распространения волн осуществляется на основе фиксации знака мгновенной мощности на фронте электромагнитной волны.

Схема включения защиты типа ИЗС представлена на рис. 4.3, а (И - защита от междуфазных к. з.; 2 - защита ИЗС).

Рис. 4.3. а) функциональная схема защиты типа ИЗС; б) структурная схема защиты типа ЗЗП-1М: 1 - согласующее устройство; 2 - усилитель переменного тока; 3 - орган направления мощности; 4 - выходное реле; 5 - блок питания трансформатора напряжение НТМИ, соединенной в-разомкнутый треугольник

Цепи напряжения подводятся от специальной обмотки

Устройство ИЗС состоит из пускового органа реагирующего на появления напряжения нулевой последовательности при з. н. з; органа направления тока, контролирующего знак мощности на фронте волны в контуре фаза-земля; блока питания и указательного реле. Защита ИЗС может действовать на сигнал или на отключение выключателя защищаемой линии.

Из выпускаемой промышленностью устройств селективной сигнализации однофазных замыканий на землю для воздушных сетей 10 кВ в сельской местности применяется также направленная защита типа ЗЗП-1M, представляющая собой направленную защиту нулевой последовательности и (предназначенная для селективного отключения линий 10 кВ (рис. 4.3, б).

Устройство контроля изоляции типа УКИ

Устройство предназначено для автоматического контроля изоляции сети 10 кВ и содержит: антенный преобразователь напряжения, выполненный с использованием опорных фарфоровых изоляторов; линейный измерительный усилитель; блок питания. На выходе усилителя включен микроамперметр.

Устройство УКИ может работать в режиме контроля напряжения нулевой последовательности; измерения напряжения фаз А, В, С; измерения напряжения нулевой последовательности. Автоматический контроль изоляции сети - основной режим работы устройства.

Применение изоляторов в качестве емкостных преобразователей напряжения дает возможность контролировать изоляцию и выявлять поврежденную фазу. В режиме замыкания на землю между объединенной точкой и землей появляется напряжение нулевой последовательности. Для выделения фазы с замыканием на землю измеряется напряжение между каждым изолятором и землей и сравнивая полученные значения определяют поврежденную фазу.

Таким образом, с помощью устройства УКИ осуществляется контроль замыкания на землю без использования трансформатора типа НТМИ.

При использовании стандартных опорных изоляторов 10 кВ (или антенн) на шине каждой фазы в ячейке трансформатора напряжения КРУН устанавливаются опорные изоляторы, подобранные по току утечки и испытанные повышенным напряжением 42 кВ. Разброс характеристик изоляторов не должен превышать ±2 мкА.

Для поиска точного места замыкания на землю непосредственно в сети используются переносные приборы типа «Волна» и «Зонд».

Устройство типа «Волна»

Устройство предназначено для определения места замыкания на землю в сельских воздушных линиях 6-20 кВ с изолированной нейтралью при минимальной Суммарной протяженности: 6 кВ - 20-25 км; 10 кВ - 10-15 км; 20 кВ -7-10 км. Устройство может применяться и в сетях с компенсированной нейтралью. Принцип работы основан на индикации вблизи линий электропередачи уровня высших гармоник магнитного поля тока нулевой последовательности с помощью встроенного в устройство магнитного датчика. По максимальному показанию выходного прибора устройства определяется поврежденная линия и ответвление, а по резкому снижению показаний прибора за местом замыкания - место повреждения. С помощью электрической антенны определяется наличие в сети замыкания на землю и напряжение на линии, имеется возможность контролировать железобетонную опору с поврежденной изоляцией и находящейся под напряжением.

Устройство высокочувствительно, обладает повышенной селективностью за счет снижения зависимости показаний от изменения высоты подвеса проводов и расстояния от места измерения до оси линии, удобно в эксплуатации, имеет встроенную антенну. Устройство «Волна» имеет автоматическую стабилизацию показаний при изменении высоты подвеса проводов и при изменении расстояния до оси линии в пределах до 1000 м. Питание устройства от одной батареи 3 336Х.

Устройство типа «Зонд»

Устройство предназначено для поиска мест замыканий на землю на воздушных линиях электропередачи 6-20 кВ с изолированной и компенсированной нейтралью. В процессе поиска можно контролировать наличие замыкания на землю, определять направление к месту повреждения практически излюбой точки сети, а также контролировать силу тока нулевой последовательности. Принцип работы устройства «Зонд» основан на сравнении по фазе векторов тока и напряжения одиннадцатой гармоники, имеющихся соответственно в токе нулевой последовательности и в напряжении нулевой последовательности.

Устройство «Зонд» может контролировать наличие напряжения нулевой последовательности основной частоты с чувствительностью по напряженности электрического поля В/м-100, по сравнению с 0,1 В/м при частоте 550 Гц (одиннадцатая гармоника). В качестве дистанционных датчиков тока и напряжения в устройстве используются катушки на ферритовом сердечнике и штыревая антенна. Индикатором служит стрелочный электроизмерительный прибор типа М4205.

Уменьшить время поиска однофазного замыкания на землю можно применением дистанционных средств, например, с помощью разработанного в Московском институте инженеров сельскохозяйственного производства устройства для дистанционного определения расстояния до места з. н. з. в сельских сетях 10 кВ по индуктивному сопротивлению линии на повышенной частоте /18/. Устройство содержит генератор повышенной частоты, фильтр присоединения, трансформаторные датчики тока, два блока узкополосных селективных фильтров, пусковой орган, блок выбора поврежденной фазы, измерительный блок, арифметический блок и блок индикации. При замыкании на землю какой-либо из фаз устройство срабатывает и стрелка прибора индикации при этом отклоняется на соответствующий угол.

 


5. Контроль неполнофазных режимов в сельских распределительных сетях


Практика эксплуатации трансформаторных подстанций 10/0,4 кВ показывает, что неполнофазные режимы, возникающие из-за обрывов проводов, недовключения ножа разъединителя, перегорания предохранителя, наносят большой ущерб сельскохозяйственному производству. Проблема защиты сельскохозяйственных потребителей от таких повреждений в разветвленных сельских сетях 10 кВ особенно актуальна, поскольку в этом случае не только снижается качество передаваемой электроэнергии и возникают перерывы электроснабжения, но и появляется опасность пожаров и поражения людей и животных. Московским институтом инженеров сельскохозяйственного производства (МИИСП) в содружестве с ПО Союзтехэнерго, института и «Сельэнергопроект» и рядом энергосистем разработан и внедряется комплекс устройств обнаружения аварийных и ненормальных режимов в сельских электрических сетях. Эти устройства позволяют сократить время поиска и обнаружения этих режимов и сократить ущерб от перерывов в электроснабжении.

Устройства используют упрощенный отбор информации без присоединения в линии электропередачи с применением индукционных преобразователей тока и антенных преобразователей напряжения, что существенно снижает стоимость установки и их зксплуатации, так как исключается необходимость в реконструкции токопроводов для подключения этих устройств.

Устройство контроля неполнофазных режимов работы трансформаторных пунктов 10/0,4 кВ типа УКН

Устройство УКН предназначено для защиты электрических сетей 6-10 кВ от неполнофазных режимов, вызванных обрывом провода и перегоранием предохранителя. В качестве параметров аварийного режима используется напряжение обратной последовательности на стороне 0,38 кВ и напряжение нулевой последовательности на стороне 6-10 кВ.

Таким образом, устройство контролирует составляющую напряжения нулевой последовательности на стороне 10 кВ и составляющую напряжения обратной последовательности на стороне 0,4 кВ подстанции 10/0,4 В, что позволяет дифференцированно обнаруживать обрыв и неполнофазные режимы в сети 10 кВ и неполнофазный режим на подстанции 10/0,4 кВ.

Устройство УКН состоит из антенного фильтра напряжения нулевой последовательности (АФННП), фильтра напряжения обратной последовательности |(ФН0П) и исполнительного органа.

При использовании устройства УКН значительно повышается надежность электроснабжения потребителей при неполнофазных режимах по сравнению с известными устройствами, благодаря включению на выходе ФНОП интегрирующего блока, а на выходе интегрирующего блока порогового органа.

Устройство УКП, предназначенное для контроля неполнофазных режимов на стороне высшего напряжения трансформаторных подстанций напряжением 6-36 кВ, может использоваться для контроля перегорания предохранителей на подстанциях без выключателей на стороне высшего напряжения, обрыва проводов питающей линии электропередачи, замыкание на землю в питающей сети /17/. Устройство УКП имеет два антенных преобразователя напряжения АПН и исполнительный орган. В качестве чувствительного органа защиты используются антенные фильтры напряжения нулевой последовательности, то есть измерение напряжения нулевой последовательности осуществляется с АПН. В нормальном режиме, когда нет повреждения - все предохранители исправлены, поступающие сигналы от АПН на исполнительный орган равны, и он не срабатывает. При неполнофазных режимах, в случае перегорания предохранителей, напряжение с антенны, расположенной со стороны нагрузки, резко возрастает. Устройство срабатывает и дает сигнал о неполнофазном режиме, или дает команду на отключение части присоединенной двигательной нагрузки.

Для использования устройства УКП в разных режимах работы, например, контроль перегорания предохранителей, контроль обрыва провода или одновременного контроля и обрыва провода и перегорания предохранителей антенны подключаются к соответствующим зажимам устройства. В связи с широким использованием трансформаторных подстанций 10-35 кВ без выключателей на стороне высшего напряжения и отсутствием селективных устройств контроля неполнофазных режимов, приводящих к значительному ущербу, применение данного устройства весьма целесообразно. В настоящее время готовится серийный выпуск устройства УКП. Устройство защиты подстанции от неполнофазных режимов на основе геркотронов разработано в ХИМЭСХ и Харьковском политехническом институте.последние годы появилось новое направление совершенствования защит от однофазных повреждений в сетях с изолированной нейтралью. При однофазном к.з. быстродействующий выключатель, установленный на шинах 10 кВ питающей подстанции, автоматически соединяет поврежденную фазу с землей, шунтируя место замыкания и снижая тем самым ток в месте повреждения практически до нуля. При обрыве провода место повреждения шунтируется посредством автоматического замыкания на землю поврежденной фазы на питающей и потребительских подстанциях, и электроснабжение потребителей осуществляется по двум неповрежденным фазам и земле.

Библиографический список

1. Правила устройства электроустановок. М.: Энергоатомиздат, 1986.

. Будзко И.А., Левин М.С. Электроснабжение сельскохозяйственных предприятий и населенных пунктов. М: Агропромиздат, 1985.

. Руководящие материалы по проектированию электроснабжения сельского хозяйства. М.: ВГПИ и НИИ Сельэнергопроект. Сентябрь, 1986.

. Рекомендации всесоюзного научно-практического совещания по вопросам совершенствования управления и автоматизации сельских электрических сетей энергосистем. Минэнерго СССР. Гродно, 1984

. Нормы технологического проектирования электрических сетей сельскохозяйственного назначения (НТПС-88). М., 1988.

. Кобазев В.П., Сагутдинов Р.Ш. Защита пятипроводных воздушных линий напряжением 0,38 кВ от обрыва проводов // Механизация и электрификация сельского хозяйства. 1988. №3.

. Селивахин А.И., Сагутдинов Р.Ш., Красников В.И. Устройство для защиты сельских электрических сетей низкого напряжения отобрыва проводов // Энергетик. 1982. №10.

. Руководящие материалы по проектированию электроснабжения сельского хозяйства. М.: ВГПИ и НИИ Сельэнергопроект. Сентябрь - октябрь, 1983.

. Шабад М.А. Защита и автоматика электрических сетей агропромышленных комплексов. Л.: Энергоатомиздат, 1987.

. Будзко И.А., Кондратьев В.В., Сукманов В.И. Автоматическое повторное включение воздушных линий электропередачи 0,38 кВ в сельской местности // Энергетик. 1987. №1.

. Кондратьев В.В., Лялин В.А., Медведев В.В. Электронное устройство для автоматического повторного включения линий электропередачи 0,38 кВ / Энергетик. 1987. №1.

. Комаров Д.Т. Автоматизация электрических сетей 0,38-35 кВ в сельских районах. М; Энергоатомиздат, 1987.

. Бережнюк И.Г., Гуревич В.И., Савченко П.И. Пусковой орган устройства АВР на геркотронах // Энергетик. 1988. №12.

. Борухман В.А., Кудрявцев А.А., Кузнецов А.П. Устройства для определения мест повреждения на воздушных линиях электропередачи // Энергия. 1980. №2.

. Измайлов О.И., Рыбалкин А.А., Гуревич В.Н. Указатель коротких замыканий в сельских электрических сетях // Механизация и электрификация сельского хозяйства. 1988. №3.

. Справочник по проектированию электросетей в сельской местности / Под ред. П.А. Каткова, В.И. Франгуляна. М.: Энергия, 1980.

. Селивахин А.И., Слонов И.Л., Сагутдинов Р.Ш., Шульц Э.Э. Внедрение новых устройств поиска повреждений: Обзорная информация. М.: Информэнерго, 1986.

. Сукманов В.И., Иванов А.А. Устройство для определения расстояния до места замыкания фазы на землю // Техника в сельском хозяйстве. 1986. №3.

. Гуревич В.И., Измайлов О.И., Обухов А.Г. Защита подстанции от неполнофазных режимов // Техника в сельском хозяйстве. 1986. №10.

. Пястолов А.А., Жидков В.О., Шефер Э.Д. Устройство для бесперебойного электроснабжения потребителей при однофазных повреждениях сетей 10 кВ // Механизация и электрификация сельского хозяйства. 1985. №11.

. Зуль Н.М., Расторгуев В.М. Эффективность автоматизации сельских электрических сетей // Механизация и электрификация сельского хозяйства. 1985. №7.

. Зуль Н.М., Расторгуев В.М. Устройство АПВ для сельских распределительных сетей 10 кВ // Энергетик. 1982. №5.

электрический автоматизация релейный надежность

Похожие работы на - Электрические сети

 

Не нашли материал для своей работы?
Поможем написать уникальную работу
Без плагиата!
Без нейросетей!