Развитие участка района сети филиала ОАО 'Мосэнерго Восточные Электрические сети'
СОДЕРЖАНИЕ
Содержание
ВВЕДЕНИЕ
. Общая характеристика РАЙОНА электрических сетей
. Особенности режимов работы электрических сетей
. ОБОСНОВАНИЕ ВАРИАНТОВ развития РАЙОНА ВОСТОЧНЫХ
электрических сетей ОАО «МОЭСК»
. РАЗРАБОТКА ВАРИАНТОВ РАЗВИТЯ РАЙОНА электрически сетей
. Технико-экономическое сравнение вариантов развития
восточных электрических сетей оао «МОЭСК»
.1 Варианты развития электрических сетей
.2 Технико-экономическое сравнение вариантов
. ВЫЯВЛЕНИЕ перспективных расчетных режимов работы электрических
сетей
. РАСЧЕТ И АНАЛИЗ ПЕРСПЕКТИВНЫХ РЕЖИМОВ РАБОТЫ ЭЛЕКТРИЧЕСКИХ
СЕТЕЙ
.1 Режим максимальных нагрузок
.2 Режим минимальных нагрузок
.3 Послеаварийные режимы
.3.1 Отключение одного трансформатора ТДН - 16000/110 на
п/ст. Соколовская
.3.2 Отключение ЛЭП 110 кВ Трубино - Жегалово
.3.3 Отключение ЛЭП 220 кВ Трубино -Восточная
.3.4 Отключение одного автотрансформатора АТДЦТН -
250000/220/110 на п/ст. Трубино
.3.5 Отключение группы однофазных автотрансформаторов АОДЦТН
- 167000/500/220 на п/ст. Трубино
. Разработка проекта подстанции 110/10
.1 Характеристика подстанции и ее нагрузок
.2 Расчет токов короткого замыкания
.3 Выбор электрической схемы распределительного устройства
подстанции
.4 Выбор типов релейной защиты, автоматики, измерений
.5 Выбор аппаратов и токоведущих частей
.5.1 Выбор элегазовой ячейки ПАСС МО-145
.5.2 Выбор высоковольтных выключателей и их приводов
.5.3 Выбор ограничителей перенапряжений
.5.4 Выбор аппаратов в цепи трансформатора собственных нужд
.5.5 Выбор измерительных трансформаторов тока и напряжения
8.5.6 Выбор сборных шин высшего напряжения
8.5.7 Выбор ошиновки силового трансформатора
.5.8 Выбор кабельных линий к потребителю
.5.9 Выбор и обоснование конструкций распределительных
устройств67
. ОПРЕДЕЛЕНИЕ ЧИСЛЕННОСТИ ПЕРСОНАЛА ОПЕРАТИВНО-ДИСПЕТЧЕРСКОЙ
СЛУЖБЫ
.БЕЗОПАСНОСТЬ И ЭКОЛОГИЧНОСТЬ ПРОЕКТА
.1 Установка заземлений на ВЛ
.2 Работы на опорах и с опорами
.3 Работа без снятия напряжения
.4 Работа без снятия напряжения
.5 Работы на ВЛ под наведенным напряжением; на одной отключенной
цепи многоцепной ВЛ
.6 Пофазный ремонт ВЛ
.7 Работы на пересечениях и сближениях ВЛ с дорогами
. МАТЕМАТИЧЕСКОЕ МОДЕЛИРОВАНИЕ РЕГУЛИРОВАНИЯ НАПРЯЖЕНИЯ С
ПОМОЩЬЮ ТРАНСФОРМАТОРОВ
ЗАКЛЮЧЕНИЕ
СПИСОК ЛИТЕРАТУРЫ
Приложение1.
Введение
ОАО «МОЭСК» - самая крупная из 74 региональных энергоснабжающих компаний
Российской Федерации. Энергетическая система компании является технологически
неотъемлемой частью Единой энергетической системы России. Основные виды
деятельности ОАО «МОЭСК» - производство, распределение и сбыт электрической и
тепловой энергии.
Миссия
ОАО «МОЭСК» заключается в обеспечении потребителей экологически чистой энергией
<#"869340.files/image001.jpg">
Рис. 1.1 Карта-схема восточных электросетей
Для выявления особенностей режимов работы рассмотрен режим зимнего
максимума (19.12.2010 г.) нагрузок.
Исходные данные района нагрузок:
- данные по воздушным линиям (длина и марки проводов - в
табл.1.2.);
- данные по мощности трансформаторов, напряжениям на их обмотках
(табл. 1.3);
Таблица 1.2.
|
№
|
Название ЛЭП
|
Марка провода
|
Длина, км
|
|
ВЛ 220 кВ
|
|
|
|
1
|
Трубино - Восточная
|
АС - 400/51
|
28,2
|
|
2
|
Баскаково - Восточная
|
АС - 500/26
|
4
|
|
ВЛ 110 кВ
|
|
|
|
3
|
Баскаково - Восточная
|
АС - 150/24
|
7
|
|
8
|
Восточная - Кучино
|
АС - 150/24
|
15
|
|
9
|
Восточная - Горенки
|
АС - 180/24
|
6
|
|
10
|
Кучино - Минеральная
|
АС - 150/24
|
10,1
|
|
11
|
Горенки - Алмазово
|
АС - 150/24
|
8,3
|
|
12
|
Трубино - Алмазово
|
АС - 150/24
|
24,9
|
|
13
|
Горенки - Кислородная
|
АС - 150/24
|
5
|
|
14
|
Кислородная - Жегалово
|
АС - 150/24
|
10
|
|
15
|
Трубино - Жегалово
|
АС - 150/24
|
12
|
|
16
|
Трубино - Гребнево
|
АС - 150/24
|
11,1
|
|
17
|
Гребнево - Райки
|
АС - 150/24
|
4,7
|
|
18
|
Райки - Орбита
|
АС - 150/24
|
4
|
|
19
|
Гребнево - Орбита
|
АС - 150/24
|
8,7
|
|
20
|
Гребнево - Щелково
|
АС - 120/27
|
1,5
|
|
21
|
Трубино - Щелково
|
АС - 120/27
|
11
|
|
22
|
Трубино - Фрязино
|
АС - 150/24
|
5
|
|
23
|
Фрязино - Гранит
|
АС - 150/24
|
20
|
|
24
|
Баскаково-Косино
|
АС - 150/24
|
4
|
|
25
|
Косино-Восточная
|
АС - 150/24
|
3
|
|
ВЛ 35 кВ
|
|
|
|
24
|
Минеральная - Черная
|
АС - 120/27
|
4
|
|
25
|
Жегалово - Соколовская
|
АС - 50/8
|
8
|
|
26
|
Щелково - Чкалово
|
АС - 120/27
|
7
|
|
27
|
Чкалово - Городищи
|
АС - 120/27
|
6
|
|
28
|
Кучино - Черная
|
АС - 95/16
|
10
|
Таблица 1.3
|
N подстанции
|
Типы трансформаторов
|
|
Трансформатор
|
Sном, кВ*А
|
U ВН, кВ
|
U СН, кВ
|
U НН, кВ
|
|
514 Трубино
|
6хАОДЦТН-167000
|
167000
|
500
|
220
|
10
|
|
2хАТДЦТН-250000
|
250000
|
220
|
110
|
10
|
|
2хТРДН-25000
|
25000
|
110
|
-
|
10
|
|
212 Восточная
|
3хАТДЦТН-200000
|
200000
|
220
|
110
|
10
|
|
692 Баскаково
|
2хАТДЦТН-200000
|
200000
|
220
|
110
|
10
|
|
22 Кучино
|
2хТДТН-25000
|
25000
|
110
|
35
|
10
|
|
419 Минеральная
|
2хТРДЦН-63000
|
63000
|
110
|
-
|
10
|
|
ТДТН-40000
|
40000
|
110
|
35
|
10
|
|
157 Горенки
|
2хТРДЦН-63000
|
63000
|
110
|
-
|
10
|
|
681 АЛМАЗОВО
|
2хТРДН-25000
|
25000
|
110
|
-
|
10
|
|
194 Кислородная
|
2хТРДЦН-63000
|
63000
|
110
|
-
|
10
|
|
705 Жегалово
|
2хТДТН-25000
|
25000
|
110
|
35
|
10
|
|
261 Соколовская
|
2хТМН-5600
|
5600
|
35
|
-
|
6
|
|
ТМН-6300
|
6300
|
35
|
-
|
10
|
|
27 Черная
|
3хТМН-6300
|
6300
|
110
|
-
|
6
|
|
730 Гребнево
|
2хТРДН-40000
|
40000
|
110
|
-
|
10
|
|
83 Райки
|
2хТРДН-25000
|
25000
|
110
|
-
|
10
|
|
742 Орбита
|
2хТРДН-40000
|
40000
|
110
|
-
|
10
|
|
47 Щелково
|
2хТДТН-25000
|
25000
|
110
|
35
|
6
|
|
115 Чкалово
|
ТМН-5600
|
5600
|
35
|
-
|
6
|
|
8 Городищи
|
2хТМН-4000
|
4000
|
35
|
-
|
6
|
|
206 Фрязино
|
2хТРДН-40000
|
40000
|
110
|
-
|
10
|
|
ТДТН-40000
|
40000
|
110
|
35
|
10
|
|
641 Гранит
|
ТДТН-40000
|
40000
|
110
|
35
|
10
|
|
549 Косино
|
2хТРДЦН-63000
|
63000
|
110
|
-
|
10
|
2. Особенности режимов работы электрических
сетей
Для выявления особенностей режимов работы рассмотрен режим зимнего
максимума (19.12.2010 г.) нагрузок.
Исходными данными для расчета данного режима являются:
- данные по воздушным линиям (длина и марки проводов - в
табл.1.2.);
- данные по межсистемным связям (название линий, перетоки
мощностей, напряжения на шинах подстанций смежных энергосистем - табл. 1.3);
данные по коэффициентам трансформации трансформаторов;
мощности генерации и нагрузок (P и Q табл
2.1);
данные по номинальным напряжениям электрической сети и расположению
балансирующего узла.
Все расчеты выполнены в программном комплексе «Energy300».
Исходные данные для расчета установившегося режима приведены в табл.1.2 -
1.3.
Таблица 2.1
|
N подстанции
|
U ВН кВ
|
U СН кВ
|
U НН кВ
|
Нагрузка СН (МВ*А)
|
Нагрузка НН (МВ*А)
|
|
514 Трубино
|
220
|
110
|
10
|
-
|
12.3+j7.8
|
|
212 Восточная
|
220
|
110
|
10
|
-
|
107+j66.1
|
220
|
110
|
10
|
-
|
91+j65.5
|
|
22 Кучино
|
110
|
35
|
10
|
-
|
16.5+j10.2
|
|
419 Минеральная
|
110
|
35
|
10
|
-
|
42.7+j26.5
|
|
157 Горенки
|
110
|
-
|
10
|
-
|
51.8+j32.1
|
|
681 Алмазово
|
110
|
-
|
10
|
-
|
18.3+j11.5
|
|
194 Кислородная
|
110
|
-
|
10
|
-
|
35.5+j22
|
|
705 Жегалово
|
110
|
35
|
10
|
-
|
21.5+j13.3
|
|
261 Соколовская
|
35
|
10
|
6
|
4+j2.5
|
8.9+j5.5
|
|
27 Черная
|
35
|
-
|
6
|
-
|
12.8+j7.9
|
|
730 Гребнево
|
110
|
-
|
10
|
-
|
25.5+j15.8
|
|
83 Райки
|
110
|
-
|
10
|
-
|
11+j6.8
|
|
742 Орбита
|
110
|
-
|
10
|
-
|
14.7+j9
|
|
47 Щелково
|
110
|
35
|
6
|
-
|
12.4+j7.7
|
|
115 Чкалово
|
35
|
-
|
6
|
-
|
0.8+j0.5
|
|
8 Городищи
|
35
|
-
|
6
|
-
|
3.9+j2.4
|
|
206 Фрязино
|
110
|
35
|
10
|
-
|
35.4+j22
|
|
641 Гранит
|
110
|
35
|
10
|
-
|
11.8+j7.4
|
|
549 Косино
|
110
|
-
|
10
|
-
|
34.7+j21.5
|
Связь «Восточных Электрических сетей» в системе «МОЭСК» с соседними сетевыми
предприятиями и энергосистемами осуществляется по ЛЭП 500 кВ, 220 кВ, 110 кВ и
35 кВ связи с энергосистемами и сетевыми предприятиями эквивалентированы. По
результатам расчета зимнего контрольного дня нагрузок перетоки: по ВЛ Трубино -
Н.Софрино составил S=-145.8-j90.3(МВ*А), по ВЛ Трубино - ТЭЦ-23
составил S=125.1+j78(МВ*А),по ВЛ Трубино - Речная составил S=-40-j24.7(МВ*А), по ВЛ Восточная - ЦАГИ составил S=111+j68.8 (МВ*А), по ВЛ Восточная - Жулебино составил S=101.8+j63.2 (МВ*А), по ВЛ Восточная - ТЭЦ-22 составил S=187,2+j116 (МВ*А), по ВЛ Восточная - Измайлово составил S=-50-j31(МВ*А), по ВЛ Баскаково - ТЭЦ-23 составил S=117.2+j72.6(МВ*А), по ВЛ Баскаково - БОР составил S=82.8+j51.3, по ВЛ Баскаково - ТЭЦ-11 составил S=42.1+j26.1(МВ*А), по ВЛ Баскаково - Фрезер составил S=-72.1-j44.6(МВ*А), по ВЛ Минеральная - Кудиново составил S=25+j15.5(МВ*А), по ВЛ Горенки - Дроздово составил S=-35-j21.7(МВ*А), по ВЛ Косино -Ясная составил S=-12.5-j7.75(МВ*А), по ВЛ Орбита - Монино составил S=-13.4-j8.3(МВ*А), по ВЛ Фрязино - Софрино составил S=-18.7-j11.5(МВ*А), по ВЛ Городищи - Монино составил S=15.4+j9.5(МВ*А), по ВЛ Кучино - Сатыковская составил S=-9.6-j4.9(МВ*А), по ВЛ Софрино - Горелово составил S=-6.1-j3.8(МВ*А), по ВЛ Гранит - Краф составил S=-5-j3.1(МВ*А), по ВЛ Гранит - Софрино составил S=-3.2+j1.9(МВ*А).
Результаты расчета установившегося режима представлены в табл. 2.2, 2.3,
2.4.
Таблица 2.2
|
N подстанции
|
U ВН кВ
|
U СН кВ
|
U НН кВ
|
|
514 Трубино
|
228
|
115
|
10.5
|
|
212 Восточная
|
230
|
115
|
10.6
|
|
692 Баскаково
|
230
|
116
|
10.5
|
|
22 Кучино
|
113
|
36.4
|
10.5
|
|
419 Минеральная
|
112
|
36.2
|
10.5
|
|
157 Горенки
|
114
|
-
|
10.5
|
|
681 Алмазово
|
114
|
-
|
10.5
|
|
194 Кислородная
|
113
|
-
|
10.5
|
|
705 Жегалово
|
114
|
36.3
|
10.4
|
|
261 Соколовская
|
35
|
10.4
|
6.22
|
|
27 Черная
|
35.7
|
-
|
6.27
|
|
730 Гребнево
|
114
|
-
|
10.5
|
|
83 Райки
|
113
|
-
|
10.6
|
|
742 Орбита
|
113
|
-
|
10.6
|
|
47 Щелково
|
114
|
35.5
|
6.34
|
|
115 Чкалово
|
35.9
|
-
|
6.31
|
|
8 Городищи
|
36.2
|
-
|
6.25
|
|
206 Фрязино
|
114
|
36.4
|
10.6
|
|
641 Гранит
|
113
|
36.4
|
10.6
|
|
549 Косино
|
115
|
-
|
10.5
|
Таблица 2.3
|
№
|
Название ЛЭП
|
Марка провода
|
Коэффициент загрузки, Кз
|
|
ВЛ 220 кВ
|
|
|
|
1
|
Трубино - Восточная
|
АС - 400/51
|
0.23
|
|
2
|
Баскаково - Восточная
|
АС - 500/26
|
0.1
|
|
ВЛ 110 кВ
|
|
|
|
3
|
Восточная - Кучино
|
АС - 150/24
|
0.3
|
|
4
|
Восточная - Горенки
|
АС - 185/24
|
0.6
|
|
5
|
Кучино - Минеральная
|
АС - 150/24
|
0.19
|
|
6
|
Горенки - отп. Алмазово
|
АС - 150/24
|
0.14
|
|
7
|
Трубино - отп. Алмазово
|
АС - 150/24
|
0.15
|
|
8
|
отп. Алмазово
|
АС - 150/24
|
0.12
|
|
9
|
Горенки - Кислородная
|
АС - 150/24
|
0.45
|
|
10
|
Кислородная - Жегалово
|
АС - 150/24
|
0.2
|
|
11
|
Трубино - Жегалово
|
АС - 150/24
|
0.3
|
|
12
|
Трубино - Гребнево
|
АС - 150/24
|
0.35
|
|
13
|
Гребнево - Райки
|
АС - 150/24
|
0.3
|
|
14
|
Райки - Орбита
|
АС - 150/24
|
0.15
|
|
15
|
Гребнево - Орбита
|
АС - 150/24
|
0.23
|
|
16
|
Гребнево - Щелково
|
АС - 120/27
|
0.2
|
|
17
|
Трубино - Щелково
|
АС - 120/27
|
0.36
|
|
18
|
Трубино - Фрязино
|
АС - 150/24
|
0.51
|
|
19
|
Фрязино - Гранит
|
АС - 150/24
|
0.12
|
|
20
|
Баскаково-Косино
|
АС - 150/24
|
0.56
|
|
21
|
Косино-Восточная
|
АС - 150/24
|
0.24
|
|
ВЛ 35 кВ
|
|
|
|
22
|
Минеральная - Черная
|
АС - 120/27
|
0.5
|
|
23
|
Щелково - Чкалово
|
АС - 120/27
|
0.12
|
|
24
|
Чкалово - Городищи
|
АС - 120/27
|
0.2
|
|
25
|
Кучино - Черная
|
АС - 95/16
|
0.27
|
|
26
|
Жегалово - Соколовская
|
АС - 50/8
|
0.624
|
Таблица 2.4
|
N п./ст.
|
Трансформатор
|
Коэффициент загрузки, Кз
|
|
514 Трубино
|
6хАОДЦТН-167000
|
0.32
|
|
2хАТДЦТН-250000
|
0.7
|
|
2хТРДН-25000
|
0.29
|
|
212 Восточная
|
3хАТДЦТН-200000
|
0.62
|
|
692 Баскаково
|
2хАТДЦТН-200000
|
0.63
|
|
22 Кучино
|
2хТДТН-25000
|
0.7
|
|
419 Минеральная
|
2хТРДЦН-63000
|
0.41
|
|
ТДТН-40000
|
0.32
|
|
157 Горенки
|
2хТРДЦН-63000
|
0.5
|
|
681 АЛМАЗОВО
|
2хТРДН-25000
|
0.45
|
|
194 Кислородная
|
2хТРДЦН-63000
|
0.35
|
|
705 Жегалово
|
2хТДТН-25000
|
0.9
|
|
261 Соколовская
|
2хТДН-5600 ТМН-6300
|
0.97 0.78
|
|
27 Черная
|
3хТМН-6300
|
0.69
|
|
730 Гребнево
|
2хТРДН-40000
|
|
83 Райки
|
2хТРДН-25000
|
0.26
|
|
742 Орбита
|
2хТРДН-40000
|
0.22
|
|
47 Щелково
|
2хТДТН-25000
|
0.29
|
|
115 Чкалово
|
ТМН-5600
|
0.16
|
|
8 Городищи
|
2хТМН-4000
|
0.56
|
|
206 Фрязино
|
2хТРДН-40000
|
0.44
|
|
ТДТН-40000
|
0.35
|
|
641 Гранит
|
ТДТН-40000
|
0.28
|
|
549 Косино
|
2хТРДЦН-63000
|
0.31
|
Анализ результатов расчета, показывает, что напряжения в большинстве
узлов сети не превышает 1,05 от Uном.
Балансирующий узел выбран на подстанции Трубино на шинах 500 кВ, т.к. эти шины
во всех режимах электроснабжения принимают на себя основной переток
электроэнергии. Наиболее загруженной линией является ВЛ 35 кВ Жегалово -
Соколовская Кз=0,624. Определим отношение реальной плотности тока к
экономической и по этому отношению оценим режим работы ЛЭП [2].
jэ=1 А/ мм2
,
где
j - плотность
тока,
jэ -
экономическая плотность тока.
Из
выше приведенных вычислений видно, что действующие значение
для
ЛЭП Жегалово - Соколовская не выполняется [2], в соответствии с п.1.3.7. [2]
возникает необходимость в сооружении дополнительной ЛЭП Жегалово - Соколовская.
На
п/ст. Жегалово трансформаторы ТДТН-25000/110 загружены (Кз=0.9) на 90%. На
подстанции Соколовская трансформаторы ТМН-5600 загружены (Кз=0.97) на 97.4%, а
трансформатор ТМН-6300 загружен (Кз=0.78) на 78%.
Из
анализа режима видно, что с перспективным ростом нагрузок действующие
трансформаторы на п/ст. Жегалово и п/ст. Соколовская потребуется замена.
Воздушные линии Жегалово - Соколовская будут перегружаться.
3. Обоснование вариантов развития района
Восточных электрических сетей ОАО «МОЭСК»
Целью дипломного проекта является выявление перспективных вариантов
развития района электрических сетей. Расчет и анализ режимов работы Восточных
электрических сетей энергосистемы в перспективе. В период с 2010 - 2015 гг.
прогнозируем рост нагрузки на 10%-20% от уровня нагрузок зимнего максимума 2010
г.
На основании расчетов изложенных выше в разделе 2. Возможны 2 варианта
развития района сети:
1. Строительство дополнительной ЛЭП 35 кВ Жегалово - Соколовская,
замена трехобмоточных трансформаторов на п./ст. Жегалово, замена двухобмоточных
трансформаторов на п./ст. Соколовская.
2. Перевод подстанции Соколовская на более высокое напряжение с 35
кВ на 110 кВ с заменой двухобмоточных трансформаторов и реконструкцией ОРУ.
Замена трансформаторов на подстанции Жегалово не потребуется.
Результаты расчетов перспективных максимальных электрических нагрузок
приведены в таблице 3.1.
Таблица 3.1
|
N подстанции
|
U ВН кВ
|
U СН кВ
|
U НН кВ
|
Нагрузка НН (МВ*А)
|
|
514 Трубино
|
220
|
110
|
10
|
13.9+j8.8
|
|
212 Восточная
|
220
|
110
|
10
|
121+j74.7
|
|
692 Баскаково
|
220
|
110
|
10
|
103+j64
|
|
22 Кучино
|
110
|
35
|
10
|
18.6+j11.6
|
|
419 Минеральная
|
110
|
35
|
10
|
48.3+j30
|
|
157 Горенки
|
110
|
-
|
10
|
58.6+j36.3
|
|
681 Алмазово
|
110
|
-
|
10
|
18.7+j11.7
|
|
194 Кислородная
|
110
|
-
|
10
|
35.7+j22.2
|
|
705 Жегалово
|
110
|
35
|
10
|
25.8+j16
|
|
261 Соколовская
|
35
|
10
|
6
|
15.5+j9.6
|
|
27 Черная
|
35
|
-
|
6
|
14.5+j9
|
|
730 Гребнево
|
110
|
-
|
10
|
25.45+j15.8
|
|
83 Райки
|
110
|
-
|
10
|
12.5+j9.6
|
|
742 Орбита
|
110
|
-
|
10
|
15.2+j9.4
|
|
47 Щелково
|
110
|
35
|
6
|
14.1+j6.7
|
|
115 Чкалово
|
35
|
-
|
6
|
1+j0.6
|
|
8 Городищи
|
35
|
-
|
6
|
4.6+j2.7
|
|
206 Фрязино
|
110
|
35
|
10
|
40.1+j24.9
|
|
641 Гранит
|
110
|
35
|
10
|
12.1+j8.1
|
|
549 Косино
|
110
|
-
|
10
|
38.7+j24
|
Рис.
3.1 Первый вариант.
Рис.
3.2 Второй вариант.
4. Разработка вариантов развития района
электрической сети
Первый вариант развития:
сооружение линии 35 кВ Жегалово - Соколовская, замена трехобмоточных
трансформаторов на подстанции Жегалово и двухобмоточных на подстанции
Соколовская.
Произведем выбор трансформаторов. Максимальная мощность протекающая через
трехобмоточные трансформаторы на п./ст Жегалово составляет Smax=41.8+j30,6=51.8 МВ*А. для определения мощности трансформаторов
воспользуемся формулой
Sном
> (0,65 - 0,7)* Smax (4.1);
Sном
> (33,67 -36,3).
выбираем два трансформатора марки ТДТН - 40000/110. Произведем проверку
по загруженности трансформаторов в нормальном режиме
Кз.ном= Smax / 2*Sном (4.2);
Кз.ном= 51.8 / 2*40 = 0,64.
Произведем проверку по загруженности трансформаторов в аварийном режиме
Кз.п/ав= Smax / Sном (4.3);
Кз.п/ав= 51.8 / 40 = 1,29.
загрузка трансформатора в послеаварийном режиме не превышает до-
пустимой Кп.ав=1,4.
Максимальная мощность протекающая через двухобмоточные трансформаторы на
п./ст Соколовская составляет Smax=15.5+j9,6=18.2 МВ*А. для определения
мощности трансформаторов воспользуемся формулой
Sном
> (0,65 - 0,7)* Smax (4.4);
Sном
> (11,83 -12,74).
выбираем два трансформатора марки ТДНС - 16000/35. Произведем проверку по
загруженности автотрансформаторов в нормальном режиме
Кз.ном= Smax / 2*Sном (4.5);
Кз.ном= 18,2 / 2*32 = 0,56.
Произведем проверку по загруженности трансформаторов в аварийном режиме
Кз.п/ав= Smax / Sном (4.6);
Кз.п/ав= 18,2 / 16 = 1,13.
загрузка автотрансформатора в послеаварийном режиме не превышает
допустимой Кп.ав=1,4. Параметры трансформаторов приведены в таблице 4.1.
Произведем выбор дополнительной воздушной линии. Максимальная мощность
передаваемая по этой ВЛ составляет Smax=5.73+j4,71=7.21 МВ*А. Определим ток,
протекающий по линии
Iм.раб=
(4.7);
Iм.раб=
А.
где Iм.раб - максимальный ток, протекающий
по проводу,
FЭ -
экономическое сечение провода,
jЭ -
экономическая плотность тока, определяемая,
Выбираем провод АС 120/19 по [1].
Проверяем провод по нагреву:
I’ДОП>IМ.раб, (4.8);
>95.85 А.
Проверка выполняется.
При Smax =7,21 МВ*А выбираем повод марки АС -
120/19.
Параметры провода приведены в таблице 4.2.
Таблица 4.1.
|
Sном
|
UВН
|
UСН
|
UНН
|
Uквс
|
Uквн
|
Uксн
|
Pхх
|
Pк
|
Iк
|
|
МВА
|
кВ
|
кВ
|
кВ
|
%
|
%
|
%
|
кВт
|
кВт
|
%
|
|
40
|
115
|
38.5
|
11
|
17
|
10.5
|
6
|
43
|
200
|
0,6
|
|
16
|
38.5
|
-
|
11
|
-
|
10.5
|
-
|
18
|
85
|
0.7
|
Таблица 4.2.
|
провод
|
r0, Ом/км
|
х0, Ом/км
|
Iдоп, А
|
пропускная способность
равна S, МВ*А
|
|
АС-120/19
|
0,429
|
0,414
|
390
|
24,7
|
Второй вариант развития:
Для обеспечения перспективных режимов работы электрической сети необходимо
произвести следующие мероприятия:
реконструировать подстанцию Соколовская;
ввести отпайки воздушной линии 110 кВ Трубино - Жегалово.
Произведем выбор трансформаторов. Максимальная мощность протекающая через
трансформаторы составляет Smax=15.5+j9,6=18,2 МВ*А. для определения
мощности автотрансформаторов воспользуемся формулой
Sном
> (0,65 - 0,7)* Smax (4.9);
Sном
> (11,83 -12,74).
выбираем два трансформатора марки ТДН - 16000/110. Произведем проверку по
загруженности трансформаторов в нормальном режиме
Кз.ном= Smax / 2*Sном (4.10);
Кз.ном= 18,2 / 2*32 = 0,56.
Произведем проверку по загруженности автотрансформаторов в аварийном
режиме
Кз.п/ав= Smax / Sном (4.11);
Кз.п/ав= 18,2 / 16 = 1,13.
Загрузка трансформатора в послеаварийном режиме не превышает допустимой
Кп.ав=1,4. Параметры автотрансформаторов приведены в таблице 4.3.
Произведем выбор воздушной линии. Максимальная мощность передаваемая по
ВЛ составляет Smax=15.5+j9,6 МВ*А. Определим ток, протекающий по линии
Iм.раб=
(4.12);
Iм.раб=
А.
.
где Iм.раб - максимальный ток, протекающий
по проводу,
FЭ -
экономическое сечение провода,
jЭ -
экономическая плотность тока.
Выбираем провод АС 70/11 по.
Проверяем провод по нагреву:
I’ДОП>IМ.раб, (4.13)
>48 А.
Проверка выполняется.
При Smax =18,2 МВ*А выбираем повод марки АС -
70/11. Параметры провода приведены в таблице 4.4.
Таблица 4.3.
|
Sном
|
UВН
|
UСН
|
UНН
|
Uквс
|
Uквн
|
Uксн
|
Pхх
|
Pк
|
Iк
|
|
МВА
|
кВ
|
кВ
|
кВ
|
%
|
%
|
%
|
кВт
|
кВт
|
%
|
|
16
|
115
|
-
|
11
|
-
|
10.5
|
-
|
19
|
85
|
0.7
|
Таблица 4.4.
|
провод
|
r0, Ом/км
|
х0, Ом/км
|
Iдоп, А
|
пропускная способность
равна S, МВ*А
|
|
АС-70/11
|
0,429
|
0,444
|
265
|
52,9
|
Раздел 5. Технико-экономическое сравнение
вариантов развития Восточных электрических сетей ОАО «МОЭСК»
.1 Определение вариантов развития электрических
сетей
1. Построение воздушной линии 35 кВ Жегалово - Соколовская с заменой
трехобмоточных трансформаторов на подстанции Жегалово и двухобмноточных на
подстанции Соколовская.
2. Перевод подстанции Соколовская на 110 кВ присоединив отпайками
воздушной линии 110 кВ Трубино - Жегалово.
Результаты расчетов установившихся режимов рассматриваемых вариантов
предоставлены в Приложение 1.
5.2 Условия сопоставимости вариантов при проектировании
Энергетика в не зависимости от форм собственности на энергетических
предприятиях имеет технологические особенности, без учета которых не возможен
выбор вариантов технического решения. Таких особенностей достаточно много, их
не обходимо учитывать:
Не прирывность и соразмерность во времени процессов производства
и потребления электроэнергии;
Режимы производства электроэнергии соответствуют режимам ее
потребления;
Не возможность складирования энергетической продукции;
Необходимость наличие резервных мощностей;
Не возможность отбраковки энергетической продукции;
В качестве продукции выступают и мощность и энергия.
При сравнении вариантов технических решений учитываются эти особенности,
а так же следующие условия сопоставимости вариантов технических решений.
1.) Приведение вариантов к одинаковому энергетическому эффекту у
потребителя, т.е одинаковая мощность и энергия при выборе любого варианта.
Используемые ранее значения замещаемых мощностей и энергии в настоящее время
использовать нельзя, т.к. нет единого собственника единого инвестора на
территории страны. Обеспечение выполнения данного условия сопоставимости
возможно при использовании удельных величин, приходящихся на единицу энергии
Для определения необходимости инвестиций можно воспользоваться данными в
соответствующей литературе с последующей корректировкой на уровень инфляции.
.) Расчет для каждого варианта оптимального технического решения. Это
означает, что сравнивать два варианта, один из которых морально устарел, а во
втором используется современное оборудование нельзя.
При расчете затрат по каждому из вариантов необходимо учитывать затраты в
смежные отрасли (объекты).
Под смежными объектами понимаются такие которые необходимо поддерживать в
течении всего периода нормальной последующей эксплуатации основного объекта.
Как правило, это условие сопоставимости бывает не обходимо при крупных
проектных решениях, таких как, например, выбор места строительства мощных
электростанций у топливной базы или у потребителя.
.) Обеспечение единообразия расчетов отдельных элементов по всем
рассматриваемым вариантом:) Должна быть обеспечена одинаковая степень
подробности точности расчетов по всем элементам в каждом варианте;
b) При сравнении
вариантов можно не принимать те затраты, которые являются одинаковыми для
любого из вариантов;) Варианты должны обеспечивать одинаковую
надежность, качество, долговечность;) В расчетах капиталовложения,
используемые для увеличения основных фондов и оборотных средств должны быть
приведены к одному году по всем вариантам;) Возможно использовать
укрупненные показатели стоимости (УПС) одной проектной организацией для всех
рассматриваемых вариантов
4.) Учет фактора времени. Сравниваемые варианты могут иметь различный
срок строительства, срок службы или жизненный цикл, по этому следует все
варианты привести (дисконтировать) к одному году, чаще всего к началу процесса
инвестирования.
Все рассмотренные условия сопоставимости вариантов должны быть соблюдены
при использовании рекомендуемых методов оценки эффективности инвестиций.
5.3 Технико-экономическое сравнение вариантов
Для II климатического района выбираются
железобетонные опоры линий. Для технико-экономического сравнения вариантов
определим приведенные затраты по вариантам проекта сети. Для этого
предварительно определим капиталовложения и эксплуатационные расходы.
1. Определение капиталовложений
КΣ=КЛЭП+КПС-КЛИКВ,
где КΣ - суммарные капиталовложения на сооружение сети ,
КЛЭП - стоимость ЛЭП,
КПС - стоимость подстанции,
КЛИКВ- стоимость ликвидируемого оборудования.
КЛЭП=к0·ℓI,
где к0 - стоимость сооружения 1 км ВЛ в зависимости от напряжения и
сечения провода с учетом конструкций, материала опор и района по гололеду, ℓi - длина ВЛ, км.
КПС=Ктр+Кру +КПОСТ,
где КТР - расчетная стоимость силового трансформатора,
КРУ - расчетная стоимость РУ,
КПОСТ - постоянная часть затрат.
Вариант 1
КПС=2·320+2·110+2·75=1010 тыс. руб.,
КЛИКВ=(2·255+2·70+95) ·0.05=37.25 тыс. руб.,
т.к. стоимость объектов взята по ценам 1991г., то с учетом удорожания
оборудования следует ввести коэффициент удорожания К(лин)=66, К(пс)= 72 по
[12].
КΣ1=264*66+1010*72-37.25*72=87462 тыс.
руб.,
Вариант 2
КЛЭП=57·1=57 тыс. руб.,
КПС=2·172+5·290=1794 тыс. руб.,
КЛИКВ=(2·70+95+700+8·50) ·0.05=66.75 тыс. руб.,
т.к. стоимость объектов взята по ценам 1991г., то с учетом удорожания
оборудования следует ввести коэффициент удорожания К(лин)=66, К(пс)= 72 по
[12].
КΣ2=57*66+1794*72-66.75*72=90960.48 тыс. руб.,
Определение
издержек:
И=ИЛЭП+ИПОДС+И∆Э +ИРЕМ,
ИЛЭП=αЛЭП%/100 ·КЛЭП,
ИПОДС= αПОДС%/100 ·КПОДС,
где ИЛЭП, ИПОДС - отчисления от капиталовложений на амортизацию, текущий
ремонт и обслуживание ВЛ и подстанций,
αЛЭП%, αПОДС% -нормы отчислений для ВЛ и
подстанции,
ИРЕМ- издержки на ремонт,
И∆Э=З·∆ЭПЕР,
где З - удельные затраты на возмещение переменных и постоянных потерь 1
кВт ·ч электроэнергии, для ОАО «МОЭСК» З=0.8 руб/ кВт ·ч,
∆ЭПЕР=∑∆Pмаксi·τсв,
где ∑∆Pмакс
- потери активной мощности в режиме максимальных нагрузок,
ТМПсв - средневзвешенное время максимальных потерь для всей сети.
ТМПсв=5200 ч.
По [1] находим τсв=3000 ч
ИРЕМ =0.1 ·КΣ
Вариант 1
ИЛЭП=(2·10-2)·264=5.28 тыс. руб./г,
ИПОДС=(4.4·10-2)·1010=44.44 тыс. руб./г,
∑∆Pмакс=8.6 МВт,
∆Эпер=8.6·3000=25800 МВт·ч,
И∆Э=800·25800=20640 тыс. руб./г,
ИРЕМ =0.1·1236.75=123.675 тыс руб./г.
И=(5.28+44.44+123.675) ·21.6+20640=24385.5 тыс. руб./г,
Вариант 2
ИЛЭП=(2·10-2)· 57 = 1.14 тыс. руб./г,
ИПОДС=(4.4·10-2)· 1794=78.9 тыс. руб./г,
∑∆Pмакс=7.17 МВт,
∆Эпер=7.17·3000=21510 МВт·ч,
И∆Э=800·21510 =17208 тыс. руб./г,
ИРЕМ =0.1·1784.25=178.425 тыс руб./г.
И=(1.14+78.9+178.425)·21.6+17208 =22791 тыс. руб./г,
Определение приведенных затрат
З=Ен·К+И,
Где ЕН - нормативный коэффициент сравнительной эффективности капитальных
вложений, равный обратной величине срока окупаемости,
ЕН=0.12,
Вариант 1: З=0.12·26713.8+24385.5 =27591.16 тыс. руб./г.
Вариант 2: З=0.12·38539.8+22791 =27415 тыс. руб./г.
∆З=((27591.16-27415)/ 27591.16) ·100%=1 %.
Варианты 1 и 2 можно считать равноэкономичными.
Определение периода окупаемости проекта
лет.
Вариант
1 и 2 можно считать равноэкономичными. Из равноэкономичных вариантов
предпочтение отдается варианту с более высоким номинальным напряжением т.е.
Варианту 2.
6. Выявление перспективных расчетных режимов
работы электрических сетей
Режим работы электрической сети характеризуется состоянием ее схемы и ее
отдельных элементов, величинами потребляемой и генерируемой мощности. В
соответствии с этим различают нормальные и послеаварийные установившиеся режим
работы электрической сети.
Выбор режимов производится для анализа работы перспективной сети.
Рассмотрим режимы работы таких важных, вновь сооружаемых объектов, как новая
подстанция Соколовская, воздушных линий 110 кВ.
На основании изложенного выше в разделе 3 принимаются в качестве
расчетных следующие режимы:
1. Режим максимальных нагрузок при перспективном уровне электроснабжения
на 2015 г. с увеличением мощности нагрузок на 20% (см. чертежи 2, 3).
2. Рассчитываются основные послеаварийные режимы.
В дипломном проекте рассмотрены наиболее характерные послеаварийные
режимы, которые наступают вследствие отключения наиболее важных элементов.
Такими элементами для данной сети являются ВЛЭП 220 кВ Трубино-Восточная, ВЛЭП
110 кВ Трубино- Жегалово; трансформаторы на подстанции Соколовская,
автотрансформаторы АТДЦТН - 250000/220/110 на подстанции Трубино, группа
однофазных трансформаторов АОДЦТН - 167000/500/220.
Расчет установившихся режимов производится для определения уровней
напряжения на подстанциях, загрузки воздушных линий и автотрансформаторов на подстанциях
с возросшими нагрузками.
7. Расчет и анализ перспективных режимов работы
электрических сетей
В данном разделе представлены расчеты перспективных режимов работы
проектируемой сети и их анализ.
Исходными данными для расчетов установившихся режимов указанных в разд. 6
по узлам и ветвям приведены в табл. 7.1, 7.2 и 7.3.
Таблица 7.1
|
N подстанции
|
U ВН кВ
|
U СН кВ
|
U НН кВ
|
Нагрузка НН (МВ*А)
|
|
514 Трубино
|
220
|
110
|
10
|
13.9+j8.8
|
|
212 Восточная
|
220
|
110
|
10
|
121+j74.7
|
|
692 Баскаково
|
220
|
110
|
10
|
103+j64
|
|
22 Кучино
|
110
|
35
|
10
|
18.6+j11.6
|
|
419 Минеральная
|
110
|
35
|
10
|
48.3+j30
|
|
157 Горенки
|
110
|
-
|
10
|
58.6+j36.3
|
|
681 Алмазово
|
110
|
-
|
10
|
18.7+j11.7
|
|
194 Кислородная
|
110
|
-
|
10
|
35.7+j22.2
|
|
705 Жегалово
|
110
|
35
|
10
|
25.8+j16
|
|
261 Соколовская
|
35
|
10
|
6
|
15.5+j9.6
|
|
27 Черная
|
35
|
-
|
6
|
14.5+j9
|
|
730 Гребнево
|
110
|
-
|
10
|
25.45+j15.8
|
|
83 Райки
|
110
|
-
|
10
|
12.5+j9.6
|
|
742 Орбита
|
110
|
-
|
10
|
15.2+j9.4
|
|
47 Щелково
|
110
|
35
|
6
|
14.1+j6.7
|
|
115 Чкалово
|
35
|
-
|
6
|
1+j0.6
|
Таблица 7.2
|
N подстанции
|
Типы трансформаторов
|
|
Трансформатор
|
Sном, кВ*А
|
U ВН, кВ
|
U СН, кВ
|
U НН, кВ
|
|
514 Трубино
|
6хАОДЦТН-167000
|
167000
|
500
|
220
|
10
|
|
2хАТДЦТН-250000
|
250000
|
220
|
110
|
10
|
|
2хТРДН-25000
|
25000
|
110
|
-
|
10
|
|
212 Восточная
|
3хАТДЦТН-200000
|
200000
|
220
|
110
|
10
|
|
692 Баскаково
|
2хАТДЦТН-200000
|
200000
|
220
|
110
|
10
|
|
22 Кучино
|
2хТДТН-25000
|
25000
|
110
|
35
|
10
|
|
419 Минеральная
|
2хТРДЦН-63000
|
63000
|
110
|
-
|
10
|
|
ТДТН-40000
|
40000
|
110
|
35
|
10
|
|
157 Горенки
|
2хТРДЦН-63000
|
63000
|
110
|
-
|
10
|
|
681 АЛМАЗОВО
|
2хТРДН-25000
|
25000
|
110
|
-
|
10
|
|
194 Кислородная
|
2хТРДЦН-63000
|
63000
|
110
|
-
|
10
|
|
705 Жегалово
|
2хТДТН-25000
|
25000
|
110
|
35
|
10
|
|
261 Соколовская
|
2хТДН-16000
|
16000
|
110
|
-
|
10
|
|
27 Черная
|
3хТМН-6300
|
6300
|
110
|
-
|
6
|
|
730 Гребнево
|
2хТРДН-40000
|
40000
|
110
|
-
|
10
|
|
83 Райки
|
2хТРДН-25000
|
25000
|
110
|
-
|
10
|
|
742 Орбита
|
2хТРДН-40000
|
40000
|
110
|
-
|
10
|
|
47 Щелково
|
2хТДТН-25000
|
25000
|
110
|
35
|
6
|
|
115 Чкалово
|
ТМН-5600
|
5600
|
35
|
-
|
6
|
|
8 Городищи
|
2хТМН-4000
|
4000
|
35
|
-
|
6
|
|
206 Фрязино
|
2хТРДН-40000
|
40000
|
110
|
-
|
10
|
|
ТДТН-40000
|
40000
|
110
|
35
|
10
|
|
641 Гранит
|
ТДТН-40000
|
40000
|
110
|
35
|
10
|
|
549 Косино
|
2хТРДЦН-63000
|
63000
|
110
|
-
|
10
|
Таблица 7.3.
|
№
|
Название ЛЭП
|
Марка провода
|
Длина, км
|
|
ВЛ 220 кВ
|
|
|
|
1
|
Трубино - Восточная
|
АС - 400/51
|
28,2
|
|
2
|
Баскаково - Восточная
|
АС - 500/26
|
4
|
|
ВЛ 110 кВ
|
|
|
|
3
|
Восточная - Кучино
|
АС - 150/24
|
15
|
|
4
|
Восточная - Горенки
|
АС - 180/24
|
6
|
|
5
|
Кучино - Минеральная
|
АС - 150/24
|
10,1
|
|
6
|
Горенки - отп. Алмазово
|
АС - 150/24
|
7
|
|
7
|
Трубино - отп. Алмазово
|
АС - 150/24
|
25
|
|
8
|
отп. Алмазово
|
АС - 150/24
|
5
|
|
9
|
Горенки - Кислородная
|
АС - 150/24
|
5
|
|
10
|
Кислородная - Жегалово
|
АС - 150/24
|
10
|
|
11
|
Трубино - отп. Соколовская
|
АС - 150/24
|
8
|
|
12
|
Жегалово - отп. Соколовская
|
АС - 150/24
|
4
|
отп. Соколовская
|
АС - 70/11
|
1
|
|
14
|
Трубино - Гребнево
|
АС - 150/24
|
11,1
|
|
15
|
Гребнево - Райки
|
АС - 150/24
|
4,7
|
|
16
|
Райки - Орбита
|
АС - 150/24
|
4
|
|
17
|
Гребнево - Орбита
|
АС - 150/24
|
8,7
|
|
18
|
Гребнево - Щелково
|
АС - 120/27
|
1,5
|
|
19
|
Трубино - Щелково
|
АС - 120/27
|
11
|
|
20
|
Трубино - Фрязино
|
АС - 150/24
|
5
|
|
21
|
Фрязино - Гранит
|
АС - 150/24
|
20
|
|
22
|
Баскаково-Косино
|
АС - 150/24
|
4
|
|
23
|
Косино-Восточная
|
АС - 150/24
|
3
|
|
ВЛ 35 кВ
|
|
|
|
24
|
Минеральная - Черная
|
АС - 120/27
|
4
|
|
25
|
Щелково - Чкалово
|
АС - 120/27
|
7
|
|
26
|
Чкалово - Городищи
|
АС - 120/27
|
6
|
|
27
|
Кучино - Черная
|
АС - 95/16
|
10
|
7.1 Режим максимальных нагрузок
Результаты расчета установившегося режима представлены в П.1. В
результате анализа расчета установлено:
1. Напряжения в большинстве узлов сети энергосистемы не превышает 1,05
от Uном. Минимальное напряжение в сети
110 кВ на п/ст. Минеральная U=112
кВ (1,02 от Uном), максимальное напряжение на
п/ст. Трубино U=116 кВ (1,054 от Uном). При этом в сети 220 кВ
максимальный уровень напряжения на шинах п/ст. Баскаково и Восточная U=228 кВ (1,04 от Uном), минимальный уровень - на шинах
п/ст. Трубино U=227 кВ (1,03 от Uном) результат расчета предоставлен в
табл. П.1.1..
2. Наиболее загруженной является воздушная линия Восточная - Горенки
Кз=0,634. Загрузка по остальным линиям не превышает оптимального значения
результат расчета предоставлен в табл. П.1.2.
. Загрузка автотрансформаторов и трансформаторов (табл. П.1.3.) не
превышает номинальных значений (Кз<1). Для обеспечения данного режима,
регулирование нужных уровней напряжения осуществлялось с помощью РПН, ПБВ
трансформаторов, а также с помощью ЛТДН.
7.2 Режим минимальных нагрузок
Расчет режима минимальных нагрузок проводился для оценки уровней
напряжения на подстанциях, и анализа перетоков реактивной мощности, при этом
нагрузки на подстанциях составляли 40% от нагрузок в максимальном режиме:
1. Анализ результатов расчета (табл. П.1.4.), показывает, что
напряжения в большинстве узлов сети энергосистемы находится в пределах Uном. Напряжение в сети 110 кВ
находится в пределах 110-112 кВ (1,0 - 1,02 от Uном). При этом в сети 220 кВ максимальный уровень напряжения
на шинах п/ст. Баскаково и Восточная U=230 кВ (1,05 от Uном),
минимальный уровень - на шинах п/ст. Трубино U=218 кВ (0,995 от Uном).
2. Анализ результатов расчета (в табл. П.1.5.), показывает, что
наиболее загружена воздушная линия Трубино - Восточная Кз=0,98. Загрузка по
остальным линиям не превышает оптимального значения.
. Загрузка автотрансформаторов и трансформаторов (табл. П.1.6.) не
превышает номинальных значений (Кз<1). Для обеспечения данного режима,
регулирование нужных уровней напряжения осуществлялось с помощью РПН, ПБВ
трансформаторов, а также с помощью ЛТДН.
7.3 Послеаварийные режимы
Ниже представлены результаты расчетов послеаварийных режимов работы сети
для перспективной нагрузки на 2015 год:
1. Отключение одного трансформатора ТДН -16000/110/10 на п/ст.
Соколовская.
2. Отключение ЛЭП 110 кВ Трубино - Жегалово.
. Отключение ЛЭП 220 кВ Трубино -Восточная.
. Отключение одного автотрансформатора АТДЦТН - 250000/220/110 на
п/ст. Трубино.
. Отключение группы однофазных автотрансформаторов АОДЦТН -
167000/500/220 на п/ст. Трубино.
Результаты расчета установившегося режима представлены в Прил. 1.
7.3.1 Отключение одного трансформатора ТДН -
16000/110 на п/ст. Соколовская
В результате анализа расчета установлено (см. чертеж 3):
1. Напряжения в большинстве узлов сети энергосистемы не превышает
1,05 от Uном. Минимальное напряжение в сети
110 кВ на п/ст. Минеральная U=112
кВ (1,02 от Uном), максимальное напряжение на
п/ст. Трубино U=116 кВ (1,054 от Uном). При этом в сети 220 кВ
максимальный уровень напряжения на шинах п/ст. Баскаково и Восточная U=228 кВ (1,04 от Uном), минимальный уровень - на шинах
п/ст. Трубино U=227 кВ (1,03 от Uном) результат расчета предоставлен в
табл. П.1.7..
2. Наиболее загружена воздушная линия Восточная - Горенки Кз=0,635.
Загрузка по остальным линиям не превышает оптимального значения. Результат
расчета предоставлен в табл. П.1.8.
. Загрузка автотрансформаторов и трансформаторов (табл. П.1.9.) не
превышает номинальных значений (Кз<1). Трансформатор ТДН - 16000/110
работает с Кз=1.23, что не превышает предельного значения Кз=1.4. Для
обеспечения данного режима, регулирование нужных уровней напряжения
осуществлялось с помощью РПН, ПБВ трансформаторов, а также с помощью ЛТДН.
7.3.2 Отключение ЛЭП 110 кВ Трубино - Жегалово
В результате расчета установлено (см. чертеж 3):
1. Напряжения в большинстве узлов сети энергосистемы не превышает
1,05 от Uном. Минимальное напряжение в сети
110 кВ на п/ст. Минеральная U=112
кВ (1,02 от Uном), максимальное напряжение на
п/ст. Трубино U=116 кВ (1,054 от Uном). При этом в сети 220 кВ
максимальный уровень напряжения на шинах п/ст. Баскаково и Восточная U=228 кВ (1,04 от Uном), минимальный уровень - на шинах
п/ст. Трубино U=227 кВ (1,03 от Uном) результат расчета предоставлен в
табл. П.1.10..
2. Наиболее загружена воздушная линия Трубино - отп. Соколовская
Кз=0,7. Загрузка по остальным линиям не превышает оптимального значения.
Результат расчета предоставлен в табл. П.1.11.
. Загрузка автотрансформаторов и трансформаторов (табл. П.1.12.)
увеличилась по сравнению с нормальным режимом работы, но не превышает
номинальных значений (Кз<1). Для обеспечения данного режима регулирование
нужных уровней напряжения осуществлялось с помощью РПН, ПБВ трансформаторов, а
также с помощью ЛТДН.
7.3.3 Отключение ЛЭП 220 кВ Трубино -Восточная
В результате расчета установлено (см. чертеж 3):
1. Напряжения в большинстве узлов сети не превышает 1,05 от Uном. Минимальное напряжение в сети
110 кВ на п/ст. Минеральная U=110
кВ (1,0 от Uном), максимальное напряжение на
п/ст. Трубино U=114 кВ (1,054 от Uном). При этом в сети 220 кВ
максимальный уровень напряжения на шинах п/ст. Трубино U=227 кВ (1,03 от Uном), минимальный уровень - на шинах п/ст. Восточная и Баскаково U=225 кВ (1,02 от Uном) результат расчета предоставлен в
табл. П.1.13..
2. Наиболее загружена воздушная линия Восточная - Горенки Кз=0,875.
Загрузка по остальным линиям не превышает оптимального значения. Результат
расчета предоставлен в табл. П.1.14.
. Загрузка автотрансформаторов (табл. П.1.15.) увеличилась по
сравнению с нормальным режимом работы, но не превышает номинальных значений
(Кз<1). Для обеспечения данного режима регулирование нужных уровней
напряжения осуществлялось с помощью РПН, ПБВ трансформаторов, а также с помощью
ЛТДН.
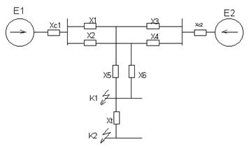
7.3.4 Отключение одного автотрансформатора
АТДЦТН -250000/220/110 на п/ст. Трубино
В результате расчета установлено (см. чертеж 3):
1. Напряжения в большинстве узлов сети не превышает 1,05 от Uном. Минимальное напряжение в сети
110 кВ на п/ст. Минеральная U=113
кВ (1,027 от Uном), максимальное напряжение на
п/ст. Баскаково U=118 кВ (1,07 от Uном). При этом в сети 220 кВ
максимальный уровень напряжения на шинах п/ст. Трубино U=226 кВ (1,03 от Uном), минимальный уровень - на шинах п/ст. Восточная и Баскаково U=223 кВ (1,02 от Uном) результат расчета предоставлен в
табл. П.1.16..
2. Наиболее загружена воздушная линия Восточная - Горенки Кз=0,97.
Загрузка по остальным линиям не превышает оптимального значения. Результат расчета
предоставлен в табл. П.1.17.
. Загрузка автотрансформаторов и трансформаторов (табл. П.1.18.)
не превышает номинальных значений (Кз<1). На п./ст. Трубино
автотрансформатор АТДЦТН - 250000/220/110 работает с Кз=1.4, что является
предельным значением. Для обеспечения данного режима, регулирование нужных
уровней напряжения осуществлялось с помощью РПН, ПБВ трансформаторов, а также с
помощью ЛТДН.
7.3.5 Отключение группы однофазных
автотрансформаторов АОДЦТН - 167000/500/220 на п/ст. Трубино
В результате расчета установлено:
1. Напряжения в большинстве узлов сети не превышает 1,05 от Uном. Минимальное напряжение в сети
110 кВ на п/ст. Минеральная U=110
кВ (1,0 от Uном), максимальное напряжение на
п/ст. Баскаково U=114 кВ (1,04 от Uном). При этом в сети 220 кВ
максимальный уровень напряжения на шинах п/ст. Восточная и Баскаково U=225 кВ (1,024 от Uном), минимальный уровень - на шинах
п/ст. Трубино U=224 кВ (1,018 от Uном) результат расчета предоставлен в
табл. П.1.19..
2. Наиболее загружена воздушная линия Восточная - Горенки Кз=0,65.
Загрузка по остальным линиям не превышает оптимального значения. Результат
расчета предоставлен в табл. П.1.20.
. Загрузка автотрансформаторов и трансформаторов (табл. П.1.21.)
не превышает номинальных значений (Кз<1). На п./ст. Трубино группа
однофазных автотрансформаторов АОДЦТН - 167000/500/220 работает с Кз=0.8, что
не превышает предельного значения Кз=1.4. Для обеспечения данного режима,
регулирование нужных уровней напряжения осуществлялось с помощью РПН, ПБВ
трансформаторов, а также с помощью ЛТДН.
Работа сети в нормальном режиме соответствует требования [2] с точки
зрения уровней напряжений, величины загрузки элементов сети.
Выбранные номера ответвлений РПН и ПБВ автотрансформаторов и
трансформаторов и линейных регуляторов выше описанных режимов предоставлены на
схемах в Прил. 1.
8. Разработка проекта подстанции 110/10
.1 Характеристика подстанции и ее нагрузок
Проектируемую подстанцию “Соколовская” можно отнести к категории
тупиковых подстанций, питаемая по двум отпайкам (ЛЭП Трубино - Жегалово).
Высшее напряжение 110 кВ, низшее 10 кВ. Подстанция обслуживается персоналом на
щите управления.
Как было определено в разд. 4, на подстанции устанавливаем два
трансформатора ТДН - 16000/110. Параметры трансформатора приведены в табл. 8.1:
Таблица 8.1.
|
Sном
|
UВН
|
UНН
|
Uк
|
Pхх
|
Pк
|
Iк
|
|
МВА
|
кВ
|
кВ
|
%
|
кВт
|
кВт
|
%
|
|
16
|
115
|
11
|
10,5
|
19
|
85
|
0,7
|
Максимальные значения активной, реактивной и полной мощностей:
Pmax=15.5
МВт,
Qmax=9,6
Мвар,
, (8.1)
Smax=
(
).
8.2 Расчет токов короткого замыкания
Исходными
данными для расчета токов короткого замыкания являются:
Хс1*=1.0
(о.е) - сопртивление системы (п./ст. Трубино) прямой последовательности;
SC1=3820 (
) - мощность системы п./ст. Трубино;
Iкз(3)=19.18
(кА) - ток трехфазного кз п./ст. Трубино;
Х0с1*=1.78
(о.е) - сопртивление системы (п./ст. Трубино) нулевой последовательности;
Хс2*=0.99
(о.е) - сопртивление системы (п./ст. Жегалово) прямой последовательности;
SC2=1581.5 (
) - мощность системы п./ст. Жегалово;
Х0с2*=1.286
(о.е) - сопртивление системы (п./ст. Жегалово) нулевой последовательности;
Iкз(3)=7.94 (кА)
- ток трехфазного кз п./ст. Жегалово;
На
проектируемой подстанции рассчитывается начальное значение периодической
составляющей тока короткого замыкания - Iпо:
на
шинах 10кВ - трехфазного кз (точка К2);
на
шинах 110 - трехфазного и однофазного кз (точка К1).
При
определении параметров схемы замещения используется система относительных
единиц. Величина базовой мощности Sб=1000 МВА, базовые напряжения:
10.5, 115.
Расчетная
схема представлена на рис.8.1
рис. 8.1.
Схема замещения представлена на рис 8.2
рис.
8.2.
Найдем
сопротивление систем при базисных условиях:
(о.е.).
(о.е.).
сопротивление
трансформатора
Х9=Xтб=
;
сопротивление
линийср л = 115 (кВ);
;
;
;
.
Преобразуем
схему и найдем результирующие сопротивления схемы:
;
.
Приняв
точки кз удаленными, можно считать
=1.
Базовые токи при кз в точке К1:
кА,
в
точке К2:
кА.
Токи
при 3ф. КЗ в точках К1 и К2 :
(кА);
(кА).
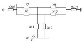
Рис. 8.3. Схема замещения нулевой последовательности
Результирующие сопротивления схемы нулевой последовательности:
;
;
Линии:
Х0/X1 = 4,7 (двухцепные с тросами), Х0/X1 = 5,5 (двухцепные без тросов);
X7 = X8 =
5,5·X1 = 5,5·0,242 = 1,331;
X9=X10 =
4,7·X3 = 4,7·0,12 = 0,564;
X11=X12 =
4,7·X5 = 4,7·0,03 = 0,14.
Преобразуем
схему и найдем результирующие сопротивления схемы нулевой последовательности:
;
Ток
однофазного кз в точке К1:
кА,
Ток
трехфазного кз в точке больше К1 однофазного. Следовательно, все оборудование в
дальнейшем будет приниматься по току трехфазного кз. Он является расчетным.
Находим
ударные токи:
на
стороне ВН
, где
у
- ударный коэффициент
на
стороне НН
.
кА.
Результаты расчета сведем в табл. 8.2
Таблица 8.2
Место
КЗ Точка к.з. Начальное значение периодической
составляющей токов
, кАУдарный ток 3х- ф. к.з.
,кАУдарный
ток 1- ф. к.з.
|
,кА
|
|
|
|
|
|
Трехфазное к.з.
|
Однофазное к.з.
|
|
|
|
Шины ВН, 110 кВ
|
18.05
|
8.83
|
45.9
|
22.5
|
|
|
Шины НН, 10 кВ
|
8.04
|
-
|
21
|
-
|
|
8.3 Выбор электрической схемы распределительного
устройства подстанции
Исходя из назначения данной подстанции, при двух присоединениях выбрана
схема c ремонтной перемычкой со стороны
линий 110 кВ (рис.8.3).
Рис.8.3.
Схема распределительного устройства
На
стороне 10кВ - одна одиночная, секционированная выключателем, система шин
(рис.8.4).
Рис.8.4.
Одна одиночная, секционированная выключателем, система шин
8.4 Выбор типов релейной защиты, автоматики,
измерений
Выбор
типов релейной защиты, установленной на подстанции, осуществляется в объеме
выбора защит силового трансформатора и защит на стороне 10 кВ
а)
На силовом трансформаторе ставятся следующие типы защит:
1. Продольная дифференциальная защита от
коротких замыканий трансформатора и на его выводах (tрз=0.1 с). [Д]
2. Газовая защита от внутренних
повреждений в трансформаторе и от понижения уровня масла в
трансформаторе(tрз=0.1 с). [Г]
3. Максимально-токовая защита от
сверхтоков короткого замыкания (tрз= 2.1с). [Т½В]
Максимально-токовая защита устанавливается со стороны питания
4. Максимально-токовая защита от
сверхтоков перегрузки с действием на сигнал. [Т½В]
На секционном выключателе 10кВ устанавливается комплект МТЗ (tрз=1.6 с).
[Т½В]
На кабелях, отходящих к потребителю, устанавливаются следующие виды
релейной защиты:
1. Максимально-токовая защита от
сверхтоков короткого замыкания
(tрз= 1.0с). [Т½В]
2. Токовая отсечка, если кабель не
проходит по термической стойкости по времени действия МТЗ (tрз=0.1-0.2 с). [Т]
3. Токовая защита, сигнализирующая
замыкание на землю в кабеле [Т0]
На шинах 10 кВ должен быть предусмотрен контроль изоляции с
использованием трансформатора НТМИ. Контроль изоляции выполняется в виде
комплекта реле напряжения, включаемого на обмотку разомкнутого треугольника, и
реле времени с действием на сигнал. Кроме того, предусматривается возможность
определения поврежденной фазы с помощью вольтметра, подключаемого на фазные
напряжения.
На стороне высшего напряжения устанавливаются быстродействующие защиты
(tрз= 0.1с).
На проектируемой подстанции предусмотрены следующие виды автоматики.
1. Автоматическое включение резерва
[АВР] на секционном выключателе 10кВ и на автомате 0.4 кВ трансформатора
собственных нужд.
2. Автоматическое повторное включение
линий ВН [АПВ] и на секционном выключателе.
3. Автоматическое включение охлаждающих
устройств трансформатора.
8.5 Выбор аппаратов и токоведущих частей
Для выбора аппаратов и токоведущих частей необходимо рассчитать ток
продолжительного режима Iпрод.
расч., табл. 8.3.
Найдем номинальные токи трансформатора соответствующие сторонам ВН и НН
трансформатора:
и
.
Таблица
8.3
|
Обозначение
|
Выключатель или токоведущая
часть
|
Вариант подстанции
|
|
|
|
|
Q1 и I
|
Выключатель и ошиновка
трансформатора на стороне низшего напряжения
|
кА
|
|
Q2
|
Секционный выключатель шин
10 кВ
|
|
|
Q3
|
Выключатель на линиях
потребителей 10 кВ
|
|
|
Q4
|
Выключатель на стороне
высшего напряжения
|
А
|
|
II
|
Сборные шины низшего
напряжения
|
А
|
|
III
|
Сборные шины высшего
напряжения
|
А
|
.5.1 Выбор элегазовой ячейки ПАСС
МО-145
Таблица 8.4
|
Расчетные данные
|
Силовой выключатель
|
Условия выбора или проверки
|
|
Uсети=110 кВ Iпрод.расч.=k2×Iт,ном Iпрод.расч.=92.4
А
|
Uном=220 кВ Iном=2500 А
|
По условиям длительного
режима Uном ³ Uсети I
прод.расч. £ Iном
|
|
iу=45,9 кА
|
id=100 кА
|
По электродинамической
стойкости id ³ iу
|
|
tрз=0.1 с
|
По термической стойкости tзап max ³ tрз
|
|
кА
кА
iу=45,9 кА
=18,05 кАiв.ном=100 кА
Iв.ном=100 кАПо
току включения
iв.ном ³ iу
|
Iв.ном ³
|
|
|
где Uном и Iном - номинальное напряжение и номинальный ток выключатель;
Uсети
- номинальное напряжение сети, где установлен выключатель;
Iпрод.расч
- максимальный ток ремонтного или послеаварийного режима, определяемого
согласно табл.8.2.;
id -
амплитудное значение предельного сквозного тока кз;
tрз -
время действия релейной защиты цепи, где установлен выключатель;
tо.в.
- полное время отключения выключателя с приводом;
Iо.ном
- номинальный ток отключения выключателя;
-
номинальное относительное содержание апериодической составляющей в отключаемом
токе при номинальном токе отключения;
-
апериодическая составляющая тока кз в момент времени t,
;
защ.мин
- минимальное время срабатывания релейной защиты (tзащ.мин=0.01с);
tо.с -
собственной время отключения выключателя с приводом;
iв.ном -
амплитудное значение номинального тока включения;
Iв.ном -
действующие значение номинального тока включения выключателя;
Iтер, tтер
- ток и время релейной защиты по условию термической стойкости;
К
табл. 8.3:
с;
с;
кА;
кА;
кА;
;
Разъединитель-заземлитель
Таблица 8.5.
|
Расчетные данные
|
Каталожные данные
|
условие выбора
|
|
Uсети=110 кВ
Iпрод.расч.=92.4 А
|
Uном=110 кВ Iном=2500 А
|
по условию длительного
режима
|
|
iу=45.9кА
|
iдин=100 кА
|
по динамической стойкости
|
|
tрз=0.1 с
|
по термической стойкости
|
|
Проверка трансформатора тока приведена в табл. 8.6:
Таблица 8.6
|
Расчетные данные
|
Каталожные данные
|
условие выбора
|
|
Uсети=110 кВ Iпрод.расч.=92.4
А
|
Uном=110 кВ Iном=150 А
|
по условию длительного
режима
|
8.5.2 Выбор высоковольтных выключателей и их
приводов
Выбор вводного выключателя, тип выключателя ВВТЭ-10 -20/1000УХЛ2 по [4].
Таблица 8.7
|
Расчетные данные
|
Каталожные данные
|
Условия выбора
|
|
Uсети=10 кВ
Iпрод.расч.=965.8 А
|
Uном=10 кВ Iном=1000 А
|
По условиям длительного
режима
|
=
=15.5кА
=
|
=35.74кАПо коммутационной
способности
|
|
|
|
кАiдин=52 кАПо динамической стойкости
|
|
|
|
tрз=2.6 c.
|
По термической стойкости
|
|
кА
кА
кА
|
кАПо току включения
|
|
|
|
Тип привода
|
|
ДПП
|
По [4]
принимаю КРУ со шкафами К-47 с номинальным током шин 1000 А.
Для таблицы
8.7:
;
τ = t защ.мин.+ t
о.с.= 0.01 + 0.05 = 0.06 с ;
с;
кА ;
кА.
Выбор секционного выключателя тип выключателя ВК-10 -630-20У2 по [4].
Таблица 8.8
|
Расчетные данные
|
Каталожные данные
|
условие выбора
|
|
Uсети=10 кВ Iпрод.расч.=579
А
|
Uном=10 кВ Iном=630 А
|
по условию длительного
режима
|
=
=15.5кА
=
|
=35.74кАпо коммутационной
способности
|
|
|
|
кАiдин=52 кАПо динамической стойкости
|
|
|
|
tрз=1.6 c.
|
По термической стойкости
|
|
кА
кА
кА
|
кАПо току включения
|
|
|
|
Тип привода
|
|
ДПП
|
По [4]
принимаю КРУ со шкафами К-47 с номинальным током шин 630 А.
Для таблицы
6.4:
;
с,
τ = t защ.мин.+ t
о.с.= 0.01 + 0.05 = 0.06 с ;
с;
кА ;
кА.
Выбор
выключателя отходящей кабельной линии тип выключателя ВК-10 -630-20У2 по [4].
Таблица 8.9
|
Расчетные данные
|
Каталожные данные
|
условие выбора
|
|
Uсети=10 кВ
Iпрод.расч.=135.8 А
|
Uном=10 кВ Iном=630 А
|
по условию длительного режима
|
=
=15.5
=
|
=35.74по коммутационной
способности
|
|
|
кА
кА
кА
|
кАПо динамической стойкости
|
|
|
|
tрз=1.2 c.
|
По термической стойкости
|
|
|
Тип привода
|
|
ДПП
|
По [4]
принимаю КРУ со шкафами К-47 с номинальным током шин 630 А.
Для таблицы
8.9:
;
с,
τ = t защ.мин.+ t
о.с.= 0.01 + 0.05 = 0.06 с ;
с;
кА ;
кА;
8.5.3 Выбор ограничителей перенапряжений
На стороне ВН принимаем ОПН - 110/88-10(III) IV
УХЛ1.
В нейтрале принимаем ОПН - 110/88-10(III) IV
УХЛ1.
На стороне НН принимаем ОПН - 10/9.5-10(II) УХЛ1.
8.5.4 Выбор аппаратов в цепи трансформатора
собственных нужд
Для питания собственных нужд устанавливаются два трансформатора с
вторичным напряжением 0.4 кВ. Мощность трансформатора собственных нужд можно
ориентировочно принять
ном.ТСН³Sрасч.ТСН»0.3%Sном.т=48 кВт.
Принимаем трансформаторы типа ТСЗ-63/10:Uвн=10 кВ;Uнн=0.4 кВ;S=63 кВА;
условие для выбора аппаратуры;
;
.
Выбор
предохранителя
А;
Из
условия выбора аппаратуры
принимаем
ПКТ101-10-8-31.5У3;
ном=8
А Iном.откл=31.5 кА;
проверка
по коммутационной способности
ном.откл³Iпо ; 31.5>8.04,
Выбор
автомата
А.
Из
условия выбора аппаратуры
принимаем рубильник Р32
ном=250
iу=64 кА Вк=64 кДж.
Принимаем
автомат ВА 88-35
Автомат
имеет уставки 960-4400А от токов к. з. и 150-800А от перегрузки а так же
Iном=400 и iоткл=10 кА.
8.5.5 Выбор измерительных трансформаторов тока и
напряжения
Измерительные
приборы и места их установки
Таблица 8.10
|
№ п/п
|
Место установки приборов
|
Приборы
|
|
1.
|
Трансформатор
двухобмоточный на стороне НН
|
Амперметр (Э-335) Ваттметр
(Д-335) Счетчик активной энергии (СА4У-И672М) Счетчик реактивной энергии
(СР4У-И676М)
|
|
2.
|
Секционный выключатель
|
Амперметр в одной фазе
(Э-335)
|
|
3.
|
Секция шин НН
|
Вольтметр (Э-335)
|
|
4.
|
Кабельная линия
|
Амперметр (Э-335) Счетчик
активной энергии (СА4У-И672М) Счетчик реактивной энергии (СР4У-И676М)
|
|
5.
|
Трансформатор собственных
нужд
|
Амперметр (Э-335) Счетчик
активной энергии (СА4У-И672М)
|
Выбор трансформаторов тока.
На стороне высшего напряжения:
Принимаем трансформатор тока наружной установки. Тип трансформатора тока
(ТТ) - ТФЗМ 110- У. Проверка трансформатора тока приведена в табл. 8.9.
Таблица 8.11
|
Расчетные данные
|
Каталожные данные
|
условие выбора
|
|
Uсети=110 кВ
Iпрод.расч.=92.4 А
|
Uном=110 кВ Iном=2500 А
класс точности=0.5
|
по условию длительного
режима
|
|
iу=5.02кА
|
Iдин=100 кА
|
по динамической стойкости
|
где ВК - интеграл Джоуля, определится последующему выражению:
(7.14);
кА2∙с
Окончательно
выбирает на стороне 110 кВ ТТ - ТФЗМ 110Б-I У1:
Т
- трансформатор тока;
Ф
- фарфоровая изоляция;
З
- с обмотками звеньевого типа;
М
- маслонаполненный;
-
номинальное напряжение;
У1
- климатическое исполнение;
На стороне НН трансформаторов ставим ТТ ТШЛК-10 в каждой фазе проверка
трансформатора тока приведена в табл. 8.12:
Таблица 8.12
|
Расчетные данные
|
Каталожные данные
|
Условие выбора
|
|
Uсети=10 кВ
Iпрод.расч.=965.8 А
|
Uном=10 кВ Iном=1000 А
Класс точности=0.5(при нагрузке 0.8 Ом)
|
по условию длительного
режима
|
|
кАIдин=70 кАпо динамической стойкости
|
|
|
|
Z2расч=0,6
|
Z2ном=0.4
|
по нагрузочной способности
|
Проверка по нагрузочной способности
Определение сопротивлений приборов
амп.=Sпотр. обм / I2=0.5/52=0.02 Ом;ватт.=Sпотр. обм / I2=0.5/52=0.02
Ом;сч.акт.= Sпотр. обм / I2=2.5/52=0.1 Ом;сч.реакт.= Sпотр. обм / I2=2.5/52=0.1
Ом.
в формулах:потр. обм - мощность, потребляемая токовой обмоткой данного
прибора- ток во вторичной обмотке трансформатора тока
Таблица 8.13
|
Прибор
|
Тип
|
нагрузка создаваемая
прибором, Ом
|
|
|
Фаза А
|
Фаза В
|
Фаза С
|
|
Амперметр
|
Э-335
|
-
|
0.02
|
-
|
|
Ваттметр
|
Д-335
|
-
|
0,02
|
-
|
|
Счетчик активной энергии
|
СА4У-И672М
|
0,1
|
-
|
0,1
|
|
счетчик реактивной энергии
|
СР4У-И676М
|
0,1
|
0,1
|
0,1
|
Самой нагруженной фазой является фаза А, либо фаза С.
Производим расчет сопротивления нагрузки для фазы А:
сч.акт.+Zсч.реакт.+rпров+rконтрасч=Zприб+rпров+rконт=
=0.1+0.1+rпров+0.05=0.25+rпров;
находим допустимое сопротивление провода:пров. доп.=0.8-0.25=0.55 Ом;
находим требуемое сечение для заданного сопротивления:
,
электрический сеть нагрузка подстанция
где
r - удельное сопротивление;- длина контрольного кабеля
(принимаем равной 50м);пров. доп. -допустимое сопротивление провода.
В
результате расчета получаем:=0.028×50/0.55=2.55
мм2;
из
условий механической прочности принимаем сечение контрольного кабеля 4 мм2=4
мм2 Þ rпров.= 0.028×50/4=0.35
Ом;расч=0.35+0.25=0.6 < 0.8 следовательно ТТ проходит по нагрузочной
способности.
На
секционном выключателе ставим ТТ ТПЛК-10 проверка трансформатора тока приведена
в таблице 8.14:
Таблица
8.14
|
Расчетные данные
|
Каталожные данные
|
условие выбора
|
|
Uсети=10 кВ Iпрод.расч.=579
А
|
Uном=10 кВ Iном=600 А класс
точности=0.5
|
По условию длительного
режима
|
|
iу=21 кА
|
Iдин=74.5 кА
|
по динамической стойкости
|
На отходящей кабельной линии ставим ТТ ТПЛК-10 проверка трансформатора
тока приведена в таблице 8.15:
Таблица 8.15
|
Расчетные данныеКаталожные
данныеусловие выбора
|
|
|
|
Uсети=10 кВ
Iпрод.расч.=135.8 А
|
Uном=10 кВ Iном=150 А класс
точности=0.5
|
По условию длительного
режима
|
|
iу=21 кА
|
Iдин=74.5 Ка
|
по динамической стойкости
|
Таблица 8.16
|
прибор
|
Тип
|
нагрузка создаваемая
прибором, Ом
|
|
50
|
Фаза С
|
Фаза А
|
Фаза В
|
0
|
|
Амперметр
|
Э-335
|
-
|
0,02
|
-
|
-
|
|
Счетчик активной энергии
|
СА4У-И672М
|
0,1
|
0,1
|
-
|
-
|
|
счетчик реактивной энергии
|
СР4У-И676М
|
0,1
|
0,1
|
-
|
0,1
|
Самой нагруженной фазой является фаза А,
производим расчет сопротивления нагрузки для фазы А:
находим
требуемое сечение для заданного сопротивления:
, где
r - удельное
сопротивление;- длина контрольного кабеля (принимаем равной 5м);пров. доп. -
допустимое сопротивление провода.
В
результате получаем
;
из
условий механической прочности принимаем сечение контрольного кабеля 6 мм2
.
Выбор
трансформаторов напряжения:
На
секции 10 кВ ставим ТН типа НТМИ-10-66У3 со следующими характеристиками:ном=10
кВ;
первичное
напряжение 10000 В;
вторичное
напряжение 100 В;
дополнительной
вторичной 100/3 В;
допустимая
мощность 120 В×А при (классе точности 0.5);
группа
соединений обмоток Y0/Y0/D;
Проверка
по нагрузочной способности :
Подсчет
нагрузки вторичной обмотки трансформатора напряжений.
Таблица
8.15.
|
Наименование прибора
|
Тип
|
Число катушек
|
Потребляемая мощность одной
катушки В*А
|
Число приборовP, ВтQ, В*А
|
|
|
|
|
Вольтметр
|
Э-335
|
1
|
2(2)
|
|
2
|
4
|
0
|
|
Ваттметр
|
Д-335
|
1
|
1,5
|
|
1
|
1,5
|
0
|
|
Счетчик активной энергии
|
СА4У-И672М
|
2
|
8(2)
|
|
9
|

|
|
|
Счетчик реактивной энергии
|
СР4У-И676М
|
2
|
8(2)
|
|
9
|

|
|
На
стороне ВН принимаем трансформатор напряжения НФК-110-83У1 с
характеристиками:ном=110 кВ;
первичное
напряжение 110000 В;
вторичное
напряжение 100 В;
допустимая
мощность 400 В*А при (классе точности 0.5).
8.5.6 Выбор провода высшего напряжения
Разводка по высокой стороне 110 кВ выполняются проводом АС-70.
8.5.7 Выбор ошиновки силового трансформатора
Ошиновка силового трансформатора от выводов 10 кВ до ввода в
распредустройство выполняется проводом АС-70.
Сечение ошиновки выбирается по экономической плотности тока и проверяется
по условию допустимости нагрева током утяжеленного режима :
Iдоп>
Iпрод.расч
где : Iпрод.расч.=965.8 А ;
Выбираем четыре алюминиевых провода .
.
8.5.8 Выбор кабельных линий к потребителю
N=10
Максимальный длительный ток нормального режима:
;
Сечение
силовых кабелей выбирается по экономической плотности тока
Экономическое
сечение одной шины кабеля
, где
-
экономическая плотность тока кабеля с бумажной изоляцией и алюминиевой жилой.
Принимаем
сечение q=70 мм2.
данные
кабеля:
допустимый
ток кабеля Iдоп=160 А бумажная изоляция, пропитка не стекающий состав,
свинцовая оболочка.
Проверка
стандартного сечения по нагреву током длительного режима
А, где
-
допустимый табличный ток;
-
поправочный коэффициент, зависящий от числа кабелей в траншее и расстояния
между ними.
Производим
проверку кабеля по термической стойкости:
Для
этого требуется определить минимально допустимое сечение
q ³ qмин=
мм2 ,
где
Вк
- тепловой импульс;
C - коэффициент, принимаемый в среднем для кабеля с алюминиевыми жилами
С=90 А2*с/мм4
Кабель АСБ-10-3´70 проходит по термической стойкости.
.5.9 Выбор и обоснование конструкций
распределительных устройств
На стороне НН применяется комплектное распределительное устройство
наружной установки (КРУН). Число шкафов на низшем напряжении данной подстанции
составляет 10 штук. Принимаем шкафы серии К-47, рассчитанные на номинальные
токи до 630А .
КРУН - распределительное устройство, состоящее из закрытых шкафов с
встроенными в них аппаратами, измерительными и защитными приборами. Шкафы КРУН
изготовляются на заводах, что позволяет добиться тщательной сборки всех узлов и
обеспечения надежной работы электрооборудования. Применение КРУН позволяет
ускорить монтаж РУ. КРУН более безопасно в обслуживании, т.к. все части,
находящиеся под напряжением закрыты кожухами.
На стороне ВН устанавливается открытое распределительное устройство (ОРУ)
с элегазовыми ячейками ПАСС МО-145.