Расчет подстанции

  • Вид работы:
    Дипломная (ВКР)
  • Предмет:
    Физика
  • Язык:
    Русский
    ,
    Формат файла:
    MS Word
    1,54 Мб
  • Опубликовано:
    2013-02-04
Вы можете узнать стоимость помощи в написании студенческой работы.
Помощь в написании работы, которую точно примут!

Расчет подстанции

ВВЕДЕНИЕ

Развитие энергетики Забайкалья.

История энергетики Забайкальского края начинается с 1906 года ХХ века, когда купцом Поляковым Я. С. (представитель одного из крупнейших банковских домов, связанных с построением железных дорог в Российской Империи) по договору С Читинской городской управой была построена локомотивная ТЭЦ в г. Чите. К 1924 году её мощность составила более 1000 кВт.

В 1930 году в Забайкалье на базе Черновского буроугольного месторождения была построена Черновская электростанция мощностью 3000 кВт. одновременно с сооружением электростанции было осуществлено строительство двадцатикилометровой линии электропередачи напряжением 22 кВ от этой электростанции до г. Читы.

В годы первых советских пятилеток Чита бурно развивалась, и для покрытия растущих потребностей в тепловой и электрической энергии в 1936 году в Чите была пущена в эксплуатацию Читинская ТЭЦ мощностью 2500 кВт, для снабжения паром и электроэнергией овчинно-шубного завода, мясокомбината и других предприятий.

Когда в СССР стали востребованы большие запасы полезных ископаемых, появилась необходимость формирования промышленных центров в соответствии с территориальным размещением ресурсов и месторождений. Для их электроснабжения строились новые электростанции: Холбонская ЦЭС (1933 г), Петровск-Забайкальская ТЭЦ (1939 г), Шерловогорская ТЭЦ (24 МВт, 1956 г), Приаргунская (Нерчинская) ТЭЦ (24 МВт, 1961 г).

В 1960 году на базе четырёх изолированно работавших энергорайонов создаётся районное энергетическое управление, в основу которого вошли существующие электростанции с установленной мощностью 82000кВт.

Первой крупной электростанцией в Забайкальском крае стала Читинская ГРЭС, давшая первый ток в 1955 году и энергосистема области пополнилась агрегатами 60 и 100 тыс. кВт.

Окончательно энергосистема сложилась в 1980 году, когда в СССР была создана единственная и уникальная до сих пор в мире Единая Электро Энерго Система (ЕЭЭС - автор М. Ботвинник). К этому времени было построено 3600 км воздушных линий электропередачи 220 кВ, 5700 км - 110/35 кВ, 27000 км - 20/0,4 кВ. В середине 80-х годов началось строительство ЛЭП 500 кВ.

В результате огромной работы были электрифицированы сельское хозяйство Забайкалья и Забайкальская железная дорога, построены ЛЭП и подключены потребители зоны БАМа.

Энергосистема «Читаэнерго» окончательно перестала быть изолированной, когда в 1986 году с полной электрификацией Транссибирской магистрали соединилась с «Бурятэнерго» и с «Амурэнерго».

-е годы для Забайкальской энергосистемы оказались очень продуктивными, так как с вводом электротяги ромышленных предприятий, началом строительства новых современных предприятий (в дальнейшем все проекты были заморожены «реформаторами») повысился уровень электропотребления и нагрузки достигли максимума.

Для ликвидации дефицита мощности началось строительство Харанорской ГРЭС мощностью 1260 Мвт, первый агрегат которой был введен в работу в 1995 году. Одновременно велось строительство воздушной линии ЛЭП - 500 кВ: Гусиноозёрская ГРЭС - Петровск-Забайкальский - Чита для выдачи дополнительной мощности в Читинскую энергосистему.

В настоящее время:

Филиал «МРСК Сибири» - «Читаэнерго» - осуществляет транспорт электроэнергии по распределительным сетям на территории всего Забайкальского края. В ведении «Читаэнерго» находится колоссальный объем оборудования электросетевого комплекса, которое предприятие обслуживает, модернизирует и совершенствует. Сегодня «Читаэнерго» - это семь производственных отделений, 23 РЭС (района электрических сетей), более 2 600 высокопрофессиональных сотрудников. Основное оборудование предприятия включает 174 подстанций напряжением 35-110 кВ (киловольт) и 6 696 подстанций напряжением 6-35/0,4 кВ. Протяженность линий электропередачи составляет 35581 км. Полезный отпуск электроэнергии в 2011 году ожидается в размере 2 860 млн. кВт/ч. Общая трансформаторная мощность всех подстанций «Читаэнерго» на сегодняшний день составляет 3 463 МВА (мегавольт/ампер).

На протяжении многих лет «Читаэнерго» является главной электросетевой компанией, которая обеспечивает передачу электроэнергии по распределительным сетям на территории всего Забайкальского края. Надежное электроснабжение предприятий, социально-значимых объектов, бытовых абонентов даже в самых отдаленных уголках края - это главная задача, решаемая предприятием.

Один из новых инвестиционных проектов - электрификация Южного хода Забайкальской железной дороги. Комплексная реконструкция и электрификация участка от станции Карымская до станции Забайкальск началась еще в 2008 году и осуществляется в рамках крупнейшего инвестиционного проекта «Перевозка нефти в Китай». Перед энергетиками была поставлена задача - обеспечить возводимые тяговые подстанции железной дороги и их инфраструктуру электроэнергией. После проведения всех необходимых проектных работ началось строительство новых и реконструкция действующих ЛЭП и подстанций.

В общей сложности было построено 55 километров новых линий электропередачи напряжением 110 кВ в двухцепном исполнении, еще более 75 км одноцепных линий. Так же было реконструировано 164 км линий электропередачи 110 кВ. Кроме того, энергетики произвели расширение подстанций «Орловский ГОК», «Турга», «Борзя-Восточная». Весной этого года состоялось знаменательное событие: напряжение было подано на первые две тяговые подстанции железной дороги: «Булак» и «Бурятская». После завершения заключительных работ ЗабЖД по электрификации участка Карымская - Оловянная, по железной дороге пошли первые электровозы. На данный момент «Читаэнерго» обеспечило возможность электроснабжения еще двух строящихся тяговых подстанций железной дороги - «Мирная» и «Борзя».

Постепенная замена тепловозной тяги на электрическую позволит не только увеличить грузопоток, а соответственно и экономическую эффективность железнодорожной ветки, но и благоприятно скажется на состоянии окружающей среды. Реализация этого проекта так же будет иметь положительный эффект для экономического развития Забайкальского края, его инвестиционной привлекательности.

Еще один крупный инвестпроект, выполненный «Читаэнерго» - обеспечение электроэнергией объектов мобильной связи, построенных вдоль автодороги М-58 - «Амур». Строительство этой федеральной трассы, протяженностью более 2100 километров, завершилось в сентябре 2010 года. Тогда председатель Правительства Российской федерации Владимир Путин совершил поездку по автодороге, после чего поручил Министерству Связи совместно с Министерством Энергетики и различными профильными организациями разработать план мероприятий по оборудованию трассы подвижной радиотелефонной связью. В рамках реализации этого крупнейшего проекта федерального масштаба было организовано теснейшее взаимодействие между энергетическими компаниями, операторами мобильной связи, строительно-монтажными организациями и различными профильными ведомствами. Филиал «МРСК Сибири» - «Читаэнерго» выполнил все свои обязательства в срок, обеспечив подачу электроэнергии на двадцать девять базовых станций, возведенных вдоль участка трассы «Амур», проходящего в зоне ответственности филиала. Стоит отметить специфику и сложность реализации данного проекта: большая часть трассы проходит в гористой местности, с сильнейшим перепадом высот и большим разнообразием грунта - начиная от труднопроходимых скальных пород и заканчивая болотистыми почвами. Несмотря на все это энергетики обеспечили возможность технологического присоединения объектов мобильной трассы в кратчайшие сроки.

В последние годы активными темпами реализуются проекты, нацеленные на развитие горнорудной промышленности на юго-востоке Забайкалья. Строительство железнодорожной ветки Нарын - Газимурский завод, разработка месторождений полезных ископаемых, возведение горно-металлургических комплексов и необходимой для них инфраструктуры - это масштабный проект, который должен дать новый импульс развитию промышленности региона, краевой экономики.

И в реализации этого проекта энергетикам отведена своя важная роль: обеспечить новые объекты электроэнергией. В этом году начались работы по строительству двух подстанций напряжением 110 кВ: «Быстринской» и «Бугдаинской». К будущим подстанциям были проложены двухцепные линии электропередачи 110 кВ, общая протяженность которых составила почти 12 км. Полным ходом идет строительство самих подстанций, уже смонтирована часть оборудования.

Ввод новых мощностей не только позволит обеспечить электроэнергией новые объекты, но и благоприятно скажется на развитии самого электросетевого комплекса, ведь реализация таких крупных инвестпроектов позволяет говорить о существенном увеличении полезного отпуска электроэнергии.

Полученные средства энергокомпания сможет направить на ремонтную программу, реновацию распределительного электросетевого комплекса края. В этом году объем ремонтной программы составил 102 млн. рублей. Подготовку к осенне-зимнему периоду 2011-2012 годов «Читаэнерго» начала еще в феврале: по всему краю энергетики приступили к расчистке просек воздушных линий электропередач

Летом ремонтная программа вступила в свою активную фазу: специалисты энергокомпании провели значительный объем работ на подстанциях различного класса напряжения на территории всего Забайкальского края. Было отремонтировано оборудование тринадцати подстанций напряжением - 110-35 кВ. проведен ремонт трансформаторов, разъединителей и другого оборудования открытых распределительных устройств. Помимо этого энергетики провели работу по ремонту кабельных линий, оборудования внутридомовых распредустройств, распределительных пунктов. Продолжилась и реализация различных целевых программ, таких как замена дефектных опор и замена «голого» провода на самонесущий изолированный. Так, в 2011 году «Читаэнерго» ввело в эксплуатацию около 100 км. СИП, заменив при этом практически все линии электропередачи, проходящие на территории детских садов и школ и выполненных ранее с применением «голого» провода. Это позволило существенно поднять безопасность эксплуатации ЛЭП, находящихся вблизи детских учреждений. Энергетиками было заменено более 5 тысяч дефектных опор в различных населенных пунктах края. Реализация всех этих мероприятий позволила энергокомпании достойно подготовиться к зиме, и уже по традиции, получить Паспорт готовности к несению осенне-зимнего максимума нагрузок одной из первых среди филиалов «МРСК Сибири». Так же активными темпами продолжилось технологическое присоединение к сетям объектов жилищного строительства и их инфраструктуры, социально-значимых объектов.

За 2011 год на территории всего края было введено в строй около 280 тысяч квадратных метров жилья. И энергетики обеспечили электроэнергией каждый возведенный объект. К электроснабжению был подключен микрорайон «Победа» в поселке Дровяная.

Так же было осуществлено технологическое присоединение к электросетям многоквартирных жилых домов для ветеранов по улицам Усуглинной и Космонавтов в городе Чите. Помимо этого, ведется работа по подключению жилых микрорайонов в поселках Агинское, Смоленка, Засопка, Забайкальск и Могойтуй. За последние три года «Читаэнерго» обеспечило присоединение к электросетям целого ряда крупных объектов социального значения. Был подключен спортивный комплекс «Мегаполис-Спорт», без которого сегодня уже трудно представить культурно-спортивную жизнь Читы. Электроснабжением был обеспечен новейший краевой перинатальный центр, открывшийся осенью этого года. Обеспечить технологическое присоединение этих и других объектов было бы весьма трудно, если бы «Читаэнерго» ранее не заложило необходимый резерв мощности, проведя реконструкцию ключевых подстанций.

Приведём справочные данные:

производство электроэнергии в Забайкальском Крае, млрд. кВт.час*

1990

1995

2000

2001

2002

2003

2004

2005

2006

2007

2008

2009

2010

2011

3,6

4,5

5,9

5,4

5,6

6,5

5,8

6,2

6,0

6,1

6,7

6,9

6,5

6,9

*данные Госкомстата РФ «Регионы России-2011».

1. ЭЛЕКТРОТЕХНИЧЕСКИЕ РАСЧЕТЫ

.1 Расчёт электротехнических нагрузок

Электротехнические нагрузки являются исходными данными для решения сложного комплекса технических и экономических вопросов, возникающих при проектировании электроснабжения предприятия. Определение электрических нагрузок составляет первый этап проектирования любой системы электроснабжения и производится с целью выбора и проверки токоведущих элементов и трансформаторов по нагреву и экономическим соображениям, расчёта отклонений и колебаний напряжения, выбора компенсирующих устройств и т. д. От правильной оценки ожидаемых электрических нагрузок зависит рациональность выбора схемы и всех элементов системы электроснабжения и её технико-экономических показателей. В настоящее время существует ряд научно обоснованных методов расчёта электрических нагрузок. Наибольшее применение для определения электрических нагрузок получил, предложенный доктором тех. Наук, профессором Г.М. Каяловым метод упорядоченных диаграмм показателей графиков нагрузки, в основе которого лежат «Указания по определению электрических нагрузок в промышленных установках». В практике проектирования при упрощении расчётных формул (графиков) для определения электрических нагрузок принята допустимая погрешность 10%.

Построение суточных графиков зимнего и летнего дня.

Для построения почасовой мощности зимнего и летнего графика нагрузки воспользуемся типовой суточный график нагрузки для машиностроительного предприятия.

Рис 1. Суточный типовой график машиностроительного предприятия.

На основании заданного типового графика нагрузки и Рmax вычисляем активные нагрузки для каждого часа графика:

Рt =  .

Основным обычно является зимний суточный график. Нагрузки летнего дня принимаем в размере 70% от нагрузок зимнего дня.

Результаты расчетов сводим в расчетную таблицу:

Таблица 1

Время суток

Рv, %

Нагрузка зимнего дня, МВт

Нагрузка летнего дня, МВт

0 - 2

100

22,00

15,400

2 - 3

99

21,78

15,246

3 - 4

70

15,40

10,780

4 - 6

49

10,78

7,5460

6 - 7

70

15,40

10,780

7- 8

72

15,84

11,088

8 - 9

75

16,50

11,550

9 - 10

70

15,40

10,780

10 - 11

71

15,62

10,934

11 - 12

62

13,64

9,5480

12 - 13

59

12,98

9,0860

13 - 14

57

12,54

8,7780

14 - 15

70

15,40

10,780

15 - 16

75

16,50

11,550

16 - 17

69

15,18

10,626

17 - 18

71

15,62

10,934

18 - 19

70

15,40

10,780

19 - 20

69

15,18

10,626

20 - 21

60

13,20

9,2400

21 - 22

61

13,42

9,3940

22 - 23

65

14,30

10,010

23 - 24

100

22,00

15,400


На основании расчётов строим графики суточных зимних и летних нагрузок.

Рис. 2. Зимний суточный график работы машиностроительного предприятия.


Рис 3.Летний суточный график работы машиностороительного предприятия



1.2 Построение годового графика продолжительности активной нагрузки

Годовой график продолжительности нагрузки показывает длительность работы проектируемой подстанции в течение года с различными нагрузками. По оси абсцисс (Х) откладываем продолжительность нагрузок в часах в течение года, по оси ординат (У) - нагрузки зимнего и летнего дня в порядке убывания. Обычно принимают работу электроустановки по зимнему графику - 200 суток, по летнему - 165 суток.

Составляем расчетную таблицу

Таблица 2.

Часовая мощность Рt, кВт

Зимний период, Тз

Летний период, Тл

Годовое количество часов

Годовое потребление электроэнергии, МВт. Час


Р

Продолжительность мощности за сутки, t, час

Продолжительность мощности за период, Тз = 200 дн. часов

Р

Продолжительность мощности за сутки, t,час

Продолжительность мощности за период, Тл = 165 дн. часов



Рmax              Pmin

22 21,78 16,50 15,84 15,62 15,40 15,18 14,30 13,64 13,42 13,20 12,98 12,54 10,78

3 1 2 1 2 5 2 1 1 1 1 1 1 2

600 200 400 200 400 1000 400 200 200 200 200 200 200 400

15,40 15,246 11,55 11,088 10,934 10,78 10,626 10,01 9,548 9,394 9,240 9,086 8,778 7,546

3 1 2 1 2 5 2 1 1 1 1 1 1 2

495  165 330 165 330 825 330 165 165 165 165 165 165 330

600 200 400 200 400 1495 165 400 200 200 200 200 200 200 330 165 330 1225 330 165 165 165 165 165 165 330

13200 4356 6600 3168 6248 23023 2515,59 6072 2860 2728 2684 2640 2596 2508 3814,8 1829,52 3608,22 13205,5 3506,58 1651,65 1575,42 1550,01 1524,6 1499,19 1448,37 2490,18

Всего:


24

4800


24

3960

 8760

 118902,63


Рис, 4. Годовой график:


Определение технико-экономических показателей.

Расход активной энергии за год:

год = ΣР t = 118902.63 МВт

Средняя активная мощность за год:

 =  =  = 13,5734 МВт

Коэффициент заполнения графика:

з.г. =  =  = 0.617

Продолжительность использования максимальной нагрузки:

τmax =  =  = 5404,665 ч/год.

2. Выбор типа, количества и мощности трансформаторов

Число и мощность трансформаторов следует выбирать исходя из технико-экономических расчетов и нормативных требований по резервированию, согласно которым на подстанциях следует предусматривать по два главных понижающих трансформатора ( в нашем случае: мощность потребителей І категории, 50%, мощность потребителей ІІ категории, 40%). Обычно бывает экономически не выгодно принимать мощность каждого трансформатора из расчета обеспечения всей нагрузки подстанции. Как правило, на подстанциях оба трансформатора бывают включены. Мощность их целесообразно принять такой, чтобы при отключении одного из них энергоснабжение обеспечивалось оставшимся а работе трансформатором. Мощность трансформатора рекомендуется определять исходя из условий аварийного режима:

н.тр  

- cуммарная максимальная нагрузка первичной обмотки трансформатора, кВ*А; зп - коэффициент допустимой нагрузки трансформатора по отношению к его номинальной мощности в аварийном режиме, равный 1,4; n - количество трансформаторов, в нашем случае - 2.

Определим желаемую мощность трансформатора:

Расчётный максимум нагрузки:

Smax =  =  = 25.882 МВА

Sн.тр   =  = 18,487 МВА = 18 487 кВА

По справочным данным выбираем трансформатор двухобмоточный 110 кВ, РПН (ГОСТ 12965-74): ТРДН 25000/110.

Определим загрузку трансформатора в нормальном режиме:

βн =  =  = 0,51764,

т. е трансформатор загружен на 51,764%.

Загрузка трансформатора в аварийном режиме:

=  =  = 1.03528  1.4 - в пределах допустимого(3,53%).

Проверим обеспечение потребителей І и ІІ категории в аварийном режиме:

*1.4  SІ + SІІ ,

где SІ + SІІ - мощности потребителей І и ІІ категории

І =   =  = 12.941 МВАІІ =  =  = 10,3528МВА, тогда

*1,4 = 35  23,2938 = 12,941 + 10,3528

Таким образом все потребители І и ІІ категории в аварийном режиме будут обеспечены питанием.

Технические данные выбранного трансформатора:

ТРДН 25000/110, Sном = 25 МВА

Таблица 3.

напряжение

Потери, кВт

uкз, %Un

i0, %In

Масса, т

Габариты, м

ВН

НН

ХХ

КЗ



полная

масла

H

L

B

115

10.5

30

120

10.5

0.7

67.2

20

5.86

6.58

4.65


Кз = 0,62 - коэффициент загрузки трансформатора в нормальном режиме; Кин = 0,05 При расчёте нагрузочной способности трансформатора по программе Circuit Magic. 1.0.0.3. получили следующие результаты:

Максимальная температура масла Тмах = 84,98;

Максимальная температура обмотки Тоб = 131,42;

Суточный износ изоляции 3,82.

Согласно этим вспомогательным расчетным данным трансформатор подходит.

Расчёт потер в трансформаторе

 кВт

где Kz-коэффициент загрузки трансформатора в нормальном режиме, -активные потери в обмотке трансформатора, - реактивные потери в обмотке трансформатора:

 кВар

где - номинальная мощность трансформатора, -напряжение короткого замыкания.

 кВт

где  -активные потери в стали трансформатора, - реактивные потери в стали трансформатора.

 кВар

где  -реактивные потери в стали трансформатора, - номинальная мощность трансформатора, -ток холостого хода.

 кВар

где  -реактивные потери в стали трансформатора, - реактивные потери в меди трансформатора, -коэффициент загрузки, -потери реактивной энергии на 1 трансформатор.

 кВт

где  -активные потери в трансформаторах, -активные потери в обмотке трансформатора, где  -активные потери в стали трансформатора, - реактивные потери в стали трансформатора, n-число трансформаторов на ГПП.

 кВар

где  -реактивные потери в стали трансформатора, - реактивные потери в меди трансформатора-потери реактивной энергии на трансформаторах подстанции, n-число трансформаторов на ГПП.

 кВт

где  - расчётная мощность на стороне 10 кВ,

 -активные потери в трансформаторах,

 - расчётная мощность на стороне 110 кВ.φ = 0.85, тогда tg φ = 0.619744338

 = *tg φ = 22000*0.61974 = 13634.375 кВар

= 13634,375 +2368,1 =16002,475 кВар

где  - расчётная экономическая реактивная мощность на стороне 10 кВ,

-реактивные потери в трансформаторах,

 - расчётная экономическая реактивная мощность на стороне 110 кВ.

=27426,452 кВА

где расчётная мощность на стороне 110 кВ,

расчётная реактивная мощность на стороне 110 кВ,

полная расчётная мощность на стороне 110 кВ.

 А

где  - полная расчётная мощность на стороне 110 кВ, номинальное напряжение питающей сети,

-расчётный ток в послеаварийном режиме.

3. Выбор главной схемы электрических соединений подстанции

Так как при проектирование широко применяются подстанций такого типа для них разработана типовая схема, приведенная на рисунке 1.

Рис. 5. Структурная схема подстанции .

Главная схема - это совокупность основного электрооборудования, сборных шин, коммутационных и других первичных аппаратов со всеми соединениями, выполняемыми между ними.

Главная схема электрических соединений должна удовлетворять следующим требованиям:

обеспечивать надежность электроснабжения потребителей в нормальном и послеаварийном режимах работы;

учитывать перспективу развития;

допускать возможность расширения;

обеспечивать возможность выполнения ремонтных и эксплуатационных работ на отдельных элементах схемы без отключения соседних присоединений.

При этом следует принимать простейшие схемы. Так как проектируемая подстанция является проходной, то согласно рекомендациям "Норм технологического проектирования подстанций" (18, 19) - при числе присоединений 5 и более применяется схема с одной секционированной выключателем системой шин №100-9 и схемы с одной системой шин с секционированной цепочкой из 2 -х, 3-х выключателей с подключением ответственных присоединений в секционирцющие цепочки. = №№100-9Н(9НА). Кроме того, согласно Нормам, для РУ с 5-ю присоединениями может быть применена схема «пятиугольник».

Выберем № 110-9 для РУ 110 кВ ..


Для РУ 10 кВ;

Количество отходящих линий в РУ 10 кВ подстанции определяется схемой развития сетевого района. В нашем случае - 7 линий по 3 км. Нормы рекомендуют схемы №6 (1, 2, 3).

Выбираем схему №10-2 - две секционированные выключателями системы шин при двух трансформаторах и сдвоенных реакторах.



4. Расчёт токов короткого замыкания

Расчет токов короткого замыкания (КЗ) производится для выбора и проверки параметров электрооборудования, а также для выбора и проверки релейной защиты и автоматики.

Основная цель расчетов - определить периодическую составляющую тока КЗ для наиболее тяжелого режима работы сети. Учет апериодической составляющей производят приближенно, допуская, что она имеет максимальное значение в рассматриваемой фазе.

Расчет токов КЗ выполняем в следующей последовательности:

составим расчётную схему цепи КЗ;

по расчетной схеме составляем электрическую схему замещения одной фазы;

вычисляем относительные сопротивления элементов цепи КЗ, указанные в схеме замещения;

постепенно преобразуя схему замещения, приводим её к наиболее простому виду, так чтобы источники питания были связаны с точкой КЗ одним результирующим сопротивлением;

вычисляем токи КЗ для характерных точек проектируемой электрической цепи.

Расчетная схема представляет собой упрощенную электрическую схему с указанием тех элементов цепи и их параметров, которые влияют на КЗ. При расчетах токов КЗ, как правило, требуется определить не только максимальные токи, необходимого для проверки оборудования и расчета защит, но и минимальные токи КЗ для проверки устройств защиты. Поэтому обычно составляются две расчетные схемы соответствующие обоим режимам.

В расчетную схему для максимальных токов КЗ вводим все элементы, через которые осуществляется электро снабжение при нормальном режиме. В схеме режима минимальных токов КЗ часть линий и трансформаторов не участвуют.

При составлении схемы замещения все элементы расчетной схемы заменяем соответствующими относительными сопротивлениями, причем каждое сопротивление обозначаем дробью (в числителе - порядковый номер; в знаменателе - относительное сопротивление. При этом учитывают обычно лишь индуктивные сопротивления элементов.

Для расчетов зададимся базисной мощностью Sб = 100.

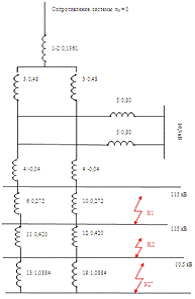
Схема питающих сетей:


Относительные сопротивления энергосистемы равны 0 (по заданию).

Относительные сопротивления подходящих линий (всего 2 линий по 240 км):

х*1 = х0 * L0*  = 0,4*90*  = 0,2722;

х*1-2б = х*1/2 = 0,2722/5 = 0,1361.

Расчётные значения напряжений КЗ обмоток трансформаторов TV1, TV2:

uKB = 0.5(uKBC + uKBH - uKCH) = 0.5*(11 + 32 - 19) = 12%= 0.5(uKBC + uKCH - uKBH) = 0.5*(11 + 19 - 32) = -1%= 0.5(uKBH + uKCH - uKBC) = 0.5*(32 + 19 - 11) = 20%

относительные сопротивления обмоток трансформаторов:

*б3 =  =  = 0,48;*б4 =  =  = - 0,04;*б5 =  =  = 0,80;

относительные сопротивления линий L1 и L5 (240 км)

х*б6,10 = х0* L  = 0,4*240 *  = 0,7258

сопротивления трансформаторов TV3, TV4:

*11,12 =  =  = 0,420.

относительные сопротивления линий L6 и L12 (3 км)

х*б13,19 = х0* L  = 0,4*3 *  = 1,0884.

Составляем схемы замещения


Преобразуем схему замещения для точки К1

Х20 =  =  = 0,22;

Х21 =  =  = 0,0544;

Х22 = х(1-5) + х13 + х14 = 0,1361 + 0,22 + 0,0544 = 0,4105.

 

Определяем основные параметры режима короткого замыкания для точки К1:

Iб =  =  = 0,502 кА.=  =  = 243,605 MBA.З1 =  =  = 1,223 kA.

 =  = 0,866*1,223 = 1,059 кА

Максимальное значение апериодической составляющей тока КЗ в момент размыкания контактов выключателя:

iτ,α =  IK1 * exp (-τ/Ta).

τ = t зmin+ t св = 0,01 + 0,04 = 0,05 сек. -

t зmin - минимальное время действия защиты = 0,01 сек.

t св - собственное время отключения выключателя с приводом (по каталогу - 0,04 сек.)

Та - постоянная времени затухания апериодической составляющей тока КЗ для сборных шин подстанции с первичным напряжением 110 -150 кВ:

Та = 0,02 - 0,03 (точка К1).

Сборные шины низшего напряжения понижающих подстанций с трансформаторами мощностью 25 МВА и ниже Та = 0,045 (точка К2).τ,α = 1,414*1,223*ехр (-0,05/0,025) = 0,234 кА.

Тепловой импульс тока КЗ:

ВКЗ = (tоткл + Та) = 1,2232 (2,14 + 0,025) = 3,238 кА2*с.откл = tрз + tср + tсв = 2,14 + 0,1 + 0,04 = 2,14 с.

рз - время срабатывания задержки срабатывания защиты на К1(2 сек)ср - собственное время срабатывания защиты (0,1 сек).

Рассмотрим схему замещения для точек К2 и К2*.


Х23 = х11/2 = 0,42/2 = 0,21;

Х24 = х13/7 = 1,0884/7 = 0,1549;

Х25 = х22 + х23 = 0,4105 + 0,21 = 0,0,6205

Х 25* = х22 + х23 + х24 =0,4105 + 0,21 + 0,1549 = 0,7754.

Определим основные показатели КЗ в минимальном режиме.




Определяем основные параметры режима короткого замыкания для точек К1 и К2:

Определяем основные параметры режима короткого замыкания для точки К2:

Iб1 =  =  = 0,502 кА.=  =  = 117,91 MBA.З1 =  =  = 0,5919 kA.

 =  = 0,866*0,5919 = 0,5126 кАб2 =  =  = 5,499 кА.=  =  = 42,283 MBA.З2 =  =  = 2,325 kA.

 =  = 0,866*2,325 = 2,0136 кА.

Итоговая таблица 4.

Режим

Точки КЗ

, кА

, кА

, кА

iy, kA

Sk, MBA

MAX

К1

0.502

1.223

1,059

3,1787

243,605

К2

5,499

8,862

7,675

22,5981

161,16

MIN

К1

0.502

0.5919

0.5126

-

117,91

К2

5.499

2,325

2,0136

-

42,283


Точки  КЗ

Относительные  сопротивления  для токов  КЗ


MAX

MIN

К1 К2

0.4105 0.6205

0.8484 2,365



5. Выбор токоведущих частей и электрических аппаратов подстанции

.1 Расчёт максимальных рабочих токов основных присоединений подстанции

Электрические аппараты выбирают по условиям длительного режима работы сравнением рабочего напряжения и наибольшего длительного рабочего тока присоединения, где предполагается установить данный аппарат, с его номинальным напряжением и током. При выборе учитывается необходимое исполнение аппарата (для наружной и внутренней установки). Выбранные аппараты выбирают по условиям короткого замыкания.

Согласно ПУЭ по режиму КЗ при напряжении выше 1000 В не проверяют:

аппараты и проводники, защищенные предохранителями с плавкими вставками на номинальный ток до 60 А - по электродинамической стойкости;

аппараты и проводники, защищенные плавкими предохранителями независимо от их номинального тока и типа - по термической стойкости;

аппараты и шины цепей трансформаторных напряжений при расположении их в отдельной камере или за добавочным резистором;

проводники к неответвленным индивидуальным электроприемникам;

провода воздушных линий (ВЛ) электропередачи при ударном токе КЗ, меньшем 50 кА, и отсутствии быстродействующих устройств АПВ.

За наибольший рабочий ток присоединения принимают ток с учетом допустимой перегрузки длительностью не меньше 30 мин. При расчете максимальных рабочих токов необходимо учитывать возможность 1,5-кратной перегрузки трансформаторов в наиболее неблагоприятном режиме, увеличение токов параллельно включенных трансформаторов и линий в случае отключения одного из трансформаторов или линии. Для выбора линии также следует предусматривать запас на перспективу, который можно принять равным 30% существующей мощности потребителей.

.2 Выбор токоведущих частей

Выбор гибких сборных шин на стороне 110 кВ.

Для РУ 35 кВ и выше применяют гибкие шины, выполненные проводами АС. Выбор проведем по таблице

Таблица 5

Характеристика  условий  выбора  гибких  шин

Формула.

По  длительному  допустимому  току

Iдоп  Ip.max

По термической  стойкости

q qmin = /C

По  условиям  отсутствия  коронирования (при  напряжениях  35  кВ  и  выше).

 0.9E0  1.07E


Для сборных шин подстанции:

Ip.max =  

где kпр = 1,3 - коэффициент развития потребителей;

kрн1 - коэффициент распределения нагрузки по шинам первичного напряжения, равный 0,6 - 0,8.

Sпс = n*Sтр = 2* 25000 = 50000 кВА

максимальная полная мощность всей подстанции с двумя трансформаторами 25 МВА.max =  = 228,43 А.

Выбираем бдижайший допустимый длительный ток Iдоп = 265 А АС50- выбранное сечение, мм2

qmin - минимальное сечение токоведущей части по условию термической стойкости, мм2 = /88 = 20,45 mm2 (для АС С = 88)

ближайшее стандартное большее сечении АС35  А50

Максимальное значение начальной критической напряженности электрического поля, при котором возникает разряд в виде короны, кВт/см

Е0 = 30,3m(1 + 0.299/ )

m - коэффициент, учитывающий шероховатость поверхности провода (для многопроводного провода АС он равен 0,82);

r - радиус провода (для АС50 r = 4,8 мм = 0,48 см)

Е0 = 30,3*0,82(1 + 0,299/) = 35,92 кВт/см.

Напряженность электрического поля около поверхности провода

Е =

 - среднее геометрическое расстояние между проводами фаз, см. При горизонтальном расположении фаз  = 1,26D. Здесь D - расстояние между соседними фазами, см. для сборных гибких шин приняты расстояния между проводами разных фаз - 1,5; 3,0 и 4,0 м для напряжений 35; 110 и 220 кВ соответственно.

 = 1,26D = 1,26*3,0 = 3,78 м = 378 см.

Е =  = 28,01 кВ/см

Таким образом,

,9 Е0 = 0,9* 35,92 = 32,328 кВ/см

,07Е = 1,07* 28,01 = 29,971 кВ/см и условие выполняется

Окончательно выбираем АС50/8.

Выбор сборных жестких шин на стороне 10 кВ.

В закрытых РУ сборные шины выполняют жесткими алюминиевыми шинами.

Таблица 6

Характеристика условий  выбора  жестких  шин

Формула.

По  длительно  допустимому  току

Iдоп  Ip.max

По  термической  стойкости

q qmin = /C

По  электродинамической  стойкости.

σдоп  σрасч


Выбор и проверка на термическую стойкость жестких шин определяется аналогично гибким шинам. Следует учесть, что при расположении шин прямоугольного сечения плашмя значения допустимых токов приведенные в справочниках должны быть уменьшены на 5% для шин с шириной полос до 60 мм и 8% с шириной полос больше 60 мм..max =  = 2501,851 А.

Подходят алюминиевые прямоугольные шины, расположенные плашмя при числе полос на фазу = 3: 100 х 8 мм = 0.1 x 0.008 m

I доп = 0,92*3050 = 2806 А.= 800 mm2 = /88 = 83,954 mm2 - условие выполняется.

Электродинамическая стойкость шин, укрепленных на опорных изоляторах, проверяется по механическому напряжению, возникающему в них при КЗ:

σрасч = 1,76 10-6 МПа

где l = 1м - расстояние между соседними опроными изоляторами, м;

а = 0,75 м - расстояние между осями шин соседних фаз, м; у - ударный ток трехфазного КЗ; - момент сопротивленияшины относительно оси, перпендикулярно действию усилия, при расположении плашмя

= b2h/6 = 0.0082*0.1/6 = 1.066*10-6 m2

σрасч = 1,76 *  = 81,8 МПа

выбираем шины из алюминиевого сплава типа АД31Т1 100 х 8 мм σдоп = 90,0 МПа,

Iдоп = 2,806 кА.

Выбор силовых кабелей и воздушных линий потребителей (длина по условию - 8 км - кабелей и 20 км - ВЛ).

В зависимости от места прокладки, свойств среды, механических усилий, воздействующих на кабель, рекомендуются различные марки кабеля.

Выбор произведём по таблице

Таблица 7

Характеристика  условий  выбора  силовых  кабелей

Формула.

По  конструкции, в  зависимости  от  места  прокладки, свойств  среды  и  механических  усилий


По  номинальному  напряжению

UH  Up = 10 kB

По  экономической  плотности  тока для   U  35 kB

q  qэ = Ip max/jэ,

По  длительному  допустимому  току

IH   Ip.max

По  термической  стойкости

q qmin = /C

По  потере  напряжения  до  потребителя

ΔUдоп  ΔU (около 5%)


Для кабелей и ВЛ потребителей:

.max =  =  = 1010,393 А

Пусть от РУ отходит 4 кабельных линии, проложенных в земле и 3 ВЛ, тогда Ip.max = 1010,393/7 = 144,342 А для каждой линии.

Предварительный выбор:

кабели с алюминиевыми жилами с бумажной пропитанной маслоканифольной и нестекающей массами изоляцией в свинцовой или алюминиевой оболочкой q = 70 мм2 (Iдоп = 165 А)

ВЛ - АС35/6,2 (Iдоп = 175 А)= /88 = 16.747 mm2 - условие выполняется.

По экономической плотности тока эти линии не проверяются U = 10 kB

Определим потери в линиях

ΔU =  (r0Cos φ + x0 Sin φ) L*Ip.max

- удельное активное сопротивление линии; - удельное реактивное сопротивление линии;

кабели: r0 = 0,48Ом/км x0 = 0,06 Ом/км

ВЛ: r0 = 0,79 Ом/км ; x0 = 0,26 Ом/км

Кабели: ΔU =  Σ(0,48*0.85+ 0,06*0.5268) *8 * 1010.393 = 0.3553%  5%

ВЛ: ΔU =  Σ(0,79*0.85+ 0,26*0.5268) *20*1010.393 = 1.6337%  5%

Окончательный выбор:

Кабель: ААГ 4 х 70 мм2

ВЛ: АС35/6,2 мм2

.3 Выбор изоляторов

Выбор подвесных изоляторов.

Гибкие шины открытых РУ ВН подстанций обычно крепят на гирляндах подвесных изоляторов. Количество подвесных изоляторов в гирлянде в зависимости от их типов и напряжения определяется в результате расчетов:

Таблица 8.

Характеристика  условий  выбора  подвесных  изоляторов

Формула.

Значение.

По  конструкции, в  зависимости  от  места  установки и типа  изоляторов

Тип ПС70 Тип ПФ70

Число в гирлянде 9 8

По  номинальному  напряжению

UH  Up = 110 kB

110

По  длительному  допустимому  току

IH   Ip.max=228,3 А

-


Выбор опорных изоляторов.

Жесткие шины РУ НН крепят на опорных изоляторах.

Таблица 9.

Характеристика  условий  выбора  опорных  изоляторов

Формула.

По  конструкции, в  зависимости  от  места  установки и типа  изоляторов

ИОР-10-2000 Внутренняя.

По  номинальному  напряжению

UH  Up = 10 kB

По  допустимой нагрузке

 F  0.6F расч


Сила, действующая на изолятор при КЗ, Н:

= 0.176*i2y *l/a,

где l - расстояние между соседними опроными изоляторами, м;

а - расстояние между осями шин соседних фаз, м; у - ударный ток трехфазного КЗ; = 0.176*18,0842 *1/0,75 = 7674,33 Н

Выбираем Fразр = 20000 Н

,6*Fразр = 0,6*20000 = 12000 Н

Окончательно выбираем: ИОР-10-2000. УХЛ, Т

Выбор проходных изоляторов.

Эти изоляторы применяют для соединения частей электроустановок внутри помещений и для соединения наружных и внутренних частей РУ.

Выбор производим по таблице

Таблица 10.

Характеристика  условий  выбора  проходных  изоляторов

Формула.

Выбор.

По  конструкции, в  зависимости  от  места  установки


ИП-10/1600-750

По  номинальному  напряжению

UH  Up = 10 kB

10 кВ

По  допустимой нагрузке

F  0.6F расч


По  длительному  допустимому  току

IH   Ip.max=1010,393А

1600 А

По  термической  стойкости,  q - сечение  токоведущей части изолятора.

q qmin = /C

205 мм


Сила, действующая на изолятор при КЗ, Н:

= 0.088*i2y *l/a,

где l - расстояние между соседними опроными изоляторами, м;

а - расстояние между осями шин соседних фаз, м; у - ударный ток трехфазного КЗ; = 0.088*18,0842 *1/0,75 = 3837,16 Н

Выбираем Fразр = 17500 Н

,6*Fразр = 0,6*7500 = 4500 Н

Сечение токоведущей части изолятора:

= /C = /88 = 83,954 mm2

Окончательно выбираем: ИП-10/1600 - 750. УХЛ, Т

5.4 Выбор выключателей

При выборе выключателя, его паспортные характеристики сравниваем с расчетными условиями работы на подстанции. Расчет ведем по схеме:

Таблица 11.

Характеристика  условий  выбора  выключателей

Формула.

По  месту  установки

Наружная, внутренняя

По  номинальному  напряжению

UH  Up

По  номинальному  длительному  току

IH   Ip.max

По  отключающей  способности          по  номинальному  периодическому  току  отключения

IH.откл   Iкз

          по  полному  току отключения

Iн.откл(1 + βн)  Iкз + iα,τ

По  электродинамической  стойкости:          по  предельному  периодическому  току  КЗ

Iпр.с   Iкз

         по  ударному  току

iпр.с   iy

По  термической  стойкости

I2T*tT  Bk


где IH.откл - номинальный ток отключения выключателя по каталогу, кА; iα,τ - апериодическая составляющая тока КЗ в момент расхождения контактов выключателя, кА: iα,τ (ВН) = 0,234 кА; iα,τ (НН) = 2,643 кА; Iпр.с - эффективное значение периодической составляющей предельного сквозного тока КЗ по каталогу, кА; iпр.с - амплитудное значение предельного сквозного тока КЗ по каталогу, кА; βн - номинальное значение относительного содержания апериодической составляющей в отключенном токе, определяем по графику зависимости от τ: τ(ВН) = 0,05 с; βн (ВН) =0,3; τ(НН) = 0,06 с; βн(НН) = 0,25; IT - предельный ток термической стойкости по каталогу, кА; tT - время прохождения тока термической стойкости по каталогу, с; Bk - тепловой импульс тока КЗ по расчету, кА2с: Bk(ВН) = 3,238;Bk(НН) = 34,956; iy- ударный ток: iy(ВН) = 3,1187 кА; iy(НН) = 18,085 кА.

Ip.max(BH) =  =  = 91.854 А.max (HH) =  =  = 1010,393 А

.4.1 Выбор выключателей в ОРУ-110 кВ

На стороне 110 кВ ПС целесообразно применять специально разработанные для таких ПС маломасляные выключатели типа ВМТ.

Промышленность выпускает маломасляные выключатели на 110 кВ типа ВМТ следующего типоразмера: ВМТ-110Б-25/1250УХЛ1

Таблица 12. - Выбор выключателей в ОРУ - 110 кВ

Расчетные параметры

Каталожные данные

Условия выбора

Ucном=110 кВ

Uном=110кВ

Ucном<Uном( 110кВ<110кВ)

I110нр = 91.854 А

Iном=1250А

I110нр <Iном( 58,78А <1250А)

Iкз= 1,223 кА,

Iоткл =25кА

Iкз < Iоткл ( 1,233кА<25кА)

iуд= 3,1187 кА

Iпр.с=65 кА

iуд < iпр.с ( 3,119кА<65кА)

iat=0,234кА

iаном =7.07 кА

0.234 kA  7.07 kA

Вk =3,238 кА2с

it2tt=1200кА2с

Вк< it2tt (3.238кА2с<1200кА2с)


Выключатель серии ВМТ-110Б-25/1250УХЛ1 полностью удовлетворяет условия выбора

.4.2 Выбор разъединителей в ОРУ-110 кВ

Промышленность выпускает разъединители на 110 кВ типа РНДЗ. На стороне 110 кВ необходимо установить 10 разъединителей:8 с двумя заземляющими ножами РНДЗ.2 - 110Б\1000 и 2 разъединителя с одним заземляющим ножом РНДЗ.1 - 110Б\1000

Условия выбора разъединителей одинаковы. Выбираем разъединители 2 типов РНДЗ-1- 110Б/1000У1 и РНДЗ - 2 - 110Б/1000У1.

Таблица 13. Выбор разъединителей в ОРУ-110 кВ

Расчетные параметры

Каталожные данные

Условия выбора

Uуст=110 кВ

Uном=110кВ

Uуст<Uном( 110кВ=110кВ)

I110нр = 91.854 А

Iном=1000А

I110нр<Iно(91.854А <1000А)

iуд= 1,223 кА

iскв=80 кА

iуд < iскв ( 1,223кА<80кА)

iat= 0,234кА

iаном =7.07 кА

iat < iаном(1,97<7.07кА)

Вk =3,238 кА2с

it2tt=992.25 кА2с

Вк< it2tt (8,27кА2с<992.25кА2с)

tt=Iоткл2t=31.52*1=992.25 кА2с Разъединитель полностью удовлетворяет условия выбора.

.4.3 Выбор трансформаторов тока в ОРУ-110 кВ

В дополнение к встроенным во вводы силового трансформатора трансформаторы тока ТВТ-І-110 установлены отдельно стоящие трансформаторы типа ТФЗМ-110Б-1-У1.

Таблица 14. - Выбор трансформаторов тока в ОРУ-110 кВ

Расчетные параметры

Каталожные данные

Условия выбора

Uуст=110 кВ

Uном=110кВ

Uуст<Uном( 110кВ=110кВ)

I110нр =91.854 А

Iном=300А

I110нр <Iном( 91.854А<300А)

iуд= 1,223 кА

iскв=82 кА

iуд < iскв ( 1,223 кА<82кА)

Вk =3,238 кА2с

it2tt=192 кА2с

Вк< it2tt (3,238кА2с<192кА2с)


Трансформатор тока полностью удовлетворяет условия выбора.

.4.4 Выбор разрядников в ОРУ-110 кВ

Для ОРУ-110 кВ промышленность выпускает разрядники типа РВС-110МУ1:проб = 200-250 кВ; Uпроб имп = 285 кВ

5.4.5 Выбор электрических аппаратов в цепи заземления нейтрали трансформатора

Для цепи заземления нейтрали трансформатора промышленность выпускает заземляющие разъединители типа ЗОН-110М-11У1.

Т.к. изоляция нейтрали трансформатора выполнена на напряжение 50 кВ, параллельно разъединителю устанавливаются два, включенных последовательно, разрядника тина РВС-35-У1

Таблица 15. - Выбор разрядников в ОРУ-110 кВ


РВС-35-У1

РВС-15-У1

Uном

35 кВ

15 кВ

Uмакс.доп(дейст.знач.)

40,5 кВ

19 кВ

Uпроб

78-98 кВ

38-48 кВ

Uпроб имп

125 кВ

67 кВ


В нулевой провод трансформатора встроен трансформатор тока типа ТВТ-35

.4.6 Выбор электрических аппаратов в РУ-10 кВ

РУ-10кВ подстанции предполагается выполнить с применением малогабаритного РУ- ячейку серии КСО - 272

Вводные шкафы на токи 2000А комплектуются маломасляными выключателями типа ВМПЭ-10.Секционные шкафы на токи до 1000А и линейные на токи до 3200А комплектуются колонковыми масляными выключателями серии ВМГ-10 с пружинным приводом - поэтому выбираем в ЗРУ- 10кВ КРУ

В ячейках установлены выключатели типа ВМПЭ-10.Для выключателей этого типа tcв=0,05с,тогда τ = tсз+ tcв =0,01+0,05=0,06с

Условия выбора вводных ячеек сведены в таблице 7

Таблица 16.

Расчетные параметры

Условия выбора

Uуст=10 кВ

Uном=10 кВ

Uуст<Uном( 10кВ<10кВ)

I10нр =1010.393А

Iном=1600А

I10нр <Iном(1010А <1600А)

iατ=3.303 кА,

Iоткл =20кА

Iατ < Iоткл ( 3.303<20кА)

Ik = 8.862 кА

Iм.вык = 52 кА

Ik< Iм.вык (8.862 кА<52кА)

iуд= 22.598 кА

Iм.дин =52 кА

iуд < iскв ( 22.598кА<52кА)

Вk =54.582кА2с

it2tt=1200кА2с

Вк< it2tt (54.582кА2с<1200кА2с)


Вводные ячейки прошли все контрольные параметры Для секции сбоных шин применяется спаренные ячейки .Условия выбора ячеек приведены втаблице 17

Таблица 18 - Условия выбора ячеек для секционирования сборных шин

Расчетные параметры

Каталожные данные

Условия выбора

Uуст=10 кВ

Uном=10кВ

Uуст<Uном( 10кВ<10кВ)

I10пр =1010.393 А

Iном= 1600А

I10нр <Iном(1010.393А <1600А)

iατ= 3.303 кА,

Iоткл =20кА

Iατ < Iоткл ( 3.303кА<20кА)

Ik = 8.862кА

Iм.вык = 51 кА

Ik< Iм.вык (8.862<51кА)

iуд= 22.598 кА

Iм.дин =51 кА

iуд < iскв ( 22.598кА<51кА)

Вk = 54.582 кА2с

it2tt=1200кА2с

Вк< it2tt (54.582кА2с<1200кА2с)


Для подключения отходящих линий используем шкафы на номинальные токи 630А.

Таблица 19 - Условия выбора ячеек для отходящих линий

Расчетные параметры

Каталожные данные

Условия выбора

Uуст=10 кВ

Uном=10кВ

Uуст<Uном( 10кВ<10кВ)

I10пр =357.407 А

Iном=630А

I10нр <Iном(357.4А<630А)

iατ= 3.303кА,

Iоткл =20кА

Iατ < Iоткл ( 3.303кА<20кА)

Iкз = 8.862кА

Iм.вык = 51 кА

Ik< Iм.вык (8.862кА<51кА)

iуд= 22.598 кА

Iм.дин =51 кА

iуд < iскв ( 22.598кА<51кА)

Вk = 54.582 кА2с

it2tt=1200кА2с

Вк< it2tt (21,3кА2с<1200кА2с)



Исходя из расчетов видно, что выбор всех электрических аппаратов в РУ - 10 кВ удовлетворяет допустимым условиям.

6. Релейная защита

Основными видами повреждения трансформаторов являются многофазные и однофазные короткие замыкания в обмотках и на выводах трансформатора, а также "пожар в стали" магнитопровода. Однофазные повреждения бывают двух видов: на землю и между витками обмотки. Наиболее вероятны короткие замыкания на выводах трансформаторов и однофазные замыкания в обмотках. При витковых замыканиях разрушается изоляция и магнитопровод трансформатора, поэтому такие повреждения должны отключатся быстродействующей защитой. Использовать для этой цели токовые и дифференциальные защиты не представляется возможным, так как при малом числе замкнувшихся витков ток в поврежденной фазе со стороны питания может оказаться меньше значения номинального тока, а напряжение на выводах трансформатора практически не изменится. Защиты, основанные на использовании электрических величин не реагируют на "пожар в стали" магнитопровода. Для защиты от такого вида повреждений и от витковых замыканий на трансформаторе устанавливается токовая защита, которая является универсальной защитой от токовых повреждений Достоинствами газовых защит являются:

высокая чувствительность и реагирование на все виды повреждений внутри бака;

сравнительно не большое время срабатывания;

простота выполнения;

способность защищать трансформатор при недопустимом понижении уровня масла.

Наряду с этим защита имеет ряд недостатков, основной из которых - не реагирование на повреждения вне бака. Защита может действовать ложно при попадании воздуха в бак трансформатора, например при доливке масла. В связи с этим газовую защиту нельзя использовать в качестве единственной защиты от внутренних повреждений. Вместе с газовой защитой устанавливается дифференциальная защита.

Для защиты от внешних коротких замыканий применяются токовые защиты с выдержкой времени. Эти защиты реагируют и на внутренние короткие замыкания, следовательно могут использоваться как резервные. Защита от перегрузки выполняется на реле тока, включенном в сеть одного из трансформаторов тока защиты от внешних коротких замыканий. Для отстройки от кратковременных перегрузок и коротких замыканий предусматривается реле времени. Выдержка времени принимается на ступень селективности больше, чем время срабатывания защиты трансформатора от внешних коротких замыканий.

а) На силовом трансформаторе 110/10

дифференциальная токовая защита

максимальная токовая защита с блокировкой по напряжению с 2 выдержками времени на отключение ввода 110кВ-1 ступень, отключение выключателя 110кВ-2 ступень

токовая защита от перегрузки с действием на сигнал

газовая защита с действием на сигнал и на отключение тр-ра

от понижения уровня масла

б) на вводах 10кВ

максимальная токовая защита(1 ступень защиты тр-ра установлена на стороне 110кВ

в) На секционном выключателе10кВ максимальная токовая защита

г) На отходящих кабальных линиях 10кВ

- токовая отсечка

- максимальная токовая защита

- защита от замыкания на землю(с действием на сигнал).

7. Управление, сигнализация блокировка

Управление приводами масляных выключателей осуществляется с помощь ключа управления установленного в шкафах КМ-1Ф и в релейных шкафах ИТР (предполагается автоматическое управление ими). Управление разъединителями 110кВ осуществляется с помощью ручных приводов. В релейном шкафу собраны выходные сигналы (аварийное отключение выключателей и неисправности подстанции), которые выдают сигнал в пункт диспетчерского управления. Кроме того выдается информация о положении выключатея110/10кВ. Предполагается применение аппаратуры телемеханики КУСТ-А. Оперативная блокировка подстанции на стороне 110кВ выполняется электромагнитной на выпрямленном оперативном токе 220В.На стороне 110кВ в комплектных РУ выполняется механическая блокировка.

8. Автоматика

энергетика трансформатор релейный подстанция

Автоматика на подстанции предусматривает:

а) на тр-рах 110/10кВ-автоматическое регулирование напряжения со стороны 110кВ

б) на вводах 110кВ: -автоматическое отключение вводов при исчезновение напряжения.

- автоматическое включение вводов при восстановление напряжения.

в) на секционном выключателе 110кВ

х стороннее автоматическое включение резерва без выдержки времени при отключении одного из вводов 110кВ.

автоматическое выключение выключателя при восстановление напряжения.

г) на отходящих линии 110кВ

автоматическая частотная разгрузка.

автоматическое повторное включение после АЧР.

д) на шинах собственных нужд 220В

автоматическое включение резерва (АВР).

е) на шинах обеспечивающих питание 220В-АВР.

9. Высокочастотная связь

Проектом предусмотрено высокочастотная связь с диспетчерским пунктом электрической сети.

10. Выбор трансформатора тока ЗРУ - 10кВ

В ввод ячейки Iн=2000А выбирают тр-ры тока типа ТШЛ-10-УЗ. Сравнение его номинальных данных с расчетными параметрами схемы сведены в таблице 20

Таблица 20 - Условие выбора трансформатора тока

Расчетные параметры

Каталожные данные

Условия выбора

Uуст=10 кВ

Uном=10кВ

Uуст<Uном ( 10кВ<10кВ)

Iраб =2501,851 А

Iном=2000 - 5000А

I110нр < Iном ( 2502А<3000А)

iуд  = 22.598 кА

Iм.дин = 81 кА

Iуд < Iм.дин (22.598кА <51кА)

Вk =54.582 кА2с

it2tt=4400 кА2с

Вк< it2tt (54.582кА2с <4400кА2с)


Расчетные параметры не превышают номинальных данных следовательно принимаем трансформатор тока ТШЛ-10-УЗ.

Проверка измерительных обмоток в трансформаторе тока по нагрузочной способности. Так как индуктивное сопротивление токовых цепей не велико то принимаем z2=r2 Вторичная нагрузка состоит из сопротивления приборов, соединительных приборов и переходного сопротивления контактов

= rпр+ rк

к =0,05 0м при двух или трех приборах

пр=Sприб/I22

Мощность каждой обмотки 2,5 Втприб=2.5·2=5 Втном=5А , rприб =5/25=0,2 0м Следовательно сопротивлении проводов Rпр= r2-rk= 1,2-0,05-0,2= 0,95

На отходящих линиях и секционном выключателе установлены трансформаторы тока ТПШЛ-10(сек.вык-1 =2000А,отх.лин I =600А).

Выбор трансформатора тока в линейной ячейкеНоминальные данные с расчетными параметрами схем сведены в Таблице

Таблица 21

Расчетные параметры

Каталожные данные

Условия выбора

Uуст=10 кВ

Uном=10кВ

Uуст<Uном ( 10кВ<10кВ)

Iраб =1010.393 А

Iном=2000 - 5000А

I110нр < Iном ( 1010.4А <2000А)

Iуд = 22.598А

Iм.дин = 81 кА

Iуд < Iм.дин (22.598кА <81кА)

Вk =54.582кА2с

it2tt=4400 кА2с

Вк< it2tt (54.582кА2с <4400кА2с)


Выбор трансформатора тока в секционной ячейке.

Номинальные данные с расчетными параметрами схем сведены в таблице 22.

Расчетные параметры

Каталожные данные

Условия выбора

Uуст=10 кВ

Uном=10кВ

Uуст<Uном ( 10кВ<10кВ)

Iраб =1010.393 А

Iном=2000А

I110нр < Iном ( 1010.4А <2000А)

Iу= 22.598 кА

Iм.дин = 81 кА

Iу < Iм.дин (22.598кА <81кА)

Вk =54.582 кА2с

it2tt=4400 кА2с

Вк< it2tt (54.582кА2с <4400кА2с)



11. Выбор трансформаторов напряжения ЗРУ-10 кВ

На каждой секции ЗРУ устанавливаются трансформаторы напряжения ЗНОЛ 06-10-УЗ с такими номинальными данными


Номинальная мощность в классе точности 0,5 - 0,75ВА. Учитывая,что обмотки напряжения активного и реактивного счетчика потребляют 5ВА,а к секции подключают резервные и вводные ячейки, то счетчики потребляют 30 ВА, а вольтметры 2ВА.Следовательно, для реле защиты остается 43ВА. В случае подключения приборов второй секции мощность приборов составит 64ВА,тогда на реле защиты будет приходиться 11 ВА

12. Выбор трансформаторов собственных нужд

Приемниками собственных нужд являются оперативные цепи. электродвигатели системы охлаждения силовых трансформаторов, освещение, электроотопление помещений, электроподогрев коммутационной аппаратуры и приводов. Суммарная расчетная мощность приемников собственных нужд определяется с учетом коэффициента спроса. Расчет мощности приемников собственных нужд приведен в табл. 1 10 Данные по мощности потребителей собственных нужд приняты по [табл. П6 1 и П 6.2, 3]

Определение активной, реактивной и полной мощности для зимнего максимума

Таблица 23.

Наименование электрич. Прием.

Р кВт

Кол-во

Руст кВт

Коэф. Спроса

cosφ

tgφ

Ррас. кВт

Qрасч. Квар

Sрасч. КВА

ЭлектроосвещениеОРУ 110кВ

2

1

2

0,5

1

0

1

0

1

Электроосвещение, вент. ЗРУ кВ

6

1

6

0,65

0,9

0,48

3.9

1 87

4.325

Охлаждение Трансформат.

1

2

2

0.8

0.85

0.62

1.6

0.99

1.881

Электроподогрев Выключателей ВМТ-110

3.8

3

7.6

1

1

0

7.6

0

7.6

Электроподогрев разъединителя

0,6

10

3.6

1

1

0

3.6

0

3.6

Подогрев шкафовКРУ 110кВ

1

24

24

1

1

0

24

0

24

Регулирование напряжения

1

-

1

0.8

0.9

0.48

0.8

0.384

0.887

Питание телемеханики и связи

2

-

2

0.5

0.9

0.48

1

0.48

1.109

Подогрев релейного шкафа

1

1

1

0

1

0

1

0

1

Расчетная нагрузка собственных нужд без учета ремонтной







44.5

3.724

44.65

Ремонтная нагрузка

11,1

1

11,1

1

0.9

0.48

11,1

6,5

12,3

Итого

56,95



На подстанциях необходимо предусматривать установку двух трансформаторов собственных нужд. Номинальная мощность выбирается из условия:

тсн≥Sр

где Sтсн - мощность трансформатора собственных нужд, кВА, Sсн - суммарная мощность потребителей собственных нужд, к-ВА.

Так как Sсн = 56,95 кВА По условию работы одного трансформа собственных нужд с ремонтными нагрузками принимаем окончательно трансформаторы собственных нужд типа ТМ- 63/10, так как 63 кВА ≥ 56.95 кВА.

13. Компоновка ОРУ

РУ 110 кВ выполняется открытым с использованием унифицированных железобетонных элементов, на которые устанавливается электрооборудование. Токоведущие части и проводники размещаются в двух ярусах.

В первом ярусе размещаются токоведущие части аппаратов и проводники соединяющие. Их высота установки должна быть не менее 3600 мм. Проводники ответвлений находятся во втором ярусе(не менее 1650мм).

Расстояние между аппаратами выбираем из условия возможности подъезда испытательных, трансформаторных подъемных машин.

Силовые трансформаторы устанавливаются на фундаменте из сборного железобетона. Для предотвращения растекания масла и распространения пожара при повреждение силового трансформатора предусматривается маслоприемники и м водоотводы.

Габариты маслоприемников выступают за габариты тр-ра на 1,5м.Объем маслоприемника рассчитан на одновременный прием 100% масла(15т) содержащегося в корпусе трансформатора.

Для прокладки контрольных и силовых кабелей по территории РУ предусматриваются кабельные каналы.

Ошиновка выполняется алюминиевыми проводами, перемычки и ответвления укрепляются с помощью подвесных изоляторов.

Приведем схему открытого РУ 110кВ.

Подробно в графической части работы.


Схема блочной подстанции 110 кВ с перемычкой между питающими линиями(схема мостика с выключателем в перемычке)

14. Компоновка ЗРУ 10 кВ

Закрытое распределительное устройство выполняется сборным, модульным, одноэтажным с двухрядной установкой ячеек КРУ типа КСО-272.Ввод трансформаторов осуществляется через проходные изоляторов в наружной стене здания. Пролет здания составляет 6м.


Схема главных электрических соединений одной секции РУ 10 кВ с камерами типа КСО -272.

Общая компановка приведена на схеме.



15. Конструирование и расчет заземляющего устройства

Заземление какой-либо части электрической установки - это преднамеренное соединение ее с заземляющим устройством с целью сохранения на ней достаточно низкого потенциала и обеспечения нормальной работы системы или ее элементов в выбранном режиме. Различают три вида заземлений: рабочее, защитное (для обеспечения безопасности людей) и заземление молниезащиты.

Рабочее заземление сети - это соединение с землей некоторых точек сети (обычно нейтрали обмоток части силовых трансформаторов и генераторов, реакторы поперечной компенсации в дальних ЛЭП) со следующей целью: снижение уровня изоляции элементов электроустановки, эффективная защита сети разрядниками от атмосферных перенапряжений, снижение коммутационных пере напряжений, упрощение релейной защиты от однофазных КЗ, возможность удержания поврежденной линии в работе и т.д.

Защитное заземление - это заземление всех металлических частей установки (корпуса, каркасы, приводы аппаратов, опорные и монтажные конструкции, ограждения и др.), которые нормально не находился под напряжением, но могут оказаться под ним при повреждении изоляции. Защитное заземление выполняется для того, чтобы повысить безопасность эксплуатации, уменьшить вероятность поражения людей и животных электрическим током в процессе эксплуатации электрических установок.

Заземление молниезащиты предназначено для отвода в землю тока молнии и атмосферных индуцированных пере напряжений от молниеотводов, защитных тросов и разрядников и для снижения потенциалов отдельных частей установки но отношению к земле.

Однако заземление отдельно стоящих молниеотводов, тросов, разрядников, находящихся за оградой объекта, желательно выполнять по возможности сосредоточенным и обособленным от станционных заземлений, чтобы предотвратить занос высоких потенциалов на общую систему заземления, на корпуса, каркасы и опорные конструкции оборудования.

Так как системы заземления различного назначения в пределах установки не могут быть выполнены изолированными друг от друга, и должны иметь при замыкании на землю одинаковый потенциал, то все они объединяются между собой в общую систему заземления станции или подстанции. При объединении уменьшаются суммарное сопротивление заземления и общие затраты на заземляющие устройства.

Нормы на заземляющее устройство устанавливают требования, которым оно должно удовлетворять. Основными являются те, которые обеспечивают безопасность человека. Электробезопасность в эффективно заземленных сетях считается обеспеченной, если потенциал заземлителя не превышает 10 кВ, а сопротивление растеканию тока - 0,5 Ом в любое время года.

Для выполнения заземления применяются естественные и искусственные заземлители. К естественным заземлителям относятся находящиеся в соприкосновении с землей электропроводящие части зданий и сооружений производственного и инженерного назначения, водопроводные трубы, металлические оболочки кабелей, фундаменты опор, а также система «трос-опора».

Искусственный заземлитель - это заземлитель специально выполненный для этих целей.

Со стороны ВН 110 кВ предусмотрена эффективно заземленная нейтраль, со стороны 10 кВ - глухо заземленная нейтраль. Для подстанции 110/10 кВ сопротивление заземляющего устройства RЗУ сети 110 кВ с эффективно заземленной нейтралью должно не превышать 0,5 Ом, для сети 10 кВ - 25 Ом.

Определим ток замыкания на землю:

Iз =  ;

lL - длина линии;з =  = 3 А

Определим расчетное удельное сопротивление грунта:

ρрасч = Kcρ

где Кс - коэффициент сезонности (для вертикальных электродов Кс = 1,3; для горизонтальных - 3,5; ρ = 50 Ом*м)

ρрасч.В = 1,3*50 = 69 Ом*м

ρрасч. Г = 3,5*50 = 175 Ом*м

в качестве искусственных заземлителей выберем прутки диаметром 12 мм и длинной - 5 м, сопротивление которых, с учетом сопротивления грунта составит:прВ = 0,227* ρрасч.В = 0,227*69 = 15,663 Ом.

Число вертикальных электродов

=  =  = 63 шт.

 - коэффициент использования вертикальных заземлителей

Периметр контура:

Р = nB*b = 63 * 5 =315 m

(b - расстояние между вертикальными заземлителями должно быть не меньше их длины).

Контур имеет размеры: 48,5 х 29 м

С учетом коэффициента экранирования вертикальных электродов η = 0,42, при b/l = 1 и размещении по периметру.

Величина сопротивления всего контура заземляющего устройства без учета протяженных заземлителей (вертикальная составляющая):

RB =  =  = 0.6015 Om.

Заземляющее устройство выполняем в виде контура из полос 48,5х29 м, положенных на глубину bn = 0,5 м. число таких полос по периметру 9 х 7 шт.


Определим общую длину полосы

Для протяженных (горизонтальных) заземлителей из полосы, шириной h = 5 cm = 0.05 m, длиной l1 = 48,5 м и l2 = 29 м , тогда общая длина горизонтальных полос составитП = 9*48.5 + 7*29 = 639.5 m.

Сопротивление горизонтального (протяженного) заземлителя:

RГ =  ln  

RГ =  ln = 0.4716 Om.

Общее сопротивление всего заземлителя:

ЗУ =  =  = 0,264 Ом.



16. Учет электроэнергии

Учет эл-энергии предусматривает:

а) на отходящих линиях 110кВ учет активной и реактивной энергии

б) на собственные нужды 220В

в) счетчики эл.энергии устанавливают на вводах, отходящих линий и ТСН.

Затраты на потребляемую электроэнергию определяем по таблице использования эл. Энергии

Таблица 24.

Статьи  затрат

Единица измерений

Количество.

Цена  за 1 ед.(руб)

Сумма (руб)

1. Оплата  энергосбыту  за  присоединенную  мощность электромашин ( S)

КВА

25882,353

2519.03

65198423.68 = 65,2 млн руб

2. Оплата  энергосбыту  за потребляемую  электроэнергию (Рэл)

кВт*час

21384000

3,00

64152000 = 64,152 млн. руб


Присоединенная мощность в КВА берётся их технической характеристики, или

S = Pуст/cos φ = 22000/0.85 = 25882,353 KBA.

Оплата осуществляется по действующему тарифу при присоединенной мощности более 750 КВА : 2519,03 руб/КВА

Потребляемая электроэнергия в год берется по установленной мощности в кВт*часах:

Рэл = Руст * Т * Кэ = 22000*8100*0,12 = 2138400 кВт*час

Кэ = 0,12 - коэффициент экономической эффективности

Оплата осуществляется по действующему тарифу: С = 3 руб/кВт*час.

Вывод: как видно затраты на потребляемую электроэнергию в годовом исчислении составляют 64,152 млн. руб

В случае ввода новой подстанции затраты на присоединение мощности составляют довольно большую сумму при действующих тарифах:

почти 65,2 млн. рублей.

СПИСОК ИСПОЛЬЗОВАННОЙ ЛИТЕРАТУРЫ

3.      Васильев А.А., Крючков И.П,, Наяшников Е.Ф. Околович М.Н. Электрическая часть станций и подстанций /Учебник для вузов. - М.: Энергия. 1991.

.        Федоров А.А., Старкова Л.Е. Учебное пособие для курсового и дипломного проектирования по электроснабжению промышленных предприятий. - М.: Энегоатомиздат, 1997.

.        Справочник по электроснабжению и электрооборудованию /Под редакцией А.А. Федорова/ - М.: Энергоатомиздат, 1996.

.        Ермилов А.А. Основы электроснабжения промышленных преприятий. - М.:,2003.

.        Правила устройства электроустановок /Минэнерго РФ - М: Энегроатомиздат, 2005.

.        Справочные материалы Главэнергонадзора - М.: Энергоатомиздат, 2006.

.        Справочник по электроснабжению промышленных предприятий. Промышленные электрические сети /Под редакцией А.А. Федорова и Г.В. Сербиновского/ - М.: Энегроатомиздат, 1973.

.        Справочник по электрическим установкам высокого напряжения /Под редакцией И.А. Баумштейна и М.В. Хомякова/ - М.: Энергоатомиздат, 1991.

.        Справочник по электроснабжению промышленных предприятий. Электрооборудование и автоматизация /Под редакцией А.А. Федорова и Г.В. Сербинского/ - М.: Энергоатомиздат, 1984.

.        Князевский Б.А., Липкин Б.Ю. Электроснабжение промышленных преприятий. - М.: Высшая школа, 2006.

.        Справочник по проектированию электроснабжения /Под редакцией Ю.Г. Барыбина и др./ - М.: 2010.

.        Методические указания «Электрическая часть станций и подстанций» - Владивосток, 2007.

.        Неклепаев Б.Н., Крючков И.П. Электрическая часть станций и подстанций.: Справочные материалы для курсового и дипломного проектирования: Учебное пособие для вузов - 4-ое изд. перераб. и доп. - М.: Энергоатомиздат, 1989.

.        Алиев И.И. Электротехнический справочник. - 4-е изд., испр. - М.: ИП РадиоСофт, 2001. - 384 с.: ил.

.        Иванов В.С., Соколов В.И. Режимы потребления и качества электроэнергии систем электроснабжения промышленных предприятий. - М.: Энергоатомиздат, 2009

.        РД 153-34.0-20.527-98 Руководящие указания по расчету токов короткого замыкания и выбору электрооборудования. Утверждены Департаментом стратегии развития и научно-технической политики 23.03.1998 г.

.        РД 34.21.122-87 Инструкция по устройству молниезащиты зданий и сооружений Утверждена Главтехуправлением Минэнерго СССР 12 октября 1987г.

.        Стандарт ОАО «ФСК ЕЭС РФ» СТО 56947007-29.240.10.028 - 2009 Нормы технологического проектирования подстанций переменного тока с высшим напряжением 35 - 750 кВ (НТП ПС) от 13,04,2009.

.        Стандарт ОАО «ФСК ЕЭС РФ» СТО 56947007-29.240.30.010 - 2008. Схемы принципиальные электрические распределительных устройств подстанций 6 - 10 - 35 - 750 кВ. Типовые решения. от 20,12. 2007.

.        Красник В.В. Вся неправда о подключении к электросетям. - М.: НЦ ЭНАС, - 2011.


Не нашли материал для своей работы?
Поможем написать уникальную работу
Без плагиата!
Без нейросетей!