Разработка радиальной схемы цеховой электрической сети
ВВЕДЕНИЕ
Новые рубежи развития энергетики нашей страны повышают роль электрической
энергии во всех сферах народного хозяйства. Рост производительности труда и
снижения себестоимости продукции являются необходимым условиями энергетического
прогресса общества, развития единого народно-хозяйственного комплекса страны.
Одно из главных средств выполнения этого условия- это механизация и
автоматизация технологических процессов, осуществляемых на основе
энерговооруженности производства, которая возрастает за счёт совершенствования
и внедрения электрооборудования.
Проектирование и выбор оборудования представляет собой сложный процесс
принятия решений по схемам электрических соединений, составу
электрооборудования и его размещению, связанных с производством расчётов,
пространственной компоновкой, оптимизацией фрагментов и объекта в целом. Этот
процесс требует системного подхода при изучении объекта, а также использование
результатов новейших достижений науки техники, и передового опыта проектных
работ, строительно-монтажных и эксплуатационных организаций.
Процесс проектирования сетей и систем заключается в составлении описаний
объектов, предназначенных для производства, передачи и распределении
электроэнергии. Эти описания составляют совокупность документов, необходимых
для создания нового энергетического оборудования установок.
Основные цели строительства электрических станций, подстанций, сетей и
энергосистем:
производство, передача и распределение заданного количества
электроэнергии;
надёжная работа установок и энергосистем в целом;
заданное качество электроэнергии;
снижение ежегодных издержек и ущерба при эксплуатации установок
предприятия.
В расчетной работе приведен выбор пускорегулирующих устройств,
выключателей, устройств компенсации реактивной мощности, рассмотрены вопросы
защит и автоматизации электрооборудования.
1. Задание к расчётной работе
На рис.1 приведена радиальная схема цеховой электрической сети, от
которой питаются трёхфазные асинхронные двигатели, используемые для привода
различных производственных механизмов. По назначению электродвигатели разделены
на четыре однородные группы, каждая из которых подключена к отдельному силовому
распределительному пункту (СП). Сведения о характере производства, видах
механизмов и режимов их работы, в которых используются электродвигатели,
приведены в табл. 1. Число, тип и мощности двигателей указаны в табл. 2. В
табл. 3 даны рекомендации по конструктивному выполнению электрической сети.
Номинальное напряжение на шинах РП- 6 кВ.
Требуется:
1. Определить по методу коэффициента максимума электрическую нагрузку
цехового трансформатора и всех, указанных в схеме линий.
. Выбрать цеховой трансформатор и выписать его технические данные из
справочника.
. Выбрать марки проводов и кабелей всех линий и определить их сечение по нагреву
расчётным током.
. Приняв напряжение на вторичной стороне ТП неизменным и равным 400 В,
определить потерю напряжения от шин ТП до наиболее удаленного электродвигателя
и сделать вывод о соответствии сечений выбранных проводов и кабелей допустимой
потере напряжения.
. Определить потери мощности и электроэнергии в цеховом трансформаторе и
в одной из линий, питающих силовые распределительные пункты (взять
произвольно).
. Выполнить мероприятия по максимально возможной компенсации реактивной
мощности (РМ). За источник РМ принять батареи статических конденсаторов.
. Выбрать предохранители и автоматические выключатели и выписать его
технические данные из справочника.
. Сделать выводы по расчётам, а также выбору оборудования
Считать, что цех работает в три смены, трансформатор включен круглый год.
Табл. 1. Сведения о характере производства, видах механизмов и режимов их
работы
|
№ Варианта
|
Производство, цех,
отделение
|
CП1
|
СП2
|
СП3
|
СП4
|
|
6
|
Горнорудное производство
(открытое)
|
Компрессоры*
|
Дробилки щёковые**
|
Скреперные лебедки**
|
Металлорежущие станки**
|
* - длительный режим работы.
** - повторно-кратковременный режим работы.
Табл. 2. Данные о числе, мощности и типах электродвигателей
|
Распределительный пункт
|
Двигатель
|
Количество двигателей
|
|
Рн, кВт
|
  Тип
(серия)
|
|
|
|
|
|
СП1
|
160
|
0,87
|
0,92
|
7
|
АК2
|
1
|
|
100
|
0,93
|
0,93
|
7
|
А02
|
1
|
|
75
|
0,87
|
0,92
|
7
|
А02
|
1
|
|
СП2
|
100
|
0,85
|
0,905
|
7
|
АК2
|
1
|
|
75
|
0,87
|
0,92
|
7
|
А02
|
1
|
|
55
|
0,87
|
0,92
|
7
|
А2
|
3
|
|
СП3
|
40
|
0,91
|
0,905
|
7
|
А02
|
1
|
|
55
|
0,87
|
0,92
|
7
|
А2
|
5
|
|
СП4
|
13
|
0,87
|
0,92
|
7
|
А02
|
2
|
|
10
|
0,78
|
0,88
|
6
|
А2
|
2
|
|
7,5
|
0,78
|
0,88
|
6
|
А2
|
2
|
|
4
|
0,78
|
0,88
|
6
|
А02
|
2
|
Табл. 3. Данные по конструктивному выполнению сети
|
Вариант
|
Линия
|
|
Лтп
|
Л1
|
Л2
|
Л3
|
Л4
|
Лэ1
|
Лэ2
|
Лэ3
|
Лэ4
|
|
6
|
0,001
|
0,160
|
0,035
|
0,195
|
0,215
|
0,025
|
0,040
|
0,035
|
0,030
|
|
З
|
0
|
0
|
Т
|
Т.З
|
0
|
0
|
Т
|
Т
|
|
К
|
К
|
К
|
К
|
К
|
К
|
К
|
П
|
П
|
|
А
|
М
|
А
|
М
|
А
|
А
|
А
|
М
|
А
|
|
Б
|
Б
|
Б
|
Р
|
Р
|
Б
|
Р
|
Р
|
Р
|
|
А
|
С
|
С
|
Н
|
В
|
С
|
В
|
-
|
-
|
Примечания: I. В колонках сверху вниз записано: длина линии, км; способ
прокладки (3 - в земле, К - в кабельном канале, В - в воде, Т - в трубе, 0 -
открыто на воздухе); вид линии (К -кабель, П - провод); материал проводника (М
- медь, А - алюминий);изоляция (Б - бумага, Р - резина, В - пластмасса);
материал оболочки кабеля (А - алюминий, С - свинец, В - пластмасса, Н -
нагревостойкая резина)
. Длины линий от
распределительного пункта до отдельных электродвигателей, питающихся от него,
одинаковы.
Выполнение
расчётной работы
. Определяе
по методу коэффициента максимума электрической нагрузки цехового трансформатора
- для СП1:
Суммарная активная мощность в узле
=335 кВт (1)
Эффективное число приёмников
=
(2)
При
(3)
(4)
Двигатели
на СП работают при повторно-кратковременном режиме работы, нам необходимо их
перевести в длительный режим.
Расчетная
активная мощность соответствующая получасовому максимуму нагрузки
рассчитывается по формуле (3).
=160
+
+
=259 кВт
По
справочнику [5] для данных механизмов определяем
и
=0,65,
=0,8,
=0,75
Расчетная
реактивная мощность соответствующая получасовому максимуму нагрузки
рассчитывается по формуле (4).
=259
кВар
Полная расчётная мощность узла и ток определяются по формулам:
=
кВА (5)
=
А (6)
для СП2:
Определяем суммарную активную мощность в узле по формуле (1)
160+100+75+100+75+55*3=675
кВт
По
справочнику [5] для данных механизмов определяем
и
Для
дробильных станков:
=0,14,
=0,65,
=1,33
Для
компрессоров:
=0,65,
=0,8,
=0,75
Определяем
среднюю мощность за наиболее загруженную смену
=
0.14*340+0,65*259=215,95 кВт (7)
Средняя реактивная мощность за наиболее загруженную смену вычисляется из соотношения:
=215,95*0,75=161,96
кВар (8)
Определяем эффективное число приёмников по формуле (2)
=
Средневзвешенный
коэффициент использования активной номинальной мощности такого узла составит:
=
0,32
По
справочнику [5] определяем коэффициент максимума
в
зависимости от эффективного числа приёмников и коэффициента использования
=1.8
Определяем
получасовой максимум нагрузки
=1.8*215,95=388,71
кВт (9)
Расчётная реактивная нагрузка в узле принимается равной:
(10)
Определяем расчётную реактивную нагрузку в узле по формуле (10);
1,1*161,96=178
кВар;
Полная
расчётная мощность узла и ток определяются по формулам (5) и (6):
=
=427 кВА;
=
=656,9 А.
Результаты расчёта сведены в таблицу 2.
Таблица 2
|
Параметр
|
Линия
|
|
Лтп
|
Л1
|
Л2
|
Л3
|
Л4
|
|
-0,650,140,060,14
|
|
|
|
|
|
|
-0,80,650,450,6
|
|
|
|
|
|
|
-0,751,331,981,33
|
|
|
|
|
|
|
-3767
|
|
|
|
|
|
|
--215,9518,99,94
|
|
|
|
|
|
|
--161,9637,4213,22
|
|
|
|
|
|
|
--1,83,042,48
|
|
|
|
|
|
|
511,26259388,7197,924,65
|
|
|
|
|
|
|
257,36194,2517857,4621,9
|
|
|
|
|
|
|
512,22323,7542770,6814,54
|
|
|
|
|
|
|
809,67498656,9108,7444,03
|
|
|
|
|
|
2. Компенсация реактивной мощности
Производим компенсацию реактивной мощности при помощи статических батарей
конденсаторов.
Конденсаторы - специальные ёмкости, предназначенные для выработки
реактивной мощности. По своему действию они эквивалентны перевозбужденному
синхронному компенсатору и могут работать лишь как генераторы реактивной
мощности.
Устанавливаем статическую батарею конденсаторов на шинах 0,4 кВ ТП.
Места присоединения батареи конденсаторов и мощности сведены в таблицу 4
и показаны на рис. 2
Рассчитаем необходимую мощность конденсаторной батареи [1]:
где
согласно приказа Минэнерго РФ №49 от 22.02.2007 года
Устанавливаем
одну конденсаторную батарею [2]:
модель:
УКМФ 71-0,4-175-25-УЗ;
номинальная
мощность:
кВар;
Полная мощность и расчётный ток с учётом компенсации определяются по
формулам (5) и (6):
=
=392,86 кВА
А
Результаты расчета сведены в таблицу 4.
Таблица 4
|
Линии
|
Лтп
|
|
Реакт. мощ. до компенсации,
кВар
|
-
|
|
Реакт. мощ. после
компенсации, кВар
|
-
|
|
517,85
|
|
|
787,73
|
|
3. Выбор цехового трансформатора
Выбор мощности силового трансформатора должен быть технически и
экономически обоснован, так как он влияет на рациональность построения схем
электроснабжения.
Потери в трансформаторе:
Активные потери в трансформаторе составляют 2% от расчетной мощности
потребителей.
ΔPТ =0,02*Sрmax=0.02*512,22=10,24кВт
Где SРmax - максимальная расчетная мощность.
Реактивные потери составляют 10% от той же мощности:
ΔQТ = 0,1*Sрmax=0.1*512,22=51,22кВар
Определим полные потери мощности в силовом трансформаторе.
ΔSТ =
=52,23кВА
Мощность на стороне первичного напряжения силовых трансформаторов должна
быть больше, чем расчетная максимальная мощность на величину потерь в
трансформаторе.
1 = Spmax+ ΔSТ=512,22+52,23=564,45 кВА
Определим требуемую мощность силового трансформатора, которая должна быть
больше мощности на стороне первичного напряжения на величину коэффициента
загрузки.
SТРЕБ =S1 / KЗ=564,45/0.95=594,15 кВА
КЗ = 0,9÷0,95 - для потребителей III категории надежности.
Выбираем по справочнику [2] цеховой трансформатор.
4. Выбор проводов и кабелей
4.1 Выбор проводов и кабелей к индивидуальным электроприёмникам
Расчётный ток двигателя находится по формуле:
(11)
Для линии Лэ1:
=
=307,69 А
По
справочнику [3] выбираем кабель с алюминиевыми жилами с бумажной изоляцией в
свинцовой оболочке
S=120 мм² марки АСГ.
А
По
справочнику [3] выбираем кабель с алюминиевыми жилами с бумажной изоляцией в
свинцовой оболочке
S=95 мм² марки
АСГ.
Для
других линий считаем ток двигателя аналогично, в зависимости от тока выбираем
сечение проводов и кабелей, результаты расчёта сводим в таблицу 5.
При выборе проводов и кабелей должно выполняться условие:
(12)
Таблица
5
|
N
|
Двигатель
|
Ip, А
|
Кп
|
Температура среды,С
|
Число кабелей
|
Iдоп, А
|
S, мм
|
Марка провода или кабеля
|
|
Лэ1
|
АК2
|
307,54
|
1
|
25
|
3
|
320
|
120
|
АСГ
|
|
АК02
|
177,88
|
1
|
25
|
1
|
180
|
50
|
АСГ
|
|
АК02
|
144,16
|
1
|
25
|
1
|
145
|
35
|
АСГ
|
|
Лэ2
|
АК2
|
200,00
|
1
|
25
|
1
|
200
|
120
|
АВРБ
|
|
А02
|
144,16
|
1
|
1
|
170
|
95
|
АВРБ
|
|
А2
|
105,72
|
0,84
|
15
|
1
|
110
|
50
|
АВРБ
|
|
Лэ3
|
А02
|
74,72
|
0,84
|
15
|
1
|
75
|
16
|
НРГ
|
|
А2
|
105,72
|
0,84
|
15
|
1
|
120
|
35
|
НРГ
|
|
Лэ4
|
А02
|
24,99
|
0,84
|
15
|
1
|
27
|
4
|
АНРГ
|
|
А2
|
22,41
|
0,84
|
15
|
1
|
27
|
4
|
АНРГ
|
|
А2
|
16,81
|
0,84
|
15
|
1
|
19
|
2,5
|
АНРГ
|
|
А02
|
8,97
|
0,84
|
15
|
1
|
19
|
2,5
|
АНРГ
|
4.2 Выбор кабелей питающих СП
Выбор кабелей питающие СП аналогичен выбору кабелей для индивидуальных
ЭП.
Результаты вычислений сводим в таблицу 6.
Таблица 6
|
Параметр
|
Линия
|
|
Лтп
|
Л1
|
Л2
|
Л3
|
Л4
|
|
809,67
|
498
|
656,9
|
108,74
|
44,03
|
|
|
Температура среды 1525251515
|
|
|
|
|
|
|
Число кабелей
|
3
|
3
|
3
|
1
|
3
|
|
910
|
520
|
675
|
120
|
47
|
|
|
S,мм²
|
625
|
95
|
240
|
35
|
10
|
|
1,13111,131,13
|
|
|
|
|
|
|
Марка кабеля
|
ААГ 3(4х185)
|
СГ 3(4х25)
|
АСГ 3(4х80)
|
НРБ (4х50)
|
АВРБГ3(4х10)
|
5. Определение падения напряжения от шин ТП до наиболее удаленного
электроприемника
Наиболее
удаленной линией является линия Лэ4. Расчет проведем для двигателя серии АО2 с
=4 кВт,
=0,78,
=0,88.
Потеря напряжения, в одиночной линии определяется по формуле.
(18)
Активное
удельное сопротивление линии, Ом/км
(19)
γ - удельная проводимость, равная 53 [
] для меди и 31,7 [
] для алюминия.
Рассчитываем активное удельное сопротивление линии по формуле (19):
- для линии Лэ4:
=4,45
Ом/км;
- для линии Л4:
2,169
Ом/км;
для
линии Лтп:
0,06
Ом/км;
Значения xo берем из
справочной литературы.
Для кабеля до 1 кВ xo
=0,06 Ом/км;
Определяем реактивную мощность по формуле (4):
=4*0,0163
=0.065 кВар;
Определяем
потерю напряжения по формуле (18):
11,04 В;
Напряжение в расчётном узле:
=400-26=388,96
В; (20)
допустимая
норма отклонения напряжения
;
Допустимое отклонение напряжения соответствует ГОСТу (ГОСТ 13109 - 97).
Следовательно, выбранные сечения кабелей проходят по падению напряжения.
6. Потери мощности и электроэнергии
Потери мощности и электроэнергии в трансформаторе.
Потери
мощности в трансформаторе состоят из потерь активной (
) и реактивной (
)
мощности.
Потери
активной мощности определяются по формуле:
(21)
Потери реактивной мощности определяются по формуле:
(22)
Активные
потери электроэнергии в трансформаторе:
(23)
- время
включения трансформатора, ч.
Время
потерь
определяем по рисунку в [1] при
.
Реактивные
потери электроэнергии в трансформаторе:
(24)
Потери мощности и электроэнергии в линии Л1.
Количество передаваемой электроэнергии за год
(25)
Среднеквадратичный ток
(26)
Потери
активной мощности и электроэнергии
(27)
(28)
Потери
реактивной мощности и электроэнергии:
(29)
(30)
.
Для других линий расчет ведется аналогично, результаты вычислений сводим
в таблицу 10.
Таблица 10.
Заключение
Выбор силового трансформатора произвели на основании расчета его мощности
методом коэффициента максимума.
Сечение проводов и кабелей выбиралось по нагреву расчетным длительным
током, принимая во внимание способ прокладки. Проверив по падению напряжения
линию, питающую наиболее мощный двигатель Лэ4, сделали вывод о соответствии
линии в части требований ГОСТ 13109-97 о допустимом снижении напряжения у
наиболее удаленных электроприемников.
При проведении мероприятий по компенсации реактивной мощности УКМФ
71-0,4-175-25УЗ. Автоматический режим регулирования позволяет избежать
перекомпенсации и повышения напряжения в линии вне часов максимального
потребления. Уточнив токи и мощности при повышении cosφ до нормативных значений, сделали
вывод о возможности использования силовых кабелей меньшего сечения. Установка
УКМФ также позволяет снизить нагрузку на трансформатор и силовые кабели, что
позволяет существенно снизить расходы на приобретение и дальнейшее
обслуживание. Соответственно снизились реактивные потери в сети, питающей
трансформатор, в самом трансформаторе, что приводит к существенной экономии
потребляемой энергии.
Выбранное оборудование полностью удовлетворяет требованиям надежности.
напряжение
мощность электроэнергия трансформатор
Задание к расчётной работе
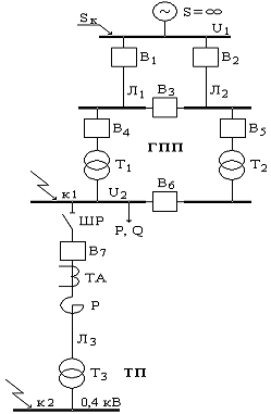
Согласно приведённой на рис. 1 схеме от шин подстанции энергосистемы
питается главная понизительная подстанция (ГПП), предназначенная для
электроснабжения промышленного предприятия. Питание ГПП осуществляется по двум
линиям. На ГПП установлено два силовых двухобмоточного трансформатора.
Нормально питающие линии и трансформаторы ГПП работают раздельно.
Среди прочих нагрузок ГПП на схеме выделена однотрансформаторная цеховая
подстанция (ТП), которая рассмотрена в части 1 расчётной работы.
Данные о величинах номинальных напряжений внешнего и внутреннего
электроснабжения, типах линий, нагрузках трансформаторов ГПП и цеховой ТП
приведены в табл. 1-4.
Требуется:
. Определить тип и мощность трансформаторов ГПП, согласно указанной на
схеме подключённой нагрузке (P, Q) и мощности трансформатора цеховой
ТП, определённой в части 1 расчётной работы.
2. Рассчитать для
точек К1 и К2 значения токов трёхфазного К.З. (ударного и установившегося
значения), а также соответствующие мощности К.З. для режимов включения питающих
линий и выключателей ГПП, указанных в табл. 4.
3. Выбрать и
проверить по условиям протекания токов К.З. на стороне 6-10 кВ ГПП следующие
аппараты и токоведущие устройства:
а) выключатель в цепи нереактированной линии Л3, отходящей от ГПП к цеховой
подстанции;
б) шинный разъединитель в цепи указанной отходящей линии;
в) трансформатор тока для питания цепей измерения и цепей релейной защиты
линии Л3;
г) допустимое наименьшее сечение нереактированной линии по термической
устойчивости при К.З.;
з) реактор на линии Л3 из условия ограничения токов К.З. для выбора менее
мощного коммутационного оборудования и уменьшения сечения линии (условия
определить самостоятельно).
. Определить уставки максимальной токовой защиты для линии (Л3) питающей
ТП.
. Выбрать плавкий предохранитель или автоматический выключатель
устанавливаемый после трансформатора № 3 ТП.
. Сделать выводы
по расчётам, а также выбору оборудования.
Рис. 1 Расчётная схема участка схемы электроснабжения
Расчётные данные к рис. 1.
Номинальные напряжения ступеней трансформации и мощность К.З на шинах
подстанции энергосистемы:
;
;
Тип
линии (ВЛ - воздушная, КЛ - кабельная) и её длина (км):
Л1
Л2 : тип - ВЛ, длина - 25;
Л3:
тип - КЛ, длина - 1,1.
Нагрузка
на стороне 6 кВ ГПП:
P=10,2 МВт;
Q=7,8 МВар.
Режим
включения питающих линий и выключателей ГПП ("+" - включен,
"-" - выключен)
|
Элемент цепи
|
Состояние
|
|
В1
|
-
|
|
В2
|
+
|
|
В3
|
-
|
|
В4
|
-
|
|
В5
|
+
|
|
В6
|
+
|
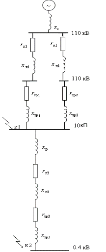
Схема энергосистемы с учётом состояний выключателей изображена на рис. 2.
Рис. 2 Расчётная схема участка схемы электроснабжения
Выполнение расчетной работы
1. Выбор трансформатора
Полная расчётная мощность определяется по формуле (5):
Параметры
трансформатора цеховой ТП (из части 1расчётной работы):
Согласно
указанной на схеме подключённой нагрузки (P, Q) и
мощности трансформатора цеховой ТП, определённой в первой части, выбираем
трансформатор [5]:
2. Выбор марки проводов и кабелей
Сечение кабеля выбирается с соблюдением условия:
Для
линии Л1
Для
линии Л3:
Таблица
1 Параметры выбранных кабелей
|
Линия
|
Параметры
|
|
, А , мм2 , Ом/км ,
Ом/кмМарка провода
|
|
|
|
|
|
Л1,Л2
|
385
|
120
|
0,13
|
0,45
|
А
|
|
Л3
|
170
|
35
|
0,75
|
0,08
|
СБ
|
3. Расчёт для точек К1 и К2 значения токов трёхфазного К.З (ударного
и установившегося значения)
Расчёт ведётся в именованных единицах.
Рис. 3. Схема замещения участка электроснабжения при К.З
Для
точек К1 -К
:
Выполним расчет токов короткого замыкания при приведении сопротивлений к
одному базовому напряжению, а именно:
за
базовое напряжение
выбираем напряжение:
.
4. Выбор аппаратов и токоведущих устройств
Приведённое время действия тока К.З складывается из приведённого времени
действия периодического тока К.З tпр.п.
и приведенного времени действия апериодического тока К.З tпр.а:
.
При
питании от системы неограниченной мощности:
где
- время
отключения выключателя (
- для
быстродействующих выключателей;
- для небыстродействующих выключателей);
- время
действия релейной защиты (определяется по условию селективности), с.
Ступень
селективности защиты
.
Условие
выбора и проверки кабелей на термическую устойчивость:
для
линии Л1 и Л2:
,
для
линии Л3:
Выбор
разъединителя
Выбор
выключателей [6]:
Марка:
ВЭ-6-40/1600УЗ(ТЗ)
Выбор
реактора:
Установка
реактора нецелесообразна, т.к. i
<i
, I
<I
выбранных выключателей и разъединителей,
следовательно выбранные коммутационные аппараты соответствуют режимам работы электроустановки
в целом и не нуждаются в снижении ударной силы тока короткого замыкания.
Выбор
трансформатора тока [6]:
Проверка
выбора трансформатора.
Расчет
уставок максимальной токовой защиты:
где
.
где
5. Выбор защитной аппаратуры
5.1 Выбор защитной аппаратуры линий питающих СП
- для линии Л1:
СП1 подключается к СП2 “наглухо ”.
для линии Л2:
Определяем пиковый ток от группы электроприемников.
=2152,8+(771,92-0,65*307,54)=2724,82
А (16)
-
пусковой ток наибольшего по мощности двигателя.
- сумма
номинальных токов остальных двигателей.
-
коэффициент использования наибольшего по мощности двигателя.
-
номинальный ток наибольшего по мощности двигателя.
Номинальный ток расцепителя, А определяется по формуле (14):
=1,25*593,24=741,55
А.
Ток уставки мгновенного срабатывания электромагнитного расцепителя по
формуле (15):
=1,25*2152,8=2691
А.
Выбираем
[5] автоматический выключатель серии АВМ-10С с номинальным током расцепителя
1000 А и с током уставки отсечки 4800 А.
Для других линий расчет ведется аналогично. Результаты вычислений сводим
в таблицу 9.
Таблица 9
Заключение
Во 2 части курсовой работы был произведён расчёт трансформатора ГПП, а
так же расчеты сечения питающих линий, и проверка их по термической стойкости.
Для определения типов электрических аппаратов и токоведущих устройств
произведены расчёты токов короткого замыкания на шинах 6 кВ и 0,4 кВ. Для
снижения воздействий токов КЗ и ударного тока в электроустановках и линии
установлен реактор. Вышеперечисленное оборудование выбрано по указанному в
работе источнику, отраженному в списке литературы, с обязательным перерасчётом
на устойчивость к токам КЗ и времени термической стойкости.
Список используемой литературы
1. Федоров
А.А., Каменева В.В. Основы электроснабжения промышленных предприятий. Учебник
для вузов - М.: Энергоатомиздат, 1984.
2. Федоров
А.А., Старкова Л.Е. Учебное пособие для курсового и дипломного проектирования.
М.: Энергоатомиздат, 1987.
3. Правила
устройства электроустановок. Издание шестое. - М.: Энергия, 1986.
4. Справочник
по электроснабжению промышленных предприятий. Электрооборудование и
автоматизация. Под ред. А. А. Федорова и Г. В Сербиновского. М.: Энергия, 1981.
5. Справочник
по электроснабжению промышленных предприятий. Промышленные электрические сети.
Под ред. А. А. Федорова и Г. В Сербиновского. М.: Энергия, 1980.
. Справочник
энергетика. Под редакцией А.Н. Чохонелидзе. М.:Колос, 2006.