Защита объектов энергетики от перенапряжений

  • Вид работы:
    Контрольная работа
  • Предмет:
    Физика
  • Язык:
    Русский
    ,
    Формат файла:
    MS Word
    1,58 Мб
  • Опубликовано:
    2013-02-27
Вы можете узнать стоимость помощи в написании студенческой работы.
Помощь в написании работы, которую точно примут!

Защита объектов энергетики от перенапряжений















Контрольная работа

Защита объектов энергетики от перенапряжений

Задача № 1

Начертить план и боковой разрез открытого распределительного устройства (ОРУ), определить его основные размеры, используя исходные данные.

Определить необходимое количество молниеотводов, место установки, их высоту для защиты электрооборудования от прямых ударов молнии.

Выполнить эскиз зон защиты молниеотводов.

Исходные данные.

Номинальное напряжение Количество ячеек в ОРУ Количество воздушных линий  Количество грозозащитных тросов

кВ шт шт шт

UH nЯ nВЛ nTP

220 12 7 2

Тип троса:

с-70/11

Длина пролета Удельное сопротивление грунта Число грозовых часов в год

м Ом*м часов/год

lnp Rизм nгр

300 150 30


Таблица 1. Размеры типового ОРУ с номинальным напряжением 220 кВ

Размеры

UH = 220 кВ

а б в г д е ж з и к

11,75 12,0 18,25 20,5 15,4 4,0 3,7 11,0 16,5 4,0



Рис 1. Поперечный разрез ячейки ОРУ 220 кВ.

Рис 2. Схема заполнения ячейки ОРУ отходящей линии.

Решение.

Защита от грозовых перенапряжений согласно Норм технологического проектирования подстанций переменного тока с высшим напряжением 35-750 кВ (НТП ПС) (приказ ОАО «ФСК ЕЭС» от 13.04.2009 № 136):

Защита от грозовых перенапряжений РУ и ПС осуществляется:

·   от прямых ударов молнии - стержневыми и тросовыми молниеотводами в соответствии с разделом 4.2 ПУЭ;

·   от набегающих волн, защитными аппаратами, устанавливаемыми на подходах и в РУ в соответствии с разделом 4.2 ПУЭ. В качестве защитных аппаратов должны применяться, как правило, ограничители перенапряжений (ОПН).

Защита ВЛ 35 кВ и выше от прямых ударов молнии на подходах к РУ должна быть осуществлена в соответствии с ПУЭ.

В РУ 35 кВ и выше, к которым присоединены ВЛ, должны быть установлены ОПН. Защитные характеристики ОПН должны быть скоординированы с изоляцией защищаемого оборудования и ВЛ.

Защитные характеристики ОПН, установленных в одном РУ, не должны отличаться друг от друга.

Количество комплектов ограничителей перенапряжений нелинейных (ОПН) 35-750 кВ и место их установки выбираются в соответствии с требованиями ПУЭ, уровнем испытательных напряжений защищаемого оборудования, исходя из принятых на расчетный период схем электрических соединений, числа ВЛ и трансформаторов. При поэтапной замене разрядников типов РВС, РВМК и РВМГ на ОПН на действующих ПС следует уточнять их расстановку, исходя из характеристик ОПН и уровня испытательных напряжений оборудования.

Для защиты трансформаторного оборудования от грозовых перенапряжений на стороне 6-10 кВ так же устанавливаются ОПН.

При применении КРУЭ 110-750 кВ или кабельных линий и вставок для их защиты от грозовых перенапряжений применяют ОПН. Выбор параметров ОПН определяется на основании расчетов.

Открытые распределительные устройства (ОРУ) подстанции 35 - 750 кВ должны быть защищены от прямых ударов молнии стержневыми молниеотводами

Покажем определение зон защиты молниеотводов:

Рис. 3. Сечение зоны защиты одиночного стержневого молниеотвода

Обозначение:

h - высота молниеотвода, м;

hX - высота, защищаемого объекта (защищаемый уровень), м.;

rX - радиус (ширина зоны защиты на высоте hX), м.

Молниеотводы должны должны обеспечивать зону защиты на высоте шинных порталов по всей территории ОРУ, также должны быть защищены линейные порталы. Эффективность определенных указанным ниже способом зон защиты молниеотводов подтверждена длительным опытом эксплуатации и оценивается как 0,995.

Объекты высотой hX , нажходящиеся внутри образуемого молниеотводами прямоугольника защищены в том случае, если диагональ прямоугольника D удовлетворяет условию:

D 8*(h - hX )*p (1)

Внешняя часть зоны защиты определяется как зона защиты системы двух молниеотводов (рис. 2).

Рис. 2. Построение зоны защиты двух стержневых молниеотводов.

Габариты внешней зоны защиты определяем по формулам

rX = 1.6*p*h* =1.6*p* (2)0 = h - a/2p (3)0X = 1.6*p* (4) =  (5)

где h - высота молниеотводов ОРУ, при h = 30 м р = 1

.        По таблице 1 в исходных данных определяем размеры одной ячейки:

Ширина: д = 15,4 м

Длина: а + б + в + г + к + 2к = 11,75 + 12,0 + 18,25 + 20,5 + 2*4,0 = 70,5 м.

.        Определяем размеры ОРУ:

Ширина: д * nЯ = 15,4 * 12 = 184,8 м.

Длина: 70,5 м.

Тогда можно рассматривать следующий план ОРУ 220 кВ:

Рис. 3. План ОРУ 220 кВ на 12 ячеек.

.        Молниеотводы должны обеспечивать зону защиты на высоте шинных порталов по всей территории ОРУ, также должны быть защищены линейные порталы. Молниеотводы целесообразно располагать на линейных порталах.

Минимально необходимую высоту молниеотводы ОРУ можно определить по следующим условиям:

при высоте линейных порталов hX = 16,5 м и р = 1 высота молниеотводов составит :

D 8*(h - hX )*p ⇒ h = D/8 + hX=  

где n- количество ячеек между молниеотводами ( n= 4)

D =  = 73.721 м, тогда

h = D/8 + hX = 73,721/8 + 16,5 = 25,715 м

выбираем высоту молниеотвода h = 26 м - увеличивается надежность защиты. Для проверки правильности выбранной высоты молниеотводов рассчитаем зону защиты одиночных молниеотводов на разных уровнях:

❋   шинных порталов hХШ = 11 м.:

rШX = 1.6*p* = r0X = 1.6*1* = 17,1 м.

❋   линейных порталов hХЛ = 16,5 м.:

rЛX = 1.6*p* = r0X = 1.6*1* = 11,28 м.

5.      Определяем расстояние h0 между молниеотводами

- 2; 2 - 3; 3 - 4; 5 - 6 ; 6 - 7; 7 - 8.

Расстояние между молниеотводами:

A = 4 * 15,4 = 61,6 м 0 = h - A/7*p = 26 - 61.6/7*1 = 17.2 m 0 = 17.2 m  hx = 16.5 m.

то есть, молниеотводы защищают ошиновку линейных порталов.

.        Определяем расстояние r0 на уровне:

❋   шинных порталов hХШ = 11 м.:

rШX = 1.6*p* = r0X = 1.6*1* = 6,0 м.

❋   линейных порталов hХЛ = 16,5 м.:

rЛX = 1.6*p* = r0X = 1.6*1* = 0,6 м.

7.      Расчёт расстояния h0 между молниеотводами 1 - 8; 4 - 5.

А = 40,5 м

h0 = h - A/7*p = 26 - 40,5/7*1 = 20,2 m

.        Определяем расстояние r0 на уровне:

❋   шинных порталов hХШ = 11 м.:

rШX = 1.6*p* = r0X = 1.6*1* = 9,5 м.

❋   линейных порталов hХЛ = 16,5 м.:

rЛX = 1.6*p* = r0X = 1.6*1* = 3,2 м.

9.      Вычерчиваем зону защиты ОРУ 220 Кв на высоте 11 м и 16,5 м.

10. Молниеотводы , защищающие ОРУ, устанавливаются чаще всего на конструкциях ОРУ и оказываются, таким образом, присоединенными к рабочему (защитному) заземлению. При этом необходимо, чтобы растекание тока молнии от стоек конструкций ОРУ с молниеотводами происходило в нескольких направлениях. Кроме того, для уменьшения импульсного сопротивления контура заземления возле таких стоек должны быть установлены дополнительно 1 - 3 вертикальных заземлителя длиной до 3 - 5 м. Выбор конструкции заземления опор, обеспечивающей нормированное значение сопротивления заземления

Определим удельное сопротивление грунта r:

        

где: кс - сезонный коэффициент, кс =1.4; rизм = 150 Ом·м - измеренное значение удельного сопротивления грунта


Для расчета сопротивления заземления на переменном напряжении используется выражение:

,     

где l - длина трубы заземления, l =20 м; d - диаметр трубы заземления, d =0.02 м; t - глубина залегания заземления; t = 3.0 м (Рис.4), тогда


При этом нормированное значение сопротивления заземлителя при удельном сопротивлении грунта rизм = 150 Ом·м не должно превышать 20 Ом.

Рис. 4 Эскиз заземлителя.

Выбираем трехлучевой вид заземлителя и определяем его импульсное сопротивление:

,    

где n - количество лучей заземлителя, n=3; αи - импульсный коэффициент заземлителя, αи=0.94; ηи - коэффициент использования заземлителя, ηи=0.85.

  20 Ом

Задача 2

Составить схему защиты электрооборудования подстанции (ПС) от перенапрежений набегающих волн с линии.

Указать длину защищаемого подхода воздушной линии (ВЛ) к ПС;

Определить допустимое сопротивление заземляющего сопротивление опоры.

распределительный молниеотвод заземление сопротивление

Дано:

Тип подстанции

тупиковая

Длина ответвления  Длина захода Напряжение питающей сети

lотв lзах Un

м м кВ

- - 110

Тип опор линии

одностоечные

Материал опор

деревянные

Количество тросов Сопротивление грунта

nTP Rизм

шт Ом*м

- 100


Выполнить защиту от перенапряжений для двух линий ВН и двух линий НН.

Решение.

Задана тупиковая подстанция (ПС) - рис. 1

Это схема ПС 110 кВ с двумя рабочими и обходной системой шин № 110-13Н для ВН и схема № 10-4Н для НН (заданная сторона НН в задании соответствует не тупиковой, а проходной ПС!!!)

Согласно СТО 5694-7007-29.240.30.010-2008 «Схемы принципиальные электрические РУ ПС 35 - 750 кВ. Типовые решения» имеем типовую структурную схему: рис 1

 

Рис. 1 Типовые структурные схемы ПС 110 кВ;

а) - ВН - 13Н- Две рабочие и обходная системы шин;

Применение: При 5 и более присоединениях, повышенных требованиях к сохранению в работе присоединений, но при наличии присоединений, не допускающих даже кратковременную потерю напряжения при планов выводе выключателей из работы.

б) - НН - 4Н- Два блока с выключателями и неавтоматической перемычкой со стороны линий.

Применение: Тупиковые или ответвительные двух трансформаторные ПС питаемые по 2-м ВЛ..

Рис. 1. Подстанция тупикового типа - задание.

1.      Механизм формирования набегающих волн

Можно выделить три основных случая прямого поражения молнией ВЛ без тросов (рис.2):

) удар молнии в фазный провод при прорыве сквозь тросовую защиту (или при отсутствии таковой);

) удар молнии в вершину опоры;

Рис. 2. Расчетные случаи поражения ВЛ молнией

В первом случае на фазном проводе сразу формируются две электромагнитные волны, движущиеся в противоположные стороны по волновым каналам линии. Рассматривая задачу приближенно в однофазной постановке можно принять для линии волновое сопротивление прямой последовательности Zс. Тогда напряжение бегущей по линии волны можно оценить приближенно следующим образом:

u(t) = ZC

Так как ток молнии достигает своего амплитудного значения (десятки килоампер) за время порядка нескольких микросекунд, то на ближайшей к точке удара молнии гирлянде изоляторов напряжение начинает быстро нарастать. Гирлянда изоляторов обладает импульсной электрической прочностью, которая имеет статистический разброс. В расчетах импульсную прочность гирлянды принимают равной 50%-ному разрядному напряжению U50% - максимальному значению стандартного грозового импульса напряжения (1,2/50 мкс), при котором разряд наступает в 50% всех случаев подачи напряжения. Как только напряжение на гирлянде изоляторов превысит ее импульсную прочность, произойдет перекрытие гирлянды, и большая часть тока стечет в землю по заземлителю опоры. В сторону подстанции отправится волна, ограниченная по амплитуде импульсной прочностью гирлянды U50%.

При ударе молнии в опору напряжение на фазном проводе ВЛ сначала определяется только составляющими, индуктированными электромагнитным полем канала молнии. Большая часть тока молнии протекает по опоре, создавая падение напряжения на индуктивности опоры Lоп и на импульсном сопротивлении ее заземлителя Rоп. Если ток молнии и крутизна его фронта окажутся достаточно большими, то разность потенциалов между вершиной опоры и фазным проводом превысит импульсную прочность гирлянды изоляторов, что приведет к обратному перекрытию. При этом на фазном проводе практически мгновенно появится напряжение и по линии в сторону подстанции отправится волна с отвесным фронтом.

Во всех случаях грозового поражения ВЛ от места перекрытия в сторону подстанции движется электромагнитная волна, амплитуда которой может быть принята равной U50%. Если эта волна образовалась в результате обратного перекрытия, то ее начальная длительность фронта τф,0 может быть в расчетах принята равной нулю.

.        Волновые процессы при набегании электромагнитной волны на узел неоднородности

Процессы, протекающие на подстанции при воздействии набегающих с линии волн, кратковременны. Их длительность составляет десятки микросекунд, а максимальные перенапряжения возникают в течение нескольких микросекунд переходного процесса. Длительности фронта воздействующих напряжений оказываются соизмеримыми с временами пробега волн по участкам ошиновки распределительного устройства, что приводит к необходимости учета волнового характера процессов при качественном анализе и в численном моделировании.

Если предположить, что электромагнитная волна распространяется только по одному волновому каналу линии электропередачи (с параметрами прямой последовательности), то задачу расчета волнового переходного процесса на подстанции можно решать в однофазной постановке. На рис.3,а показан случай набегания волны напряжением uпад по однопроводной линии с волновым сопротивлением Zc. Электрооборудование подстанции на рисунке показано двухполюсником, подключенным к линии в точке А.

Рис. 3. Набегание волны на узел неоднородности

а - поясняющая схема; б - расчетная схема замещения

В соответствии с общим решением волновых уравнений линии напряжение в каждой ее точке (и, в частности, в точке А) представляет собой сумму двух волн, движущихся в противоположных направлениях, - падающей uпад и отраженной uотр:

A = uпад  + uотр . (1)

Ток, протекающий через точку А, определяется разностью двух волн:

A = iпад -  iотр ( 2)

Напряжение u в и ток iв бегущей по линии волны пропорциональны друг другу:

uв = ZC iB (3)

где Zc - волновое сопротивление линии, которое для прямой последовательности линий 110 - 750 кВ находится в диапазоне 250 ÷ 400 Ом.

Умножая ( 2) на Zc и складывая с (1), получим с учетом ( .3):

uпад = ZC * iA  + uA (4)

Полученному соотношению соответствует схема замещения, показанная на рис.3,б, которая и используется при исследовании процессов на подстанции при воздействии набегающих волн. Заметим, что при выводе (4) содержимое двухполюсника, замещающего подстанцию, не раскрывалось, поэтому схема справедлива для любой компоновки электрооборудования на ПС.

При исследовании волновых процессов на подстанции необходимо учитывать отходящие от нее линии. В расчетной схеме замещения (например, в схемах рис. 2) отходящая линия может быть представлена своим волновым сопротивлением. Это представление справедливо до тех пор, пока в начале линии не появится отраженная волна, т.е. в течение двух времен пробега волны по отходящей линии. При этом напряжение в начале линии относится к втекающему в нее току так же, как соотносятся друг с другом напряжение и ток падающей волны, т.е. входное сопротивление линии определяется ее волновым сопротивлением.

Обычно время пробега волны по отходящей линии значительно больше характерных времен волнового процесса на подстанции, поэтому замещение отходящей линии волновым сопротивлением справедливо.

Участки ошиновок на подстанции в схеме замещения представить волновыми сопротивлениям нельзя, так как время пробега волны по ним в большинстве практических случаев меньше длительности фронта набегающей волны. Поэтому задачи расчета грозовых перенапряжений на подстанции приходится решать с помощью численного моделирования на компьютере. Для расчета волновых процессов компьютерные программы используют для представления ошиновок модели длинных линий, реализующие для учета конечного времени пробега волны по ошиновке метод бегущих волн.

Защита от грозовых перенапряжений согласно Норм технологического проектирования подстанций переменного тока с высшим напряжением 35-750 кВ (НТП ПС) (приказ ОАО «ФСК ЕЭС» от 13.04.2009 № 136):

Защита от грозовых перенапряжений РУ и ПС осуществляется:

·   от прямых ударов молнии - стержневыми и тросовыми молниеотводами в соответствии с разделом 4.2 ПУЭ;

·   от набегающих волн, защитными аппаратами, устанавливаемыми на подходах и в РУ в соответствии с разделом 4.2 ПУЭ. В качестве защитных аппаратов должны применяться, как правило, ограничители перенапряжений (ОПН).

Защита ВЛ 35 кВ и выше от прямых ударов молнии на подходах к РУ должна быть осуществлена в соответствии с ПУЭ.

В РУ 35 кВ и выше, к которым присоединены ВЛ, должны быть установлены ОПН. Защитные характеристики ОПН должны быть скоординированы с изоляцией защищаемого оборудования и ВЛ.

Защитные характеристики ОПН, установленных в одном РУ, не должны отличаться друг от друга.

Количество комплектов ограничителей перенапряжений нелинейных (ОПН) 35-750 кВ и место их установки выбираются в соответствии с требованиями ПУЭ, уровнем испытательных напряжений защищаемого оборудования, исходя из принятых на расчетный период схем электрических соединений, числа ВЛ и трансформаторов. При поэтапной замене разрядников типов РВС, РВМК и РВМГ на ОПН на действующих ПС следует уточнять их расстановку, исходя из характеристик ОПН и уровня испытательных напряжений оборудования.

Для защиты трансформаторного оборудования от грозовых перенапряжений на стороне 6-10 кВ так же устанавливаются ОПН.

При применении КРУЭ 110-750 кВ или кабельных линий и вставок для их защиты от грозовых перенапряжений применяют ОПН. Выбор параметров ОПН определяется на основании расчетов.

Открытые распределительные устройства (ОРУ) подстанции 35 - 750 кВ должны быть защищены от прямых ударов молнии стержневыми молниеотводами.

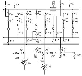
Составим схемы для ВН и НН с учетом требований СТО 5694-7007-29.240.30.010-2008 «Схемы принципиальные электрические РУ ПС 35 - 750 кВ. Типовые решения».

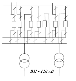
Рис. 4. Схема грозозащиты для схемы ПС 110 кВ с двумя рабочими и обходной системой шин № 110-13Н ВН (подробная)

Рис. 5. Схема для линий НН 10 кВ.

ОПН - ограничитель перенапряжений; РВ - воздушный разрядник

Определим длину защитного подхода.

Амплитуда атмосферных перенапряжений в различных точках ПС с выбранными компоновкой и характеристиками подстанционного оборудования и защитнных аппаратов зависят от амплитуды и формы грозового импульса на входе ПС. Параметры этого импульса определяются параметрами разряда молнии в точке удара, импульсным уровнем изоляции ВЛ и показателями грозоупорности ВЛ на подходе, расстоянием от места удара до ПС и характеристиками деформации грозового импульса при распространении его по проводам.

При известных характеристиках защитных аппаратов и допустимой амплитуде грозовых волн для подстанционного оборудования (табл1), амплитуде, крутизне и импульса в точке удара, для фиксированного расстояния между разрядником и защищаемым объектом может быть определена максимальная длина участка ВЛ на подходе ( опасная зона IO.З), после пробега которого амплитуда атмосферного перенапряжения на защищаемом оборудовании не превысит допустимого.

Расчет ведем для воздушных линий без тросов и на деревянной опоре.

Для волнового сопротивления провода (zк.пp) и коэффициента связи двух проводов с учетом короны (kк) при напряжении на пораженном проводе, равном 50 %-ному разрядному напряжению комбинированной изоляции, принимаются следующие значения:

Таблица 1

UH, kB

U50, kB

ZK.np, Ohm

kK

110

1330

365

0,155

150

1740

335

0,155

220

2540

300

0,160

Перенапряжения в каждом узле рассчитываются, как сумма всех набегающих на него грозовых импульсов с учетом коэффициентов преломления. Импульсы, отраженные от узла, определяются, как разность напряжения в узле и падающего на узел импульса напряжения и т.д. Одновременный расчет процессов в каждом узле позволяет моделировать переходный процесс на ПС в целом.

При определении длины опасной зоны параметры грозового импульса в т очке удара принимаются фиксированными: фронт импульса - вертикальный, длина импульса до 100 - 200 мкс; амплитуда равна U50 - 50%-ному импульсному разрядному напряжению линейной изоляции. Грозовые импульсы с большими амплитудами будут срезаны при малых предразрядных временах и деформируются под действием импульсной короны. Колебательная с оставляющая грозового перенапряжения при таких воздействиях не успевает дорасти до максимального значения.

В качестве исходного принимается наиболее неблагоприятный случай: грозовой импульс совпадает с максимальным значением UP противоположной полярности. При этом амплитуда расчетного грозового импульса для ВЛ без тросов на деревянной опоре

P.B = U50 = Up

Расчет длины опасной зоны не позволяет оценить надежность грозозащиты ПС. Однако такой метод позволяет выбрать схему, защитные аппараты и их размещение на ПС в соответствии с требованиями ПУЭ по длине опасной зоны7. В этом случае показатели надежности грозозащиты ПС с ОПН будут того же порядка или лучше, чем по рекомендациям ПУЭ, которые проверены многолетним опытом эксплуатации.

При использовании в качестве защитных аппаратов вентильных разрядников, на применение которых были ориентированы рекомендации ПУЭ.

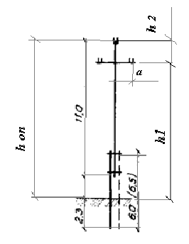
Для определения средней высоты подвеса провода выбираем тип опоры, параметры которой приведены в таблице 3.5.

Таблица 2

Тип опоры

Uном, кВ

hоп, м

h1, м

h2, м

a, м

t, м

ф,-сечение ж/б приставки

Деревянная одностоечная без троса

110

14,5

12,5

2

2.0

2.3

0.3


Приведем эскиз опоры (Рисунок 6).

Рисунок 6. Эскиз опоры.

Средняя высота подвеса провода: hср.пр = hon - hп-n = 14,5 - 2,0 =12,5 м

Найденные параметры позволяют рассчитать длину защитного подхода подстанции:

 , (52)

где С - скорость света, м/мкс; Um- амплитуда волны перенапряжения, МВ; Dtmax - максимально необходимое смещение фронта волны; hтр ср - средняя высота подвеса провода, м.

Dtmax = (0,5 + )*

где к = 1; 1,1; 1,45 и 1,55 при числе проводов в фазе соответственно 1, 2, 3, 4 и более, тогда при к = 1,1

Dtmax = (0,5 + )* = 1,12 мкс


Выбор конструкции заземления опор, обеспечивающей нормированное значение сопротивления заземления

Определим удельное сопротивление грунта r:

        

где: кс - сезонный коэффициент, кс =1.4; rизм = 100 Ом·м - измеренное значение удельного сопротивления грунта


Для расчета сопротивления заземления на переменном напряжении используется выражение:

,     

где l - длина трубы заземления, l =20 м; d - диаметр трубы заземления, d =0.02 м; t - глубина залегания заземления; t = 3.0 м (Рис.4), тогда


При этом нормированное значение сопротивления заземлителя при удельном сопротивлении грунта rизм = 100 Ом·м не должно превышать 15Ом.

Рис. 4 Эскиз заземлителя.

Выбираем однолучевой вид заземлителя и определяем его импульсное сопротивление:

 ,  

где n - количество лучей заземлителя, n=1; αи - импульсный коэффициент заземлителя, αи=0.94; ηи - коэффициент использования заземлителя, ηи=0.85.

  15 Ом

Эффективность грозозащиты подстанции от волн перенапряжений, набегающих с линии

Опасные импульсы перенапряжений, набегающие на подстанцию с воздушной линии, могут возникать в результате прорыва молнии через тросовую защиту и при обратных перекрытиях при ударе молнии в опоры или тросы в пределах защитного подхода. Среднее годовое число перекрытий изоляции подстанции вследствие набегания на нее опасных импульсов грозовых перенапряжений определяется:

b = b/+b//+b///,                                                                                         

где b/ - среднее годовое число перекрытий изоляции вследствие прорыва молнии через тросовую защиту; b// - среднее годовое число перекрытий изоляции вследствие обратных перекрытий при ударах молнии в опору; b/// - среднее годовое число перекрытий изоляции вследствие обратных перекрытий при прямом ударе молнии в трос.

Определим среднее годовое число перекрытий изоляции вследствие прорыва молнии через тросовую защиту:

 , (63)

где Nп - число ударов молнии в трос в пределах защитного подхода; Рα - вероятность прорыва молнии через тросовую защиту;

Вероятность прорыва молнии через тросовую защиту:

, (64)

где a - защитный угол троса, α=250; А=90, В=4 - для линий напряжением 110-220кВ


Число ударов молнии в трос в пределах защитного подхода:

, (65)

где hcp.np - средняя высота подвеса провода (12.5 м); hоп - высота деревянной одностоечной опоры, hоп= 14.5м; lзп - длина защитного подхода, lзп =1,506 км; Dг - число грозовых часов в году, Dг =55 часов

15


Определим среднее годовое число перекрытий изоляции вследствие обратных перекрытий при ударах молнии в опору:

, (66)

где Nоп - число прямых ударов молнии в опору; Роп - вероятность обратных перекрытий при ударе молнии в опору.


где lпр - длина пролета, lпр =90м; hоп - высота опоры, hоп= 14.5м.

, (68)

где I0кр - критический ток молнии при ударе в опору, который приводит к перекрытию линейной изоляции.

, (69)

где  - импульсное разрядное напряжение гирлянд изоляторов; Rи - импульсное сопротивление заземлителя; δ - коэффициент, который характеризует один грозозащитный трос на линии, δ=0.3.  - импульсное сопротивление для однолучевого заземлителя,


Определим среднее годовое число перекрытий изоляции вследствие обратных перекрытий при прямом ударе молнии в трос:

, (70)

где Nтр - число ударов молнии в трос в середине пролета; Ртробр - вероятность пробоя промежутка трос-провод при ударе молнии в провод в середине пролета.

  (71)

где aкр- критическая крутизна тока молнии, при которой происходит пробой промежутка провод -провод:

, (кА/мкс)  (72)

где lп-п - расстояние между проводами, lп-п= hп-п /cosα = 2/cos25=2.21; К - геометрический коэффициент связи между проводами ( Кк = 0,155 - таблица 1).

 (73)

 

 

Определим среднее годовое число перекрытий изоляции подстанции вследствие набегания на нее опасных импульсов грозовых перенапряжений:

b = b/+b// +b/// = 0.000473 + 0,00925 + 0,00147= 0,011193

Показатель грозоупорности при трехлучевом заземлителе опор:

 лет;

Вопросы

.        Описать работу ограничителей перенапряжений. Область их использования.

Ответ:

Как известно, под перенапряжением понимают кратковременное повышние напряжения в сети по отношению к номинальному рабочему напряжению. В электрических сетях перенапряжения возникают в результате воздействия мощных внешних источников электрической энергии, например разрядов молний, а также вследствие переходных процессов, вызванных изменением конфигурации сети при коммутациях. Появление перенапряжений может приводить к необратимому повреждению изоляции основного оборудования электрических сетей. Поэтому для бесперебойного снабжения потребителей электроэнергией перенапряжения необходимо ограничивать до уровня безопасного для изоляции оборудования.

Для защиты от перенапряжений используют специальные защитные устройства (ЗУ), на которые возлагается задача по ограничению роста напряжения на изоляции защищаемого оборудования. Основой простейших конструкций ЗУ является искровой промежуток, пробивающийся при превышении заданной величины напряжения. Участок сети, на котором происходит пробой промежутка, отключается из-за возникновения в сети большого тока короткого замыкания.

В защитных устройствах современных конструкций последовательно с искровым

промежутком включают сопротивления, ограничивающие величину тока через промежуток и устраняющие тем самым возможность возникновения короткого замыкания в сети. Различные модификации подобных ЗУ, именуемых вентильными разрядниками, используются в электрических сетях всех классов напряжения. Вследствие широкого диапазона изменения перенапряжений, через ЗУ могут протекать токи, составляющие сотни ампер при коммутационных перенапряжениях, и десятки тысяч ампер - при грозовых. Очевидно, что для защиты изоляции оборудования от таких перенапряжений, величины применяемых в ЗУ сопротивлений должны уменьшаться по мере роста приложенного напряжения.

Первоначально для изготовления сопротивлений вентильных разрядников использовали материалы на основе карбида кремния (велиты, тервиты). Однако низкая нелинейность этих материалов не позволяла обеспечить одновременно малый ток при рабочем напряжении сети и приемлемый уровень ограничения перенапряжений. Поскольку уровень ограничения перенапряжений определяется характеристиками защищаемого оборудования, непременным атрибутом вентильных разрядников являлся искровой промежуток, назначение которого указано выше. В то же время использование искровых промежутков обусловило зависимость напряжения срабатывания разрядника от амплитуды, скорости нарастания и длительности воздействующих перенапряжений . К недостаткам данных ЗУ следует также отнести ограниченную способность материалов на основе карбида кремния пропускать импульсные токи большой амплитуды.

В конце 70-х годов прошлого столетия в качестве основы нелинейных сопротивлений было предложено использовать обладающий заметно большей нелинейностью материал на основе оксида цинка . Применение таких материалов позволило заметно упростить конструкцию ЗУ за счет отказа от использования искровых промежутков. В настоящее время массовый выпуск ЗУ, в которых используется оксид цинка и получивших название ограничителей перенапряжения (ОПН), освоен как за рубежом, так и в нашей стране.

Преимуществами ОПН являются возможность глубокого ограничения перенапряжений, в том числе междуфазных, малые габариты, позволяющие использовать их в качестве опорных изоляционных колонн, большая пропускная способность.

Уровень ограничения коммутационных перенапряжений с помощью ОПН составляет (1,65…1,8)UФ. уровень ограничения грозовых перенапряжений составляет (2,2…2,4) UФ в сетях 110 кВ и снижаются до 2UФ для линий электропередачи 750 кВ.

Ограничители комплектуются в виде параллельно соединенных колонок из дисков диаметром 28 мм и высотой 8 мм. торцы дисков металлизированы и обеспечивают контакт между дисками. В соответствии с пропускной способностью число параллельных колонок резисторов в ОПН варьируется от четырёх в ограничителе перенапряжения 110 кВ до 30 в ограничителе 750 кВ.

Коэффициент нелинейности резисторов ОПН (варисторов) в области ограничения коммутационных перенапряжений имеет значение 0,03 - 0,05. При ограничении грозовых перенапряжений, когда токи, протекающие через ОПН, достигают значений нескольких килоампер, коэффициент нелинейности возрастает до 0,07 - 0,1. Такая высокая нелинейность обуславливает прохождение при рабочем напряжении или резонансных перенапряжениях через нелинейные резисторы тока порядка долей миллиампера на одну параллельную колонку. Это позволяет исключить искровой промежуток и подключать резистор ОПН непосредственно к сети.

Применительно к ОПН отсутствует понятие напряжения гашения. Однако длительное воздействие резонансных перенапряжений, связанных с прохождением через ОПН больших токов, может нарушить тепловую устойчивость аппарата и привести к аварии. В связи с этим для ОПН установлены допустимые длительности приложения повышенных напряжений, которые должны быть скоординированы с действием релейных защит.

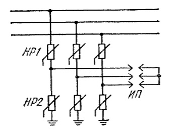
Применение ОПН позволяет глубоко ограничивать также и междуфазные перенапряжения. Для этого может быть использована схема с искровыми промежутками (рис. 1).

Рис. 1. Схема включения ОПН для ограничения перенапрежений междуфазных и относительно земли.

В нормальном режиме каждый варистор НР1 - НР2 включен на фазное напряжение. При коммутационных перенапряжениях, которые всегда несимметричны, пробиваются искровые промежутки. Вследствие этого варисторы НР2 соединяются параллельно, а варисторы НР1 включаются попарно на междуфазные напряжения. С восстановлением нормального режима ток в искровых промежутках снижается до миллиампер и дуга в них гаснет. Рассмотрим подробно характеристики современных ОПН

Основные характеристики ОПН

Рассматриваемые характеристики можно разделить на две основные группы:

Первая группа - вольтамперные характеристики ОПН при грозовых и коммутационных перенапряжениях (защитные характеристики), определяющие уровень ограничения перенапряжений на защищаемом оборудовании. Они определяются характеристиками используемого нелинейного материала. Здесь же следует отметить и особую точку на вольтамперной характеристике ОПН - его наибольшее допустимое напряжение (Uнр). Это напряжение промышленной частоты, при котором ОПН может работать неограниченно долго. Любое повышение напряжения сверх наибольшего допустимого при- водит к увеличению тока, протекающего через ОПН и к его дополнительному нагреву.

Вторая группа - эксплуатационные характеристики ОПН, обеспечивающие способность аппарата выполнять свои функции в течение нормированного срока службы. К ним относится, в первую очередь, пропускная способность, т.е. способность аппарата выдержать без повреждений воздействие (в конкретных условиях и при определенной последовательности) заявленного числа импульсов тока с нормируемыми амплитудой и длительностью. Эта характеристика ОПН определяется типом использованных нелинейных сопротивлений - варисторов, и зависит также от конструктивных особенностей аппарата. К последним относится способность ОПН отдавать в окружающее пространство тепло, выделившееся в нелинейном сопротивлении при ограничении перенапряжения. На эксплуатационные характеристики влияют также масса ОПН, его габаритные размеры, тип материала корпуса (фарфор или полимер) и т.п.

Жесткая конкуренция на отечественном рынке привела к тому, что защитные характеристики ОПН, поставляемых различными изготовителями, достаточно близки.

Этому способствовала и ориентация ряда отечественных изготовителей ОПН на использование в аппаратах варисторов зарубежного производства, как правило, фирмы Epcos, или, с целью снижения себестоимости ОПН, варисторов китайских предприятий.

Анализ вольтамперных характеристик

Нелинейное сопротивление ОПН собирают из отдельных керамических дисков -

варисторов - получаемых прессованием и последующим высокотемпературным спеканием смеси ряда оксидов металлов. В состав смеси входят: оксид цинка (более 90% по массе), оксиды висмута, сурьмы, кобальта и др. Характеристики получаемых при этом варисторов, зависят от способа приготовления исходной массы (соотношения компо- нентов в смеси, тонкости помола, однородности массы и т.п.), параметров процесса прессования заготовок, а также режима обжига. Выпускаются варисторы диаметром до

мм и высотой до 50 мм. Как правило, наибольшее длительно допустимое рабочее напряжение единичного варистора не превышает нескольких тысяч вольт. Поэтому для создания ОПН на большие, чем указано выше, напряжения, единичные варисторы собирают последовательно в колонку. Рабочее напряжение колонки, в первом приближении, равно сумме рабочих напряжений варисторов, из которых она собрана.

На рис.1 представлены в относительных единицах вольтамперные характеристики ОПН, укомплектованных варисторами фирмы Epcos, рассчитанные по данным, полученным из каталогов и рекламных проспектов различных изготовителей.

Из рис. 1 видно, что использование варисторов одного и того же типа приводит у разных изготовителей к одинаковые защитным характеристикам ОПН (отличия в 1,5 - 2% в напряжениях практического значения не имеют, и могут быть отнесены к погрешности измерений). Напряжение на ОПН при токе 10 кА будет в 2,25 раза больше длительно допустимого рабочего напряжения (амплитудного значения) защитного аппарата независимо от того, кто этот аппарат изготовил (Siemens, ЗAO "Завод электротехнического оборудования" или ОАО "Севзаппром"). Аппараты собранные разными "сборщиками" из одинаковых варисторов, отличаются, в основном, конструктивными решения- ми, т.е. материалами внешней изоляции (полимер или фарфор), способом размещения варисторов в ОПН и технологией сборки.

Вольтамперные характеристики ОПН, укомплектованных варисторами разных изготовителей, (рис. 2), различаются больше, чем в предыдущем случае. Однако это различие, составляющее 5-6%, практического значения не имеет, поскольку уровень защищенности сети определяется, в первую очередь, схемой соединений и взаимным расположением оборудования и ОПН в распределительных устройствах. При этом не следует забывать, что указываемые изготовителями величины напряжений, остающихся на ОПН при нормированных значениях тока, - это максимально допустимые значения. У реальных аппаратов величины соответствующих напряжений несколько меньше.

Анализ эксплуатационные характеристик

Ограничители перенапряжений классифицируют по наибольшему длительно допустимому рабочему напряжению, току пропускной способности и номинальному разрядному току.

Наибольшее длительно допустимое напряжение (Uнр) -это наибольшее, не приводящее к повреждению, действующее значение напряжения промышленной частоты, которое может быть приложено непрерывно к ОПН в течение всего срока его службы при нормированных воздействиях.

Ток пропускной способности (Iп) - это максимальное значение прямоугольного импульса тока длительностью 2000 мкс, воздействие которого ОПН должен выдержать, по крайней мере, 18 раз без потери рабочих качеств.

Номинальный разрядный ток ОПН (IÍ ) - максимальное значение грозового импульса тока 8/20 мкс, воздействие которого ОПН должен выдержать, по крайней мере,20 раз без потери рабочих качеств.

Эксплуатационные характеристики ОПН определяются, в первую очередь, характеристиками использованных в его конструкции варисторов (табл. 1) [4]. В таблице для сравнения приведены характеристики варисторов с током пропускной способности 500 - 550 А, изготовленные на различных предприятиях. (Характеристики варисторов диаметром 28 мм с током пропускной способности 100 А, изготовленных НПО «Электрокерамика», включены в таблицу, поскольку это предприятие на протяжении более полу- тора десятилетий монопольно выпускало в СССР ограничители перенапряжений, комплектуя их этими варисторами).

Понятие ток пропускной способности тесно связано с другим, часто встречающееся в литературе понятием поглощаемая ограничителем перенапряжений энергия. Под поглощаемой энергией в данном случае подразумевают максимально допустимую энергию, выделяющуюся в виде тепла в варисторах при прохождении тока пропускной способности, которая не вызывает повреждения ОПН, находящегося под действием рабочего напряжения. Поскольку поглощенная в ОПН энергия практически пропорциональна амплитуде тока пропускной способности, увеличение этого тока приводит к со- ответствующему увеличению допустимой энергии. Выбор ОПН для установки в электрических сетях производится на основе сопоставления тока пропускной способности аппарата (поглощаемой энергии) с воздействиями, возникающими в месте его установки при перенапряжениях.

Оптимизация рецептуры исходного материала варистора и совершенствование технологии обжига позволили повысить удельную плотность тока пропускной способности (Iпр/S с 0,1 А/мм2 (варисторы первых поколений) до 0,3 А/мм2 (у наиболее совершенных). Дальнейшее увеличение плотности тока для варисторов на основе оксида цинка встречает объективные трудности. Это связано с тем, что при прохождении импульсов тока соответствующей амплитуды через варистор, последний разогревается до температуры близкой к температуре разрушения полупроводящей структуры керамики. По- этому повышение плотности тока пропускной способности определяется возможностью интенсификации охлаждения варисторов.

В отличие от удельной плотности тока, градиент напряжения (Uнр/h) у варисторов всех изготовителей практически одинаков. При наибольшем допустимом рабочем напряжении, выбранном в соответствии с рекомендациями изготовителей, его значение составляет 0,1 кВ/мм. Это значение оптимально, поскольку при этом высота столба варисторов оказывается практически равной высоте корпуса соответствующего ОПН, выбираемой по условиям электрической прочности внешней изоляции.

Наиболее заметны отличия в характеристиках варисторов в мощности активных потерь (Рнр) при рабочем напряжении. Воздействие рабочего напряжения и температуры приводит к изменению структуры материала варистора . Это, в свою очередь, может приводить как к увеличению мощности потерь в варисторах, так и к ее уменьшению. Опасность роста потерь связана с возможностью перегрева и повреждения ОПН из-за выделяющегося в варисторах тепла. Варисторы, мощность потерь в которых со временем возрастает, называют "старящимися", а в случае уменьшения потерь - "нестарящимися". Испытания на старение по стандартной процедуре продолжаются в течение 1000 часов. Степень старения в процессе испытаний характеризуют коэффициентом Кст , определяемым отношением мощности потерь в варисторах в конце испытания к мощности потерь в начале испытаний.

При испытаниях на старение по стандартной процедуре при выбранном в соответствии с рекомендациями изготовителя наибольшем рабочем напряжении [5] мощность потерь в варисторах фирмы Epsos типа SIOV-E58R133E уменьшается. Это позволяет данной фирме, а также изготовителям ОПН, комплектующим выпускаемые ими ОПН этими варисторами, называть такие варисторы «нестарящимися». Однако проведенные в ОАО «НИИПТ» испытания показали, что даже незначительное увеличение рабочего напряжения на варисторах сверх рекомендуемого изготовителем приводит к заметному росту мощности потерь в варисторах к концу 1000 часового цикла испытаний (рис. 3). Это означает, что процесс старения варисторов можно рассматривать только применительно к тем условиям, в которых они эксплуатируются (или испытываются).

Таким образом, делать вывод о наличии или отсутствии старения варисторов в ОПН надо, не ссылаясь на данные изготовителя варисторов, а ориентируясь на выбранные изготовителем ОПН значения наибольшего рабочего напряжения. Испытание на старение необходимо проводить при напряжении характерном для наиболее нагруженных в ОПН варисторах.

Способ учета условий эксплуатации варисторов указан как в МЭК 60099-4, так и в существующем проекте национального стандарта на ограничители перенапряжений.. Для определения испытательного напряжения варисторов процедурой МЭК предусмотрено введение поправки к наибольшему рабочему напряжению, учитывающей неравно- мерность распределения напряжения вдоль колонки варисторов. Согласно МЭК, допускается отказ от использования этой поправки в том случае, если будет показано, что распределение напряжения вдоль колонки линейное.

Таблица 1. Удельные эксплуатационные характеристики варисторов

Производитель варисторов

d, мм

h, мм

Uнр/h, кВ/мм

Рнр/V мВт/см3

Кст

НПО "Электрокерамика" (испытания в НИИПТ, 2000 г.)

0,13

28

9

0,1

16

1,4

НИИ "Электрокерамика", г Сиань, КНР (испытания в НИИПТ, 2000 г.)

0,16

56

22,5

0,11

11,4

1,15

ЗАО "Завод энергозащитных устройств" (испытания в НИИПТ, 2004 г.)

0,33

46

14,4

0,08

3,5

1,0

Epcos (сведения изготовителя)

0,28

48

34,5

0,1

5,5

0,7


Примечание: В таблице использованы обозначения: S - площадь рабочей поверхности варистора, d - диаметр варистора, h - высота варистора, V - объем варистора. .

Рис 3 Изменение мощности потерь в варисторах SIOV-E58SR133E в процессе испытаний на старение:

образцы 1 - 3 при воздействии увеличенного на 6,5% наибольшего рабочего напряжения;

образцы 4 - 6 при воздействии наибольшего рабочего напряжения.

С целью выравнивания напряжения вдоль колонки применяют экраны, размеры и расположение которых определяют расчетным путем. Однако рассчитать размеры и положение экранных колец так, чтобы достичь равномерного распределения напряжения

вдоль колонки варисторов в ОПН, непросто даже для идеализированного случая, когда параметры варисторов принимаются идентичными, а в непосредственной близости от ОПН отсутствуют заземленные и находящихся под напряжением конструкции. В действительности геометрические размеры и вольтамперные характеристики варисторов имеют указываемый изготовителем заметный разброс, обусловленный технологией их производства. Так, высота варисторов SIOV-E48KV612E может варьироваться в пределах 33,9 - 35,1 мм (3,5%), а наибольшее рабочее напряжение от варистора к варистору может изменяться в пределах от 3,23 до 3,83 кВ (16%). Это неизбежно приводит к вариации в широких пределах градиента напряжения при длительно допустимом рабочем напряжении для единичных варисторов.

Из изложенного выше следует, что создать ОПН с линейным распределением напряжения вдоль колонки варисторов, т.е. с одинаковым градиентом напряжения по всей высоте колонки, даже в лабораторных условиях очень сложно. Для этого при комплектации колонки характеристики варисторов следует подбирать как с учетом места их установки в колонке, так и с учетом выравнивающего действия экранов, предусмотренных конструкцией ОПН. Однако достигнутое таким образом линейное распределение напряжения по высоте ОПН будет искажено, как только аппарат установят на действую- щей подстанции из-за влияния окружающего оборудования.

При разработке норм комплектования ОПН необходимо учитывать, что наибольшее рабочее напряжение аппарата не равно сумме наибольших рабочих напряжений варисторов в колонке. Ни один варистор в колонке не может находиться под напряжением, превышающим его длительно допустимое, поскольку ускоренное старение перегруженных варисторов может привести к их быстрому повреждению, а следовательно, к повреждению всего ОПН. Следовательно, наибольшее рабочее напряжение аппарата должно выбираться так, чтобы на наиболее нагруженных в колонке варисторах напряжение не превысило наибольшее допустимое. Это условие приводит к тому, что часть варисторов в колонке оказываются недогруженными ввиду неравномерного распределения напряжения вдоль колонки. Таким образом, защитные характеристики ОПН не мо- гут быть лучше, чем характеристики единичных варисторов, из которых он собран.

Выводы

. Совершенствование технологии позволило наладить в России промышленный выпуск варисторов, близких по характеристикам к варисторам ведущих мировых изготовителей.

. Защитные характеристики современных ограничителей перенапряжений как зарубежных, так и отечественных изготовителей (ABB, Siemens, Tridelta, ЗAO "Завод электротехнического оборудования", ЗАО "Завод энергозащитных устройств"; ОАО"Севзаппром", ЗАО "Феникс 88"), достаточно близки. Малые отличия в вольтамперных характеристиках существенного значения не имеют.

. Результаты испытаний на старение на единичных варисторах должны критически оцениваться с точки зрения возможности их распространения на старение варисторов в ОПН.

. При проведении испытаний варисторов на старение, выбор испытательного напряжения должен, как правило, проводится с учётом поправки на неравномерность распределения напряжения вдоль колонки варисторов, а обоснованность уменьшения этой поправки требует каждый раз тщательного анализа.

.        Какова роль АПВ в грозозащите линий электропередачи.

Ответ.

Устройства автоматического повторного включения (АПВ) применяются для быстрого восстановления питания потребителей или межсистемных и внутрисистемных связей путем автоматического включения выключателей, отключенных устройствами релейной защиты или по иным причинам, не связанным с оперативным воздействием. АПВ используется для автоматического включения различного оборудования напряжением выше 1 кВ. Являются одним из важнейших и самым сложным элементом автоматики управления выключателем.

Применение АПВ позволяет использовать подстанции с отделителями и короткозамыкателями на стороне высокого напряжения трансформаторов. Включение короткозамыкателя приводит к возникновению искусственного короткого замыкания на землю, отключаемого защитами в голове линии. В бестоковую паузу отключается отделитель, после чего АПВ восстанавливает работу транзита.

Для восстановления нормального режима после действия противоаварийной автоматики обычные устройства АПВ, рассматриваемые в этом разделе, как правило, не применяются. Восстановление питания потребителей и линий связи, отключенных действием устройств ПА выполняется другими средствами, входящими в комплексы противоаварийной автоматики

Автоматическое повторное включение линии (АПВ, ОАПВ) будет работать эффективно при молниезащите постольку, поскольку при грозовом отключении в 80-90 % случаев электрическая прочность изоляции линии полностью восстанавливается после снятия с нее рабочего напряжения.

Предварительно рассмотрим принципы молниезащиты воздушных линий электропередачи:

При рассмотрении вопроса молниезащиты воздушных линий (ВЛ) могут быть следующие расчетные варианты (рис. 1):

. Прямой удар молнии в вершину опоры.

. Удар в трос.

. Прорыв промежутка «трос-провод».

Рис. 1. Вероятность ударов тока молнии на воздушных линиях

Для перекрытия изоляции для всех расчетных случаев необходимо определенное напряжение, ток молнии Iм, волновое сопротивление провода воздушной линии (ВЛ). Вероятность перекрытия Pпер линейной изоляции зависит от Iм, импульсной прочности гирлянд, размеров линии.

Число перекрытий линейной изоляции определяется:

,

где hуд - среднее число ударов молний на ВЛ;пер - вероятность перекрытия изоляции ВЛ.

По пути перекрытия изоляции линий проходит ток промышленной частоты. Это ток короткого замыкания на землю. Длительность тока молнии ≈ 100 мкс значительно меньше полупериода тока промышленной частоты (10000 мкс).

Если время горения дуги больше времени срабатывания средств релейной защиты (Р3А), то происходит отключение линий. Если работа АПВ не успешна, то возникает перерыв в электроснабжении потребителей.

При расчетах оценивается вероятность перехода импульсного перекрытия в устойчивую дугу при средней напряженности вдоль пути перекрытия:

,

где l - длина гирлянды.

Для длинных воздушных промежутков вероятность возникновения устойчивой дуги h определяется по формуле:


где Eср - средняя напряженность, кВ/м (действующее значение).

Для воздушных линий (ВЛ) на металлических опорах при номинальных напряжениях 220 кВ принимают h = 0,7, а при номинальных 330 кВ и выше - h = 1,0.

Число отключений 100 км линий в районе со 100 грозовыми частями в году:

,

где hср - средняя высота подвеса троса (провода);

h - вероятность возникновения устойчивой дуги;пер - вероятность перекрытия изоляции линии.

Для ЛЭП напряжением 35 кВ и ниже, работающих с изолированной нейтралью, трос не применяется. Из-за малой электрической прочности изоляции таких линий любой удар молнии в трос приводит к обратному перекрытию с троса на провод. Наиболее эффективным средством для этих линий является оборудование их АПВ и установка ДГК, уменьшающей ток однофазного замыкания на землю и увеличивающей вероятность погасания дуги.

Таким образом, возможно использование двух методов, уменьшающих число грозовых отключений ВЛ:

. Уменьшение вероятности перекрытия изоляции.

. Уменьшение вероятности перехода импульсного перекрытия в устойчивую дугу тока к.з.

Первый метод реализуется подвеской тросовых молниеотводов и созданием малого импульсного сопротивления заземления опор (при этом резко снижаются вероятность поражения молнией фазовых проводов и импульсное напряжение на изоляции при ударе в опоры и трос).

Второй метод осуществляется путем удлинения пути перекрытия, что приводит к снижению Еср или использованию АПВ (ДГК), что увеличивает вероятность самопроизвольного погасания дуги замыкания на землю.

По условию надежности электроснабжения, допустимое число отключения ВЛ в год принимается равным:

,

где Nдоп - допустимое число перерывов электроснабжения в год (Nдоп ≤ 0,1 при отсутствии резервирования; Nдоп ≤ 1,0 при наличии резервирования);

βАПВ - коэффициент успешности АПВ (β = 0,8…0,9 для ВЛ-110 кВ и выше на металлических и железобетонных опорах).

Необходимо отметить, что частое применение АПВ осложняет работу выключателей, поэтому допускается nоткл.доп = 1…4 в зависимости от типа выключателей.

Библиографический список

1. РД 153-34.3-35.125-99. Руководство по защите электрических сетей 6-1150 кВт от грозовых и внутренних перенапряжений. СПб: ПЭИпк Минтопэнерго РФ, 1999.

. РД 34.45-51.300-97. Объем и нормы испытаний электрооборудования. М.: НЦ ЭНАС,1998.

. Правила устройства электроустановок. Седьмое издание (1 и 7 разделы). - С-Пб.: Из-во ДЕАН, 2002.- 176 с.

4. Руководящие указания по расчету зон защиты стержневых и тросовых молниеотводов / СЦНТИ. - М.,1974. - 19 с.

. Руководящие указания по защите электростанций и подстанций 3 - 500 кВ от прямых ударов молнии и грозовых волн, набегающих с линий электропередачи / СЦНТИ. - М.,1975. - 32 с.

6. Инструкция по устройству молниезащиты зданий и сооружений. РД 34.21.12г. - 87 / Минэнерго СССР. -М.: Энергоатомиздат, 1989. - 56 с.

. Долин П.А. Основы техники безопасности в электроустановках. - М.: Энергоатомиздат, 1984. - 448 с.

. Проектирование промышленных электрических сетей / Под ред.

В.И. Круповича. - М.: Энергия, 1979. - 328 с.

. Двоскин Л.И. Схемы и конструкции распределительных устройств.- М.: Энергоатомиздат, 1985. - 240 с.

. Техника высоких напряжений / Под ред. Д.В. Разевига. - М.: Энергия, 1976. - 488 с.

. Изоляция и перенапряжения в электрических системах : Метод. указания к лабораторным работам / Сост. М.В. Шкаруба. - Омск: Изд-во ОмГТУ,2001. - 28 с.

12. Руководство по защите электрических сетей 6-1150кВ от грозовых и внутренних перенапряжений. СПб, 1999-353с.

. Электротехнический справочник: В 4т., Т.3 Производство, передача и распределение электрической энергии (Под общ. ред. профессоров МЭИ В.Г.Герасимова и др.) - 8-е изд. - М: изд-во МЭИ, 2002г-964с.

. Инструкция по устройству молниезащиты зданий, сооружений и промышленных коммуникаций.- М.: Из-во НЦ ЭНАС, 2004. - 48 c.

. Ассоциация «РОСЭЛЕКТРОМОНТАЖ» Технический циркуляр № 11/2006,г. Москва, 16 октября 2006г.

. Солуянов Ю.И. Повышение эффективности защитных мер электробезопасности электроустановок промышленных предприятий. Казанский гос. ун-т, 2004.294 c.

17. Ларионов В.П. АроновМ.А. Молниезащита в электроэнергетике. - М.: Знак, 1999.

Похожие работы на - Защита объектов энергетики от перенапряжений

 

Не нашли материал для своей работы?
Поможем написать уникальную работу
Без плагиата!
Без нейросетей!