Анализ применения ограничителей перенапряжений в электросетях 0,38-110 кВ
ВВЕДЕНИЕ
Проблема реализации защиты сетей от
перенапряжений ограничителями ОПН приобретает всё большую актуальность. Важен
правильный подбор соответствующих устройств для защиты электрических сетей
0,38-110 кВ.
Целью работы является рассмотрение основного
ряда вопросов по проблеме ограничения перенапряжений в электросетях 0,38-110 кВ
ограничителями ОПН. Широкое внедрение эл. энергии в технологические процессы
производства требует высокой надёжности электроснабжения потребителей
качественной электроэнергией. В её обеспечении большое значение имеет
правильная организация защиты электрооборудования от перенапряжений. Экскурс
используемых защит на производстве позволяет сделать вывод о предпочтении
применения наиболее эффективного и надёжного средства как ОПН.
В первой главе под названием «Перенапряжения в
электрических сетях» приводится характеристика уровней изоляции сетей, а также
классификация и характеристика внутренних и внешних перенапряжений.
Вторая глава посвящена защите электрических
сетей от грозовых и коммутационных перенапряжений. Для защиты электросетей
необходимо знать нормативные требования, категории оборудования импульсных
перенапряжений и т.п. Для того чтобы защититься от импульсных перенапряжений,
необходимо знать причины их возникновения. В данной главе рассматриваются
различные средства защиты, такие как: защитные промежутки, трубчатые и
вентильные разрядники, а также особый класс грозозащитных устройств -
длинно-искровые разрядники с конструктивным описанием и техническими
характеристиками.
В третьей главе рассмотрено современное и самое
надёжное средство защиты от импульсных перенапряжений - ограничители
перенапряжений нелинейные (ОПН). Приведены основные типы и их достоинства.
Описана конструкция и принцип действия. Рассмотрены основные технические
характеристики и выбор. Изложены рекомендации по выбору ОПНов и рассмотрена
методика выбора основных параметров. Широкие возможности и огромные достоинства
ограничителей перенапряжений делают этот класс защиты самым эффективным и
перспективным средством в настоящее время.
В последнее время на проблеме реализации защиты
электросетей 0,38-110 кВ от перенапряжений ограничителями ОПН акцентируют
огромное внимание. В современной литературе публикуется множество статей на
данную тему, обсуждается множество вопросов на всевозможных конференциях по
применению и эксплуатации ОПН на производстве. Актуальным является вопрос о
всеобщем внедрении ОПНов как наиболее надёжном и эффективном средстве защиты
электрооборудования на современных предприятиях.
Импульсные перенапряжения в настоящее время
приводят к целому ряду негативных последствий, таких как:
разрушение вводных цепей как на платах, так и на
корпусах микросхем;
сбои и ложные срабатывания в работе
оборудования;
изменение параметров полупроводникового прибора,
и вследствие этого некорректная работа схемы, собранной на базе этого прибора.
Ознакомившись с картой удельной плотности
грозовых разрядов на землю (приложение 2), можно сказать, что большая часть
центральной России находится в зоне со средней и высокой плотностью грозовых
разрядов (2,5-4) Ng. Это свидетельствует о том, что защита от импульсных
перенапряжений должна быть установлена повсеместно. Улучшение защиты может быть
достигнуто внедрением защитных аппаратов, обладающих лучшими электрическими характеристиками.
Негативные последствия и накопившиеся проблемы в электроэнергетике по данной
теме побудили остро поставить вопрос о защите во всевозможных источниках.
Внедрение защитных аппаратов нового поколения
сталкивается с значительными трудностями их правильного применения. В первую
очередь это связано с недостаточностью нормативных документов, регламентирующих
правильное использование ОПН в сетях 0,38 - 110 кВ. Перед энергетическими
предприятиями, как правило, возникают две взаимопротиворечащие друг другу
задачи. С одной стороны глубоко ограничить перенапряжения, а с другой
обеспечить надежную работу самого аппарата. Если приоритет при выборе
параметров ОПН отдавать первой задаче, то снизится надежность работы ОПН. В
обратном случае повышаются воздействия на изоляцию электрооборудования.
Разрешению этой дилеммы посвящено руководство по эксплуатации и применению
«Ограничители перенапряжений нелинейные» [1].
В журнале «Энергетик» 2006 года [15] приведена
статья с 28 Международной Конференции конференции, которая состоялась 18 - 22
сентября 2006 в г. Каназава (Япония) по современной защите от внешних
перенапряжений (International Conference on Lightning Protection, ICLP). От
«НПО Стример» Г. В. Подпоркиным [9] был представлен доклад на тему
длинно-искровых разрядников. Это уникальное для грозозащитных аппаратов
качество наряду с конструктивной простотой предопределило возможность их
успешного применения в качестве эффективного и надежного средства защиты
воздушных линий и электрических сетей от грозовых перенапряжений и их
последствий.
Экскурс самых современных фирм по производству
ОПН различных типов приведён в журнале «Электро» 2006г [14]. Современные
компании конкурируют на международном рынке за право быть лучшими в этой сфере.
Компании специализируется на разработке и изготовлении защитных аппаратов с
повышенными эксплуатационными характеристиками, учитывая при проектировании
ограничителей перенапряжения особенности защищаемых объектов, место установки
ограничителей и условия их эксплуатации. Использование для изготовления
ограничителей перенапряжения лицензионных нестарящихся варисторов различной
геометрии (диаметров и толщин) и с различными техническими характеристиками
позволяют выпускать защитные аппараты на классы напряжения сетей от 0,4 до 750
кВ.
Для того, чтобы быстро и грамотно решать любую
техническую проблему, необходимо иметь единую терминологию, систему обозначений
основных параметров, применяемых сокращений; основные технические требования и
категории оборудования импульсных перенапряжений. Всё это изложено в правилах
устройства электроустановок [4]. Данное руководство охватывает все необходимые
ГОСТы и правила, разработанные Международной электротехнической комиссией. В
этих документах сформулированы требования к техническим средствам, направленные
на устранение или ограничение до допустимого уровня кратковременных
(импульсных) перенапряжений, которые могут возникать в электроустановке до 1 кВ
и выше во время грозовой активности или вследствие коммутаций в цепях с
большими пусковыми токами, а также изложены указания относительно способности
электрической изоляции оборудования выдерживать кратковременные перенапряжения
определенных значений для каждой из приведенных в стандарте четырех категорий
электроприёмников.
Вопросы перенапряжений и их ограничения в сетях
низкого, среднего и высокого напряжения в городах России рассмотрены в статье
Ф.Х.Халилова д.т.н. профессора, П.В.Журавлева к.т.н., И.В. Шевцова. Санкт -
Петербург, 1996 [5]. В процессе эксплуатации на изоляцию различных
электрических элементов (линии, подстанции, электрические машины, устройства
сигнализации и блокировки, нетяговые объекты и др.) воздействуют длительное
рабочее напряжение, а также кратковременные внешние и внутренние
перенапряжения. Из внешних перенапряжений важное значение имеют перенапряжения
при ударах линейной молнии, из внутренних перенапряжений - выбросы напряжения
при коммутациях различных элементов подстанций глубокого ввода, тяговых
подстанций, контактных сетей и подвижного состава. Вследствие этих
перенапряжений изоляция либо повреждается сразу, либо стареет раньше
гарантированного срока эксплуатации, выходит из строя. В результате следует
внедрять наиболее надёжные средства защиты от перенапряжений такие, как ОПН.
Анализ применения ОПН в сетях 110-220 кВ
приводится в статье Журнала «Новости электротехники» за 2006 г [13]. В ней
рассматриваются наиболее важные факторы риска. Особенную роль отводят
квазистационарным перенапряжениям, относящимся к внутренним перенапряжениям.
По данным Санкт-Петербургского Государственного
Политехнического университета, Центр энергетических защитных аппаратов (ЦЭЗА)
«Нелинейные ограничители перенапряжений в полимерных корпусах» образован на
базе опытно-экспериментального производства ограничителей перенапряжений
кафедры Электрические и электронные аппараты СПбГПУ, где с 1970 г проводились:
исследования, разработка и испытания ограничителей перенапряжений на напряжение
до 1150кВ. В 1978 г было организовано опытное производство ограничителей
перенапряжений в полимерном исполнении и к настоящему времени выпущено
несколько десятков тысяч ОПН на классы напряжения 6-750 кВ.
Журнал энергетик [15] поднимает актуальную
проблему о реализации защиты от перенапряжений. С каждым днём в электрических
сетях увеличивается количество помех, а потребители становятся всё
чувствительнее к импульсам перенапряжения, т.к. различные системы автоматики и
современное оборудование насыщены электронными компонентами. Важен правильный
подбор соответствующих устройств для защиты информационных,
телекоммуникационных и телевизионных линий. Как показывает практика, основные
ошибки при осуществлении проектов по защите от перенапряжений допускаются на
таких крупных объектах, как заводы и промышленные комплексы. Однако
значительную часть повреждений можно предупредить при пошаговом согласовании
проектов защиты. Система будет работать безупречно только в том случае, если
она была всесторонне продумана и детально реализована.
По данным самых последних источников [13, 14,
15] в настоящее время в различных городах РФ и за рубежом в эксплуатации
находится более 100000 ограничителей перенапряжений и это число постоянно
растёт, что свидетельствует о доверии к качеству данного средства защиты
электроустановок, масштабной смене старых видов защиты на ОПНы и его дальнейшей
перспективе развития.
1. ПЕРЕНАПРЯЖЕНИЯ В ЭЛЕКТРИЧЕСКИХ
СЕТЯХ
.1 Характеристика уровней изоляции
сетей 6-35 кВ
Перенапряжения в электрических сетях
непосредственно воздействуют на изоляцию. Изоляция электрических установок
распределительных сетей практически непрерывно находится под воздействием
соответствующего номинального напряжения с возможным отклонением на небольшое
значение в сторону превышения (+15%). В результате со временем изменяется
физическая и химическая структура материала изоляции, и она теряет свои защитные
свойства - снижается ее электрическая прочность. При изготовлении
электрического оборудования и других электротехнических изделий учитывается
влияние напряженности электрического поля, длительности его воздействия на
изоляцию и другие факторы, а также условия, в которых приходится работать
изоляции.
В соответствии с условиями эксплуатации изоляция
конструкций подразделяется на внешнюю и внутреннюю. Внешней изоляцией
называется внешняя часть изоляционной конструкции, где изолирующей средой
является атмосферный воздух или сочетание поверхности диэлектрика с атмосферным
воздухом.
Внутренней изоляцией называется внутренняя часть
изоляционной конструкции, где изолирующей средой является жидкий, твердый или
газообразный диэлектрик или их комбинация, не подвергающаяся непосредственному
воздействию внешних условий.
Отличительной особенностью внешней изоляции
является ее свойство восстанавливать свои параметры после разряда или пробоя,
что дает возможность достаточно достоверно определить ее электрическую прочность.
Достоверных сведений о характеристиках
электрической прочности внутренней изоляции получить невозможно. Поэтому они
косвенно характеризуются нормированными (ГОСТ 1516.3) испытательными
напряжениями грозовых импульсов и нормированным испытательным напряжением
промышленной частоты. Для электрооборудования 6-35 кВ допустимая кратность
(выдерживаемый уровень) коммутационных перенапряжений Kдоп.вн по отношению к
фазному значению наибольшего рабочего напряжения определяется по
доп.вн = Ки Кк Uисп.вн
/
Uн.р (1.1)
исп.вн. - нормированное одноминутное
испытательное напряжение промышленной частоты главной изоляции
электрооборудования, кВ, (действующее значение);н.р. - наибольшее рабочее
напряжение сети, кВ (действующее значение).
Ки - коэффициент импульса, учитывающий повышение
разрядного напряжения изоляции при более коротком коммутационном импульсе по
сравнению с испытательным напряжением. Ки =1.3 для главной изоляции
трансформаторов. Ки = 1.1 для аппаратов;
Кк - коэффициент кумулятивности, учитывающий
снижение электрической прочности в условиях эксплуатации при многократных
воздействиях перенапряжений и возможность старения изоляции. Кк =0.9 для
главной изоляции трансформаторов, Кк =1.0 - для аппаратов;
Допустимая кратность грозовых перенапряжений
оценивается по формуле:
Кдоп.гр = 1,1(U исп.гр - Uном)
/(
Uн.р.)
(1.2)
исп.гр - испытательное напряжение грозовым
импульсом по ГОСТ 1516.1.
Статорные обмотки электрических машин имеют
меньший уровень изоляции. Особенностью статорной изоляции является то, что ее
коэффициент импульса примерно равен единице. Если в сетях установлены
высоковольтные электрические машины в виде синхронных компенсаторов,
генераторов и электродвигателей, то кдоп Эл.маш определяется как:
Кдоп.эл.маш = Uисп.дв
/Uн.р.дв
(1.3)
где Uисп.дв. =2Uном+1 - испытательное напряжение
электрических двигателей.
В заключение по допустимому уровню электрической
прочности изоляции электрооборудования можно сделать следующие выводы:
Среди всех видов электрооборудования наименьший
уровень изоляции имеют электрические машины.
Кратность допустимых уровней перенапряжений
Кратность допустимых грозовых перенапряжений при
прочих равных условиях приблизительно на 45% больше, чем при внутренних
перенапряжениях.
Электрооборудование с облегченной изоляцией,
применяемое в сетях 6-10 кВ, имеет кратность допустимых перенапряжений на 30%
ниже, чем для электрооборудования с нормальной изоляцией.
В составе электрооборудования сетей 6-35 кВ
применяются трансформаторы тока, напряжения, выключатели, силовые
трансформаторы, электродвигатели, синхронные компенсаторы и другое
оборудование, поэтому в большинстве случаев уровень изоляции линий
электропередачи определяется изоляцией перечисленных видов оборудования.
Приведенные данные показывают, что в сетях 6-35 кВ с изолированной или
резонансно заземленной нейтралью внутренние перенапряжения обычно не опасны для
изоляции электрооборудования с нормальной изоляцией. Вместе с тем нельзя
исключить ухудшение (например, старение) изоляции в периоды между
эксплуатационными профилактическими испытаниями, поэтому для повышения
надежности работы изоляции сетей, прежде всего, состаренной в процессе
многолетней эксплуатации, необходимо предусматривать дополнительные мероприятия
по ограничению внутренних перенапряжений.
1.2 Классификация и характеристика
внутренних перенапряжений сетей 6-35 кВ
Перенапряжения, возникающие в результате
ненормальных или аварийных режимов работы электроустановок, а также при
включениях и отключениях воздушных линий и электрооборудования, называются
внутренними.
Внутренние перенапряжения сетей 6-35 кВ
подразделяются на два вида:
квазистационарные перенапряжения, которые
возникают при неблагоприятных сочетаниях реактивных элементов сети и ЭДС
источников питания. Эти перенапряжения имеют длительный характер и существуют
до тех пор, пока не исчезнет причина их возникновения;
коммутационные перенапряжения, которые возникают
при различных коммутациях электрической цепи. В реальных условиях под ними
понимают все плановые и аварийные коммутации.
.2.1 Квазистационарные перенапряжения
Резонансное смещение нейтрали в сети с
дугогасящим реактором
Нормальная работа сети с изолированной нейтралью
характеризуется наличием на нейтрали некоторого напряжения, называемого
напряжением несимметрии. Это напряжение возникает при наличии несимметрии в
емкостях отдельных фаз сети или при различной величине проводимостей фаз,
обусловленных, например, неодинаковой степенью загрязнения.
Для сетей, заземленных через дугогасящую
катушку, емкостной ток несимметрии протекает через индуктивность катушки. В
этом случае может происходить резонансное смещение нейтрали, значительно
превышающее обычное смещение.
Повышения напряжения в сетях 6-35 кВ при
неполнофазных режимах работы сети
Резонансные повышения напряжения могут возникать
не только при естественной несимметрии емкостей фаз, но и при значительной
несимметрии емкостей, вызванной обрывом проводов и неполнофазными включениями
линий. Предел повышения напряжения определяется насыщением магнитопровода
дугогасящего реактора.
В сети без дугогасящего реактора нарушение
симметрии сети, вызываемое обрывом проводов с заземлением и без заземления,
неодновременным включением и отключением фаз возможны перенапряжения,
обусловленные так называемым «опрокидыванием» фазы трансформатора.
Перенапряжения на ёмкости линии при этом явлении могут достигать 4Uф. Явление
опрокидывания возникает лишь в линиях определённой длины и слабо загруженных
трансформаторах.
1.2.2 Коммутационные перенапряжения
Обычно в месте замыкания горит дуга. В
большинстве случаев она носит неустойчивый характер, что приводит к
возникновению коммутационных перенапряжений.
Перенапряжение возникают в электрических
установках при резких изменениях режима их работы, главным образом в результате
коммутаций (при включениях или отключениях тока, при коротких замыканиях на
землю и т.п.). Коммутация сопровождается переходным процессом, после которого
устанавливается новый режим работы установки. Соответственно различают
кратковременные (порядка единиц и десятков мсек) коммутационные перенапряжение
и длительные перенапряжение установившегося режима. Коммутационные
перенапряжение, вызываемые повторными зажиганиями и гашениями электрической
дуги в цепях с ёмкостной проводимостью, получаются при отключении ненагруженных
линий, при замыкании на землю через дугу одной из фаз трёхфазной системы с
изолированной нейтралью и т.д.
Коммутационные перенапряжение при включении
линий связаны с возникновением и развитием переходного процесса в колебательном
контуре, образованном ёмкостью линии и индуктивностями линии, трансформаторов и
генераторов. Особенно существенные перенапряжение появляются при автоматическом
повторном включении.
Существует множество видов внутренних
перенапряжений:
Дуговые замыкания на землю (изолированная
нейтраль) Кратность перенапряжения 3.0-3.5.
Дуговые замыкания на землю
(резонансно-заземлённая нейтраль). Кратность перенапряжения 2.6.
Дуговые замыкания на землю
(резистивно-заземлённая нейтраль) Кратность перенапряжения 2.4-2.6.
Поик «земли» при ОЗЗ. Кратность перенапряжения
4.0-6.0.
Резонансные перенапряжения. Кратность
перенапряжения до 4.0.
Включение электродвигателей. Кратность
перенапряжения 2.6-3.3.
Включение электродвигателей при наличии в сети
ОЗЗ. Кратность перенапряжения 3.4.
АПВ и АВР электродвигателей. Кратность
перенапряжения 4.0-4.5.
Включение ВЛ и КЛ при наличии в сети ОЗЗ.
Кратность перенапряжения 3.0-3.5.
Отключение ненагруженных ВЛ и КЛ. Кратность
перенапряжения 3.0-4.5.
Отключение ненагруженных трансформаторов.
Кратность перенапряжения 5.0-6.0.
Отключение двойного замыкания на землю.
Кратность перенапряжения 3.3.
Отключение вращающихся электродвигателей.
Кратность перенапряжения 4.0-5.0.
Отключение заторможенных электродвигателей.
Кратность перенапряжения 5.0-6.0.
Кратность напряжения определяется по отношению к
амплитуде фазного напряжения сети.
Сравнение допустимых уровней изоляции
оборудования и кратностей внутренних перенапряжений показывает, что большинство
перенапряжений не опасно для оборудования с нормальной изоляцией.
1.3 Внешние перенапряжения
При эксплуатации на изоляцию воздействуют
напряжения, значительно превышающие номинальные перенапряжения. Перенапряжения,
возникающие в результате грозовых разрядов вблизи электрических установок или
при прямом ударе молнии в электроустановку, называются внешними, или
атмосферными. Наиболее опасны для изоляции электроустановок атмосферные
перенапряжения.
Грозовые перенапряжение связаны с разрядами
молнии непосредственно в токопроводящие части электрической установки
(перенапряжение прямого удара) или в землю вблизи установки (индуктированные
перенапряжение). При прямом ударе весь ток молнии проходит в землю через
пораженный объект. Падение напряжения на сопротивлении этого объекта и даёт
перенапряжение, которое может достигать нескольких Мв.
Индуктированные перенапряжение возникают на
проводах линий электропередачи вследствие резкого изменения электромагнитного
поля вблизи земли во время удара молнии. Амплитуда индуктированных
перенапряжение обычно не превышает 400-500 кв, и они представляют опасность
только для электрических установок с номинальным напряжением 35 кв и ниже.
Атмосферные перенапряжения
Грозовое облако, заряженное отрицательно, и
земля, на поверхности которой индуктируются положительные заряды, образуют
гигантский конденсатор, причем напряженность электрического поля у земли Е
может достигать 300 В/см, а у облака Е
10
кВ/см, средняя же напряженность редко превышает 10 кВ/м. Однако в отдельных
местах облака и на остроконечных высоких сооружениях напряженность поля может
достигать критической, равной 25...30 кВ/см, что создает условия для развития
грозового разряда.
В соответствии с распределением зарядов в облаке
чаще всего между облаком и землей возникают разряды отрицательной полярности
(60...90%) в форме линейчатой молнии. Бывают другие формы молний, неопасные для
электроустановок: шаровая в виде светящегося шара и тихие разряды со слабым
свечением.
Предразрядный процесс обычно начинается с
внедрения лавины электронов - стримера от облака к земле, потому что наибольшая
напряженность поля находится в небольшом объеме зарядов облака, представляющего
как бы острие электрода по отношению к земле - плоскому электроду. Если есть
высокие объекты и низкое грозовое облако, острием становится объект и развитие
разряда происходит с объекта на облако. При развитии разряда из облака,
расположенного высоко, на обычные объекты направление стримера случайное. Лишь
с определенной высоты Н, равной 20-кратной высоте объекта или молниеотвода
стример, начинает ориентироваться или избирать определенный объект. При высоте
объекта больше 30 м высота ориентирования стримера H = 600 м. Ток молнии,
протекая по объекту, оказывает тепловое, механическое и электромагнитное
воздействие.
Тепловое воздействие, несмотря на очень большую
силу тока, не так велико из-за его кратковременности.
Механическое воздействие проявляется в расколах
и разрушениях каменных и кирпичных сооружений, расщеплении и расколе деревянных
опор и траверс вследствие акустического удара при расширении канала молнии,
действия электростатических сил и испарения влаги. Наибольшие усилия возникают
при прохождении тока молнии по узким щелям и трещинам. Это учитывается в
конструкциях трубчатых разрядников.
Электромагнитное воздействие особенно опасно,
потому что в месте удара молнии на объекте возникает потенциал в миллионы
вольт, вследствие чего с объекта на хорошо заземленные конструкции происходят
вторичные разряды. Такие разряды внутри зданий опасны для жизни людей и
животных, оказавшихся на пути разряда: между внутренней проводкой и хорошо
заземленными конструкциями, водопроводными трубами и т. п.
Вблизи входа тока молнии в землю на ее
поверхности появляется такой же высокий потенциал, как на объекте разряда:
дереве, опоре, здании и сооружении. Этот потенциал на поверхности земли резко
снижается при удалении от входа тока молнии в землю и появляется опасность
поражения людей и животных шаговым напряжением из-за разности потенциалов между
двумя точками на поверхности земли. Особенно большая опасность возникает при
прямом ударе молнии в провода воздушных линий электропередач, связи, радио,
если они не имеют соответствующей защиты или эта защита неудовлетворительна.
Под воздействием высокого напряжения повреждается изоляция оборудования и
возникают аварии в электроустановках, а проникновение волны перенапряжения по
проводам воздушных линий в жилые, производственные здания вызывает поражения
людей, животных и пожары.
Такие же последствия вызывают перенапряжения,
возникающие в воздушных линиях при прямых ударах молнии вблизи них вследствие
электростатической и электромагнитной индукции.
Набегающие волны перенапряжения
Индуктированные перенапряжения. При движении
грозового облака на проводах линий накапливаются заряды большой плотности
вблизи формирующегося разряда, который может находиться от линии на расстоянии
сотен метров. В момент главного разряда заряды на проводах теряют с ним связь и
в виде электромагнитных волн распространяются в разные стороны, где потенциал
ниже. Ток в линии определяется напряжением в месте начала движения электромагнитной
волны и волновым сопротивлением линии. Благодаря наличию активного
сопротивления проводов, а также вследствие коронирования, амплитуда волны
перенапряжения с увеличением длины пробега уменьшается и фронт ее становится
более пологим. Однако среднее значение напряжения волны равно 200 кВ. Изоляция
трансформаторов и других аппаратов, а также кабелей напряжением 10...35 кВ не
может выдержать такого перенапряжения, поэтому для защиты их изоляции
устанавливают вентильные разрядники. При воздействии волны перенапряжения на
линейную изоляцию ВЛ 6...35 кВ происходит разряд по ее поверхности -
перекрытие, но затем электрическая прочность изоляторов восстанавливается.
2. Защита
электрических сетей от грозовых и коммутационных перенапряжений
Защита электрических сетей - одно из самых
важных и необходимых мероприятий в электроэнергетике. Следовательно, для
повышения надёжности при эксплуатации всевозможного электрооборудования с
различным видом изоляции в электрических сетях необходима установка защитных средств.
2.1 Нормативные требования
При защите электрических сетей от внутренних и
внешних перенапряжений необходимо использовать соответствующие комплексы
государственных стандартов и нормативные правила по обеспечению надёжности
эксплуатации электроустановок и всевозможных токоведущих частей. Они включают в
себя различные ПУЭ, ГОСТы, СНиПы, разработанные Международной
электротехнической комиссией.
В этих документах сформулированы требования к
техническим средствам, направленные на устранение или ограничение до
допустимого уровня кратковременных (импульсных) перенапряжений, которые могут
возникать в электроустановке до 1 кВ и выше во время грозовой активности или
вследствие коммутаций в цепях с большими пусковыми токами, а также изложены
указания относительно способности электрической изоляции оборудования
выдерживать кратковременные перенапряжения определенных значений для каждой из
приведенных в стандарте четырех категорий электроприёмников.
.1.1 Категории оборудования
импульсных перенапряжений
Оборудование импульсных перенапряжений категории
I предназначено для соединения с существующими электрическими установками
зданий. Защитные средства располагают снаружи оборудования или в существующей
установке, или между конкретной установкой и оборудованием, чтобы ограничить
кратковременные перенапряжения до заданного уровня.
К категории II относится оборудование, которое
будет соединяться с существующими электроустановками зданий посредством
штепсельных розеток и других аналогичных соединителей.
К категории III относится оборудование, которое
составляет часть конкретной электрической установки здания, где обеспечивается
повышенная степень доступности.
Оборудование импульсных перенапряжений категории
IV предназначено для использования вблизи электрических установок зданий перед
главным распределительным щитом.
Соответствующие правила и стандарты по защите
электрический сетей включают в себя: классификацию зданий и сооружений по
устройству молниезащиты; параметры токов молнии; комплексы средств молниезащиты
от прямых ударов молнии; внешнюю молниезащиту и выбор защитного оборудования
для электроустановок; устройства для управления перенапряжением, включающие
защитное и необходимое управление.
Требования и указания по обеспечению надёжности
электроустановок сводятся в таблицу, в которой импульсное номинальное
выдерживаемое напряжение оборудования должно быть не ниже требуемого.
Таблица 2.1 - Номинальное импульсное
выдерживаемое напряжение, требуемое для оборудования
|
Номинальное
напряжение установки *, В
|
Импульсное
испытательное напряжение, кВ
|
|
Трехфазные
системы**
|
Однофазные
системы со средней точкой
|
Оборудование,
установленное до распределительного щита(импульсное сопротивление категории
IV)
|
Оборудование,
установленное внутри зданий (импульсное сопротивление категории III)
|
Переносные
инструменты (импульсное сопротивление категории II)
|
Защитные
устройства (импульсное сопротивление категории I)
|
|
-
|
120-240
|
4,0
|
2,5
|
1,5
|
0,8
|
|
230/240**
277/480**
|
-
|
6,0
|
4,0
|
2,5
|
1,5
|
|
400/690
|
-
|
8,0
|
6,0
|
4,0
|
2,5
|
|
1000
|
-
|
Значения
напряжений определяют инженеры-системотехники
|
|
*Согласно
ГОСТ 29322. ** В Канаде и США для напряжений, превышающих 300 В относительно
земли, значение импульсного испытательного напряжения выбирают из графы
таблицы, соответствующей более высокому напряжению. Примечание - Категория I
адресована разработчикам специального оборудования, категория II -
техническим комитетам, связанным с разработкой и изготовлением
электроприборов и инструментов, предназначенных для работы в
электроустановках зданий, категория III - техническим комитетам, связанным с
разработкой и изготовлением установочных материалов и отдельных элементов
электрооборудования зданий, категория IV - высококвалифицированным
специалистам и инженерам - системотехникам.
|
2.2 Средства защиты от
перенапряжений
Для того чтобы защититься от импульсных
перенапряжений, нужно знать причины их возникновения.
.2.1 Причины импульсных
перенапряжений
1. Наиболее опасной причиной возникновения
импульсов перенапряжения являются удары молнии. Удары молнии могут оказывать
разрушающее воздействие и вызывать нарушения в работе электроустановок.
Наиболее разрушительными последствиями обладают импульсы перенапряжения,
возникающие в результате прямого попадания молнии в защищаемый объект.
Амплитуда этих импульсов может достигать десятков киловольт. Менее мощным, но
таким же опасным является удар молнии на некотором удалении от защищаемого
объекта.
. Второй причиной возникновения перенапряжения
могут стать процессы переключений в системе электроснабжения, например в таких
случаях, как переключение трансформаторов, электродвигателей или любых
индуктивностей, внезапные изменения нагрузки, отключение защитных автоматов или
разъединителей (в распределительных шкафах).
. Третья причина перенапряжений - неустойчивые
наводки с неопределенными амплитудами и частотами, которые приносятся в сеть
электропитания самим пользователем или его оборудованием. Такие наводки могут
быть следствием работы дуговых печей, сварочных аппаратов, тиристорных
устройств и др.
В техническом стандарте представлены три основных
принципа разработки систем молниезащиты:
.2.2 Основные принципы разработки
систем молниезащиты
Принцип 1. Определение защитной зоны
установленных на крыше электрических приборов для обеспечения защиты от прямого
попадания молнии в здание. Для определения зоны молниезащиты необходимо
применять метод угла защиты и метод защитных зон. Метод угла защиты относится к
самым распространенным. В соответствие с ним угол защиты устанавливается в
зависимости от класса молниезащиты объекта и высоты молниеприемника.
Принцип 2. Защита от переброса токов молнии на
устройства при соблюдении минимального безопасного расстояния между
молниеприемником и установленными на крыше электрическими устройствами.
Устанавливаемые на крыше устройства должны быть тщательно защищены от переброса
токов молнии.
Принцип 3. Установка соответствующих приборов
для защиты от перенапряжения в переходных точках каждой молниезащитной зоны.
Возможность повреждения оборудования вследствие опасных перенапряжений не
исключена даже при полном соблюдении всех защитных мер, перечисленных в пунктах
1 и 2. Именно поэтому не менее важным фактором при проектировании системы
молниезащиты является установка соответствующих устройств для защиты от
перенапряжения (УЗП) в переходных точках зон молниезащиты.
МНОГОСТУПЕНЧАТАЯ ЗАЩИТА
Иногда нет возможности подобрать устройство,
которое одновременно обладает требуемым уровнем защиты и характеристиками по
току. В этом случае система защиты формируется из двух или более ступеней
(Приложение 3). При этом первое устройство, которое должно обеспечивать
необходимые параметры по току, устанавливается на входе в электроустановку
(т.е. оно является ближайшим к точке проникновения тока от разряда молнии), а
второе устройство, которое должно обеспечить требуемое остаточное напряжение
защиты, устанавливается как можно ближе к защищаемому оборудованию. Расстояние
между устройством защиты и защищаемым оборудованием должно быть менее 10 м.
Если это невозможно, то следует установить второе устройство защиты от
перенапряжения. Контуры заземления всех средств защиты должны иметь средства
выравнивания потенциалов заземления.
.2.3 Поражаемость объектов молнией и
защита электроустановок от прямого удара молнии
Грозовая деятельность характеризуется числом
грозовых часов в год а данной местности и удельным числом ударов молнии в год,
приходящихся на 1 км2 земной поверхности. Среднее число грозовых часов в год
для европейской части России принимается 20...40, а число ударов, приходящихся
на 1 км2 поверхности земли в год на 1 грозовой час - 0,06 уд/(ч-год-км2).
Ожидаемое число поражений воздушных линий, не
защищенных от прямых ударов молнии, можно определить на основе ожидаемого числа
ударов в поверхность земли с учетом средней высоты подвески проводов над
поверхностью земли hср. В настоящее время принято считать, что ширина полосы,
на высоте которой начинается ориентация стримера на возвышающиеся объекты,
равна (8…10) hср.
Для защиты от прямых ударов молнии в зависимости
от площади и длины защищаемого объекта устанавливают один, два и более стержневых
молниеотводов. Молниеотвод должен возвышаться над защищаемым объектом, имеющим
высоту hх, на определённую высоту, называемую активной hа. Таким образом,
полная высота молниеотвода h = hх + hа.
Зоной защиты молниеотвода называется
пространство, защищаемое от прямых ударов молнии с достаточно высокой степенью
надёжности, вероятность которой составляет 0,999, а вероятность прорыва зоны
защиты током молнии составляет 0,001 или 0,1%.
Зона защиты одиночного молниеотвода (рис. 2.1)
представляет собой прямой конус с криволинейной образующей.
Рис. 2.1 - Зона защиты одиночного молниеотвода и
двух молниеотводов одинаковой высоты
Зона защиты на высоте защищаемого объекта имеет
форму круга радиусом rx. На уровне земли, радиус зоны защиты будет равен 1,6h.
С целью уменьшения затрат молниеотводы
устанавливают на крышах зданий, а на ОРУ подстанций монтируют на опорах и
порталах.
Зона защиты двух молниеотводов больше суммы зон
одиночных молниеотводов, если расстояние между ними не превышает значения,
равного 7h, при котором соприкасаются зоны защиты на уровне земли. При
дальнейшем разнесении молниеотводов их зоны разрываются. На рисунке 2.1
приведена зона защиты двух одинаковых по высоте молниеотводов. Увеличение и
растягивание зоны защиты между ними объясняется их взаимным влиянием на
искажение электрического поля на высоте ориентации развивающегося стримера.
Внешние торцовые области защищенной зоны на
уровне защищаемого объекта определяют, как для одиночных молниеотводов или геометрическим
построением.
Отложив величину bx на перпендикуляре,
восстановленном из середины линии, соединяющей молниеотводы на плане (рис.
2.1), проводят касательные к окружностям внешних защитных зон и получают зону
защиты двух молниеотводов на уровне высоты защищаемого объекта. Низшая точка
зоны защиты находится в середине между молниеотводами и представляет собой
часть окружности, проведенной через три точки: две из них - вершины
молниеотводов, а третья - точка, отложенная на расстоянии a/7 от середины линии,
соединяющей эти вершины
Рис 2.2 - Зона защиты двух молниеотводов разной
высоты
В случае применения двух молниеотводов разной
высоты (рис 2.2) внешние области строят так же, причем для более высокого
молниеотвода часть внутренней зоны до уровня вершины низшего молниеотвода
строят, как для одиночного. Из точки пересечения горизонтальной линии,
проведенной через вершину низшего молниеотвода с внутренней зоной защиты
высшего молниеотвода, восстанавливают фиктивный молниеотвод, и дальнейшее
построение ведут, как для двух равновысоких молниеотводов: низшего и
фиктивного. Для них же определяют bx, но касательные проводят к окружностям зон
защиты фактических молниеотводов разной высоты.
Многократные молниеотводы устанавливают для
защиты оборудования, размещенного на достаточно большой площади подстанций.
Зоны защиты многократных молниеотводов (рис 2.3) определяют попарно, как зоны
двух молниеотводов. Условием наличия зоны защиты внутреннего пространства между
молниеотводами являются неравенства: для молниеотводов высотой
30 м D
8
ha (2.1)

Рис. 2.3 - Зона защиты многократных
молниеотводов
где D - диаметр окружности, проходящей через
вершины треугольника (рис.2.3 а), образованного тремя молниеотводами, или
наибольшая диагональ многоугольника (рис. 2.3 б).
Зона защиты тросового молниеотвода в поперечном
сечении имеет такое же очертание, как и одиночного стержневого молниеотвода, но
по ширине эта зона в 2 раза меньше.
При защите ВЛ тросом для оценки эффективности
защиты чаще всего пользуются углом защиты а. На линии с портальными опорами
устанавливают два троса. Средний провод в этом случае оказывается в более
благоприятных условиях защиты, чем крайние. Построение зоны защиты между
тросами видно из рисунка 2.1.
Чем меньше угол а, тем меньше вероятность
прорыва зоны защиты током молнии. Однако угол а нельзя делать меньше 15° для
избежания схлестывания тросов с проводами при сбросе гололеда. Оптимальным
считается угол 20…24°, а для ВЛ 35 кВ с целью снижения затрат, связанных с
увеличением высоты опор, удовлетворительным считается угол 35°.
Линии напряжением 110 кВ и выше на
железобетонных и металлических опорах защищают тросом по всей длине, а на
деревянных опорах линии напряжением 35 кВ только на подходах к подстанциям.
Линии напряжением 6….10 кВ от прямых ударов молнии не защищают.
Защита подстанций от прямых ударов молнии
зависит от напряжения, установленной мощности трансформаторов, числа грозовых
часов в году и удельного сопротивления грунта.
При числе грозовых часов в году не более 20 не
требуется защищать от прямых ударов молнии подстанции напряжением 20...35 кВ,
мощностью 1600 кВ-А и менее.
Молниеотводы устанавливают на стойках
конструкций и порталах ОРУ 110 кВ при удельном сопротивлении в грозовой сезон
1000
Ом*м и ОРУ 35 кВ -
5000 Ом*м.
Сопротивление заземляющего устройства на подстанциях в этом случае должно быть
не более 4 Ом. Тросовые молниеотводы, защищающие подход ВЛ к РУ 35 кВ и
подстанциям 35/10 кВ на длине не менее 0,5 км, обычно присоединяют к
заземленным конструкциям ОРУ при удельном сопротивлении грунта в грозовой сезон
до 750 Ом*м, а молниеотводы устанавливают на концевых опорах ввода и порталах
трансформаторов 35...20/10...6 кВ, при этом сопротивление заземляющего
устройства не должно превышать 0,5 Ом. КТП напряжением 6...35/0,38 кВ,
мощностью до 630 кВА от прямых ударов молний не защищают.
Молниеотвод представляет собой деревянную или
металлическую мачту, наверху которой устанавливают молниеприемник -
металлический стержень диаметром 10...12 мм или отрезок трубы длиной 2...2,5 м,
от которого делают спуск стальным оцинкованным проводом диаметром 5 мм или
катанкой. Спуск присоединяют к заземляющему устройству.
.2.4 Защита от набегающих волн
перенапряжений
Аппараты защиты изоляции от перенапряжений.
Принцип защиты изоляции заключается в том, что защитный аппарат (разрядник или
искровой промежуток ИП) срабатывает при меньшем напряжении, чем напряжение
пробоя изоляции. Помещается такой разрядник или ИП рядом с защищаемым аппаратом
или вблизи него и включается параллельно ему на заземляющее устройство. В
результате пробоя он пропускает ток молнии через себя - срезает волну
перенапряжений - и она не достигает опасного для изоляции значения.
Искровой промежуток (ИП) - наиболее простой
грозозащитный аппарат. Его устанавливают в непосредственной близости от
защищаемого объекта. Чаще всего ИП выполняют в виде рогов из круглой стали
диаметром 10...12 мм (рис. 2.4). Один электрод присоединен к фазному проводу, а
другой - к заземленной металлической траверсе или заземляющему спуску, если
опора деревянная. После пробоя ИП волной перенапряжения по ионизированному
каналу вслед за импульсным токам устремляется ток промышленной частоты,
обусловленный приложенным рабочим напряжением,- сопровождающий ток. Он является
током короткого замыкания, потому что заземление для ИП всех фаз общее. Роговая
форма ИП улучшает условия гашения дуги, которая под воздействием
электродинамических сил и тепловых потоков воздуха перемещается вверх,
растягивается и гаснет, если ток не превышает 300 А.
Рис. 2.4 - Роговой искровой промежуток
Кроме основного искрового промежутка I, который
обеспечивает защитные свойства, разрядное напряжение и вольт-секундную
характеристику, делают второй промежуток 2 для того, чтобы при замыкании
птицами не возникал пробой промежутка I под воздействием рабочего напряжения.
Искровые промежутки широко применяются в сетях
напряжением 6...35 кВ благодаря простоте устройства и малой стоимости, а также
широкому применению АПВ, исправляющему ложное отключение в случае устойчивой
дуги при срабатывании ИП. Применяются ИП также тогда, когда ток кз. меньше 200
А и трубчатые разрядники не могут гасить электрическую дугу. При таких токах
дуги ИП и трубчатые разрядники оказываются равноценными.
Трубчатые разрядники выпускаются двух типов,
которые различаются газогенерирующим материалом трубки: фибробакелитовый - тип
РТФ и винипластовый - тип РТВ. В связи с различием используемого
газогенерирующего материала имеется несколько отличий в конструкции и размерах
этих разрядников, однако принцип их работы одинаковый. Разрядник типа РТФ
(рис.2.5) состоит из следующих основных частей: фибровой трубки 3, генерирующей
большое количество газа при высокой температуре, развиваемой дугой, горящей
внутри трубки; внешней бакелитовой трубки 2, которая необходима для создания
механической прочности; камеры дутья 4, образованной одной ; из двух обойм,
охватывающих концы трубки; стержневого электрода 5, который совместно с
пластинчатым кольцевым ; электродом 7, приваренным внутри второй металлической
обоймы, образует внутренний ИП; указателя срабатывания 1, представляющего собой
тонкую упругую стальную пластинку; крепежных хомутиков 6.
Внешний искровой промежуток между проводом и
разрядником необходим для того, чтобы токи утечки не вызывали выгорания
фибровой трубки, а также для нормирования необходимого разрядного напряжения.
Размер внутреннего ИП устанавливают на заводе исходя из условия интенсивного
образования газов и успешного гашения дуги. Его нельзя регулировать. Размер
внешнего ИП зависит от номинального напряжения электрической сети, где его
устанавливают.
Рис. 2.5 - Конструкция трубчатого разрядника
типа РТФ
При пробое наружного и внутреннего ИП импульсный
ток отводится в землю. После окончания импульса по ионизированному каналу
устремляется сопровождающий ток промышленной частоты, и грозовой разряд
переходит в электрическую дугу, имеющую высокую температуру. Под действием дуги
фибра разлагается и выделяется большое количество газов, поэтому в трубке и
камере дутья создается большое давление (до 7 МН/м2). В момент прохождения тока
через нулевое значение дуга гаснет, и ионизированные газы под давлением
выдуваются из трубки через выхлопное отверстие. Окончательно дуга гаснет через
1...3 периода промышленной частоты.
При больших сопровождающих токах под давлением
газов трубка может разрушиться. С другой стороны, при малых значениях
сопровождающего тока газообразование настолько незначительно, что дуга не может
погаснуть. Поэтому в маркировке на обойме выхлопного конца указан тип
разрядника и дробь, числитель которой - напряжение сети, а знаменатель - нижний
и верхний допустимые пределы отключаемых токов, в которые должны уложиться токи
коротких замыканий (кз) в месте установки разрядника.
В электрических сетях токи кз. малы и не
достигают верхнего предела отключаемых токов, поэтому возможность применения
разрядников проверяют только по нижнему пределу отключаемого тока.
Винипластовый разрядник РТВ не имеет камеры дутья, потому что винипласт
обладает большей газогенерирующей способностью, чем фибра, и большей
механической прочностью, поэтому бакелитовая трубка для упрочнения не нужна. В
остальном, конструкция и основные части такие же, как и у РТФ.
Трубчатые разрядники монтируют открытым концом
вниз под углом к горизонту не менее 15...20о, чтобы влага не проникала внутрь
разрядника. Внешний искровой промежуток может быть расположен горизонтально или
под углом, только не вертикально, чтобы не было замыкания во время дождя. При
монтаже трубчатые разрядники располагают так, чтобы их выхлопные зоны не
пересекались и не вызывали перекрытия между фазами.
На зимний период разрядники типа РТФ демонтируют
для профилактического осмотра и ремонта, РТВ оставляют на месте, лишь
поворачивают в сторону электрод искрового промежутка. Электроды ИП также
раздвигают, чтобы исключить их случайное замыкание.
Вентильный разрядник более совершенный по
сравнению с трубчатым, так как имеет лучшую защитную характеристику, а также
обладает способностью гасить дугу при первом прохождении сопровождающего тока
кз. через нулевое значение благодаря ограничению тока вилитовым сопротивлением
до 80...100 А. Поэтому вентильный разрядник - основной грозозащитный аппарат
для оборудования станций и подстанций.
На рисунке 2.6 показано устройство вентильного
разрядника типа PC10. Основные элементы вентильных разрядников всех типов: ввод
с контактным болтом для присоединения к фазному проводу, фарфоровый корпус с
ребрами 2,в котором помещены многократный искровой промежуток 3 и соединенные с
ним последовательно диски рабочего сопротивления 4, выполненные из вилита,
материала, обладающего нелинейным сопротивлением. Для соединения с заземляющим
устройством в нижней части имеется контактный болт 6. Фарфоровый корпус, в
котором помещены основные элементы разрядника, герметизирован при помощи
резиновых прокладок 5 для предохранения от попадания влаги внутрь корпуса,
поскольку вилитовые диски гигроскопичны.
Для крепления вентильных разрядников
подстанционного типа PC,. РВП и РВО имеется крепежный хомут 7, а для получения
хорошего контакта между последовательно соединенными единичными искровыми
промежутками и вилитовыми дисками в верхней части имеется пружина 9,
шунтированная полоской латунной фольги 8, так как для импульсного тока пружина
представляет очень большое индуктивное сопротивление.
Рис. 2.6 - Вентильный разрядник типа РС10
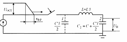
Допустимое значение импульсного тока молнии
через вилитовый диск разрядников типа РВП и РВС до 10 кА. При пробое искрового
промежутка импульсным перенапряжением оно будет приложено к нелинейному
сопротивлению, через которое проходит большой импульсный ток, но благодаря
нелинейности сопротивления напряжение Uост лишь незначительно отличается от
импульсного пробивного напряжения искрового промежутка Unp - одной из основных
характеристик разрядника.
Сопровождающий ток разрядника невелик, и поэтому
сопротивление резко возрастает, а ток снижается и дуга гасится искровым
промежутком при токе Iгаш и напряжении Uгаш.
Эффективность действия разрядника оценивается
коэффициентом
= Uост/
Uгаш (2.2)
Чем меньше значение К, тем лучше защитная
характеристика разрядника. Для сетей выпускаются разрядники облегченного типа в
связи с тем, что токи кз. в этих сетях небольшие. В сетях напряжением 10 кВ
применяются разрядники PC 10, а в сетях 35 кВ - РВО 35.
С целью безопасности их ограждают или
устанавливают так, чтобы нижний цоколь был на высоте не менее 2,5 м. Для защиты
оборудования ТП 10/0,38 кВ от набегающих волн перенапряжений по линиям 0,38 кВ
применяются низковольтные вентильные разрядники типа РВН 0,5 опорного типа и
подвесного, а также типа ГЗа 0,66/2,5 польского производства. Основные элементы
этих разрядников те же, что и разрядника PC 10, только они имеют по одному
искровому промежутку и одному вилитовому диску. Пробивное напряжение разрядника
РВН 0,5 при частоте 50 Гц равно 2,2....2,8 кВ, а ГЗа 0,66/2,5 - 1 кВ.
.2.5 Защита воздушных линий
напряжением 6 -.35 кВ
Индуктированные перенапряжения возникают во всех
фазах, поэтому перекрытия изоляции воздушных линий (ВЛ) напряжением 6...35 кВ
на железобетонных и металлических опорах при протекании сопровождающих токов
приводят к кз и возникновению дуги. Такие линии обязательно имеют устройства
АПВ, действие которых способствует гашению дуги и восстановлению электрической
прочности линейной изоляции. Поэтому не требуется устанавливать специальные
защитные средства на линии, кроме заземления опор, в соответствии с общими
требованиями к конструктивному выполнению ВЛ напряжением до 35 кВ.
Сопротивление заземляющего устройства каждой опоры должно быть 10...20 Ом.
ВЛ напряжением 35 кВ на деревянных опорах имеют
высокую электрическую прочность фазовой изоляции относительно земли благодаря
применению дерева. Ток замыкания на землю в сетях этого напряжения мал, поэтому
значение сопровождающего тока соответствует значению тока двух или трехфазного
кз. Вероятность отключения ВЛ оценивается коэффициентом перехода импульсного
перекрытия в силовую дугу
и, который зависит
от градиента среднего рабочего напряжения Eраб кВ/м, равного отношению рабочего
напряжения к длине дуги.
Грозоупорность ВЛ оценивается числом отключений
на 100 км/год. ВЛ напряжением 35 кВ на деревянных опорах защищают трубчатыми
разрядниками только в местах с ослабленной изоляцией: кабельные муфты, опоры с
металлическими траверсами, железобетонные и металлические опоры на переходах
через реки и другие препятствия, переходы через ВЛ напряжением 0,38 кВ, линии
связи, радиолинии и железнодорожные пути, а так же при пересечениях с ВЛ более
высокого класса напряжения. На переходах и пересечениях разрядники ставят с
двух сторон пролета ВЛ. Когда расстояние от места пересечения до ближайшей
опоры не более 40 м, разрядники устанавливают только на этой опоре.
В тех случаях, когда нижний предел отключаемых
разрядником токов больше тока двухфазного кз, разрядники заменяют искровыми
промежутками. Трубчатые разрядники и защитные промежутки присоединяют к
заземляющему устройству кратчайшим путем при помощи спусков, выполненных оцинкованным
проводом с площадью поперечного сечения 35 мм2 или прутком диаметром 10 мм. При
этом в случае применения искровых промежутков на высоте 2,5 м устанавливают
дополнительный искровой промежуток. Сопротивление заземляющего устройства
должно быть не более 10 Ом при удельном сопротивлении грунта р = 100 Ом/м, 15
Ом при р=100...500 Ом/м и 20 Ом при р =500... 1000 Ом/м.
.2.6 Защита линий и потребительских
электроустановок напряжением 0,38 кВ
В населенных пунктах линии напряжением 0,38 кВ
подвергаются как прямым ударам молнии, так и индуктированным перенапряжениям,
которые по проводам ВЛ 0,38 кВ и по внутренней проводке проникают в дома и
производственные помещения, поражая людей, животных, изоляцию оборудования,
вызывая пожары. Для снижения этих перенапряжений устраивают защитные промежутки
и надежно их заземляют. Защитные промежутки выполняют путем бандажа из катанки
к крюкам фазных проводов или приваривания и присоединения нулевого провода к
заземляющему спуску, который присоединяют к заземляющему устройству. Такие
защитные промежутки с заземлениями устанавливают на ВЛ напряжением 0,38 кВ
через 100 м при числе часов грозовой деятельности в год 40 и более, а при числе
грозовых часов 20...40 в году - через 200 м. Кроме того, устанавливают искровые
промежутки и заземления на конечных опорах линий, имеющих ответвления к вводам
в дома, если до соседнего заземления на линии более 50 м. Импульсное
сопротивление заземления должно быть не более 30 Ом. Заземляющие устройства
должны быть также выполнены на опорах с ответвлениями к вводам в помещения, где
может быть сосредоточено большое число людей: школы, читальни, ясли, больницы и
т. п., а также на опорах с ответвлениями к вводам в помещения, которые
представляют большую хозяйственную ценность: животноводческие помещения,
склады, мастерские и др., на вводах которых рекомендуется устанавливать
вентильные разрядники типа РВН 0,5 и ГЗа 0,66/2,5.
В случае применения железобетонных опор к
заземляющему спуску присоединяют стальную арматуру опор. Заземления защитных
искровых промежутков и разрядников - защитное заземление - следует совмещать с
повторными.
.2.7 Защита оборудования подстанций
от волн перенапряжений, набегающих с линии
Для уменьшения амплитуд перенапряжения и тока
волны, набегающей с линии на подстанцию, подходы ВЛ к РУ подстанций напряжением
35 кВ и выше защищают троса ми на расстоянии 1...6 км от подстанции, если ВЛ
выполнена на деревянных опорах. В начале тросового подхода на линии
устанавливают комплект трубчатых разрядников. Если по линии возможна подача
энергии от другой подстанции, устанавливают второй комплект трубчатых
разрядников у другого конца троса для защиты разъединителя, потому что
разъединитель имеет ослабленную изоляцию (его монтируют на металлической раме и
разрядное расстояние равно только высоте изолятора).
Для защиты изоляции оборудования подстанций на
шинах устанавливают вентильные разрядники, которые присоединяют кратчайшим
путем к контуру заземления подстанции. К тому же контуру заземления
присоединяют и разрядники. Не требуется защищать тросом подход ВЛ напряжением
35 кВ к двухтрансформаторной подстанции при мощности трансформатора до 1000
кВА, а также к однотрансформаторной подстанции при наличии резервного питания
со стороны 10 кВ, если число грозовых часов в году не более 60.
В этом случае опоры подхода ВЛ к подстанции на
длине не менее 0,5 км должны иметь заземлители с сопротивлением не более 10 Ом
при р = 100Ом-м, 15 0м при р = 100...500 Омм и 20 Ом при
500Омм,
а на линии с деревянными опорами еще необходима установка трубчатых разрядников
на первой опоре подхода со стороны линии. Импульсное сопротивление заземления
должно быть не более 10 Ом. На питающих линиях, так же, как и при защите
подхода тросом, устанавливают второй комплект разрядников, которые присоединяют
к заземляющему контуру подстанции.
Оборудование подстанции защищается вентильными
разрядниками, которые устанавливают не далее 10 м от трансформатора.
Подстанции напряжением 35...110 кВ с
трансформаторами мощностью до 40 MBА, присоединяемые к ответвлениям длиной
менее 1...2км существующих линий, не защищенных тросом по всей длине, имеют
грозозащиту по упрощенным схемам. Сопротивление заземления каждого комплекта
трубчатых разрядников не должно превышать 10 Ом. Когда перед ТП 3...20/0,38 кВ
или РУ 3...20 кВ имеется кабельная вставка длиной менее 50 м, разрядники
устанавливают так, чтобы параллельно его искровому промежутку был включен
штыревой изолятор. Его емкость шунтирует искровой промежуток разрядника и уменьшает
импульсное пробивное напряжение. Заземление разрядника и оболочки кабеля с
муфтой делают общим. К заземлению вентильных разрядников, установленных на
вводе тупиковой ТП 3...20/0,38 кВ, присоединяют также кабельную оболочку и
броню. Если ВЛ выполнена на деревянных опорах, на расстоянии 200...300 м от
конца кабеля следует устанавливать второй комплект трубчатых разрядников.
Сопротивления заземления должны быть не более 10 Ом при
1000
Омм.
.2.8 Длинно-искровые разрядники -
особый класс грозозащитных устройств
РДИ являются российской разработкой и по своим
конструктивным параметрам, техническим характеристикам и функциональным
возможностям представляют особый класс устройств грозозащиты, не имеющий
мировых аналогов .
Принцип действия всех видов РДИ заключается в
ограничении грозовых перенапряжений на ВЛ за счет искрового перекрытия по
поверхности изоляционного тела разрядника с длиной канала разряда, в несколько
раз превосходящей строительную высоту защищаемой изоляции, и гашении
сопровождающих токов промышленной частоты за счет обеспеченного таким образом
снижения величины среднего градиента рабочего напряжения вдоль канала грозового
перекрытия.
Главным отличительным достоинством класса длинно-искровых
разрядников является их неподверженность разрушениям и повреждениям грозовыми и
дуговыми токами, поскольку они протекают вне аппаратов, по воздуху вдоль их
поверхности.
Это уникальное для грозозащитных аппаратов
качество наряду с конструктивной простотой предопределило возможность их
успешного применения в качестве эффективного и надежного средства защиты
воздушных линий и электрических сетей от грозовых перенапряжений и их
последствий.
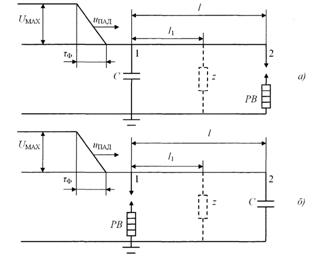
Технические характеристики петлевого разрядника
РДИП-10-4-УХЛ1.
Разрядник предназначен для защиты воздушных
линий электропередачи напряжением 6, 10 кВ трехфазного переменного тока с
защищёнными и неизолированными проводами от индуктированных грозовых
перенапряжений и их последствий и рассчитан для работы на открытом воздухе при
температуре окружающего воздуха от минус 60°С до плюс 50°С в течение 30-и лет.
Конструктивный эскиз, показывающий общий вид и
основные составные части разрядника приведен на рис.1а. Разрядник состоит из
согнутого в виде петли металлического стержня, покрытого слоем изоляции из
полиэтилена высокого давления. Концы изолированной петли закреплены в зажиме
крепления, с помощью которого разрядник присоединяется к штырю изолятора на
опоре ВЛ. В средней части петли поверх изоляции расположена металлическая
трубка. На проводе ВЛ, напротив металлической трубки разрядника, закрепляется
универсальный зажим для создания необходимого воздушного искрового промежутка
S.
|
а)
|
б)
|
Рис. 2.7 - Общий вид петлевого разрядника на
опоре ВЛ
а) конструктивный эскиз;
б) фотография испытаний на макете.
Закрепление изолированной петли разрядника на ВЛ
производится с помощью зажима крепления. Зажим крепления изготовлен из стали,
покрытой защитным слоем цинка, и имеет конструкцию, обеспечивающую надежное
крепление разрядника к элементам арматуры ВЛ. Конструкция зажима крепления
разрядника может быть изменена и иметь форму, адаптированную под конкретные
условия крепления разрядника на опоре ВЛ.
Универсальный зажим для провода изготовлен из
стали, покрытой защитным слоем цинка. Конструкция зажима позволяет
устанавливать его как на неизолированные, так и на защищённые провода, зажим
для которых имеет прокусывающие шипы.
Принцип работы разрядника основан на
использовании эффекта скользящего разряда, который обеспечивает большую длину
импульсного перекрытия по поверхности разрядника, и предотвращении за счет
этого перехода импульсного перекрытия в силовую дугу тока промышленной частоты.
При возникновении на проводе ВЛ индуктированного
грозового импульса искровой воздушный промежуток S между проводом ВЛ и
металлической трубкой разрядника пробивается, и напряжение прикладывается к
изоляции между металлической трубкой и металлическим стержнем петли, имеющим потенциал
опоры.
Под воздействием приложенного импульсного
напряжения вдоль поверхности изоляции петли от металлической трубки к зажиму
крепления разрядника (по одному, или по обоим плечам петли) развивается
скользящий разряд. Вследствие эффекта скользящего разряда вольт-секундная
характеристика разрядника расположена ниже, чем вольт-секундная характеристика
изолятора, т.е. при воздействии грозового перенапряжения разрядник
перекрывается, а изолятор нет.
После прохождения импульсного тока молнии разряд
гаснет, не переходя в силовую дугу, что предотвращает возникновение короткого
замыкания, повреждение провода и отключение ВЛ.
На рис.2.7 б представлен момент срабатывания
разрядника при воздействии грозового импульса перенапряжения во время
лабораторных испытаний на полномасштабной модели траверсы ВЛ 10 кВ.
Основные технические характеристики разрядника
приведены в табл. 2.2.
Таблица 2.2 - Технические характеристики
РДИП-10-4-УХЛ1
|
Класс
напряжения
|
10
кВ
|
|
Длина
перекрытия по поверхности
|
78
см
|
|
Внешний
искровой промежуток
|
2-4
см
|
|
Импульсное
50 %-ное разрядное напряжение, не более: на положительной полярности на
отрицательной полярности
|
110
кВ 90 кВ
|
|
Напряжение
координации с изолятором ШФ10-Г *
|
300
кВ
|
|
Многократно
выдерживаемое внутренней изоляцией импульсное напряжение, не менее
|
50
импульсов 300 кВ
|
|
Выдерживаемое
напряжение промышленной частоты, не менее: в сухом состоянии под дождём
|
42
кВ 28 кВ
|
|
Многократно
выдерживаемый импульсный ток 8¤20
мкс, не менее
|
20
импульсов 100 кА
|
|
Масса
|
2,3
кг
|
|
Срок
службы, не менее
|
30
лет
|
Наибольшее напряжение при стандартной форме
импульса 1,2/50 мкс, при котором обеспечивается защита разрядником изолятора,
называется «напряжением координации».
Разрядник предназначен для защиты ВЛ 6, 10 кВ от
индуктированных грозовых перенапряжений, которые, как уже отмечалось,
составляют подавляющую долю от общего числа грозовых перенапряжений, способных
приводить к перекрытиям изоляции.
Известно, что величина индуктированных
перенапряжений не превосходит значения 300 кВ, и это позволяет при правильной
организации грозозащиты исключить возможность одновременного перекрытия двух
или трех фаз на одной опоре и, соответственно, междуфазных кз.. Для этого
необходимо устанавливать по одному разряднику на опору с чередованием фаз,
например, на первой опоре разрядник устанавливается на фазу А, на второй - на
фазу В, на третьей - на фазу С и т.д.
При такой системе установки индуктированное на
линии грозовое перенапряжение приводит к перекрытию разрядников на разных фазах
соседних опор и образованию контура междуфазного замыкания сопровождающего тока
напряжения промышленной частоты, в который включены сработавшие разрядники и
сопротивления заземления опор Rз , ограничивающие этот ток на уровне нескольких
сотен ампер, способствуя его гашению и предотвращению отключения ВЛ.
Разрядные характеристики РДИП-10 обеспечивают
то, что ни один из изоляторов всех трех фаз в данной схеме не перекрывается,
поскольку каждый из них защищен разрядником, установленным электрически
параллельно ему и расположенным либо непосредственно рядом с изолятором, либо
на соседней опоре.
При уровнях индуктированных перенапряжений,
близких к импульсному напряжению срабатывания разрядника, возможно перекрытие
разрядника лишь на одной опоре, приводящее к однофазному замыканию на землю. Ток
замыкания при этом не превышает 10-20 А, и петлевой разрядник с общей длиной
перекрытия 80 см гарантированно исключает возникновение силовой дуги.
На основе вышеприведённых средств защиты
появился новый класс - ограничители перенапряжения нелинейные, обладающих
множеством достоинств и удовлетворяющих современным требованиям.
3. Ограничители перенапряжений
нелинейные
Ограничители перенапряжений нелинейные (ОПН)
предназначены для использования в качестве основных средств защиты
электрооборудования станций и сетей от коммутационных и атмосферных
перенапряжений на классы напряжений от 0,38 до 110 кВ для сетей переменного
тока и на напряжение от 3,3 до 27,5 кВ для подвижного состава и систем
электроснабжения энергообъектов, промышленной частоты 48-62 Гц
При их разработке были использованы последние
технологические достижения и опыт эксплуатации ОПН в отечественной и зарубежной
практике. Ограничители рекомендуется применять вместо вентильных разрядников
соответствующих классов напряжения при проектировании, эксплуатации,
техническом перевооружении и реконструкции электроустановок.
.1 Серия ОПН включает в себя четыре
типа ограничителей
ОПН-KP предназначены для надежной защиты
электрооборудования в сетях класса напряжения 6-10 кВ с изолированной или
резонансно заземлённой нейтралью. Рекомендуются для использования в
распределительных сетях для защиты трансформаторов и двигателей.
Изготавливаются для внутренней установки (УХЛ2 по ГОСТ 15150) и предназначены
для эксплуатации на высоте над уровнем моря до 1000 м при температуре
окружающей среды от минус 60°С до плюс 55°С и влажности окружающей среды:
•среднегодовое значение 80 % при 15°С;
•верхнее значение 100 % при 25°С.
ОПН-PT предназначены для гарантированной защиты
наиболее ответственного электрооборудования в сетях класса напряжения3-10 кВ с
изолированной или резонанснозаземлённой нейтралью. Типы ОПН-PT рекомендуется
применять в условиях частых и интенсивных воздействий перенапряжений для защиты
трансформаторов электродуговых печей, изоляции кабельных сетей, электрических
генераторов, двигателей и т.п. Предназначены для эксплуатации на высоте над
уровнем моря до 1000 м при температуре окружающей среды от минус 60°С до плюс
55° С для внутренней установки (УХЛ2 по ГОСТ 15150). Влажность окружающей среды
в эксплуатации:
•среднегодовое значение 80 % при 15°С;
•верхнее значение 100 % при 25° С.
ОПН - 35,110, предназначены для защиты
электрооборудования подстанций и воздушных линий электропередачи от грозовых и
коммутационных перенапряжений в сетях класса напряжения 35 кВ с изолированной
или компенсированной нейтралью и 110 кВ с эффективно заземленной нейтралью.
Предназначены для эксплуатации на высоте над уровнем моря до 1000 м при
температуре окружающей среды от минус 60° С до плюс 55° С в условиях наружной
установки (УХЛ1 по ГОСТ 15150). Влажность окружающей среды в эксплуатации:
•среднегодовое значение 80 % при 15° С;
•верхнее значение 100 % при 25° С.
ОПН - 6, 10 предназначены для защиты
электрооборудования распределительных устройств и аппаратов от грозовых и коммутационных
перенапряжений в воздушных сетях класса напряжения 6-10 кВ с изолированной или
резонансно заземлённой нейтралью. Ограничители могут быть использованы везде,
где ранее предусматривалось применение вентильных разрядников РВО.
Предназначены для эксплуатации на высоте над уровнем моря до 1000 м при
температуре окружающей среды от минус 60° С до плюс 55° С в условиях наружной
установки (УХЛ1 по ГОСТ 15150). Влажность окружающей среды в эксплуатации:
среднегодовое значение 80 % при 15° С;
верхнее значение 100 % при 25° С.
3.1.1 Достоинства ОПН
Наряду с известными преимуществами
металлооксидных ограничителей перенапряжений, таких, как отсутствие
сопровождающего тока после затухания волны перенапряжения, непрерывное
подключение к защищаемой сети, способность поглощать большие энергии, и пр. ОПН
обладают дополнительным набором привлекательных характеристик благодаря
применению металлооксидных резисторов с нестареющими характеристиками в
сочетании с применением уникальной технологии сборки в полимерный корпус:
необслуживаемость на протяжении всего срока
службы
неограниченный коммутационный ресурс
глубокий уровень ограничения перенапряжений
широкий номенклатурный ряд рабочих напряжений.
стабильность нестареющих характеристик
взрывобезопасность и сейсмостойкость
высокая надежность в эксплуатации
стойкость к атмосферным загрязнениям
удобство встраивания в распредустройства
малые вес и габариты
При эксплуатации ОПН не требуется применение
счетчика срабатывания, в следствие неограниченного коммутационного ресурса.
Ограничители перенапряжений ОПН полностью
соответствуют требованиям международного стандарта МЭК 60099-4 и ГОСТ
163576-83.
Внешний вид ограничителей перенапряжений всех
типов серии TEL представлен на иллюстрации ниже.(приложение 3)
Ограничители перенапряжений изготавливаются с
фарфоровой и полимерной внешней изоляцией. ОПН с фарфоровой изоляцией
представляют собой высоковольтный аппарат в фарфоровой покрышке на основе
оксидно-цинковых высоконелинейных варисторов, без искровых промежутков. ОПН с
полимерной изоляцией выполнены в виде единичного нелинейного варистора,
опрессованного в оболочку из полимерного материала.
Применение полимеров для производства внешней
изоляции ОПН позволило разработать ограничители, способные эксплуатироваться
как в районах с высокой загрязненностью, так и в сейсмоопасных районах и в
условиях сильной вибрации и частых ударов. Полимерные корпуса обеспечивают
взрывобезопасность ОПН, поскольку при повышении давления внутри корпуса
вскрываются отверстия в стеклопластиковой трубе, заполненные резиной покрытия,
и происходит сброс давления. Разлетаются только резиновые пробки, не вызывая
каких-либо повреждений.
Ограничители в полимерных корпусах меньше
повреждаются при транспортировке, хранении и монтаже. Ограничители серии ОПНп 6
+ 110 кВ изготавливаются в двух типоисполнениях: опорном и подвесном. В
зависимости от типоисполнения выполняется и комплектация аппаратов фланцами
соответствующей конструкции. Не имеющий аналогов в отечественной и мировой
практике метод бесшовного прессования кремнийорганических резин горячей
вулканизации позволяет формировать надежное защитное покрытие из
кремнийорганической резины с любой требуемой на практике развитостью внешней
поверхности (длиной пути утечки). Одновременно заполнение внутренней полости
компаундом, обладающим высокой адгезией, и со стеклопластиком и с керамикой,
повышает номинальный разрядный ток и пропускную способность ОПН при грозовых
импульсах тока.
.1.2 Пример условного обозначения
ОПН
в фарфоровой и полимерной покрышках:
ОПН-0,4 УХЛ2 (в фарфоровой покрышке)
ОПН-П-0,38УХЛ1 (в полимерной покрышке)
О - ограничитель
П - перенапряжений
Н - нелинейный
П - с полимерной покрышкой
,38; 0,4 - класс напряжения, кВ
УХЛ - климатическое исполнение по ГОСТ 15150
, 2 - категория размещения по ГОСТ 15150
Типы ОПН:
ОПН для электроподвижного состава переменного
тока.
ОПН для устройств электроснабжения
электрифицированных железных дорог.
ОПН для электрооборудования сетей переменного
тока.
Расшифровка условного обозначения типа
ограничителя:
Пример: ОПНп - 10/12/10/1-III УХЛ1
ОПНп - ограничитель перенапряжений нелинейный в
полимерном корпусе
- класс напряжение сети, кВ;
- наибольшее длительно допустимое рабочее
напряжение в кВ;
- номинальный разрядный ток, кА
- класс пропускной способности 1-400А, 2-500A и
более - степень загрязнения изоляции по ГОСТ 9920
УХЛ1 - климатическое исполнение по ГОСТ 15150
Нелинейные ограничители перенапряжений в
полимерных корпусах серии ОПН для защиты электрооборудования сетей постоянного
и переменного тока с частотой 50Гц классы напряжения 0,38 кВ, 110кВ , с
заземленной изолированной или компенсированной нейтралью классы напряжения
6...35 кВ от коммутационных и грозовых перенапряжений.
.2 Конструкция ОПН
Ограничители представляют собой высоковольтные
аппараты, состоящие из последовательно соединенных металлооксидных резисторов,
имеющих нелинейную вольтамперную характеристику и размещенных внутри
изоляционного корпуса. Высоконелинейная вольтамперная характеристика резисторов
позволяет обеспечить непрерывное и безопасное нахождение ОПН под напряжением,
обеспечивая при этом глубокий уровень защиты электрооборудования при
возникновении перенапряжений.
При изготовлении ОПН используются нелинейные
металлооксидные резисторы с нестареющими характеристиками лучших мировых
производителей. Собственная технология сборки нелинейных резисторов в
трекингостойкий полимерный корпус уникальна и аналогов в мировой практике не
имеет.
При сборке ограничителей типов ОПН-КР, ОПН-РТ и
ОПН -6, 10 колонка резисторов заключается между металлическими электродами и
впрессовывается в оболочку из специального атмосферостойкого полимера, который
обеспечивает требуемые механические и изоляционные свойства ограничителя.
Ограничители OПH -6, 10 дополнительно покрываются оболочкой из силиконовой резины.
Эта конструкция отлично зарекомендовала себя при различных условиях
эксплуатации, включая районы с высоким уровнем атмосферных загрязнений.
Ограничители типа OПH - 110 представляют собой аппараты вертикальной установки
опорного типа. Прочный стеклоэпоксидный цилиндр с последовательно соединенными
резисторами внутри обеспечивает прекрасные механические свойства. Металлические
фланцы и силиконовая изоляция, образующая одновременно как внешнюю изоляционную
поверхность, так и внутреннюю изоляцию колонки резисторов, определяют заданные
изоляционные свойства ограничителя. Взрывобезопасность ограничителя
обеспечивается наличием предохранительного устройства для сброса давления,
выполненного в виде специальных противовзрывных отверстий. Ограничители ОПН
-35, 110, не требуют применения экранного кольца благодаря компьютерному
комплектованию ОПН резисторами с параметрами, соответствующими расчетной
неравномерности распределения напряжения по высоте ОПН. Общим преимуществом в
конструкциях ограничителей ОПН является отсутствие воздушных полостей внутри
корпуса, что исключает возникновение перекрытия внутренней изоляции
ограничителя и его выход из строя по этой причине.
Рис. 3.1 - Конструкции ОПН
3.3 Принцип действия
В нормальном рабочем режиме ток через
ограничитель имеет емкостной характер и составляет десятые доли миллиампера.
При возникновении волн перенапряжений резисторы ограничителя переходят в
проводящее состояние и ограничивают дальнейшее нарастание перенапряжения до уровня,
безопасного для изоляции защищаемого электрооборудования. Когда перенапряжение
снижается, ограничитель вновь возвращается в непроводящее состояние.
Рис. 3.2 - График изменения тока и напряжения на
ОПН при повышении воздействующего напряжения
3.4 Технические характеристики
Класс напряжения - номинальное напряжение от 6
до 110 кв.
наибольшее длительно допустимое рабочее
напряжение ОПН - наибольшее действующее значение напряжения промышленной
частоты, которое может быть приложено непрерывно к ОПН и не приводит к
повреждению или термической неустойчивости ОПН при нормированных воздействиях.
импульс тока большой длительности (прямоугольный
импульс) - прямоугольный импульс, который быстро возрастает до максимального
значения, остается практически постоянным в течение нормированного периода
времени, а затем быстро падает до нуля. Нормированная длительность импульса -
2000 мкс.
номинальный разрядный ток ОПН - максимальное
значение грозового импульса тока 8/20 мкс, используемое для классификации ОПН.
Для всех типов ОПН 10 кА.
импульс большого тока ОПН - импульс разрядного
тока, имеющего форму волны 4/10 мкс, который используется для испытания
устойчивости ОПН при прямых ударах молнии. Нормированная амплитуда импульса
большого тока - 65 кА или 100 кА.
остающееся напряжение ОПН - наибольшее значение
напряжения на ограничителе при протекании через него импульсного тока сданной
амплитудой и длительностью фронта.
уровень остающегося напряжения при
коммутационном импульсе - (U30/60) максимальное значение напряжения на
ограничителе при протекании через него коммутационного импульсного тока с
длительностью фронта импульса 30 мкс и временем полу спада импульса 60 мкс;
уровень остающегося напряжения при грозовом
импульсе - (U8/20) ~ максимальное значение напряжения на ограничителе при
протекании через него грозового импульсного тока с длительностью фронта
импульса 8 мкс и временем полу- спада импульса 20 мкс;
характеристика "напряжение - время"
-выдерживаемое напряжение промышленной частоты в зависимости от времени его
приложения к ОПН. Показывает максимальный промежуток времени, в течение
которого к ОПН может быть приложено напряжение промышленной частоты,
превышающее Uнд, не вызывая повреждения или термической неустойчивости.
пропускная способность ОПН - это способность ОПН
выдерживать без потери рабочих качеств воздействие 18 нормированных по
максимальному значению прямоугольных импульсов тока с условной длительностью
амплитуды не менее 2000 мкс и принятой последовательностью их приложения.
удельная энергия - рассеиваемая ограничителем
электрическая энергия в долях наибольшего длительно допустимого рабочего
напряжения, которую может рассеять ОПН без паузы для охлаждения и без потери
термической стабильности во время рабочих испытаний в результате приложения
нормированных импульсов в соответствии с требованиями МЭК 60099-4.
Взрывобезопасный ток при коротком замыкании Iкз
Максимальное изгибающее усилие.
Для примера приведём технические характеристики
ограничителей типа ОПН - 35,110.
|
Наименование
параметра
|
ОПН
- Х/Х - 550 УХЛ1
|
|
35/40.5
|
110/73
|
110/78
|
110/84
|
|
Класс
напряжения сети, кВ
|
35
|
110
|
110
|
110
|
|
Наибольшее
длит. допустимое раб. напряжение, Uнд, кВ
|
40.5
|
73.0
|
78.0
|
84.0
|
|
Номинальный
разрядный ток 8/20 мкс, Iн, кА
|
10
|
10
|
10
|
10
|
|
Остающееся
напряжение Uост, кВ, не более: При коммутационном импульсе тока 125 А, 30/60
мкс 250 А, 30/60 мкс 500 А, 30/60 мкс При грозовом импульсе тока 5000 А, 8/20
мкс 10000 А, 8/20 мкс 20000 А, 8/20 мкс При крутом импульсе тока 10000 А,
1/10 мкс
|
|
|
93
98 101
|
167
176 181
|
178
188 192
|
191
202 207
|
|
119
130 146
|
214
234 262
|
230
250 280
|
247
269 301
|
|
153
|
276
|
295
|
317
|
|
Емкостный
ток проводимости, Iс, мА, не более: амплитуда действующее значение
|
0.9
0.7
|
0.9
0.7
|
0.9
0.7
|
0.9
0.7
|
|
Удельная
энергия ОПН, кДж/кВ Uнд, не менее
|
5.5
|
5.5
|
5.5
|
5.5
|
|
Максимальная
амплитуда импульса тока 4/10 мкс, кА
|
100
|
100
|
100
|
100
|
|
Взрывобезопасный
ток при коротком замыкании, Iкз, кА
|
30
|
30
|
30
|
30
|
|
Максимальное
изгибающее усилие, Н
|
580
|
600
|
600
|
600
|
Характеристика «напряжение-время» ограничителей
типа ОПН/-35,110 при возникновении квазистационарных перенапряжений
с предварительным рассеиванием энергии 5.5
кДж/кВ Uнд
без предварительного рассеивания энергии
Рис. 3.3 - Характеристика «напряжение - время»
3.5 Выбор ограничителей
перенапряжений
.5.1 Рекомендации по выбору ОПН
Внедрение защитных аппаратов нового поколения
сталкивается с значительными трудностями их правильного применения. В первую
очередь это связано с недостаточностью нормативных документов, регламентирующих
правильное использование ОПН в сетях 0,38 - 110 кВ. Перед энергетическими
предприятиями, как правило, возникают две взаимопротиворечащие друг другу задачи.
С одной стороны глубоко ограничить перенапряжения, а с другой обеспечить
надежную работу самого аппарата. Если приоритет при выборе параметров ОПН
отдавать первой задаче, то снизится надежность работы ОПН. В обратном случае
повышаются воздействия на изоляцию электрооборудования.
.5.2 Методика выбора основных
параметров ОПН
При выборе ОПН необходимо решить следующие
основные задачи:
ОПН должен ограничить коммутационные и розовые
перенапряжения до значений, при которых обеспечивается надежная работа изоляции
защищаемых электроустановок;
ОПН должен надежно работать, не теряя своей
термической устойчивости, при непрерывном воздействии наибольших рабочих
напряжений сети;
ОПН должен надежно работать, не теряя своей
термической устойчивости, при воздействии квазистационарных перенапряжений в
рабочих и аварийных режимах;
ОПН должен быть взрывобезопасен при протекании
токов КЗ в результате внутренних повреждений;
ОПН должен соответствовать механическими
климатическим условиям эксплуатации.
Для решения перечисленных задач необходима
следующая информация о параметрах сети и оборудования:
наибольшее рабочее напряжение сети;
режим заземления нейтрали;
схема и структура защищаемой подстанции
указанием расстояний по ошиновке между аппаратами;
структура сети, прилегающей к подстанции, где
устанавливаются ОПН;
значения токов КЗ;
наиболее вероятные виды грозовых и внутренних
перенапряжений;
данные о составе релейной защиты и автоматики
уставках времени срабатывания различных устройств защиты;
сведения о характеристиках генераторов,
трансформаторов, синхронных компенсаторов, электродвигателей и другой нагрузки;
допустимый уровень изоляции оборудования.
В настоящем документе рассматриваются общие
рекомендации, по выбору ОПН, а также рекомендации учитывающие особенности тех
или иных электроустановок.
.5.3 Выбор наибольшего длительно
допустимого рабочего напряжения ОПН
В сетях 6-35 кВ, работающих с изолированной
нейтралью или с компенсацией емкостного тока замыкания на землю и допускающих
неограниченно длительное существование однофазного замыкания на землю (033),
наибольшее рабочее длительно допустимое напряжение ограничителя выбирается
большим или равным наибольшему рабочему напряжению электрооборудования для
данного класса напряжения по ГОСТ 1516.3 или наибольшему рабочему напряжению
сети.
н.р
Uн.р.
об. (3.1)
Где Uн.р - наибольшее длительно допустимое
рабочее напряжение ОПН,н.р. об. - наибольшее рабочее напряжение защищаемого
оборудования.
Если длительность однофазного замыкания на землю
ограничивается, то наибольшее длительно допустимое рабочее напряжение ОПН
должно удовлетворять следующему условию:
н.р
Uн.р.
об./Кt (3.2)
где Кt - коэффициент, равный отношению
допустимого повышения напряжения в течении времение tк наибольшему длительно
допустимому рабочему напряжению ограничителя. Значение Kt определяют для
значения времени однофазного замыкания на землю (t033) по зависимости
"напряжения - время" для случая с предварительным нагружением
нормируемым импульсом энергии.
Время существования однофазного замыкания на
землю определяют по данным эксплуатации для места установки ОПН.
Длительность существования 033 зависит от вида
электрических сетей и составляет:
в контролируемых сетях, питаемых от
турбогенераторов, гидрогенераторов и синхронных компенсаторов, а также с
присоединенными мощными электродвигателями, с токами однофазного замыкания на
землю в генераторной цепи более 5 А - не более 0.5сек. При токе однофазного
замыкания на землю ниже 5 А - 2ч и может быть увеличено до 6ч, если однофазное
замыкание находится вне обмоток;
в кабельных сетях 6-35 кВ, не содержащих
присоединенных турбогенераторов, гидрогенераторов и синхронных компенсаторов и
мощных электродвигателей - 2ч и может быть допущено увеличение до 6ч по
согласованию с энергоснабжающей организацией;
в воздушных сетях, работающих с изолированной
нейтралью или компенсацией емкостного тока замыкания на землю и не содержащих
электростанций и присоединений с электродвигателями, время отключения
однофазного замыкания на землю не нормируется.
Нормированные значения для Uн.р. действительны
для температуры окружающей среды до 45° С с учетом дополнительного нагрева от
солнечной радиации. Если имеются другие источники повышения температуры
окружающей среды, то необходимо увеличить значение Uн.р. Как правило, это
необходимо при использовании ОПН, встроенных в электрооборудование (силовые
трансформаторы, ячейки КРУ и КСО и другие виды оборудования).
Если температура окружающей среды превышает 45°
С, то Uн.р увеличивают на 2% для каждых 5° С повышения температуры окружающей
среды. В ряде случаев ОПН устанавливают на шинах подстанции или на шинах во
внутренних распределительных устройствах (ячейках КРУ или КСО). В этом случае
необходимо учитывать возможный нагрев ОПН от медных или алюминиевых шин.
Расчетная температура шин, к которым может быть присоединен ОПН, составляет 70°
С. В этом случае наибольшее длительно допустимое напряжение ОПН необходимо
увеличить на 10% по сравнению с паспортными условиями эксплуатации.
3.5.4 Выбор номинального разрядного
тока ОПН
Выбор ОПН по номинальному разрядному току
производится в случае установки его для защиты от грозовых перенапряжений.
Во всех случаях номинальный разрядный ток
принимают равным 5кА.
Номинальный разрядный ток принимают равным 10 кА
в следующих случаях:
в районах с интенсивной грозовой деятельностью
более 50 грозовых часов в год;
в схемах грозозащиты двигателей и генераторов,
присоединенных к ВЛ;
в районах с высокой степенью промышленных
загрязнений (IV степень загрязнения атмосферы) или, если ограничитель
расположен в1000 или менее метрах от моря;
в схемах грозозащиты, к которым предъявляются
повышенные требования к надежности.
3.5.5 Места установки ОПН для защиты
от грозовых перенапряжений
При защите трансформатора от грозовых
перенапряжений ОПН должен устанавливаться на защищаемом трансформаторе до
коммутационного аппарата.
В РУ 3-10 кВ при выполнении связи
трансформаторов с шинами при помощи кабелей расстояние от ОПН до трансформатора
и аппаратов не ограничивается. При применении воздушной связи с шинами РУ
расстояние от ОПН до трансформатора и аппаратов не должно превышать 60 м при ВЛ
на деревянных опорах и 90 м на металлических и железобетонных опорах. В РУ 35-
220 кВ расстояние до ошиновки, включая ответвления от ограничителя до
защищаемого объекта, выбирается в соответствии с рекомендациями ПУЭ.
.5.6 Определение защитного уровня
ограничителя при коммутационных перенапряжениях
Уровень ограничения коммутационных
перенапряжений при дуговых замыканиях с 10% недокомпенсацией емкостного тока
может быть определен по кривой (рис) в зависимости от параметра f.
= (50Z/Uф)
(Uф/А)1/а
(3.3)=
(3.4)=
Uф/3,14Iкз (3.5)
Uф = (Uраб сети
)
(3.6)
а - 0,04- степень нелинейности варистров.
Со, Cm- емкость фазы на землю и между фазами ОПН
Со = Iс /0,942 Uф,
где Iс - емкостной ток на землю в сети (А). кз -
трехфазный ток КЗ в месте установки ОПН
См= 0,27 Со - для кабеля; Сm = 0,4 Со -для ВЛ
=U500/500a.
По полученной величине остающегося напряжения
определяют расчетный коммутационный ток как, А
= (Uост/А)1/а (3.7)
Рис. 3.4 - Графическая зависимость напряжения от
частоты
.5.7 Выбор типа ограничителя
Выбор типа ограничителя осуществляют в соответствии
с определенными положениями и значениями параметров ОПН.
Для случая установки ОПН в районах с повышенной
гололедно-ветровой нагрузкой, где возможны частые обрывы проводов, необходимо
проверить выбранный тип ОПН на устойчивость к воздействию квазиустановившегося
перенапряжения, возникшего в результате неполнофазного режима.
Если при обрыве провода длина ВЛ, присоединенная
к трансформатору менее величины
пр = Iхх%Sн/(188С1U
)
(3.8)
Где:хх%-ток холостого хода, в %,н, Uн -
номинальные мощность [кВА] и напряжение [кВ] трансформатора,
С1 - погонная емкость прямой последовательности
[мкф/км].
то перенапряжения не превышают величины
линейного напряжения и не представляют опасности для электрооборудования.
Если L >Lnp, то повышение напряжения
определяется:
На рис. 3.5 приведена обобщенная зависимость
фазного напряжения на линии Uфл от тока намагничивания трансформатора Iм с
изолированной нейтралью при обрыве фазы этой линии (отпайки от нее). Параметры
зависимости приведены в о.е.: напряжения - по отношению к номинальному
напряжению трансформатора и тока - по отношению к номинальному току
намагничивания трансформатора (току холостого хода).
По двум точкам строят зависимость напряжения на
емкости линии U
рассчитывая ее
значения по формуле:
= - 1,5 + IмнI
/YLUфн
(3.9)
где Y - удельная проводимость линии по нулевой
последовательности, сим;- длина линии от места обрыва до трансформатора, км;мн
- номинальный ток намагничивания трансформаторов, А;
-
номинальный ток намагничивания, о.е. по отношению к номинальному току
трансформатора, о. е.фн - номинальное фазное напряжение трансформатора, кВ.
Пересечение построенной прямой U
с обобщенной зависимостью Uфл дает значение установившегося перенапряжения на
линии. Эти перенапряжения могут существовать несколько часов.
По зависимости "напряжение - время"
ОПН для случая без предварительного нагружения энергией при длительности 11000
сек определяют значение Kt, рассчитывают U
= Uy/Kt. Полученное значение U
сравнивают с
выбранным значением наибольшего длительно допустимого рабочего напряжения ОПН
Если Uн.д > U
,
то выбранный тип ОПН удовлетворяет всем условиям.
Если Uн.д < U
,
то выбирают ОПН с новым Uн.д, удовлетворяющим условию:
н.д < U
(3.10)
Рис. 3.5 - Обобщенная зависимость фазного
напряжения на линии Uфл от тока намагничивания трансформатора Iм
3.5.8 Выбор параметров ограничителей
для защиты сети СН электростанций от перенапряжений при дуговых замыканиях на
землю
В сетях СН электростанций ОПН устанавливают для
защиты сети и электродвигателей от коммутационных перенапряжений, возникающих
при дуговых замыканиях на землю. Т.к. наименьший выдерживаемый уровень изоляции
имеет электродвигатель, то ограничитель выбирают в первую очередь из условия
ограничения перенапряжений до величины, допустимой для электродвигателя.
Сеть СН электростанции может работать с
изолированной нейтралью, либо с нейтралью, заземленной через дугогасительный
реактор (ДГР), либо с нейтралью, заземленной через резистор.
3.6 Оценка эффективности применения
нелинейных ограничителей перенапряжений для ограничения перенапряжений
Рассмотрим защиту подстанций от набегающих волн
перенапряжения. Для защиты подстанционного оборудования от волн, набегающих с
линии, применяются нелинейные ограничители перенапряжений (ОПН) или вентильные
разрядники, задача которых ограничить максимальное значение волны напряжения,
пришедшей с линии, до значения, безопасного для изоляции оборудования.
В схеме рис. 3.6,а объект (например, линейный
разъединитель или выключатель) расположен до разрядника на расстоянии l от
него, а в схеме рис. 3.6,б объект (трансформатор) расположен после разрядника
также на расстоянии l. На эти схемы воздействует волна uпад, набегающая с
линии. Нелинейный ограничитель характеризуется остающимся напряжением Uост.
Рис. 3.6 - Упрощенные схемы замещения тупиковой
подстанции
сеть защита перенапряжение
ограничитель
Рис. 3.7 - Изменение напряжении в схеме
рис.3.6,а при С=0: а - в точке 1; б - в точке 2
На рис. 3.7,а и б изображены напряжения uи и uр
соответственно в точках 1 и 2 схемы рис. 3.6,а без учета емкости объекта (С=0),
а также падающая uпад и отраженная uотр волны. Падающая волна, дойдя до точки
2, отражается с тем же знаком, пока не будет достигнуто пробивное напряжение
искрового промежутка разрядника Uпр,и. После пробоя промежутка (время t1)
напряжение на разряднике практически стабилизируется и в момент времени t2
отраженная волна меняет знак на обратный.
Влияние емкости С защищаемого объекта
иллюстрируется рис. 3.8,а и б. Падающая волна в точке 1 (рис. 3.6) преломляется
и доходит до разрядника со сглаженным фронтом (Uпад.1) Отраженная волна,
приходя в точку 1, также сглаживается емкостью (uотр.1), и суммарное напряжение
на изоляции (рис. 3.8,а) изменяется более плавно, чем при отсутствии емкости
(рис. 3.7,а), но основные характерные черты явления сохраняются: напряжение в
пределах фронта нарастает, а затем падает до остающегося напряжения разрядника.
Максимум напряжения на изоляции тем больше, чем больше крутизна падающей волны
и время до прихода отраженной волны, которое в свою очередь возрастает с
увеличением расстояния между разрядником и защищаемым объектом.
Рис. 3.8 - Изменение напряжений в схеме
рис.3.6,а при С
0
Если в точке 1 в схеме рис. 3.6,а включить
волновое сопротивление z, имитирующее отходящую линию (показано пунктиром), то
это приводит к уменьшению максимального значения и крутизны волны, набегающей
на разрядник, что в свою очередь снижает напряжение в точке 1. Включение z
параллельно разряднику изменяет главным образом только начальную часть
отраженной волны и значительно меньше сказывается на Uи,мах. Таким образом,
отходящая линия снижает перенапряжения, но ее влияние зависит от места ее
включения.
На рис. 3.9 представлены кривые напряжения в
схеме рис. 3.6,б для случая, когда 2
Uпр, и/U', что
имеет место в реальных условиях. Через интервал времени 2
после прихода падающей волны на разрядник к нему приходит волна, отраженная от
емкости С, в первый момент с переменой знака, что несколько замедляет
нарастание напряжения на разряднике и вызывает некоторое запаздывание пробоя
искрового промежутка. После срабатывания разрядника возникают многократные
отражения волн между разрядником и объектом, причем в точке 1 отражения волн
происходят с переменой знака вследствие небольшого сопротивления разрядника, а
от заряженной емкости С (точка 2) волны отражаются с тем же знаком. Благодаря
пологой вольт-амперной характеристике разрядника напряжение на нем (uр) почти
не изменяется под влиянием отраженных волн и остается практически постоянным.
Длительность фронта расчетной волны на разряднике равна Uост/
Рис. 3.9 - Изменение напряжений в схеме рис.
3.6, б
Более простой метод расчета заключается в том,
что участок шин длиной / между точками 1 и 2 схемы рис. 3.6,б заменяется П -
образной схемой, содержащей индуктивность L'l и емкости С'1/2, причем половина
емкости шин, включенная параллельно разряднику (в точке 1), не оказывает
влияния на ход процесса (при принятых допущениях), а соответствующая емкость в
точке 2 прибавляется к емкости защищаемой аппаратуры, образуя емкость
С2=С+С'/2. Схема замещения принимает вид в соответствии с рис. 3.10.
Определение напряжения на защищаемой изоляции сводится к решению задачи о
подключении колебательного контура к источнику бесконечной мощности, напряжение
которого равно расчетной волне напряжения на разряднике, т. е. бесконечной
волне с косоугольным фронтом
=
.
Рис. 3.10 - Упрощенная расчетная схема для
определения напряжения на изоляции, включенной после вентильного разрядника
(схема рис. 3.6, б)
Напряжение на емкости С2 колебательного контура
имеет форму колебаний (слабозатухающих с учетом активных потерь в схеме),
которые накладываются на остающееся напряжение разрядника (кривая uи на рис.
3.9). Максимальное напряжение Uи,мах может быть определено по кривой рис. 3.11.
Рис. 3.11 - Зависимость Uи,мах /Uост=f(
/T1)
для колебательного контура схемы рис. 3.10
Из этой кривой видно, что максимальное
напряжение на изоляции зависит от отношения длительности фронта волны к периоду
колебаний контура Т1
=2
(3.11)
где
и
-
индуктивность и емкость соединительных проводов на единицу длины: L'=z/v;
C'=1/zv. Для подстанций 110-220 кВ можно принять z =400 Ом. При v =300 м/мкс
индуктивность и емкость на единицу длины будут соответственно равны:
=1,33
мкГн/м;
=8,33
пФ/м.
Из кривых рис. 3.11 следует, что напряжение в
точке 2 возрастает с уменьшением длительности фронта и увеличением периода
собственных колебаний. Поскольку длительность фронта обратно пропорциональна
крутизне, а период увеличивается с увеличением длины l, то напряжение в точке
2, т.е. на защищаемой изоляции, оказывается тем выше, чем больше крутизна
падающей волны и расстояние l между разрядником и защищаемой изоляцией.
Включение сопротивления z, имитирующего
отходящую линию, в схеме рис. 3.6,б до разрядника (по ходу волны) уменьшает в
первую очередь крутизну, а также максимальное значение набегающей на разрядник
волны, что ведет к снижению перенапряжений; еще больший эффект оказывает включение
z между разрядником и емкостью С вследствие демпфирования колебаний. В обоих
случаях влияние z увеличивается по мере удаления точки его включения от
разрядника.
Составим схему замещения подстанции, используя
схему включения оборудования с обозначением расстояний по ошиновке, взятых из
конструктивных чертежей. Следует заменить элементы оборудования
сосредоточенными емкостями, имеющими следующие значения для различных
элементов, пФ:
Трансформатор1500
Выключатель 500
Трансформатор напряжения 300
Разъединитель 60
В виде примера на рис. 3.12 представлена схема
распределительного устройства 110 кВ. Цифры в схеме на рис. 3.12, указывают
расстояния в метрах между аппаратами или узловыми точками, цифры у емкостей -
значения емкостей в пикофарадах.
Рис. 3.12 - Схема открытого распределительного
устройства (ОРУ) 110 кВ: Л1 и Л2- подходящие воздушные линии электропередачи;
Тр - силовой трансформатор; ТН- трансформатор напряжения; В1- линейный
выключатель; РВ - выключатель перемычки; Р - разъединители; РВ - вентильный
разрядник
Рассчитаем и построим зависимости Umax (равного
50%-ному разрядному напряжению изоляции линии) на изоляции от расстояния между
изоляцией и ОПН или разрядником в схемах 1 на рис. 3.6,а и 2 на рис. 3.6,б при
защите изоляции разрядником РВС-110, а также ограничителем ОПН-110.
Исходные данные:ном п/ст=110 кВ; U'=330 кВ/мс.
Схема 1: С=0 пФ. Схема 2: С=1500 пФ.
Характеристики:
РВС-110:Uост=335кВ;
ОПН-110: Uост =250кB.
При
=300
м/мкс индуктивность и емкость на единицу длины будут соответственно равны:
С'=8,33 пФ/м и L' =1,33 мкГн/м.
Рассчитаем период колебаний контура T1 для ОПН и
разрядника в каждой схеме по формуле 3.11. Расчет произведем для диапазона расстояний
l
между
ОПН (разрядником) и защищаемой изоляцией от 10 до 300 м:
; 20; 30; 40; 50; 60; 70; 80; 90; 100; 110; 150;
200; 250; 300 м.
Для нахождения Umax воспользуемся графиком
зависимости
и, max/ Uост =f(
/T1)
на рис. 3.11:и, max= Uост f(
/T1) (3.12)
Схема 1 (без учета емкости объекта С).
. Найдем отношение длительности фронта волны
к
периоду колебаний контура T1 для разрядника РВС-110:
=
=
=10,15
мс
(3.13)
Расчёты сведём в таблицу 3.2
Таблица 3.2 - Результаты расчётов по разряднику
РВС-110 в схеме 1
|
i
|
l
|
T1
|
Tф,р/
T1
|
Umax/
Uост
|
Umax,
кВ
|
|
1
|
10
|
1,48
|
6,87
|
1,00
|
335
|
|
2
|
20
|
2,96
|
3,43
|
1,25
|
419
|
|
3
|
30
|
4,43
|
2,29
|
1,09
|
365
|
|
4
|
40
|
5,91
|
1,72
|
1,19
|
399
|
|
5
|
50
|
7,39
|
1,37
|
1,17
|
392
|
|
6
|
60
|
8,87
|
1,14
|
1,05
|
352
|
|
7
|
70
|
10,35
|
0,98
|
1,00
|
335
|
|
8
|
80
|
11,82
|
0,86
|
1,18
|
395
|
|
9
|
90
|
13,30
|
0,76
|
1,29
|
432
|
|
10
|
100
|
14,78
|
0,69
|
1,38
|
462
|
|
11
|
110
|
16,26
|
0,62
|
1,50
|
503
|
|
12
|
150
|
22,17
|
0,46
|
1,67
|
559
|
|
13
|
200
|
29,56
|
0,34
|
1,78
|
596
|
|
14
|
250
|
36,95
|
0,27
|
1,83
|
613
|
|
15
|
300
|
44,34
|
0,23
|
1,86
|
623
|
. Найдем отношение длительности фронта волны
к
периоду колебаний контура T1 для ограничителя ОПН-110:
=
=
=7,58
мс
(3.14)
Расчеты сведем в таблицу 3.3.
Таблица 3.3 - Результаты расчётов по
ограничителю ОПН-110 в схеме 1
|
i
|
l
|
T1
|
Tф,р/
T1
|
Umax/
Uост
|
Umax,
кВ
|
|
1
|
10
|
1,48
|
5,13
|
1,00
|
250
|
|
2
|
20
|
2,96
|
2,56
|
1,13
|
283
|
|
3
|
30
|
4,43
|
1,71
|
1,19
|
298
|
|
4
|
40
|
5,91
|
1,28
|
1,17
|
293
|
|
5
|
50
|
7,39
|
1,03
|
1,00
|
250
|
|
6
|
60
|
8,87
|
0,85
|
1,20
|
300
|
|
7
|
70
|
10,35
|
0,73
|
1,35
|
338
|
|
8
|
80
|
11,82
|
0,64
|
365
|
|
9
|
90
|
13,30
|
0,57
|
1,54
|
385
|
|
10
|
100
|
14,78
|
0,51
|
1,60
|
400
|
|
11
|
110
|
16,26
|
0,47
|
1,64
|
410
|
|
12
|
150
|
22,17
|
0,34
|
1,78
|
445
|
|
13
|
200
|
29,56
|
0,26
|
1,83
|
458
|
|
14
|
250
|
36,95
|
0,21
|
1,89
|
473
|
|
15
|
300
|
44,34
|
0,17
|
1,94
|
485
|
Схема 2 (с учетом емкости объекта С).
. Найдем отношение длительности фронта волны
к
периоду колебаний контура T1 для разрядника РВС-110:
=
=
=10,15
мс
(3.15)
Расчёты сведём в таблицу 3.4
Таблица 3.4 - Результаты расчётов по разряднику
РВС-110 в схеме 2
|
i
|
l
|
T1
|
Tф,р/
T1
|
Umax/
Uост
|
Umax,
кВ
|
|
1
|
10
|
8,99
|
1,13
|
1,05
|
352
|
|
2
|
20
|
12,89
|
0,79
|
1,28
|
429
|
|
3
|
30
|
15,99
|
0,63
|
1,50
|
503
|
|
4
|
40
|
18,70
|
0,54
|
1,56
|
523
|
|
5
|
50
|
21,17
|
0,48
|
1,62
|
543
|
|
6
|
60
|
23,47
|
0,43
|
1,70
|
570
|
|
7
|
70
|
25,65
|
0,40
|
1,72
|
576
|
|
8
|
80
|
27,74
|
0,37
|
1,75
|
586
|
|
9
|
90
|
29,75
|
0,34
|
1,78
|
596
|
|
10
|
100
|
31,71
|
0,32
|
1,80
|
603
|
|
11
|
110
|
33,61
|
0,30
|
1,82
|
610
|
|
12
|
150
|
40,89
|
0,25
|
1,84
|
616
|
|
13
|
200
|
49,47
|
0,21
|
1,88
|
630
|
|
14
|
250
|
57,73
|
0,18
|
1,93
|
647
|
|
15
|
300
|
65,78
|
0,15
|
1,95
|
653
|
. Найдём отношение длительности фронта волны
к
периоду колебаний контура T1 для ограничителя ОПН-110:
=
=
=7,58
мс
(3.16)
Таблица 3.5 - Результаты расчётов по
ограничителю ОПН-110 в схеме 2
|
i
|
l
|
T1
|
Tф,р/
T1
|
Umax/
Uост
|
Umax,
кВ
|
|
1
|
10
|
8,99
|
0,84
|
1,21
|
303
|
|
2
|
20
|
12,89
|
0,59
|
1,65
|
413
|
|
3
|
30
|
15,99
|
0,47
|
1,63
|
408
|
|
4
|
40
|
18,70
|
0,41
|
1,72
|
430
|
|
5
|
50
|
21,17
|
0,36
|
1,76
|
440
|
|
6
|
60
|
23,47
|
0,32
|
1,80
|
450
|
|
7
|
70
|
25,65
|
0,30
|
1,82
|
455
|
|
8
|
80
|
27,74
|
0,27
|
1,85
|
463
|
|
9
|
90
|
29,75
|
0,25
|
1,84
|
460
|
|
10
|
100
|
31,71
|
0,24
|
1,85
|
463
|
|
11
|
110
|
33,61
|
0,23
|
1,86
|
465
|
|
12
|
150
|
40,89
|
0,19
|
1,91
|
478
|
|
13
|
200
|
49,47
|
0,15
|
1,95
|
488
|
|
14
|
250
|
57,73
|
0,13
|
1,97
|
493
|
|
15
|
300
|
65,78
|
0,12
|
1,98
|
495
|
По полученным результатам построим зависимости
Uмах на изоляции от расстояния l между изоляцией и разрядником (рис. 3.13).
Построенные зависимости позволяют сравнить
параметры рассмотренных устройств для случаев использования их в схемах
тупиковой подстанции без учета (схема 1 на рис.3.6,а) и с учетом емкости объекта
(схема 2 на рис.3.6,б).
Номера линий на графике соответствуют номерам
рассмотренных случаев, т.е. 2 и 4 линии-ОПН-110.
Рис. 3.13 - Зависимости Uмах на изоляции от
расстояния l между изоляцией и разрядником для случаев использования их в
схемах тупиковой подстанции без учёта (схема 1 на рис.3.6,а) и с учётом ёмкости
объекта (схема 2 на рис 3.6,б)
ЗАКЛЮЧЕНИЕ
По итогам проделанной работы можно сделать
следующие выводы:
Главным вопросом электроэнергетики является
анализ применения ограничителей перенапряжений в электрических сетях 0,38-110
кВ.
Актуальной является проблема защиты различного
электрооборудования и всевозможных компонентов электрических сетей от
перенапряжений.
Ограничители перенапряжений в процессе эксплуатации
показали себя как надёжные и необслуживаемые высоковольтные аппараты,
эффективно защищающие различные типы оборудования от перенапряжений.
В ходе проделанной работы была рассмотрена
проблема защиты изоляции от воздействия перенапряжений, а также разобраны
различные средства защиты, в т.ч. защитные промежутки, вентильные и трубчатые
разрядники, и особый класс защитных устройств длинно-искровые разрядники.
Наиболее надёжным и эффективным средством защиты
являются ограничители перенапряжений, имеющие возможность глубокого ограничения
коммутационных, дуговых и феррорезонансных перенапряжений, малые габариты,
позволяющие использовать их в качестве опорных изоляционных колонн, и имеющие
большую пропускную способность. Об этом свидетельствуют высокие технические
характеристики, вольт - секундные зависимости и возможность монтажа на
различного рода электроустановках с широким диапазоном номинальных и допустимых
рабочих напряжений.
В работе была оценена эффективность применения
ОПНов для ограничения перенапряжений. Для этого был проведён расчёт и построены
зависимости Uмах на изоляции от расстояния между изоляцией и разрядником в
схемах тупиковой подстанции без учёта и с учётом ёмкости объекта С при защите
изоляции ограничителем ОПН-110 и разрядником РВС-110.
При анализе применения ограничителей
перенапряжения в электрических сетях 0,38-110 кВ можно сделать вывод о
предпочтении данного вида защиты от импульсов перенапряжения по отношению к
предшествующим средствам, в силу их наибольшей эффективности и надёжности в
различных условиях работы.
БИБЛИОГРАФИЧЕСКИЙ СПИСОК
1. Таврида
Электрик. Руководство по эксплуатации и применению «Ограничители перенапряжений
нелинейные»,2007.- 48 с.
. Акимцев
Ю.И., Веялис Б.С. Электроснабжение сельского хозяйства. - М.: Колос, 1983. -384
с.
. Аронов
М.А и др. Лабораторные работы по технике высоких напряжений. - М.: Энергоиздат,
1982.-352 с.
. Правила
устройства электроустановок. - М.: Энергоатомиздат,1986.-648 с.
. Халилов
Ф.Х. Проблемы ограничения от перенапряжений электрооборудования низкого и
высокого напряжений сельского хозяйства России. Санкт - Петербург, 1996.
. Надёжность
Э.С. Система защиты ВЛ 35 кВ с защищёнными проводами от грозовых перенапряжений
и их пережога. -Энергетик,2006 г. № 10,с. 19.
. Алиев
Ф.Г., Злобинский В.Я., Халилов Ф.Х. Проблемы защиты от перенапряжений в
системах электроснабжения. Екатеринбург, Издательство «Терминал Плюс», 2001.
. Гольдштейн
В.Г., Халилов Ф.Х., Бобров В.П. Перенапряжения и защита от них в электрических
сетях 35 - 220 кВ. Самара. Издательство Самарского Государственного
Технического Университета, 2001.
. Подпоркин
Г.В., Сиваев А.Д. Новая грозозащита линий электропередачи с помощью
длинно-искровых разрядников. - Энергетик, 1997 г. № 3, с. 15 - 17.
. Оценка
эффективности ОПН. - Новости Электротехники, 2006 г. № 2.
. Конференция
в Новосибирске на тему «Перенапряжения». - Новости электротехники, 2006 г. № 5.
. Защита
от перенапряжений до 1 кВ и выше.- Новости электротехники, 2005 г. № 3, с. 80.
. Журнал
«Новости электротехники» за 2005-2006 г.
. Журнал
«Электро» за 2005-2006 г.
. Журнал
«Энергетик» за 2005-2006 г.
Приложение
1
Приложение
2
Приложение
3
Приложение
4
Приложение
5
Приложение
6
Основные технические характеристики
ОПНn-6…110 кВ
|
Наименование
параметров
|
Значение
параметров
|
|
1.
Класс напряжения
|
6
|
10
|
27
|
35
|
110
|
|
2.
Наибольшее длительно допустимое напряжение на ограничителе
|
5,5-7,2
|
10-12,5
|
30
|
38-40,5
|
73-77
|
|
3.
Номинальный разрядный ток
|
5-10
|
5-10
|
5-10
|
5-10
|
10
|
|
4.
Остающееся напряжение при грозовых импульсах тока 10 кА, не более, кВ
|
25,1
|
41,5
|
102
|
138
|
221-232
|
|
5.
Расчётный ток коммутационных перенапряжений (макс, значение), А
|
300-400
|
300-400
|
300-400
|
300-400
|
300-400
|
|
6.
Остающееся напряжение при расчётном токе коммутационных перенапряжений, кВ
|
17,6-25,2
|
29,2-34,6
|
74,1
|
94-100
|
174-184
|
|
7.
длина пути тока утечки, м
|
0,225
|
0,37
|
0,93
|
1,26
|
3,15-3,33
|
|
8.
Высота, м
|
0,225
|
0,265
|
0,485
|
0,615
|
1,05
|
|
9.
Масса, кг
|
2,2
|
2,5
|
7
|
9
|
13,5
|