Вибір та розрахунок параметрів електродвигуна
1. Короткий опис технологічного
обладнання
Кінематична схема:
До циклу роботи входять наступні
операції:
) навантаження візка;
) рух на підйом, що складається з
розгону, усталеного руху та гальмування;
) розвантаження візка;
) зворотній хід без вантажу, що
складається з розгону, усталеного руху та гальмування.
|
Вихідні данні
|
Позначення
|
Значення
|
|
Вага порожнього візка
|
G
|
кН
|
|
Вага противаги
|
GП
|
кН
|
|
Найбільша вага вантажу
|
GГ
|
кН
|
|
Діаметр колес візка
|
DK
|
м
|
|
Діаметр цапфи
|
DЦ
|
cм
|
|
Діаметр барабана
|
DБ
|
м
|
|
Момент інерції барабана
|
jБ
|
кг
м2
|
|
Швидкість візка при підйомі
|
VП
|
м/с
|
|
Швидкість візка при спуску
|
VС
|
м/с
|
|
Прискорення при підйомі
|
аУП
|
м/с2
|
|
Гальмування при підйомі
|
аЗП
|
м/с2
|
|
Прискорення при спуску
|
аУС
|
м/с2
|
|
Гальмування при спуску
|
аЗС
|
м/с2
|
|
Шлях підйому
|
L
|
м
|
|
Час завантаження
|
tO1
|
c
|
|
Час розвантаження
|
tO2
|
c
|
|
Діапазон регулювання
|
D
|
|
|
Кут нахилу шляху
|
α
|
º
|
2. Вибір двигуна
.1 Розрахунок статичних потужностей
механізму в сталих режимах
Силу тертя знайдемо за формулою:
де
- складова
сили ваги, що перпендикулярна траєкторії руху;
- радіус колеса візка;
- коефіцієнт тертя ковзання в
цапфі,
= 0,01;
- тертя кочення,
м.;
- коефіцієнт що враховує тертя
реборт коліс по рейкам,
Визначаємо складову сили
ваги, що перпендикулярна траєкторії руху:
при підйомі вантажу:
кН
при зворотному ході:
кН
Тепер визначаємо силу тертя:
при підйомі вантажу:
кН
при зворотному ході:
кН
Знаходимо силу, що необхідна
для руху візка в усталеному режимі:
при підйомі вантажу:
кН
при зворотному ході:
кН
Розраховуємо потужності
механізму в сталих режимах:
при підйомі вантажу:
кВт
при зворотному ході:
кВт
.2 Розрахунок параметрів
механічної передачі та потужності двигуна
Приймаємо двигун з
номінальною частотою обертання ротора:
Так як швидкість спуску візка
вища, розрахунок механічної передачі будемо вести за спуском. Тоді кутова
швидкість барабану:
Знаходимо передаточне число
редуктора:
Так як передаточне число
редуктора більше 25, приймаємо триступеневий редуктор (m = 3).
Визначаємо ККД елементів
системи:
а) при підйомі:
ККД зубчатої передачі
приймаємо
. ККД
редуктора становитиме:
ККД барабану приймаємо
Загальний ККД механічної
системи становитиме:
б) при спуску:
ККД механічної системи при
спуску визначимо за формулою:
де
- коефіцієнт
постійних втрат;
- коефіцієнт змінних втрат;
- коефіцієнт завантаження;
Коефіцієнт завантаження
визначаємо за формулою:
Коефіцієнт змінних втрат
визначаємо за формулою:
Коефіцієнт постійних втрат:
Тоді, ККД механізму
становитиме:
Знаходимо потужність двигуна:
При підйомі:
кВт
При спуску:
кВт
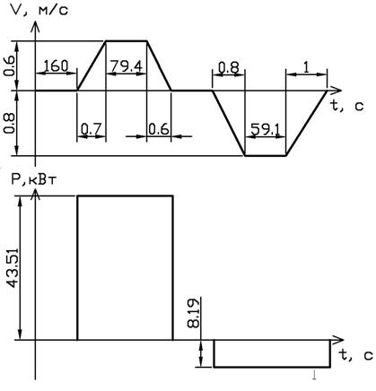
.3 Розрахунок та побудова
діаграми швидкості механізму
Знаходимо час:
розгону при підйомі:
с
гальмування при підйомі:
с
розгону при спуску:
с
- гальмування при спуску:
с
Для розрахунку часу усталеного
руху візка на підйом та на спуск знайдемо шлях, який проходить візок з
постійною швидкістю:
на підйом:
на спуск:
м
Тепер знаходимо час руху
візка з постійною швидкістю:
на підйом:
с
на спуск:
с
Знаходимо час роботи та
відпочинку механізму:
с
с
Знаходимо ПВ:
Знаходимо еквівалентну
потужність:
а) для двигуна з режимом
роботи S1:
Тоді:
кВт
б) для двигуна з режимом
роботи S3:
Тоді:
кВт
За отриманими значеннями
обираємо двигуни:
Для режиму S1 (двигун
постійного струму з незалежним збудження):
Марка двигуна - 2ПФ180МУХЛ4
Для режиму S3 (асинхронний
двигун з фазним ротором):
Марка двигуна - 4МТН280S10
.4 Розрахунок статичних та
динамічних моментів
Розрахунок будемо вести для
двигуна постійного струму. Так як двигун має номінальну швидкість 3150
, то:
, необхідно
змінити передаточне число редуктора. Приймаємо:
Так як передаточне число
редуктора залишилось в межах від 25 до 180 то число ступенів редуктора
залишається попереднім (3). Тоді і ККД системи не зміниться.
Знаходимо статичний момент
при спуску:
при підйомі:
Знаходимо момент інерції
системи:
Знаходимо кутове прискорення
двигуна:
а) розгон при підйомі:
б) гальмування при підйомі:
в) розгон при спуску:
г) гальмування при підйомі:
Знаходимо динамічні моменти:
а) розгон при підйомі:
б) гальмування при підйомі:
в) розгон при спуску:

Знаходимо еквівалентний
момент:
Знаходимо номінальний момент
двигуна:
Як бачимо, номінальний момент
двигуна є меншим за еквівалентний, що свідчить про те, що двигун не підходить.
Тому обираємо двигун марки 2ПФ180LУХЛ4 з
параметрами:
Так як редуктор залишається
триступінчатим (
), то ККД
системи при підйомі та спуску залишиться незмінним, отже і потужності при
підйомі та спуску залишаться також незмінними.
3. Розрахунок і вибір
тиристорного перетворювача
.1 Момент втрат двигуна в
номінальному режимі
Обираємо тиристорний
перетворювач реверсивного виконання з номінальним струмом 200 А, номінальною
напругою 230 В, з напругою мережі 380 В 50 Гц, що призначений для приводу
подач, однозонний, зі зворотнім зв’язком за швидкістю. Діапазон регулювання до
1000.
Типопозначення перетворювача ЭПУ1-1-4327М
УХЛ4(04)
4. Вибір трансформатора
Обираємо трансформатор марки
ТСП 63/0,7-УХЛ4 з параметрами:
5. Вибір згладжуючого
реактора
Відносна величина діючого
значення струму першої гармоніки:
де
- відносна
величина діючого значення ЕРС першої гармоніки
В
А
ротор
трансформатор асинхронний двигун
Знаходимо
:
Знаходимо індуктивність
трансформатора:
Повний опір фази трансформатора
приведений до вторинної обмотки:
Активний опір:
Ом
Індуктивний опір:
Індуктивність трансформатора:
мГн
Знаходимо
:
Знаходимо індуктивність
реактора:

Тоді фактичне значення
індуктивності кола ротора двигуна становитиме:
Знаходимо індуктивність кола
ротора, яка потрібна для того, щоб лінійний струм навантаження знаходився в
режимі безперервного струмоперетворення:
Знаходимо граничну силу
струму:
Тоді:
Так як виконується умова
, то
уточнення індуктивності реактора непотрібне.
6. Побудова механічних
характеристик
Уточнюємо моменти та
швидкості усталених режимів роботи:
спуск візка:
підйом візка:
підйом візка:
Знаходимо опір кола ротора:
Знаходимо
:
спуск візка:
підйом візка:
підйом візка з мінімальною
швидкістю:
Знаходимо кут керування
тиристорами:
- спуск візка:
підйом візка:
підйом візка з мінімальною
швидкістю:
Знаходимо граничне значення
сили струму:
спуск візка:
підйом візка:
підйом візка з мінімальною
швидкістю:
Знаходимо граничне значення
моменту:
спуск візка:
підйом візка:
підйом візка з мінімальною
швидкістю:
Знаходимо граничне значення
швидкості:
спуск візка:
підйом візка:
підйом візка з мінімальною
швидкістю:
Для побудови механічної
характеристики при спуску візка знайдемо значення моменту та швидкості при
довільному значенні сили струму. Візьмемо
А. Тоді:
Будуємо механічні
характеристики:
7. Моделювання роботи двигуна
Для моделювання системи
складаємо схему моделювання:
та отримуємо графіки:

Так як двигун має номінальну
швидкість
, то необхідно
провести уточнення передатного числа редуктора:
При використанні асинхронного
двигуна з фазним ротором застосуємо регулювання швидкості за допомогою
додаткових резисторів в колі ротора двигуна. Їх розрахунок будемо вести
графічним методом.
Знаходимо номінальне ковзання
двигуна:
Знаходимо номінальний момент
двигуна:
Задавши
знайдемо

. Приймаємо
та
знаходимо
:
де m = 2 - кількість
ступеней дотаткових резисторів.
Знаходимо
:
За розрахованими даними
будуємо графік:
З механічних характеристик
характеристик отримуємо:
аб = 2,17
бв = 3,04
вг = 8,26
Знаходимо опір додаткових резисторів
за формулами:
Визначаємо номінальний опір:
Та знаходимо значення опорів
резисторів:
Перевірку можна здійснити за
умовою виконання рівності:
Знаходимо опір ротора:
Та перевіряємо умову:
Використання такого двигуна
для електроприводу передбачає менші капітальні витрати, але при цьому вноситься
похибка в значення швидкостей та прискорень візка, зростають витрати
електроенергії. Тому більш доцільним є використання системи «Тиристорний
перетворювач - двигун», що розрахована вище.
Висновок
В результаті виконаної роботи
ми спроектували дві системи електроприводу:
. Система «Тиристорний
перетворювач - двигун», що має добрі експлуатаційні показники (висока точність
відповідності швидкостей та прискорень візка, високий ККД системи) однак має
велику вартість.
. Асинхронний двигун з фазним
ротором та регулювання швидкості за допомогою додаткових резисторів у колі
ротора. Такий варіант є значно дешевшим, однак має неточне регулювання
швидкості візка, не має взагалі можливості регулювання прискорень візка та
працює з нижчим ККД.
Список літератури
1. Теорiя
електропривода. Пiдручник /М.Г. Попович, М.Г. Борисюк, В.А. Гаврилюк та iн.; За
ред. М.Г. Поповича. -К.: Вища школа, 1993.-494 с.
2. Комплектные
тиристорные электроприводы: Справочник /И.Х. Евзеров, А.С. Горобец, Б.И.
Мошкович и др.; Под ред. В.М. Перельмутера. - М.: Энергоатомиздат, 1988. - 319
с.
. Справочник
по электрическим машинам: В 2 т. /Под общ. ред. И.П. Копылова и Б.К. Клокова. -
М.: Энергоатомиздат. Т. 1. - 1988. - 456 с., Т.2. - 1989. - 688 с.
. Яуре
А.Г. Певзнер Е.М. Крановый электропривод: Справочник. - М.: Энергоатомиздат,
1988. - 344 с.