Расчет сварной колонны
Содержание
Введение
. Исходные данные
.1 Проектирование сплошной колонны
.2 Проектирование сквозной колонны
.2.1 Расчет относительно
материальной оси X
.2.2 Расчет относительно свободной
оси Y
. Сравнение вариантов
. Определение размеров опорной плиты
.1 Расчет и конструирование траверсы
.2 Расчет и конструирование ребра
жесткости
.3 Конструирование оголовка колонны
.4 Расчет сварочных швов
.5 Проверка принятого расчетного
сопротивления бетона
Заключение
Библиографический список
Введение
Колонны называют вертикальный элемент передающий
нагрузку от балок на фундамент.
Колонны состоят из трех основных конструктивных
элементов: оголовок - он воспринимает нагрузку; стержень - несет нагрузку; база
(башмак) - передает давление на фундамент.
Ветви стержня могут соединяться планками и
раскосной решеткой, стержни могут быть сквозными и сплошными.
Тип колонны выбирают от нагрузки и высоты, так
как колонны работают на сжатие, они проверяются не только на прочность, но и на
устойчивость, при выборе сечения стержня стремятся к равноустойчивости колонны
в главных плоскостях.
Наиболее простые в изготовлении являются
сквозные колонны с безплоскостной решеткой в виде планок, но при значительных
нагрузках и габаритных размерах сечения такая конструкция становится
недостаточно жесткой, из-за деформации планок и самих ветвей.
Расчет колонн, как и балок, включает в себя
предварительный подбор сечений и его окончательную проверку. Предварительный
набор стержня сплошной колонны осуществляют в следующем порядке:
определяют расчетную сжимающую нагрузку.
устанавливают расчетную схему колонны исходя из
предложено конструкции базы и оголовка.
определяют требуемую площадь поперечного
сечения.
определяют радиусы инерции и расчетную длину
колонны и их гибкость.
используют приближенные зависимости радиусов
инерции от конфигурации сечения.
компонуют сечение балки, подбирают толщину
стенки поясных листов.
1. Исходные данные
Вариант 13
F=2000kH
H=6м
µ=1
Сталь ВСт3пс
.1 Проектирование сплошной колонны
Расчетная длина колонны:
Требуемая площадь поперечного
сечения колонны:
,
где Ry=240H/мм2
- расчетное сопротивление стали;
- коэффициент продольного изгиба в
первом приближении, соответствующий гибкости
Определяем габариты поперечного
сечения колонны
Радиус инерции:
Габариты поперечного сечения:
- коэффициенты поперечного сечения
колонн
Принимаем с учетом сортамента на
листовой прокат b=hw=320mm
Подбираем толщину стенки и поясов
поперечного сечения колонны:
.
По сортаменту на листовой прокат
принимаем tw=8мм.
Тогда на долю поясов приходится
площадь:
Требуемая толщина одного пояса
составит:
По сортаменту на листовой прокат
принимаем tf=16mm
Проверяем подобранное поперечное
сечение колонны
Фактическая площадь:
Минимальный момент инерции:
Минимальный радиус инерции:
Наибольшая гибкость:
Условие гибкости:
При
Значение
и
отличается
друг от друга, следовательно:

Прочность поперечного сечения
колонны обеспеченна, так как перегрузка не превышает 5%
Проверяем условие обеспечения
устойчивости стенки и поясов поперечного сечения при условии гибкости
,
следовательно, укрепление стенки
продольными ребрами жесткостями не требуется так как:
,
то и поперечных ребер жесткости так
же не надо
Устойчивость поясов проверяется
неравенством:
В нашем случае:
,
то есть устойчивость поясов
обеспечена
Примечание:
При большой разнице между значениями
и
следует
определить их среднеарифметическое значение
и сделать перерасчет.
Рисунок 1 Поперечное сечение
сплошной колонны
.2 Проектирование сквозной колонны
Проектируем сквозную колонну,
стержень которой состоит из двух швеллеров.
.2.1 Расчет относительно
материальной оси X
Задаемся, как и раньше
. По
полученной площади поперечного сечения А=10416 и используя сортамент фасонного
проката подбираем два швеллера с суммарной площадью A=2Aw=2*53,4=106,8см2=10680мм2
и с радиусом инерции ix=142мм
Тогда гибкость:
Условная гибкость:
, где Ry=240Н/мм2
Коэффициент:
Напряжение:
Прочность подобранного сечения
колонны обеспечена.
.2.2 Расчет относительно свободной
оси Y
Определяем ширину поперечного
сечения колонны из условия ее равной устойчивости
Предварительно задаемся гибкостью
ветви
Гибкость:
Радиус инерции:
Требуемое расстояние между обушками
швеллеров с полками, ориентированными внутрь
. Это расстояние должно быть не
менее удвоенной ширины полки швеллера плюс зазора 100мм для возможности очистки
и окраски ветвей стрежня колонны с внутренней стороны
*100+100=320<470 -
расчетная ширина приемлема
Рисунок 2 Поперечное сечение
сквозной колонны
Производим окончательную проверку
подобранного поперечного сечения сквозной колонны. По сортаменту на фасонный
прокат для швеллера №36 выбираем: момент инерции относительно собственной оси Y Iy0=513*104мм4
.Радиус инерции относительно собственно оси Y iy0=31мм=ib. Расстояние
от обушка до собственной оси Y z0=26,8мм
Момент инерции всего сечения колонны
относительно общей оси Y:

Расчетная длина ветви:
Принимаем расстояние между планками
в свету 900мм
Радиус инерции всего поперечного
сечения колонны:
гибкость:
приведенная гибкость:
Полученное значение приведенной
гибкости, чем значение гибкости относительно оси Х, то есть
,
следовательно, проверка напряжений не требуется.
Производим расчет планок
Ширина планки а=(0,5…0,75);b=(0,5…0,75)470=235…325.
Принимаем а=300мм.
Толщина планки t=6…12мм;
принимаем t=12мм
Планки заводят на
Должны соблюдаться условия
и
; в нашем
случае:
и
Отношение жёсткостей планки и ветви
стержня:
,
то есть деформацией планок можно
пренебречь.
Рисунок 3 Расположение планок на
стержне колонны
2. Сравнение вариантов и выбор
конструкции стержня колонны
Для окончательного выбора варианта
конструкции стержня колонны сравниваем площадь их поперечного сечения. Площадь
поперечного сечения сплошной колонны: А=10416мм2. Площадь
поперечного сечения сквозной колонны:
Предпочтение отдаем варианту
сквозного поперечного сечения колонны, так как его площадь меньше и,
следовательно, экономичнее по расходу материала и менее трудоемкая.
3. Определение размеров опорной
плиты
Расчетная сила давления на фундамент
с учетом веса колонны:
,
где
-плотность стали;
-коэффициент
надежности.
Задавшись коэффициентом,
сопротивление бетона
, определяем
расчетное сопротивление бетона:
Требуемая площадь опорной плиты:
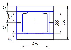
Принимаем ширину плиты: Bpl=560мм
При толщине листов траверсов: ttr=10мм
Тогда размер выпуска:
Требуемая длина плиты:
Принимаем Lpl=610мм,
тогда выпуск плиты за пояс стержня:
Рисунок 4 Опорная плита вместе со
швеллерами в плане
Участок закрепленный по четырем
сторонам(внутри стержня колонны), имеет размеры:
a1=b-2d=110-2*7,5=95мм,
где d-толщина
стенки швеллера
b1=h=360мм, где h-высота
швеллера
Участок, закрепленный по трем
сторонам(между листами траверсы), имеет размеры:
a2=0,5(Lpl-b)=0,5(610-110)=250мм,
где b-ширина
поперечного сечения стержня, Lpl-длина
опорной плиты:
b2=b1=h=360=360=360мм
При расстановке ребер жесткости:
b1=0,5b1=0,5*360=180мм
Определяем толщину плиты
Среднее напряжение в бетоне:
На участках опертых по четырем
сторонам(внутри поперечного сечения стрежня колонны):
b=0,5(b1-tw)=0,5(360-8)=176мм;
a=95 и
. По таблице
определяем:
Величина изгибающего момента на этом
участке составит:
На участках опертых по трем сторонам
(между листами траверсы и поясом стержня колонны):
a1=95мм; b1=360мм и
. По таблице
определяем
.
Величина изгиба момента на этом
участке составит:
На консольных участках величины
изгибающего момента составит:
Вследствие большой разницы между
моментами М1, М2, М3, предусматриваем
укрепление ребрами жесткости толщиной ts=10мм
Рисунок 5 Опорная плита вместе со
швеллером и ребрами жесткости в плане
Тогда b1=0,5(b1-ts)=0,5(360-10)=175мм
и
.
По таблице выбираем
. Изгибающий
момент на этом участке составит:
Максимальный изгибающий момент:
Толщина плиты:
По таблице принимаем толщину плиты: tpl=16мм
.1 Расчет и конструирование траверсы
Принимаем катет сварных швов k=8мм. Тогда
при четырех сварных швах необходимая высота траверсы:
Принимаем htr=500мм
Проверяем прочность траверсы на
изгиб и срез.
Нагрузка на единицу одного листа
траверсы:
Изгибающий момент в месте приварки
траверсы к колонне:
Поперечная сила в месте приварки
траверсы к колонне:
Момент сопротивления листа траверсы:
Нормальное напряжение в сечении
траверсы:
Касательное напряжение в сечении
траверсы:
Прочность траверсы обеспечена.
\
Рисунок 6 Траверса
3.2 Расчет конструирование ребра
жесткости
Нагрузка на единицу длины ребра:
Изгибающий момент в месте проварки
ребра:
Поперечная сила в местах приварки
ребра:
Требуемая высота ребра:
Принимаем высоту ребра hs=180мм по
таблице.
Касательное напряжение:
Прочность ребра жесткости
обеспечена.
Рисунок 7 Ребро жесткости
.3 Конструирование оголовка колонны
Оголовок колонны представляет собой
плиту, на которой располагается выше лежащий балки. Размеры оголовка зависят от
поперечного сечения стержня колонны и назначаются конструктивно.
Рисунок 8 Оголовок
Толщину оголовка принимаем равной
толщине опорной плиты - 16мм. Выпуск оголовка за стержень колонны принимаем
60мм с каждой стороны.
3.4 Расчет сварных швов
Швы, прикрепляющие ребро к колонне
проверяем по результирующему напряжению:
Швы, прикрепляющие элементы базы к
плите определяем по катету.
Катет шва, прикрепляющего траверсу:
Катет шва, прикрепляющий ребро
жесткости:
Принимаем катеты швов в соответствии
с толщиной плиты kf=8мм.
Такого же катета назначаем швы,
прикрепляющие к плите пояса и стенку стержня колонны, а так же и оголовок к
стержню колонны.
.5 Проверка прочности расчетного
сопротивления бетона
Размеры верхнего обреза фундамента
принимаем на 300мм больше размеров опорной плиты.
Тогда длина обреза фундамента:
Lf=Lpl+300=610+300=910мм
Ширина обреза фундамента:
Bf=Bpl+300=560+300=860мм
Коэффициент:
Полученный коэффициент не отличается
от принятого ранее, следовательно, все конструктивные решения и расчеты верны.
Заключение
В данном курсовом проекте
предоставлен расчет сварной колонны и выбран ее геометрические параметры.
колонна жесткость бетон сварочный
Библиографический список
1. Овчинников В.В. Расчет и
проектирование сварных конструкций: учебник для студ. учреждений сред. проф.
образований / В.В. Овчинников. - М.: Издательский центр « Академия » 2010. -
256с.