|
C
|
Si
|
Mn
|
S
|
P
|
Cr
|
Ni
|
|
0,09-0,15
|
0,17-0,37
|
0,3-0,6
|
≤
0,025
|
≤
0,025
|
1,25-1,65
|
3,25-3,65
|
Таблица 1.3 - Технологические свойства материала
12Х2Н4А
|
Свариваемость
|
Ограниченно
свариваемая. Способы сварки: РД, РАД, АФ и КТ.
|
|
Обрабатываемость
резанием
|
После
отпуска при 183-187 НВ KV=1,25 (твердый сплав), KV=0,95 (быстрорежущая сталь)
|
|
Флокеночувствительность
|
Чувствительна
|
|
Склонность
к отпускной хрупкости
|
Склонна
|
Таблица 1.4 - Механические свойства при
комнатной температуре материала 12Х2Н4А
|
Режим
термообработки
|
Сечение,
мм
|
σ0,2,
Н/мм2
|
σВ, Н/мм2
|
δ,
%
|
ψ,
%
|
KCU,
Дж/см2
|
HB
|
|
Операция
|
t,°C
|
Охлажд.
среда
|
|
не
менее
|
|
|
Отпуск
|
630-650
|
Воздух
|
Свыше
5
|
Не
определяются
|
≤269
|
|
Закалка
I Закалка II Отпуск
|
860
760-800 180
|
Масло
Масло Воздух или масло
|
До
80 81-150 Свыше 150
|
930
9 30 9 30
|
1130
1130 1130
|
10
8 7 7
|
50
45 40
|
88
79 75
|
_
|
2. Выбор заготовки
.1 Обоснование и выбор заготовки
Заготовку выбираем, исходя из минимальной
себестоимости готовой детали для заданного годового выпуска. Чем больше форма и
размеры заготовки приближаются к форме и размерам готовой детали, тем дороже
она в изготовлении, но тем проще и дешевле ее последующая механическая
обработка и меньше расход материала. (стр. 386 [2])
При изготовлении детали «Шестерня привода
топливного насоса ведомая» наиболее целесообразным представляется применение
заготовок, получаемых ковкой металла на ГКМ (горизонтально-ковочной машине).
Область применения данного метода - серийное и массовое производство. (стр. 249
[2])
Штамповка на кривошипных прессах в 2…3 раза
производительнее по сравнению со штамповкой на молотах, припуски и допуски
уменьшаются на 20…35%, расход металла снижается на 10…15%. (стр. 27 [3])
.2 Вычисление коэффициента использованного
материала
Рисунок 2.1 - Исходная заготовка
Масса детали
.
Масса заготовки
.
Коэффициент использования материала
или 49,1%.
Коэффициент Ким должен стремиться к
1, он мал, следовательно материал использован неэффективно.
Конструктивная характеристика
поковок:
класс точности - Т4 или Т5,
группа стали - М1 - сталь с массовой
долей углерода до 0,35% включительно и суммарной массовой долей легирующих
элементов до 2,0% включительно,
степень сложности - С2,
конфигурация поверхности разъема
штампа - Ис - симметрично изогнутая.
Получаем исходный индекс 12. (стр.
254-257 [2])
3. Разработка операционной
технологии
Операционную технологию
разрабатывают с учетом места каждой операции в маршрутной технологии. К моменту
проектирования каждой операции известно, какие поверхности и с какой точностью
были обработаны на предшествующих операциях, какие поверхности и с какой
точностью нужно обрабатывать на данной операции.
Проектирование операции связано с
разработкой их структуры, с составлением схем наладок, расчетом настроенных
размеров и ожидаемой точности обработки, с назначением режимов обработки,
определением нормы времени и сопоставлением ее с тактом работы (в поточном
производстве). При расчетах точности и проверки производительности может
возникнуть необходимость в некоторых изменениях маршрутной технологии, выбора
оборудования, содержания операции или условий ее выполнения.
Операционная технология позволяет
выдать задание на конструирование специального оборудования, средств
механизации и автоматизации, на разработку средств технологического оснащения и
метрологического обеспечения процесса.
Проектирование операции - задача
многовариантная; варианты оценивают по производительности и себестоимости,
руководствуясь технико-экономическими принципами проектирования, имея в виду
максимальную экономию и высокую производительность. (стр. 388 [2])
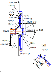
3.1 Выбор методов обработки
поверхностей
Рисунок 3.1 - Установление позиций
поверхностей детали
Таблица 3.1 - Методы обработки
поверхностей детали
|
№
пов
|
Методы
обработки
|
|
предварительные
|
окончательные
|
|
1
|
ТЧе
+ Ц+ ТЧе+ ТЧи
|
покрытие
+ консервация
|
|
2
|
ТЧе+Ц+
ТЧе+ ТЧи
|
покрытие
+ консервация
|
|
3
|
ТЧе+Ц+
ТЧи+Ш
|
покрытие
+ консервация
|
|
4
|
ТЧе+Ц+
ТЧи+Ц
|
покрытие
+ консервация
|
|
5
|
ТЧи
+ Ш+Ц
|
покрытие
+ консервация
|
|
6
|
ТЧе
+ Ш+Ц+ ТЧи+Ш
|
покрытие
+ консервация
|
|
7
|
ТЧе
+ Ш+Ц+ ТЧи+Ш
|
покрытие
+ консервация
|
|
8
|
ТЧе
+ Ш+Ц+ ТЧе+ ТЧи
|
покрытие
+ консервация
|
|
9
|
ТЧе+Ц+
ТЧе+ ТЧи
|
покрытие
+ консервация
|
|
10
|
ТЧе+Ц+
ТЧе+ ТЧи
|
покрытие
+ консервация
|
|
11
|
ТЧе
+ Ш+Ц+ ТЧи
|
покрытие
+ консервация
|
|
12
|
ТЧе
+ Ш+Ц+ ТЧи+Ш
|
покрытие
+ консервация
|
|
13
|
ТЧе+Ц+
ТЧи+Ш
|
покрытие
+ консервация
|
|
14
|
ТЧе+Ц+
ТЧи
|
покрытие
+ консервация
|
|
15
|
ТЧе
+ Ш+Ц+ ТЧи+Ц
|
покрытие
+ консервация
|
|
16
|
фрезерование+Ц+Ш
|
покрытие
+ консервация
|
|
17
|
Ц+
ТЧи+фрезерование
|
покрытие
+ консервация
|
|
18
|
Ц+
ТЧи
|
покрытие
+ консервация
|
|
19
|
Ц+
ТЧи
|
покрытие
+ консервация
|
|
20
|
Ц+
ТЧи
|
покрытие
+ консервация
|
|
21
|
Ц+
ТЧи
|
покрытие
+ консервация
|
|
22
|
Ц+
ТЧи
|
покрытие
+ консервация
|
|
23
|
Ц+
ТЧи
|
покрытие
+ консервация
|
|
24
|
Ц+
ТЧи
|
покрытие
+ консервация
|
|
25
|
Ц+
ТЧи
|
покрытие
+ консервация
|
|
26
|
Ц+
фрезерование
|
покрытие
+ консервация
|
|
27
|
Ц+
сверление
|
покрытие
+ консервация
|
|
28
|
Ц+
сверление
|
покрытие
+ консервация
|
|
29
|
Ц+
долбление шлицов
|
покрытие
+ консервация
|
Ц - цементация,
Ш - шлифование,
ТЧе - точение черновое,
ТЧи -точение чистовое,
Ф - фрезерование.
.2 Установление этапов обработки поверхностей
Таблица 3.2 - Этапы обработки поверхностей
|
№
п
|
Этапы
обработки
|
|
1
|
2
|
3
|
4
|
5
|
6
|
7
|
8
|
9
|
|
1
|
ТО
|
ТЧе
|
|
ц е м е н т а ц и я
|
ТЧе
|
|
ТЧи
|
п о к р ы т и е
|
к о н с е р в а ц и я
|
|
2
|
|
ТЧе
|
|
|
ТЧе
|
|
ТЧи
|
|
|
|
3
|
|
ТЧе
|
|
|
ТЧи
|
|
Ш
|
|
|
|
4
|
|
ТЧе
|
|
|
ТЧи
|
Ц
|
|
|
|
|
5
|
|
ТЧи
|
Ш
|
|
|
Ц
|
|
|
|
|
6
|
|
ТЧе
|
Ш
|
|
ТЧи
|
|
Ш
|
|
|
|
7
|
|
ТЧе
|
Ш
|
|
ТЧи
|
|
Ш
|
|
|
|
8
|
|
ТЧе
|
Ш
|
|
ТЧе
|
|
ТЧи
|
|
|
|
9
|
|
ТЧе
|
|
|
ТЧе
|
|
ТЧи
|
|
|
|
10
|
|
ТЧе
|
|
|
ТЧе
|
|
ТЧи
|
|
|
|
11
|
|
ТЧе
|
Ш
|
|
ТЧи
|
|
|
|
|
|
12
|
|
ТЧе
|
Ш
|
|
ТЧи
|
|
Ш
|
|
|
|
13
|
|
ТЧе
|
|
|
ТЧи
|
|
Ш
|
|
|
|
14
|
|
ТЧе
|
|
|
ТЧи
|
|
|
|
|
|
15
|
|
ТЧе
|
Ш
|
|
ТЧи
|
Ц
|
|
|
|
|
16
|
|
|
Ф
|
|
|
Ц
|
Ш
|
|
|
|
17
|
|
|
|
|
ТЧи
|
|
Ф
|
|
|
|
18
|
|
|
|
|
|
|
ТЧи
|
|
|
|
19
|
|
|
|
|
|
|
ТЧи
|
|
|
|
20
|
|
|
|
|
|
|
ТЧи
|
|
|
|
21
|
|
|
|
|
|
|
ТЧи
|
|
|
|
22
|
|
|
|
|
|
|
ТЧи
|
|
|
|
23
|
|
|
|
|
|
|
ТЧи
|
|
|
|
24
|
|
|
|
|
|
|
ТЧи
|
|
|
|
25
|
|
|
|
|
|
|
ТЧи
|
|
|
|
26
|
|
|
|
|
|
|
Ф
|
|
|
|
27
|
|
|
|
|
|
|
сверление
Чи
|
|
|
|
28
|
|
|
|
|
|
|
долбить
шлицы
|
|
|
|
29
|
|
|
|
|
|
|
ТЧи
|
|
|
4. Разработка маршрутной технологии и расчет
операционных размеров
.1 Разработка маршрутной технологии
При разработке маршрутной технологии всю
механическую обработку распределяют по операциям и, таким образом, выявляют
последовательность выполнения операций и их число. В условиях конкретного
производства для каждой операции выбирается оборудование и определяется
конструкторская схема приспособления.
В маршрутной технологии также предусматривается
контроль с целью технологического обеспечения заданных параметров качества
обрабатываемой детали. При этом объект контроля и его место назначается после
тех операций, при которых точность обеспечивается наиболее трудно. [4]
Маршрутная технология механической обработки
Шестерня привода топливного насоса ведомая включает в себя следующие операции:
Операция 5 - Термообработка
Операция 30 - Промывка
Операция 35 - Слесарная
Операция 40 - Промывка
Операция 45 - Контрольная
Операция 65 - Слесарная
Операция 70 - Промывка
Операция 75 - Контрольная
Операция 100 - Фрезерная

Операция 110 - Сверлильная Операция
115 - Сверлильная
Операция 120 - Шлифовальная Операция 125
- Шлицедолбежная
Операция 130 - Промывка
Операция 145 - Зубошлифовальная
Операция 150 - Контроль на растрескивание
Операция 155 - Слесарная
Операция 160 - Промывка
Операция 165 - Магнитный контроль
Операция 170 - Промывка
Операция 175 - Контрольная
Операция 180 - Контрольная
Операция 195 - Контрольная
Операция 200 - Консервация
.2 Расчет операционных размеров
В данном курсовом проекте для упрощения
производится расчет только длиновых линейных технологических размеров.
Расчет производится согласно теории размерных
цепей. Опираясь на план технологического процесса, составляется совмещенная
схема, на которой указываются обрабатываемые поверхности, конструкторские,
технологические размеры и припуски на обработку.
Рисунок 4.1 - Совмещенная схема
механической обработки
Далее согласно теории графов составляется
размерный граф. По нему определяются расчетные уравнения: размеров и допусков.
Операционные допуски назначаются на операционные размеры в зависимости от
точности механической обработки.
Рисунок 4.2 - Граф размерной цепи
Уравнения размерной цепи
,
,
,
,
,
,
,
,
,
,
,
,
,
,
,
,
,
,
,
,
,
,
,
,
.
Неравенства допусков
а.
,
а.
,
а.
,
а.
,
а.
,
а.
,
а.
,
а.
,
а.
,
а.
,
а.
,
а.
,
а.
,
а.
,
а.
,
а.
,
а.
,
а.
,
а.
,
а.
,
а.
,
а.
,
а.
,
а.
,
а.
.
Вычисляем припусков и рассеяния
припусков и заносим в таблицу 4.1.:
а.
,
а.
,
а.
,
а.
,
а.
,
а.
,
а.
,
а.
,
а.
,
а.
,
а.
,
а.
,
а.
;
,
,
,
,
.
Значения допусков операционных,
конструкторских размеров и припусков приведены в таблице 4.1. [5]
Таблица 4.1 - Численные значения
допусков, припусков и рассеяния припусков
|
0,74мм 0,4мм
|
|
|
|
|
0,28мм 2,2мм
|
|
|
|
|
0,6мм 2мм
|
|
|
|
|
0,4мм 2мм
|
|
|
|
|
0,2мм 2мм
|
|
|
|
|
0,2мм 7,07мм
|
|
|
|
|
0,12мм 4,41мм
|
|
|
|
|
0,4мм 0,78мм
|
|
|
|
|
0,6мм 5,2мм
|
|
|
|
|
0,5мм 1,25мм
|
|
|
|
|
0,5мм 0,79мм
|
|
|
|
|
0,6мм 2мм
|
|
|
|
|
0,39мм 0,43мм
|
|
|
|
|
0,46мм 1,33мм
|
|
|
|
|
0,39мм 0,76мм
|
|
|
|
|
0,33мм 0,74мм
|
|
|
|
|
0,21мм 0,75мм
|
|
|
|
|
0,33мм 0,47мм
|
|
|
|
|
0,46мм 0,1мм
|
|
|
|
|
0,2мм 0,03мм
|
|
|
|
|
0,22мм 0,06мм
|
|
|
|
|
0,27мм 0,03мм
|
|
|
|
|
0,54мм 0,05мм
|
|
|
|
|
0,6мм 0,05мм
|
|
|
|
|
0,5мм 0,05мм
|
|
|
|
|
0,2мм 0,05мм
|
|
|
|
|
0,52мм 0,05мм
|
|
|
|
|
0,5мм 0,05мм
|
|
|
|
|
0,6мм 0,05мм
|
|
|
|
|
0,08мм 0,015мм
|
|
|
|
|
0,2мм 0,015мм
|
|
|
|
|
0,12мм
|
|
|
|
Решение уравнений размерной цепи
из (4)
;
из (5)
;
из (6)
;
из (7)
;
из (9)
;
из (10)
;
из (11)
;
из (12)
;
из (8)
;
из (2)
;
из (3)
;
из (1)
;
из (18)
;
из (22)
;
из (23)
;
из (24)
;
из (21)
;
из (15)
;
из(14)
;
из (17)
;
из (20)
;
из (19)
;
из (25)
;
из (16)
;
из (13)
Таблица 4.2- рассчитанные
операционные размеры
5. Разработка операционной технологии
В данном курсовом проекте разрабатывается
операционная технология на 2 операции - 90 Токарная и 120 Шлифовальная
.1 Расчет операции 90 Токарная
Расчет режимов резания
Выберем токарно-револьверный одношпиндельный
станок 1Е125П; мощность главного привода 4 кВт. (стр. 12, табл.2 [6[)
Расшифровка 1Е125П:
- станок токарный; Е - модификация станка; 1 -
одношпиндельный; 25 - наибольший диаметр обрабатываемого прутка; П - повышенной
точности.
Выбор режущего материала
Исходя из материала детали - 12Х2Н4А-Ш
конструкционно легированная сталь, выберем материал резца Р18К5Ф2. (стр. 178,
табл.2 [6])
Исходя из метода обработки - чистовое точение,
выберем твердый сплав Т15К6. (стр. 180, табл. 3 [6])
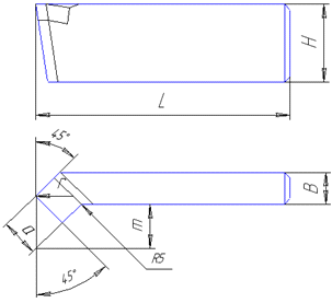
Токарный проходной резец с пластинами из
быстрорежущей стали (ГОСТ 18868-73) (стр. 186, табл. 4 [6])
Рисунок 5.1 - Токарный проходной отогнутый резец
|
H
|
B
|
L
|
m
|
a
|
r
|
|
16
|
10
|
100
|
6
|
10
|
0,5
|
.Глубина резания t: при чистовом точении припуск
срезается за 2 прохода и более. На каждом последующем проходе следует назначать
меньшую глубину резания, чем на предыдущем. При параметре шероховатости
обработанной поверхности Ra ≥0,8 мкм, глубина резания
t= 0,l ÷ 0,4 мм.
Назначаем t=0,4 мм при Rz = 20
.Подача S: при чистовом точении выбирается в
зависимости от требуемых параметров шероховатости и радиуса при вершине резца.
При Rz=20; t=0,4 мм; s= 0,25мм /об. (стр. 366,
табл. 14 [6])
.Скорость резания
- в общем случае;
- скорость резания при отрезании и
фасонном точении.
Среднее значение стойкости Т при
одноинструментной обработке - 30-60 мин. Примем Т = 60 мин.
Коэффициент Сv и показатели степени
m и y:
при отрезании Cv = 350, при подаче
до 0,3 мм/об
= 0,15; y = 0,2; m = 0,2. ([стр.
367, табл. 17 [6])
Коэффициент Кv является
произведением коэффициентов, учитывающих влияние материала заготовки КMV,
состояния поверхности Кпv, материала инструмента Киv.
= 1*(750/1130)1 = 0,6637. (стр. 359,
табл. 1 [6])
Кпv = 1,0 - без корки. (стр. 361,
табл.5 [6])
Киv = 1,0 - сталь конструкционная
Т15К6.
.
.
.Сила резания
Силу резания, Н, принято
раскладывать на составляющие силы, направленные по осям координат станка
(тангенциальную Рz, радиальную Py и осевую Px). При наружном продольном и
поперечном точении, растачивании, отрезании, прорезании пазов и фасонном
точении эти составляющие рассчитывают по формуле
.
Значения коэффициента Cp и
показателей степеней x, y,
(стр. 372, табл. 22 [6]):
Ср х
у n
Р7 200 1 0,75
0
Ру 125 0,9 0,75 0
Рх 67 1,2 0,65
0
; - поправочный коэффициент.
, коэффициент, учитывающий влияния
качества обрабатываемого материала на силовые зависимости (стр.362, табл.9
[6]),
где
- предел выносливости 12Х2Н4А-Ш;-
показатель степени для твердого сплава. (стр. 362, табл. 9 [6])
Kφp, Kγp, Kλp, Kгр -
коэффициенты, учитывающие фактические условия резания. (стр. 374, табл. 23 [6])
Pz Kφp = l,0
Kγp=1,0 Kλp=l,0 Krp=0,87
Py Kφp = 1,0
Kγp=l,0 Kλp=l,0 Krp=0,66
Px Kφp = 1,0
Kγp=1,0 Kλp=l,0 Krp=l,0
φ = 45°, γ = 20°, λ=0°, r=0,5 mm.
Рассчитаем значения коэффициентов
Kp:
,
,
.
Подставив полученные значения в
формулу, получим:
,
,
.
.Мощность резания
, отсюда делаем вывод, что станок
1Е125П подходит.
Частота вращения шпинделя
. Расчет штучного времени:
Нвр = Тшт + Тпз/n,
где Тшт - норма штучного времени;
Тпз - норма подготовительного
заключительного времени;- количество деталей в партии запуска.
Тшт = То + Тв + Тo6.отд =
0,02+0,330+0,01 =0,36
где То - основное время;
Тв - вспомогательное время;
Тоб - время на обслуживание рабочего
места;
Тот - время на перерыв и отдых;
Основное время рассчитывается по
формуле:
;
где
- расчетная длина обработки в
направлении подачи, мм;- число рабочих ходов в переходе;
- минутная
подача инструмента внаправлении подачи, мм/мин.
где
- подача на один оборот детали,
мм/об,
- число
оборотов шпинделя, об/мин.
Время на обслуживание рабочего места
рассчитывается по формуле [5]:
Тоб =Ттех +Торг
где Торг - время на организацию
обслуживания;
Вспомогательное время обработки
рассчитывается по формуле [5]:
Тв = Ту.с.+Тз.о.+Туп+Тиз =
0,33+0,33+0,41+0,5 = 1,57 мин
где Ту.с. - время на установку и
снятие;
Тзо - время на закрепление и
открепление;
Туп - время на управление;
Тиз - время на измерения.
Время на отдых и обслуживание
Тоб.отд = 1,57*0,06 = 0,094 мин
Тп-з = 6мин
Нвр =
мин.
.2 Расчет операции 120 Шлифовальная
Выберем станок 3А110В - кругошлифовальный
станок высокой точности . Мощность электродвигателя главного движения 2,2 кВт.
(стр 42, табл. 20 [6]).
Исходя из материала детали -
12Х2Н4А-Ш конструкционно легированная сталь, выберем шлифовальный материал
Корунд 92Е. (стр. 337, [6])
Скорость круга
, (стр 438, табл. 130 [6]).
Примем
.
Скорость заготовки
, (стр 438, табл. 130 [6]).
Примем
.
Радиальная подача.
, (стр 438, табл. 130 [6]).
Примем
.
Эффективная мощность при врезном
шлифовании периферией круга
,
отсюда делаем вывод, что станок
3А110В подходит.
где d - диаметр шлифования, мм; b -
ширина шлифования, мм, равная длине шлифуемого участка заготовки при круглом
врезном шлифовании.
Зернистость 50
Твердость С1
Значения коэффициента
и
показателей степеней r, x, y, q, z
(стр. 441, табл. 131 [6]):
r
х у q z
0,14 0,8 0,8
- 0,2 1,0
Расчет штучного времени
Нвр = Тшт + Тпз/n,
где Тшт - норма штучного времени;
Тпз - норма подготовительного
заключительного времени;- количество деталей в партии запуска.
Тшт = То + Тв + Тo6.отд =
0,894+1,57+0,094 =2,558
где То - основное время;
Тв - вспомогательное время;
Тоб - время на обслуживание рабочего
места;
Тот - время на перерыв и отдых;
Основное время расчитывается по
формуле:
;
где
- расчетная длина обработки в
направлении подачи, мм;- число рабочих ходов в переходе;
- минутная
подача инструмента в направлении подачи, мм/мин.
где
- подача на один оборот детали,
мм/об,
- число
оборотов шпинделя, об/мин.
Время на обслуживание рабочего места
рассчитывается по формуле [5]:
Тоб =Ттех +Торг
где Торг - время на организацию
обслуживания;
Вспомогательное время обработки
рассчитывается по формуле [5]:
Тв = Ту.с.+Тз.о.+Туп+Тиз =
0,33+0,33+0,41+0,5 = 1,57 мин
где Ту.с. - время на установку и
снятие;
Тзо - время на закрепление и
открепление;
Туп - время на управление;
Тиз - время на измерения.
Время на отдых и обслуживание
Тоб.отд = 1,57*0,06 = 0,094 мин
Тп-з = 6мин
Нвр =
мин.
Список использованной литературы
деталь заготовка
операционный резание
Марочник
сталей и сплавов / М.М. Колосков, Е.Т. Долбенко, Ю.В. Каширский и др.; Под
общей ред. А.С. Зубченко - М.: Машиностроение, 2001. 672 с.: илл.
Справочник
технолога-машиностроителя. В 2-х т. Т. 1 / Под ред. А.М. Дальского, А.Г.
Суслова, А.Г. Косиловой, Р.К. Мещерякова - 5-е изд., перераб. и доп. - М.:
Машиностроение - 1, 2001 г. 912 с., ил.
Горбацевич
А.Ф., Шкред В.А. Курсовое проектирование по технологии машиностроения: [Учеб.
пособие для машиностроит. спец. вузов]. - 4-е изд., перераб. и доп. - Мн. Выш.
школа, 1983.-256 с., ил.
Методические
указания к курсовому проектированию по дисциплине “Технология
машиностроительного производства” для специальности 060800 “Экономика и
управление на предприятиях” (для заочной формы обучения). Составители: В.В.
Будилов, Р.Д. Агзамов.
Мухин
В.С. Расчет технологических размеров: учеб. пособие/ В.С. Мухин; Уфимск. гос.
авиац. техн. ун-т. - 2-е изд., испр. - Уфа: УГАТУ, 2008.- 204 с.
Справочник
технолога-машиностроителя. В 2-х т. Т. 2 / Под ред. А.М. Дальского, А.Г.
Суслова, А.Г. Косиловой, Р.К. Мещерякова - 5-е изд., перераб. И доп. - М.:
Машиностроение - 1, 2001 г. 944 с., ил.