Связанные системы управления самолетом
СОДЕРЖАНИЕ
Введение. Общие сведения об
автоматическом управлении движением центра масс самолета
Основные характеристики сервопривода
автопилота
Стабилизация высоты
Управление скоростью полета путем
регулирования тяги двигателя
Интегрированное управление движением
самолета
Список использованной литературы
ВВЕДЕНИЕ. ОБЩИЕ СВЕДЕНИЯ ОБ АВТОМАТИЧЕСКОМ
УПРАВЛЕНИИ ДВИЖЕНИЕМ ЦЕНТРА МАСС САМОЛЕТА
Автоматическое управление траекторией может
использоваться на всех этапах полета. Простейшими в смысле реализации являются
контуры раздельной стабилизации барометрической высоты и индикаторной скорости.
В этих контурах текущие значения регулируемого параметра поддерживаются
относительно уровня, задаваемого летчиком, а в качестве измерителей
используются простые арифметические приборы.
Более сложны режимы управления траекторией в
продольном и боковом движении самолета. Здесь требуемая траектория полета
определяется в бортовой цифровой вычислительной машине (БЦВМ). В качестве
измерителей координат и скорости самолета применяются барометрические и
радиотехнические высотомеры, инерциальные системы, аэрометрические и
доплеровские измерители скорости, а также наземные радиотехнические средства.
Высотомер - пилотажно-навигационный прибор,
указывающий высоту полёта. По принципу устройства высотомеры делятся на
барометрические и радиотехнические (иначе радиовысотомер).
Барометрический высотомер предназначен для
определения барометрической высоты или относительной высоты полёта. Принцип
действия барометрического высотомера основан на измерении давления атмосферы.
Известно, что с увеличением высоты уменьшается и текущее атмосферное давление.
Данный принцип положен в основу прибора, который на самом деле измеряет не
высоту, а давление воздуха. Конструктивно прибор состоит из запаянной коробочки
с мембраной, изменение положения которой механически связано со стрелками,
перемещающимися вокруг шкалы, проградуированной в цифрах. Высота полёта
воздушного судна над земной (либо водной) поверхностью вычисляется как разность
давлений между точкой нахождения прибора и давлением воздуха на поверхности,
высоту до которой необходимо измерить. Атмосферное давление на поверхности (как
правило, в районе аэродромов посадки, горных массивов либо крупных опасных
препятствий) сообщается экипажу наземными службами. Для правильного отображения
высоты полёта на приборе необходимо вручную установить величину атмосферного
давления на земле (или давление, приведённое к уровню моря). Неправильная
установка экипажем такого давления при полётах с нулевой видимостью не раз
становилась причиной авиакатастроф.
Принцип действия радиовысотомера (РВ) основан на
измерении отрезка времени между посылкой и приёмом электромагнитных волн,
отражённых от поверхности, до которой измеряется высота (земля либо вода). В
отличие от барометрических высотомеров радиовысотомер измеряет истинную высоту
полёта, поэтому не зависит от наличия информации о давлении воздуха, отличается
также более высокой точностью. На практике радиовысотомеры используются на
малых высотах, вблизи земной (либо водной) поверхности, потому как применение
данной технологии с больших высот требует мощного источника излучений, а также
аппаратуры, способной эффективно противостоять помехам. Конструктивно прибор
состоит из СВЧ радиопередатчика, направленная антенна которого расположена «на
брюхе» воздушного судна, приёмника отражённого сигнала, устройств обработки
сигналов, а также индикатора на приборной доске экипажа, на который передаются
данные о текущей высоте. Радиовысотомеры делятся на РВ малых высот (например, отечественные
РВ-3, РВ-5), которые предназначены для определения высот до 1500 метров и, как
правило, работают в режиме непрерывной радиолокации, и высотомеры больших высот
(более 1500 м, наподобие РВ-18, измеряющего высоты до 30 км), обычно работающие
в импульсном режиме. Практически у всех РВ имеется сигнализатор малой высоты,
подающий световой и звуковой сигнал при понижении высоты ниже заданной,
установленной лётчиком. К недостаткам прибора можно отнести выраженную
направленность измерений (направление луча передатчика, направленного
перпендикулярно вниз). По этой причине применение радиовысотомеров эффективно
только в равнинной местности и практически бесполезно в горных и сильно
пересечённых районах. В крене РВ показывает завышенную высоту, так как высота -
вертикальный катет треугольника, а луч радиовысотомера в крене направлен по
гипотенузе, поэтому при значительных кренах (более 15-20 градусов) может
включаться предупреждающая световая сигнализация. Тангаж обычно не учитывается,
так как у транспортных летательных аппаратов он редко превышает упомянутые
15-20°. Кроме того, вызывает вопросы экологичность радиоизмерений, так как для
обеспечения требуемой точности необходимо применять коротковолновые мощные
передатчики, несущие явную опасность для биосферы.
Для определения высоты могут использоваться
также GPS-приёмники. Принцип действия основан на одновременном измерении
расстояния до нескольких (как правило - от четырёх до шести) вещающих
спутников, находящихся на известных и специально корректируемых орбитах. На
основании математических вычислений прибор определяет точку в пространстве -
координаты φ, λ - широту и долготу
места на модели поверхности Земли, а также высоту Н относительно среднего
уровня моря модели. С точки зрения истинности отображения координат имеет
преимущество как перед барометрическими, так и перед радиотехническими
высотомерами, так как не зависит ни от атмосферного давления, ни от измерения
расстояния до физического рельефа местности. Точность измерений при
необходимости может достигать порядка нескольких сантиметров, однако на
практике такие измерения доступны по специальному соглашению с владельцем Сети,
с применением дорогостоящего оборудования, и по этой причине в быту не
применяются. Точность измерения бытовых приборов GPS - порядка 10 метров, что
вполне достаточно для большинства задач ориентирования.
В конструкции гамма-лучевого высотомера
используется источник гамма-излучения (обычно - изотопы 60Со, 137Сs). Приёмник
фиксирует обратное фотонное излучение, отражённое от объектов подстилающей
поверхности. ГЛВ обладают высокой точностью, устойчивы к воздействию различного
рода помех, влияющих на точность измерений. Гамма-лучевые высотомеры
используются на малых высотах (метры, десятки метров от поверхности). Основное
применение - системы мягкой посадки космических кораблей.
Указатель скорости - пилотажный
контрольно-измерительный прибор, показывающий скорость полёта относительно
воздушной среды. Действие устройства основано на измерении скоростного напора
воздушного потока. Существуют указатели истинной воздушной скорости,
индикаторной (приборной) скорости и комбинированные приборы. Некоторые модели
указателей скорости предназначены также для определения числа Маха; они
применяются на скоростных реактивных самолётах.
Доплеровский измеритель скорости и сноса (ДИСС)
- бортовое радиолокационное устройство, основанное на использовании эффекта
Доплера (изменение частоты и длины волн, регистрируемых приёмником, вызванное
движением их источника и/или движением приёмника), предназначенное для автоматического
непрерывного измерения и индикации составляющих вектора скорости, модуля
путевой скорости, угла сноса (угол между продольной осью ЛА и направлением его
движения относительно земной поверхности, обусловлен боковым ветром) и
координат летательного аппарата, автономно или в комплексе с навигационным
оборудованием. В отличие от указателя скорости манометрического типа, который
показывает скорость ЛА относительно воздушной среды, т. н. воздушную скорость,
ДИСС определяет скорость относительно земной поверхности.
В БЦВМ навигационного комплекса на основе
информации навигационных систем вычисляются отклонения от заданной траектории.
В зависимости от этих отклонений в вычислителе системы траекторного управления
формируются команды на изменение угловой ориентации (или перегрузки) самолета и
определяется режим работы двигателя. Выработанные команды отрабатываются
соответствующими системами регулирования.
Таким образом, в составе системы управления
траекторным движением может быть выделено ядро (уровень управления),
выполняющее исполнительные функции. Таким ядром при управлении продольным
движением является система регулирования угла тангажа (или нормальной
перегрузки), а при управлении боковым движением - система регулирования угла
крена. Если структура ядра определена, то синтез системы управления траекторным
движением сводится к определению законов формирования входных сигналов ядра
Входной сигнал ядра в общем случае формируется в
функции отклонения регулируемого траекторного параметра, а также производной и
интеграла от этого отклонения. В целях обеспечения устойчивости при больших
начальных отклонениях от заданной траектории полета в закон управления вводятся
отграничения, а именно: ограничиваются сигнал отклонения траекторного параметра
и интеграл от этого сигнала. Для предотвращения выхода на недопустимые режимы
полета ограничивается и сам входной сигнал ядра системы траекторного
управления.
В курсовом проекте математическая модель
движения самолета представлена сепаратными линеаризованными системами уравнений
продольного движения самолета (плоского движения, при котором вектор скорости
центра масс самолета лежит в плоскости его симметрии) и бокового движения
самолета как твердого тела. Для описания продольного и бокового движения
самолета используются системы варьированных уравнений, записанных в малых
отклонениях от уравнений выбранного прямолинейного равномерного опорного
движения.
Варьированные уравнения продольного движения в
форме Лапласа (s - комплексная Лапласова переменная) при нулевых начальных условиях:
(s+c1)ωz + (c5s+c2) Δα + e3ΔV +
c3Δδв + r3ΔP=0;
ωz + (s+c4) Δα + e2ΔV +
c9Δδв =0;
с8Δα + (s+ e1
)ΔV
+ c7Δυ - r1ΔP = 0;
с6Δα
- с11ΔV
- с6Δυ
+ sΔH = 0;
ωz +sΔυ
= 0.
Аналогичные варьированные уравнения бокового
движения:
(s+b1)ωx + a6ωy + b2β +
a5Δδн + b3Δδэ
= 0;
b6ωx + (s+a1)ωy + a2β +
a3Δδн + b5Δδэ
= 0;
- b7ωx - a8ωy + (s+a4)β - b4
Δγ + a7Δδн = 0;
- ωx + a9ωy + (s-b8 )Δγ = 0;
a10ωy + b9 Δγ + sΔψ = 0.
В работе рассматривается связанное управление
продольным движением самолета по скорости и по высоте.
Мои исходные данные:
Проведем соответствие между
динамическими коэффициентами:
ОСНОВНЫЕ ХАРАКТЕРИСТИКИ СЕРВОПРИВОДА
АВТОПИЛОТА
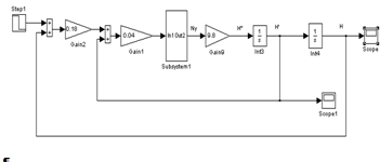
Структурная схема привода с жесткой обратной
связью:
Как следует из рисунка, контур сервопривода
содержит в своем составе типовые нелинейности: «ограничение» величин
управляющих сигналов, скорости вращения или перемещения выходного вала (штока)
рулевой машины, люфт в механической проводке управления и в редукторе рулевой
машины и зоны нечувствительности, характерные для усилителей рулевых машин. Эти
нелинейности неизбежны в канале сервопривода и могут оказать вредное влияние на
качество стабилизации и управления самолетом.
Переходный процесс по изменению руля высоты δВ
при работе в линейной зоне при единичном ступенчатом воздействии:
Передаточная функция по выходу рулевого привода:
Это колебательное звено, поэтому
переходный процесс имеет вид, показанный на графике.
Коэффициент усиления: К = 833
Декремент затухания: x = 0.57
Собственная частота: W = 28.9
Постоянная времени: Т = 0.035
Как видно из графика, переходный
процесс достаточно быстрый - заканчивается за 0.2, стремится при t ® ¥ к значению
.
Так как Т < 0.05 c, то с
достаточной степенью точности при расчетах параметров САУ можно принять
.
Переходный процесс по изменению скорости руля
высоты δВ
при работе в линейной зоне:
Передаточная функция:
Это соединение колебательного и
дифференцирующего звеньев, поэтому переходный процесс имеет вид, показанный на
графике.
Посмотрим, как поведут себя процессы
при выходе на ограничения. Если мы примем входной сигнал 30, получим следующие
переходные процессы:
- по изменению руля высоты δВ:
Переходный процесс растянулся до 1 с., при этом
мы вышли на ограничение - не более 20°.
по изменению скорости руля высоты δВ:
Здесь мы вышли на ограничение не более 25.
СТАБИЛИЗАЦИЯ ВЫСОТЫ
Автоматическая стабилизация высоты производится
в тех случаях, когда необходимо выдержать заданный режим горизонтального
полета. При этом, за исключением полета на малых высотах, обычно осуществляется
стабилизация барометрической высоты на уровне, соответствующем заданному
статическому давлению. Отклонения барометрической высоты от заданного уровня
контролируется с помощью барометрического высотомера в системе воздушных
сигналов. Регулирование производится посредством руля высоты.
Практические расчеты переходных процессов и
корней характеристического уравнения показывают, что для статически устойчивого
по углу атаки ЛА наблюдается быстрое движение, соответствующее балансировке
моментов и большим по модулю корням, и медленное движение, соответствующее
балансировке сил и малым по модулям корням.
Быстрое (угловое) движение
происходит по угловой скорости
и углу атаки
, медленное
(траекторное) движение - по скорости V и углу наклона траектории
.
Полагая скорость постоянной
величиной, можно записать следующую систему уравнений продольного движения:

Найдём передаточную функцию по углу
атаки a:
Коэффициент усиления по углу атаки:
К = 0.6885
Декремент затухания: x = 0.2297
Собственная частота: W = 1.9479
Время переходного процесса t = 3 c,
перерегулирование s = 30 %.
Это колебательный процесс,
асимптотически устойчивый. При
процесс будет стремиться к
.
Найдём передаточную функцию по
перегрузке ny:
Коэффициент усиления по перегрузке:
К = 0.313.
Декремент затухания и собственная
частота остались прежними.
Время переходного процесса t = 3 с,
перерегулирование s = 30 %.
Это колебательный процесс,
асимптотически устойчивый. При
процесс будет стремиться к
.
Найдём передаточную функция по
угловой скорости тангажа wz:
При
процесс будет стремиться к
.
Время переходного процесса t = 3 с.
Наряду с колебательным звеном
появляется форсирующее звено первого порядка, благодаря чему увеличивается
амплитуда колебаний.
Рассмотрим изменения угла наклона
траектории q.
Передаточная функция относительно угла наклона
траектории при отклонении рулей:
При
.
Наряду с колебательным звеном
имеется интегрирующее звено. В результате мы получили линейно возрастающую
функцию с небольшими колебаниями вдоль прямой с наклоном
.
Найдём передаточную функцию по
производной от угла атаки a:
Таким образом, наряду с
колебательным звеном есть дифференцирующее звено, поэтому переходный процесс
имеет вид, показанный на графике.
При
.
Передаточная функция по высоте H при
отклонении рулей будет иметь вид:
В итоге мы имеем одно колебательное
и два интегрирующих звена. Переходный процесс будет идти по параболе, как видно
из графика.
При
.
Значения характеристик устойчивости
и управляемости самолета могут не соответствовать желаемым с точки зрения
оценок летчика при ручном управлении. Поэтому для возможности их улучшения
могут вводиться автомат регулировки управления (АРУ), позволяющий изменять
коэффициент усиления
между
отклонением ручки (штурвала) управления и отклонением рулей, и обратные связи
по сигналам датчика угловой скорости (ДУС) и датчика линейных ускорений (ДЛУ)
ny с регулируемым коэффициентом усиления этих сигналов
и
. С помощью
выбора всех передаточных чисел можно обеспечить требуемые динамические и
статические характеристики управляемости. Найдем их по формулам:
Обратные связи с коэффициентами
и
создают за
счет отклонения рулей дополнительные моменты, пропорциональные wz и a (так как перегрузка ny
пропорциональна a),
искусственно изменяя демпфирование и степень статической устойчивости самолета.
Как видно из графиков, переходные
процессы в системе значительно улучшились: исчезла колебательность, уменьшилось
время переходного процесса.
Переходный процесс по углу атаки a:
Переходный процесс по перегрузке ny:
Переходный процесс по угловой скорости тангажа wz:
Рассмотрим график изменения угла наклона
траектории q.
Сделаем систему астатической по внешнему контуру
и введем обратные связи по высоте, скорости изменения высоты и перегрузке:
Получим следующие графики переходных процессов:
- по высоте:
-
по скорости изменения высоты:
- перегрузке:
- по угловой скорости тангажа wz:
-
по производной от угла атаки a:
- по углу наклона траектории q:
управление движение высота самолет
- по углу атаки a:
УПРАВЛЕНИЕ СКОРОСТЬЮ ПОЛЕТА ПУТЕМ РЕГУЛИРОВАНИЯ
ТЯГИ ДВИГАТЕЛЕЙ
,
где
- относительная плотность воздуха.
Полет с заданной скоростью может
происходить как на постоянной высоте, так и в режимах набора высоты и снижения.
Для управления скоростью полета производятся воздействия на тягу двигателя или
на руль высоты. В первом случае тангенциальное ускорение регулируется путем
изменения силы тяги, а во втором - вследствие изменения силы сопротивления.
Условиями эксплуатации самолета
индикаторная скорость ограничивается по максимуму и минимуму. Максимальное
значение лимитируется из соображений прочности, а нижней границей является
скорость сваливания. Имеется также ограничение числа М полета. Поэтому при
полете на режимах, близких к граничным, скорость должна строго
контролироваться. Автоматическая стабилизация воздушной скорости освобождает
летчика от выполнения этой функции, позволяя ему сосредоточиться на решении
других задач. В случае же неустойчивости по скорости автоматическая
стабилизация становится просто необходимой.
Основным задатчиком режима работы
каждого двигателя является рычаг управления двигателем (РУД), который
установлен в кабине экипажа самолета на мотопульте. Число рычагов определяется
количеством двигателей силовой установки. Все РУД через механическую проводку
связаны с гидромеханической системой (ГМС) подачи топлива в двигатель.
Количество топлива, подаваемое в камеру сгорания, определяет показатель работы
турбины и компрессоров двигателя и, как следствие, его тяговые характеристики.
Разомкнутая система управления скоростью полета
тягой двигателя:
Передаточная функция по скорости:
Ей соответствует следующий
переходный процесс:
Передаточная функция по тяге двигателя:
Ей соответствует следующий
переходный процесс при ступенчатом входном сигнале, равном 10:
Передаточная функция заслонки:
Коэффициент усиления по углу атаки:
К = 1
Декремент затухания: x = 0.7
Собственная частота: W = 10
Время переходного процесса t = 1 c,
перерегулирование s = 10 %.
Это колебательный процесс,
асимптотически устойчивый. При
процесс будет стремиться к
.
Ей соответствует следующий
переходный процесс при ступенчатом входном сигнале, равном 10:
Замкнутая система управления
скоростью полета тягой двигателя:
Передаточная функция по скорости:
Передаточная функция по тяге
двигателя:
Передаточная функция заслонки:
Найдем передаточное число, при котором
установившееся значение скорости будет соответствовать уровню входного сигнала:
В нашем случае это число
Тогда переходный процесс по
скорости:
Переходный процесс по тяге
двигателя:
Переходный процесс по заслонке:
Сделаем систему астатической по
внешнему контуру и введем обратную связь по скорости:
ИНТЕГРИРОВАННОЕ УПРАВЛЕНИЕ ДВИЖЕНИЕМ САМОЛЕТА
Управление пространственным движением самолета
по заданной траектории с требуемым законом изменения скорости производится
путем соответствующего регулирования углов тангажа, крена и тяги двигателей.
Так как каждой точке заданной фазовой траектории соответствует определенное
энергетическое состояние самолета, а источником его энергии является двигатель,
то в итоге оптимальное управление траекторным движением сводится к такому
взаимодействию каналов регулирования тангажа и тяги, при котором темп изменения
энергии самолета соответствует требуемому. Такой взгляд на процесс траекторного
управления позволяет сформулировать принцип полной энергии, на основе которого
строятся современные системы траекторного управления, объединяющие все упомянутые
каналы регулирования в интегрированный комплекс.
Уравнения продольного движения в форме Лапласа
запишутся в виде:
(s+0.760979)ωz + (0.201116s+3.16401)α +
0.003064V + 2.61238δв + 0.0001428P=0;
- ωz + (s+0.828486)α + 0.0488844V +
0.0748768δв =0;
-0.164736α + (s+ 0.0117534
)V + 0.17101υ - 0.0001225P = 0;
2.81364(α - υ) + sΔH = 0;
ωz +sΔυ = 0.
Улучшим характеристики процессов, подобрав
другие коэффициенты в обратных связях.
В переходном процессе по скорости V можно
заметить, что перерегулирование уменьшилось до 4 %:
Посмотрим теперь на переходные процессы по
скорости и изменению высоты при различных входных сигналах.
) Когда на руль высоты поступает сигнал -100, а
отклонение элеронов 0:
) Когда на руль высоты поступает сигнал 0, а
отклонение элеронов равно 10:
) Когда на руль высоты поступает сигнал -100, а
отклонение элеронов равно 10, при этом действует возмущающий момент, равный 10:
) Когда на руль высоты поступает сигнал -100, а
отклонение элеронов равно 10, при этом дует ветер под углом 5°:
Проектирование продольного движения с
перекрестными связями:
Отсюда находим передаточные функции:
Тогда получим:

Переходный процесс:
Передаточная функция
=
.072(s+7.165)(s+0.1801)(s+0.0265)(s+2.165e-008)(s-2.165e-008)(s2+0.2931s+0.09083)(s2+3.23s+5.517)(s2+31.88s+775.4)
s(s+7.165)(s+0.5253)(s+0.1117)(s2+0.3455s+0.07861)(s2+0.3882s+0.2644)(s2+2.209s+2.816)(s2+32.03s+780.1)
Переходный процесс:
Передаточная функция
=
0.0072s(s+7.165)(s+0.1801)(s+0.0265)(s+3.134e-007)(s-3.134e-007)(s2+0.2931s+0.09083)(s2+3.23s+5.517)(s2+31.88s+775.4)(s+7.165)(s+0.5253)(s+0.1117)(s2+0.3455s+0.07861)(s2+0.3882s+0.2644)(s2+2.209s+2.816)(s2+32.03s+780.1)
Переходный процесс:
Передаточная функция
=
-20.9497s(s+18.68)(s+7.143)(s-0.7017)(s+0.5)(s-3.59e-006)(s2+1.289e-011)(s+7.165)(s+0.5253)(s+0.1117)(s2+0.3455s+0.07861)(s2+0.3882s
+0.2644)(s2+2.209s +2.816)(s2+32.03s +780.1)
Переходный процесс:
Передаточная функция
=
0.0001225s2(s+7.143)(s+0.5565)(s+0.5)(s2+0.5752s+0.2052)(s2+1.958s+2.234)(s2+32.03s+780.1)(s+7.165)(s+0.5253)(s+0.1117)(s2+0.3455s+0.07861)(s2+0.3882s+0.2644)(s2+2.209s+2.816)(s2+32.03s+780.1)
Переходный процесс:
Передаточная функция
=
500s2(s+7.143)(s+0.3514)(s+0.0227)(s2+0.5024s+0.2554)(s2+2.226s+2.814)(s2+32.03s+780.1)(s+7.165)(s+0.5253)(s+0.1117)(s2+0.3455s+0.07861)(s2+0.3882s+0.2644)(s2+2.209s+2.816)(s2+32.03s+
780.1)
Переходный процесс:
Передаточная функция
=
1.5755s(s+0.5)(s+0.3514)(s+0.0227)(s2+0.5024s+0.2554)(s2+2.226s+2.814)(s2+32.03s+780.1)(s+7.165)(s+0.5253)(s+0.1117)(s2+0.3455s+0.07861)(s2+0.3882s+0.2644)(s2+2.209s+2.816)(s2+32.03s+780.1)
Переходный процесс:
Передаточная функция
=
0.013268s2(s-26.41)(s-0.1536)(s2+41.09s+552.3)(s+7.165)(s+0.5253)(s+0.1117)(s2+0.3455s+0.07861)(s2+0.3882s+0.2644)(s2+2.209s+2.816)(s2+32.03s+780.1)
Переходный процесс:
СПИСОК ИСПОЛЬЗОВАННОЙ ЛИТЕРАТУРЫ
1. Ю.П.
Гуськов, Г.И. Загайнов «Управление полетом самолетов» изд. Машиностроение, 1991
год
. В.Д.
Елисеев «Математические модели ЛА в задачах проектирования САУ» изд. МАИ, 1992
год
3. И.А.
Михалев, Б.Н. Окоемов, М.С. Чикулаев «Системы автоматического управления
самолетом» изд. Машиностроение, 1987 год